Grid-Connected Microbial Fuel Cell Modeling and Control in Distributed Generation
Abstract
:1. Introduction
2. Modeling of the Microbial Fuel Cell Grid-Connected System
2.1. Boost Chopper Modeling
- (1)
- As a component that conveys energy to other components, DC/DC converters have high conversion efficiencies, which increase energy usage rates;
- (2)
- The grid-connected microbial fuel cell reactor has a high output voltage demand. The converter should feature a voltage boost capability to lower the need.
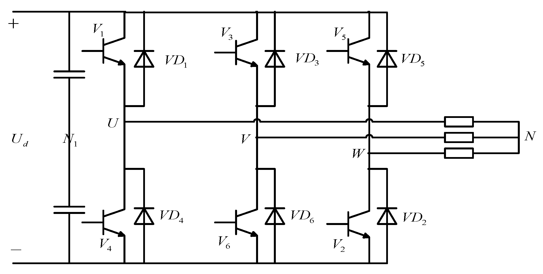
2.2. Inverter Modeling
2.3. Filter Modeling
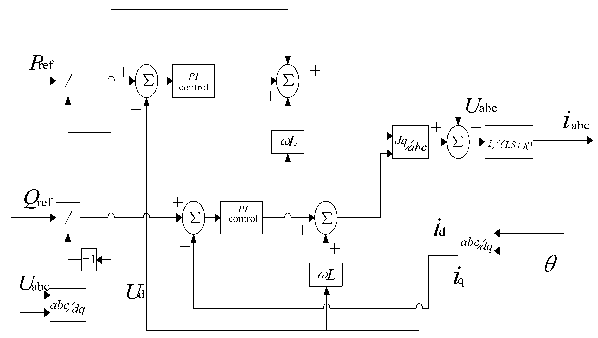
3. Design of Control System for Grid-Connected Microbial Fuel Cell Stack
4. Simulation Run
5. Conclusions
Author Contributions
Funding
Data Availability Statement
Conflicts of Interest
References
- Wenli, Z.; Jie, L. Application of Microbial Fuel Cell in Wastewater Treatment. J. Green Sci. Technol. 2020, 4, 11–13. [Google Scholar]
- Ben, Z.; Feifei, L.; Yueming, Z.; Ming, K.; Tao, Z.; Ting, C. Research progress of sediment microbial fuel cell (SMFC) technology for remediation of polluted sediments in black and odorous water bodies: [A]. In Chinese Society for Environmental Sciences Annual Meeting of Science and Technology Proceedings (Volume 2) [C]; Chinese Society for Environmental Sciences: Nanjing, China, 2020; Volume 12. [Google Scholar]
- Abdelrhman, M.; Hannah, M.Z.; Phuc, T.H.; Erik, R.C.; Haluk, B. Large-scale switchable potentiostatically controlled/microbial fuel cell bioelectrochemical wastewater treatment system. Bioeletrochemistry 2021, 138, 107724. [Google Scholar]
- Liping, F.; Xiang, F. Control improvement of Boost PFC converter based on Fuzzy PI. Electr. Meas. Instrum. 2019, 56, 121–125+145. [Google Scholar]
- Chen, S.; Xu, Z.; Yang, J.; Xu, H.; Yan, W. Research progress of microbial fuel cell in wastewater treatment. Chem. Ind. Eng. Prog. 2022, 41, 951–963. [Google Scholar]
- Zeng, X.; Li, F.; Lu, L.; Wang, Y. Microgrid battery energy storage system filtering and grid-connected control strategy. Electr. Power Autom. Equip. 2017, 37, 45–51. [Google Scholar]
- Fan, L.; Wang, H.; Li, C. Adaptive fuzzy control based on variable universe for microbial fuel cell. Chin. J. Power Sources 2016, 40, 313–315. [Google Scholar]
- Fan, L.; Zheng, Y. Research on Catering Wastewater Treatment and Power Generation Performance of Bio-cathode Microbial Fuel Cell. Energy Environ. 2015, 6, 74–75+77. [Google Scholar]
- Kubota, K.; Yoochatchaval, W.; Yamaguchi, T. Application of a Single-Chamber Microbial Fuel Cell (MFC) for Organic Wastewater Treatment: Influence of Changes in Wastewater Composition on the Process Performance. Sustain. Environ. Res. 2010, 20, 347–351. [Google Scholar]
- Martin, E.; Savadogo, O.; Guiot, S.; Tartakovsky, B. The influence of operational conditions on the performance of a microbial fuel cell seeded with mesophilic anaerobic sludge. Biochem. Eng. J. 2010, 51, 132–139. [Google Scholar] [CrossRef]
- Zhang, W.; Liu, L.; Yang, K. Design of Power Control System of Microgrid. Autom. Instrum. 2014, 35, 13–18. [Google Scholar]
- Choi, J.; Ahn, Y. Continuous electricity generation in stacked air cathode microbial fuel cell treating domestic wastewater. J. Environ. Manag. 2013, 130, 146–152. [Google Scholar] [CrossRef] [PubMed]
- Zou, J.; Yan, M.; Guo, C. Review of Intimate Coupling of Photocatalysis and Biodegradation. Guangdong Chemical Industry. 2022, 49, 108–111+101. [Google Scholar]
- Li, W.; Yu, H.; He, Z. Towards sustainable wastewater treatment by using microbial fuel cells-centered technologies. Energy Environ. Sci. 2014, 7, 911–924. [Google Scholar] [CrossRef]
- Wang, W.; Zhang, T. Research on Microbial Power Generation and Its Application. J. Hunan Inst. Eng. (Nat. Sci. Ed.) 2012, 22, 72–75. [Google Scholar]
- Recio-Garrido, D.; Perrier, M.; Tartakovsky, B. Modeling, optimization and control of bioelectrochemical systems. Chem. Eng. J. 2016, 289, 180–190. [Google Scholar] [CrossRef]
- Ge, Z.; Wu, L.; Fei, Z.; He, Z. Energy extraction from a large-scale microbial fuel cell system treating municipal wastewater. J. Power Sources 2015, 97, 260–264. [Google Scholar] [CrossRef]
- Qiming, S.; Mingxuan, Z.; Yuxin, C.; Ying, P.; Zhiwei, C. Present Situation and Research of Microbial Fuel Cell. Mod. Chem. Res. 2021, 7, 6–7. [Google Scholar]
- Ewing, T.; Babauta, J.; Atci, E.; Tang, N.; Orellana, J.; Heo, D.; Beyenal, H. Self-powered wastewater treatment for the enhanced operation of a facultative lagoon. J. Power Sources 2014, 269, 284–292. [Google Scholar] [CrossRef]
- Controlling for peak power extraction from microbial fuel cells can increase stack voltage and avoid cell reversal. J. Power Sources 2014, 269, 363. [CrossRef]
- Zhang, J.; Fan, L.; Chen, W. Establishment and simulation of microbial fuel cell’s mathematical model. Renew. Energy Resour. 2014, 32, 1902–1907. [Google Scholar]
- Cheng, S.; Logan, B.E. Increasing Power Generation for Scaling up Single-Chamber Air Cathode Microbial Fuel Cells. Bioresour. Technol. 2011, 102, 4468–4473. [Google Scholar] [CrossRef]
- Virdis, B.; Rabaey, K.; Rozendal, R.A.; Yuan, Z.; Keller, J. Simultaneous Nitrification, Denitrification and Carbon Removal in Microbial Fuel Cells. Water Res. 2011, 44, 2970–2980. [Google Scholar] [CrossRef] [PubMed]
- Michie, I.S.; Kim, J.R.; Dinsdale, R. The Influence of Psychrophilic and Mesophilic start-up Temperature on Microbial Fuel Cell System Performance. Energy Environ. Sci. 2011, 4, 1011–1019. [Google Scholar] [CrossRef]
- McCarty, P.; Bae, J.; Kim, J. Domestic wastewater treatment as a net energy producer--can this be achieved? Environ. Sci Technol. 2011, 45, 7100–7106. [Google Scholar] [CrossRef] [PubMed]
- Luo, D.; Xu, M.; Yang, Y. Research progress of series and parallel stack of microbial fuel cells. Environ. Chem. 2020, 39, 2227–2236. [Google Scholar]
- Wang, W.; Liu, B.; Hu, Y.; Li, Z.; Wang, H.; Chen, Y.; Song, S. Power Decoupling Control for Single-Phase Grid-Tied PEMFC Systems With Virtual-Vector-Based MPC. IEEE Access 2021, 9, 55132–55143. [Google Scholar] [CrossRef]
- Qi, Q.; Ghaderi, D.; Josep, M. Guerrero, Sliding mode controller-based switched-capacitor-based high DC gain and low voltage stress DC-DC boost converter for photovoltaic applications. Int. J. Electr. Power Energy Syst. 2021, 125, 106496. [Google Scholar] [CrossRef]
- Ghaderi, D.; Padmanabanb, S.; Maroti, P.K.; Papari, B.; Holm-Nielsenb, J.B. Design and implementation of an improved sinusoidal controller for a two-phase enhanced impedance source boost inverter. Comput. Electr. Eng. 2020, 83, 106575. [Google Scholar]
- Padmanaban, S.; Priyadarshi, N.; Bhaskar, M.S.; Holm-Nielsen, J.B.; Hossain, E.; Azam, F. A Hybrid Photovoltaic-Fuel Cell for Grid Integration With Jaya-Based Maximum Power Point Tracking: Experimental Performance Evaluation. IEEE Access 2019, 7, 82978–82990. [Google Scholar] [CrossRef]
- Ghaderi, D.; Maroti, P.K.; Sanjeevikumar, P.; Holm-Nielsen, J.B.; Hossain, E.; Nayyar, A. A Modified Step-Up Converter with Small Signal Analysis-Based Controller for Renewable Resource Applications. Appl. Sci. 2020, 10, 102. [Google Scholar] [CrossRef]
- Han, Y.; Yang, H.; Zhang, X.; Li, Q.; Chen, W. Coordinative Optimization Method for Control Parameters of Grid-connected Fuel Cell Generation System. Acta Energ. Sol. Sin. 2017, 38, 1592–1600. [Google Scholar]
- Zhang, Y. Reseaech on Islanding Detection for Fuel Cell Grid Connected and Control Strategy of Micro-grid. Master’s Thesis, Southwest Jiaotong University, Chengdu, China, 2013. [Google Scholar]
- Li, P.; Li, F. Research on Modeling and control of grid connected power generation system based on fuel cell. Light Ind. Sci. Technol. 2013, 29, 40–42. [Google Scholar]
- Hu, Y.; Liu, Z.; Li, H. Microgrid Stability of Grid Connected System with Fuel Cell Modeling Analysis. Power Syst. 2016, 35, 36–42. [Google Scholar]
- Huang, R.; Hong, F.; Ghaderi, D. Sliding mode controller-based e-bike charging station for photovoltaic applications. Int. Trans. Electr. Energy 2020, 30, e12300. [Google Scholar] [CrossRef]
- Han, B.; Bai, C.; Lee, J.S.; Kim, M. Repetitive Controller of Capacitor-Less Current-Fed Dual-Half-Bridge Converter for Grid-Connected Fuel-Cell System. IEEE Trans. Ind. Electron. 2018, 65, 7841–7855. [Google Scholar] [CrossRef]
- Zhang, J. Grid-connection of Fuel-Cell Distributed Generation Systems. Master’s Thesis, North China Electric Power University, Baoding, China, 2012. [Google Scholar]
- Yang, W.; Lin, H.; Zhao, H. Research on the control strategy to connect fuel cells with power grid. Power Syst. Prot. Control 2011, 39, 132–137. [Google Scholar]
- Guo, Y. Design of Three-Phase Grid-Connected Inverter for Fuel Cell. Master’s Thesis, Wuhan University Of Technology, Wuhan, China, 2012. [Google Scholar]
- Mojallal, A.; Lotfifard, S. Improving During and Post Fault Response of Fuel Cells in Symmetrical and Asymmetrical Fault Cases. IEEE Trans. Sustain. Energy 2017, 9, 1407–1418. [Google Scholar] [CrossRef]
- Zamani, M.; Yazdani, A.; Sidhu, T. A control strategy for enhanced operation of inverter-based microgrids under transient disturbances and network faults. IEEE Trans. Power Deliv. 2012, 27, 1737–1747. [Google Scholar] [CrossRef]
- Liu, H.; Ramnarayanan, R.; Logan, B.E. Production of electricity during wastewater treatment using a single chamber microbial fuel cell. Env. Sci. Technol. 2004, 38, 2281–2285. [Google Scholar] [CrossRef]
- Sugnaux, M.; Savy, C.; Cachelin, C.P.; Hugenin, G.; Fischer, F. Simulation and resolution of voltage reversal in microbial fuel cell stack. Bioresour. Technol. 2017, 238, 519–527. [Google Scholar] [CrossRef]
- Leng, G.; Wu, Z.; Zeng, X.; Luo, J. Study on the Generation Control System to Connect Fuel Cells With Power Grid. Power Syst. Technol. 2009, 33, 89–93. [Google Scholar]
- Liu, H.; Logan, B. Electricity Generation Using an Air-Cathode Single Chamber Microbial Fuel Cell in the Presence and Absence of a Proton Exchange Membrane. Environ. Sci. Technol. 2004, 38, 4040–4046. [Google Scholar] [CrossRef] [PubMed]
- Karube, I.; Matasunga, T.; Suzuki, S.; Tsuru, S. Continuous hydrogen production by immobilized whole cels of Clostridium butyricum. Biochim. Et Biophys. Acta 1976, 24, 338–343. [Google Scholar] [CrossRef] [PubMed]
- Virdis, B.; Rabaey, K.; Yuan, Z.; Keller, J. Microbial fuel cells for simultaneous carbon and nitrogen removal. Water Res. 2008, 42, 3013–3024. [Google Scholar] [CrossRef]
- Holenda, B.; Domokosa, E.; Rédey, Á. Dissolved Oxygen Control of the Activated Sludge Wastewater Treatment Process Using Model Predictive Control. Comput. Chem. Eng. 2008, 32, 1270–1278. [Google Scholar] [CrossRef]














| 675 | |
| Grid frequency / | 50 |
| Carrier frequency / | 4000 |
| Filter inductance | 10 |
| Filter capacitor | 10 |
| Filter resistance | 0.16 |
| Line resistance R Ω/Km | 0.641 |
| Line inductance X Ω/Km | 0.101 |
| Load/MW | 1 |
| DC/DC:PID control parameter | |
| DC/AC: PQ control parameter | |
| Power voltage/V | 380 |
| Capacity/MVA | 40 |
| /Kw | 12 |
| /Var | 0 |
Disclaimer/Publisher’s Note: The statements, opinions and data contained in all publications are solely those of the individual author(s) and contributor(s) and not of MDPI and/or the editor(s). MDPI and/or the editor(s) disclaim responsibility for any injury to people or property resulting from any ideas, methods, instructions or products referred to in the content. |
© 2023 by the authors. Licensee MDPI, Basel, Switzerland. This article is an open access article distributed under the terms and conditions of the Creative Commons Attribution (CC BY) license (https://creativecommons.org/licenses/by/4.0/).
Share and Cite
Jiang, F.; Fan, L.; Zhang, W.; Yang, N. Grid-Connected Microbial Fuel Cell Modeling and Control in Distributed Generation. Processes 2023, 11, 466. https://doi.org/10.3390/pr11020466
Jiang F, Fan L, Zhang W, Yang N. Grid-Connected Microbial Fuel Cell Modeling and Control in Distributed Generation. Processes. 2023; 11(2):466. https://doi.org/10.3390/pr11020466
Chicago/Turabian StyleJiang, Fangmei, Liping Fan, Weimin Zhang, and Naitao Yang. 2023. "Grid-Connected Microbial Fuel Cell Modeling and Control in Distributed Generation" Processes 11, no. 2: 466. https://doi.org/10.3390/pr11020466
APA StyleJiang, F., Fan, L., Zhang, W., & Yang, N. (2023). Grid-Connected Microbial Fuel Cell Modeling and Control in Distributed Generation. Processes, 11(2), 466. https://doi.org/10.3390/pr11020466

