Pressure Swing Adsorption Plant for the Recovery and Production of Biohydrogen: Optimization and Control
Abstract
:1. Introduction
2. Separation and Production of Hydrogen by PSA
- The gas in the beds conforms to the ideal gas equation.
- The radial axis of pressure, concentration, and temperature is not assumed.
- The axial pressure drop is negligible.
- The LDF model is used to generate the mass transfer rate.
- Extended Langmuir is used to determine the adsorption and desorption of the gas.
Biohydrogen Production from Startup to CSS Using the PSA Process
3. Nonlinear Model Identified
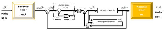
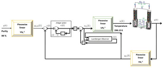
Discrete-Observer-Based LQR Controller Design
4. Implementation of the Discrete LQR and Discrete PID Controllers on the H-W Model
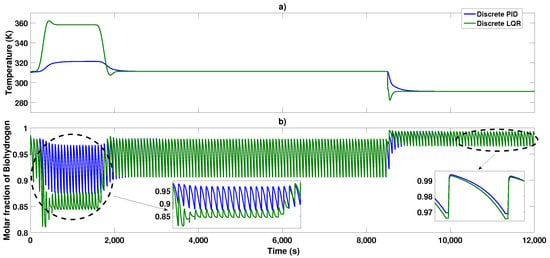
5. Validation of the Discrete LQR and Discrete PID Controllers Applied to the PSA Plant
6. Conclusions
Author Contributions
Funding
Institutional Review Board Statement
Informed Consent Statement
Data Availability Statement
Acknowledgments
Conflicts of Interest
Abbreviations
| PSA | Pressure Swing Adsorption |
| H-W | Hammerstein–Wiener |
| PDE’s | Partial Differential Equations |
| RIHMPC | Infinite-Horizon Model Predictive Controller |
| EMPC | Economic Model Predictive Control |
| DNN | Deep Learning Neural Network |
| LQR | Linear Quadratic Regulator |
| PID | Proportional-Integral-Derivative |
| Nomenclature | |
| Particle surface, (m2 m−3) | |
| Molar concentration, (kmol m−3) | |
| Heat capacity of adsorbent, (MJ kmol−1 K−1) | |
| Molecular diffusivity, (m2 s−1) | |
| Phase diffusivity adsorbed, (m2 s−1) | |
| Interparticle | |
| Intraparticle | |
| F | Flowrate, (kmol h−1) |
| Axial dispersion, (m2 s−1) | |
| Heat capacity, (MJ kg−1 K−1) | |
| Heat transfer coefficient, (J s−1 m−2 K−1) | |
| i | Component index, water (w) o ethanol (e) |
| Mass transfer rate, (kmol m−3 (bed) s−1) | |
| K | Langmuir constant, (Pa−1) |
| M | Molar weight, (kg mol−1) |
| Isothermal parameters | |
| MTCs | Mass transfer coefficient, (s−1) |
| Axial thermal conductivity, (W m−1 K−1) | |
| OCFE2 | Orthogonal Collocation on Finite Elements |
| P | Pressure, (Pa) |
| Q | Isosteric heat, (J mol−1) |
| Adsorbed amount, (kmol kg−1) | |
| Adsorbed equilibrium amount, (kmol kg−1) | |
| R | Universal gas constant, (J mol−1 K−1) |
| rp | Adsorbent particle radius, (m) |
| t | Time, (s) |
| Gas temperature, (K) | |
| Solid temperature, (K) | |
| T | Temperature, (K) |
| Surface gas velocity, (m s−1) | |
| Molar fraction | |
| z | Coordinate of axial distance, (m) |
| Ω | Parameter in Glueckauf expression |
| Ψ | Particle shape factor |
| ρ | Gas phase molar density |
| Flowrate (Product of the two beds) | |
| Molar fraction (Obtained as final product) | |
| Cycle time (adsorption and regeneration of the beds), | |
| and | Duration of adsorption and regeneration steps |
| Feed flowrate of ethanol. | |
| Molar fraction of feed ethanol. |
References
- Shabbani, H.J.K.; Abd, A.A.; Hasan, M.M.; Helwani, Z.; Kim, J.; Othman, M.R. Effect of thermal dynamics and column geometry of pressure swing adsorption on hydrogen production from natural gas reforming. Gas Sci. Eng. 2023, 116, 205047. [Google Scholar] [CrossRef]
- Mohd Yussof, D.S.N.F.P.H.; Ibrahim, M.H.A.H.; Ramli, M.Z.; Sahari, M.I.F.H.; Karri, R.R.; Azri, M.H. Design of Pressure Swing Adsorber and Absorption Column for Production of Hydrogen by Steam Methane Reforming Using Biogas. AIP Conf. Proc. 2023, 2643, 060001. [Google Scholar] [CrossRef]
- Xie, X.; Awad, O.I.; Xie, L.; Ge, Z. Purification of hydrogen as green energy with pressure-vacuum swing adsorption (PVSA) with a two-layers adsorption bed using activated carbon and zeolite as adsorbent. Chemosphere 2023, 338, 139347. [Google Scholar] [CrossRef] [PubMed]
- Singh, A.; Shivapuji, A.M.; Dasappa, S. Hydrogen production through agro-residue gasification and adsorptive separation. Appl. Therm. Eng. 2023, 234, 121247. [Google Scholar] [CrossRef]
- Lee, J.; Cho, H.; Kim, J. Techno-economic analysis of on-site blue hydrogen production based on vacuum pressure adsorption: Practical application to real-world hydrogen refueling stations. J. Environ. Chem. Eng. 2023, 11, 109549. [Google Scholar] [CrossRef]
- Halder, A.; Klein, R.A.; Shulda, S.; McCarver, G.A.; Parilla, P.A.; Furukawa, H.; Brown, C.M.; McGuirk, C.M. Multivariate Flexible Framework with High Usable Hydrogen Capacity in a Reduced Pressure Swing Process. J. Am. Chem. Soc. 2023, 145, 8033–8042. [Google Scholar] [CrossRef]
- Delgado, J.A.; Águeda, V.I.; Uguina, M.A.; Brea, P.; Grande, C.A. Comparison and evaluation of agglomerated MOFs in biohydrogen purification by means of pressure swing adsorption (PSA). Chem. Eng. J. 2017, 326, 117–129. [Google Scholar] [CrossRef]
- López Núñez, A.R.; Rumbo Morales, J.Y.; Salas Villalobos, A.U.; De La Cruz-Soto, J.; Ortiz Torres, G.; Rodríguez Cerda, J.C.; Calixto-Rodriguez, M.; Brizuela Mendoza, J.A.; Aguilar Molina, Y.; Zatarain Durán, O.A.; et al. Optimization and Recovery of a Pressure Swing Adsorption Process for the Purification and Production of Bioethanol. Fermentation 2022, 8, 293. [Google Scholar] [CrossRef]
- Sircar, S.; Golden, T.C. Purification of Hydrogen by Pressure Swing Adsorption. Sep. Sci. Technol. 2006, 35, 667–687. [Google Scholar] [CrossRef]
- Abd, A.A.; Othman, M.R.; Helwani, Z.; Kim, J. Waste to wheels: Performance comparison between pressure swing adsorption and amine-absorption technologies for upgrading biogas containing hydrogen sulfide to fuel grade standards. Energy 2023, 272, 127060. [Google Scholar] [CrossRef]
- Abd, A.A.; Othman, M.R.; Majdi, H.S.; Helwani, Z. Green route for biomethane and hydrogen production via integration of biogas upgrading using pressure swing adsorption and steam-methane reforming process. Renew. Energ. 2023, 210, 64–78. [Google Scholar] [CrossRef]
- Wang, J.; Chen, X.; Du, T.; Liu, L.; Webley, P.A.; Kevin Li, G. Hydrogen production from low pressure coke oven gas by vacuum pressure swing adsorption. Chem. Eng. J. 2023, 472, 144920. [Google Scholar] [CrossRef]
- Golubyatnikov, O.; Akulinin, E.; Dvoretsky, S. Optimal design of pressure swing adsorption units for hydrogen recovery under uncertainty. Chem. Prod. Process Model 2023. [Google Scholar] [CrossRef]
- Zhang, X.; Bao, C.; Zhou, F.; Lai, N.C. Modeling study on a two-stage hydrogen purification process of pressure swing adsorption and carbon monoxide selective methanation for proton exchange membrane fuel cells. Int. J. Hydrogen Energy 2023, 48, 25171–25184. [Google Scholar] [CrossRef]
- Kakiuchi, T.; Yajima, T.; Shigaki, N.; Kawajiri, Y. Modeling and optimal design of multicomponent vacuum pressure swing adsorber for simultaneous separation of carbon dioxide and hydrogen from industrial waste gas. Adsorption 2023, 29, 9–27. [Google Scholar] [CrossRef]
- Freund, D.; Güngör, A.; Atakan, B. Hydrogen production and separation in fuel-rich operated HCCI engine polygeneration systems: Exergoeconomic analysis and comparison between pressure swing adsorption and palladium membrane separation. Appl. Energy Combust. Sci. 2023, 13, 100108. [Google Scholar] [CrossRef]
- Oliveira, P.H.; Martins, M.A.; Rodrigues, A.E.; Loureiro, J.M.; Ribeiro, A.M.; Nogueira, I.B. A Robust Model Predictive Controller applied to a Pressure Swing Adsorption Process: An Analysis Based on a Linear Model Mismatch. IFAC-PapersOnLine 2021, 54, 219–224. [Google Scholar] [CrossRef]
- Martins, M.A.; Rodrigues, A.E.; Loureiro, J.M.; Ribeiro, A.M.; Nogueira, I.B. Artificial Intelligence-oriented economic non-linear model predictive control applied to a pressure swing adsorption unit: Syngas purification as a case study. Sep. Purif. Technol. 2021, 276, 119333. [Google Scholar] [CrossRef]
- Rumbo Morales, J.Y.; Ortiz-Torres, G.; García, R.O.D.; Cantero, C.A.T.; Rodriguez, M.C.; Sarmiento-Bustos, E.; Oceguera-Contreras, E.; Hernández, A.A.F.; Cerda, J.C.R.; Molina, Y.A.; et al. Review of the Pressure Swing Adsorption Process for the Production of Biofuels and Medical Oxygen: Separation and Purification Technology. Adsorpt. Sci. Technol. 2022, 2022, 3030519. [Google Scholar] [CrossRef]
- Urich, M.D.; Vemula, R.R.; Kothare, M.V. Implementation of an embedded model predictive controller for a novel medical oxygen concentrator. Comput. Chem. Eng. 2022, 160, 107706. [Google Scholar] [CrossRef]
- Rumbo-Morales, J.Y.; Lopez-Lopez, G.; Alvarado, V.M.; Valdez-Martinez, J.S.; Sorcia-Vázquez, F.D.; Brizuela-Mendoza, J.A. Simulación y control de un proceso de adsorción por oscilación de presión para deshidratar etanol. Rev. Mex. Ing. Chim. 2018, 17, 1051–1081. [Google Scholar] [CrossRef]
- Fakhroleslam, M.; Boozarjomehry, R.B.; Fatemi, S.; Santis, E.D.; Benedetto, M.D.D.; Pola, G. Design of a Hybrid Controller for Pressure Swing Adsorption Processes. IEEE Trans. Control Syst. Technol. 2019, 27, 1878–1892. [Google Scholar] [CrossRef]
- Khajuria, H.; Pistikopoulos, E.N. Optimization and Control of Pressure Swing Adsorption Processes Under Uncertainty. AIChE J. 2013, 59, 120–131. [Google Scholar] [CrossRef]
- Du, W.; Alkebsi, K.A.M. Model predictive control and optimization of vacuum pressure swing adsorption for carbon dioxide capture. In Proceedings of the 2017 6th International Symposium on Advanced Control of Industrial Processes, AdCONIP 2017, Taipei, Taiwan, 28–31 May 2017; pp. 412–417. [Google Scholar] [CrossRef]
- Fu, Q.; Yan, H.; Shen, Y.; Qin, Y.; Zhang, D.; Zhou, Y. Optimal design and control of pressure swing adsorption process for N2/CH4 separation. J. Clean. Prod. 2018, 170, 704–714. [Google Scholar] [CrossRef]
- Khajuria, H.; Pistikopoulos, E.N. Dynamic modeling and explicit/multi-parametric MPC control of pressure swing adsorption systems. J. Process Control 2011, 21, 151–163. [Google Scholar] [CrossRef]
- Urich, M.D.; Vemula, R.R.; Kothare, M.V. Multivariable model predictive control of a novel rapid pressure swing adsorption system. AIChE J. 2018, 64, 1234–1245. [Google Scholar] [CrossRef]
- Peng, H.; Couenne, F.; Le Gorrec, Y. Robust Control of a Pressure Swing Adsorption Process. IFAC Proc. Vol. 2011, 44, 7310–7315. [Google Scholar] [CrossRef]
- Bitzer, M. Model-based nonlinear tracking control of pressure swing adsorption plants. In Lecture Notes in Control and Information Science; Springer: Berlin/Heidelberg, Germany, 2005; Volume 322, pp. 403–418. [Google Scholar] [CrossRef]
- Xiao, J.; Peng, Y.; Bénard, P.; Chahine, R. Thermal effects on breakthrough curves of pressure swing adsorption for hydrogen purification. Int. J. Hydrogen Energy 2016, 41, 8236–8245. [Google Scholar] [CrossRef]
- Xiao, J.; Fang, L.; Bénard, P.; Chahine, R. Parametric study of pressure swing adsorption cycle for hydrogen purification using Cu-BTC. Int. J. Hydrogen Energy 2018, 43, 13962–13974. [Google Scholar] [CrossRef]
- Lee, J.J.; Kim, M.K.; Lee, D.G.; Ahn, H.; Kim, M.J.; Lee, C.H. Heat-exchange pressure swing adsorption process for hydrogen separation. AIChE J. 2008, 54, 2054–2064. [Google Scholar] [CrossRef]
- Ortiz Torres, G.; Morales, J.Y.R.; Martinez, M.R.; Valdez-Martínez, J.S.; Calixto-Rodriguez, M.; Sarmiento-Bustos, E.; Torres-Cantero, C.A.; Buenabad-Arias, H.M. Active Fault-Tolerant Control Applied to a Pressure Swing Adsorption Process for the Production of Bio-Hydrogen. Mathematics 2023, 11, 1129. [Google Scholar] [CrossRef]
- Martínez García, M.; Rumbo Morales, J.Y.; Torres, G.O.; Rodríguez Paredes, S.A.; Vázquez Reyes, S.; Sorcia Vázquez, F.d.J.; Pérez Vidal, A.F.; Valdez Martínez, J.S.; Pérez Zúñiga, R.; Renteria Vargas, E.M. Simulation and State Feedback Control of a Pressure Swing Adsorption Process to Produce Hydrogen. Mathematics 2022, 10, 1762. [Google Scholar] [CrossRef]











| Material balance | |
| Moment balance | |
| Energy balance | |
| Mass Transfer Rate | |
| Langmuir |
| Initial and boundary conditions: |
| Step I (Adsorption): |
| t = 0 ∴ |
| z = 0 ∴ |
| z = L ∴ |
| Step II (Depressurization): |
| t = 0 ∴ |
| z = 0 ∴ |
| z = L ∴ |
| Step III (Purge): |
| t = 0 ∴ |
| z = 0 ∴ |
| z = L ∴ |
| Step IV (Repressurization): |
| t = 0 ∴ |
| z = 0 ∴ |
| z = L ∴ |
| Input Nonlinearity Break Points | |||||||
|---|---|---|---|---|---|---|---|
| Y | 289.0291 | 292.0190 | 295.0090 | 297.9989 | 300.9888 | 303.9788 | 306.9688 |
| X | 49.9940 | 50.8445 | 51.9677 | 53.2386 | 54.5324 | 55.7241 | 56.6888 |
| Output Nonlinearity Break Points | |||||||
|---|---|---|---|---|---|---|---|
| Y | −27.7154 | −22.9334 | 35.9774 | 70.7886 | 105.5997 | 140.4109 | 175.2221 |
| X | 0.9653 | 0.9911 | 0.8820 | 0.7669 | 0.7130 | 0.4232 | 0.2335 |
| Case | Reference Changes | Initial Value () | Final Value () | Initial Time (s) | Final Time (s) |
|---|---|---|---|---|---|
| 0.952 | 0.702 | 0 | 500 | ||
| 1 | 3 | 0.702 | 0.650 | 3000 | 3500 |
| 0.650 | 0.999 | 8500 | 9300 | ||
| 0.952 | 0.961 | 0 | 250 | ||
| 0.961 | 0.930 | 1600 | 2000 | ||
| 3 | 6 | 0.930 | 0.903 | 2800 | 3000 |
| 0.903 | 0.922 | 4850 | 5250 | ||
| 0.922 | 0.960 | 6900 | 7200 | ||
| 0.960 | 0.989 | 8800 | 9000 |
| Case | Reference Changes | Initial Value () | Final Value () | Initial Time (s) | Final Time (s) |
|---|---|---|---|---|---|
| 0.952 | 0.850 | 0 | 600 | ||
| 3 | 3 | 0.850 | 0.952 | 1900 | 2100 |
| 0.950 | 0.999 | 8520 | 8650 | ||
| 4 | 2 | 0.952 | 0.965 | 0 | 250 |
| 0.965 | 0.999 | 1600 | 2000 |
| Feeding Variables | Input Values | New Input Values (Unwanted) Step (5%) | Cycles to Stabilize (Closed Loop) | Purity Achieved (New CSS) |
|---|---|---|---|---|
| Composition | CO 0.02, CO2 0.26, H2 0.69, CH4 0.03 | CO 0.02, CO2 0.2945, H2 0.6555, CH4 0.03 | 0.5 (Discrete LQR) 3 (Discrete PID) 7 (without control) | 0.985 0.890 0.890 |
| Pressure | 980 kPA | 1029 kPa | 1 (Discrete LQR) 5 (Discrete PID) 11 (without control) | 0.985 0.830 0.800 |
| Flow | 0.162 kmol h−1 | 0.170 kmol h−1 | 0.3 (Discrete LQR) 4 (Discrete PID) 69 (without control) | 0.999 0.901 0.850 |
| Source: | VF | VW | VPU | VP | |
|---|---|---|---|---|---|
| Total material: (kmol) | 0.006036 | 0.003771 | 5.6688 × 10−4 | 0.002275 | |
| Total component: (kmol) | |||||
| CO: | 1.2074 × 10−4 | 1.0437 × 10−4 | 4.4362 × 10−6 | 1.7783 × 10−5 | |
| CO2: | 0.00156962 | 0.001550 | 3.9890 × 10−6 | 1.5068 × 10−5 | |
| Discrete LQR control | H2: | 0.004165 | 0.001924 | 5.5841 × 10−4 | 0.002242 |
| CH4: | 1.8111 × 10−4 | 1.9185 × 10−4 | 4.5091 × 10−8 | 1.3283 × 10−7 | |
| Avarage composition (kmol kmol−1) | |||||
| CO: | 0.02 | 0.0276 | 0.007825 | 0.007815 | |
| CO2: | 0.26 | 0.4112 | 0.007036 | 0.006622 | |
| H2: | 0.69 | 0.51024 | 0.9850 | 0.9850 | |
| CH4: | 0.03 | 0.0508 | 7.9541 × 10−5 | 5.8381 × 10−5 | |
| Avarage enthalpy: (MJ kmol−1) | 105.47 | 189.798 | 19.2575 | 17.2588 | |
| Total material: (kmol) | 0.00512758 | 0.00385818 | 5.6668 × 10−4 | 0.00227444 | |
| Total component: (kmol) | |||||
| CO: | 1.02552 × 10−4 | 1.0306 × 10−4 | 1.44459 × 10−5 | 5.6055 × 10−5 | |
| CO2: | 0.0013331 | 0.0017918 | 2.52982 × 10−5 | 9.10688 × 10−5 | |
| Discrete PID control | H2: | 0.00353803 | 0.0016999 | 5.26794 × 10−4 | 0.0021269 |
| CH4: | 1.53827 × 10−4 | 2.63413 × 10−4 | 1.42813 × 10−7 | 3.91351 × 10−7 | |
| Avarage composition (kmol kmol−1) | |||||
| CO: | 0.02 | 0.0267121 | 0.0254922 | 0.0246458 | |
| CO2: | 0.26 | 0.464417 | 0.0446428 | 0.0400401 | |
| H2: | 0.69 | 0.440597 | 0.839613 | 0.835142 | |
| CH4: | 0.03 | 0.0508 | 2.52017 × 10−4 | 1.72065 × 10−4 | |
| Avarage enthalpy: (MJ kmol−1) | 106.805 | 168.805 | 3.63147 | 3.4647 | |
| Total material: (kmol) | 0.00512758 | 0.00385818 | 5.6668 × 10−4 | 0.00227444 | |
| Total component: (kmol) | |||||
| CO: | 1.02552 × 10−4 | 1.0306 × 10−4 | 1.44459 × 10−5 | 5.6055 × 10−5 | |
| CO2: | 0.0013331 | 0.0017918 | 2.52982 × 10−5 | 9.10688 × 10−5 | |
| Without control | H2: | 0.00353803 | 0.0016999 | 5.26794 × 10−4 | 0.0021269 |
| CH4: | 1.53827 × 10−4 | 2.63413 × 10−4 | 1.42813 × 10−7 | 3.91351 × 10−7 | |
| Avarage composition (kmol kmol−1) | |||||
| CO: | 0.02 | 0.0267121 | 0.0254922 | 0.0246458 | |
| CO2: | 0.26 | 0.464417 | 0.0446428 | 0.0400401 | |
| H2: | 0.69 | 0.440597 | 0.839613 | 0.835142 | |
| CH4: | 0.03 | 0.0508 | 2.52017 × 10−4 | 1.72065 × 10−4 | |
| Avarage enthalpy: (MJ kmol−1) | 106.805 | 168.805 | 3.63147 | 3.4647 |
| Component | Discrete LQR Control | Discrete PID Control | Without Control |
|---|---|---|---|
| CO | 14.7288% | 54.6606% | 69.65% |
| CO2 | 0.9599% | 6.83098% | 20.7507% |
| CH2 | 53.8312% | 60.116% | 61.1303% |
| CH4 | 0.07334% | 0.254409% | 0.825876% |
| Energy | 1.2226% | 7.25844% | 20.8527% |
| Source: | VF | VW | VPU | VP | |
|---|---|---|---|---|---|
| Total material: (kmol) | 0.0061979 | 0.00384275 | 5.66952 × 10−4 | 0.00227551 | |
| Total component: (kmol) | |||||
| CO: | 1.23959 × 10−4 | 1.03537 × 10−4 | 3.25806 × 10−6 | 1.2921 × 10−5 | |
| CO2: | 0.00161147 | 0.00150798 | 3.2256 × 10−6 | 1.18761 × 10−5 | |
| Discrete LQR control | H2: | 0.00427659 | 0.00204692 | 5.6042 × 10−4 | 0.00225957 |
| CH4: | 1.85939 × 10−4 | 1.84326 × 10−4 | 4.53995 × 10−8 | 1.34781 × 10−7 | |
| Avarage composition (kmol kmol−1) | |||||
| CO: | 0.02 | 0.0269433 | 0.00574663 | 0.00567829 | |
| CO2: | 0.26 | 0.392421 | 0.0056938 | 0.00521908 | |
| H2: | 0.69 | 0.532668 | 0.999 | 0.999 | |
| CH4: | 0.03 | 0.0479671 | 8.00765 × 10−5 | 5.9231 × 10−5 | |
| Avarage enthalpy: (MJ kmol−1) | 107.057 | 161.504 | 3.10254 | 2.90687 | |
| Total material: (kmol) | 0.0057601 | 0.00355134 | 5.6688 × 10−4 | 0.002275 | |
| Total component: (kmol) | |||||
| CO: | 1.15202 × 10−4 | 9.1569 × 10−5 | 7.37807 × 10−6 | 2.9271 × 10−5 | |
| CO2: | 0.00149763 | 0.001462 | 8.68178 × 10−6 | 3.1217 × 10−5 | |
| Discrete PID control | H2: | 0.003974 | 0.001716 | 5.4935 × 10−4 | 0.002210 |
| CH4: | 1.7280 × 10−4 | 2.8038 × 10−4 | 1.6792 × 10−6 | 4.4700 × 10−6 | |
| Avarage composition (kmol kmol−1) | |||||
| CO: | 0.02 | 0.02578 | 0.013015 | 0.012 | |
| CO2: | 0.26 | 0.4118 | 0.015138 | 0.01372 | |
| H2 | 0.69 | 0.4834 | 0.8918 | 0.9012 | |
| CH4: | 0.03 | 0.07895 | 0.0027858 | 0.0019646 | |
| Avarage enthalpy: (MJ kmol−1) | 106.329 | 170.594 | 7.1689 | 6.62234 | |
| Total material: (kmol) | 0.004921 | 0.00374214 | 5.6655 × 10−4 | 0.00227429 | |
| Total component: (kmol) | |||||
| CO: | 9.8422 × 10−5 | 9.80687 × 10−5 | 1.64707 × 10−5 | 6.21761 × 10−5 | |
| CO2: | 0.00127949 | 0.00175522 | 5.03726 × 10−5 | 1.6371 × 10−4 | |
| Without control | H2: | 0.00339556 | 0.00161115 | 4.9941 × 10−4 | 0.00204765 |
| CH4: | 1.47633 × 10−4 | 2.77705 × 10−4 | 2.95769 × 10−7 | 7.505 × 10−7 | |
| Avarage composition (kmol kmol−1) | |||||
| CO: | 0.02 | 0.0262066 | 0.0290719 | 0.0273388 | |
| CO2: | 0.26 | 0.469042 | 0.0889112 | 0.071 | |
| H2: | 0.69 | 0.430542 | 0.855169 | 0.850 | |
| CH4: | 0.03 | 0.0742101 | 5.22054 × 10−4 | 3.29994 × 10−4 | |
| Avarage enthalpy: (MJ kmol−1) | 105.048 | 191.458 | 36.6106 | 29.7444 |
| Component | Discrete LQR Control | Discrete PID Control | Without Control |
|---|---|---|---|
| CO | 10.4236% | 20.2168% | 52.5512% |
| CO2 | 0.73697% | 1.2823% | 0.09783% |
| CH2 | 52.6054% | 54.4499% | 58.1828% |
| CH4 | 0.0724867% | 1.9698% | 0.0711459% |
| Energy | 0.996873% | 2.0547% | 9.29317% |
Disclaimer/Publisher’s Note: The statements, opinions and data contained in all publications are solely those of the individual author(s) and contributor(s) and not of MDPI and/or the editor(s). MDPI and/or the editor(s) disclaim responsibility for any injury to people or property resulting from any ideas, methods, instructions or products referred to in the content. |
© 2023 by the authors. Licensee MDPI, Basel, Switzerland. This article is an open access article distributed under the terms and conditions of the Creative Commons Attribution (CC BY) license (https://creativecommons.org/licenses/by/4.0/).
Share and Cite
Brizuela-Mendoza, J.A.; Sorcia-Vázquez, F.D.J.; Rumbo-Morales, J.Y.; Ortiz-Torres, G.; Torres-Cantero, C.A.; Juárez, M.A.; Zatarain, O.; Ramos-Martinez, M.; Sarmiento-Bustos, E.; Rodríguez-Cerda, J.C.; et al. Pressure Swing Adsorption Plant for the Recovery and Production of Biohydrogen: Optimization and Control. Processes 2023, 11, 2997. https://doi.org/10.3390/pr11102997
Brizuela-Mendoza JA, Sorcia-Vázquez FDJ, Rumbo-Morales JY, Ortiz-Torres G, Torres-Cantero CA, Juárez MA, Zatarain O, Ramos-Martinez M, Sarmiento-Bustos E, Rodríguez-Cerda JC, et al. Pressure Swing Adsorption Plant for the Recovery and Production of Biohydrogen: Optimization and Control. Processes. 2023; 11(10):2997. https://doi.org/10.3390/pr11102997
Chicago/Turabian StyleBrizuela-Mendoza, Jorge A., Felipe D. J. Sorcia-Vázquez, Jesse Y. Rumbo-Morales, Gerardo Ortiz-Torres, Carlos Alberto Torres-Cantero, Mario A. Juárez, Omar Zatarain, Moises Ramos-Martinez, Estela Sarmiento-Bustos, Julio C. Rodríguez-Cerda, and et al. 2023. "Pressure Swing Adsorption Plant for the Recovery and Production of Biohydrogen: Optimization and Control" Processes 11, no. 10: 2997. https://doi.org/10.3390/pr11102997
APA StyleBrizuela-Mendoza, J. A., Sorcia-Vázquez, F. D. J., Rumbo-Morales, J. Y., Ortiz-Torres, G., Torres-Cantero, C. A., Juárez, M. A., Zatarain, O., Ramos-Martinez, M., Sarmiento-Bustos, E., Rodríguez-Cerda, J. C., Mixteco-Sánchez, J. C., & Buenabad-Arias, H. M. (2023). Pressure Swing Adsorption Plant for the Recovery and Production of Biohydrogen: Optimization and Control. Processes, 11(10), 2997. https://doi.org/10.3390/pr11102997

