Modified Mixed-Integer Linear Programming Formulation Implemented in Microsoft Excel to Synthesize a Heat Exchanger Network with Multiple Utilities to Compare Process Flowsheets
Abstract
:1. Introduction
2. Problem Statement
3. Methodology
3.1. Problem Formulation
3.2. m-MILP Problem Solution
3.3. HEN CP, CU, and CA
| Parameter | Value or Formula | No. of Equation | Reference |
|---|---|---|---|
| Water, 15 °C | [27] | ||
| BFW, 110 °C | [1] | ||
| Steam, 170 °C | [35] | ||
| Steam, 226.85 °C | [10] | ||
| High-pressure steam, 280 °C | [27] | ||
| Steam, 332.25 °C | [1] | ||
| Fuel, 800 °C | [27] | ||
| Annualized cost | (9) | [1] | |
| HE f.o.b. purchase cost | (10) | [1] | |
| Fixed head HE base f.o.b. purchase cost | (11) | [36] | |
| Chen’s approximation of the logarithmic mean temperature | (12) | [37] | |
| Heat exchanged in a HE | (13) | [38] |
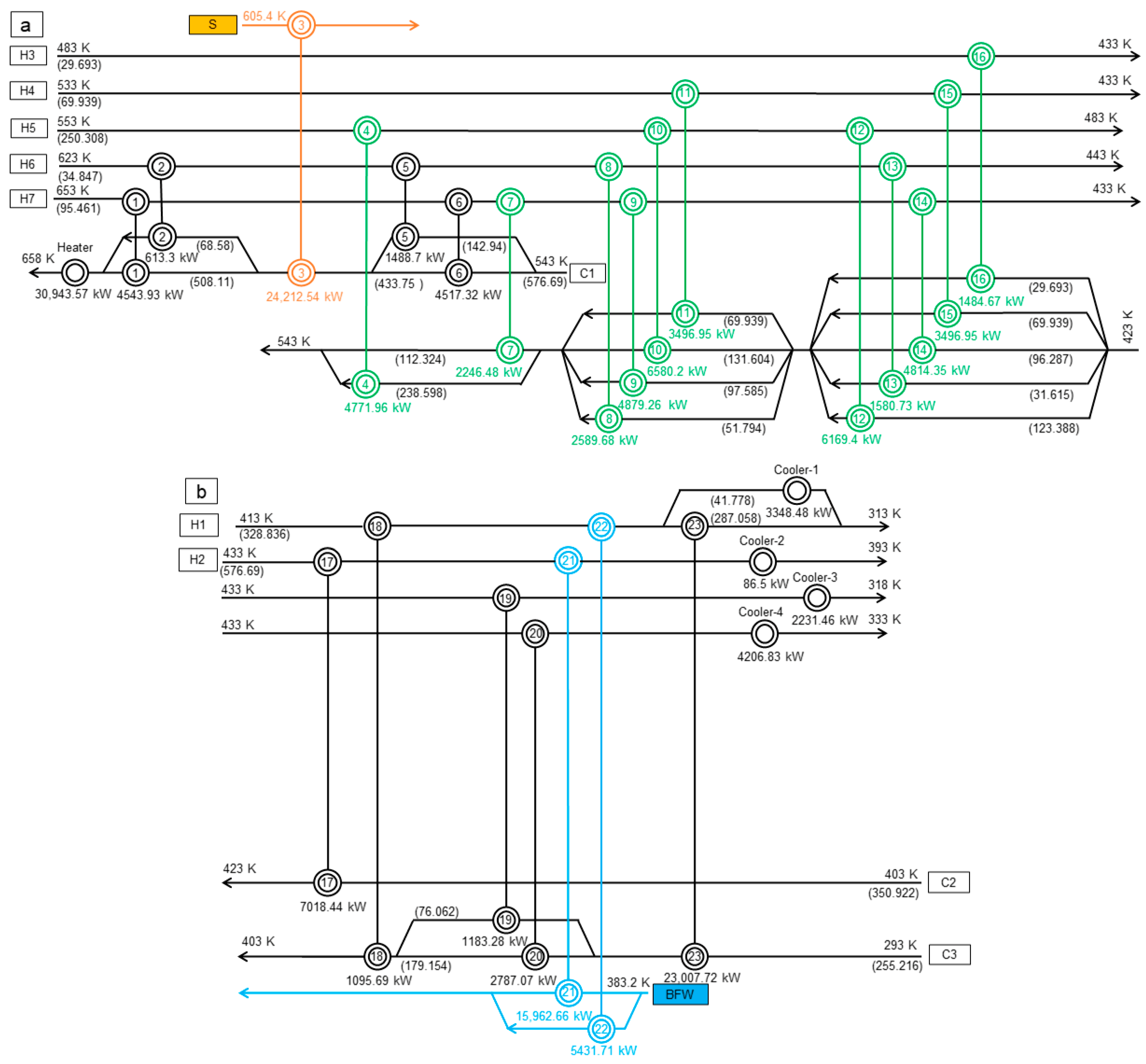
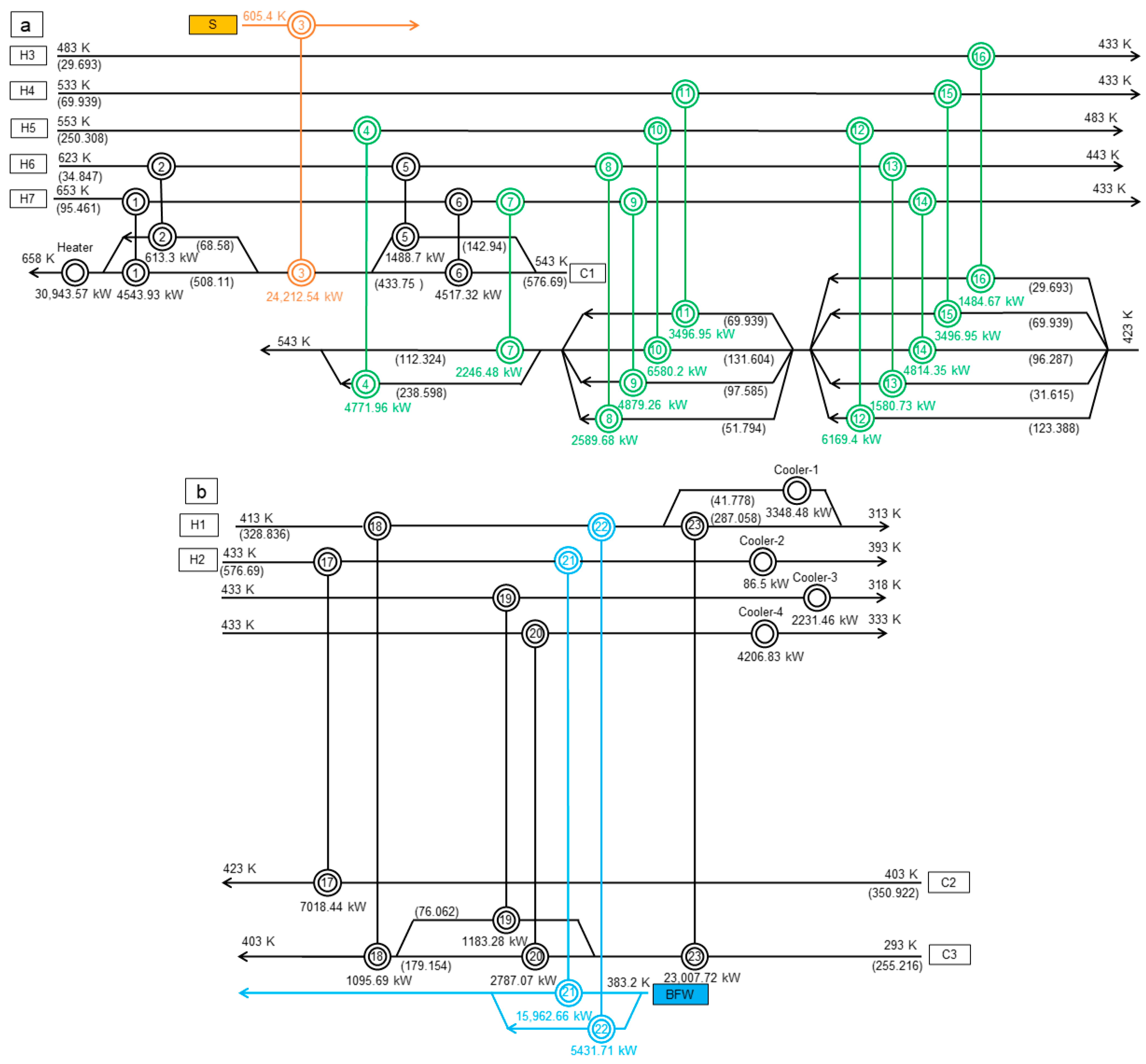
4. Examples
4.1. Example 1
4.2. Example 2
4.3. Example 3
4.4. Example 4
4.5. Example 5
4.6. Example 6
5. Conclusions
Supplementary Materials
Author Contributions
Funding
Data Availability Statement
Acknowledgments
Conflicts of Interest
Nomenclature
| Abbreviations | |
| BFW | Boiler-feed water |
| F | Fuel |
| HE | Heat exchanger |
| HEs | Heat exchangers |
| HEN | Heat exchanger network |
| HENs | Heat exchanger networks |
| HPS | High-pressure steam |
| MER | Minimum energy recovery |
| MILP | Mixed-integer linear programming |
| MINLP | Mixed-integer nonlinear programming |
| m-MILP | Modified mixed-integer linear programming |
| MPS | Medium-pressure steam |
| S | Steam |
| SGPDP | Stage-gate product development process |
| SGTDP | Stage-gate technology-development process |
| SM | Supplementary material |
| SST | Superstructure |
| TI | Temperature Interval method |
| W | Water |
| Symbols | |
| The area for the heat transfer | |
| C | Product of flow rate and heat capacity |
| Annualized cost | |
| Fixed head heat exchanger base f.o.b. purchase cost | |
| C values for cold streams | |
| C values for hot streams | |
| The set of cold streams (or set of cold utilities) | |
| CI | C value per interval from the Temperature Interval method |
| Heat exchanger f.o.b. purchase cost | |
| Annual utility cost | |
| Total capital investment | |
| Length factor | |
| Material factor | |
| Pressure factor | |
| Correction factor | |
| The set of hot streams (or set of hot utilities) | |
| Hot process stream (or hot utility) | |
| I | Updated index cost |
| Base index cost | |
| Annual return on investment | |
| Cold process stream (or cold utility) | |
| Interval index | |
| Last interval determined by the process pinch (or utility pinch) | |
| Heat exchanged in a unit | |
| Heat provided by a hot stream (or hot utility) at k interval | |
| Heat exchanged by a hot stream (or hot utility) and a cold stream (or cold utility) at k interval | |
| Heat received by a cold stream (or cold utility) at k interval | |
| Hot utility per interval | |
| Hot stream (or hot utility) residual at k interval | |
| Chen’s approximation of the logarithmic mean temperature | |
| ΔTmin | Minimum temperature difference |
| ΔTthreshold | Threshold approach temperature difference |
| Inlet temperature of hot stream (or hot utility) minus outlet temperature of cold stream (or cold utility) | |
| Outlet temperature of hot stream (or hot utility) minus inlet temperature of cold stream (or cold utility) | |
| Overall heat-transfer coefficient | |
| T | Minimum amount of heat exchanged between a hot stream (or hot utility) and a cold stream (or cold utility), limited by the process pinch or utility pinch, and according to the second law of thermodynamics |
| Hot utility value determined by the Temperature Interval method or the Grand Composite Curve | |
| 1 for a feasible match between a hot stream (or hot utility) and a cold stream (or cold utility), or 0 when there is no match between a hot stream (or hot utility) and a cold stream (or cold utility) | |
| Objective function value | |
References
- Seider, W.D.; Seader, J.D.; Lewin, D.R.; Widagdo, S. Product and Process Design Principles, 3rd ed.; John Wiley and Sons: Hoboken, NJ, USA, 2009; pp. 3–604. [Google Scholar]
- Yan, T.; Wang, R.Z.; Li, T.X.; Wang, L.W.; Fred, I.T. A review of promising candidate reactions for chemical heat storage. Renew. Sustain. Energy Rev. 2015, 43, 13–31. [Google Scholar] [CrossRef]
- Gunasekara, S.N.; Barreneche, C.; Inés Fernández, A.; Calderón, A.; Ravotti, R.; Ristić, A.; Weinberger, P.; Ömur Paksoy, H.; Koçak, B.; Rathgeber, C.; et al. Thermal energy storage materials (TESMs)—What does it take to make them fly? Crystals 2021, 11, 1276. [Google Scholar] [CrossRef]
- Yee, T.F.; Grossmann, I.E. Simultaneous optimization models for heat integration—II. Heat exchanger network synthesis. Comput. Chem. Eng. 1990, 14, 1165–1184. [Google Scholar] [CrossRef]
- Nair, S.K.; Karimi, I.A. Unified Heat Exchanger Network Synthesis via a Stageless Superstructure. Ind. Eng. Chem. Res. 2019, 58, 5984–6001. [Google Scholar] [CrossRef]
- Sun, X.; Liu, L.; Zhuang, Y.; Zhang, L.; Du, J. Heat exchanger network synthesis integrated with compression–absorption cascade refrigeration system. Processes 2020, 8, 210. [Google Scholar] [CrossRef]
- Rathjens, M.; Fieg, G. Cost-optimal heat exchanger network synthesis based on a flexible cost functions framework. Energies 2019, 12, 784. [Google Scholar] [CrossRef]
- Nemet, A.; Isafiade, A.J.; Klemeš, J.J.; Kravanja, Z. Two-step MILP/MINLP approach for the synthesis of large-scale HENs. Chem. Eng. Sci. 2019, 197, 432–448. [Google Scholar] [CrossRef]
- Caballero, J.A.; Pavão, L.V.; Costa, C.B.B.; Ravagnani, M.A.S.S. A Novel Sequential Approach for the Design of Heat Exchanger Networks. Front. Chem. Eng. 2021, 3, 40. [Google Scholar] [CrossRef]
- Biegler, L.T.; Grossmann, I.E.; Westerberg, A.W. Systematic Methods of Chemical Process Design; Prentice Hall: Upper Saddle River, NJ, USA, 1999; pp. 533–546. [Google Scholar]
- Serth, R.W. Process Heat Transfer: Principles and Applications; Academic Press: Burlington, VT, USA, 2007; p. 329. [Google Scholar]
- Turton, R.; Bailie, R.C.; Whiting, W.B.; Shaeiwitz, J.A.; Bhattacharyya, D. Analysis, Synthesis and Design of Chemical Processes, 4th ed.; Prentice Hall: Upper Saddle River, NJ, USA, 2012; p. 500. [Google Scholar]
- Towler, G.; Sinnott, R. Chemical Engineering Design Principles, Practice and Economics of Plant and Process Design, 2nd ed.; Elsevier: Oxford, UK, 2013; p. 147. [Google Scholar]
- Shenoy, U.V. Heat Exchanger Network Synthesis: Process Optimization by Energy and Resource Analysis; Gulf Publishing Company: Houston, TX, USA, 1995; p. 61. [Google Scholar]
- Ray, S.; Das, G. Process Equipment and Plant Design: Principles and Practices; Elsevier: Amsterdam, The Netherlands, 2020; p. 142. [Google Scholar]
- Yeo, Y.S.; Alwi, S.R.W.; Ahmad, S.; Manan, Z.A.; Zamzuri, N.H. A New Graphical Method for Heat Exchanger Network Design Involving Phase Changes. Chem. Eng. Trans. 2017, 56, 1249–1254. [Google Scholar] [CrossRef]
- Ponce-Ortega, J.M.; Serna-González, M.; Jiménez-Gutiérrez, A. Synthesis of Heat Exchanger Networks with Optimal Placement of Multiple Utilities. Ind. Eng. Chem. Res. 2010, 49, 2849–2856. [Google Scholar] [CrossRef]
- Na, J.; Jung, J.; Park, C.; Han, C. Simultaneous Synthesis of a Heat Exchanger Network with Multiple Utilities Using Utility Substages. Comput. Chem. Eng. 2015, 79, 70–79. [Google Scholar] [CrossRef]
- Papoulias, S.A.; Grossmann, I.E. A Structural Optimization Approach in Process Synthesis—II. Heat Recovery Networks. Comput. Chem. Eng. 1983, 7, 707–721. [Google Scholar] [CrossRef]
- Shenoy, U.V.; Sinha, A.; Bandyopadhyay, S. Multiple Utilities Targeting for Heat Exchanger Networks. Chem. Eng. Res. Des. 1998, 76, 259–272. [Google Scholar] [CrossRef]
- Briones, L.; Escola, J.M. Application of the Microsoft Excel Solver Tool in the Solution of Optimization Problems of Heat Exchanger Network Systems. Educ. Chem. Eng. 2019, 26, 41–47. [Google Scholar] [CrossRef]
- Towler, G.; Sinnott, R. Chemical Engineering Design: Principles, Practice and Economics of Plant and Process Design; Butterworth-Heinemann: Oxford, UK, 2008; p. 140. [Google Scholar]
- Di Pretoro, A.; Manenti, F. Non-Conventional Unit Operations: Solving Practical Issues; Springer: Cham, Switzerland, 2020; p. 6. [Google Scholar]
- Kemp, I.C.; Lim, J.S. Pinch Analysis for Energy and Carbon Footprint Reduction: User Guide to Process Integration for the Efficient Use of Energy, 3rd ed.; Butterworth-Heinemann: Oxford, UK, 2020; pp. 529–530. [Google Scholar]
- Walmsley, T.G.; Lal, N.S.; Varbanov, P.S.; Klemeš, J.J. Automated Retrofit Targeting of Heat Exchanger Networks. Front. Chem. Sci. Eng. 2018, 12, 630–642. [Google Scholar] [CrossRef]
- Sinnott, R.K. Coulson & Richardson’s Chemical Engineering, 3rd ed.; Butterworth-Heinemann: Burlington, VT, USA, 1999; p. 107. [Google Scholar]
- Chang, C.; Chen, X.; Wang, Y.; Feng, X. Simultaneous Synthesis of Multi-Plant Heat Exchanger Networks Using Process Streams across Plants. Comput. Chem. Eng. 2017, 101, 95–109. [Google Scholar] [CrossRef]
- McFedries, P. Microsoft Excel 2019: Formulas and Functions; Pearson Education: New York, NY, USA, 2019; p. 429. [Google Scholar]
- Hollis, P.C. Energy from Waste & Biomass Fuels; AuthorHouse: Bloomington, IN, USA, 2014; p. 102. [Google Scholar]
- Mizutani, F.T.; Pessoa, F.L.P.; Queiroz, E.M.; Hauan, S.; Grossmann, I.E. Mathematical Programming Model for Heat-Exchanger Network Synthesis Including Detailed Heat-Exchanger Designs. 2. Network Synthesis. Ind. Eng. Chem. Res. 2003, 42, 4019–4027. [Google Scholar] [CrossRef]
- Liu, L.L.; Du, J.; Xiao, F.; Chen, L.; Yao, P.J. Direct Heat Exchanger Network Synthesis for Batch Process with Cost Targets. Appl. Therm. Eng. 2011, 31, 2665–2675. [Google Scholar] [CrossRef]
- Serth, R.W.; Lestina, T. Process Heat Transfer, 2nd ed.; Elsevier: Oxford, UK, 2014; p. 159. [Google Scholar]
- Feng, Y.; Rangaiah, G.P. Evaluating Capital Cost Estimation Programs. Chem. Eng. 2011, 118, 22–29. [Google Scholar]
- Chemical Engineering. Available online: https://www.chemengonline.com/plant-cost-index-beta/ (accessed on 19 May 2023).
- Stijepovic, M.Z.; Linke, P. Optimal Waste Heat Recovery and Reuse in Industrial Zones. Energy 2011, 36, 4019–4031. [Google Scholar] [CrossRef]
- Chen, Y.H.; Li, Y.W.; Chang, H. Optimal Design and Control of Solar Driven Air Gap Membrane Distillation Desalination Systems. Appl. Energy 2012, 100, 193–204. [Google Scholar] [CrossRef]
- Sieniutycz, S.; Jezowski, J. Energy Optimization in Process Systems and Fuel Cells, 2nd ed.; Elsevier: Amsterdam, The Netherlands, 2013; p. 602. [Google Scholar]
- Das, D.K.; Prabhudesai, R.K. EIT Chemical Review, 2nd ed.; Dearborn Real Estate Education: Austin, TX, USA, 2004. [Google Scholar]
- Coker, A.K.; Sotudeh-Gharebagh, R. Chemical Process Engineering; Wiley: Hoboken, NJ, USA, 2022; p. 991. [Google Scholar]
- Smith, R. Chemical Process Design and Integration, 2nd ed.; Wiley: Chichester, UK, 2016; p. 503. [Google Scholar]
- Seider, W.D.; Lewin, D.R.; Seader, J.D.; Widagdo, S.; Gani, R.; NG, K.M. Product and Process Design Principles, 4th ed.; Wiley: Hoboken, NJ, USA, 2017; p. 333. [Google Scholar]
- Çengel, Y.A.; Boles, M.A.; Kanoğlu, M. Thermodynamics: An Engineering Approach, 10th ed.; McGraw-Hill: New York, NY, USA, 2023; pp. 307–308. [Google Scholar]
- Jiang, N.; Shelley, J.D.; Doyle, S.; Smith, R. Heat exchanger network retrofit with a fixed network structure. Appl. Energy 2014, 127, 25–33. [Google Scholar] [CrossRef]







| Example | BFW | CU | HEN CP | CA | |||
|---|---|---|---|---|---|---|---|
| (USD) | (USD) | (%) a,b | (USD) | (%) a | (USD) | (%) a | |
| 1 c | 7600 | 30.5 | 97,108.57 | 51.9 | 17,310.86 | 33.5 | |
| 1 d | 537.38 | 5825.47 | 201,996.88 | 26,025.16 | |||
| 2 c | 43,510.6 | 18.3 | 124,810.2 | 46.2 | 55,991.62 | 6.6 | |
| 2 d | 36,784.2 | 231,790.37 | 59,963.24 | ||||
| 3 c | 11,343,897.21 | 13.8 | 423,221.79 | 20.8 | 11,386,219.39 | 13.6 b | |
| 3 d | 302,552.77 | 9,971,022.68 | 534,268.95 | 10,024,449.58 | |||
| 4 c | 53,889.55 | 17.4 | 98,368.64 | 26.9 | 63,726.41 | 7.4 b | |
| 4 d | 45,897.6 | 134,550.92 | 59,352.69 | ||||
| 5 c | 2,191,360 | 30.7 | 183,511.99 | 19.1 | 2,209,711.2 | 30 b | |
| 5 d | 1,676,745.84 | 226,735.23 | 1,699,419.36 | ||||
| 6 c | 191,500 | 16.7 | 192,909.67 | 42.3 | 210,790.97 | 6.7 b | |
| 6 d | 14,141.7 | 164,158 | 334,436.19 | 197,601.92 | |||
Disclaimer/Publisher’s Note: The statements, opinions and data contained in all publications are solely those of the individual author(s) and contributor(s) and not of MDPI and/or the editor(s). MDPI and/or the editor(s) disclaim responsibility for any injury to people or property resulting from any ideas, methods, instructions or products referred to in the content. |
© 2023 by the authors. Licensee MDPI, Basel, Switzerland. This article is an open access article distributed under the terms and conditions of the Creative Commons Attribution (CC BY) license (https://creativecommons.org/licenses/by/4.0/).
Share and Cite
Revelo, M.F.; Tuza, P.V. Modified Mixed-Integer Linear Programming Formulation Implemented in Microsoft Excel to Synthesize a Heat Exchanger Network with Multiple Utilities to Compare Process Flowsheets. Processes 2023, 11, 2840. https://doi.org/10.3390/pr11102840
Revelo MF, Tuza PV. Modified Mixed-Integer Linear Programming Formulation Implemented in Microsoft Excel to Synthesize a Heat Exchanger Network with Multiple Utilities to Compare Process Flowsheets. Processes. 2023; 11(10):2840. https://doi.org/10.3390/pr11102840
Chicago/Turabian StyleRevelo, Maria F., and Pablo V. Tuza. 2023. "Modified Mixed-Integer Linear Programming Formulation Implemented in Microsoft Excel to Synthesize a Heat Exchanger Network with Multiple Utilities to Compare Process Flowsheets" Processes 11, no. 10: 2840. https://doi.org/10.3390/pr11102840
APA StyleRevelo, M. F., & Tuza, P. V. (2023). Modified Mixed-Integer Linear Programming Formulation Implemented in Microsoft Excel to Synthesize a Heat Exchanger Network with Multiple Utilities to Compare Process Flowsheets. Processes, 11(10), 2840. https://doi.org/10.3390/pr11102840

