Nonlinear Dynamic Process Monitoring Using Canonical Variate Kernel Analysis
Abstract
1. Introduction
2. Brief Review of the CVA Method
3. Proposed CVKA Method
3.1. Construction of CVKA Model
3.2. Summary of the Proposed CVKA Scheme
| Algorithm 1: Detailed steps of CVKA-based fault detection |
Offline training: Step1. Collect the normal data X and compute the past and future data series using (1) and (2); Step2. Compute the Hankel matrices and perform an SVD on the scaled Hankel matrix from (7) and (8); Step3. Determine the canonical variables according to (9); Step4. Construct the kernel matrix from the canonical variables and determine the principal variables and residuals; Step5. Compute the monitoring indices using (26) and (27) and their control limits using (14) and (15), respectively; Online monitoring: Step6. Acquire test data and construct the past and future vectors; Step7. Compute the canonical variables and project them to the kernel space as for the training data; Step8. Compute and Q of the test data using (26) and (27); Step9. Judge if a fault occurs by comparing and Q with their respective control limits. |
4. Case Study
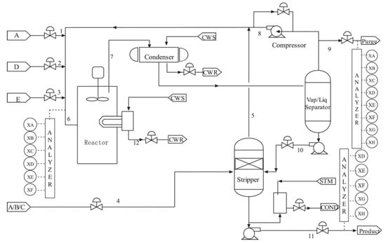
4.1. Overview
4.2. Implementation Details
4.3. Results and Discussion
5. Discussion
5.1. Outcomes
5.2. Limitations
5.3. Further Research
6. Conclusions
Author Contributions
Funding
Data Availability Statement
Conflicts of Interest
References
- Wang, Y.; Si, Y.; Huang, B.; Lou, Z. Survey on the theoretical research and engineering applications of multivariate statistics process monitoring algorithms: 2008–2017. Can. J. Chem. Eng. 2018, 96, 2073–2085. [Google Scholar] [CrossRef]
- Karamizadeh, S.; Abdullah, S.M.; Manaf, A.A.; Zamani, M.; Hooman, A. An overview of principal component analysis. J. Signal Inf. Process. 2020, 4, 173–175. [Google Scholar] [CrossRef]
- Lu, Q.; Jiang, B.; Gopaluni, R.B.; Loewen, P.D.; Braatz, R.D. Sparse canonical variate analysis approach for process monitoring. J. Process Control 2018, 71, 90–102. [Google Scholar] [CrossRef]
- Kramer, M.A. Nonlinear principal component analysis using autoassociative neural networks. AIChE J. 1991, 37, 233–243. [Google Scholar] [CrossRef]
- Lee, J.M.; Yoo, C.; Choi, S.W.; Vanrolleghem, P.A.; Lee, I.B. Nonlinear process monitoring using kernel principal component analysis. Chem. Eng. Sci. 2004, 59, 223–234. [Google Scholar] [CrossRef]
- Ku, W.; Storer, R.H.; Georgakis, C. Disturbance detection and isolation by dynamic principal component analysis. Chemom. Intell. Lab. Syst. 1995, 30, 179–196. [Google Scholar] [CrossRef]
- Deng, X.; Tian, X.; Chen, S.; Harris, C.J. Deep principal component analysis based on layerwise feature extraction and its application to nonlinear process monitoring. IEEE Trans. Control Syst. Technol. 2018, 27, 2526–2540. [Google Scholar] [CrossRef]
- Chen, H.; Jiang, B.; Lu, N.; Mao, Z. Deep PCA based real-time incipient fault detection and diagnosis methodology for electrical drive in high-speed trains. IEEE Trans. Veh. Technol. 2018, 67, 4819–4830. [Google Scholar] [CrossRef]
- Dong, Y.; Qin, S.J. A novel dynamic PCA algorithm for dynamic data modeling and process monitoring. J. Process Control 2018, 67, 1–11. [Google Scholar] [CrossRef]
- Wu, P.; Ferrari, R.M.G.; Liu, Y.; van Wingerden, J.W. Data-Driven Incipient Fault Detection via Canonical Variate Dissimilarity and Mixed Kernel Principal Component Analysis. IEEE Trans. Ind. Inform. 2021, 17, 5380–5390. [Google Scholar] [CrossRef]
- Russell, E.L.; Chiang, L.H.; Braatz, R.D. Fault detection in industrial processes using canonical variate analysis and dynamic principal component analysis. Chemom. Intell. Lab. Syst. 2000, 51, 81–93. [Google Scholar] [CrossRef]
- Zheng, J.; Zhao, C. Enhanced canonical variate analysis with slow feature for dynamic process status analytics. J. Process Control 2020, 95, 10–31. [Google Scholar] [CrossRef]
- Odiowei, P.E.P.; Cao, Y. Nonlinear dynamic process monitoring using canonical variate analysis and kernel density estimations. IEEE Trans. Ind. Inform. 2009, 6, 36–45. [Google Scholar] [CrossRef]
- Samuel, R.T.; Cao, Y. Kernel canonical variate analysis for nonlinear dynamic process monitoring. IFAC-PapersOnLine 2015, 48, 605–610. [Google Scholar] [CrossRef]
- Pilario, K.E.S.; Cao, Y. Canonical variate dissimilarity analysis for process incipient fault detection. IEEE Trans. Ind. Inform. 2018, 14, 5308–5315. [Google Scholar] [CrossRef]
- Pilario, K.E.S.; Cao, Y.; Shafiee, M. Mixed kernel canonical variate dissimilarity analysis for incipient fault monitoring in nonlinear dynamic processes. Comput. Chem. Eng. 2019, 123, 143–154. [Google Scholar] [CrossRef]
- Choi, S.W.; Lee, I.B. Nonlinear dynamic process monitoring based on dynamic kernel PCA. Chem. Eng. Sci. 2004, 59, 5897–5908. [Google Scholar] [CrossRef]
- Li, S.; Yang, S.; Cao, Y.; Ji, Z. Nonlinear dynamic process monitoring using deep dynamic principal component analysis. Syst. Sci. Control Eng. 2022, 10, 55–64. [Google Scholar] [CrossRef]
- Guo, L.; Wu, P.; Lou, S.; Gao, J.; Liu, Y. A multi-feature extraction technique based on principal component analysis for nonlinear dynamic process monitoring. J. Process Control 2020, 85, 159–172. [Google Scholar] [CrossRef]
- Chen, H.; Li, L.; Shang, C.; Huang, B. Fault detection for nonlinear dynamic systems with consideration of modeling errors: A data-driven approach. IEEE Trans. Cybern. 2022. [Google Scholar] [CrossRef]
- Chen, H.; Chen, Z.; Chai, Z.; Jiang, B.; Huang, B. A single-side neural network-aided canonical correlation analysis with applications to fault diagnosis. IEEE Trans. Cybern. 2022, 52, 9454–9466. [Google Scholar] [CrossRef] [PubMed]
- Wang, G.; Jiao, J.; Yin, S. A kernel direct decomposition-based monitoring approach for nonlinear quality-related fault detection. IEEE Trans. Ind. Inform. 2016, 13, 1565–1574. [Google Scholar] [CrossRef]
- Lomov, I.; Lyubimov, M.; Makarov, I.; Zhukov, L.E. Fault detection in Tennessee Eastman process with temporal deep learning models. J. Ind. Inf. Integr. 2021, 23, 100216. [Google Scholar] [CrossRef]
- Capaci, F.; Vanhatalo, E.; Kulahci, M.; Bergquist, B. The revised Tennessee Eastman process simulator as testbed for SPC and DoE methods. Qual. Eng. 2019, 31, 212–229. [Google Scholar] [CrossRef]
- Braatz Group. Massachusetts Institute of Technology Advanced Manufacturing Systems. Available online: http://web.mit.edu/braatzgroup/links.html (accessed on 28 September 2022).




| Fault | FDR (%) | FDT (Sample) | FAR (%) | |||||||||
|---|---|---|---|---|---|---|---|---|---|---|---|---|
| DKPCA | DeDPCA | KCVA | CVKA | DkPCA | DeDPCA | KCVA | CVKA | DkPCA | DeDPCA | KCVA | CVKA | |
| 1 | 99.75 | 99.25 | 99.63 | 99.75 | 3 | 2 | 4 | 3 | 1.25 | 6.37 | 15.00 | 3.85 |
| 2 | 98.50 | 99.25 | 98.75 | 99.38 | 13 | 5 | 4 | 6 | 3.75 | 4.46 | 16.88 | 3.21 |
| 4 | 100.00 | 100.00 | 99.75 | 100.00 | 1 | 1 | 3 | 1 | 1.88 | 6.37 | 18.75 | 1.28 |
| 7 | 100.00 | 100.00 | 98.75 | 100.00 | 1 | 1 | 1 | 1 | 0.00 | 0.64 | 6.88 | 0.00 |
| 8 | 100.00 | 99.00 | 97.63 | 99.38 | 1 | 9 | 20 | 4 | 0.00 | 3.82 | 13.75 | 2.56 |
| 11 | 90.50 | 93.88 | 92.38 | 94.88 | 6 | 7 | 3 | 7 | 0.00 | 2.55 | 15.00 | 2.56 |
| 12 | 99.25 | 100.00 | 95.00 | 100.00 | 3 | 1 | 2 | 1 | 1.25 | 2.55 | 13.13 | 1.92 |
| 14 | 100.00 | 100.00 | 99.75 | 100.00 | 1 | 1 | 3 | 1 | 0.63 | 0.00 | 18.75 | 2.56 |
| 18 | 90.63 | 90.88 | 90.88 | 91.38 | 76 | 31 | 24 | 3 | 2.50 | 4.46 | 7.59 | 2.56 |
| mean1 | 97.63 | 87.00 | 96.95 | 98.31 | 12 | 6 | 7 | 3 | 1.25 | 3.47 | 13.97 | 2.28 |
| 5 | 30.38 | 100.00 | 40.75 | 100.00 | 1 | 1 | 3 | 1 | 1.88 | 6.37 | 18.75 | 1.28 |
| 6 | 100.00 | 100.00 | 7.13 | 100.00 | 1 | 1 | 6 | 1 | 0.00 | 0.64 | 4.38 | 2.56 |
| 10 | 60.88 | 94.13 | 41.00 | 93.63 | 15 | 21 | 4 | 22 | 0.00 | 1.27 | 3.75 | 2.56 |
| 13 | 95.38 | 96.13 | 85.38 | 96.50 | 38 | 1 | 3 | 5 | 1.88 | 0.00 | 8.75 | 1.28 |
| 16 | 54.88 | 96.75 | 29.63 | 96.88 | 11 | 10 | 13 | 9 | 2.50 | 10.83 | 13.75 | 1.28 |
| 17 | 97.63 | 97.75 | 88.88 | 97.75 | 20 | 19 | 4 | 19 | 0.63 | 0.64 | 13.75 | 1.92 |
| 19 | 51.00 | 99.63 | 74.50 | 99.88 | 11 | 3 | 16 | 3 | 0.00 | 0.64 | 6.88 | 2.56 |
| 20 | 63.63 | 92.00 | 59.38 | 92.00 | 76 | 17 | 4 | 4 | 1.25 | 1.9 | 10.63 | 1.92 |
| mean2 | 69.22 | 97.05 | 53.33 | 97.08 | 22 | 9 | 7 | 8 | 1.02 | 2.79 | 10.08 | 1.92 |
| 3 | 4.50 | 5.63 | 20.00 | 3.75 | 43 | 41 | 8 | 24 | 0.00 | 3.18 | 4.38 | 1.92 |
| 9 | 4.13 | 5.13 | 16.38 | 5.25 | 6 | 1 | 4 | 7 | 3.75 | 8.92 | 16.25 | 10.26 |
| 15 | 7.38 | 36.88 | 20.25 | 37.75 | 234 | 3 | 28 | 3 | 3.75 | 3.82 | 9.38 | 2.56 |
| mean3 | 5.33 | 15.88 | 18.88 | 15.58 | 94 | 15 | 13 | 11 | 2.50 | 5.30 | 10.00 | 4.91 |
Disclaimer/Publisher’s Note: The statements, opinions and data contained in all publications are solely those of the individual author(s) and contributor(s) and not of MDPI and/or the editor(s). MDPI and/or the editor(s) disclaim responsibility for any injury to people or property resulting from any ideas, methods, instructions or products referred to in the content. |
© 2022 by the authors. Licensee MDPI, Basel, Switzerland. This article is an open access article distributed under the terms and conditions of the Creative Commons Attribution (CC BY) license (https://creativecommons.org/licenses/by/4.0/).
Share and Cite
Li, S.; Yang, S.-h.; Cao, Y. Nonlinear Dynamic Process Monitoring Using Canonical Variate Kernel Analysis. Processes 2023, 11, 99. https://doi.org/10.3390/pr11010099
Li S, Yang S-h, Cao Y. Nonlinear Dynamic Process Monitoring Using Canonical Variate Kernel Analysis. Processes. 2023; 11(1):99. https://doi.org/10.3390/pr11010099
Chicago/Turabian StyleLi, Simin, Shuang-hua Yang, and Yi Cao. 2023. "Nonlinear Dynamic Process Monitoring Using Canonical Variate Kernel Analysis" Processes 11, no. 1: 99. https://doi.org/10.3390/pr11010099
APA StyleLi, S., Yang, S.-h., & Cao, Y. (2023). Nonlinear Dynamic Process Monitoring Using Canonical Variate Kernel Analysis. Processes, 11(1), 99. https://doi.org/10.3390/pr11010099

