Optimization Design for the Centrifugal Pump under Non-Uniform Elbow Inflow Based on Orthogonal Test and GA_PSO
Abstract
:1. Introduction
2. Materials and Methods
2.1. Centrifugal Pump Specifications
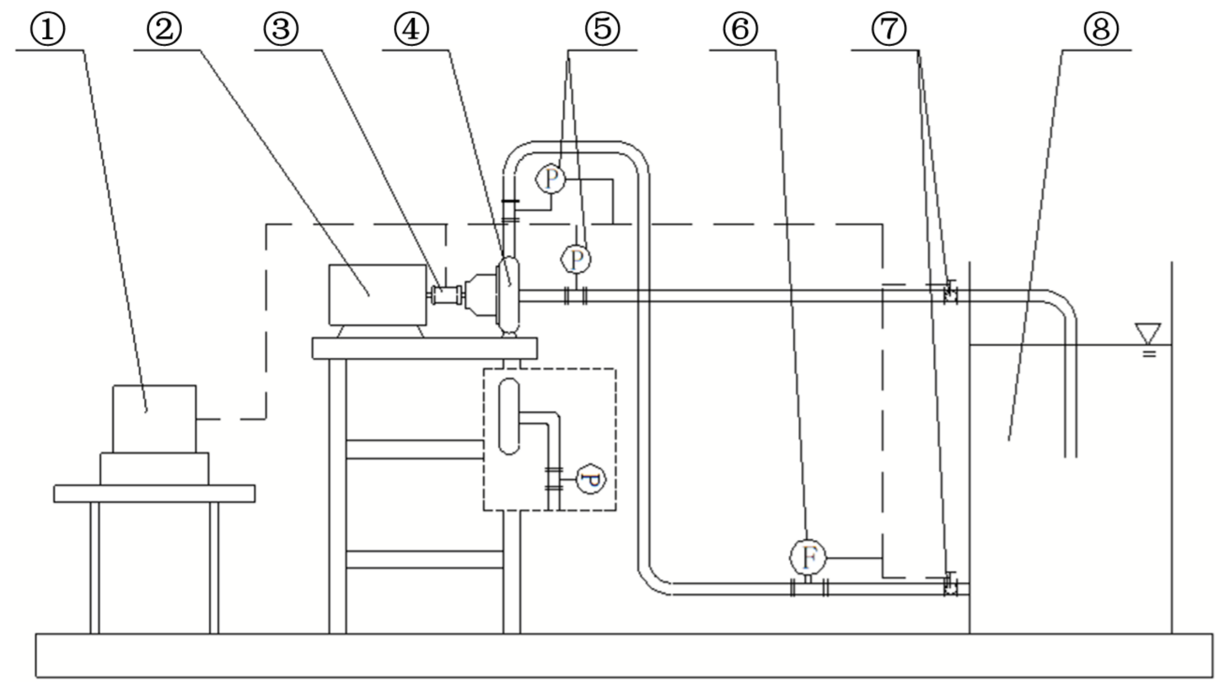
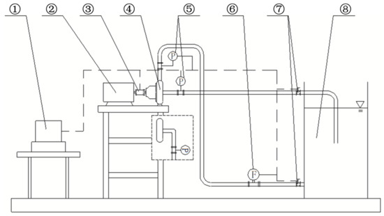
2.2. Experimental Measurements
2.3. CFD Methodology
3. Parametric Orthogonal Analysis
3.1. Orthogonal Experimental Design
3.2. Orthogonal Experiment Result Analysis
3.3. Flow Characteristics of Typical Scheme Pump
3.4. Performance Test of Typical Scheme Pump
4. GA_PSO Optimization Design
4.1. GA_PSO Algorithm
4.2. Optimal Design for Centrifugal Pump under Non-Uniform Elbow Inflow
5. Conclusions
- (1)
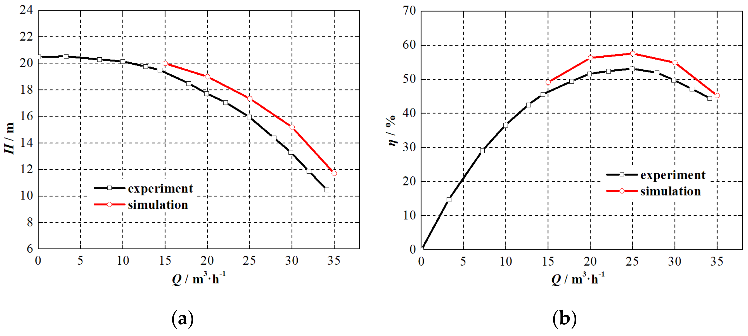
- The pump performance experiment shows that the elbow inlet causes the pump head to decrease by about 10% and the efficiency to decrease by 8%, compared with the centrifugal pump with a straight pipe inlet.
- (2)
- The blade inlet angle is the major factor in matching the non-uniform inflow and reducing the flow loss in the impeller inlet to contribute to enhancing the pump performance and cavitation characteristics by the orthogonal experiment. The impeller outlet diameter is the key parameter to improving the work ability of the impeller. The flow area ratio indicates the matching relationship between impeller and volute.
- (3)
- The PSO algorithm is optimized by integrating GA, which ensures that the PSO calculation result avoids falling into the local optimization and the global optimal solution is obtained as quickly as possible. The centrifugal pump with an elbow inlet is optimally designed by the GA_PSO algorithm. The radius ratio of elbow inlet is 1.4, and the blade inlet angle is 25°. According to the performance test results, the efficiency of the optimized pump is 4.7% higher than that of the original pump, meanwhile, the necessary cavitation allowance reduces by 0.63 m compared with original pump.
Author Contributions
Funding
Conflicts of Interest
References
- Mitsukiyo, M.; Naomichi, H. Swirling flow in suction pipe of centrifugal pumps (1st report, distribution of velocity and energy). Bull. JSME 1966, 9, 328–337. [Google Scholar]
- Noorani, A.; Khoury, G.K.E.; Schlatter, P. Evolution of turbulence characteristics from straight to curved pipes. Int. J. Heat Fluid Flow 2013, 41, 16–26. [Google Scholar] [CrossRef]
- Oyelade, A.O.; Ikhile, O.G.; Oyediran, A.A. Stability and dynamics of a slightly curved viscoelastic pipe resting on linear and nonlinear viscoelastic foundation. Iran. J. Sci. Technol. Trans. Civ. Eng. 2022, 46, 1329–1343. [Google Scholar] [CrossRef]
- Alvarado-Rodríguez, C.E.; Sigalotti, L.D.G.; Klapp, J.; Fierro-Santillán, C.R.; Aragón, F.; Uribe-Ramírez, A.R. Smoothed particle hydrodynamics simulations of turbulent flow in curved pipes with different geometries: A comparison with experiments. J. Fluids Eng. 2021, 9, 091503. [Google Scholar] [CrossRef]
- Van Esch, B.P.M. Performance and radial loading of a mixed—Flow pump under non—Uniform suction flow. J. Fluids Eng. 2009, 131, 051101. [Google Scholar] [CrossRef]
- Hu, P.X.; Zangeneh, M. CFD calculation of the flow through a water—Jet pump. In International Conference on Waterjet Propulsion III; RINA: Gothenburg, Sweden, 2001; pp. 1–10. [Google Scholar]
- Jaiswal, A.K.; Siddique, M.H.; Paul, A.R.; Samad, A. Surrogate-based design optimization of a centrifugal pump impeller. In Engineering Optimization; Taylor & Francis: Oxfordshire, UK, 2021. [Google Scholar]
- Alawadhi, K.; Alzuwayer, B.; Mohammad, T.A.; Buhemdi, M.H. Design and optimization of a centrifugal pump for slurry transport using the response surface method. Machines 2021, 9, 60. [Google Scholar] [CrossRef]
- Yuan, Y.; Yuan, S.Q.; Tang, L.D. Investigation on the effect of complex impeller on vibration characteristics for a high-speed centrifugal pump. Proc. Inst. Mech. Eng. Part A J. Power Energy 2020, 234, 611–624. [Google Scholar] [CrossRef]
- Guo, S.; Yao, C. Non-uniform distribution of water-jet inlet flow field. In Proceedings of the 2010 IEEE International Conference on Information and Automation, Harbin, China, 20–23 June 2010; pp. 1452–1456. [Google Scholar]
- Mark, E.A.; David, E.W.; Charles, C.A. An evaluation of reducing elbow characteristics versus velocity distribution at the pump inlet. In World Environmental and Water Resources Congress 2014: Water without Borders; ASCE: Reston, VA, USA, 2014; pp. 1207–1215. [Google Scholar]
- Huang, R.F.; Wang, Y.W.; Du, T.Z.; Luo, X.W.; Zhang, W.; Dai, Y.X. Mechanism analyses of the unsteady vortical cavitation behaviors for a waterjet pump in a non-uniform inflow. Ocean. Eng. 2021, 233, 108798. [Google Scholar] [CrossRef]
- Hajnayeb, A. Cavitation analysis in centrifugal pumps based on vibration bispectrum and transfer learning. Shock. Vib. 2021, 2021, 6988949. [Google Scholar] [CrossRef]
- Duerr, P.; Ellenrieder, K.D.V. Scaling and numerical analysis of non-uniform waterjet pump inflows. IEEE J. Ocean. Eng. 2015, 40, 701–709. [Google Scholar] [CrossRef]
- Motley, M.R.; Savander, B.R.; Young, Y.L. Influence of spatially varying flow on the dynamic response of a waterjet inside an SES. Int. J. Rotating Mach. 2014, 2014, 275916. [Google Scholar] [CrossRef] [Green Version]
- Yuan, Y.; Yuan, S.Q.; Tang, L.D. Numerical investigation on the mechanism of double-volute balancing radial hydraulic force on the centrifugal pump. Processes 2019, 7, 689. [Google Scholar] [CrossRef] [Green Version]
- Bulten, N.W.H.; Van Esch, B.P.M. Fully transient CFD analyses of waterjet pumps. Mar. Technol. 2007, 44, 185–193. [Google Scholar] [CrossRef]
- Cui, B.L.; Zhang, Y.B.; Huang, Y.K. Analysis of the pressure pulsation and vibration in a low-specific-speed centrifugal pump. J. Fluids Eng. 2021, 143, 021201. [Google Scholar] [CrossRef]
- Yuan, S.Q. Low Specific Speed Centrifugal Pump Theory and Design; Machine Press: Beijing, China, 1997. [Google Scholar]
- Das, A.; Das, S.R.; Panda, J.P.; Dey, A.; Gajrani, K.K.; Somani, N.; Gupta, N.K. Machine learning based modelling and optimization in hard turning of AISI D6 steel with newly developed AlTiSiN coated carbide tool. arXiv 2022, arXiv:2202.00596. [Google Scholar]






















| Flow Rate (m3/h) | Head (m) | Rotate Speed (r/min) | NPSH (m) |
|---|---|---|---|
| 25 | 18 | 2900 | 2.5 |
| radius ratio of elbow inlet | 1 |
| impeller inlet diameter/m | 0.065 |
| impeller outlet diameter/m | 0.131 |
| blade outlet width/m | 0.011 |
| blade number | 5 |
| blade wrap angle/° | 160 |
| blade inlet angle/° | 22 |
| blade outlet angle/° | 23 |
| volute base circle diameter/m | 0.14 |
| volute outlet diameter/m | 0.05 |
| No. | Name | Picture | Version | Specification | Number |
|---|---|---|---|---|---|
| 1 | Torque speed sensor | ![]() | JN338-A | 20 N·m, 0.2% F·S | 1 |
| 2 | Torque speed tester | ![]() | JN338 | 0.2% | 1 |
| 3 | Pressure sensor | ![]() | CYG1103 | 0~160 kPa, 0.25% −100~100 kPa, 0.25% | 2 |
| 4 | Electromagnetic flowmeter | ![]() | MBmag | DN80, 0.5% | 1 |
| Flow Rate (m3/h) | 15 | 20 | 25 | 30 |
| Pump Head (m) | 0.6 | 1.3 | 1.5 | 1.6 |
| Efficiency (%) | 3.4 | 4.1 | 3.8 | 4.3 |
| Level | Factor | |||||||
|---|---|---|---|---|---|---|---|---|
| x1 | x2 | x3 | x4 | x5 | x6 | x7 | x8 | |
| 1 | 0.6 | 0.20 | 4 | 0.12 | 0.20 | 0.936 | 0.45 | 2.9 |
| 2 | 1.0 | 0.25 | 5 | 0.14 | 0.23 | 0.950 | 0.50 | 3.1 |
| 3 | 1.4 | 0.30 | 6 | 0.16 | 0.26 | 0.964 | 0.52 | 3.4 |
| No. | A/x1 | B/x2 | C/x3 | D/x4 | E/x5 | F/x6 | G/x7 | H/x8 | I |
|---|---|---|---|---|---|---|---|---|---|
| (1) | A1 | B1 | C1 | D1 | E1 | F1 | G1 | H1 | I1 |
| (2) | A1 | B1 | C1 | D1 | E2 | F2 | G2 | H2 | I2 |
| (3) | A1 | B1 | C1 | D1 | E3 | F3 | G3 | H3 | I3 |
| (4) | A1 | B2 | C2 | D2 | E1 | F1 | G1 | H2 | I2 |
| (5) | A1 | B2 | C2 | D2 | E2 | F2 | G2 | H3 | I3 |
| (6) | A1 | B2 | C2 | D2 | E3 | F3 | G3 | H1 | I1 |
| (7) | A1 | B3 | C3 | D3 | E1 | F1 | G1 | H3 | I3 |
| (8) | A1 | B3 | C3 | D3 | E2 | F2 | G2 | H1 | I1 |
| (9) | A1 | B3 | C3 | D3 | E3 | F3 | G3 | H2 | I2 |
| (10) | A2 | B1 | C2 | D3 | E1 | F2 | G3 | H1 | I2 |
| (11) | A2 | B1 | C2 | D3 | E2 | F3 | G1 | H2 | I3 |
| (12) | A2 | B1 | C2 | D3 | E3 | F1 | G2 | H3 | I1 |
| (13) | A2 | B2 | C3 | D1 | E1 | F2 | G3 | H2 | I3 |
| (14) | A2 | B2 | C3 | D1 | E2 | F3 | G1 | H3 | I1 |
| (15) | A2 | B2 | C3 | D1 | E3 | F1 | G2 | H1 | I2 |
| (16) | A2 | B3 | C1 | D2 | E1 | F2 | G3 | H3 | I1 |
| (17) | A2 | B3 | C1 | D2 | E2 | F3 | G1 | H1 | I2 |
| (18) | A2 | B3 | C1 | D2 | E3 | F1 | G2 | H2 | I3 |
| (19) | A3 | B1 | C3 | D2 | E1 | F3 | G2 | H1 | I3 |
| (20) | A3 | B1 | C3 | D2 | E2 | F1 | G3 | H2 | I1 |
| (21) | A3 | B1 | C3 | D2 | E3 | F2 | G1 | H3 | I2 |
| (22) | A3 | B2 | C1 | D3 | E1 | F3 | G2 | H2 | I1 |
| (23) | A3 | B2 | C1 | D3 | E2 | F1 | G3 | H3 | I2 |
| (24) | A3 | B2 | C1 | D3 | E3 | F2 | G1 | H1 | I3 |
| (25) | A3 | B3 | C2 | D1 | E1 | F3 | G2 | H3 | I2 |
| (26) | A3 | B3 | C2 | D1 | E2 | F1 | G3 | H1 | I3 |
| (27) | A3 | B3 | C2 | D1 | E3 | F2 | G1 | H2 | I1 |
| No. | Head (m) | Efficiency (%) | No. | Head (m) | Efficiency (%) | No. | Head (m) | Efficiency (%) |
|---|---|---|---|---|---|---|---|---|
| (1) | 15.69 | 56.11 | (10) | 13.40 | 49.39 | (19) | 14.70 | 52.66 |
| (2) | 16.63 | 55.06 | (11) | 20.03 | 60.24 | (20) | 18.93 | 59.44 |
| (3) | 17.92 | 55.31 | (12) | 18.97 | 60.09 | (21) | 18.75 | 58.21 |
| (4) | 17.82 | 59.27 | (13) | 19.61 | 58.86 | (22) | 17.36 | 54.42 |
| (5) | 18.65 | 57.06 | (14) | 20.74 | 56.13 | (23) | 18.84 | 59.58 |
| (6) | 16.39 | 58.75 | (15) | 17.20 | 58.54 | (24) | 16.55 | 51.89 |
| (7) | 17.37 | 58.59 | (16) | 20.04 | 60.63 | (25) | 21.03 | 59.99 |
| (8) | 19.18 | 57.26 | (17) | 20.30 | 60.20 | (26) | 19.48 | 58.24 |
| (9) | 22.14 | 59.20 | (18) | 18.35 | 60.48 | (27) | 18.22 | 57.78 |
| A | B | C | D | E | F | G | H | I | |
|---|---|---|---|---|---|---|---|---|---|
| K1 | 516.61 | 506.51 | 513.68 | 516.02 | 509.92 | 530.34 | 518.42 | 503.04 | 520.61 |
| K2 | 524.56 | 514.5 | 520.81 | 526.7 | 523.21 | 506.14 | 515.56 | 524.75 | 519.44 |
| K3 | 512.21 | 532.37 | 518.89 | 510.66 | 520.25 | 516.9 | 521.15 | 525.59 | 513.33 |
| k1 | 57.4011 | 56.2789 | 57.0756 | 57.3356 | 56.6578 | 58.9267 | 57.6022 | 55.8933 | 57.8456 |
| k2 | 58.2844 | 57.1667 | 57.8678 | 58.5223 | 58.1344 | 56.2378 | 57.2844 | 58.3055 | 57.7155 |
| k3 | 56.9122 | 59.1522 | 57.6544 | 56.74 | 57.8056 | 57.4333 | 57.9056 | 58.3989 | 57.0366 |
| R | 1.3722 | 2.8733 | 0.7922 | 1.7822 | 1.4767 | 2.6889 | 0.6211 | 2.5056 | 0.8089 |
| Major → Minor | |||||||
|---|---|---|---|---|---|---|---|
| B | F | H | D | E | A | C | G |
| blade Inlet angle | impeller outlet diameter | flow area ratio | blade wrap angle | blade outlet angle | radius ratio of elbow inlet | blade number | blade outlet width |
| Factor B Level | 4 Blades | 5 Blades | 6 Blades |
|---|---|---|---|
| 1 | scheme 2 | scheme 11 | scheme 20 |
| 3 | scheme 16 | scheme 25 | scheme 7 |
| No. | Radius Ratio of Elbow Inlet | Blade INLET Angle (°) | Blade Number | Blade Wrap Angle (°) | Blade Outlet Angle (°) | Impeller Outlet Diameter (mm) | Blade Outlet Width (mm) | Flow Area Ratio |
|---|---|---|---|---|---|---|---|---|
| 16 | 1 | 30 | 4 | 140 | 20 | 133 | 11.4 | 3.4 |
| 24 | 1.4 | 25 | 4 | 160 | 26 | 133 | 10 | 2.9 |
| 9 | 0.6 | 30 | 6 | 160 | 26 | 135 | 11.4 | 3.1 |
| 19 | 1.4 | 20 | 6 | 140 | 20 | 135 | 11 | 2.9 |
| Head/m | Efficiency/% | NPSH/m | |
|---|---|---|---|
| scheme 9 | 19.6 | 55.1 | 2.85 |
| scheme 16 | 17.8 | 56.9 | 3.01 |
| A/x1 | B/x2 | C/x3 | D/x4 | E/x5 | F/x6 | G/x7 | H/x8 |
|---|---|---|---|---|---|---|---|
| 1.4 | 0.25 | 5 | 0.13 | 0.26 | 0.936 | 0.49 | 3.1 |
| Radius Ratio of Elbow Inlet | Blade Inlet Angle (°) | Blade Number | Blade Wrap Angle (°) | Blade Outlet Angle (°) | Impeller Outlet Diameter (mm) | Blade Outlet Width (mm) | Flow Area Ratio |
| 1.4 | 25 | 5 | 130 | 26 | 131 | 10.78 | 3.1 |
Publisher’s Note: MDPI stays neutral with regard to jurisdictional claims in published maps and institutional affiliations. |
© 2022 by the authors. Licensee MDPI, Basel, Switzerland. This article is an open access article distributed under the terms and conditions of the Creative Commons Attribution (CC BY) license (https://creativecommons.org/licenses/by/4.0/).
Share and Cite
Yuan, Y.; Jin, R.; Tang, L.; Lin, Y. Optimization Design for the Centrifugal Pump under Non-Uniform Elbow Inflow Based on Orthogonal Test and GA_PSO. Processes 2022, 10, 1254. https://doi.org/10.3390/pr10071254
Yuan Y, Jin R, Tang L, Lin Y. Optimization Design for the Centrifugal Pump under Non-Uniform Elbow Inflow Based on Orthogonal Test and GA_PSO. Processes. 2022; 10(7):1254. https://doi.org/10.3390/pr10071254
Chicago/Turabian StyleYuan, Ye, Rong Jin, Lingdi Tang, and Yanhua Lin. 2022. "Optimization Design for the Centrifugal Pump under Non-Uniform Elbow Inflow Based on Orthogonal Test and GA_PSO" Processes 10, no. 7: 1254. https://doi.org/10.3390/pr10071254
APA StyleYuan, Y., Jin, R., Tang, L., & Lin, Y. (2022). Optimization Design for the Centrifugal Pump under Non-Uniform Elbow Inflow Based on Orthogonal Test and GA_PSO. Processes, 10(7), 1254. https://doi.org/10.3390/pr10071254




