Abstract
A 20-ft containerized biological pilot system consisting of both an anaerobic expended granular sludge bed (EGSB) and an aerobic biofilm continuous flow intermittent clean (CFIC®) system has been designed, constructed, and delivered onsite at a pharmaceutical wastewater producer for a wastewater treatment study. The pilot was operated for a total of 317 days, including 147 days of adaptive phase and 170 days of testing phase. A pilot adaptive phase feeding wastewater COD concentration from 2 to 50 g/L with salinity up to 16 g/L was carried out, achieving EGSB where COD removal reached over 80 to 95% at OLR up to 22 kg COD/m3·d. In the testing phase, with repressive practical wastewater, the EGSB can remove over 97% of feed COD (with up to 82% acetic acid) at an average 16.3 kg COD/m3·d. The high wastewater salinity at 20 g/L did not inhibit COD removal efficiency by the system. The complete system with EGSB and aerobic stage was very stable and removed over 90–97% of the total COD dependent on the wastewater composition. The pilot was demonstrated as a valuable tool because of its user-friendly nature with high automation level, as well as its high efficiency in treating specific wastewater under varying operational conditions. This study provides critical information for full-scale system design and offers training for the customer in handling a previously unfamiliar process in a confident manner.
1. Introduction
Wastewater production from industries and its management have always been a challenge for the industrial sector. In recent years, the regulations on wastewater discharge into local municipal sewage lines and to the natural water basins have become stricter. In Norway, particularly the water basins leading to Skagerrak and the North Sea have been identified as some of the most sensitive areas [1]. Chemical industries that fall along the southern coast of Norway close to the Skagerrak region have been strictly regulated for their wastewater discharge. The wastewater generated from one of such companies is challenged by a stricter discharge limitation with a permitted quantity reduced by the government as it is looking to expand its production capacity through the coming years. The wastewater is currently being trucked offsite to a third-party treatment plant, which is an expensive ordeal for the company operator, and is also unsustainable, emitting large quantities of CO2. To turn this challenge into an opportunity, the pharmaceutical company in partnership with Biowater Technology AS evaluated options for an on-site, low footprint, highly efficient biological wastewater treatment plant.
The aim of the study was to provide robust and sustainable solutions, minimizing and abating emissions as per the Industrial Emissions Directive (IED) by applying best available techniques (BAT) to comply with BAT associated emission levels (BAT-AEL) or equivalent produced by the Norwegian regulator, being able to document compliance through adequate and relevant monitoring and control procedures and controls.
Knowing little about the wastewater quantity, its contents, and variations, Biowater Technology proposed a pilot study to understand the wastewater quality and its treatability. Considering the estimated high COD concentration and strict discharge requirement meant that organic content needed to be reduced by more than 90%. On the other hand, the total suspended solids needed to be as low as 35 mg/L in the final effluent. Therefore, Biowater Technology proposed a containerized pilot system that consisted of both an anaerobic expanded granular sludge bed (EGSB) reactor [2] and an aerobic biofilm continuous flow intermittent cleaning (CFIC®, Biowater Technology AS, Tonsberg, Norway, EU patent No.2438019) [3] reactor running in series to maximize the biological organic removal.
Anaerobic digestion is one of the preferred methods to treat industrial wastewater [4] due to its greater efficiency, low maintenance, ease of operation, and harmless sludge with less or no addition of chemicals [5]. EGSB is a type of anaerobic digestion system that embellishes all the benefits with a compact design that occupies a fraction of the footprint of the traditional design. EGSB, as the name suggests uses a granular sludge bed that is rich in anaerobic bacterial species which can stay inside the reactor for a long time while cleaning the wastewater within hours [6]. This is why EGSB is classified as a high-rate anaerobic process and is the most preferred form of anaerobic digestion for industrial wastewater treatment [5,7].
The aerobic treatment of wastewater is mostly applied for high volume, low concentration wastewater as it can take up large footprint. However, the development of the moving bed biofilm reactor (MBBR) has made it possible to use aerobic treatment for industrial wastewater treatment [8,9]. MBBR uses specialized plastic biocarriers to which the aerobic bacteria can attach and form a biofilm [10]. This makes the MBBR process significantly more efficient and smaller in size compared to conventional activated sludge treatment. A CFIC® reactor is a very compact aerobic biofilm reactor that follows the basic principles of MBBR by operating in two modes. The normal cleaning mode is operated with over 90% biocarrier filling ratio and the washing modes operate at less than 70% of an MBBR reactor [11]. Due to this, the normal mode significantly reduces the demand on air supply to the reactor for the major part of operation and makes the process more efficient.
Many previous studies have demonstrated the inhibitory effects of salinity on the anaerobic process and adopted acclimatization to overcome it, although they were ultimately unsuccessful [12,13,14]. Other studies were successful in overcoming the hypersaline inhibition by enriching species of halophilic methanogens (that are active in the marine and brackish sediments) combined with a mixed anaerobic culture capable of handling sodium concentrations of about 35 g/L [15,16,17,18].
In this article, the fully automated pilot container was designed, constructed, and operated onsite to investigate the degradation capability of pharmaceutical wastewater. The wastewater with varying concentrations and high salinity and organic contents was loaded to the pilot to identify the best operation conditions with the proposed processes. The study was conducted using mixed anaerobic culture with no prior enrichment of any specific species. However, the pilot was operated in adaptive phase (high COD and high salinity) for five months before testing with more realistic wastewater conditions. The pilot also served as a training tool for industry operators to build confidence in monitoring the reactor performance and operating a potential full-scale plant with a similar concept.
2. Materials and Methods
A fully automatic containerized pilot plant (20 ft/6.1 m) was constructed and set up by Biowater Technology in 2018 onsite for a pharmaceutical client to demonstrate the proposed solution (EGSB in combination with Biowater’s patented CFIC®) for treating the hypersaline wastewater.
2.1. Design of the Pilot Plant
The pilot container consisted of two separate sections, namely an anaerobic section and a control room with an aerobic reactor. Due to the potential explosive zone (EX zone) around the anaerobic reactor, the anaerobic section with a dedicated entrance was separated from the other one by a solid wall (Figure 1). The anaerobic section contains an EGSB reactor of dimensions 0.4 m diameter × 1.55 m height with a volume of 200 L and an external recycle loop, a biogas condensate, and a biogas flowmeter. A 3-phase separator on top of the EGSB separates the liquid effluent and biogas towards the recycle pipe. The recycle column is placed parallel to the EGSB to hold enough anaerobically treated wastewater, which is partially recycled back to the EGSB merging with feed wastewater. Biogas flows continuously through the separator to the biogas condensate pit and is eventually burned by the flare automatically. The flare system is mounted to the outer wall of the container (Figure 1).

Figure 1.
Drawings of the pilot units (a) Pilot units contents with wastewater and biogas flow direction marked; (b) overview of the 3D drawing. (c) EGSB unit layout. (d) CFIC reactor layout.
The other section (non-EX zone) contains a wastewater storage IBC, a condition tank where the wastewater temperature, pH, and nutrient contents can be adjusted and controlled through a heater, and chemical dosing pumps, respectively. The equalization tank has a volume of 110 L. The section also hosts a CFIC reactor of the size 0.42 m × 0.42 m × 1.6 m = 282 L. An effluent storage tank where the wastewater from CFIC normal and washing modes and an overflow of the EGSB can be collected separately is also placed in the non-EX zone. The operating volume of the CFIC is 176 L (height = 1.0 m) and it increases to 230 L (height = 1.3 m) during the intermittent forward washing cycle (FWC/washing mode). The wastewater flow route (orange lines) is given in Figure 1.
2.2. Control Logic and Operational Methods
The pilot reactor is a fully automated reactor with remote monitoring access through Teamviewer® software. The control system consists of a Siemens programmable logic controller (PLC) and Citect supervisory control and data acquisition (SCADA) as the operator interface.
In the control interface, different control parameters for each stage of the pilot system, such as the temperature and pH of wastewater in the conditioning tank and wastewater feed rate to the reactors are presented (Figure 2). Operational data are recorded in the SCADA system, which can be extracted for data analysis (Figure 2). The drum type biogas flow meter (Ritter) and flare system were monitored onsite at the pilot plant and were not integrated to the PLC.
Figure 2.
Feed wastewater control in the conditioning tank.
The control system controls and monitors critical operational parameters and raises alarms when the pH, water level, and water temperature are out of the operational ranges and stops the operation of the pumps/valves when the setpoint conditions are breached. Alarms are also given when electrical and mechanical issues appear, such as pump leakage and cable breaks.
2.2.1. Feed Control
Wastewater was automatically pumped from the 1 m3 IBC storage tank to the conditioning tank by pump 1 to reach a setpoint (Figure 2). Different height setpoints were given during the pilot study, which induce different hydraulic retention times in the conditioning tank. The wastewater in the conditioning tank was well mixed by an overhead mixer and its pH, nutrient content, and temperature were adjusted by proportional integral derivative (PID) control of the chemical dosing pumps 1 and 2 (Figure 2) and the heater, respectively. The feed pump 1 was regulated by the water level (level transmitter) in the conditioning tank. Wastewater in the conditioning tank after adjustment was further pumped to the EGSB by pump 2 (Figure 2).
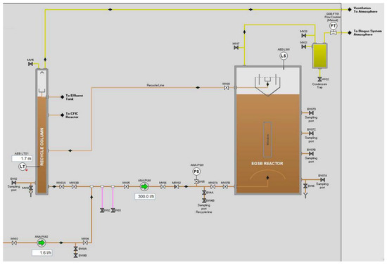
2.2.2. EGSB Control
The EGSB reactor was equipped with a recycle column (Figure 1C and Figure 3) which receives the effluent from the EGSB reactor and partially recycled back by the recycle pump to the bottom of EGSB merging with wastewater feed from the conditioning tank by pump 2 (Figure 3). The waster height in the recycle column is indicated by a level transmitter. The EGSB has a constant water height while in the recycle column the water level varies due to the pressure applied by biogas, as indicated by the level transmitter. The EGSB effluent pH and temperature were monitored inline of the pipeline leading the wastewater to the CFIC stage. No temperature and pH regulation were conducted to the EGSB effluent. There are 4 sampling points along the height of the EGSB for collecting sludge samples.
Figure 3.
EGSB Reactor control and monitoring.
Biogas produced in the EGSB was separated by the gas liquid separator on top of the EGSB together with some of the biogas degassed from the top of the recycle column before being transported through pipelines to the condensate pit and out of the pilot container. The biogas was dewatered in the condensate pit and the flow was recorded by the biogas flow meter. The biogas was then burned in the flare system without being stored (Figure 1). Due to the relatively small biogas quantity, the flare was automatically ignited at a predetermined frequency.
The top of the EGSB is equipped with a level switch to identify water overflow from the EGSB, which will stop pump 2 and the recycle pump. To prevent high-pressure build up in the recycle line, a pressure switch placed inline is used to stop the complete system.
2.2.3. CFIC Control
New biofilm carriers BWTX® (650 m2/m3, Biowater Technology AS) (Figure 4) were filled in the aerobic CFIC stage at a filling degree of 90% to the CFIC level (Figure 5). The CFIC process receives wastewater from the EGSB recycle column either through gravity flow or a dedicated feed, pump 3 (Figure 4). The dedicated pump enabled to decouple the EGSB and CFIC system, so that wastewater from EGSB effluent can be fed at a lower speed to the CFIC, allowing for varied CFIC hydraulic retention times. Overflow from the EGSB recycle column can then flow directly to the effluent collection chamber. Wastewater temperature, DO, and pH were monitored manually inside the CFIC reactor.
Figure 4.
BWTX® carrier without biofilm growth (a) and with matured biofilm growth (b).
Figure 5.
CFIC reactor control and effluent collection.
The CFIC stage was operated at two water levels, with the higher-level functions as a forward washing (FW) mode to remove extra sludge accumulated on the carriers, which were activated at a programmed frequency (Figure 5). When the FW mode is activated, electric valve 1 is stopped and electric valve 2 is opened automatically. Wastewater continuously fills up the reactor until reaching the washing level and is discharged (Figure 5). Aeration was enhanced due to increased air flow by opening electric valve 2, causing stronger shear force to act on the carriers. The air flow was adjusted manually from the air source, and the air flow rates were indicated on the flow transmitter on the control interface.
2.3. Feed Wastewater
The feed wastewater was prepared by manually mixing 6 effluent streams from the customer chemical production processes which contained a varied quantity of organic/inorganic chemicals. The typical composition of the wastewater was obtained after combining these effluents, as presented in Table 1. Due to uncertainty over the wastewater availability to the potential full-scale biological treatment plants, the wastewater was classified into two different scenarios. The most concentrated scenario gave a wastewater COD around 50 g/L, containing mostly acetic acid and 2-methoxy ethanol (Table 1) and was used to acclimatize the biology. A more likely wastewater as feed to the full-scale bioreactor contained either no acetic acid or over 81%, giving COD concentrations at 2.2 and 14 g/L, respectively (Table 1). The prepared wastewater was stored in the 1 m3 IBC tank inside the container at room temperature before being pumped to the conditioning tank. The IBC was refilled after the wastewater was close to empty.
Table 1.
Typical weight fraction and composition of the wastewater feed from the chemical industry on hourly and annual basis.
The average raw feed wastewater temperature during the operation period was approximately 18.7 °C and was heated by the heater in the conditioning tank to an average of 30.0 °C. At the same time, pH was adjusted from an average 1.8 to 4.9 by automatic caustic soda dosing. Other characteristics of the feed wastewater are presented in Table 2. High salinity of around 15–20 g/L NaCl was commonly observed in the feed wastewater. Due to a lack of nitrogen and phosphorous in the feed wastewater, nutrient (urea and KH2PO4) solution was prepared and dosed to the conditioning tank at a flow rate proportional to the feed flow.
Table 2.
Range of parameters of feed wastewater during the testing period.
2.4. Granular Sludge
The granular sludge was extracted from a HyVAB® reactor [11], treating vegetable processing wastewater. The granules have been treating wastewater at a COD concentration of on average 2500 mg/L and at a temperature of 25 °C for over 2 years. The granules have an average size of 2 mm and their properties are described in Table 3. The anaerobic granules were inoculated 2 times, the first time with approximately 6 kg VS and second time with 3.4 kg VS after about 2.5 months of operation.
Table 3.
Granular sludge properties.
2.5. Operational Plan
The EGSB was fed gradually from low COD loading rates to facilitate the granular sludge adaptation to the new wastewater streams. A detailed feed program is given in Table 4.
Table 4.
Operational Program.
The plant was operated for a total of 11 months from 23 April 2018 to 20 March 2019. The most concentrated wastewater scenario was planned first in the pilot study as an adaptive phase, i.e., 23 April 2018 to 15 September 2018. The COD concentration during the first few weeks of the start-up period was kept low at 10 g/L by diluting the high COD concentration and gradually increased to 50 g/L in about 2 months. The pilot was operated at high hydraulic retentions times (approximately 0.5 L/h flow rate = 480 h AD HRT). During this period, the feed COD loading rates were pushed to investigate the feed limitation of the anaerobic granules. Wastewater salinity was also gradually increased in the wastewater mixer.
Another 185-day test period from 16 September 2018 to 5 March 2019 was conducted as a testing phase for wastewater contents (2.2 and 14 g COD/L), representing a feed of a more realistic concentration in the full-scale biological treatment plant. The feed wastewater concentration (Table 2) and flow fluctuations during the testing phase are representative of realistic year-round operation, including the down time such as holidays and other minor production and processing deviations.
In the CFIC stage, 163 L BWTX® (650 m2/m3, Biowater Technology AS) (Figure 3) were added in the reactor, which gives a surface area of approximately 106 m2. Air was supplied at a rate of 1–2 m3/h to maintain dissolved oxygen (DO) at above 2 mg/L during the normal operation. The aerobic CFIC stage was running in the forward washing cycle as a MBBR a few times to study the washing effects on the accumulated biomass on the carriers. The loading rate based on the protected surface area is shown in Table 4.
2.6. Sampling and Analysis
Operational data from sensors, such as pH, temperature, and dissolved oxygen, were recorded automatically in the SCADA system. Data for parameters, such as temperature, pH, alkalinity, total and soluble COD, ammonia, phosphate concentrations, conductivity, and salinity for liquid samples, were collected at least 3 times a week from the EQ tank, EGSB effluent, and CFIC effluent for analysis. The total/volatile solid contents (TS/VS) of anaerobic granular sludge were analyzed 3 times during the study. The analysis mentioned was carried out according to the standard methods and procedures described in [11]. Biogas analysis was carried out regularly using BIOGAS 5000 (Geotech®, by QED, Coventry, UK).
3. Results
The feed wastewater conditions, such as temperature and pH, were adjusted in the conditioning tank automatically by turning on/off the heater and dosing buffer solution. It can be observed that during the adaptive phase, the raw wastewater pH fluctuated in a wide range from 12 to 1.4. Acid and NaOH solutions were used to adjust the pH in the conditioning tank. The EGSB pH was relatively constant at 7, while the effluent from CFIC was approximately around 8.7 (Figure 6). In the testing phase with the conditioning tank, wastewater pH was adjusted to 6.4 and gradually decreased to 4 from the low initial raw wastewater pH at 2. Without bringing pH higher before feeding to the EGSB, due to high VFA content and salinity, the EGSB pH was able to sustain at pH 7–7.6 without adding external buffer solution. The average alkalinity was 100 meq/L. The CFIC effluent pH can reach up to 8.6, attributed to both acid consumption and air striping effects.
Figure 6.
pH at different stages of the pilot study.
3.1. Anaerobic Stage
3.1.1. COD Removal
During the adaptive phase, the feed COD was increased gradually from 10 g/L to 50 g/L over two months and then maintained at around 40–50 g/L for the remaining three months (Figure 7). The main objective during this period was to adapt the granules to varying loading rates and chemicals in the pharmaceutical wastewater. Correspondingly, the organic loading rate was increased from 1 to 12 kg COD/m3·d in the first two months and thereafter reduced to approximately 8 kg COD/m3·d (Figure 8). The reduction was due to a sudden drop in the EGSB COD removal efficiency from an average 95% to 83% with unconsumed VFA up to 900 mg/L at the end of the two months. Granule sludge analysis shows that the sludge loading rate was relatively high at 0.4 kg COD/kg VS·d. It could be the case that the granular sludge was overloaded for the wastewater feed with high salinity. Ideal sludge loading rates for low salinity wastewater are determined to be around 0.6–0.9 kg COD/kg VS·d [19]. The OLR was maintained at a lower range of about 8–10 kg COD/m3·d afterwards until new granules were inoculated to the EGSB reactor on 10 July 2018.
Figure 7.
Feed, EGSB effluent sCOD and CFIC effluent TCOD concentrations.
Figure 8.
Organic loading rate and sCOD removal efficiency of the HyVAB operation.
The OLR was increased again from 10 up to 22.4 kg COD/m3·d until VFA accumulation over 900 mg/L was observed again on 29 August 2018 (Figure 8), corresponding to a CFIC effluent TCOD of over 30 g/L (Figure 7). The EGSB sCOD removal efficiency was stable at around 85% between OLRs of 15–20 kg COD/m3·d and was reduced to below 80% when the OLR was above 20 kg COD/m3·d (Figure 8). The sludge loading rate was at 0.48 kg COD/kg VS·d when the OLR was over 20 kg COD/m3·d. Hence, it was concluded that for the current EGSB setup, the maximum organic loading rate was to be 20 kg COD/m3·d to maintain a stable EGSB performance (Figure 7 and Figure 8). The EGSB reactor was restabilized again after reducing the loading rates (Figure 8).
3.1.2. Inhibitive Effects
During the testing phase (19 September to the end of study), the EGSB reactor was fed with low COD concentrations of about 2–4 g/L during the first month of operation (Figure 7). Due to the limitation of feed pump capacity, the OLR would not exceed 4 kg COD/m3·d, giving an HRT of 19 h. On average, 90% sCOD removal in EGSB was observed (Figure 7). Due to the biodegradable nature of the chemical composition in wastewater (Table 1), low COD concentration at tested loading rates did not inhibit EGSB reactor.
As the effluent COD was stabilized during the first 15 days of test, the feed COD concentration was increased to about 14 g/L with OLR quickly increased to over 15 kg COD/m3·d in about two weeks. The effluent soluble COD (sCOD) remained below 800 mg/L with the lowest effluent sCOD concentration obtained at about 238 mg/L (Table 5). During the testing phase, the pilot plant was stopped for two weeks during the Christmas holidays. It was restarted with high COD feed wastewater and produced similarly low sCOD effluents immediately without any lag in organic consumption efficiency. The variations did not affect the COD removal efficiencies, demonstrating the robustness of the process.
Table 5.
COD removal during two test periods at given salinity concentrations.
High salt content in wastewater is considered to be inhibitive to biological processes [20], reducing COD removal efficiency. Ref. [21] demonstrated that higher salinity in feed wastewater affects the methanogenesis process. The authors showed that the rate of methanogenesis is reduced by approximately 20% with a feed containing 20 g/L NaCl compared to a feed containing no salt. It is observed that the overall impact of salinity is not strong on methane production provided the salinity changes are gradual. The anaerobic granules are highly resilient and adaptive to these conditions and can produce methane at typical efficiency.
The wastewater salinity in adaptive and testing phases ranged between 4.4 and 15.7 g/L and 7.5 and 19.5 g/L, respectively (Figure 9). Table 5 shows the comparison of EGSB performance at different OLR and salinity. The results show that, at salinity concentrations of about 13–17 g/L in wastewater, COD removal greater than 90% was achieved. This was contradictory to the study conducted by Sibel and Nusret 2016, where salinity over 10 g/L reduced the COD removal efficiency to 80%, while in the literature granules were not adapted to high salinity wastewater before. It is not obvious that salinity at our tested range had negative effects on the EGSB reactor. This observation is in agreement with the conclusion from [22] and could be due to gradual adaptation.
Figure 9.
Relation of COD removal with salinity and organic loading rate.
Previous studies exploring the capability of high-rate anaerobic treatment of high salinity wastewater showed reduced activity of acetoclastic methanogens and hydrogenotrophic methanogens [23]. However, the same study concluded that the halophilic methanogen population of Methanosarcinales and Methanobacteriales was not negatively affected by saline concentrations of about 5 g/L [23]. On the other hand, a contrasting conclusion was drawn by Wang et al. in 2017 when they showed higher resistance to salinity by acetoclastic methanogens, such as the Methanosaeta species, than the hydrogenotrophic methanogens, such as Methanolinea, Methanospirillum, and Methanoculleus species [24].
Considering the fact that the pharmaceutical waste tested in the current study contained about 80% acetic acid, it could be said that the conditions were more favorable for acetoclastic methanogens [25,26] than hydrogenotrophic methanogens. Similarly, we expect higher activity for the halophilic methanogens [27], if present, at these higher saline concentrations of about 10–20 g/L. Further analysis regarding the microbial community, which was not part of the scope for this study, would provide deeper insights into the modifications of granular structure and distribution due to the hypersaline conditions.
Volatile solids (VS) and total solids (TS) analysis during the tests showed that the VS content in granular sludge was increased (Table 6). The total amount of TS in the EGSB was not significantly increased after about seven months of operation. This could be attributed to the low anaerobic granule growth, as the feed wastewater contained large portions of acetic acid. This means that the feed can be converted directly to biogas without the need for hydrolysis and acetogenesis and the associated bacterial population in the granular structure.
Table 6.
Total and Volatile solids data of samples collected from 4 different heights of EGSB.
3.2. Aerobic Section
The COD removal efficiency from the complete system, i.e., after the CFIC, was stable at an average of 98% during the whole study, which is generally independent of the tested loading rates and wastewater composition variations (Figure 8). CFIC, as a polishing stage for EGSB, consumes the residual COD that is present in the EGSB effluent. Its COD removal efficiency during the adaptive phase was on average 7.6% of the COD removed by the complete anaerobic and aerobic system.
Figure 10 shows the COD loading and consumption in the CFIC reactor as a function of the protected surface area loading rate (SLR) of the biocarriers and the removal efficiency. The average COD removal efficiency in the CFIC section was around 80% during the adaptive period considering the very low COD concentrations after the EGSB treatment giving SLR at 0–2 g COD/m2·d. Due to the EGSB granular sludge limitation in June 2018 (Figure 10), the SLR increased to 6–11 g COD/m2·d, and the removal efficiency dropped in the beginning, although it recovered quickly to over 80% (Figure 10). The decrease could be due to part of the newly filled granular sludge having fluffy particles that were washed out and fed into the CFIC stage. The relatively low active aerobic biofilm on carriers and slow biofilm growth rate during the abrupt increase in the COD loading rate can also lead to reduced biofilm efficiency. In the testing phase in October, the wastewater contents present a major change (Table 1) with reduced acetic acid and organic iodine, as the sCOD removal efficiency was generally at 40%. With the increased acetic acid in wastewater after October, the sCOD consumption rate was about 60% (Figure 10). The SLR to CFIC was within 5 g/m2·d, which is about 5–10 times lower for the capacity of such a system. The relatively low removal rate was mostly attributed to the non-biodegradable residual in the wastewater such as organic iodine.
Figure 10.
COD loading and consumption as a function of the protected surface area of the biocarriers and the removal efficiency.
The biofilm growth on the carrier surface was overall below 7 g TS/m2, which is approximately between one third and one half of the amount of growth for municipal wastewater treatment. This was due to the relatively low surface organic loading rate attributed to the high removal efficiency in the EGSB stage. During the testing phase, the biofilm biomass is on average 3 g TS/m2.
4. Pilot Usability
The pilot was approved to be an operator-friendly system with high automated levels for both studying the biological treatment capacity of the specific wastewater and for training operators with limited knowledge of the biological processes.
Many test scenarios have been carried out during the pilot study, including adjusting wastewater conditions, testing hydraulic retention times regarding the system performance, investigating a combined anaerobic and aerobic process at varying operational conditions, etc. Important knowledge has been accumulated in terms of how well the biological process can handle such wastewater and the optimal conditions. The excellent treatment results have proven the stability and effectiveness of the process. The customer eventually started the full-scale project construction in 2019, applying the same treatment concept as the pilot, which justified the value of the pilot system. The full-scale treatment plant has been commissioned and began operation in March 2020.
5. Conclusions
The pilot was demonstrated as a valuable tool because of its user-friendly nature with high automation level and its high efficiency in treating specific wastewater. It provides critical information for full-scale system design as well as training for the customer in handling a previously unfamiliar process in comparison to their chemical production.
The pilot was operated for a total of 317 days, including 147 days of adaptive phase and 170 days of testing phase. A series of pilot studies treating wastewater COD concentrations from 2 to 50 g/L with salinity up to 20 g/L was carried out. The systems achieved a high removal rate of COD (>90%) within one month of start-up. Good pilot stability was achieved by feeding ‘most concentrated’ wastewater (adaptive phase) when the EGSB efficiency reached over 95%. The efficiency was reduced to 80% when the OLR was stretched up to 22 kg COD/m3·d. In the test phase, the EGSB removal efficiency reached over 97% of feed COD at an average OLR of 16.3 kg COD/m3·d with up to 82% acetic acid present in the feed. A slight increase in VS/TS ratio from 0.8 to 0.87 was observed, and no clear inhibition of COD removal was observed by increasing the feed wastewater salinity up to 20 g/L during the study. The CFIC stage further polished the residual organic from EGSB, and the complete biological process was very stable with the removal of 90–97% of the total COD depending on the wastewater composition.
Author Contributions
Writing—review and editing, A.N., I.S. and S.W.; data curation, J.T.J.; funding acquisition, S.W. All authors have read and agreed to the published version of the manuscript.
Funding
This research was funded by SkatteFUNN grant number 329252.
Institutional Review Board Statement
Not applicable.
Informed Consent Statement
Not applicable.
Data Availability Statement
Not applicable.
Conflicts of Interest
The authors declare no conflict of interest.
References
- Berge, G.; Mellem, K.B. Kommunale Avløp: Ressursinnsats, Utslipp, Rensing Og Slamdisponering [Municipal Wastewater: Resource Use, Discharge, Treatment and Sludge Disposal]; 2012; Volume 37, Available online: https://www.ssb.no/a/publikasjoner/pdf/rapp_201237/rapp_201237.pdf (accessed on 21 November 2021).
- Lim, S.J.; Kim, T.-H. Applicability and Trends of Anaerobic Granular Sludge Treatment Processes. Biomass Bioenergy 2014, 60, 189–202. [Google Scholar] [CrossRef]
- Rathnaweera, S.S.; Rusten, B.; Manamperuma, L.D.; Wang, S.; Helland, B. Innovative, Compact and Energy-Efficient Biofilm Process for Nutrient Removal from Wastewater. Water Sci. Technol. 2020, 81, 1941–1950. [Google Scholar] [CrossRef] [PubMed]
- Pol, L.H.; Lettinga, G. New Technologies for Anaerobic Wastewater Treatment. Water Sci. Technol. 1986, 18, 41–53. [Google Scholar] [CrossRef]
- Malik, R.A.; Vistanty, H.; Mukimin, A.; Zen, N. Rapid Start-up of Expanded Granular Sludge Bed (EGSB) Reactor Using Granulated Anaerobic Bacteria in Pharmaceutical Wastewater Treatment: Pilot Scale. IOP Conf. Ser. Mater. Sci. Eng. 2020, 980, 012078. [Google Scholar] [CrossRef]
- Mainardis, M.; Buttazzoni, M.; Goi, D. Up-Flow Anaerobic Sludge Blanket (Uasb) Technology for Energy Recovery: A Review on State-of-the-Art and Recent Technological Advances. Bioengineering 2020, 7, 43. [Google Scholar] [CrossRef] [PubMed]
- Lettinga, G.; Field, J.; van Lier, J.; Zeeman, G.; Huishoff Pol, L.W. Advanced Anaerobic Wastewater Treatment in the near Future. Water Sci. Technol. 1997, 35, 5–12. [Google Scholar] [CrossRef]
- Ødegaard, H.; Mende, U.; Skjerping, E.O.; Simonsen, S.; Strube, R.; Bundgaard, E. Compact Tertiary Treatment Based on the Combination of MBBR and Contained Hollow Fibre UF-Membranes. Desalin. Water Treat. 2012, 42, 80–86. [Google Scholar] [CrossRef]
- Rusten, B.; Eikebrokk, B.; Ulgenes, Y.; Lygren, E. Design and Operations of the Kaldnes Moving Bed Biofilm Reactors. Aquac. Eng. 2006, 34, 322–331. [Google Scholar] [CrossRef]
- Young, B.; Delatolla, R.; Kennedy, K.; Laflamme, E.; Stintzi, A. Low Temperature MBBR Nitrification: Microbiome Analysis. Water Res. 2017, 111, 224–233. [Google Scholar] [CrossRef]
- Wang, S.; Savva, I.; Bakke, R. A Full-Scale Hybrid Vertical Anaerobic and Aerobic Biofilm Wastewater Treatment System: Case Study. Water Pract. Technol. 2019, 14, 189–197. [Google Scholar] [CrossRef]
- Soto, M.; Méndez, R.; Lema, J.M. Sodium Inhibition and Sulphate Reduction in the Anaerobic Treatment of Mussel Processing Wastewaters. J. Chem. Technol. Biotechnol. 1993, 58, 1–7. [Google Scholar] [CrossRef]
- Prasertsan, P.; Jung, S.; Buckle, K.A. Anaerobic Filter Treatment of Fishery Wastewater. World J. Microbiol. Biotechnol. 1994, 10, 11–13. [Google Scholar] [CrossRef] [PubMed]
- Liu, Y.; Boone, D.R. Effects of Salinity on Methanogenic Decomposition. Bioresour. Technol. 1991, 35, 271–273. [Google Scholar] [CrossRef]
- Kadam, P.C.; Godbole, S.H.; Ranade, D.R. Isolation of Methanogens from Arabian Sea Sediments and Their Salt Tolerance. FEMS Microbiol. Ecol. 1989, 5, 343–347. [Google Scholar] [CrossRef][Green Version]
- Compeau, G.C.; Bartha, R. Effect of Salinity on Mercury-Methylating Activity of Sulfate-Reducing Bacteria in Estuarine Sediments. Appl. Environ. Microbiol. 1987, 53, 261–265. [Google Scholar] [CrossRef] [PubMed]
- Backus, B.D.; Clanton, C.J.; Goodrich, P.R.; Morris, H.A. Carbon-to-Nitrogen Ratio and Hydraulic Retention Time Effect on the Anaerobic Digestion of Cheese Whey. Trans. ASAE 1988, 31, 1274–1282. [Google Scholar] [CrossRef]
- Riffat, R.; Krongthamchat, K. Anaerobic Treatment of High-Saline Wastewater Using Halophilic Methanogens in Laboratory-Scale Anaerobic Filters. Water Environ. Res. 2007, 79, 191–198. [Google Scholar] [CrossRef]
- Borja, R.; Banks, C.J. Comparison of an Anaerobic Filter and an Anaerobic Fluidized Bed Reactor Treating Palm Oil Mill Effluent. Process Biochem. 1995, 30, 511–521. [Google Scholar] [CrossRef]
- Aslan, S.; Şekerdağ, N. Salt Inhibition on Anaerobic Treatment of High Salinity Wastewater by Upflow Anaerobic Sludge Blanket (UASB) Reactor. Desalin. Water Treat. 2016, 57, 12998–13004. [Google Scholar] [CrossRef]
- Lefebvre, O.; Quentin, S.; Torrijos, M.; Godon, J.J.; Delgenès, J.P.; Moletta, R. Impact of Increasing NaCl Concentrations on the Performance and Community Composition of Two Anaerobic Reactors. Appl. Microbiol. Biotechnol. 2007, 75, 61–69. [Google Scholar] [CrossRef]
- Gagliano, M.C.; Ismail, S.B.; Stams, A.J.M.; Plugge, C.M.; Temmink, H.; Van Lier, J.B. Biofilm Formation and Granule Properties in Anaerobic Digestion at High Salinity. Water Res. 2017, 121, 61–71. [Google Scholar] [CrossRef] [PubMed]
- Hudayah, N.; Krainara, S.; Kongduan, V.; Chaiprasert, P.; Suraraksa, B. Efficiencies of Anaerobic Hybrid and UASB Reactors to Alleviate the Adverse Effect of Elevated Salinity in Wastewater. J. Chem. Technol. Biotechnol. 2021, 96, 3426–3435. [Google Scholar] [CrossRef]
- Wang, S.; Hou, X.; Su, H. Exploration of the Relationship between Biogas Production and Microbial Community under High Salinity Conditions. Sci. Rep. 2017, 7, 1149. [Google Scholar] [CrossRef] [PubMed]
- Fey, A.; Conrad, R. Effect of Temperature on Carbon and Electron Flow and on the Archaeal Community in Methanogenic Rice Field Soil. Appl. Environ. Microbiol. 2000, 66, 4790–4797. [Google Scholar] [CrossRef] [PubMed]
- Jetten, M.S.M.; Stams, A.J.M.; Zehnder, A.J.B. Methanogenesis from Acetate: A Comparison of the Acetate Metabolism in Methanothrix soehngenii and Methanosarcina spp. FEMS Microbiol. Rev. 1992, 8, 181–197. [Google Scholar] [CrossRef]
- Kargi, F.; Dinçer, A.R. Enhancement of Biological Treatment Performance of Saline Wastewater by Halophilic Bacteria. Bioprocess Eng. 1996, 15, 51–58. [Google Scholar] [CrossRef]
Publisher’s Note: MDPI stays neutral with regard to jurisdictional claims in published maps and institutional affiliations. |
© 2022 by the authors. Licensee MDPI, Basel, Switzerland. This article is an open access article distributed under the terms and conditions of the Creative Commons Attribution (CC BY) license (https://creativecommons.org/licenses/by/4.0/).