Recent Advances in the Decontamination and Upgrading of Waste Plastic Pyrolysis Products: An Overview
Abstract
:1. Introduction
2. Pyrolysis Products and Contaminants: The Need for Pre- and Post-Treatment
2.1. Thermal Pyrolysis
2.2. Catalytic Pyrolysis: The Effect of Catalyst on Pyrolysis Products and Contaminats
2.3. Advances in Characterization of Waste Plastic and Pyrolysis Products
3. Waste Plastic Pre-Treatment
3.1. Plastic Separation
3.2. Dehalogenation
4. Products Upgrading
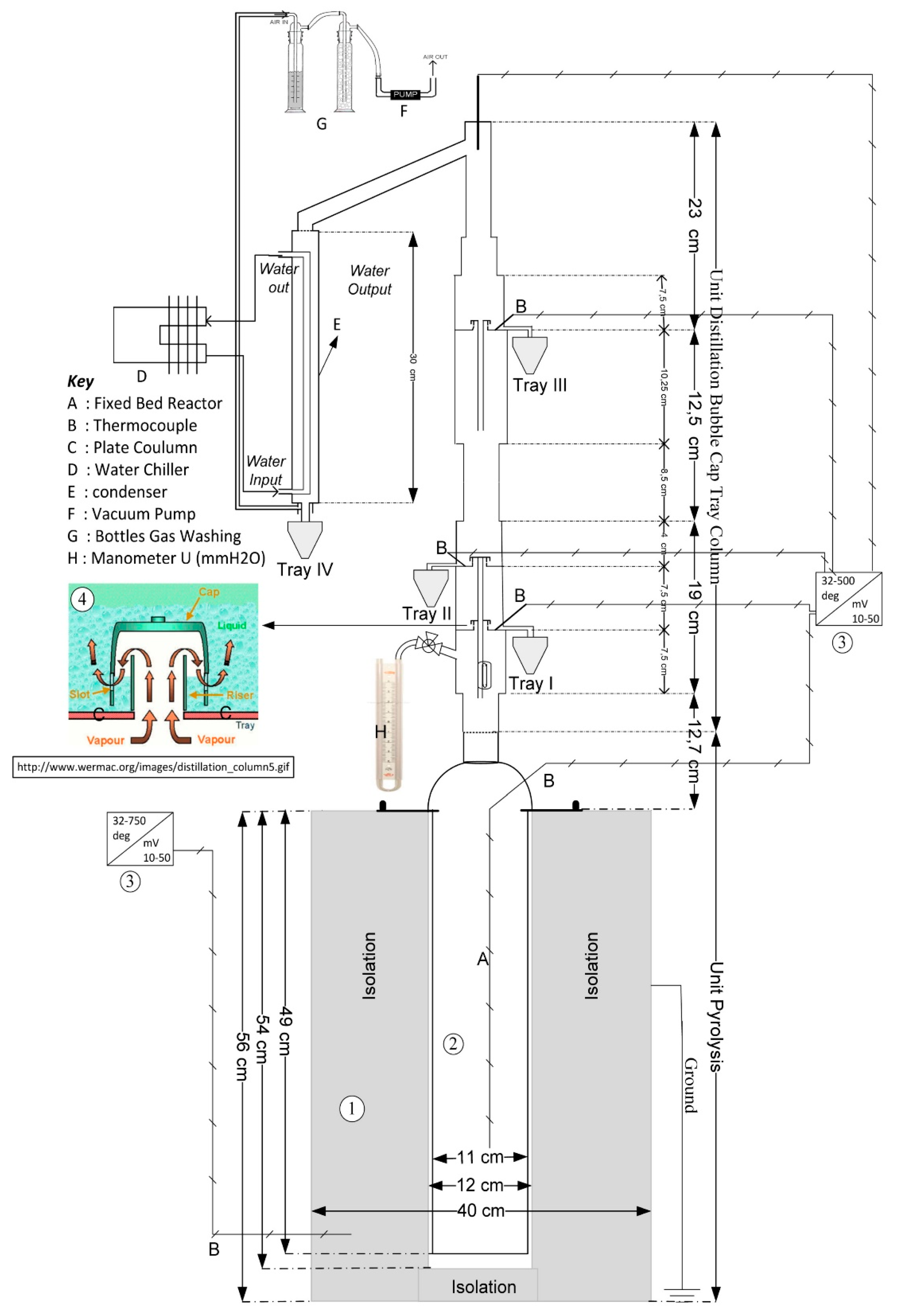
4.1. Dittillation of Pyrolytic Oil
4.2. Pyrolysis Wax Treatment in FCC Units
4.3. Catalytic Upgrading of Pyrolysis Liquids
- With the Ni-based catalyst, long-chain alcohols were transferred into olefins via dehydration and catalytic cracking, while benzoic acid and phenols were transferred into aromatics through deoxygenation reactions. Some long-chain paraffins were cracked into short-chain paraffins.
4.4. Pyrolysis Oil Hydroprocessing
4.5. Fuel Properties Enhancement
4.6. Char Upgrading
5. Applications
5.1. Liquid Oil Applications
5.2. Solid Products
5.2.1. Carbon Nanotubes
5.2.2. Char
5.3. Gas
6. Conclusions
- Pyrolysis products can be used in several applications and this targeted application determines the economic sustainability of the process:
- Upgraded pyrolytic oil can be used as fuel in diesel engines or fed to steam crackers for the production of new monomers.
- CNTs with strong mechanical and electronic properties can be produced.
- Upgraded chars can be used as adsorbents.
- Gases with high calorific values can be used for energy generation or light olefin production.
Author Contributions
Funding
Informed Consent Statement
Data Availability Statement
Conflicts of Interest
References
- Ian Tiseo. Statista. 2020. Available online: https://www.statista.com/statistics/282732/global-production-of-plastics-since-1950/#:~:text=In2019%2Ctheglobalproduction,quarteroftheglobalproduction (accessed on 27 January 2021).
- Buonsante, V. Drowning in Plastic: Ending Canada’s Contribution to the Plastic Disaster. Oceana 2020. [Google Scholar] [CrossRef]
- Geyer, R.; Jambeck, J.R.; Law, K.L. Production, use, and fate of all plastics ever made. Sci. Adv. 2017, 3, 25–29. [Google Scholar] [CrossRef] [PubMed] [Green Version]
- Ragaert, K.; Delva, L.; Van Geem, K. Mechanical and chemical recycling of solid plastic waste. Waste Manag. 2017, 69, 24–58. [Google Scholar] [CrossRef] [PubMed]
- Mofijur, M.; Ahmed, S.F.; Rahman, S.M.A.; Yasir, S.K.; Siddiki, A.; Islam, M.S.; Shahabuddin, M.; Chyuan, H.; Mahlia, T.M.I.; Djavanroodi, F.; et al. Source, distribution and emerging threat of micro- and nanoplastics to marine organism and human health: Socio-economic impact and management strategies. Environ. Res. 2021, 195, 110857. [Google Scholar] [CrossRef]
- Meys, R.; Bachmann, M.; Winter, B.; Zibunas, C.; Suh, S. Achieving net-zero greenhouse gas emission plastics by a circular carbon economy. Science 2021, 76, 71–76. [Google Scholar] [CrossRef]
- Benson, N.U.; Bassey, D.E.; Palanisami, T. Heliyon COVID pollution: Impact of COVID-19 pandemic on global plastic waste footprint. Heliyon 2021, 7, e06343. [Google Scholar] [CrossRef]
- Harussani, M.M.; Sapuan, S.M.; Rashid, U.; Khalina, A.; Ilyas, R.A. Pyrolysis of polypropylene plastic waste into carbonaceous char: Priority of plastic waste management amidst COVID-19 pandemic. Sci. Total Environ. 2022, 803, 149911. [Google Scholar] [CrossRef]
- Qayyum, Y.; Mudasar, G.; Umer, K.; Muhammad, A.; Ijaz, W. Review of hospital plastic waste management strategies for Pakistan. Environ. Sci. Pollut. Res. 2022, 29, 9408–9421. [Google Scholar] [CrossRef]
- Scheirs, J.; Kaminsky, W. Feedstock Recycling and Pyrolysis of Waste Plastics: Converting Waste Plastics into Diesel and Other Fuels; John Wiley & Sons: Hoboken, NJ, USA, 2006. [Google Scholar] [CrossRef]
- Al-salem, S.M.; Papageorgiou, L.G.; Lettieri, P. Techno-economic assessment of thermo-chemical treatment (TCT) units in the Greater London area. Chem. Eng. J. 2014, 248, 253–263. [Google Scholar] [CrossRef]
- Fox, J.A.; Stacey, N.T. Process targeting: An energy based comparison of waste plastic processing technologies. Energy 2019, 170, 273–283. [Google Scholar] [CrossRef]
- Gleis, M. Gasification and Pyrolysis—Reliable Options for Waste Treatment? 2012. Available online: https://www.vivis.de/wp-content/uploads/WM3/2012_WM_403_411_Gleis.pdf (accessed on 31 March 2022).
- Kusenberg, M.; Eschenbacher, A.; Djokic, M.R.; Zayoud, A.; Ragaert, K.; De Meester, S.; Van Geem, K.M. Opportunities and challenges for the application of post-consumer plastic waste pyrolysis oils as steam cracker feedstocks: To decontaminate or not to decontaminate? Waste Manag. 2022, 138, 83–115. [Google Scholar] [CrossRef] [PubMed]
- Kusenberg, M.; Zayoud, A.; Roosen, M.; Dao, H.; Abbas-abadi, M.S.; Eschenbacher, A.; Kresovic, U.; De Meester, S.; Van Geem, K.M. A comprehensive experimental investigation of plastic waste pyrolysis oil quality and its dependence on the plastic waste composition. Fuel Process. Technol. 2022, 227, 107090. [Google Scholar] [CrossRef]
- Saad, M.; Oasmaa, A.; Pihkola, H.; Deviatkin, I.; Tenhunen, A.; Mannila, J.; Minkkinen, H.; Pohjakallio, M.; Laine-ylijoki, J. Pyrolysis of plastic waste: Opportunities and challenges. J. Anal. Appl. Pyrolysis 2020, 152, 104804. [Google Scholar] [CrossRef]
- Sharuddin, S.D.A.; Abnisa, F.; Daud, W.M.A.W.; Aroua, M.K. A review on pyrolysis of plastic wastes. Energy Convers. Manag. 2016, 115, 308–326. [Google Scholar] [CrossRef]
- Chen, D.; Yin, L.; Wang, H.; He, P. Pyrolysis technologies for municipal solid waste: A review. Waste Manag. 2014, 34, 2466–2486. [Google Scholar] [CrossRef]
- Miandad, R.; Barakat, M.A.; Aburiazaiza, A.S.; Rehan, M.; Nizami, A.S. Catalytic pyrolysis of plastic waste: A review. Process Saf. Environ. Prot. 2016, 102, 822–838. [Google Scholar] [CrossRef]
- Kunwar, B.; Cheng, H.N.; Chandrashekaran, S.R.; Sharma, B.K. Plastics to fuel: A review. Renew. Sustain. Energy Rev. 2016, 54, 421–428. [Google Scholar] [CrossRef]
- Lin, H.; Huang, M.; Luo, J.; Lin, L.; Lee, C.; Ou, K. Hydrocarbon fuels produced by catalytic pyrolysis of hospital plastic wastes in a fluidizing cracking process. Fuel Process. Technol. 2010, 91, 1355–1363. [Google Scholar] [CrossRef]
- Srinivasa, M.; Kurose, K.; Okuda, T.; Nishijima, W.; Okada, M. Separation of polyvinyl chloride (PVC) from automobile shredder residue (ASR) by froth flotation with ozonation. J. Hazard. Mater. 2007, 147, 1051–1055. [Google Scholar] [CrossRef] [Green Version]
- Yang, X.; Sun, L.; Xiang, J.; Hu, S.; Su, S. Pyrolysis and dehalogenation of plastics from waste electrical and electronic equipment (WEEE): A review. Waste Manag. 2013, 33, 462–473. [Google Scholar] [CrossRef]
- Areeprasert, C.; Asingsamanunt, J.; Srisawat, S. Municipal Plastic Waste Composition Study at Transfer Station of Bangkok and Possibility of its Energy Recovery by Pyrolysis. Energy Procedia 2017, 107, 222–226. [Google Scholar] [CrossRef]
- Gao, F. Pyrolysis of Waste Plastics into Fuels. Ph.D. Thesis, University of Canterbury, Christchurch, New Zealand, 2010. [Google Scholar]
- Toraman, H.E.; Dijkmans, T.; Djokic, M.R.; Van Geem, K.M.; Marin, G.B. Detailed compositional characterization of plastic waste pyrolysis oil by comprehensive two-dimensional gas-chromatography coupled to multiple detectors. J. Chromatogr. A 2014, 1359, 237–246. [Google Scholar] [CrossRef] [PubMed]
- Miandad, R.; Barakat, M.A.; Aburiazaiza, A.S.; Rehan, M.; Ismail, I.M.I. Effect of plastic waste types on pyrolysis liquid oil. Int. Biodeterior. Biodegrad. 2017, 119, 239–252. [Google Scholar] [CrossRef]
- De Sousa, L.C.R. Gasification of wood, urban wastewood (Altholz) and other wastes in a fluidized bed reactor. Ph.D Thesis, Swiss Federal Institute of Technology Zurich, Zürich, Switzerland, 2001. [Google Scholar] [CrossRef]
- Hornung, A.; Seifert, H. Rotary Kiln Pyrolysis of Polymers Containing Heteroatoms. In Feedstock Recycling and Pyrolysis of Waste Plastics: Converting Waste Plastics into Diesel and other Fuels; Scheirs, J., Kaminsky, W., Eds.; Jhon Wiley and Sons: New York, NY, USA, 2006; pp. 549–564. [Google Scholar]
- Bhaskar, T.; Sakata, Y. Liquefaction of PVC Mixed Plastics. In Feedstock Recycling and Pyrolysis of Waste Plastics; Scheirs, J., Kaminsky, W., Eds.; Jhon Wiley and Sons: New York, NY, USA, 2006; pp. 493–525. [Google Scholar]
- Rodríguez, E.; Gutiérrez, A.; Palos, R.; Vela, F.J.; Arandes, J.M.; Bilbao, J. Fuel production by cracking of polyolefins pyrolysis waxes under fluid catalytic cracking (FCC) operating conditions. Waste Manag. 2019, 93, 162–172. [Google Scholar] [CrossRef] [PubMed]
- Shi, Q.; Xu, C.; Zhao, S.; Chung, K.H.; Tn, A. Characterization of Heteroatoms in Residue Fluid Catalytic Cracking (RFCC) Diesel by Gas Chromatography and Mass Spectrometry. Energy Fuels 2009, 23, 6062–6069. [Google Scholar] [CrossRef]
- Hossein, A.; Dehaghani, S.; Badizad, M.H. Experimental Study of Iranian Heavy Crude Oil Viscosity Reduction by Diluting with Heptane, Methanol, Toluene, Gas Condensate and Naphtha. Petroleum 2017, 2, 415–424. [Google Scholar] [CrossRef] [Green Version]
- Kusenberg, M.; Roosen, M.; Zayoud, A.; Djokic, M.R.; Dao, H.; De Meester, S.; Ragaert, K.; Kresovic, U.; Van Geem, K.M. Assessing the feasibility of chemical recycling via steam cracking of untreated plastic waste pyrolysis oils: Feedstock impurities, product yields and coke formation. Waste Manag. 2022, 141, 104–114. [Google Scholar] [CrossRef]
- Al-Salem, S.M.; Antelava, A.; Constantinou, A.; Manos, G.; Dutta, A. A review on thermal and catalytic pyrolysis of plastic solid waste (PSW). J. Environ. Manag. 2017, 197, 177–198. [Google Scholar] [CrossRef]
- Eschenbacher, A.; Saraeian, A.; Shanks, B.H.; Jensen, P.A.; Henriksen, U.B.; Ahrenfeldt, J.; Jensen, A.D. Sustainable Energy & Fuels biomass pyrolysis vapors using micro and bench-scale reactors. Sustaiable Energy Fuels 2020, 4, 3780–3796. [Google Scholar] [CrossRef]
- Eschenbacher, A.; Arendt, P.; Birk, U.; Ahrenfeldt, J. Catalytic deoxygenation of vapors obtained from ablative fast pyrolysis of wheat straw using mesoporous HZSM-5. Fuel Process. Technol. 2019, 194, 106119. [Google Scholar] [CrossRef]
- Akubo, K.; Nahil, M.A.; Williams, P.T. Aromatic fuel oils produced from the pyrolysis-catalysis of polyethylene plastic with metal-impregnated zeolite catalysts. J. Energy Inst. 2019, 92, 195–202. [Google Scholar] [CrossRef]
- Artetxe, M.; Lopez, G.; Amutio, M.; Elordi, G.; Bilbao, J.; Olazar, M. Cracking of High Density Polyethylene Pyrolysis Waxes on HZSM-5 Catalysts of Different Acidity. Ind. Eng. Chem. Res. 2013, 31, 10637–10645. [Google Scholar] [CrossRef]
- Eschenbacher, A.; Varghese, R.J.; Abbas-abadi, M.S.; Van Geem, K.M. Maximizing light olefins and aromatics as high value base chemicals via single step catalytic conversion of plastic waste. Chem. Eng. J. 2022, 428, 132087. [Google Scholar] [CrossRef]
- Aguado, J.; Serrano, D.P.; Escola, J.M. Catalytic upgrading of plastic waste. In Feedstock Recycling and Pyrolysis of Waste Plastics; Scheirs, J., Kaminsky, W., Eds.; John Wiley & Sons: New York, NY, USA, 2006; pp. 73–110. [Google Scholar]
- Butler, E.; Devlin, G.; Mcdonnell, K. Waste Polyolefins to Liquid Fuels via Pyrolysis: Review of Commercial State-of-the-Art and Recent Laboratory Research. Waste Biomass Valor. 2011, 2, 227–255. [Google Scholar] [CrossRef] [Green Version]
- Manos, G. Catalytic degradation of plastic waste to fuel over microporous materials. In Feedstock Recycling and Pyrolysis of Waste Plastics; Scheirs, J., Kaminsky, W., Eds.; John Wiley & Sons: New York, NY, USA, 2006; pp. 193–208. [Google Scholar]
- Syamsiro, M.; Saptoadi, H.; Norsujianto, T.; Noviasri, P. Fuel Oil Production from Municipal Plastic Wastes in Sequential Pyrolysis and Catalytic Reforming Reactors. Energy Procedia 2014, 47, 180–188. [Google Scholar] [CrossRef] [Green Version]
- Miskolczi, N.; Ates, F. Thermo-catalytic co-pyrolysis of recovered heavy oil and municipal plastic wastes. J. Anal. Appl. Pyrolysis 2016, 117, 273–281. [Google Scholar] [CrossRef]
- Elordi, G.; Olazar, M.; Lopez, G.; Castano, P.; Bilbao, J. Role of pore structure in the deactivation of zeolites (HZSM-5, H-Beta and HY) by coke in the pyrolysis of polyethylene in a conical spouted bed reactor. Appl. Catal. B 2011, 102, 224–231. [Google Scholar] [CrossRef]
- Kissin, Y.V. Primary Products in Hydrocarbon Cracking over Solid Acidic Catalysts under Very Mild Conditions: Relation to Cracking Mechanism. J. Catal. 1998, 105, 101–105. [Google Scholar] [CrossRef]
- Castano, P.; Elordi, G.; Olazar, M.; Aguayo, A.T.; Pawelec, B.; Bilbao, J. Insights into the coke deposited on HZSM-5, H-Beta and HY zeolites during the cracking of polyethylene. Appl. Catal. B Environ. 2011, 104, 91–100. [Google Scholar] [CrossRef]
- Ates, F.; Miskolczi, N.; Borsodi, N. Bioresource Technology Comparision of real waste (MSW and MPW) pyrolysis in batch reactor over different catalysts. Part I: Product yields, gas and pyrolysis oil properties. Bioresour. Technol. 2013, 133, 443–454. [Google Scholar] [CrossRef]
- Yoosuk, B.; Tumnantong, D.; Prasassarakich, P. Amorphous unsupported Ni-Mo sulfide prepared by one step hydrothermal method for phenol hydrodeoxygenation. Fuel 2012, 91, 246–252. [Google Scholar] [CrossRef]
- Sun, K.; Wang, W.; Themelis, N.J.; Bourtsalas, A.C.T.; Huang, Q. Catalytic co-pyrolysis of polycarbonate and polyethylene/polypropylene mixtures: Promotion of oil deoxygenation and aromatic hydrocarbon formation. Fuel 2021, 285, 119143. [Google Scholar] [CrossRef]
- Mastral, J.F.; Berrueco, C.; Gea, M.; Ceamanos, J. Catalytic degradation of high density polyethylene over nanocrystalline HZSM-5 zeolite. Polym. Degrad. Stab. 2006, 91, 3330–3338. [Google Scholar] [CrossRef]
- Xue, Y.; Zhou, S.; Bai, X. Role of Hydrogen Transfer during Catalytic Copyrolysis of Lignin and Tetralin over HZSM-5 and HY Zeolite Catalysts. ACS Sustain. Chem. Eng. 2016, 4, 4237–4250. [Google Scholar] [CrossRef]
- Cheng, Y.; Huber, G.W. Production of targeted aromatics by using Diels–Alder classes of reactions with furans and olefins over ZSM-5. Green Chem. 2012, 14, 3114–3125. [Google Scholar] [CrossRef]
- Miskolczi, N.; Ates, F.; Borsodi, N. Comparison of real waste (MSW and MPW) pyrolysis in batch reactor over different catalysts. Part II: Contaminants, char and pyrolysis oil properties. Bioresour. Technol. 2013, 144, 370–379. [Google Scholar] [CrossRef]
- Brebu, M.; Bhaskar, T.; Murai, K.; Muto, A. Removal of nitrogen, bromine, and chlorine from PP/PE/PS/PVC/ABS-Br pyrolysis liquid products using Fe- and Ca-based catalysts. Polym. Degrad. Stab. 2005, 87, 225–230. [Google Scholar] [CrossRef]
- Lopez-Urionabarrenechea, A.; De Marco, I.; Caballero, B.M.; Laresgoiti, M.F.; Adrados, A. Catalytic stepwise pyrolysis of packaging plastic waste. J. Anal. Appl. Pyrolysis 2012, 96, 54–62. [Google Scholar] [CrossRef]
- Nolte, M.W.; Liberatore, M.W. Viscosity of Biomass Pyrolysis Oils from Various Feedstocks. Energy Fuels 2010, 24, 6601–6608. [Google Scholar] [CrossRef]
- Magee, J.; Mitchell, M. (Eds.) Fluid Catalytic Cracking: Science and Technology; Elsevier: Amsterdam, The Netherlands, 1993. [Google Scholar]
- Lee, K.; Noh, N.; Shin, D.; Seo, Y. Comparison of plastic types for catalytic degradation of waste plastics into liquid product with spent FCC catalyst. Polym. Degrad. Stab. 2002, 78, 539–544. [Google Scholar] [CrossRef]
- Barbarias, I.; Artetxe, M.; Arregi, A.; Alvarez, J.; Lopez, G.; Olazar, M. Catalytic Cracking of HDPE Pyrolysis Volatiles over a Spent FCC Catalyst. Chem. Eng. Trans. 2015, 43, 2029–2034. [Google Scholar] [CrossRef]
- Wang, K.; Johnston, P.A.; Brown, R.C. Comparison of in-situ and ex-situ catalytic pyrolysis in a micro-reactor system. Bioresour. Technol. 2014, 173, 124–131. [Google Scholar] [CrossRef] [PubMed]
- Gaurh, P.; Pramanik, H. A novel approach of solid waste management via aromatization using multiphase catalytic pyrolysis of waste polyethylene. Waste Manag. 2018, 71, 86–96. [Google Scholar] [CrossRef] [PubMed]
- Zhang, Y.; Duan, D.; Lei, H.; Villota, E.; Ruan, R. Jet fuel production from waste plastics via catalytic pyrolysis with activated carbons. Appl. Energy 2019, 251, 113337. [Google Scholar] [CrossRef]
- Wysocka, I. Talanta Determination of rare earth elements concentrations in natural waters – A review of ICP-MS measurement approaches. Talanta 2021, 221, 121636. [Google Scholar] [CrossRef] [PubMed]
- Roosen, M.; Mys, N.; Kusenberg, M.; Billen, P.; Dumoulin, A.; Dewulf, J.; Van Geem, K.M.; Ragaert, K.; De Meester, S. Detailed Analysis of the Composition of Selected Plastic Packaging Waste Products and Its Implications for Mechanical and Thermochemical Recycling. Environ. Sci. Technol. 2020, 54, 13282–13293. [Google Scholar] [CrossRef]
- Hall, W.J.; Williams, P.T. Pyrolysis of brominated feedstock plastic in a fluidised bed reactor. J. Anal. Appl. Pyrolysis 2006, 77, 75–82. [Google Scholar] [CrossRef] [Green Version]
- Li, K.; Lee, S.W.; Yuan, G.; Lei, J.; Lin, S.; Weerachanchai, P.; Yang, Y.; Wang, J. Investigation into the Catalytic Activity of Microporous and Mesoporous Catalysts in the Pyrolysis of Waste Polyethylene and Polypropylene Mixture. Energies 2016, 9, 431. [Google Scholar] [CrossRef] [Green Version]
- Singh, R.K.; Ruj, B.; Sadhukhan, A.K.; Gupta, P. A TG-FTIR investigation on the co-pyrolysis of the waste HDPE, PP, PS and PET under high heating conditions. J. Energy Inst. 2020, 93, 1020–1035. [Google Scholar] [CrossRef]
- Jin, W.; Shen, D.; Liu, Q.; Xiao, R. Evaluation of the co-pyrolysis of lignin with plastic polymers by TG- FTIR and Py-GC/MS. Polym. Degrad. Stab. 2016, 133, 65–74. [Google Scholar] [CrossRef]
- Yang, B.; Chen, M. Py–FTIR–GC/MS Analysis of Volatile Products of Automobile Shredder Residue Pyrolysis. Polymers 2020, 12, 2734. [Google Scholar] [CrossRef] [PubMed]
- Kumar, R.; Ruj, B.; Sadhukhan, A.K.; Gupta, P. Impact of fast and slow pyrolysis on the degradation of mixed plastic waste: Product yield analysis and their characterization. J. Energy Inst. 2019, 92, 1647–1657. [Google Scholar] [CrossRef]
- Gala, A.; Guerrero, M.; Manuel, J. Characterization of post-consumer plastic film waste from mixed MSW in Spain: A key point for the successful implementation of sustainable plastic waste management strategies. Waste Manag. 2020, 111, 22–33. [Google Scholar] [CrossRef] [PubMed]
- Stas, M.; Auersvald, M.; Vozka, P. Two-Dimensional Gas Chromatography Characterization of Pyrolysis Bio-oils: A Review. Energy Fuels 2021, 35, 8541–8557. [Google Scholar] [CrossRef]
- Yu, A.; Patrushev, Y.V.; Sidelnikov, V.N.; Buryak, A.K. Analysis of light components in pyrolysis products by comprehensive two-dimensional gas chromatography with PLOT columns. Talanta 2020, 209, 120448. [Google Scholar] [CrossRef]
- Zayoud, A.; Dao, H.; Kusenberg, M.; Eschenbacher, A.; Kresovic, U.; Alderweireldt, N.; Djokic, M.; Van Geem, K.M. Pyrolysis of end-of-life polystyrene in a pilot-scale reactor: Maximizing styrene production. Waste Manag. 2022, 139, 85–95. [Google Scholar] [CrossRef]
- Linear, C.I.; Thi, H.D.; Van Geem, K.M. Detailed Group-Type Characterization of Plastic-Waste Pyrolysis Oils: By Comprehensive Two-Dimensional Gas. Separations 2021, 8, 103. [Google Scholar] [CrossRef]
- Arjang, S.; Motahari, K.; Saidi, M. Experimental and Modeling Study of Organic Chloride Compounds Removal from Naphtha Fraction of Contaminated Crude Oil Using Sintered γ-Al2O3 Nanoparticles: Equilibrium, Kinetic, and Thermodynamic Analysis. Energy Fuels 2018, 32, 4025–4039. [Google Scholar] [CrossRef]
- Lee, K. Pyrolysis of municipal plastic wastes separated by difference of specific gravity. J. Anal. Appl. Pyrolysis 2007, 79, 362–367. [Google Scholar] [CrossRef]
- Muhammad, C.; Onwudili, J.A.; Williams, P.T. Thermal degradation of real-world waste plastics and simulated mixed plastics in a two-stage pyrolysis-catalysis reactor for fuel production. Energy Fuels 2015, 29, 2601–2609. [Google Scholar] [CrossRef]
- Yoshioka, T.; Handa, T.; Grause, G.; Lei, Z.; Inomata, H.; Mizoguchi, T. Effects of metal oxides on the pyrolysis of poly(ethylene terephthalate). J. Anal. Appl. Pyrolysis 2005, 73, 139–144. [Google Scholar] [CrossRef]
- Wang, C.; Wang, H.; Fu, J.; Liu, Y. Flotation separation of waste plastics for recycling—A review. Waste Manag. 2015, 41, 28–38. [Google Scholar] [CrossRef] [PubMed]
- Richard, G.M.; Mario, M.; Susana, T. Optimization of the recovery of plastics for recycling by density media separation cyclones. Resour. Conserv. Recycl. 2011, 55, 472–482. [Google Scholar] [CrossRef]
- Lee, J.; Shin, J. Triboelectmstatic Separation of PVC Materials from Mixed Plastics for Waste Plastic Recycling. Korean J. Chem. Eng. 2002, 19, 267–272. [Google Scholar] [CrossRef]
- Pappa, G.; Boukouvalas, C.; Giannaris, C.; Ntaras, N.; Zografos, V.; Magoulas, K.; Lygeros, A.; Tassios, D. The selective dissolution/precipitation technique for polymer recycling: A pilot unit application. Resour. Conserv. Recycl. 2001, 34, 33–44. [Google Scholar] [CrossRef]
- Nauman, E.B.; Lynch, J.C. Polymer Recycling by Selective Dissolution. U.S. Patent 005278282A, 11 January 1994. [Google Scholar]
- Dong, J.; Tang, Y.; Nzihou, A.; Chi, Y.; Weiss-Hortala, E.; Ni, M. Life cycle assessment of pyrolysis, gasification and incineration waste-to-energy technologies: Theoretical analysis and case study of commercial plants. Sci. Total Environ. 2018, 626, 744–753. [Google Scholar] [CrossRef]
- Yu, S.; Su, W.; Wu, D.; Yao, Z.; Liu, J.; Tang, J.; Wu, W. Thermal treatment of flame retardant plastics: A case study on a waste TV plastic shell sample. Sci. Total Environ. 2019, 675, 651–657. [Google Scholar] [CrossRef]
- Xiong, J.; Yu, S.; Wu, D.; Lü, X.; Tang, J.; Wu, W.; Yao, Z. Pyrolysis treatment of nonmetal fraction of waste printed circuit boards: Focusing on the fate of bromine. Waste Manag. Res. 2020, 38, 1251–1258. [Google Scholar] [CrossRef]
- Shen, Y.; Zhao, R.; Wang, J.; Chen, X.; Ge, X.; Chen, M. Waste-to-energy: Dehalogenation of plastic-containing wastes. Waste Manag. 2016, 49, 287–303. [Google Scholar] [CrossRef]
- Baumgartner, A.J.; Blaschke, M.W.; Coleman, S.T.; Kohler, R.; Paxon, T.E. Feedstock Contaminants in Ethylene Plants—An Update. In Proceedings of the AIChE Spring Meeting and Global Congress on Process Safety, New Orleans, LA, USA, 27 March 2017. [Google Scholar]
- Cagnetta, G.; Zhang, K.; Zhang, Q.; Huang, J.; Yu, G. Mechanochemical pre-treatment for viable recycling of plastic waste containing haloorganics. Waste Manag. 2018, 75, 181–186. [Google Scholar] [CrossRef]
- Zhang, K.; Huang, J.; Zhang, W.; Yu, Y.; Deng, S.; Yu, G. Mechanochemical degradation of tetrabromobisphenol A: Performance, products and pathway. J. Hazard. Mater. 2012, 243, 278–285. [Google Scholar] [CrossRef] [PubMed]
- Grause, G.; Diego, J.; Tanaka, H.; Bhaskar, T.; Kameda, T.; Yoshioka, T. A novel process for the removal of bromine from styrene polymers containing brominated flame retardant. Polym. Degrad. Stab. 2015, 112, 86–93. [Google Scholar] [CrossRef]
- Jakab, E.; Uddin, A.; Bhaskar, T.; Sakata, Y. Thermal decomposition of flame-retarded high- impact polystyrene. J. Anal. Appl. Pyrolysis 2003, 69, 83–99. [Google Scholar] [CrossRef]
- Grause, G.; Ishibashi, J.; Kameda, T.; Bhaskar, T.; Yoshioka, T. Kinetic studies of the decomposition of flame retardant containing high-impact polystyrene. Polym. Degrad. Stab. 2010, 95, 1129–1137. [Google Scholar] [CrossRef]
- López, A.; De Marco, I.; Caballero, B.M.; Laresgoiti, M.F.; Adrados, A. Dechlorination of fuels in pyrolysis of PVC containing plastic wastes. Fuel Process. Technol. 2011, 92, 253–260. [Google Scholar] [CrossRef]
- Yanik, J.; Uddin, A.; Ikeuchi, K.; Sakata, Y. The catalytic effect of Red Mud on the degradation of poly (vinyl chloride) containing polymer mixture into fuel oil. Polym. Degrad. Stab. 2001, 73, 335–346. [Google Scholar] [CrossRef]
- Kuhlmann, B.; Arnett, E.M.; Siskin, M. Classical Organic Reactions in Pure Superheated Water. J. Org. Chem. 1994, 56, 3098–3101. [Google Scholar] [CrossRef]
- Li, T.; Zhao, P.; Lei, M.; Li, Z. Understanding Hydrothermal Dechlorination of PVC by Focusing on the Operating Conditions and Hydrochar Characteristics. Appl. Sci. 2017, 7, 256. [Google Scholar] [CrossRef] [Green Version]
- Wang, Y.; Wu, K.; Liu, Q.; Zhang, H. Low chlorine oil production through fast pyrolysis of mixed plastics combined with hydrothermal dechlorination pretreatment. Process Saf. Environ. Prot. 2021, 149, 105–114. [Google Scholar] [CrossRef]
- Nishibata, H.; Uddin, A.; Kato, Y. Simultaneous degradation and dechlorination of poly (vinyl chloride) by a combination of superheated steam and CaO catalyst/adsorbent. Polym. Degrad. Stab. 2020, 179, 109–225. [Google Scholar] [CrossRef]
- American Chemistry Council, Conversion Technology: A Complement to Plastic Recycling. 2011. Available online: https://plastics.americanchemistry.com/Plastics-to-Oil/ (accessed on 31 March 2022).
- Scheirs, J. Overview of commercial pyrolysis processes for waste plastics. In Feedstock Recycling and Pyrolysis of Waste Plastics: Converting Waste Plastics into Diesel and Other Fuels; Scheirs, J., Kaminsky, W., Eds.; John Wiley & Sons: New York, NY, USA, 2006; pp. 381–433. [Google Scholar]
- DeWhitt, K.C. Systems and Methods for Recycling Plastic. U.S. Patent 8193403B2, 5 June 2012. [Google Scholar]
- Baena-gonzález, J.; Santamaria-echart, A.; Luis, J.; González, S. Chemical recycling of plastic waste: Bitumen, solvents, and polystyrene from pyrolysis oil. Waste Manag. 2020, 118, 139–149. [Google Scholar] [CrossRef] [PubMed]
- Thahir, R.; Altway, A.; Juliastuti, S.R. Production of liquid fuel from plastic waste using integrated pyrolysis method with refinery distillation bubble cap plate column. Energy Rep. 2019, 5, 70–77. [Google Scholar] [CrossRef]
- Lee, D.; Nam, H.; Wang, S.; Kim, H.; Hwan, J.; Won, Y.; Wook, B.; Doo, Y.; Nam, H.; Lee, K.; et al. Characteristics of fractionated drop-in liquid fuel of plastic wastes from a commercial pyrolysis plant. Waste Manag. 2021, 126, 411–422. [Google Scholar] [CrossRef] [PubMed]
- Gray, M.R.; Mccaffrey, W.C. Role of Chain Reactions and Olefin Formation in Cracking, Hydroconversion, and Coking of Petroleum and Bitumen Fractions. Energy Fuels 2002, 16, 756–766. [Google Scholar] [CrossRef]
- Arandes, M.; Torre, I.; Azkoiti, M.J.; Castan, P.; Bilbao, J.; De Lasa, H. Effect of catalyst properties on the cracking of polypropylene pyrolysis waxes under FCC conditions. Catal. Today 2008, 135, 413–419. [Google Scholar] [CrossRef]
- Torre, I.; Arandes, J.M.; Castano, P.; Azkoiti, M.; Bilbao, J.; De Lasa, H.I. Catalytic Cracking of Plastic Pyrolysis Waxes with Vacuum Gasoil: Effect of HZSM-5 Zeolite in the FCC Catalyst. Int. J. Chem. React. Eng. 2006, 4, A31. [Google Scholar] [CrossRef]
- Lopez, G.; Artetxe, M.; Amutio, M.; Bilbao, J.; Olazar, M. Thermochemical routes for the valorization of waste polyolefinic plastics to produce fuels and chemicals. A review. Renew. Sustain. Energy Rev. 2017, 73, 346–368. [Google Scholar] [CrossRef]
- Gracida-Alvarez, U.R.; Winjobi, O.; Sacramento-Rivero, J.C.; Shonnard, D.R. System Analyses of High-Value Chemicals and Fuels from a Waste High-Density Polyethylene Refinery. Part 2: Carbon Footprint Analysis and Regional Electricity Effects. ACS Sustain. Chem. Eng. 2019, 7, 18267–18278. [Google Scholar] [CrossRef]
- Rodríguez, E.; Palos, R.; Gutiérrez, A.; Trueba, D.; Arandes, J.M.; Bilbao, J. Towards waste refinery: Co-feeding HDPE pyrolysis waxes with VGO into the catalytic cracking unit. Energy Convers. Manag. 2020, 207, 112554. [Google Scholar] [CrossRef]
- Lee, K. Effects of the types of zeolites on catalytic upgrading of pyrolysis wax oil. J. Anal. Appl. Pyrolysis 2012, 94, 209–214. [Google Scholar] [CrossRef]
- Wang, S.; Kim, H.; Lee, D.; Lee, Y.; Won, Y.; Wook, B.; Nam, H.; Ryu, H.; Lee, K. Drop-in fuel production with plastic waste pyrolysis oil over catalytic separation. Fuel 2021, 305, 121440. [Google Scholar] [CrossRef]
- Prado, G.H.C.; Rao, Y.; De Klerk, A. Nitrogen Removal from Oil: A Review. Energy Fuels 2017, 31, 14–36. [Google Scholar] [CrossRef]
- Ding, F.; Luo, C.; Zhang, H.; Xiong, L.; Chen, X.D. Hydrocracking of Polyolefin Thermal Cracking Waxes Over Ni-loaded Molecular Sieve Catalysts Hydrocracking of Polyolefin Thermal Cracking Waxes Over Ni-loaded Molecular Sieve Catalysts. Pet. Sci. Technol. 2015, 33, 1846–1852. [Google Scholar] [CrossRef]
- Mangesh, V.L.; Padmanabhan, S.; Tamizhdurai, P.; Narayanan, S.; Ramesh, A. Combustion and emission analysis of hydrogenated waste polypropylene pyrolysis oil blended with diesel. J. Hazard. Mater. 2020, 386, 121–453. [Google Scholar] [CrossRef]
- Serrano, D.P.; Escola, J.M.; Briones, L.; Arroyo, M. Hydroprocessing of the LDPE thermal cracking oil into transportation fuels over Pd supported on hierarchical ZSM-5 catalyst. Fuel 2017, 206, 190–198. [Google Scholar] [CrossRef]
- Vela, F.J.; Palos, R.; Trueba, D.; Bilbao, J.; Arandes, M. Different approaches to convert waste polyolefins into automotive fuels via hydrocracking with a NiW/HY catalyst. Fuel Process. Technol. 2021, 220, 106891. [Google Scholar] [CrossRef]
- Escola, J.M.; Aguado, J.; Serrano, D.P.; García, A.; Peral, A.; Briones, L.; Calvo, R.; Fernandez, E. Catalytic hydroreforming of the polyethylene thermal cracking oil over Ni supported hierarchical zeolites and mesostructured aluminosilicates. Appl. Catal. B Environ. 2011, 106, 405–415. [Google Scholar] [CrossRef]
- Escola, J.M.; Aguado, J.; Serrano, D.P.; Briones, L.; De Tuesta, J.L.D.; Calvo, R.; Fernandez, E. Conversion of Polyethylene into Transportation Fuels by the Combination of Thermal Cracking and Catalytic Hydroreforming over Ni-Supported Hierarchical Beta Zeolite. Energy Fuels 2012, 26, 3187–3195. [Google Scholar] [CrossRef]
- Escola, J.M.; Aguado, J.; Serrano, D.P.; Briones, L. Hydroreforming over Ni/H-beta of the thermal cracking products of LDPE, HDPE and PP for fuel production. J. Mater. Cycles Waste Manag. 2020, 14, 286–293. [Google Scholar] [CrossRef]
- Miller, S.; Shah, N.; Huffmann, G. Production of Premium Oil Products from Waste Plastic by Pyrolysis and Hydroprocessing. In Feedstock Recycling and Pyrolysis of Waste Plastics; Scheirs, J., Kaminsky, W., Eds.; John Wiley & Sons: New York, NY, USA, 2006; pp. 345–362. [Google Scholar]
- Lingaiah, N.; Uddin, A.; Muto, A.; Imai, T.; Sakata, Y. Removal of organic chlorine compounds by catalytic dehydrochlorination for the refinement of municipal waste plastic derived oil. Fuel 2001, 80, 1901–1905. [Google Scholar] [CrossRef]
- Ates, N.; Uzal, N. Removal of heavy metals from aluminium anodic oxidation wastewaters by membrane filtration. Environ. Sci. Pollut. Res. 2018, 25, 22259–22272. [Google Scholar] [CrossRef]
- Blasco, T.; Chica, A.; Corma, A.; Murphy, W.J.; Agúndez-rodríguez, J.; Pérez-pariente, J. Changing the Si distribution in SAPO-11 by synthesis with surfactants improves the hydroisomerization/dewaxing properties. J. Catal. 2006, 242, 153–161. [Google Scholar] [CrossRef]
- Jung, S.; Cho, M.; Kang, B.; Kim, J. Pyrolysis of a fraction of waste polypropylene and polyethylene for the recovery of BTX aromatics using a fluidized bed reactor. Fuel Process. Technol. 2010, 91, 277–284. [Google Scholar] [CrossRef]
- Bernardo, M.; Lapa, N.; Gonçalves, M.; Barbosa, R.; Mendes, B.; Pinto, F.; Gulyurtlu, I. Toxicity of char residues produced in the co-pyrolysis of different wastes. Waste Manag. 2010, 30, 628–635. [Google Scholar] [CrossRef]
- Bernardo, M.; Lapa, N.; Gonc, M.; Mendes, B.; Pinto, F.; Fonseca, I.; Lopes, H. Physico-chemical properties of chars obtained in the co-pyrolysis of waste mixtures. J. Haza. 2012, 220, 196–202. [Google Scholar] [CrossRef]
- Sharuddin, S.D.A.; Abnisa, F.; Daud, W.M.A.W.; Aroua, M. Pyrolysis of plastic waste for liquid fuel production as prospective energy resource. In IOP Conference Series: Materials Science and Engineering; IOP Publishing: Bristol, UK, 2018. [Google Scholar] [CrossRef]
- Al-salem, S.M. Thermal pyrolysis of high density polyethylene (HDPE) in a novel fixed bed reactor system for the production of high value gasoline range hydrocarbons (HC). Process Saf. Environ. Prot. 2019, 127, 171–179. [Google Scholar] [CrossRef]
- Panda, A.; Singh, R.K. Experimental Optimization of Process for the Thermo-catalytic Degradation of Waste Polypropylene to Liquid Fuel. Adv. Energy Eng. 2013, 1, 74–84. [Google Scholar]
- Rehan, M.; Miandad, R.; Barakat, M.A.; Ismail, I.M.I.; Almeelbi, T.; Gardy, J.; Hassanpour, A.; Khan, M.Z.; Demirbas, A.; Nizami, A.S. Effect of zeolite catalysts on pyrolysis liquid oil. Int. Biodeterior. Biodegrad. 2017, 119, 162–175. [Google Scholar] [CrossRef]
- Mangesh, V.L.; Padmanabhan, S.; Tamizhdurai, P.; Ramesh, A. Experimental investigation to identify the type of waste plastic pyrolysis oil suitable for conversion to diesel engine fuel. J. Clean. Prod. 2020, 246, 119066. [Google Scholar] [CrossRef]
- Singh, R.K.; Ruj, B.; Sadhukhan, A.K.; Gupta, P.; Tigga, V.P. Waste plastic to pyrolytic oil and its utilization in CI engine: Performance analysis and combustion characteristics. Fuel 2020, 262, 116539. [Google Scholar] [CrossRef]
- Zhang, Y.; Wu, C.; Nahil, M.A.; Williams, P. Pyrolysis−Catalytic Reforming/Gasification of Waste Tires for Production of Carbon Nanotubes and Hydrogen. Energy Fuels 2015, 29, 3328–3334. [Google Scholar] [CrossRef]
- Zahid, M.U.; Pervaiz, E.; Hussain, A.; Shahzad, M.I.; Bilal, M.; Niazi, K. Synthesis of carbon nanomaterials from different pyrolysis techniques: A review Synthesis of carbon nanomaterials from different pyrolysis techniques: A review. Mater. Res. Express 2018, 5, 052002. [Google Scholar] [CrossRef]
- Ansari, R.; Hasrati, E.; Shojaei, M.F.; Gholami, R.; Shahabodini, A. Forced vibration analysis of functionally graded carbon nanotube-re-inforced composite plates using a numerical strategy. Phys. E Low-Dimens. Syst. Nanostruct. 2015, 69, 294–305. [Google Scholar] [CrossRef]
- Maiti, S.; Banerjee, P.; Purakayastha, S.; Ghosh, B. Silicon-doped carbon semiconductor from rice husk char. Mater. Chem. Phys. 2008, 109, 169–173. [Google Scholar] [CrossRef]
- Gong, J.; Chen, X.; Tang, T. Recent progress in controlled carbonization of (waste) polymers. Prog. Polym. Sci. 2019, 94, 1–32. [Google Scholar] [CrossRef]
- Azara, A.; Belbessai, S.; Abatzoglou, N. A review of filamentous carbon nanomaterial synthesis via catalytic conversion of waste plastic pyrolysis products. J. Environ. Chem. Eng. 2022, 10, 107049. [Google Scholar] [CrossRef]
- Yao, D.; Wu, C.; Yang, H.; Zhang, Y.; Nahil, M.A.; Chen, Y.; Williams, P.T.; Chen, H. Co-production of hydrogen and carbon nanotubes from catalytic pyrolysis of waste plastics on Ni-Fe bimetallic catalyst. Energy Convers. Manag. 2017, 148, 692–700. [Google Scholar] [CrossRef]
- Yao, D.; Yang, H.; Hu, Q.; Chen, Y.; Chen, H.; Williams, P.T. Carbon nanotubes from post-consumer waste plastics: Investigations into catalyst metal and support material characteristics. Appl. Catal. B Environ. 2020, 280, 119–413. [Google Scholar] [CrossRef]
- Williams, P.T. Hydrogen and Carbon Nanotubes from Pyrolysis-Catalysis of Waste Plastics: A Review. Waste Biomass Valoriz. 2020, 12, 1–28. [Google Scholar] [CrossRef] [Green Version]
- Acomb, J.C.; Wu, C.; Williams, P.T. Environmental Control of steam input to the pyrolysis-gasification of waste plastics for improved production of hydrogen or carbon nanotubes. Appl. Catal. B Environ. 2014, 147, 571–584. [Google Scholar] [CrossRef]
- Ahamed, A.; Veksha, A.; Yin, K.; Weerachanchai, P.; Giannis, A. Environmental impact assessment of converting flexible packaging plastic waste to pyrolysis oil and multi-walled carbon nanotubes. J. Hazard. Mater. 2020, 390, 121449. [Google Scholar] [CrossRef] [PubMed]
- Miandad, R.; Kumar, R.; Barakat, M.A.; Basheer, C.; Aburiazaiza, A.S.; Nizami, A.S.; Rehan, M. Untapped conversion of plastic waste char into carbon-metal LDOs for the adsorption of Congo red. J. Colloid Interface Sci. 2018, 511, 402–410. [Google Scholar] [CrossRef] [PubMed]
- Acosta, R.; Nabarlatz, D.; Jagiello, J.; Gadonneix, P.; Celzard, A. Adsorption of Bisphenol A on KOH-activated tyre pyrolysis char. J. Environ. Chem. Eng. 2018, 6, 823–833. [Google Scholar] [CrossRef]
- Singh, E.; Kumar, A.; Khapre, A.; Saikia, P.; Kumar, S. Efficient removal of arsenic using plastic waste char: Prevailing mechanism and sorption performance. J. Water Process Eng. 2020, 33, 101095. [Google Scholar] [CrossRef]
- Sogancioglu, M.; Yel, E.; Ahmetli, G. Behaviour of waste polypropylene pyrolysis char-based epoxy composite materials. Environ. Sci. Pollut. Res. 2020, 27, 3871–3884. [Google Scholar] [CrossRef] [PubMed]
- Jamradloedluk, J.; Lertsatitthanakorn, C. Characterization and Utilization of Char Derived from Fast Pyrolysis of Plastic Wastes. Procedia Eng. 2014, 69, 1437–1442. [Google Scholar] [CrossRef] [Green Version]
- Williams, E.A.; Williams, P.T. Analysis of products derived from the fast pyrolysis of plastic waste. J. Anal. Appl. Pyrolysis 1997, 41, 347–363. [Google Scholar] [CrossRef]
- Mastral, F.; Esperanza, E.; García, P.; Juste, M. Pyrolysis of high-density polyethylene in a fluidised bed reactor. Influence of the temperature and residence time. J. Anal. Appl. Pyrolysis 2002, 63, 1–15. [Google Scholar] [CrossRef]
- Mastral, F.J.; Esperanza, E.; Berrueco, C.; Juste, M.; Ceamanos, J. Fluidized bed thermal degradation products of HDPE in an inert atmosphere and in air-nitrogen mixtures. J. Anal. Appl. Pyrolysis 2003, 70, 1–17. [Google Scholar] [CrossRef]
- Santos, E.; Rijo, B.; Lemos, F.; Lemos, M.A.N.D.A. A catalytic reactive distillation approach to high density polyethylene pyrolysis—Part 1—Light olefin production. Chem. Eng. J. 2019, 378, 122077. [Google Scholar] [CrossRef]






| Process | Heating Rate | Residence Time | Temperature (°C) | Major Products |
|---|---|---|---|---|
| Slow carbonization | Very low | days | 450–600 | Charcoal |
| Slow pyrolysis | <5 °C/s | 10–60 min | 450–600 | Char, oil |
| Fast pyrolysis | 10–200 °C/s | 0.5–5 s | 550–650 | Oil |
| Flash pyrolysis | 1000 °C/s | <1 s | 450–900 | Oil, gas |
| Feedstock | Reactor and Operating Conditions | Product Distribution (wt%) | PIONA (wt%) | Main Contaminants |
|---|---|---|---|---|
| Post-consumer plastic waste (~88% PP, ~12% PE) [15] | Continuous stirred tank reactor (CSTR) 450 °C Atmospheric pressure Feeding rate: 1 kg/h | Liquid (wax): 87 Gas: 9 Solid: 3 | Liquid oil n-Parraffins:3.1 α-Olefins: 6 Diolefins: 19.5 Aromatics: 1 Isoparaffins: 4.7 Iso-olefins: 62.7 Naphthenes: 3 Gas: NR | Fe: 21 ppmw Na: 114 ppmw Pb: 6 ppmw Si: 43 ppmw Cl: 137 ppmw |
| Post-consumer plastic waste (~46% PP, ~53% PE and ~1% others) [15] | Continuous stirred tank reactor (CSTR) 450 °C Atmospheric pressure Feeding rate: 1 kg/h | Liquid (wax): 89 Gas: 7 Solid: 3 | Liquid oil n-Parraffins: 14 α-Olefins: 12.9 Diolefins: 7.6 Aromatics: 13.6 Isoparaffins: 5.8 Iso-olefins: 39 Naphthenes: 7.1 Gas: NR | Ca: 17 ppmw Na: 82 ppmw Pb: 5 ppmw Si: 28 ppmw Cl: 474 ppmw |
| Post-consumer plastic waste (~1% PP, ~97% PE and ~2% others) [15] | Continuous stirred tank reactor (CSTR) 450 °C Atmospheric pressure Feeding rate: 1 kg/h | Liquid (wax): 85 Gas: 10 Solid: 5 | Liquid oil n-Parraffins: 34.4 α-Olefins: 25.5 Diolefins: 4.3 Aromatics: 3.9 Isoparaffins: 6.5 Iso-olefins: 13.8 Naphthenes: 11.6 Gas: NR | Fe: 3 ppmw Na: 82 ppmw Pb: 4 ppmw Si: 47 ppmw O: 2100 ppmw Cl: 143 ppmw |
| Plastic solid waste (PE, PP, PS and PA) and traces of food residuals [26] | Fast pyrolysis, 430 °C, Atmospheric pressure, Vapour residence time: 1 s. | NR | Liquid oil n-Parraffins: 5 α-Olefins: 12.3 Isoparaffins: 8.2 Aromatics: 67.1 Gas n-Parraffins: 22.3 Isoparaffins: 27.6 Naphthenes: 21.0 Aromatics: 27.1 | Nitrogen-containing compounds: 6.4 wt% Sulfur-containing compounds 0.6 wt% Oxygen-containing compounds 2.5 wt% |
| Elements | Plastic Pyrolysis Oil (PPO) [15] | Vacuum Gas Oil (VGO) [31] | Light Cycle Oil (LCO) [32] | Steam Cracker Feedstock |
|---|---|---|---|---|
| Hydrocarbons (wt%) | ||||
| Paraffins | 19.8 | 8.49 | 22.3 | 41.7 1 |
| Olefins | 59.5 | - | - | - |
| Naphthenes | 7.1 | 29.16 | 15.9 | 46.2 1 |
| Aromatics | 13.6 | 62.34 | 61.8 | 12.1 1 |
| Contaminants (wt%) | ||||
| S | 0.0046 | 1.17 | 0.1771 | 0.5 2 |
| N | 0.1143 | 0.23 | 0.1375 | Light feedstock: 0.01 2, heavy feedstock: 0.2 |
| O | <0.1 | NR | NR | 0.1 2 |
| Other contaminants (ppm) | ||||
| Cl | 474 | NR | NR | 3 2 |
| Si | 28 | NR | NR | 1 2 |
| Na | 82 | NR | NR | 0.125 2 |
| Element | N | S | O | Cl | Al | Ca | Cu | Fe | K | Mg | Mn | Na | Si | Zn |
|---|---|---|---|---|---|---|---|---|---|---|---|---|---|---|
| Units | (wt%) | (ppmw) | ||||||||||||
| Solid waste | 0.2 | <0.1 | 0.3 | 3600 | 387.5 | 1599.7 | 22.3 | 120 | 158.1 | 139.0 | 0.3 | 254.5 | 80.8 | 33.3 |
| Pyrolysis oil | 0.1143 | 0.0046 | <0.1 | 474 | 273.5 | 16.6 | 2.1 | - | 36.2 | 54.1 | 0.2 | 82.1 | 27.6 | 4.6 |
| Feedstock | Catalyst/Sorbent | Reactor and Operating Conditions | PIONA | Undesired Elements/Compounds in PPO (ppm) | Relevant Remarks |
|---|---|---|---|---|---|
| Municipal plastic waste (MPW) Miskolczi et al. [50,55] | No catalyst | Batch reactor, 500 °C, ratio of catalyst to MPW: 1/10 | 20% paraffins 23% olefins | S: 51 Cl: 618 Ca: 297 Zn: 124 Br: 253 Sb: 105 | Presence of 926 ppm of Cl and 520 ppm of Br in the gas |
| Y-zeolite | 11.5% paraffins 18% olefins | S: 34 Cl: 457 Ca: 282 Zn: 146 Br: 194 Sb: 99 | Presence of 1355 ppm of Cl and 594 ppm of Br in the gas | ||
| β-zeolite | 4.5% paraffins 9.8% olefins | S: 37 Cl: 399 Ca: 273 Zn: 128 Br: 201 Sb: 114 | Presence of 1291 ppm of Cl and 601 ppm of Br in the gas | ||
| FCC | NR | S: 44 Cl: 422 Ca: 291 Zn: 117 Br: 205 Sb: 128 | Presence of 1166 ppm of Cl and 552 ppm of Br in the gas | ||
| MoO3 | 22.2% paraffins 25% olefins | S: 42 Cl: 451 Ca: 299 Zn: 140 Br: 185 Sb: 91 | Presence of 1352 ppm of Cl and 596 ppm of Br in the gas | ||
| Ni-Mo-catalyst | 15% paraffins 26.8% olefins | S: 39 Cl: 416 Ca: 281 Zn: 129 Br: 219 Sb: 113 | Presence of 1403 ppm of Cl and 591 ppm of Br in the gas | ||
| HZSM-5 | 18.5% paraffins 23.7% olefins | S: 42 Cl: 487 Ca: 304 Zn: 132 Br: 266 Sb: 104 | Presence of 1210 ppm of Cl and 555 ppm of Br in the gas | ||
| Al(OH)3 | 10% paraffins 15% olefins | S: 29 Cl: 372 Ca: 295 Zn: 127 Br: 201 Sb: 97 | Presence of 594 ppm of Cl and 407 ppm of Br in the gas | ||
| PP/PE/PS/PVC/ABS-Br (3/3/2/1/1) Brebu et al. [56] | No catalyst | Single-step fixed-bed reactor, 450 °C | High amounts of aromatics More than 50% of PPO is benzene derivatives (n-C8 n-C10) | Cl: 4972 Br: 1924 N: 1214 | Bromine compounds: bromomethane, bromobutane, bromophenol and dibromophenol |
| α-FeOOH | Cl: 3370 Br: 170 N: 840 | More effective in Br removal | |||
| Fe-C | Cl: 1014 Br: 170 N: 981 | Faster degradation and highest amount of oil (67 wt%) | |||
| Ca-C | Cl: 113 Br: 418 N: 1370 | More effective in Cl removal | |||
| CaCO3 | Cl: 355 Br: 1161 N: 1078 | More effective in Cl removal | |||
| MPW Lopez-Urionabarrenechea et al. [57] | No catalyst | Semi-batch reactor, 440 °C | NR | Cl in liquid: 0.2% Cl in gas: 5.3% Cl in solid: <0.1% | |
| ZSM-5 | Conventional catalytic pyrolysis Semi-batch reactor, 440 °C | 95.1% aromatics 2.8% olefins | Cl in liquid: 1.2% Cl in gas: 1% Cl in solid: 0.4% | 81.5% of C5–C9 compounds | |
| Stepwise pyrolysis, 300 °C for 60 min then 440 °C | 80.6% aromatic 4.8% olefins | Cl in liquid: 0.3% Cl in gas: 3% Cl in solid: 0.4% | 74.4% of C5-C9 compounds More ˃C13 compounds Loss of catalyst activity | ||
| Non-catalytic dechlorination + catalytic pyrolysis | 94.2% aromatics 3.3% olefins | Cl in liquid: 0.3% Cl in gas: 2.2% Cl in solid: 0.4% | 82.0% of C5–C9 compounds | ||
| PC/PP (1/3) Sun et al. [51] | HZSM-5 | Two-staged tubular furnace, 500 °C | 95.8% aromatics 4.2% oxygenates | Phenols: 4.2% Furans: 0% Ethers: 0% | The aromatics yield reached 98.1% at 700 °C The presence of PP improved the deoxygenation effect of oxygenate compounds |
| MPW Miskolczi and Ates [45] | No catalyst | Stirred batch reactor, 500 °C | 32.8% paraffins 49.5% olefins 9.7% aromatics 4.0% naphthenes 4.0% oxygenates | Cl: 1285 Br: 1533 P: 498 S: 71 Sb: 189 | Oil density (at 20 °C): 0.848 g/cm3 Oil viscosity at 40 °C: 133 mPa·s |
| β-zeolite | 31.8% paraffins 47.3% olefins 3.5% aromatics 4.3% naphthenes 3.1% oxygenates | Cl: 1273 Br: 1563 P: 574 S: 51 Sb: 179 | Oil density (at 20 °C): 0.814 g/cm3 Oil viscosity at 40 °C: 113 mPa·s High efficiency in increasing volatile yields | ||
| y-zeolite | 32.0% paraffins 49.1% olefins 3.1% aromatics 4.5% naphthenes 3.0% oxygenates | Cl: 1322 Br: 1407 P: 663 S: 57 Sb: 173 | Oil density, g/cm3 (at 20 °C): 0.822 Oil viscosity at 40 °C, mPas: 119 | ||
| Ni-Mo-catalysts | 31.4% paraffins 49.0% olefins 2.8% aromatics 5.8% naphthenes 2.8% oxygenates | Cl: 1135 Br: 1522 P: 582 S: 65 Sb: 164 | Oil density (at 20 °C): 0.828 g/cm3 Oil viscosity at 40 °C: 126 mPa·s Increases H2 production | ||
| MPW + heavy oil (1/3) Miskolczi and Ates [45] | No catalyst | Stirred batch reactor, 500 °C | 34.9% paraffins 52.1% olefins 9.1% aromatics 1.8% naphthenes 2.1% oxygenates | Cl: 173 Br: 264 P: 115 S: 16 Sb: 47 | Oil density (at 20 °C): 0.832 g/cm3 Oil viscosity at 40 °C: 216 mPa·s |
| β-zeolite | 27.2% paraffins 47.4% olefins 9.8% aromatics 4.1% naphthenes 2.0% oxygenates | Cl: 210 Br: 385 P: 117 S: 14 Sb: 43 | Oil density, g/cm3 (at 20 °C): 0.782 Oil viscosity at 40 °C: 168 mPa·s | ||
| y-zeolite | 30.1% paraffins 46.7% olefins 11.5% aromatics 2.7% naphthenes 2.3% oxygenates | Cl: 214 Br: 326 P: 94 S: 15 Sb: 37 | Oil density (at 20 °C): 0.787 g/cm3 Oil viscosity at 40 °C: 181 mPa·s | ||
| Ni-Mo-catalysts | 34.6% paraffins 46.2% olefins 9.0% aromatics 4.0 naphthenes 2.4% oxygenates | Cl: 195 Br: 279 P: 102 S: 9 Sb: 51 | Oil density (at 20 °C): 0.792 g/cm3 Oil viscosity at 40 °C, mPas: 202 |
| 2D-GC Technique | Column Arrangement | Columns Used | Molecules Detected | Reference |
|---|---|---|---|---|
| GC × GC-FID | NP | Two plot columns: PTMSP poly-(1-trimethylsily-1-propyne) GASPRO silica | Saturated and unsaturated hydrocarbons from C3–C8 | [75] |
| GC × GC-FID | NP | RTX-1 PONA (Dimethyl polysiloxane) BPX-50 (50% phenyl polysilphenylene-siloxane) | Diolefins, iso-olefins, mononaphthenes, n-paraffins, iso-paraffins and monoaromatics from diesel fraction | [26,34,76,77] |
| RP | Stabilwax (polyethylene glycol) Rxi-5 ms (5% diphenyl 95% dimethyl polysiloxane) | Diolefins, iso-olefins, mononaphthenes, n-paraffins, iso-paraffins and monoaromatics from diesel fraction | [77] | |
| GC × GC-NCD (nitrogen chemiluminescence detector) | NP | RTX-1 PONA (Dimethyl polysiloxane) BPX-50 (50% phenyl polysilphenylene-siloxane) | Nitrogen compounds | [15,26] |
| GC × GC-SCD (sulfur chemiluminescence detector) | NP | RTX-1 PONA (Dimethyl polysiloxane) BPX-50 (50% phenyl polysilphenylene-siloxane) | Sulfur compounds | [15,26] |
| GC × GC-ToF-MS (time of flight MS) | RP | RTX-1 PONA (Dimethyl polysiloxane) BPX-50 (50% phenyl polysilphenylene-siloxane) | Oxygenated compounds | [26] |
| Temperature (°C) | Plate I | Plate II | Plate III | Plate IV |
|---|---|---|---|---|
| 500–560 | Gasoline | Gasoline | - | - |
| 580–600 | Kerosene | Gasoline | Gasoline | - |
| 620–650 | Diesel-wax | Kerosene | Gasoline | Gasoline |
| Elements | Naphtha | Diesel | PPO a |
|---|---|---|---|
| PIONA (wt%) | |||
| Paraffins | 15 | 28 | 5 |
| Isoparaffins | 2 | 4 | 8.2 |
| α-olefins | 35 | 36 | 12.3 |
| Iso-olefins | 9 | 9 | - |
| Diolefins | 4 | 4 | - |
| Naphthenes | 26 | 17 | - |
| Aromatics | 9 | 2 | 67.1 |
| Elemental composition (wt%) | |||
| C | 85.93 | 85.51 | 88 |
| H | 13.93 | 14.49 | 10.9 |
| S | 0.021 | 0.001 | 0.17 |
| N | 0.003 | ND | 1.06 |
| O | 0.14 | 0.01 | 0.35 |
| Feedstock | Reactor Type | Pressure (atm) | Catalyst | Temperature (°C) | Main Results |
|---|---|---|---|---|---|
| LDPE pyrolysis oil (~47.7 wt% gasoline (C5–C12), ~36.2 wt% light diesel (C13–C18), ~16.1 wt% heavy diesel (C19–C40) [120] | Stirred autoclave reactor | 20 | Pd/h-ZSM-5 | 250 | Reduction of gasoline fraction through oligomerization and increasing the share of light and heavy diesel up to 41.8 wt% and 20.3 wt%, respectively |
| 310 | Light diesel decreases to 26.2 wt% High production of isoparaffins (34.5 wt%) through hydroisomerization | ||||
| 350 | Cracking is dominant, producing 11.5 wt% of gases and 56.6 wt% of gasoline High production of aromatics (24.2 wt%) | ||||
| HDPE pyrolysis oil (26.5 wt% naphtha, 33.1 wt% LCO, 40.4 wt% HCO) [121] | Stirred tank reactor (STR) in semi-batch regime | 80 | NiW/HY | 400 | Product distribution: LCO (~28 wt%), naphtha (~29 wt%) and gas (~10.4 wt%) |
| 420 | Product distribution: LCO (~23.3 wt%), naphtha (~35 wt%) and gas (~30.3 wt%) | ||||
| 440 | Product distribution: LCO (~14.3 wt%), naphtha (~30.8 wt%) and gas (45.9 wt%) Naphta rich in isoparaffins and one-ring aromatics | ||||
| PP pyrolysis oil (67 wt% alkanes, 20 wt% alkenes and traces of aromatics) [119] | Autoclave reactor | 70 | Ni/ZSM-5 | 350 | Complete conversion of alkenes to alkanes, hydrogenated PP oil contained 97% alkanes. Alkanes distribution: 8.3 wt% (C1–C10), 63 wt% (C10–C20), 25 wt% (C20–C30) |
| LDPE pyrolysis oil (48 wt% gasoline, 35 wt% diesel and 15 wt% heavy diesel) [122] | Stirred autoclave reactor | 20 | Ni/h-ZSM-5, Ni/h-Beta, Ni/Al-MCM-41, Ni/Al-SBA-15 | 310 | Complete hydrogenation of alkenes for all catalysts except Ni/h-ZSM-5, due to its high cracking activity. |
| LDPE pyrolysis products [123] | Stirred autoclave reactor | 5–40 | Ni/h-β | 250–350 | Higher temperatures promote aromatization reactions Higher pressures promote hydrogenation of olefins and Saturation of more than 80% of olefins |
| Polyolefins pyrolysis oil [124] | Stirred autoclave reactor | 20 | Ni/h-β | 310 | Saturation of more than 90% of olefins Amount of gasoline + light diesel was within 80–85% |
| Parameter | PPO | Hydrogenated PPO | Diesel |
|---|---|---|---|
| Density (kg/m3) | 771.4 | 851.5 | 837.5 |
| Pour point (°C) | −30 | −20 | −15 |
| Flash point (°C) | 20 | 65 | 72 |
| Fire point (°C) | 30 | 72 | 82 |
| Calculated cetane index (N/A) | 60 | 62 | 52 |
| Kinematic viscosity at 40 °C (mm2/s) | 1.78 | 3.5 | 2.31 |
| Gross calorific value (KJ/kg) | 44,957 | 44,915 | 45,593 |
| Ash content (%) | 0.01 | 0.01 | 0.01 |
| Conradson carbon residue (%) | 0.10 | 0.10 | 0.18 |
Publisher’s Note: MDPI stays neutral with regard to jurisdictional claims in published maps and institutional affiliations. |
© 2022 by the authors. Licensee MDPI, Basel, Switzerland. This article is an open access article distributed under the terms and conditions of the Creative Commons Attribution (CC BY) license (https://creativecommons.org/licenses/by/4.0/).
Share and Cite
Belbessai, S.; Azara, A.; Abatzoglou, N. Recent Advances in the Decontamination and Upgrading of Waste Plastic Pyrolysis Products: An Overview. Processes 2022, 10, 733. https://doi.org/10.3390/pr10040733
Belbessai S, Azara A, Abatzoglou N. Recent Advances in the Decontamination and Upgrading of Waste Plastic Pyrolysis Products: An Overview. Processes. 2022; 10(4):733. https://doi.org/10.3390/pr10040733
Chicago/Turabian StyleBelbessai, Salma, Abir Azara, and Nicolas Abatzoglou. 2022. "Recent Advances in the Decontamination and Upgrading of Waste Plastic Pyrolysis Products: An Overview" Processes 10, no. 4: 733. https://doi.org/10.3390/pr10040733
APA StyleBelbessai, S., Azara, A., & Abatzoglou, N. (2022). Recent Advances in the Decontamination and Upgrading of Waste Plastic Pyrolysis Products: An Overview. Processes, 10(4), 733. https://doi.org/10.3390/pr10040733

