Next Article in Journal
Dynamic High-Type Interval Type-2 Fuzzy Logic Control for Photoelectric Tracking System
Previous Article in Journal
Evaluation Residual Compressive Strength of Tunnel Lining Concrete Structure after Fire Damage Based on Ultrasonic Pulse Velocity and Shear-Wave Tomography
Previous Article in Special Issue
Design of a High Efficiency High Step-Up/Step-Down Bidirectional Isolated DC–DC Converter
 
 
Font Type:
Arial Georgia Verdana
Font Size:
Aa Aa Aa
Line Spacing:
Column Width:
Background:
Article

Analysis and Implementation of a Bidirectional Converter with Soft Switching Operation

Department of Electrical Engineering, NYUST, Yunlin 640, Taiwan
Processes 2022, 10(3), 561; https://doi.org/10.3390/pr10030561
Submission received: 24 February 2022 / Revised: 10 March 2022 / Accepted: 10 March 2022 / Published: 13 March 2022
(This article belongs to the Special Issue Power Electronic for Photovoltaic Systems)

Abstract

:
This paper presents a soft switching direct current (DC) converter, with the benefits of bidirectional power conversion and wide-ranging voltage operation for battery charging and discharging capability. A series resonant circuit with variable switching frequency modulation is used to achieve the advantages of soft switching turn-on or turn-off of semiconductor devices. Therefore, the switching power losses in power devices can be reduced. A symmetric resonant circuit topology with a capacitor–inductor–inductor–capacitor (CLLC) structure is adopted to achieve a bidirectional power conversion capability for battery storage units in electric vehicle applications. Due to the symmetric circuit structure on both input and output sides, the converter has similar voltage gains for each power flow operation. In order to overcome the drawback of narrow voltage range operation in conventional resonant converters, a variable transformer turns ratio is adopted in the circuit, to achieve wide output voltage operation (150–450 V) for battery charging applications. To demonstrate the converter performance, a 1-kW laboratory prototype was constructed and tested. Experimental results are provided, to verify the effectiveness of the studied circuit.

1. Introduction

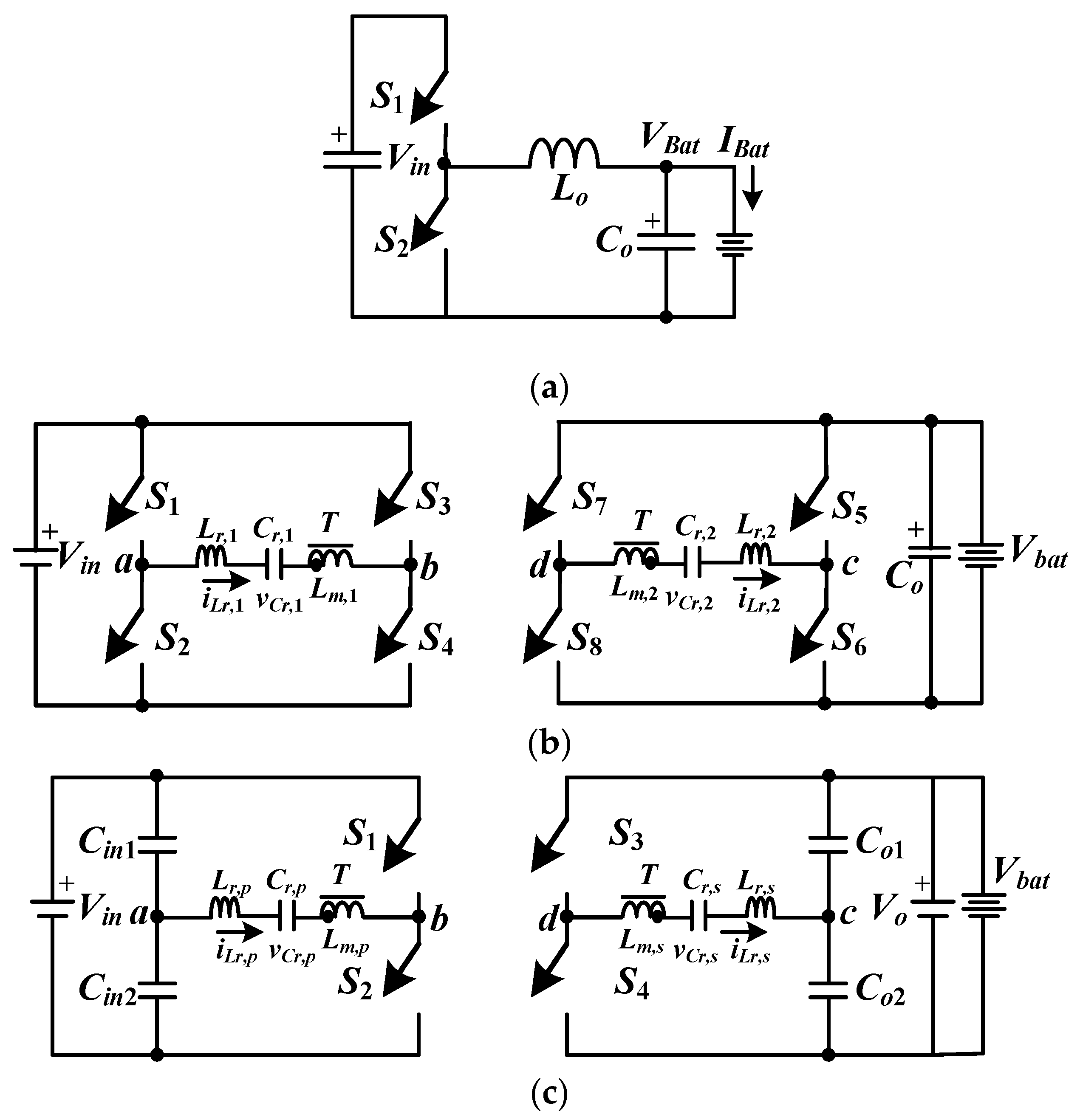
Power converters with bidirectional power flow have been widely utilized between AC and DC grid systems and battery storage systems. Three-phase AC/DC bidirectional power factor correctors (PFC) [1,2] and DC/DC bidirectional converters [3,4,5] are adopted to realize forward and reverse power flow operations between AC grid and DC grid systems. The same circuit structures can be used for electric vehicle (EV) systems, to achieve vehicle-to-grid (V2G) and grid-to-vehicle (G2V) operations. The main advantages of AC/DC PFC are high power factor and low current harmonics. The bidirectional DC/DC converters can realize forward/reverse power operations between the different DC voltage buses, such as battery storage systems or EV battery units [6]. For renewable energy applications [7,8], wide voltage DC/DC and AC/DC converters are required in solar power and wind power conversion, respectively, due to unstable solar intensity and wind speed. The basic circuit topologies of a bidirectional AC/DC converter are based on four or six three-leg active switches. These AC/DC converters can be controlled in PFC operation under forward power flow, or inverter operation under reverse power flow. The buck/boost DC/DC converter is the basic topology for accomplishing bidirectional power conversion. Buck (boost) operation is controlled under forward (reverse) power flow. However, a buck/boost converter has no electric isolation.
In [9], a pulse-width modulation converter was presented, to realize a bidirectional power flow capability with voltage step-down/step-up features during forward/backward power flow. However, a PWM converter cannot achieve both voltage step up/down demands under both power flow directions. The same drawback can be found in bidirectional inductor–inductor–capacitor (LLC) resonant converters with synchronous switches on the secondary side. In references [10,11], symmetric PWM converters with two full bridge circuit structures were studied, to accomplish bidirectional power flow with PWM modulation and phase-shift angle control between two full bridge circuits with a load voltage range Vo = 300–450 V. However, two control variables (phase angle and duty cycle) are needed, so the control complexity is increased. In references [12,13,14], resonant converters with a capacitor–inductor–inductor–capacitor (CLLC) circuit structure were studied, to realize bidirectional power operation with pulse frequency modulation for electric EV or energy storage unit applications. The main advantage of this circuit topology is the symmetric circuit structure on the primary and secondary sides, to achieve voltage step up/down operations in both power flow directions. However, the CLLC converters has less voltage gain and the output voltage range is limited, such as to Vin = 400–600 V and Vo = 300–450 V. For the wide voltage variation conditions in solar power and wind power applications, the power converters are normally required to overcome wide solar intensity or wind speed variations. In references [15,16,17,18,19], two-stage converters and PWM or resonant converters with series-parallel connection were studied, to achieve wide voltage operation. However, these circuit topologies can only achieve forward power operation.
In order to overcome the drawbacks of the above circuit topologies, a new DC converter is provided, to implement soft switching operation, a wide voltage output capability (150~450 V), and bidirectional power flow for energy storage units, bidirectional DC nano-grid systems, and battery charge/discharge systems. A CLLC resonant converter is adopted in both input and output sides, to have bidirectional power conversion capability. The load voltage control is regulated by a frequency modulation scheme. Due to the resonant circuit characteristics, the power semiconductors are all turned on or turned off under zero voltage or zero current conditions, to achieve low switching loss. To extend the output voltage operating range, one additional power switch and a variable transformer turns ratio are adopted on the primary side. Thus, the proposed converter can be operated in two operation regions, with a low (high) transformer turns ratio for high (low) voltage output operation. Therefore, the studied circuit can overcome the narrow voltage range problem in conventional CLLC bidirectional converters. A laboratory prototype (1 kW power) was implemented to demonstrate the effectiveness of the proposed bidirectional resonant converter with the features of soft switching operation, bidirectional power flow, and wide voltage output. The circuit operations of basic bidirectional converters and the proposed converter are discussed and presented in Section 2. In Section 3, the circuit features and design example are provided. In Section 4, experiments are provided from on a laboratory prototype, to verify the theoretical discussions. A conclusion regarding the presented circuit is discussed in Section 5.

2. Circuit Diagram and the Principle of Operation

Figure 1 gives the circuit schematic of the bidirectional AC/DC circuit for electric vehicle charge/discharge. First, a bidirectional AC/DC converter with PFC function is required in the front stage, to achieve bidirectional power flow operation. The rear stage is a bidirectional DC/DC converter, to charge/discharge battery stacks. Therefore, G2V and V2G power flow operations can be achieved in a bidirectional AC/DC power converter (Figure 1). Due to high circuit-efficiency requirements, boost-type circuit topologies are normally adopted in PFC converters, to obtain low current harmonics and a high power factor (PF). Figure 2 shows the general four quadrature bidirectional PFC circuit topologies with a boost-type converter. In Figure 2a, a full bridge bridgeless PFC converter is used to achieve low current harmonics and high PF. Since a boost converter is adopted, the DC voltage Vdc > 2 V a c , r m s (peak voltage of AC source). A bidirectional half bridge bridgeless PFC converter is shown in Figure 2b. Two switches are employed to accomplish low current harmonics and high PF. However, the DC voltage Vdc > 2 2 V a c , r m s , when AC current iac is in phase with Vac. Power flow is controlled from the AC mains to DC bus voltage Vdc. If the line current iac is out of phase with Vac, then the power flow is from Vdc terminal to Vac terminal.
Figure 3 gives the conventional circuit topologies of DC bidirectional converters for battery a charger/discharger. The conventional non-isolate converter with bidirectional power conversion is shown in Figure 3a. For forward power conversion, the circuit functions at voltage step-down, and power flow is from the Vin terminal to VBat terminal. If the circuit is used for reverse power conversion, voltage step-up operation is realized in this DC converter. The simple circuit structure and control scheme are the main advantages of this circuit topology. However, the lack of electric isolation is the main drawback of this DC converter. A full bridge resonant converter is provided in Figure 3b for battery charging and discharging operations. Compared to a conventional unidirectional resonant circuit, this circuit topology can achieve voltage step-up and step-down operations for power flow control. In Figure 3c, the symmetric half bridge structure has less circuit components and also achieves forward and backward power operation. The power switches in Figure 3b,c can turn on at zero voltage, to lessen the electromagnetic interference and switching loss. However, the disadvantage of the resonant converters in Figure 3b,c is low voltage gain (narrow voltage range) if a wide voltage output range is required for a battery charging station for universal electric vehicle charging applications.
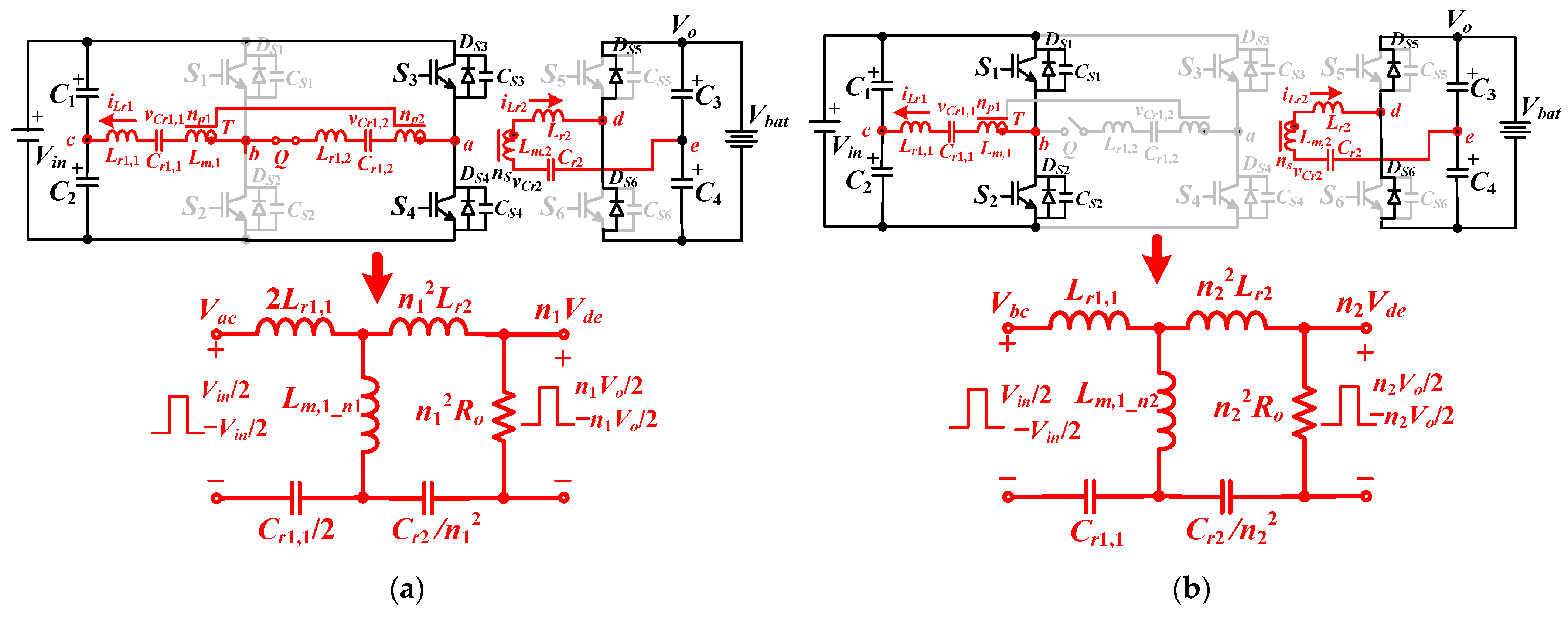
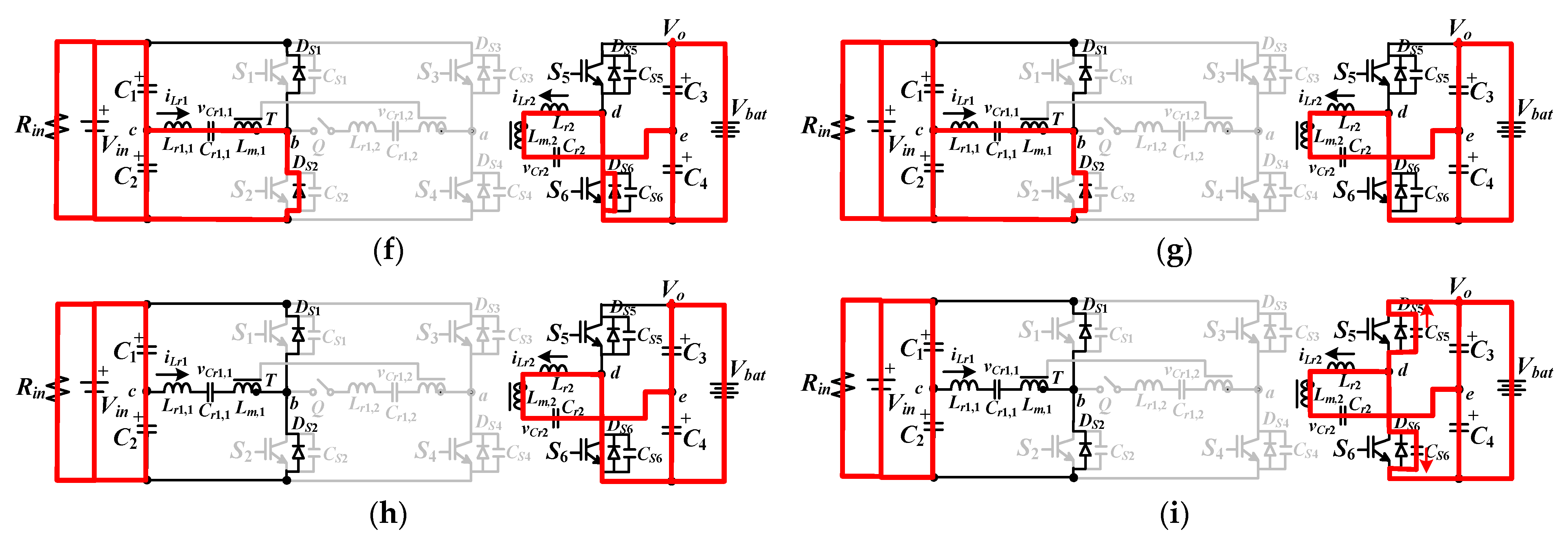
Figure 4a gives the circuit structure of the proposed converter. The proposed circuit not only can achieve bidirectional power conversion, but also an extended output voltage range from 150–450 V for battery stacks. Four active switches S1S4 and one ac switch Q are used on the input side, and two switches S5 and S6 are employed on the output side. S5 and S6 are inactive when the circuit is used for forward power conversion. The forward power conversion is controlled by switches S1S4 and Q, to charge battery stacks. However, S1S4 are off when reverse power conversion is required in the proposed circuit. The reverse power is controlled by switches S5 and S6, to realize battery discharging operations. The power semiconductors are all turned on or turned off at zero voltage or zero current conditions, for both power conversions. Therefore, the electromagnetic interference and switching loss can be reduced. The main drawback of a conventional bidirectional resonant converter is the limited input or output voltage operation. To implement a bidirectional converter with a wide voltage operation in universal battery charger/discharger units, two half bridge resonant circuit structures, (S1, S2, T, Cr1,1, Lr1,1, C1 and C2) and (S3, S4, T, Cr1,2, Lr1,2, Q, Cr1,1, Lr1,1, C1 and C2), are employed on the input side, to extend output voltage range. Figure 4b shows a circuit schematic operated for forward power conversion, with low voltage output range. The ac switch Q is on, and active switches S1 and S2 are turned off. Only S3 and S4 are activated with a frequency modulation scheme, to control the load voltage. The resonant components on the left-hand side include Cr1,2, Lr1,2, Cr1,1, and Lr1,1, and the turns ratio of transformer T in Figure 4b is 2np/ns. When forward power conversion and high voltage output range are demanded, the high voltage gain is needed in the converter. Therefore, switches Q, S3, and S4 are turned off in Figure 4c. The equivalent resonant components on the left-hand side become Cr1,1 and Lr1,1, with the transformer turns ratio np/ns, to achieve a higher voltage gain than the equivalent circuit in Figure 4b. In order to realize the same series resonant frequencies as in Figure 4b,c, the resonant components are selected as Lr1,1 = Lr1,2 and Cr1,1 = Cr1,2. For battery discharging operations (Figure 4d), the reverse power flow is controlled by switches S5 and S6. If the battery stack is in the full power condition, to transfer power from the Vbat side to Vin side, the ac switch Q is turned off and the half bridge diode rectifier with DS1 and DS2 is operated on the left-hand side. Therefore, the proposed converter can be controlled in three operating modes, to accomplish soft switching operation, a wide voltage output, and bidirectional power flow control. A comparison of the performance of the proposed converter and related past works in the literature is provided in Table 1. The proposed bidirectional converter has a wider voltage operation capability compared to the other circuit topologies.

2.1. Forward Power Conversion and Low Voltage Output

When a battery stack has a low capacity or depleted condition, the converter is controlled in low voltage output mode (Figure 4b). Q turns on and S1, S2, S5, and S6 are off under low voltage output mode. S3 and S4 are operated with frequency modulation, to control the battery voltage or battery charging current. The transformer turns ratio in Figure 4b is n1 = (np1 + np2)/ns = 2np/ns = 2n, where np1 = np2 = np and n = np/ns. Figure 5a shows the main PWM signals of the proposed converter under a fsw (switching frequency) < fr (resonant frequency) condition. The circuit parameters are assumed as Lr1,1 = Lr1,2 = n2Lr2 and Cr1,1 = Cr1,2 = Cr2/n2. Based on the above assumption, the resonant frequencies under forward and reverse power flow operations are identical. Figure 5b–i show the operating circuits for eight operating states.
State 1
[t0t < t1]: For t = t0, the output capacitor voltage vCS3 is decreased to zero voltage and the diode DS3 becomes forward biased, owing to iLr1(t0) being negative. At this time, S1 is turned on, to have zero voltage switching. Since iLr2 is positive, the antipallel diodes DS5 and DS6 are conducting.
State 2
[t1t < t2]: The primary current iLr1 becomes positive value after t1. Therefore, iLr1 will flow through switch S3 instead of diode DS3. In this state, the forward power flow is from C1 to C3. The leg voltages are Vac = VC1 = Vin/2 and Vde = VC3 = Vo/2. The series resonant frequency is f r = 1 / ( 2 π ( L r 1 , 1 + L r 1 , 2 ) ( C r 1 , 1 C r 1 , 2 ) / ( C r 1 , 1 + C r 1 , 2 ) ) = 1 / ( 2 π L r 1 , 1 C r 1 , 1 ) . If fsw < (or >) fr, then the next state operation of the proposed circuit will go to state 3 (or state 4).
State 3
[t2t < t3]: At time t2, iLr2 becomes zero at time t2 and DS5 becomes off. iLr1 flows through S3, Lm,1, Cr1,1, Lr1,1, Cr1,2, Lr1,2, and C1.
State 4
[t3t < t4]: At time t3, S3 turns off. iLr1 charges CS3 and discharges CS4. VCS4 = 0 at t4.
State 5
[t4t < t5]: vCS4 = 0 at t4 and DS4 becomes forward biased due to iLr1(t4) > 0. At this moment, S4 turns on under zero voltage. In state 5, iLr2 < 0 and DS6 is conducting to charge C4.
State 6
[t5t < t6]: Since Vac = −VC2 = −Vin/2, iLr1 is decreased and becomes negative at time t5. Then, the primary current iLr1 will flow through S4 instead of DS4. Forward power flow is from C2 to charge C4.
State 7
[t6t < t7]: iLr2 = 0 at t = t6 and DS6 turns off. The primary side current iLr1 flows through C2, Lr1,1, Cr1,1, Lm,1, Lr1,2, Cr1,2, and S4.
State 8
[t7t < Tsw+t0]: S4 turns off at t = t7. Then, CS3 is discharged and CS4 is charged by current iLr1. This state is terminated at Tsw + t0.

2.2. Forward Power Conversion and High Voltage Output

When the battery stack is in a high capacity condition, the proposed converter is operated at high voltage output mode (Figure 4c). To achieve high voltage output, switches S3S6 and Q are turned off. S1 and S2 are triggered by variable frequency control. In Figure 4c, the circuit has a turns ratio n2 = np1/ns = n. The key PWM waveforms and state operations in every PWM period are shown in Figure 6. Due to the similar circuit operations in Figure 5 and Figure 6, the state operations in this mode are neglected in this section.

2.3. Reverse Power Conversion

If the battery stack is discharged, the proposed circuit is operated in reverse power conversion mode. The VBat terminal transfers power to Vin terminal (Figure 4d). All switches on the left-hand side of the converter are turned off. Only switches S5 and S6 are triggered by the frequency modulation scheme. The PWM signals and the operating circuits in every PWM period are provided in Figure 7.
State 1
[t0t < t1]: The capacitor voltage vCS5 is decreased to zero at t5. Then, DS5 becomes forward biased due to iLr2(t0) being negative. At this moment, the zero voltage turn-on of S5 can be achieved. Since iLr1 is positive, DS1 is conducting to charge C1.
State 2
[t1t < t2]: Since Vde > 0 in this state, iLr2 is increased and has a positive value after time t1. Therefore, iLr2 flows through S5 instead of DS5. Reverse power flow is from VC3 to VC1.
State 3
[t2t < t3]: iLr1 = 0 at time t2 and DS1 turns off. Then, iLr2 is equal to the magnetizing current iLm2.
State 4
[t3t < t4]: S5 turns off at t = t3 and iLr2(t3) > 0. Thus, CS5 (CS6) is charged (discharged).
State 5
[t4t < t5]: The capacitor voltage vCS6 is decreased to zero at t = t4. Then, DS6 becomes forward biased due to iLr2(t4) being positive. After time t4, the zero voltage turn-on of S6 can be realized. In state 5, iLr1(t) is negative and DS2 becomes forward biased. Since the leg voltage Vde = −VC4, iLr2 decreases in this state.
State 6
[t5t < t6]: After time t5, iLr2 < 0. Then, iLr,2 flows through switch S6 instead of diode DS6. Reverse power conversion is achieved from the VC4 terminal to VC2 terminal.
State 7
[t6t < t7]: The left-hand side current iLr1 = 0 at time t6 and DS2 becomes reverse biased.
State 8
[t7t < Tsw+t0]: S6 turns off at time t7 and iLr,2 charges (discharges) CS6 (CS5). At time Tsw + t0, the switching cycle is completed.

3. Circuit Properties and Design Example

The proposed bidirectional converter has three operating modes (Figure 4b–d). The output voltage is controlled using a variable switching frequency. The fundamental switching frequency approach [20] is selected to control the voltage gain of the resonant circuit. According to the on-off states of the power semiconductors, the leg voltages are obtained as Vac (or Vbc) = Vin/2 or −Vin/2 and Vde = Vo/2 or −Vo/2. The equivalent resonant tank circuits of Figure 4b–d can be obtained in Figure 8. In Figure 4b, the turns ratio is n1 = 2n. However, the effective transformer turns ratio in Figure 4c,d is n2 = n. The voltage gain of the proposed circuit can be obtained from the root mean square (rms) values of the input and output voltages at fundamental switching frequency. The rms leg voltages of input and output terminals are calculated as V a c , f = 2 V i n / π in Figure 4b, V b c , f = 2 V i n / π in Figure 4c,d, and V d e , f = 2 V o / π . The equivalent resonant tanks at fundamental switching frequency are provided in Figure 9. For forward power operation, the equivalent load resistance R o , e = 2 n 1 2 π 2 R o for low voltage output, R o , e = 2 n 2 2 π 2 R o for high voltage output, and R i n , e = 2 R i n π 2 n 2 2 for reverse power operation.
Based on the equivalent resonant circuit in Figure 9, the transfer functions of the proposed converter for the three operating modes are obtained and expressed as.
G F , L ( s ) = n 1 V d e , f V a c , f = n 1 V o V i n = s L m , 1 _ n 1 / / ( s n 1 2 L r 2 + 1 s C r 2 / n 1 2 + R o , e ) 2 s L r 1 , 1 + 2 s C r 1 , 1 + [ s L m , 1 _ n 1 / / ( s n 1 2 L r 2 + 1 s C r 2 / n 1 2 + R o , e ) ] × R o , e s n 1 2 L r 2 + 1 s C r 2 / n 1 2 + R o , e
G F , H ( s ) = n 2 V d e , f V b c , f = n 2 V o V i n = s L m , 1 _ n 2 / / ( s n 2 2 L r 2 + 1 s C r 2 / n 2 2 + R o , e ) s L r 1 , 1 + 1 s C r 1 , 1 + [ s L m , 1 _ n 2 / / ( s n 2 2 L r 2 + 1 s C r 2 / n 2 2 + R o , e ) ] × R o , e s n 2 2 L r 2 + 1 s C r 2 / n 2 2 + R o , e
G R ( s ) = V b c , f / n 2 V d e , f = V i n n 2 V o = s L m , 2 / / ( s L r 1 , 1 / n 2 2 + 1 s n 2 2 C r 1 , 1 + R i n , e ) s L r 2 + 1 s C r 2 + [ s L m , 2 / / ( s L r 1 , 1 / n 2 2 + 1 s n 2 2 C r 1 , 1 + R i n , e ) ] × R i n , e s L r 1 , 1 / n 2 2 + 1 s n 2 2 C r 1 , 1 + R i n , e
where GF,L(s), GF,H(s), and GR(s) are the transfer functions of Figure 4b–d, respectively. To further simplify the transfer function Equations in (1)–(3), the circuit parameters are defined as Cr1,1 = Cr1,2 = Cr2/n2, Lr1,1 = Lr1,2 = n2Lr2, Q F , L = 4 L r 1 , 1 / C r , 1 / R o , e , Q F , H = L r 1 , 1 / C r , 1 / R o , e Q R = L r 2 / C r 2 / R i n , e , K F , L = L m , 1 _ n 1 / 2 L r 1 , 1 , K F , H = L m , 1 _ n 2 / L r 1 , 1 , K R = L m , 2 / L r 2 and F F = F R = f s w / f r . Then the voltage gains for the three operating modes are expressed as:
| G F , L | = n 1 V o V i n = 1 [ 1 + 1 K F , L 1 K F , L F F 2 ] 2 + Q F , L 2 [ F F ( 2 + 1 K F , L ) 1 F F ( 2 + 2 K F , L 1 K F , L F F 2 ) ] 2
| G F , H | = n 2 V o V i n = 1 [ 1 + 1 K F , H 1 K F , H F F 2 ] 2 + Q F , H 2 [ F F ( 2 + 1 K F , H ) 1 F F ( 2 + 2 K F , H 1 K F , H F F 2 ) ] 2
| G R | = V i n n 2 V o = 1 [ 1 + 1 K R 1 K R F F 2 ] 2 + Q R 2 [ F R ( 2 + 1 K R ) 1 F R ( 2 + 2 K R 1 K R F R 2 ) ] 2
These three voltage gains have similar equations with different circuit parameters and transformer turns ratios. According to Equations (4)–(6), Figure 10 illustrates the curves of voltage gain under K = 5.
The electric parameters of the circuit prototype are Vin = 400 V, Vo = 150 V–450 V, Po,max = 1kW at Vo = 450 V condition and fr = 80 kHz. When Vo = 150–300 V, a half bridge resonant circuit with transformer turns ratio 2n is used in Figure 4b, to control the load voltage. If Vo = 300–450 V, then the half bridge resonant circuit with transformer turns ratio n is adopted in Figure 4c to control output voltage. When reverse power flow is required, the half bridge resonant circuit on the right-hand side is adopted (Figure 4d), to transfer power flow from the low side to input side. Since the three operating modes in Figure 4 have similar voltage transfer functions, the circuit parameters of the prototype circuit are obtained from Figure 4c with Vo = 300–450 V in this design example. First, the unity gain of MF,H| is designed at Vo = 300 V. From Equation (5), the turn ratio n = np1/ns is obtained in Equation (7).
n 2 = n = n p 1 / n s = | G F , H | × V i n V o , min = 1 × 400 300 1.333
The magnetic core PC40/EE55 with primary turns np1 = np2 = 26 and secondary turns ns = 20 is adopted to implement transformer T. Therefore, the turns ratio n2 becomes 26/20 = 1.3. Then, the voltage gains at Vo = 300 V and Vo = 450 V conditions are expressed as
| G F , H | min = n 2 V o , min V i n = 1.3 × 300 400 0.975
| G F , H | max = n 2 V o , max V i n = 1.3 × 450 400 1.46
Similarly, the voltage gains at Vo = 150 V and Vo = 300 V conditions under low voltage output range operation in Figure 4b are expressed as.
| G F , L | min = n 1 V o , min V i n = 2 × 1.3 × 150 400 0.975
| G F , L | max = n 1 V o , max V i n = 2 × 1.3 × 300 400 1.95
To obtain a voltage gain of more than 1.95 at Vo = 300 V under low voltage output range ( | G F , L | max 1.95 ), the quality factors Q = 0.2 and K = 5 are selected. For forward power flow and high voltage output range (300–450 V), the quality factor Q F , H = L r 1 , 1 / C r , 1 / R o , e and the inductor ratio K F , H = L m , 1 _ n 2 / L r 1 , 1 . The resistance Ro,e at full load is calculated as:
R o , e = 2 n 2 2 π 2 R o = 2 × 1.3 2 3.14159 2 × 450 2 1000 69   Ω
Then, the resonant components can be calculated as:
L r 1 , 1 = L r 1 , 2 = Q F , H R o , e / ( 2 π f r ) = 0.2 × 69 / ( 2 × 3.14159 × 80000 ) 27.45   μ H
L r 2 = L r 1 , 1 / n 2 2 = 27.45 / 1.3 2 16 . 24   μ H
L m , 1 = K F , H L r 1 , 1 = 5 × 27.45 137.25   μ H
C r 1 , 1 = C r 1 , 2 = 1 / ( 2 π Q F , H f r R o , e ) = 1 / ( 2 × 3.14159 × 0.2 × 80000 × 69 ) 144   nF
C r 2 = n 2 2 C r 1 , 1 = 1.3 2 × 144 243   nF
Table 2 shows the circuit components in the laboratory prototype.

4. Experimental Verifications

The output voltage Vo between 150 V and 450 V and the switching signals of switches Q, S1, and S3 are provided in Figure 11a. If Vo is between 150 V and 300 V, S1 is off and Q is on. The half bridge circuit with switches S3 and S4, as shown in Figure 4b, is controlled to regulate load voltage. If Vo is between 300 V and 450 V, Q and S3 are off, and switches S1 and S2 are operated to control load voltage. The constant voltage (CV) and constant current (CC) modes are used to charge the battery. If the battery voltage is less that 450 V, then the battery charge current is controlled at CC mode with Io = 2.3 A. If the battery voltage is close to 450 V, then CV mode with Vo = 450 V is selected to charge the battery. Therefore, the load current Io will be decreased from 2.3 A. In Figure 12, Figure 13, Figure 14 and Figure 15, the experimental waveforms operated at constant current mode with Vo = 150 V, 310 V and 450 V are provided, to show the circuit characteristics under a forward power flow condition. Figure 12a–c shows the measured waveforms of input voltage, load current, load voltage, and switch signal under Vin = 400 V, Io = 2.3 A, and Vo = 150, 310, and 450 V, respectively, with CC mode control. When Vo = 150 V, the converter is controlled in low voltage output mode (Figure 4b). Therefore, switch S3 is controlled with variable switching frequency, to regulate load voltage, as shown in Figure 12a. When Vo = 310 V and 450 V, the proposed circuit is operated in high voltage output mode (Figure 4c). Thus, switch S1 is controlled to adjust the load voltage, as shown in Figure 12b,c. Figure 13 provides the test results of the leg voltage and the primary current and voltage under Vo = 150 V, 310 V, and 450 V outputs. The square voltage with ±200 V is generated on the leg voltage Vac at Vo = 150 V condition or Vbc at Vo = 310 V and 450 V conditions. The resonant voltage vCr1,1 is almost a sinusoidal voltage. In low voltage output mode, the voltage gain at Vo = 150 V output is close to unity. Therefore, fsw (switching frequency) is close to 80 kHz (series resonant frequency) and iLr1 resembles a sinusoidal waveform. In high voltage output mode, the proposed converter has a high (or low) voltage gain under Vo = 450 V (or 310 V) output. Thus, fsw < fr at Vo = 450 V condition. Therefore, the primary current iLr1 resembles a quasi-sinusoidal waveform at Vo = 450 V output. The measured secondary side waveforms are shown in Figure 14. Since fsw > fr at Vo = 150 V and 310 V conditions are more than series resonant frequency, the diode currents iDS5 and iDS6 are turned off at hard switching, as shown in Figure 14a,b. However, DS5 and DS6 turn off at zero current under Vo = 450 V output (Figure 14c), due to fsw < fr. Figure 15 provides the experimental waveforms of the active switch for different output voltage conditions. The switch waveforms at full rated current and 150 V output case are shown in Figure 15a. The switch S3 is tuned on with zero voltage switching, due to the collect-to-emitter voltage being reduced to zero voltage before S3 turns on. In the same way, S1 also turns on at zero voltage switching under 310 V output (Figure 15b) and 450 V output (Figure 15c,d). Figure 16 shows the experimental results under reverse power conversion at Vin = 400 V, Vo = 450 V, and full power condition. Only switches S5 and S6 are controlled to realize reverse power flow operation. Figure 16a gives the measured waveforms Vo, Vin, Iin, and vS5,g. The measured right hand side waveforms are given in Figure 16b, and the measured left hand side waveforms are given in Figure 16c. Since the voltage gain under the reverse power flow operation is close to unity, fsw is almost equal to fr. Thus, the resonant voltage and current waveforms are almost sinusoidal waveforms, as shown in Figure 16b. Figure 16d,e show the test results of switch S5 at 100% and 50% rated power conditions. S5 turns on at zero voltage switching. The measured circuit efficiencies are 90.7%, 92.5%, and 91.7% at Vo = 150 V, 310 V, and 450 V under CC mode control.

5. Conclusions

A frequency control DC/DC converter with the advantages of bidirectional power conversion, soft switching operation, and wide voltage operation is presented and implemented for battery charging and discharging applications. Symmetric half bridge resonant circuits are used to achieve bidirectional power flow action and voltage step up/down operation. By using a variable transformer turns ratio, the proposed converter has a wide voltage output capability, to overcome the drawback of wide frequency variation in traditional resonant converters. The presented circuit is controlled at inductive load characteristics, so that power semiconductors are turned on (or off) at zero voltage (or zero current) switching. Thus, the electromagnetic interference and switching losses can be reduced. The circuit schematic, system operation, and design procedures of the proposed circuit are discussed and provided in detail. The circuit effectiveness was confirmed and verified by the experimental results with a 1-kW power scaled down prototype.

Funding

This work was supported by the National Yunlin University of Science and Technology, Taiwan, under grant number 109H500311.

Acknowledgments

The author thanks for the financial support by the NYUST, Taiwan, under grant number 109H500311. The author thanks Y.-C. Liu for his measurement of the experimental waveforms.

Conflicts of Interest

The author declares no conflict of interest.

References

  1. Mao, H.; Lee, C.Y.; Boroyevich, D.; Hiti, S. Review of high-performance three-phase power-factor correction circuits. IEEE Trans. Ind. Electron. 1997, 44, 437–446. [Google Scholar]
  2. Singh, B.; Singh, B.N.; Chandra, A.; Al-Haddad, K.; Pandey, A.; Kothari, D.P. A review of three-phase improved power quality AC-DC converters. IEEE Trans. Ind. Electron. 2004, 51, 641–660. [Google Scholar] [CrossRef]
  3. Guerrero, J.M.; Loh, P.C.; Lee, T.L.; Chandorkar, M. Advanced control architectures for intelligent microgrids—part II: Power quality, energy storage, and ac/dc microgrids. IEEE Trans. Ind. Electron. 2013, 60, 1263–1270. [Google Scholar] [CrossRef] [Green Version]
  4. Meng, L.; Shafiee, Q.; Trecate, G.F.; Karimi, H.; Fulwani, D.; Lu, X.; Guerrero, J.M. Review on control of DC microgrids and multiple microgrid clusters. IEEE J. Emerg. Sel. Top. Power Electron. 2017, 5, 928–948. [Google Scholar]
  5. Emadi, A.; Lee, Y.J.; Rajashekara, K. Power electronics and motor drives in electric, hybrid electric, and plug-in hybrid electric vehicles. IEEE Trans. Ind. Electron. 2008, 55, 2237–2245. [Google Scholar] [CrossRef]
  6. Ahrabi, R.R.; Ardi, H.; Elmi, M.; Ajami, A. A novel step-up multi input dc-dc converter for hybrid electric vehicles application. IEEE Trans. Power Electron. 2017, 32, 3549–3561. [Google Scholar] [CrossRef]
  7. Blaabjerg, F.; Dragicevic, T.; Davari, P. Applications of Power Electronics. Electronics 2019, 8, 465. [Google Scholar] [CrossRef] [Green Version]
  8. Mangu, B.; Akshatha, S.; Suryanarayana, D.; Fernandes, B.G. Grid-connected PV-wind-battery-based multi-input transformer-couple bidirectional dc-dc converter for household applications. IEEE J. Emerg. Sel. Top. Power Electron. 2016, 4, 1086–1095. [Google Scholar] [CrossRef]
  9. Xu, D.; Zhao, C.; Fan, H. A PWM plus phase-shift control bidirectional DC-DC converter. IEEE Trans. Ind. Electron. 2004, 19, 666–675. [Google Scholar] [CrossRef]
  10. Zhao, B.; Song, Q.; Liu, W.; Sun, Y. Overview of dual-active-bridge isolated bidirectional DC–DC converter for high-frequency-link power-conversion system. IEEE Trans. Power Electron. 2014, 29, 4091–4106. [Google Scholar] [CrossRef]
  11. Rico, S.J.; Pagano, D.J.; Lucas, K.E. Bidirectional power sharing for DC microgrid enabled by dual active bridge DC-DC converter. Energies 2021, 14, 404. [Google Scholar] [CrossRef]
  12. Jung, J.H.; Kim, H.S.; Ryu, M.H.; Baek, J.W. Design methodology of bidirectional CLLC resonant converter for high-frequency isolation of DC distribution systems. IEEE Trans. Power Electron. 2013, 28, 1741–1755. [Google Scholar] [CrossRef]
  13. Liu, Y.; Du, G.; Wang, X.; Lei, Y. Analysis and Design of High-Efficiency Bidirectional GaN-Based CLLC Resonant Converter. Energies 2019, 12, 2859. [Google Scholar] [CrossRef] [Green Version]
  14. Zou, S.; Lu, J.; Mallik, A.; Khaligh, A. Bi-directional CLLC converter with synchronous rectification for plug-in electric vehicles. IEEE Trans. Ind. Appl. 2018, 54, 998–1005. [Google Scholar] [CrossRef]
  15. Lin, B.R. Analysis of a series-parallel resonant converter for DC microgrid applications. Processes 2021, 9, 542. [Google Scholar] [CrossRef]
  16. Lin, B.R. Analysis and implementation of a frequency control DC-DC converter for light electric vehicle applications. Electronics 2021, 10, 1623. [Google Scholar] [CrossRef]
  17. Lin, B.B.; Chen, K.Y. Hybrid LLC Converter with Wide Range of Zero-Voltage Switching and Wide Input Voltage Operation. Appl. Sci. 2020, 10, 8250. [Google Scholar] [CrossRef]
  18. Wang, P.; Zhou, L.; Zhang, Y.; Li, J.; Sumner, M. Input-parallel output-series DC-DC boost converter with a wide input voltage range, for fuel cell vehicles. IEEE Trans. Veh. Technol. 2017, 66, 7771–7781. [Google Scholar] [CrossRef]
  19. Hu, H.; Fang, X.; Chen, F.; Shen, Z.J.; Batarseh, I. A modified high-efficiency LLC converter with two transformers for wide input-voltage range applications. IEEE Trans. Power Electron. 2013, 28, 1946–1960. [Google Scholar] [CrossRef]
  20. Steigerwald, R.L. A Comparison of Half-Bridge Resonant Converter Topologies. IEEE Trans. Power Electron. 1988, 3, 174–182. [Google Scholar] [CrossRef]
Figure 1. Bidirectional converter for battery a charger/discharger in electric vehicle applications.
Figure 1. Bidirectional converter for battery a charger/discharger in electric vehicle applications.
Processes 10 00561 g001
Figure 2. Circuit topologies of bidirectional singe-phase bridgeless PFC converters with power factor correction: (a) full bridge structure (b) half bridge structure.
Figure 2. Circuit topologies of bidirectional singe-phase bridgeless PFC converters with power factor correction: (a) full bridge structure (b) half bridge structure.
Processes 10 00561 g002
Figure 3. Circuit topologies of a bidirectional converter: (a) buck/boost converter, (b) isolated resonant converter with symmetric full bridge circuit, (c) isolated resonant converter with symmetric half bridge circuit.
Figure 3. Circuit topologies of a bidirectional converter: (a) buck/boost converter, (b) isolated resonant converter with symmetric full bridge circuit, (c) isolated resonant converter with symmetric half bridge circuit.
Processes 10 00561 g003
Figure 4. Proposed bidirectional converter with wide output voltage capability: (a) circuit diagram, (b) forward power conversion and low voltage output, (c) forward power conversion and high voltage output, (d) reverse power conversion.
Figure 4. Proposed bidirectional converter with wide output voltage capability: (a) circuit diagram, (b) forward power conversion and low voltage output, (c) forward power conversion and high voltage output, (d) reverse power conversion.
Processes 10 00561 g004
Figure 5. Circuit waveforms and state operations for low voltage output range: (a) PWM waveforms, (b) state 1, (c) state 2, (d) state 3, (e) state 4, (f) state 5, (g) state 6, (h) state 7, (i) state 8.
Figure 5. Circuit waveforms and state operations for low voltage output range: (a) PWM waveforms, (b) state 1, (c) state 2, (d) state 3, (e) state 4, (f) state 5, (g) state 6, (h) state 7, (i) state 8.
Processes 10 00561 g005
Figure 6. Circuit waveforms and state operations for high voltage output range: (a) PWM waveforms, (b) state 1, (c) state 2, (d) state 3, (e) state 4, (f) state 5, (g) state 6, (h) state 7, (i) state 8.
Figure 6. Circuit waveforms and state operations for high voltage output range: (a) PWM waveforms, (b) state 1, (c) state 2, (d) state 3, (e) state 4, (f) state 5, (g) state 6, (h) state 7, (i) state 8.
Processes 10 00561 g006
Figure 7. Circuit waveforms and state operations under reverse power operation: (a) PWM waveforms, (b) state 1, (c) state 2, (d) state 3, (e) state 4, (f) state 5, (g) state 6, (h) state 7, (i) state 8.
Figure 7. Circuit waveforms and state operations under reverse power operation: (a) PWM waveforms, (b) state 1, (c) state 2, (d) state 3, (e) state 4, (f) state 5, (g) state 6, (h) state 7, (i) state 8.
Processes 10 00561 g007aProcesses 10 00561 g007b
Figure 8. Resonant tank circuits at (a) forward power conversion and low output voltage range, (b) forward power conversion and high output voltage range, (c) reverse power conversion.
Figure 8. Resonant tank circuits at (a) forward power conversion and low output voltage range, (b) forward power conversion and high output voltage range, (c) reverse power conversion.
Processes 10 00561 g008aProcesses 10 00561 g008b
Figure 9. Resonant circuits at fundamental switching frequency at (a) forward power conversion and low output voltage range, (b) forward power conversion and high output voltage range, (c) reverse power conversion.
Figure 9. Resonant circuits at fundamental switching frequency at (a) forward power conversion and low output voltage range, (b) forward power conversion and high output voltage range, (c) reverse power conversion.
Processes 10 00561 g009
Figure 10. Voltage gain of the presented circuit.
Figure 10. Voltage gain of the presented circuit.
Processes 10 00561 g010
Figure 11. Measured waveforms: (a) Vo, vS1,g, vS3,g, and vQ,g, (b) Vo and Io.
Figure 11. Measured waveforms: (a) Vo, vS1,g, vS3,g, and vQ,g, (b) Vo and Io.
Processes 10 00561 g011
Figure 12. Experimental waveform of Vin, Vo, Io and switch signal vS3,g (or vS1,g) under constant current mode at (a) Vo = 150 V, (b) Vo = 310 V, (c) Vo = 450 V.
Figure 12. Experimental waveform of Vin, Vo, Io and switch signal vS3,g (or vS1,g) under constant current mode at (a) Vo = 150 V, (b) Vo = 310 V, (c) Vo = 450 V.
Processes 10 00561 g012
Figure 13. Experimental waveform of leg voltage Vac (or Vbc), vCr1,1 and iLr1 under constant current mode at (a) Vo = 150 V, (b) Vo = 310 V, (c) Vo = 450 V.
Figure 13. Experimental waveform of leg voltage Vac (or Vbc), vCr1,1 and iLr1 under constant current mode at (a) Vo = 150 V, (b) Vo = 310 V, (c) Vo = 450 V.
Processes 10 00561 g013
Figure 14. Experimental waveform on the secondary side vCr2, iLr2, iDS5 and iDS6 under constant current mode at (a) Vo = 150 V, (b) Vo = 310 V (c) Vo = 450 V.
Figure 14. Experimental waveform on the secondary side vCr2, iLr2, iDS5 and iDS6 under constant current mode at (a) Vo = 150 V, (b) Vo = 310 V (c) Vo = 450 V.
Processes 10 00561 g014
Figure 15. Experimental waveforms of active switch: (a) S3 at Vo = 150 V and Io = 2.3 A (b) S1 at Vo = 310 V and Io = 2.3 A (c) S1 at Vo = 450 V and Io = 2.3 A (rated power) (d) S1 at Vo = 450 V and Io = 1.15 A (50% rated power).
Figure 15. Experimental waveforms of active switch: (a) S3 at Vo = 150 V and Io = 2.3 A (b) S1 at Vo = 310 V and Io = 2.3 A (c) S1 at Vo = 450 V and Io = 2.3 A (rated power) (d) S1 at Vo = 450 V and Io = 1.15 A (50% rated power).
Processes 10 00561 g015
Figure 16. Experimental waveform under reverse power operation with Vo = 450 V and Vin = 400 V at rated power (a) Vo, Vin, Iin and vS5,g, (b) vde, vCr2 and iLr2, (c) vCr1,1, iLr1, iDS1 and iDS2, (d) vS5,g, vS5,ce and iS5 at 100% load, (e) vS5,g, vS5,ce and iS5 at 50% load.
Figure 16. Experimental waveform under reverse power operation with Vo = 450 V and Vin = 400 V at rated power (a) Vo, Vin, Iin and vS5,g, (b) vde, vCr2 and iLr2, (c) vCr1,1, iLr1, iDS1 and iDS2, (d) vS5,g, vS5,ce and iS5 at 100% load, (e) vS5,g, vS5,ce and iS5 at 50% load.
Processes 10 00561 g016aProcesses 10 00561 g016b
Table 1. Comparison between the presented circuit and the other bidirectional converters.
Table 1. Comparison between the presented circuit and the other bidirectional converters.
Primary-SideSecondary-SideInput/Output VoltagesPower Flow DirectionControl Scheme
Proposed circuitHalf-bridge circuitHalf-bridge circuitVin = 400 V
Vo = 150–450 V
Voltage step-up/step-down for bidirectional power flowFrequency control
Circuit structure in [9]Half-bridge circuitHalf-bridge circuitVin = 48 V
Vo = 24–30 V
Voltage step-down for forward power flow and voltage step-up for reverse power flowPhase shift + PWM control
Circuit structure in [11]Full-bridge circuitFull-bridge circuitVin = 400 V
Vo =400 V
Voltage step-up/step-down for bidirectional power flowPhase shift + PWM control
Circuit structure in [13]Full-bridge circuitFull-bridge circuitVin = 382–408 V
Vo = 400 V
Voltage step-up/step-down for bidirectional power flowFrequency control
Circuit structure in [15]Cascade half-bridge circuitParallel center-tapped rectifierVin = 750–800 V
Vo = 24 V
Voltage step-up/step-down for forward power flowFrequency control
Table 2. Circuit components in the laboratory prototype.
Table 2. Circuit components in the laboratory prototype.
ItemsParameter
C1, C2660 μF
C3, C4660 μF
Cr1,1, Cr1,2144 nF
Cr2243 nF
Lr1,1, Lr1,227.45 μH
Lr216.24 μH
Lm,1137.25 μH
S1S6GP50B60PD1 (600 V/33 A)
Q6R125P6 (650 V/19 A)
Transformer np1:np2:ns26:26:20
Publisher’s Note: MDPI stays neutral with regard to jurisdictional claims in published maps and institutional affiliations.

Share and Cite

MDPI and ACS Style

Lin, B.-R. Analysis and Implementation of a Bidirectional Converter with Soft Switching Operation. Processes 2022, 10, 561. https://doi.org/10.3390/pr10030561

AMA Style

Lin B-R. Analysis and Implementation of a Bidirectional Converter with Soft Switching Operation. Processes. 2022; 10(3):561. https://doi.org/10.3390/pr10030561

Chicago/Turabian Style

Lin, Bor-Ren. 2022. "Analysis and Implementation of a Bidirectional Converter with Soft Switching Operation" Processes 10, no. 3: 561. https://doi.org/10.3390/pr10030561

APA Style

Lin, B.-R. (2022). Analysis and Implementation of a Bidirectional Converter with Soft Switching Operation. Processes, 10(3), 561. https://doi.org/10.3390/pr10030561

Note that from the first issue of 2016, this journal uses article numbers instead of page numbers. See further details here.

Article Metrics

Back to TopTop