Application of Stable Isotope Techniques in Tracing the Sources of Atmospheric NOX and Nitrate
Abstract
1. Introduction
1.1. Formation Pathways of Nitrate in Atmospheric Particulate Matter

1.2. Major Sources of NOX and Available Analytical Methods
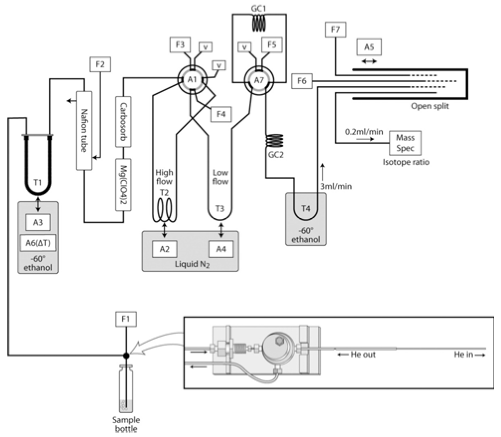
1.3. Analysis of Stable Isotope Techniques and Its NOX Traceability
2. Stable Isotope Techniques Determine the δ15N Values of NOX in Various Emission Sources
2.1. δ15N of Fossil Fuel Combustion
2.2. δ15N of Other Sources
3. Bayesian Isotope Mixing Model
3.1. Principle of Bayesian Mixture Model
3.2. The Practical Application of Bayesian Mixture Model
4. Pathways of Nitrate Production
4.1. δ18O and δ15N for the Atmospheric Nitrate Pathway
4.2. Δ17O in the Atmosphere
5. Conclusions
Author Contributions
Funding
Institutional Review Board Statement
Informed Consent Statement
Data Availability Statement
Conflicts of Interest
References
- Lelieveld, J.; Evans, J.S.; Fnais, M.; Giannadaki, D.; Pozzer, A. The Contribution of Outdoor Air Pollution Sources to Premature Mortality on a Global Scale. Nature 2015, 525, 367–371. [Google Scholar] [CrossRef] [PubMed]
- Zheng, S.; Pozzer, A.; Cao, C.X.; Lelieveld, J. Long-term (2001–2012) concentrations of fine particulate matter (PM 2.5) and the impact on human health in Beijing, China. Atmos. Chem. Phys. 2015, 15, 5715–5725. [Google Scholar] [CrossRef]
- Lelieveld, J.; Klingmüller, K.; Pozzer, A.; Burnett, R.T.; Haines, A.; Ramanathan, V. Effects of fossil fuel and total anthropogenic emission removal on public health and climate. Proc. Natl. Acad. Sci. USA 2019, 116, 7192–7197. [Google Scholar] [CrossRef] [PubMed]
- He, P.; Xie, Z.; Yu, X.; Wang, L.; Kang, H.; Yue, F. The observation of isotopic compositions of atmospheric nitrate in Shanghai China and its implication for reactive nitrogen chemistry. Sci. Total Environ. 2020, 714, 136727. [Google Scholar] [CrossRef] [PubMed]
- Xu, W.; Sun, Y.; Wang, Q.; Zhao, J.; Wang, J.; Ge, X.; Xie, C.; Zhou, W.; Du, W.; Li, J.; et al. Changes in Aerosol Chemistry From 2014 to 2016 in Winter in Beijing: Insights From High-Resolution Aerosol Mass Spectrometry. J. Geophys. Res. Atmos. 2019, 124, 1132–1147. [Google Scholar] [CrossRef]
- Cheng, J.; Su, J.; Cui, T.; Li, X.; Dong, X.; Sun, F.; Yang, Y.; Ting, D.; Zheng, Y.; Li, Y.; et al. Dominant role of emission reduction in PM 2.5 air quality improvement in Beijing during 2013–2017: A model-based decomposition analysis. Atmos. Chem. Phys. 2019, 19, 6125–6146. [Google Scholar] [CrossRef]
- Lim, S.; Yang, X.; Lee, M.; Li, G.; Gao, Y.; Shang, X.; Zhang, K.; Czimczik, C.I.; Xu, X.; Bae, M.-S.; et al. Fossil-driven secondary inorganic PM2.5 enhancement in the North China Plain: Evidence from carbon and nitrogen isotopes. Environ. Pollut. 2020, 266, 115163. [Google Scholar] [CrossRef]
- Shao, P.; Tian, H.; Sun, Y.; Liu, H.; Wu, B.; Liu, S.; Liu, X.; Wu, Y.; Liang, W.; Wang, Y.; et al. Characterizing remarkable changes of severe haze events and chemical compositions in multi-size airborne particles (PM1, PM2.5 and PM10) from January 2013 to 2016–2017 winter in Beijing, China. Atmos. Environ. 2018, 189, 133–144. [Google Scholar] [CrossRef]
- Lim, S.; Lee, M.; Savarino, J.; Laj, P. Oxidation pathways and emission sources of atmospheric particulate nitrate in Seoul: Based on δ15N and Δ17O measurements. Atmos. Chem. Phys. 2022, 22, 5099–5115. [Google Scholar] [CrossRef]
- Klimasmith, I.M.; Kent, A.D. Micromanaging the nitrogen cycle in agroecosystems. Trends Microbiol. 2022, 30, 1045–1055. [Google Scholar] [CrossRef]
- Hastings, M.; Steig, E.J.; Sigman, D.M. Seasonal variations in N and O isotopes of nitrate in snow at Summit, Greenland: Implications for the study of nitrate in snow and ice cores. J. Geophys. Res. Earth Surf. 2004, 109, D20. [Google Scholar] [CrossRef]
- Khoder, M.I. Atmospheric conversion of sulfur dioxide to particulate sulfate and nitrogen dioxide to particulate nitrate and gaseous nitric acid in an urban area. Chemosphere 2002, 49, 675–684. [Google Scholar] [CrossRef] [PubMed]
- Alexander, B.; Hastings, M.G.; Allman, D.J.; Dachs, J.; Thornton, J.A.; Kunasek, S.A. Quantifying atmospheric nitrate formation pathways based on a global model of the oxygen isotopic composition (Δ17O) of atmospheric nitrate. Atmos. Chem. Phys. 2009, 9, 5043–5056. [Google Scholar] [CrossRef]
- Freyer, H.D.; Kley, D.; Volz-Thomas, A.; Kobel, K. On the interaction of isotopic exchange processes with photochemical reactions in atmospheric oxides of nitrogen. J. Geophys. Res. Atmos. 1993, 98, 14791–14796. [Google Scholar] [CrossRef]
- Alexander, B.; Sherwen, T.; Holmes, C.D.; Fisher, J.A.; Chen, Q.; Evans, M.J.; Kasibhatla, P. Global inorganic nitrate production mechanisms: Comparison of a global model with nitrate isotope observations. Atmos. Meas. Technol. 2020, 20, 3859–3877. [Google Scholar] [CrossRef]
- Fan, M.; Zhang, Y.; Lin, Y.; Cao, F.; Zhao, Z.; Sun, Y.; Qiu, Y.; Fu, P.; Wang, Y. Changes of Emission Sources to Nitrate Aerosols in Beijing After the Clean Air Actions: Evidence from Dual Isotope Compositions. J. Geophys. Res. Atmos. 2020, 125, e2019JD031998. [Google Scholar] [CrossRef]
- Xiao, H.; Zhu, R.; Pan, Y.; Guo, W.; Zheng, N.; Liu, Y.; Liu, C.; Zhang, Z.; Wu, J.; Kang, C.; et al. Differentiation Between Nitrate Aerosol Formation Pathways in a Southeast Chinese City by Dual Isotope and Modeling Studies. J. Geophys. Res. Atmos. 2020, 125, e2020JD032604. [Google Scholar] [CrossRef]
- Luo, L.; Zhu, R.G.; Song, C.B.; Peng, J.-F.; Guo, W.; Liu, Y.; Zheng, N.; Xiao, H.; Xiao, H.-Y. Changes in nitrate accumulation mechanisms as PM(2.5) levels increase on the North China Plain: A perspective from the dual isotopic compositions of nitrate. Chemosphere 2021, 263, 127915. [Google Scholar] [CrossRef]
- Battye, W.; Aneja, V.P.; Roelle, P.A. Evaluation and improvement of ammonia emissions inventories. Atmos. Environ. 2003, 37, 3873–3883. [Google Scholar] [CrossRef]
- Lamarque, J.-F.; Dentener, F.; McConnell, J.; Ro, C.-U.; Shaw, M.; Vet, R.; Bergmann, D.; Cameron-Smith, P.; Dalsoren, S.; Doherty, R.; et al. Multi-model mean nitrogen and sulfur deposition from the Atmospheric Chemistry and Climate Model Intercomparison Project (ACCMIP): Evaluation of historical and projected future changes. Atmos. Chem. Phys. 2013, 13, 7997–8018. [Google Scholar] [CrossRef]
- Streets, D.G.; Canty, T.; Carmichael, G.R.; De Foy, B.; Dickerson, R.R.; Duncan, B.N.; Edwards, D.P.; Haynes, J.A.; Henze, D.K.; Houyoux, M.R.; et al. Emissions estimation from satellite retrievals: A review of current capability. Atmos. Environ. 2013, 77, 1011–1042. [Google Scholar] [CrossRef]
- Chang, Y.; Zhang, Y.; Tian, C.; Zhang, S.; Ma, X.; Cao, F.; Liu, X.; Zhang, W.; Kuhn, T.; Lehmann, M.F. Nitrogen isotope fractionation during gas-to-particle conversion of NOX to NO3− in the atmosphere–implications for isotope-based NOX source apportionment. Atmos. Chem. Phys. 2018, 18, 11647–11661. [Google Scholar] [CrossRef]
- Song, W.; Wang, Y.-L.; Yang, W.; Sun, X.-C.; Tong, Y.-D.; Wang, X.-M.; Liu, C.-Q.; Bai, Z.-P.; Liu, X.-Y. Isotopic evaluation on relative contributions of major NOX sources to nitrate of PM2.5 in Beijing. Environ. Pollut. 2019, 248, 183–190. [Google Scholar] [CrossRef]
- Zong, Z.; Sun, Z.; Xiao, L.; Tian, C.; Liu, J.; Sha, Q.; Li, J.; Fang, Y.; Zheng, J.; Zhang, G. Insight into the Variability of the Nitrogen Isotope Composition of Vehicular NOX in China. Environ. Sci. Technol. 2020, 54, 14246–14253. [Google Scholar] [CrossRef]
- Zong, Z.; Shi, X.; Sun, Z.; Tian, C.; Li, J.; Fang, Y.; Gao, H.; Zhang, G. Nitrogen isotopic composition of NOX from residential biomass burning and coal combustion in North China. Environ. Pollut. 2022, 304, 119238. [Google Scholar] [CrossRef]
- Hastings, M.G.; Jarvis, J.C.; Steig, E.J. Anthropogenic Impacts on Nitrogen Isotopes of Ice-Core Nitrate. Science 2009, 324, 1288. [Google Scholar] [CrossRef]
- Walters, W.W.; Tharp, B.D.; Fang, H.; Kozak, B.J.; Michalski, G. Nitrogen Isotope Composition of Thermally Produced NOX from Various Fossil-Fuel Combustion Sources. Environ. Sci. Technol. 2015, 49, 11363–11371. [Google Scholar] [CrossRef]
- Cao, Y.; Jiang, Z.; Alexander, B.; Cole-Dai, J.; Savarino, J.; Erbland, J.; Geng, L. On the potential fingerprint of the Antarctic ozone hole in ice-core nitrate isotopes: A case study based on a South Pole ice core. Atmos. Chem. Phys. 2022, 22, 13407–13422. [Google Scholar] [CrossRef]
- Zeng, J.; Han, G.; Zhang, S.; Qu, R. Nitrate dynamics and source identification of rainwater in Beijing during rainy season: Insight from dual isotopes and Bayesian model. Sci. Total Environ. 2022, 856, 159234. [Google Scholar] [CrossRef]
- Sigman, D.M.; Casciotti, K.L.; Andreani, M.; Barford, C.; Galanter, M.; Böhlke, J.K. A Bacterial Method for the Nitrogen Isotopic Analysis of Nitrate in Seawater and Freshwater. Anal. Chem. 2001, 73, 4145–4153. [Google Scholar] [CrossRef]
- McIlvin, M.R.; Casciotti, K.L. Technical Updates to the Bacterial Method for Nitrate Isotopic Analyses. Anal. Chem. 2011, 83, 1850–1856. [Google Scholar] [CrossRef] [PubMed]
- Tu, Y.; Fang, Y.; Liu, D.; Pan, Y. Modifications to the azide method for nitrate isotope analysis. Rapid Commun. Mass Spectrom. 2016, 30, 1213–1222. [Google Scholar] [CrossRef]
- Liu, D.W.; Tu, Y.; Fang, Y.T. Isotope analysis of ammonium and nitrate: A review on measured methods and their application. Ying Yong Sheng Tai Xue Bao J. Appl. Ecol. 2017, 28, 2353–2360. [Google Scholar]
- Zhao, Z.-Y.; Cao, F.; Zhang, W.-Q.; Zhai, X.-Y.; Fang, Y.; Fan, M.-Y.; Zhang, Y.-L. Determination of Stable Nitrogen and Oxygen Isotope Ratios in Atmospheric Aerosol Nitrates. Chin. J. Anal. Chem. 2019, 47, 907–915. [Google Scholar] [CrossRef]
- Heaton, T.H.E. 15N/14N ratios of NOx from vehicle engines and coal-fired power stations. Tellus B Chem. Phys. Meteorol. 1990, 42, 304–307. [Google Scholar] [CrossRef]
- Moore, H. The isotopic composition of ammonia, nitrogen dioxide and nitrate in the atmosphere. Atmos. Environ. 1977, 11, 1239–1243. [Google Scholar] [CrossRef]
- Walters, W.W.; Goodwin, S.R.; Michalski, G. Nitrogen stable isotope composition (δ15N) of vehicle-emitted NOX. Environ. Sci. Technol. 2015, 49, 2278–2285. [Google Scholar] [CrossRef]
- Li, Y.; Geng, Y.; Hu, X.; Yin, X. Seasonal differences in sources and formation processes of PM2.5 nitrate in an urban environment of North China. J. Environ. Sci. 2022, 120, 94–104. [Google Scholar] [CrossRef]
- Su, T.; Li, J.; Tian, C.; Zong, Z.; Chen, D.; Zhang, G. Source and formation of fine particulate nitrate in South China: Constrained by isotopic modeling and online trace gas analysis. Atmos. Environ. 2020, 231, 117563. [Google Scholar] [CrossRef]
- Felix, J.D.; Elliott, E.M.; Shaw, S.L. Nitrogen Isotopic Composition of Coal-Fired Power Plant NOX: Influence of Emission Controls and Implications for Global Emission Inventories. Environ. Sci. Technol. 2012, 46, 3528–3535. [Google Scholar] [CrossRef]
- Zong, Z.; Tan, Y.; Wang, X.; Tian, C.; Li, J.; Fang, Y.; Chen, Y.; Cui, S.; Zhang, G. Dual-modelling-based source apportionment of NOX in five Chinese megacities: Providing the isotopic footprint from 2013 to 2014. Environ. Int. 2020, 137, 105592. [Google Scholar] [CrossRef] [PubMed]
- Widory, D. Nitrogen isotopes: Tracers of origin and processes affecting PM10 in the atmosphere of Paris. Atmos. Environ. 2007, 41, 2382–2390. [Google Scholar] [CrossRef]
- Fibiger, D.L.; Hastings, M.G. First Measurements of the Nitrogen Isotopic Composition of NOX from Biomass Burning. Environ. Sci. Technol. 2016, 50, 11569–11574. [Google Scholar] [CrossRef]
- Shi, Y.; Tian, P.; Jin, Z.; Hu, Y.; Zhang, Y.; Li, F. Stable nitrogen isotope composition of NOX of biomass burning in China. Sci. Total Environ. 2021, 803, 149857. [Google Scholar] [CrossRef] [PubMed]
- Li, D.; Wang, X. Nitrogen isotopic signature of soil-released nitric oxide (NO) after fertilizer application. Atmos. Environ. 2008, 42, 4747–4754. [Google Scholar] [CrossRef]
- Felix, J.D.; Elliott, E.M. Isotopic composition of passively collected nitrogen dioxide emissions: Vehicle, soil and livestock source signatures. Atmos. Environ. 2014, 92, 359–366. [Google Scholar] [CrossRef]
- Miller, D.J.; Chai, J.; Guo, F.; Dell, C.J.; Karsten, H.; Hastings, M.G. Isotopic composition of in situ soil NOX emissions in manure-fertilized cropland. Geophys. Res. Lett. 2018, 45, 12–058. [Google Scholar] [CrossRef]
- Su, C.; Kang, R.; Zhu, W.; Huang, W.; Song, L.; Wang, A.; Liu, D.; Quan, Z.; Zhu, F.; Fu, P.; et al. δ15N of Nitric Oxide Produced Under Aerobic or Anaerobic Conditions From Seven Soils and Their Associated N Isotope Fractionations. J. Geophys. Res. Biogeosciences 2020, 125, e2020JG005705. [Google Scholar] [CrossRef]
- Hoering, T. The isotopic composition of the ammonia and the nitrate ion in rain. Geochim. Cosmochim. Acta 1957, 12, 97–102. [Google Scholar] [CrossRef]
- Ding, J.; van der, A.R.J.; Eskes, H.J.; Mijling, B.; Stavrakou, T.; Van Geffen, J.H.G.M.; Veefkind, J.P. NOX emissions reduction and rebound in China due to the COVID-19 crisis. Geophys. Res. Lett. 2020, 47, e2020GL089912. [Google Scholar] [CrossRef]
- Twigg, M.V. Progress and future challenges in controlling automotive exhaust gas emissions. Appl. Catal. B Environ. 2007, 70, 2–15. [Google Scholar] [CrossRef]
- Srivastava, R.K.; Hall, R.E.; Khan, S.; Culligan, K.; Lani, B.W. Nitrogen Oxides Emission Control Options for Coal-Fired Electric Utility Boilers. J. Air Waste Manag. Assoc. 2005, 55, 1367–1388. [Google Scholar] [CrossRef] [PubMed]
- Ikegami, M.; Okada, K.; Zaizen, Y.; Makino, Y.; Jensen, J.B.; Gras, J.L.; Harjanto, H. Very high weight ratios of S/K in individual haze particles over Kalimantan during the 1997 Indonesian forest fires. Atmos. Environ. 2001, 35, 4237–4243. [Google Scholar] [CrossRef]
- Cheng, M.-T.; Horng, C.-L.; Su, Y.-R.; Lin, L.-K.; Lin, Y.-C.; Chou, C.C.-K. Particulate matter characteristics during agricultural waste burning in Taichung City, Taiwan. J. Hazard. Mater. 2009, 165, 187–192. [Google Scholar] [CrossRef] [PubMed]
- Suarez, R.K.; Herrera M, L.G.; Welch, K.C. The sugar oxidation cascade: Aerial refueling in hummingbirds and nectar bats. J. Exp. Biol. 2011, 214, 172–178. [Google Scholar] [CrossRef] [PubMed]
- Phillips, D.L.; Gregg, J.W. Source partitioning using stable isotopes: Coping with too many sources. Oecologia 2003, 136, 261–269. [Google Scholar] [CrossRef]
- Zong, Z.; Wang, X.; Tian, C.; Chen, Y.; Fang, Y.; Zhang, F.; Li, C.; Sun, J.; Li, J.; Zhang, G. First Assessment of NOX Sources at a Regional Background Site in North China Using Isotopic Analysis Linked with Modeling. Environ. Sci. Technol. 2017, 51, 5923–5931. [Google Scholar] [CrossRef]
- Zhang, Z.; Zheng, N.; Zhang, D.; Xiao, H.; Cao, Y.; Xiao, H. Rayleigh based concept to track NOX emission sources in urban areas of China. Sci. Total Environ. 2020, 704, 135362. [Google Scholar] [CrossRef]
- Zhang, W.; Bi, X.; Zhang, Y.; Wu, J.; Feng, Y. Diesel vehicle emission accounts for the dominate NOX source to atmospheric particulate nitrate in a coastal city: Insights from nitrate dual isotopes of PM2.5. Atmos. Res. 2022, 278, 106328. [Google Scholar] [CrossRef]
- Jin, Z.; Qian, L.; Shi, Y.; Fu, G.; Li, G.; Li, F. Quantifying major NOX sources of aerosol nitrate in Hangzhou, China, by using stable isotopes and a Bayesian isotope mixing model. Atmos. Environ. 2021, 244, 117979. [Google Scholar] [CrossRef]
- Zhao, Z.-Y.; Cao, F.; Fan, M.-Y.; Zhang, W.-Q.; Zhai, X.-Y.; Wang, Q.; Zhang, Y.-L. Coal and biomass burning as major emissions of NOX in Northeast China: Implication from dual isotopes analysis of fine nitrate aerosols. Atmos. Environ. 2020, 242, 117762. [Google Scholar] [CrossRef]
- Yin, M.; Guan, H.; Luo, L.; Xiao, H.; Zhang, Z. Using nitrogen and oxygen stable isotopes to analyze the major NOX sources to nitrate of PM2.5 in Lanzhou, northwest China, in winter-spring periods. Atmos. Environ. 2022, 276, 119036. [Google Scholar] [CrossRef]
- Cheng, C.; Yu, R.; Chen, Y.; Chen, Y.; Yan, Y.; Hu, G.; Wang, S. Quantifying the source and formation of nitrate in PM(2.5) using dual isotopes combined with Bayesian mixing model: A case study in an inland city of southeast China. Chemosphere 2022, 308, 136097. [Google Scholar] [CrossRef] [PubMed]
- Li, J.; Li, Y.; Bo, Y.; Xie, S. High-resolution historical emission inventories of crop residue burning in fields in China for the period 1990–2013. Atmos. Environ. 2016, 138, 152–161. [Google Scholar] [CrossRef]
- Song, W.; Liu, X.-Y.; Hu, C.-C.; Chen, G.-Y.; Walters, W.W.; Michalski, G.; Liu, C.-Q. Important contributions of non-fossil fuel nitrogen oxides emissions. Nat. Commun. 2021, 12, 243. [Google Scholar] [CrossRef]
- Zhang, Z.; Zheng, N.; Liang, Y.; Luo, L.; Xiao, H.; Xiao, H. Dominance of Heterogeneous Chemistry in Summertime Nitrate Accumulation: Insights from Oxygen Isotope of Nitrate (δ18O–NO3−). ACS Earth Space Chem. 2020, 4, 818–824. [Google Scholar] [CrossRef]
- Walters, W.W.; Michalski, G. Theoretical calculation of oxygen equilibrium isotope fractionation factors involving various NOy molecules, OH, and H2O and its implications for isotope variations in atmospheric nitrate. Geochim. Cosmochim. Acta 2016, 191, 89–101. [Google Scholar] [CrossRef]
- Zong, Z.; Tan, Y.; Wang, X.; Tian, C.; Fang, Y.; Chen, Y.; Fang, Y.; Han, G.; Li, J.; Zhang, G. Assessment and quantification of NOX sources at a regional background site in North China: Comparative results from a Bayesian isotopic mixing model and a positive matrix factorization model. Environ. Pollut. 2018, 242, 1379–1386. [Google Scholar] [CrossRef]
- Guha, T.; Lin, C.; Bhattacharya, S.; Mahajan, A.; Ou-Yang, C.-F.; Lan, Y.-P.; Hsu, S.; Liang, M.-C. Isotopic ratios of nitrate in aerosol samples from Mt. Lulin, a high-altitude station in Central Taiwan. Atmos. Environ. 2017, 154, 53–69. [Google Scholar] [CrossRef]
- Zhang, Z.; Cao, L.; Liang, Y.; Guo, W.; Guan, H.; Zheng, N. Importance of NO3 radical in particulate nitrate formation in a southeast Chinese urban city: New constraints by δ15N-δ18O space of NO3−. Atmos. Environ. 2021, 253, 118387. [Google Scholar] [CrossRef]
- Walters, W.W.; Fang, H.; Michalski, G. Summertime diurnal variations in the isotopic composition of atmospheric nitrogen dioxide at a small midwestern United States city. Atmos. Environ. 2018, 179, 1–11. [Google Scholar] [CrossRef]
- Li, M.; Zhang, Z.; Yao, Q.; Wang, T.; Xie, M.; Li, S.; Zhuang, B.; Han, Y. Nonlinear responses of particulate nitrate to NOX emission controls in the megalopolises of China. Atmos. Chem. Phys. 2021, 21, 15135–15152. [Google Scholar] [CrossRef]
- Liu, X.-Y.; Yin, Y.-M.; Song, W. Nitrogen Isotope Differences between Major Atmospheric NOy Species: Implications for Transformation and Deposition Processes. Environ. Sci. Technol. Lett. 2020, 7, 227–233. [Google Scholar] [CrossRef]
- Li, Q.; Li, X.-D.; Yang, Z.; Cui, G.; Ding, S. Diurnal and seasonal variations in water-soluble inorganic ions and nitrate dual isotopes of PM2.5: Implications for source apportionment and formation processes of urban aerosol nitrate. Atmos. Res. 2020, 248, 105197. [Google Scholar] [CrossRef]
- Zhang, Z.; Jiang, Z.; Guan, H.; Liang, Y.; Zheng, N.; Guo, W. Isotopic Evidence for the High Contribution of Wintertime Photochemistry to Particulate Nitrate Formation in Northern China. J. Geophys. Res. Atmos. 2021, 126, e2021JD035324. [Google Scholar] [CrossRef]
- Chen, X.; Wang, H.; Lu, K.; Li, C.; Zhai, T.; Tan, Z.; Ma, X.; Yang, X.; Liu, Y.; Chen, S.; et al. Field Determination of Nitrate Formation Pathway in Winter Beijing. Environ. Sci. Technol. 2020, 54, 9243–9253. [Google Scholar] [CrossRef]
- Ishino, S.; Hattori, S.; Savarino, J.; Jourdain, B.; Preunkert, S.; Legrand, M.; Caillon, N.; Barbero, A.; Kuribayashi, K.; Yoshida, N. Seasonal variations of triple oxygen isotopic compositions of atmospheric sulfate, nitrate, and ozone at Dumont d’Urville, coastal Antarctica. Atmos. Chem. Phys. 2017, 17, 3713–3727. [Google Scholar] [CrossRef]
- He, P.; Xie, Z.; Chi, X.; Yu, X.; Fan, S.; Kang, H.; Liu, C. Atmospheric Δ17O (NO3−) reveals nocturnal chemistry dominates nitrate production in Beijing haze. Atmos. Chem. Phys. 2018, 18, 14465–14476. [Google Scholar] [CrossRef]
- Li, Z.; Walters, W.W.; Hastings, M.G.; Song, L.; Huang, S.; Zhu, F.; Liu, D.; Shi, G.; Li, Y.; Fang, Y. Atmospheric nitrate formation pathways in urban and rural atmosphere of Northeast China: Implications for complicated anthropogenic effects. Environ. Pollut. 2021, 296, 118752. [Google Scholar] [CrossRef]
- Hathorn, B.C.; Marcus, R.A. An intramolecular theory of the mass-independent isotope effect for ozone. I. J. Chem. Phys. 1999, 111, 4087–4100. [Google Scholar] [CrossRef]
- Miller, M.F. Isotopic fractionation and the quantification of 17O anomalies in the oxygen three-isotope system: An appraisal and geochemical significance. Geochim. Cosmochim. Acta 2002, 66, 1881–1889. [Google Scholar] [CrossRef]
- Savarino, J.; Kaiser, J.; Morin, S.; Sigman, D.M.; Thiemens, M.H. Nitrogen and oxygen isotopic constraints on the origin of atmospheric nitrate in coastal Antarctica. Atmos. Chem. Phys. 2007, 7, 1925–1945. [Google Scholar] [CrossRef]
- Savarino, J.; Morin, S.; Erbland, J.; Grannec, F.; Patey, M.D.; Vicars, W.; Alexander, B.; Achterberg, E.P. Isotopic composition of atmospheric nitrate in a tropical marine boundary layer. Proc. Natl. Acad. Sci. USA 2013, 110, 17668–17673. [Google Scholar] [CrossRef] [PubMed]
- Wang, Y.L.; Song, W.; Yang, W.; Sun, X.-C.; Tong, Y.-D.; Wang, X.-M.; Liu, C.-Q.; Bai, Z.-P.; Liu, X.-Y. Influences of atmospheric pollution on the contributions of major oxidation pathways to PM2. 5 nitrate formation in Beijing. J. Geophys. Res. Atmos. 2019, 124, 4174–4185. [Google Scholar] [CrossRef]
- Michalski, G.; Scott, Z.; Kabiling, M.; Thiemens, M.H. First measurements and modeling of Δ17O in atmospheric nitrate. Geophys. Res. Lett. 2003, 30. [Google Scholar] [CrossRef]
- Zhao, Z.-Y.; Cao, F.; Fan, M.-Y.; Zhai, X.-Y.; Yu, H.-R.; Hong, Y.; Ma, Y.-J.; Zhang, Y.-L. Nitrate aerosol formation and source assessment in winter at different regions in Northeast China. Atmos. Environ. 2021, 267, 118767. [Google Scholar] [CrossRef]
- Wang, H.; Lu, K.; Chen, X.; Zhu, Q.; Chen, Q.; Guo, S.; Jiang, M.; Li, X.; Shang, D.; Tan, Z.; et al. High N2O5 Concentrations Observed in Urban Beijing: Implications of a Large Nitrate Formation Pathway. Environ. Sci. Technol. Lett. 2017, 4, 416–420. [Google Scholar] [CrossRef]
- Michalski, G.; Xu, F. Isotope modeling of nitric acid formation in the atmosphere using ISO-RACM: Testing the importance of NO oxidation, heterogeneous reactions, and trace gas chemistry. Atmos. Chem. Phys. Discuss. 2010, 10, 6829–6869. [Google Scholar]
- Morin, S.; Sander, R.; Savarino, J. Simulation of the diurnal variations of the oxygen isotope anomaly (Δ17O) of reactive atmospheric species. Atmos. Chem. Phys. 2011, 11, 3653–3671. [Google Scholar] [CrossRef]




| Region | Coal Combustion | Vehicle Emission | Biomass Burning | Biogenic Soil Emission | ||
|---|---|---|---|---|---|---|
| Beijing [15,23] | 28 ± 12‰ | 29 ± 17‰ | 27 ± 15‰ | 16 ± 7‰ | ||
| 50‰ | 20‰ | 26‰ | 4‰ | |||
| Beijing–Tianjin–Shijiazhuang [58] | 17.9 ± 11.4‰ | 29.4 ± 19.6‰ | 29.1 ± 18.9‰ | 23.5 ± 12.7‰ | ||
| Tianjin [59] | 14.5‰ | 47‰ Diesel vehicles 25.6‰ Gasoline vehicles 21.4‰ | 17.4‰ | 21.1‰ | ||
| Beihuangcheng Island [57] | 36.53 ± 6.66‰ | 22.01 ± 6.92‰ | 27.78 ± 8.89‰ | 13.68 ± 3.16‰ | ||
| Jiaozuo [38] | Summer | 25‰ ± 9‰ | 18‰ ± 9‰ | 36‰ ± 12‰ | 22‰ ± 4‰ | |
| Winter | 31‰ ± 9‰ | 18‰ ± 9‰ | 30‰ ± 12‰ | 21‰ ± 4‰ | ||
| Guangdong [39] | 50.1 ± 13.8‰ | 22.1 ± 4.5‰ | 18.4 ± 5.1‰ | 9.4 ± 4.7‰ | ||
| Hangzhou [60] | 29.8 ~ 38.4‰ | 33.9 ~ 35.7‰ | 22.2 ~ 24.7‰ | 5.3 ~ 11.6‰ | ||
| Northeast China [61] | 34.5‰ | 19.5‰ | 34.3‰ | 11.7‰ | ||
| Lanzhou [62] (winter-spring periods) | 42.2 ± 9.9‰ | 22.2 ± 12.3‰ | 27.8 ± 16.2‰ | 7.7 ± 5.2‰ | ||
| Ganzhou [63] | Summer | 3.4‰ | 59.3‰ | 8.7‰ | 28.5‰ | |
| Winter | 4.1‰ | 65.1‰ | 10.6‰ | 20.1‰ | ||
| Abbreviations | Specific Contents |
|---|---|
| DMS | Dimethyl sulfide |
| HC | Hydrocarbons |
| VOCs | Volatile organic compounds |
| TWC | Three-way catalytic converter |
| LPG vehicles | Liquefied petroleum gas vehicles |
| SCR | Selective catalytic reduction |
| SIAR model | Bayesian isotope mixing model |
| VSMOW | the Vienna Standard Mean Ocean Water |
| MIF | Non-mass isotope fractionation |
| BTH | Beijing–Tianjin–Hebei |
| YRD | Yangtze River Delta |
| ISO-RACM | An isotope mass balance model that utilizes the Regional Atmospheric Chemistry Mechanism to predict Δ17O values in atmospheric nitrate |
| GEOS-Chem model | A global 3-D model of atmospheric composition |
Publisher’s Note: MDPI stays neutral with regard to jurisdictional claims in published maps and institutional affiliations. |
© 2022 by the authors. Licensee MDPI, Basel, Switzerland. This article is an open access article distributed under the terms and conditions of the Creative Commons Attribution (CC BY) license (https://creativecommons.org/licenses/by/4.0/).
Share and Cite
Zhen, S.; Luo, M.; Shao, Y.; Xu, D.; Ma, L. Application of Stable Isotope Techniques in Tracing the Sources of Atmospheric NOX and Nitrate. Processes 2022, 10, 2549. https://doi.org/10.3390/pr10122549
Zhen S, Luo M, Shao Y, Xu D, Ma L. Application of Stable Isotope Techniques in Tracing the Sources of Atmospheric NOX and Nitrate. Processes. 2022; 10(12):2549. https://doi.org/10.3390/pr10122549
Chicago/Turabian StyleZhen, Shaosong, Min Luo, Yang Shao, Diandou Xu, and Lingling Ma. 2022. "Application of Stable Isotope Techniques in Tracing the Sources of Atmospheric NOX and Nitrate" Processes 10, no. 12: 2549. https://doi.org/10.3390/pr10122549
APA StyleZhen, S., Luo, M., Shao, Y., Xu, D., & Ma, L. (2022). Application of Stable Isotope Techniques in Tracing the Sources of Atmospheric NOX and Nitrate. Processes, 10(12), 2549. https://doi.org/10.3390/pr10122549
