Next Article in Journal
The Difference of Lead Accumulation and Transport in Different Ecotypes of Miscanthus floridulus
Previous Article in Journal
Development of a ZrO2-Coating Technique by a Sol–Gel Process Assisted with Pre-Silica-Coating
 
 
Font Type:
Arial Georgia Verdana
Font Size:
Aa Aa Aa
Line Spacing:
Column Width:
Background:
Article

Supercritical Carbon Dioxide Extraction Process for Hibiscus taiwanensis S. Y. Hu and Tyrosinase Inhibitory Activity of Its Extract

1
Key Laboratory of Synthetic and Biological Colloids, Ministry of Education, School of Chemical and Material Engineering, Jiangnan University, Wuxi 214122, China
2
Jia Wenli (Fujian) Cosmetics Co., Ltd., Xiamen 363107, China
*
Author to whom correspondence should be addressed.
Processes 2022, 10(11), 2218; https://doi.org/10.3390/pr10112218
Submission received: 25 September 2022 / Revised: 22 October 2022 / Accepted: 25 October 2022 / Published: 28 October 2022

Abstract

Highlights

  • Supercritical carbon dioxide extraction technology was first used to extract the biologically active components from the stems of Hibiscus taiwanensis S. Y. Hu
  • The process was green and sustainable.
  • The tyrosinase inhibitory rate of the extract with a concentration of 250 μg/mL could reach 35.60%.

Abstract

In this study, the bioactive components in the stem of Hibiscus taiwanensis S. Y. Hu were extracted by supercritical carbon dioxide (SC-CO2), and the inhibition activity of the extract tyrosinase was analyzed. When the particle size of the powder was controlled to be 50 mesh, the effects of temperatures (40, 45, 50, 55, and 60 °C), pressures (15, 20, 25, 30, and 35 MPa), concentrations of entrainment agent (ethanol) (60, 80, and 95%) and CO2 flow rates (80, 100, 120, and 140 L/min) on the extraction rate, respectively, were studied with the single-variable method. The optimal parameters included an extraction temperature of 55 °C, an extraction pressure of 30 MPa, 80% ethanol as the entrainment agent, and the CO2 flow rate of 100 L/min. Under the optimal conditions, the extraction rate of Hibiscus taiwanensis S. Y. Hu reached more than 0.5% within 2 h. At the same time, the chemical compositions of the extract were investigated by using high-resolution liquid chromatography-mass spectrometry (LC-MS) equipped with a linear ion trap-electrostatic field orbital trap. In addition, the related activity of extract in the stem Hibiscus taiwanensis S. Y. Hu was evaluated by tyrosinase inhibition experiments. The results showed that the inhibition rate of the extract with a concentration of 0.25 mg/mL to tyrosinase reached 35.60%, indicating that the extract by SC-CO2 had the potential to be used for whitening active raw materials.

1. Introduction

Hibiscus taiwanensis S. Y. Hu [1,2] is a plant in the mallow family. Its flowers are edible. Its roots and stems are used as medicine, and it is a commonly used herbal medicine in Taiwan [1,2]. It is mild and slightly spicy, and is significantly effective for curing all kinds of poisoned sores [1,2]. It has anti-inflammatory, detoxifying, lung-clearing, and blood-cooling effects [1,2]. As a kind of endemic species in Taiwan, China, Hibiscus taiwanensis S. Y. Hu is distributed on the edge of broad-leaved forests or roadsides from plains and hills to altitudes of 1000–2000 m, and it prefers sunny and humid environments [1,2,3]. It belongs to deciduous large shrubs or small arbors, and the whole plant is densely hairy. The height of the plant is about 3–8 m. The leaves are alternate, thick, papery, and semi-circular. Flowers are hermaphroditic. Its bell-shaped sepals have 5 parts, and the petals are shallow bell-shaped (Figure 1). Modern research shows that the active ingredients of Hibiscus are mainly lignans, amides, terpenoids, sterols, naphthoquinones, and other compounds, with the functions of whitening, anti-inflammation anti-oxidation, anti-cancer, anti-virus, improving immunity, and reducing pores [3,4,5,6]. Natural whitening additives extracted from plants are much better than other chemical synthetic agents in terms of safety, making them more and more favored by whitening cosmetics developers and consumers [7]. In recent years, the study of the extraction of natural plant components and their whitening effects has become a research hotspot [8,9].
At present, the extraction methods by water and organic solvents (such as methanol or acetone) are mainly employed to obtain the extracts of Hibiscus taiwanensis S. Y. Hu [3,6,10,11]. For example, using methanol as a solvent, Wu’s team extracted and isolated three new phenylpropionates from the stem of Hibiscus taiwanensis S. Y. Hu, and tested their cytotoxic activity against human lung and breast cancer cells [6]. Using methanol as solvent, Lee et al. isolated 56 chemical components, including ferulic acid from Hibiscus taiwanensis S. Y. Hu, among which five compounds, namely hibicuslide A, hibicuslide B, hibicuslide C, hibicutaiwanin, and hibicusin were newly discovered [3]. Liu et al. employed water as a solvent to extract Hibiscus taiwanensis S. Y. Hu found seven main phenolic compounds, namely ferulic acid, p-coumaric acid, gallic acid, syringic acid, chlorogenic acid, vanillic acid, and caffeic acid, and detected their anti-inflammatory activity to lps-induced RAW264.7 cells and carr-induced mouse foot edema [10]. Wang et al. used an acetone aqueous solution to immerse and extract Hibiscus taiwanensis S. Y. Hu, and described the hypoglycemic effect of the extracts, including syringaldehyde, on the plasma of streptozotocin-induced diabetic rats [11]. The use of a large amount of organic solvents has the disadvantages of negative environmental impact as well as complicated and tedious processes. In addition, a large number of active ingredients may lose their activity in the processes of repeated high-temperature concentration and recovery of organic solvents due to the photothermal instability of the functional components of Hibiscus taiwanensis S. Y. Hu, which may cause enormous losses. Therefore, there is an urgent need for a more advanced new technology with less environmental pollution and less damage to functional components. The supercritical carbon dioxide extraction [12,13,14,15] is a green, efficient, and highly selective extraction method, and its extraction at near room temperature can effectively protect the functional components from being destroyed. The principle of the method [12,13,14,15] is to use the varying dissolving effects of natural products in supercritical carbon dioxide to separate these products. In the supercritical state, the supercritical carbon dioxide is contacted with the substance to be separated, so that it can selectively extract the components of varying polarity, boiling points, and molecular weights in turn. By controlling the extraction conditions, the optimal proportion of the mixed components is obtained, and then the supercritical fluid is transformed into an ordinary gas using decompression and heating. The extracted substances are completely or largely separated to achieve the purpose of separation and purification.
The supercritical carbon dioxide extraction method has the following features [12,13,14,15]. First, the extraction can be conducted at close to room temperature (35–40 °C) and in the atmosphere of CO2, which effectively prevents the oxidation and loss of heat-sensitive substances. Thus, the active ingredients of medicinal plants are kept in the extract, and the substances with high boiling points, low volatility, and easy pyrolysis can be extracted at a temperature far below their boiling point. Second, organic solvents were not employed in the whole process, so the extracts contain no residual solvent substances. Thus, the existence of harmful substances to the human body and the pollution of the environment during the extraction process are prevented, and 100% pure naturalness is ensured. Third, the extraction and separation are combined into one process. When the saturated CO2 fluid containing the dissolved matter enters the separator, the CO2 and the extract are immediately separated into two-phase (gas–liquid separation) upon the drop in pressure or the change in temperature. The high extraction efficiency and the low energy consumption improve the production efficiency and reduce the cost. Fourthly, since CO2 is an inactive gas, no chemical reaction occurs during the extraction process. It is a non-flammable, tasteless, odorless, and non-toxic gas with very good safety. Fifthly, the cheap CO2 gas with features of high purity and easy preparation can be recycled and reused in production, thereby effectively reducing costs. Based on these advantages, supercritical carbon dioxide extraction has been widely used in medicine [16], food [17], fragrance [18], petrochemical [19], and other fields [20], and has become one of the most effective approaches to obtaining high-quality products.
To the best of our knowledge, there are no reports on the extraction of Hibiscus taiwanensis S. Y. Hu by the SC-CO2 method. In this work, supercritical carbon dioxide extraction technology was used to extract the biologically active components from the stems of Hibiscus taiwanensis S. Y. Hu, and the extraction temperature, extraction pressure, the concentrations of entrainer and CO2 were optimized. By analyzing the tyrosinase inhibitory activity of the extract, its potential effect as a whitening raw material was demonstrated.

2. Materials and Methods

2.1. Materials and Equipment

The dried stem of Hibiscus taiwanensis S. Y. Hu, disodium hydrogen phosphate (≥99.0%, CAS 7558-80-7), L-tyrosine (≥99.0%, CAS 60-18-4), arbutin (≥99.0%, CAS 497-76-7), and tyrosinase (5370 U/9.3 mg, CAS 9002-10-2) were purchased from Sigma-Aldrich (Shanghai, China).
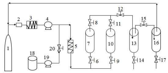
The experimental equipment was provided by the Jiangsu Nantong Huaan Supercritical Extraction Co., Ltd. (Jiangsu, China). The schematic diagram is shown in Figure 2.

2.2. Supercritical Fluid Extraction

The stems of Hibiscus taiwanensis S. Y. Hu were extracted by varying supercritical extraction processes, and the effects of different extraction conditions (extraction temperature, extraction pressure, entrainer concentration, and CO2 concentration) on the extraction rate were studied under a single variable condition. The experiment for each variable was repeated three times, and the average value of the extraction rates obtained three times was taken as the final extraction rate.
For the extraction process, the Hibiscus taiwanensis S. Y. Hu was dried and pulverized to 50 mesh, and then 2 kg of the raw materials and 2 kg of the entrainer-ethanol aqueous solution with different concentrations were filled into the extraction kettle I and extraction kettle II. Carbon dioxide was discharged from the CO2 cylinder, and was then filtered by the filter to remove the impurities in CO2. After passing through the refrigerator, the temperature was lowered to below 0 °C to ensure the liquid state of CO2. The extraction in the extraction kettle I was started by opening valve 6 and closing valves 8, 9, and 11. The liquid CO2 was pumped into the extraction kettle I by the CO2 high-pressure pump. At this time, the liquid CO2 was heated to reach the set temperature when passing through the heater. When the liquid CO2 pressure reached the set pressure, the pressure of the extraction kettle I was ensured to reach the set pressure by opening valve 8 and adjusting valve 12. The pressure and temperature of the separation kettle I were set by adjusting valve 15. The pressure and temperature of the separation kettle II were 5–6 MPa and ambient temperature, respectively. At the same time, valve 20 was opened, and the entrainer in the entrainer kettle was pumped into the extraction kettle I through the entrainer pump. Under the extraction and separation of CO2, the active ingredients in Hibiscus taiwanensis S. Y. Hu entered the separation kettle I and the separation kettle II together with the supercritical CO2. The effective components dissolved therein were resolved and collected through valves 14 and 17, while CO2 was recycled. The gas in the extraction kettle I was introduced into the extraction kettle II in order to conduct the extraction after the extraction in the extraction kettle I was completed. The raw materials can be replaced in the extraction kettle I. After the extraction of the extraction kettle II10 was completed, the gas in the extraction kettle II was introduced into the extraction kettle I, which could realize continuous extraction, shorten production cycle, and improve production efficiency.
Extraction rate = extract amount/feed amount × 100%

2.3. Chromatographic Analysis of Extract Components

A 0.1% methanol (80% aqueous solution) solution was prepared with the extract from the stem of Hibiscus taiwanensis S. Y. Hu under the optimal conditions, and was then loaded into automatic sample vials (1.5 mL). High-resolution liquid chromatography-mass spectrometry (LC/MS) equipped with a linear ion trap-electrostatic field orbital trap was employed to investigate chemical constituents in extracts.
Chromatographic conditions: UltiMate 3000UHPLC was equipped with a C18 column (1.8 μm, 2.1 mm × 100 mm). The column temperature was 45 °C, the flow rate was 0.4 mL/min, and the injection volume was 4 mL. The gradient elution procedure of the mobile phase (acetonitrile-0.1% formic acid aqueous solution) was listed in Table 1.
Mass spectrometry conditions: LTQ ORBITRAP VELOS PRO (Thermo Fisher Scientific, San Jose, CA, USA) was equipped with USAHESI source and positive ion mode, and the parameters were set as the following: the ion source temperature of 350 °C, capillary temperature of 320 °C, sheath gas flow rate of 35 units, auxiliary gas flow rate of 10 units, spray voltage of 4 kV, capillary voltage of 35 V, and tube lens voltage of 110 V. The sample was first scanned in full under the resolution of 30,000 and in the scanning range of m/z 50~900. The dynamic data dependent scan (DDS) was adopted for the secondary scanning. The top three peaks in abundance in the upper stage were selected and scanned by collision-induced dissociation (CID) fragmentation and detected by an ion trap dynode.
LTQ ORBITRAP VELOS PRO was equipped with HESI source and negative ion mode, and the parameters were set as the following: the ion source temperature of 300 °C, capillary temperature of 320 °C, sheath gas flow rate of 35 units, auxiliary gas flow rate of 10 units, spray voltage of 3.6 kV, capillary voltage of 35 V, and tube lens voltage of 110 V. The sample was first scanned in full under the resolution of 30,000 and in the scanning range of m/z 50~900. The DDS was adopted for the secondary scanning, and the top six peaks in abundance in the upper stage were selected and scanned by CID fragmentation and detected by an ion trap dynode.

2.4. Whitening Activity (Tyrosinase Inhibition Method)

Preparation of phosphate buffer solution: 13.3984 g of disodium hydrogen phosphate was dissolved in deionized water, and transferred into a volumetric flask to a constant volume of 250 mL. This was solution A. Then, 6.9011 g of sodium dihydrogen phosphate was dissolved in deionized water and transferred into a volumetric flask to a constant volume of 250 mL. This was solution B. A total of 50 mL of Solution A and 50 mL of Solution B were charged into a volumetric flask to a constant volume of 250 mL. The phosphate buffer solution, with PH 6.8, was then obtained.
Preparation of L-tyrosine solution: 0.0181 g of L-tyrosine was dissolved in 50 mL of phosphate buffer solution.
Preparation of tyrosinase solution: The purchased tyrosinase specification was 5370 U/9.3 mg. The tyrosinase was weighed according to the activity unit of 300 U/mL, and then dissolved with the phosphate buffer solution to the required volume. The whole operation process was performed in an ice-water bath to prevent tyrosinase inactivation.
Preparation of reference solution: The arbutin solution of 0.5 mg/mL was used in this experiment.
A micropipette was used to accurately pipette the four groups (C1, C2, T1, and T2) of reaction solutions into a 96-well plate according to the volumes shown in Table 2. The solutions were shaken, mixed well, and kept in a water bath at 37 °C for 10 min. Then 50 μL of tyrosine was added into each solution to react for 5 min. The absorbance AT2, AT1, AC2, and AC1 at the wavelength of 492 nm was quickly measured with a microplate reader, and the inhibition rate of the sample to tyrosinase activity was calculated according to the following formula: inhibition rate = [1 − (AT2 − AT1)/(AC2 − AC1)] × 100%, where AC1 was the absorbance of tyrosinase in the solvent system, and AT1 was the absorbance of the sample and tyrosinase in the solvent system. In order to eliminate the system error caused by water in parallel, 30 μL of deionized water was added to C1 and C2, respectively.

3. Results and Discussion

Based on the features of SC-CO2 extraction technology, the extraction efficiency was determined by several parameters, such as the extraction temperature, extraction pressure, entrainer concentration, and CO2 concentration to a certain extent. Therefore, using the single-variable method (other factors were remained the same), the influence of these parameters on the extraction rate was studied to find the optimal extraction parameters of Hibiscus taiwanensis S. Y. Hu by the SC-CO2 extraction technology. In addition to the above factors, the final extraction rate was also affected by the particle size of the powders. Combined with the actual extraction equipment, the powders of 50 mesh were selected for the experiments in this work.

3.1. Effect of the Extraction Temperature on the Extraction Rate

The effect of the extraction temperature on the extraction process of supercritical carbon dioxide is very complex, and the slight change may have a very obvious impact on the extraction composition and extraction rate of supercritical carbon dioxide. On the one hand, the temperature affects the density of supercritical carbon dioxide. Under isobaric conditions, the increase in the temperature leads to a decrease in the density of carbon dioxide, thereby reducing the dissolution ability of supercritical carbon dioxide. On the other hand, the temperature affects the vapor pressure of substances. The increase in the temperature leads to an increase in the vapor pressure of the solute, thereby improving the solubility of the solute in supercritical carbon dioxide.
Keeping other extraction conditions unchanged (extraction pressure of 30 MPa, extraction time of 2 h, separation kettle I pressure of 6 MPa, separation kettle I temperature of 60 °C, separation kettle II pressure of 4.5 MPa, separation kettle II temperature of 40 °C, and alcohol as an entrainer), the temperature is changed in order to observe the effect of temperature on the extraction rate. It can be seen from Figure 3 that the extraction rate first increased and then decreased with the increase in temperature, and the extraction rate reached its maximum at 55 °C. This indicated that at 40–55 °C, the enhanced speed of molecular motion at a higher temperature increased the mass transfer coefficient of the substance, and improved the volatility and diffusion coefficient of the extracted substance. This was beneficial to the extraction of the functional components of Hibiscus taiwanensis S. Y. Hu. While at 55–60 °C, the enhanced temperature lowered the extraction rate of the functional components of Hibiscus taiwanensis S. Y. Hu. This indicated that, compared with the decreased carbon dioxide density, increasing the solute vapor pressure had more influence on the extraction effect, although they were both caused by temperature increasing.

3.2. Effect of the Extraction Pressure on the Extraction Rate

The dissolving ability of supercritical carbon dioxide is closely related to its density, and pressure is one of the main factors affecting fluid density. The solubility of a solute in supercritical carbon dioxide has a mutation region near the critical pressure, where the solubility increase value can reach more than two orders of magnitude. The solubility of solutes in supercritical carbon dioxide varies with pressure in a similar way; however, there are significant differences in the solubility of different compounds in different plants.
Keeping other extraction conditions unchanged (extraction temperature of 55 °C, extraction time of 2 h, separation kettle I pressure of 6 MPa, separation kettle I temperature of 60 °C, separation kettle II pressure of 4.5 MPa, separation kettle II temperature of 40 °C, and alcohol as an entrainer), the extraction pressure was changed in order to observe the effect of pressure on the extraction rate. It can be seen from Figure 4 that the extraction rate of Hibiscus taiwanensis S. Y. Hu increased with the increase in pressure (from 15 MPa to 35 MPa), indicating that the extraction rate can be improved by increasing the extraction pressure. The extraction rate at 30 MPa was similar to that at 35 MPa, so the optimal extraction pressure of 30 MPa was selected when considering the production safety of the supercritical carbon dioxide equipment. A higher extraction rate can be obtained under this extraction pressure.

3.3. Effect of the Ethanol Concentration on the Extraction Rate

The role of entrainers in supercritical carbon dioxide fluids has always been the focus of research. The addition of polar components as entrainers to non-polar solvents such as supercritical carbon dioxide can effectively improve the solubility of supercritical carbon dioxide for polar solutes. Therefore, the enhancement technology of the entrainer to supercritical carbon dioxide extraction process has been widely employed in the light industry, chemical industry, medicine, food, and other fields.
Considering that the extract from Hibiscus taiwanensis S. Y. Hu was supposed to be applied in whitening cosmetics, ethanol was chosen as the entrainer. Keeping other extraction conditions unchanged (extraction pressure of 30 MPa, extraction temperature of 55 °C, extraction time of 2 h, separation kettle I pressure of 6 MPa, separation kettle I temperature of 60 °C, separation kettle II pressure of 4.5 MPa, and separation kettle II temperature of 40 °C), the concentration of the entrainer was changed in order to observe the effect of the entrainer concentration on the extraction rate. It can be seen from Figure 5 that the extraction rate of Hibiscus taiwanensis S. Y. Hu increased with the increase in ethanol concentration, with 60–80% (v/v) ethanol as the entrainer. In the case of the ethanol concentration of 80–95% (v/v), the extraction rate of Hibiscus taiwanensis S. Y. Hu decreased with the increase in the concentration, indicating that the entrainers with different polarities had an obvious impact on the extraction of functional components of Hibiscus taiwanensis S. Y. Hu. Under the current conditions, a better extraction rate was obtained with 80% (v/v) ethanol as the entrainer.

3.4. Effect of the CO2 Flow Rate on the Extraction Rate

As an extraction solvent, the flow rate of carbon dioxide has a very significant impact on the extraction effect and extraction time. Generally, the lower flow rate of carbon dioxide results in a lower extraction rate and longer extraction time. However, when the flow rate is too large, although the extraction time is shortened, the consumption of the extractant is increased, thereby improving the cost.
As can be seen from Figure 6, when the carbon dioxide flow rate was increased from 80 L/min to 100 L/min, the extraction rate of Hibiscus taiwanensis S. Y. Hu also increased significantly. However, when the carbon dioxide flow was increased from 100 L/min to 140 L/min, the extraction rate did not improve significantly. Thus, 100 L/min was chosen as the optimum carbon dioxide flow rate.
To summarize, the extraction conditions were optimized as: the extraction pressure of 30 MPa, the extraction temperature of 55 °C, the separation kettle I pressure of 6 MPa, the separation kettle I temperature of 60 °C, the separation kettle II pressure of 4.5 MPa, the separation kettle II temperature of 40 °C, carbon dioxide flow rate of 100 L/min, extraction time of 2 h, and 80% (v/v) ethanol as the entrainment agent.

3.5. Analysis of Chemical Composition of Extracts

The chemical compositions of the extracts (Table 3) obtained under the above optimized conditions were analyzed using high-resolution LC-MS equipped with a linear ion trap/electrostatic field orbital trap. A total of 42 active ingredients were detected in the extracts in both positive and negative ion modes, of which there were 16 active ingredients with a peak area greater than 3,000,000. In descending order of peak area, these were trans-4-hydroxycinnamic acid, p-hydroxycinnamic acid, 3-hydroxycinnamic acid, caffeic acid, ferulic acid, azelaic acid, salicylic acid, betulinic acid, fumaric acid, ursolic acid, oleanolic acid, fraxin, sebacic acid, maslinic acid, aesculetin, and aseculin. Among them, trans-4-hydroxycinnamic acid, p-hydroxycinnamic acid, 3-hydroxycinnamic acid, caffeic acid, and ferulic acid were all derivatives of cinnamic acid, while ferulic acid was reported by Lee [3] et al. in the extraction of Hibiscus taiwanensis S. Y. Hu. Extracted by methanol [3], β-sitosteryl-β-D-glucoside, (7S,8S)-demethylcarolignan E, N-trans-feruloyltyramine, β-sitosterol/stigmasterol, 9,9′-O-feruloyl-(-)-secoisolaricinresinol, and mansonone H are high content ingredients. However, it is worth noting that acids are main ingredients of the extract in this work. This may be helpful for the application of the extract in the field of whitening.

3.6. Effect of the Extract Concentration on the Tyrosinase Inhibitory Activity

Tyrosinase is a 75 kD copper-containing enzyme with a variety of characteristic catalytic activities. It can be used as tyrosine hydroxylase, dopa oxidase, and a 5, 6-dihydroxyindole oxidase. It is a key enzyme in the process of melanin production [21]. Therefore, inhibiting the activity of tyrosinase is a way to effectively reduce the production of melanin, and it is also one of the important methods for screening ingredients with a whitening effect.
It can be seen from Figure 7 that the inhibition rate of tyrosinase by the extract of Hibiscus taiwanensis S. Y. Hu at a concentration of 0.25 mg/mL reached 35.60%, indicating that the extract of Hibiscus taiwanensis S. Y. Hu by SC-CO2 had a strong inhibitory activity on tyrosinase, which can significantly inhibit the production of melanin. This may be related to the richness of cinnamic acid derivatives, especially ferulic acid [22], in Hibiscus taiwanensis S. Y. Hu. Ferulic acid is favored by the cosmetics industry because of its two major characteristics. First, it has good ultraviolet absorption near 290–330 nm, and ultraviolet rays of 305–310 nm are most likely to induce skin erythema. Second, ferulic acid has a strong antioxidant effect, and has the effect of inhibiting tyrosinase. In addition, as shown in Table 3, salicylic acid [23], azelaic acid [24], ursolic acid [25], and oleanolic acid [26] were also reported as whitening ingredients with relatively large contents in the extract components of Hibiscus taiwanensis S. Y. Hu. Arbutin is a natural active substance, isolated from plants of the arctostaphylos genus, with a whitening effect, and it is an important tyrosine inhibitor in marketed whitening skin care products [27]. In this work, 0.5 mg/mL of arbutin solution was selected as the control sample to study the tyrosinase inhibitory activity. The results showed that under the same conditions, the inhibition rate of 0.5 mg/mL of arbutin solution was only 5.80%. In addition, we extracted Hibiscus taiwanensis S. Y. Hu using methanol as the solvent, according to a method which can be found in the literature (3). In this way, the inhibition rate of tyrosinase by the obtained extract at a concentration of 0.25 mg/mL was verified at only 2%, also under the same conditions. These fully show that the extract in Hibiscus taiwanensis S. Y. Hu obtained by SC-CO2 extraction had the potential to be used as a tyrosine inhibitor, and to be applied to whitening cosmetics.

4. Conclusions

This study aims to develop a new method for extracting Hibiscus taiwanensis S. Y. Hu, and to preliminarily investigate the potential ability of the obtained extracts of Hibiscus taiwanensis S. Y. Hu to be used as a whitening raw material in whitening cosmetics. Using a single variable method, the particle size of the powder was fixed as 50 mesh, and the optimal extraction conditions were finally determined as follows: the extraction temperature of 55 °C, the extraction pressure of 30 MPa, 80% ethanol as the entrainer, and the CO2 flow of 100 L/min. Under the optimal conditions, the extraction rate of Hibiscus taiwanensis S. Y. Hu could reach more than 0.5% within 2 h. In addition, the main active components of extracts in Hibiscus taiwanensis S. Y. Hu under the optimal conditions were analyzed by LC-MS. These were cinnamic acid, caffeic acid, ferulic acid, azelaic acid, salicylic acid, betulinic acid, fumaric acid, ursolic acid, oleanolic acid, fraxin, sebacic acid, maslinic acid, aesculetin, aseculin, etc. In addition, the activity of the extracts in the stems of Hibiscus taiwanensis S. Y. Hu was evaluated by tyrosinase inhibition assay. The results showed that the inhibitory rate of the extracts with a concentration of 250 μg/mL to tyrosinase reached 35.60%, but under the same conditions, the inhibition rate of the commonly used whitening ingredient arbutin solution (0.5 mg/mL) in the market was only 5.80%. This fully demonstrated that the extracts from Hibiscus taiwanensis S. Y. Hu, obtained by supercritical carbon dioxide extraction, had the potential to be used as a tyrosine inhibitor and applied to whitening cosmetics. Certainly, the actual use of extracts in whitening cosmetics still needs some other experiments to verify in detail, and this will be reported in follow-up studies.

Author Contributions

Conceptualization, J.Y. and L.D.; methodology, J.Y., F.P. and L.D.; validation, J.Y. and F.P.; writing—original draft preparation, J.Y. and F.P.; writing—review and editing, L.D.; supervision, J.Y. and L.D. All authors have read and agreed to the published version of the manuscript.

Funding

This research received no external funding.

Institutional Review Board Statement

Not applicable.

Informed Consent Statement

Not applicable.

Conflicts of Interest

The authors declare no conflict of interest.

References

  1. Yang, S.Z.; Gao, Y.J. A preliminary study on diverse plant uses of Rukai Tribe in Wutai district of Pingtung County, Southern Taiwan. Taiwania 2011, 56, 7–16. [Google Scholar]
  2. Chau, C.F.; Wu, S.H. The development of regulations of Chinese herbal medicines for both medicinal and food uses. Trends Food Sci. Technol. 2006, 17, 313–323. [Google Scholar] [CrossRef]
  3. Wu, P.L.; Wu, T.S.; He, C.X.; Su, C.H.; Lee, K.H. Constituents from the stems of Hibiscus taiwanensis. Chem. Pharm. Bull. 2005, 53, 56–59. [Google Scholar] [CrossRef] [PubMed]
  4. Kuo, S.C.; Chung, H.H.; Huang, C.H.; Cheng, J.T. Decrease of hyperglycemia by syringaldehyde in diabetic rats. Horm. Metab. Res. 2014, 46, 8–13. [Google Scholar] [CrossRef]
  5. Huang, C.H.; Chen, M.F.; Chung, H.H.; Cheng, J.T. Antihyperglycemic effect of syringaldehyde in streptozotocin-induced diabetic rats. J. Nat. Prod. 2012, 75, 1465–1468. [Google Scholar] [CrossRef]
  6. Wu, P.L.; Chuang, T.H.; He, C.X.; Wu, T.S. Cytotoxicity of phenylpropanoid esters from the stems of Hibiscus taiwanensis. Bioorg. Med. Chem. 2004, 12, 2193–2197. [Google Scholar] [CrossRef]
  7. Alamgir, A.N.M. Classification of drugs, nutraceuticals, functional food, and cosmeceuticals; proteins, peptides, and enzymes as drugs. Prog. Drug Res. 2018, 73, 125–175. [Google Scholar]
  8. Sim, Y.Y.; Nyam, K.L. Application of Hibiscus cannabinus L. (kenaf) leaves extract as skin whitening and anti-aging agents in natural cosmetic prototype. Ind. Crops Prod. 2021, 167, 113491. [Google Scholar] [CrossRef]
  9. Chu, C.; Li, J.; Yang, F.; Yang, K.; Liu, B.; Tong, S.; Yan, J.; Chen, S. A novel high-resolution monophenolase/diphenolase/radical scavenging profiling for the rapid screening of natural whitening candidates from Peaonia lactiflora root and their mechanism study with molecular docking. J. Ethnopharmacol. 2022, 282, 114607. [Google Scholar] [CrossRef]
  10. Liu, S.L.; Deng, J.S.; Chiu, C.S.; Hou, W.C.; Huang, S.S.; Lin, W.C.; Liao, J.C.; Huang, G.J. Involvement of heme oxygenase-1 participates in anti-inflammatory and analgesic effects of aqueous extract of Hibiscus taiwanensis. Evid. Based Complement. Alternat. Med. 2012, 2012, 132859. [Google Scholar] [CrossRef]
  11. Wang, L.Y.; Chung, H.H.; Cheng, J.T. Decrease of plasma glucose by Hibiscus taiwanensis in type-1-like diabetic rats. Evid. Based Complement. Alternat. Med. 2013, 2013, 356705. [Google Scholar] [PubMed]
  12. Phong, W.N.; Payne, A.D.; Coorey, R.; Gibberd, M.R.; Dykes, G.A. Methods used for extraction of plant volatiles have potential to preserve truffle aroma: A review. Compr. Rev. Food Sci. Food Saf. 2022, 21, 1677–1701. [Google Scholar] [CrossRef] [PubMed]
  13. Dhara, O.; Rani, K.N.P.; Chakrabarti, P.P. Supercritical carbon dioxide extraction of vegetable oils: Retrospective and prospects. Eur. J. Lipid Sci. Technol. 2022, 124, 2200006. [Google Scholar] [CrossRef]
  14. Ardestani, N.S.; Rojas, A.; Esfandiari, N.; Galotto, M.J.; Babhadiashar, A.; Sajadian, S.A. Supercritical fluid extraction from Zataria multiflora boiss and impregnation of bioactive compounds in PLA for the development of materials with antibacterial properties. Processes 2022, 10, 1787. [Google Scholar] [CrossRef]
  15. Abdul, A.; Ahmad, H.; Mohd, I.; Nor, F.; Putra, N.R.; Awang, M.A.; Idham, Z.; Mamat, H.; Che Yunus, M.A. Solubility of rosmarinic acid in supercritical carbon dioxide extraction from orthosiphon stamineus leaves. Chem. Eng. 2022, 6, 59. [Google Scholar] [CrossRef]
  16. Qamar, S.; Torres, Y.J.M.; Parekh, H.S.; Robert Falconer, J. Extraction of medicinal cannabinoids through supercritical carbon dioxide technologies: A review. J. Chromatogr. B. 2021, 1167, 122581. [Google Scholar] [CrossRef]
  17. Wang, W.; Rao, L.; Wu, X.; Wang, Y.; Zhao, L.; Liao, X. Supercritical carbon dioxide applications in food processing. Food Eng. Rev. 2021, 13, 570–591. [Google Scholar] [CrossRef]
  18. Shahsavandi, A.; Farahbod, F. The parametric evaluation of essence extracting from camomile by CO2 supercritical. Chem. J. 2016, 2, 10–14. [Google Scholar]
  19. Kamali, H.; Ghaziaskar, H.S.; Khakshour, A.; Kaboudvand, M. Supercritical CO2 extraction of phthalic anhydride, benzoic acid and maleic acid from petrochemical wastes. J. Supercrit. Fluid. 2013, 74, 46–51. [Google Scholar] [CrossRef]
  20. Jiang, K.; Shi, J.; Zhao, Q.; Jin, H. Research progress of industrial application based on two-phase flow system of supercritical carbon dioxide and particles. Powder Technol. 2022, 407, 117621. [Google Scholar] [CrossRef]
  21. Efdi, M.; Ohguchi, K.; Akao, Y.; Nozawa, Y.; Koketsu, M.; Ishihara, H. N-trans-feruloyltyramine as a melanin biosynthesis inhibitor. Biol. Pharm. Bull. 2007, 30, 1972–1974. [Google Scholar] [CrossRef] [PubMed]
  22. Wang, Q.J.; Gao, X.; Gong, H. Chemical stability and degradation mechanisms of ferulic acid (F.A) within various cosmetic formulations. J. Cosmet. Sci. 2011, 62, 483–503. [Google Scholar] [PubMed]
  23. Ahn, H.H.; Kim, I.H. Whitening effect of salicylic acid peels in Asian patients. Dermatol. Surg. 2006, 32, 372–375. [Google Scholar] [PubMed]
  24. Abdel Naser, Z.; Rowa, A.R. Depigmentation and anti-aging treatment bynatural molecules. Curr. Pharm. Design 2019, 25, 2292–2312. [Google Scholar]
  25. Nile, S.H.; Nile, A.; Liu, J.; Kim, D.H.; Kai, G. Exploitation of apple pomace towards extraction of triterpenic acids, antioxidant potential, cytotoxic effects, and inhibition of clinically important enzymes. Food Chem. Toxicol. 2019, 131, 110563. [Google Scholar] [CrossRef] [PubMed]
  26. Han, S.K.; Kim, Y.G.; Kang, H.C.; Huh, J.R.; Kim, J.Y.; Baek, N.I.; Lee, D.K.; Lee, D.G. Oleanolic acid from Fragaria ananassa calyx Leads to Inhibition of alpha-MSH-induced Melanogenesis in B16-F10 Melanoma Cells. J. Korean Soc. Appl. Bi. 2014, 57, 735–742. [Google Scholar] [CrossRef]
  27. Saeedi, M.; Khezri, K.; Seyed Zakaryaei, A.; Mohammadamini, H. A comprehensive review of the therapeutic potential of α-arbutin. Phytother. Res. 2021, 35, 4136–4154. [Google Scholar]
Figure 1. A picture of Hibiscus taiwanensis S. Y. Hu.
Figure 1. A picture of Hibiscus taiwanensis S. Y. Hu.
Processes 10 02218 g001
Figure 2. Scheme of supercritical carbon dioxide extraction equipment. 1. CO2 cylinder. 2. Filter. 3. Refrigerator. 4. CO2 high-pressure pump. 5. Heater. 7. Extraction kettle I. 10. Extraction kettle II. 13. Separation kettle I. 16. Separation Kettle II. 18. Entrainer kettle. 19. Entrainer pump. and 6, 8, 9, 11, 12, 14, 15, 17, 20. valves.
Figure 2. Scheme of supercritical carbon dioxide extraction equipment. 1. CO2 cylinder. 2. Filter. 3. Refrigerator. 4. CO2 high-pressure pump. 5. Heater. 7. Extraction kettle I. 10. Extraction kettle II. 13. Separation kettle I. 16. Separation Kettle II. 18. Entrainer kettle. 19. Entrainer pump. and 6, 8, 9, 11, 12, 14, 15, 17, 20. valves.
Processes 10 02218 g002
Figure 3. Effect of the extraction temperature on the extraction rate.
Figure 3. Effect of the extraction temperature on the extraction rate.
Processes 10 02218 g003
Figure 4. Effect of the extraction pressure on the extraction rate.
Figure 4. Effect of the extraction pressure on the extraction rate.
Processes 10 02218 g004
Figure 5. Effect of the entrainer concentration on the extraction rate.
Figure 5. Effect of the entrainer concentration on the extraction rate.
Processes 10 02218 g005
Figure 6. Effect of the CO2 flow rate on the extraction rate.
Figure 6. Effect of the CO2 flow rate on the extraction rate.
Processes 10 02218 g006
Figure 7. Effect of the extract concentration on the tyrosinase inhibitory activity.
Figure 7. Effect of the extract concentration on the tyrosinase inhibitory activity.
Processes 10 02218 g007
Table 1. Gradient elution procedure of mobile phase.
Table 1. Gradient elution procedure of mobile phase.
Time (min)A (0.1% Formic Acid Aqueous Solution)B (Acetonitrile)
0.00955
1.00955
30.00595
32.00595
32.10955
35.00955
Table 2. Composition of the reaction solution (μL).
Table 2. Composition of the reaction solution (μL).
C1C2T1T2
Water303000
Sample solution003030
Phosphate buffer solution160110160110
L-Tyrosine Solution50505050
Fast shake, 37 °C water bath, 10 min
Tyrosinase050050
37 °C water bath, 5 min, 492 nm
Table 3. Information table of chemical compositions of extracts.
Table 3. Information table of chemical compositions of extracts.
No.Compound NameFormulaAdductm/z (Apex)Measured AreaRight RTRelative Content
1trans-4-hydroxycinnamic acidC9H8O3M-H163.04021128,753,4326.77947514.57%
2p-hydroxycinnamic acidC9H8O3M-H163.04021128,753,4326.77947514.57%
33-hydroxycinnamic acidC9H8O3M-H163.04021128,753,4326.77947514.57%
4caffeic acidC9H8O4M-H179.03479101,909,1805.3821216711.53%
5ferulic acidC10H10O4M-H193.0505591,250,9477.48280510.33%
6salicylic acidC7H6O3M-H137.0245474,794,981.98.659798338.46%
7azelaic acidC9H16O4M-H187.0977358,426,777.79.006568336.61%
8betulinic acidC30H46O3M-H453.3365556,111,014.425.22886676.35%
9fumaric acidC4H4O4M-H115.0035830,402,129.81.482758333.44%
10ursolic acidC30H48O3M-H455.3525716,810,730.523.57735171.90%
11oleanolic acidC30H48O3M-H455.3525716,810,730.523.57735171.90%
12fraxinC16H18O10M-H369.08249872212.695.602853331.12%
13sebacic acidC10H18O4M-H201.1132516,111,776.6310.60345170.69%
14maslinic acidC30H48O4M-H471.347935,114,951.1220.212420.58%
15aesculetinC9H6O4M-H177.019325,000,083.565.1675050.57%
16aseculinC15H16O9M-H339.072173,906,054.027.955848330.44%
17malvalic acidC18H32O2M-H279.23272,904,121.2825.37729170.33%
18Pelargonidin-3-O-β-glucopyranosideC21H21O10M+433.114472,309,590.727.384081670.26%
19diisobutyl phthalateC16H22O4M-H277.144592,286,845.411.65658670.26%
202-β-D-glucopyranosyloxy-5-hydroxy-phenylacetic acidC14H18O9M-H329.087462,157,228.042.3606283330.24%
21kaempferol 3-sophoroside-7-rhamnosideC27H30O15M-H593.15071,077,813.437.439876670.12%
22kaempferol-3-O-β-D-[α-L-rhamnose(1-6)]-galactopyranosideC27H30O15M-H593.15071,077,813.437.4398766670.12%
23kaempferol-3-O-β-D-[α-L-rhamnose(1-6)]-glucopyranosideC27H30O15M-H593.15071,077,813.437.4398766670.12%
24kaempferol-3-O-β-robinosideC27H30O15M-H593.15071,077,813.437.439876670.12%
25kaempferol-3-O-β-rutinosideC27H30O15M-H593.15071,077,813.437.439876670.12%
26kaempferolC15H10O6M-H285.04074549,415.89410.45751330.06%
27cyanidinC15H10O6M-H285.04074549,415.89410.45751330.06%
28luteolinC15H10O6M-H285.04074549,415.89410.45751330.06%
29kaempferolC15H10O6M-H285.04074549,415.89410.45751330.06%
30cis-p-coumaroyl corosolic acidC39H54O6M+618.39026400,085.55220.45575670.05%
313-O-cis coumaroyl masri acidC39H54O6M+618.39026400,085.55220.45575670.05%
322-O-trans-coumaroyl masridic acidC39H54O6M+618.39026400,085.55220.45575670.05%
33kaempferol-3-β-D-(6-O-trans-p-coumaroyl) glucopyranosideC30H26O13M-H593.13031302,430.41816.16388170.03%
34kaempferol-3-β-D-(6-O-cis-p-coumaroyl)glucopyranosideC30H26O13M-H593.13031302,430.41816.16388170.03%
353,3’-dimethylquercetin-7-O-rutinosideC29H34O17M-H653.172273,842.1369.031576670.03%
36hexyl stearateC24H48O2M-H367.35712236,313.20832.735030.03%
37tetracosanoic acidC24H48O2M-H367.35712236,318.30832.735030.03%
38apigeninC15H10O5M-H269.04556230,405.9858.3144150.03%
39emodinC15H10O5M-H269.04556230,405.9858.3144150.03%
40kaempferol-3-β-D -glucosideC21H20O11M-H447.09323215,205.6058.302580.02%
41homo-orientinC21H20O11M-H447.09323215,205.6058.302580.02%
42kaempferol-7-O-β-D -glucosideC21H20O11M-H447.09323215,205.6058.302580.02%
Publisher’s Note: MDPI stays neutral with regard to jurisdictional claims in published maps and institutional affiliations.

Share and Cite

MDPI and ACS Style

Yang, J.; Pan, F.; Du, L. Supercritical Carbon Dioxide Extraction Process for Hibiscus taiwanensis S. Y. Hu and Tyrosinase Inhibitory Activity of Its Extract. Processes 2022, 10, 2218. https://doi.org/10.3390/pr10112218

AMA Style

Yang J, Pan F, Du L. Supercritical Carbon Dioxide Extraction Process for Hibiscus taiwanensis S. Y. Hu and Tyrosinase Inhibitory Activity of Its Extract. Processes. 2022; 10(11):2218. https://doi.org/10.3390/pr10112218

Chicago/Turabian Style

Yang, Jingguo, Fawu Pan, and Liyong Du. 2022. "Supercritical Carbon Dioxide Extraction Process for Hibiscus taiwanensis S. Y. Hu and Tyrosinase Inhibitory Activity of Its Extract" Processes 10, no. 11: 2218. https://doi.org/10.3390/pr10112218

APA Style

Yang, J., Pan, F., & Du, L. (2022). Supercritical Carbon Dioxide Extraction Process for Hibiscus taiwanensis S. Y. Hu and Tyrosinase Inhibitory Activity of Its Extract. Processes, 10(11), 2218. https://doi.org/10.3390/pr10112218

Note that from the first issue of 2016, this journal uses article numbers instead of page numbers. See further details here.

Article Metrics

Back to TopTop