Abstract
Renewable energy integration has been recently promoted by many countries as a cleaner alternative to fossil fuels. In many research works, the optimal allocation of distributed generations (DGs) has been modeled mathematically as a DG injecting power without considering its intermittent nature. In this work, a novel probabilistic bilevel multi-objective nonlinear programming optimization problem is formulated to maximize the penetration of renewable distributed generations via distribution network reconfiguration while ensuring the thermal line and voltage limits. Moreover, solar, wind, and load uncertainties are considered in this paper to provide a more realistic mathematical programming model for the optimization problem under study. Case studies are conducted on the 16-, 59-, 69-, 83-, 415-, and 880-node distribution networks, where the 59- and 83-node distribution networks are real distribution networks in Cairo and Taiwan, respectively. The obtained results validate the effectiveness of the proposed optimization approach in maximizing the hosting capacity of DGs and power loss reduction by greater than 17% and 74%, respectively, for the studied distribution networks.
1. Introduction
Wide integration of renewable energies has been promoted in many countries [1,2]. The decentralized allocation of renewable distributed generations (DGs) has been supported by distribution system operators (DSOs) to cover loads at peak loading durations, reduce the loading on distribution systems’ transformers, and also minimize the total active loss; however, this led to many operational problems, including line thermal limits overloading, overvoltage violations, harmonic overloading, and others. Thus, the requirements for optimal DGs planning has become essential to attain lower operational issues.
Recently, the concept of DGs hosting capacity (HC) was raised in many research works [3], aiming to improve the system performance for the accommodation of more DGs. The HC study of the distribution networks hinges on assessing the maximum penetration of DGs that can be accommodated by the distribution networks while maintaining the system’s operational limits within acceptable boundaries and also minimizing the upcoming issues arising from increasing DGs maximization, including harmonic currents injected due to renewable energies’ inverters [4], reverse power flows [5], derating of distribution cables [6], and others. As a result, DGs penetration or HC assessment was carried out by adopting various strategies to mitigate the aforementioned problems from different operational and planning perspectives [3].
In the literature, various approaches were employed to increase DGs penetration via promising strategies, which have proven their ability to maximize the HC of the distribution networks of different sizes [3]. These strategies include distribution network reconfiguration (DNR) [7,8], soft open points (SOPs) [9,10], network reinforcement [11], harmonic contents reduction [12,13], static var compensator [14], and others. HC was assessed in Reference [7] for a real large distribution network in Japan composed of 235 switches via choosing the optimal configurations arising from enumerating the partial networks. Multi-period optimal power flow is formulated in Reference [8] to maximize the HC of the 34-node distribution network. In Reference [9], HC was assessed for the 83-node distribution network using multiple SOPs and DGs allocation along with DNR. HC was measured for a real project in Great Britain, aiming to join two networks via an SOP [10]. In Reference [11], a new network reinforcement index called ‘FRI’ was proposed to increase the capability of delivering active powers from multiple pre-allocated DG units on an Egyptian real distribution network. Moreover, HC was assessed for the non-sinusoidal 18-and 33-node distribution networks solved by the decoupled harmonic power flow [12]. Moreover, in Reference [13], the HC was maximized via a C-type filter allocated in shunt with the photovoltaic (PV) DG. In Reference [14], optimal planning of static var compensators (SVCs) was carried out along with the HC maximization of PV units using a stochastic multi-stage optimization approach. However, most of these research works used to assess the HC of the distribution network from the deterministic/probabilistic viewpoint, without considering wind turbine (WT) and solar photovoltaic (PV) units together, under load uncertainties for large distribution networks. Thus, it is important to consider these uncertainties while assessing the maximum HC of the distribution networks. Furthermore, the operational losses were not considered during HC analysis; thus, a multi-objective formulation will be useful to assess the HC while considering the network losses.
In the recent past, various research optimization methodologies, including mathematical and heuristic/metaheuristic optimization techniques, were employed to reconfigure large distribution networks. From the mathematical techniques’ standpoint, in Reference [15], mixed-integer cone programming and mixed-integer linear programming formulations were employed to reconfigure large distribution networks up to the 830-node distribution network. Mixed-integer quadratic programming was formulated in Reference [16] to reconfigure large distribution networks up to the 880-node distribution network, where a linear load flow takes place to reduce the computational time. A mixed-integer second-order cone programming optimization problem was formulated in Reference [17], based on the AC power flow convexification to optimize large distribution networks up to the 880-node distribution network. A novel graphically based DNR algorithm [18] was proposed in 2019, which is capable of reconfiguring the large distribution networks up to the 4400-node distribution network in a short time using MATLAB. From the heuristic/metaheuristic techniques’ standpoint, many optimization techniques were employed to reconfigure distribution networks [19]. A tabu search algorithm was employed in Reference [20] to reconfigure radial distribution feeders up to the 118-node distribution network. A novel reconfiguration methodology was proposed in Reference [21] to regenerate a radial configuration from the best configuration of the distribution network via the expanded invasive weed optimization algorithm. A fast non-dominated sorting guided genetic algorithm was proposed in Reference [22] to minimize the power losses, load balancing, switching actions, and also voltage profile improvement via DNR of the 16-, 69-, and 136-node distribution networks. In Reference [23], a very time-efficient optimization approach was proposed by Roberge et al. to optimize large distribution networks up to the 4400-node distribution networks via Cuda programming implementation for the DNR optimization problem.
In this work, a multi-objective bilevel optimization approach is employed to assess the maximum HC and also maximize the total power loss reduction of six distribution networks up to the 880-node large distribution network. The optimization process is conducted by setting two optimization levels, i.e., the upper and the lower levels, to address the planning, and operation viewpoints, simultaneously. In the upper level, two multi-objective optimization techniques, including multi-objective non-dominated sorting genetic algorithm (NSGA-II) [24] and multi-objective particle swarm optimization (MOPSO) [25] are employed to maximize two objectives, including HC maximization of the distribution networks and maximization of the total power loss reduction. In the lower level, the graphically based DNR algorithm in Reference [18] takes place to maximize the power loss reduction of the distribution network at each scenario.
In this work, the main contributions are listed as follows:
- (1).
- Optimal allocation of WTs and PVs is performed while considering their uncertainties, including wind speed and solar irradiance, respectively.
- (2).
- Load uncertainty is considered in this study to step on the real-life benefits of DGs penetration during load alterations.
- (3).
- A bilevel multi-objective optimization approach is formulated to optimally size renewable WT/PV DGs along with network optimization from the planning and operational perspectives. Further, the optimal solution is chosen from the pareto solutions via a decision-making algorithm called ‘Technique for Order of Preference by Similarity to Ideal Solution’ (TOPSIS).
- (4).
- Case studies are conducted on real distribution networks, including the 59-node distribution network in Cairo and the 83-node distribution network of the Taiwan power company. Furthermore, the proposed optimization approach is tested on the 415-and 880-node large distribution networks, which are ensembled from the 83- node real distribution network.
The organization of this work is enclosed in five sections. Section 2 provides the problem statement of this work, which is composed of the power flow equations, the DNR graphically based algorithm, the WT, and PV modeling, the used scenarios generation algorithm, and TOPSIS. Section 3 formulates the bilevel multi-objective optimization approach used in this paper. Section 4 encloses the results and commentary on the obtained results. Finally, Section 5 briefly illustrates the research outcomes and future recommendations.
2. Materials and Methods
In this section, the power flow equations, the graphically based DNR mathematical algorithm, load, WT, PV DGs’ models, TOPSIS, and system performance indices are illustrated in detail. Figure 1 demonstrates distribution network modeling for the upcoming case studies.
Figure 1.
Distribution network model.
2.1. Power Flow Equations
The power flow equations used to calculate injected active/reactive power and the nodal voltages are illustrated as follows [18]:
where and are the components of the apparent power injected to the kth node; and are the load’s components at the kth node; and are the impedance components at the bth line; is the nodal voltage at the kth node; and and are the set of nodes and lines, respectively.
2.2. Distribution Network Reconfiguration
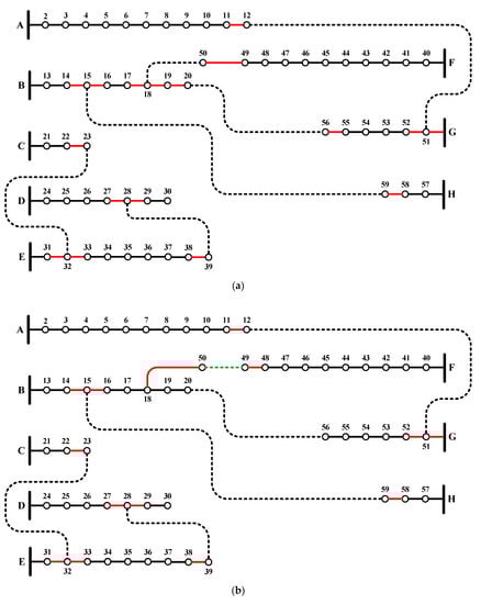
Recently, in 2019, a novel graphically based DNR mathematical algorithm [18] was proposed by the authors to find a near-global/global positioning of tie-lines for large distribution networks. It has proven its ability to find near-global solutions in a short computational time for large distribution networks up to the 4400-node distribution network. The reconfiguration procedure takes place by exchanging the status of the existing tie-lines of the best configuration () obtained with their neighboring sectionalized lines, after being prioritized by an efficient index called weighted voltage deviation index () to obtain many temporary configurations (), which are further checked for optimality. Furthermore, this DNR mathematical algorithm has proven its ability to reconfigure the distribution networks without the need for a radiality check, and unlike the other heuristic optimizers, it does not depend on any random generations. The reader can refer to the details of this methodology in Reference [18]. The MATLAB code used to reconfigure the 59-node distribution network is provided in Reference [26], in which the MATPOWER [27,28] toolbox is used for the power flow solution. Figure 2a–c illustrates the status exchange procedure between the tie-lines (dotted lines) and their neighboring sectionalized lines (highlighted in red) to obtain a better loss minimization. In the first iteration, as shown in Figure 3b, the tie line connecting the nodes 18 and 50 is changed to sectionalized (highlighted in red), and the sectionalized line joining nodes 49 and 50 is changed to a tie-line (highlighted in green) to obtain a better configuration that provides a minimum power loss than that in the initial configuration. The convergence curves for power loss minimization using this DNR method are shown in Figure 3 for the 59-, 69-, 135-, and 415-node distribution networks [18], where they reached the optimal fitness at the 11th, 6th, 14th, and 55th iteration, respectively.

Figure 2.
Reconfiguration process for the 59-node distribution network: (a) Initial configuration, (b) 1st iteration configuration, and (c) 2nd iteration configuration.

Figure 3.
Convergence curves: (a) 59-node, (b) 69-node, (c) 135-node, and (d) 415-node.
2.3. DG modeling
Two DG types, WT and PV, are considered in this work. Detailed modeling of these DGs is illustrated in the following subsections in detail.
2.3.1. Wind Turbine DG
WTs are characterized by their intermittent nature due to the variations occurring in the wind speed. To model the WT, three wind speeds are mentioned to characterize the installed WT, including rated speed (), cut-in speed (), and cut-out speed (). Thus, the WT injected power () at the node [29,30] for the sth scenario is expressed as follows:
where, is the wind speed at the sth scenario, is the size of the installed WT at the node, and is the maximum capacity of the installed WT.
2.3.2. Solar Photovoltaic DG
PVs are characterized by their intermittent nature due to the variations occurring in the solar irradiance (). To model the PV DG, two specific irradiance points are characterizing the output power from the PV unit [29,30], including the standard solar irradiance () and a specific irradiance threshold (). The solar PV penetration is controllable since it can be controlled through power trackability or by charging batteries, thus the actual penetration of a PV DG () at the sth scenario is modeled as follows [29,30]:
where is the solar irradiance at the sth scenario, is the size of the installed PV unit at the node, and is the maximum capacity of the installed PV.
2.4. Scenarios Reduction
In this work, the wind speed, the solar irradiance, and the load data are available in Reference [31]. These data are applied to the studied distribution networks to imitate the uncertainty effect on HC maximization. The solar irradiance, wind speed, and load profiles for one year are provided in Figure 4, Figure 5 and Figure 6, respectively. The 8760 hourly data are reduced to relevant 30 scenarios using the backward reduction technique developed by Growe-Kuska et al. for stochastic programming [32]. The obtained scenarios, including loading level (), wind speed, solar irradiance, and their probabilities (), are provided in Table 1 for each scenario (s). It is well noted that increasing the number of scenarios will increase the accuracy of the obtained results; however, conducting the optimization procedure based on 30 scenarios is relevant from the practical perspective [30].
Figure 4.
Solar irradiance for one year.
Figure 5.
Wind speed for one year.
Figure 6.
Load profile for one year.
Table 1.
Wind speed, solar irradiance, and load scenarios.
2.5. TOPSIS
TOPSIS was firstly proposed in the eighth decade of the previous century by Hwang et al. [33]. After that, it has been improved by Yoon [34] in 1987 and by Hwang et al. [35] in 1993. TOPSIS takes place by choosing the preferable alternative (pareto-solution) that has the smallest geometric distance from the positive ideal solution and also has the farthest geometric distance from the negative ideal solution. TOPSIS algorithm composed of the following phases:
- Phase 1:
- A matrix , where and denote the number of alternatives and the criteria, respectively. A vector of preset weights is established for each criterion in which the sum of its weights equals one. After that, a matrix () called the ‘normalized matrix’ is established, where , and its elements are obtained using the following equation:
- Phase 2:
- A new matrix () is calculated, whose dimensions are , and its elements are calculated as follows:
- Phase 3:
- At this phase, the best and the worst alternatives are denoted by the vectors: and , respectively. The elements of and are denoted by and , respectively.where and are the negative and positive criteria, respectively.
- Phase 4:
- For each alternative, the least-squares distances between the th alternative and and are expressed in Equations (12) and (13), respectively.where and are the distance of each alternative from the best and the worst elements, respectively.
- Phase 5:
- At this phase, the similarity index for the th alternative () expressed in Equation (12) is calculated to sort the alternatives.where belongs to the interval [0,1].
- Phase 6:
- Display the best alternative having the highest value.
2.6. System Performance Indices
In this work, two performance indices are used to assess the overall operational performance of the studied distribution networks at different scenarios, including the load balancing index (), the aggregated voltage deviation index (), and the aggregated fast voltage stability index ().
2.6.1. Load Balancing Index (LBI)
The LBI was previously used in many publications to assess the loading carried by each line [36]. The LBI was used many times to obtain a better distribution of currents among the lines of the distribution feeders. The formulation of the is illustrated as follows:
where is the total number of scenarios, and is the magnitude of the branch current flowing in the bth branch at the sth scenario. is the maximum line current. is the LBI at the sth scenario for the bth line, is the aggregated LBI for all lines at the sth scenario, and is the overall LBI for all scenarios.
2.6.2. Aggregate Voltage Deviation Index (AVDI)
The AVDI was previously employed in many research works like Reference [5] to provide an insight into the voltage deviations from the unity, where the lower AVDI indicates better voltage security at the demand node. The AVDI is formulated as follows:
where is the aggregated voltage deviation index at the sth scenario, is the magnitude of the kth node at the sth scenario, and is the overall aggregated voltage deviation index for all scenarios.
2.6.3. Fast Voltage Stability Index (FVSI)
The FVSI was proposed in References [37,38] as a measure for the voltage security at each node. The lower the value of the FVSI, the more voltage security obtained. The fast voltage stability index is formulated as follows:
where is the FVSI of the bth line at the sth scenario, is the impedance of the bth line at the sth scenario, whose reactive component is , is the aggregated FVSI for all distribution system lines at the sth scenario, and is the overall aggregated fast voltage stability index for all scenarios.
3. Problem Formulation
In this section, the objective function and the constraints are illustrated in detail.
3.1. Objective Function
In this paper, a bilevel multi-objective optimization problem is formulated for HC maximization while considering network losses. The objective function in this work is twofold, including the upper- and the lower-level optimization approaches. On the one hand, the upper-level optimization problem in Equation (28) is formulated as a multi-objective optimization problem to maximize the probabilistic hosting capacity () of DGs expressed in Equation (25), and also maximize the total power loss reduction () expressed in Equation (27). On the other hand, the lower-level optimization approach takes place using the DNR mathematical algorithm to choose the appropriate configuration providing a better reduction in the power loss; thus, the objective function at this level is Equation (25). The pseudo-code for the proposed stochastic optimization approach is provided in Algorithm 1.
where is the HC at the sth scenario, is the probabilistic total active loss for all the studied scenarios, and is the total power loss at the normal loading conditions.
3.2. Constraints
In addition to the constraints of WT, PV DGs rated capacities expressed in Equations (5) and (7) and the FVSI constraint provided in Equation (23). The following operational/planning constraints are applied in the optimization process.
where in the active power delivered by the substation at the sth scenario, and and are the lower and upper nodal voltage limits, respectively.
| Algorithm 1 The proposed bilevel multi-objective optimization for HC maximization |
|
4. Results and Discussion
In this work, five distribution networks, 16-, 59-, 69, 83-, and 415- node distribution networks are used [39,40,41,42]. The 415-node distribution network is a large distribution network, composed of five instances of the 83-node real distribution network to mimic the complexity of large real distribution networks. The schematic diagrams of the 59- and 83-node distribution networks are provided in Figure 7 and Figure 8. The input data used for the upcoming case study is supplied in Table 2 and Table 3. In this work, two multi-objective optimization approaches are employed to solve the upper multi-objective nonlinear optimization problem, including non-dominated sorting genetic algorithm (NSGA-II) [24] and the multi-objective particle swarm optimization (MOPSO) [25]. NSGA-II is one of the most well-known multi-objective optimizers. It was developed by Deb et al. in 2002 as an improvement for the genetic algorithm to handle multi-objective optimization problems via several characteristics in its code, including fast non-dominated sorting and crowded distance estimation. The reader is referred to Reference [24] for more details about this multi-objective optimization algorithm. In the particle swarm optimization algorithm, each solution is known by its position and velocity, where the best solution of the particles at a certain iteration is denoted by pbest, and the global solution obtained till the current iteration is denoted by gbest. A further extension was conducted in Reference [25] to handle multi-objective optimization problems. The reader is referred to Reference [25] for more details about MOPSO. The flowcharts of the NSGA-II and MOPSO are shown in Figure 9 and Figure 10. Furthermore, the DNR mathematical algorithm in Reference [18] used to reconfigure the studied distribution networks in the lower-level optimization problem. The following case study is conducted on MATLAB r2018a on a DELL Laptop, its model name is ‘Latitude E7450′, including an ‘Intel® Core™ i5′ CPU at 2.3 GHz, and 8 GB RAM.
Figure 7.
59-node real distribution network in Cairo.
Figure 8.
83-node real distribution network in Taiwan.
Table 2.
Distribution test networks data.
Table 3.
System input parameters.
Figure 9.
Flowchart of the non-dominated sorting genetic algorithm (NSGA-II) optimization algorithm.
Figure 10.
Flowchart of the multi-objective particle swarm optimization (MOPSO) algorithm.
In this work, the WT and PV DGs are allocated at a certain set of nodes due to land space limitations. These PV/WT nodes are provided in Table 4. The is assessed for the 16-, 59-, 69-, 83-, and 415-node distribution networks at different scenarios of wind speeds, solar irradiance, and load uncertainties, as shown in Table 5. The pareto-front of the obtained results for the 83- and 415-node distribution networks are provided in Figure 11 and Figure 12, respectively. The WT and PV DGs sizes in MW at each node using NSGA-II and MOPSO, are provided in Table 6 and Table 7, respectively. Besides, the configurations of the 16-, 59-, 69-, 83, and 415-node distribution networks at each scenario are provided in Table 8, Table 9, Table 10, Table 11 and Table 12, respectively. The HC and power loss reduction are provided in Figure 13 and Figure 14, respectively, for the 59-, 83-, and 415-node distribution networks at each scenario. Finally, the voltage profiles at multiple scenarios for the 59-and 83-node distribution networks are provided in Figure 15 and Figure 16, respectively.
Table 4.
Candidate wind turbine (WT) and photovoltaic (PV) nodes.
Table 5.
Results for the studied distribution networks.
Figure 11.
Pareto-front for the 83-node distribution network using NSGA-II and MOPSO.
Figure 12.
Pareto-front for the 415-node distribution network using NSGA-II and MOPSO.
Table 6.
WT and PV distributed generations (DGs) sizes in MW at each node using NSGA-II.
Table 7.
WT and PV DGs sizes in MW at each node using MOPSO.
Table 8.
The 16-node distribution network configurations at multiple scenarios.
Table 9.
The 59-node distribution network configurations at multiple scenarios.
Table 10.
The 69-node distribution network configurations at multiple scenarios.
Table 11.
The 83-node distribution network configurations at multiple scenarios.
Table 12.
The 415-node distribution network configurations at multiple scenarios.

Figure 13.
Hosting capacity (HC) at each scenario: (a) 59-node, (b) 83-node, and (c) 415-node.

Figure 14.
Reduction in power loss at each scenario: (a) 59-node, (b) 83-node, and (c) 415-node.
Figure 15.
at multiple scenarios for the 59-node distribution network: (a) Via NSGA-II, and (b) Via MOPSO.
Figure 16.
at multiple scenarios for the 83-node distribution network: (a) Via NSGA-II, and (b) Via MOPSO.
As a result of changing the topological structure of the studied distribution networks shown in Table 8, Table 9, Table 10, Table 11 and Table 12, the capability of accommodating more WT/PV DGs has increased while considering solar irradiance, wind speed, and load uncertainties. The achieved benefits from employing DNR in each scenario are illustrated as follows from the planning and operational perspectives.
From the planning perspective, the HC using the NSGA-II has reached 17.7173%, while in the case of MOPSO, the HC has reached 17.5299% for the 415-node distribution network. The power loss reduction reached for NSGA-II and MOPSO is 74.5320% and 79.2044% for the 880-node distribution network, respectively. Thus, it is hard to assume that an optimization technique is better than the others for the proposed optimization problem. Moreover, the allocated WT/PV DGs are not suitable for all the available nodes of the distribution networks, as in the 415-node distribution network, the number of available nodes for WT, and PV DGs is 50 for each of them; however, the number of allocated WT and PV DGs is 19 and 20, respectively, using NSGA-II. Besides, at scenarios 1, 11, 17, and 26, the HC was zero as the solar irradiance was zero, and the wind speed was zero below its cut-in speed, thus the generated WT and PV powers were zero at these scenarios. To overcome this issue, energy storage systems (ESSs) should be optimally allocated along with WT/PV DGs allocation as a solution to overcome the problem mentioned above at times of lower irradiance and wind speeds. ESSs allocation is beyond the scope of this work and will be mentioned in upcoming future work.
From the operational perspective, three operational indices were employed to measure the improvement in the system’s load balancing and voltage security, including , , and . The results obtained for these indices using NSGA-II and MOPSO are different for each distribution network, as demonstrated in Table 5. Thus, it is difficult to conclude that one of them is better than the other. From the viewpoint, the decreased by 30.0472%, 34.4887%, 51.7110%, 29.6219%, 11.7869%, and 69.1087% for the 16-, 59-, 69-, 83-, 415-, and 880-node distribution networks using NSGA-II. From the viewpoint, the decreased by 32.4932%, 40.0142%, 62.9626%, 19.8607%, 9.6610%, and 70.2924% for the 16-, 59-, 69-, 83-, 415-, and 880-node distribution networks using NSGA-II. From the viewpoint, the decreased by 10.0186%, 17.5676%, 34.8239%, 4.4225%, 0.9656%, and 39.7736% for the 16-, 59-, 69-, 83-, 415-, and 880-node distribution networks using NSGA-II. Moreover, the voltage profile improvement shown in Figure 13 and Figure 14 validates the effectiveness of the proposed optimization approach independent of the used optimization technique. Finally, a multiple-scenario analysis was conducted on the 59-node distribution system to ensure the effectiveness of choosing 30 scenarios for the previous case studies. Table 13 gives insight into the effect of changing the number of generated scenarios on the obtained HC and power loss reduction for the 59-node distribution network in Cairo. From Table 13, it is notable that the obtained HC ranges between 17% and 19%, its average is 17.9153 %, and its standard deviation is 0.8336 using NSGA-II. Thus, choosing 30 scenarios is relevant for our studied cases. Moreover, to ensure the effectiveness of choosing NSGA-II and MOPSO against the other multi-objective optimizers, a comparison with multi-objective multi-verse optimization (MOMVO) [42] and multi-objective flower pollination algorithm (MOFPA) [43] was conducted to step on their effectiveness. As shown in Table 14, the NSGA-II and MOPSO have provided better near-optimal solutions; however, they took a long time in computation than MOMVO and MOFPA. Besides, we aim to maximize the HC of the studied distribution systems while improving loss reduction. In this regard, NSGA-II and MOPSO were chosen to solve the optimization problem since they provided the best HC and power loss reduction. Finally, a comparison with previous works based on system’s performance indices for the 83-, 415-, and 880-node distribution networks is shown in Table 15, Table 16 and Table 17, respectively, to clarify the effectiveness of the proposed optimization algorithm from the operational perspective.
Table 13.
The obtained HC and power loss reduction at different number of scenarios.
Table 14.
The obtained HC and power loss reduction at different number of scenarios.
Table 15.
A comparison with previous works based on system’s performance indices for the 83-node distribution network.
Table 16.
A comparison with previous works based on system’s performance indices for the 415-node distribution network.
Table 17.
A comparison with previous works based on system’s performance indices for the 880-node distribution network.
5. Conclusions and Future Works
In this paper, a novel optimization approach was deployed in the form of multi-objective bilevel optimization for maximizing both the HC and the losses reduction percentages using a graphically based DNR mathematical approach. Five distribution networks were tested for accommodating WT and PV while considering solar, wind, and load uncertainties. In comparison with the previous works [15,16,17,41,45] used to improve the operational indices of the studied distribution systems, the proposed optimization approach via allocating WT/PV succeeded in minimizing the total active loss of the 83-, 415-, and 880-node distribution networks by 80.7985%, 74.5320%, and 93.5010%, respectively. Furthermore, the voltage profiles shown in Figure 15 and Figure 16 reinforce the obtained outcomes from using DNR along with WT/PVs allocation and ensures the ability of the proposed strategy to keep the voltage within its permissible limits. The proposed optimization approach succeeded in maximizing the HC, and the power loss reduction for the studied distribution networks by greater than 17% and 74%, respectively. The advantages of this work were the effectiveness of applying DNR to maximize the HC of real/large distribution networks while considering DGs uncertainties and also improving the system’s operational indices and enhancing loss reduction. Other points that were not under the scope of this work and will be addressed in future works are the reliability evaluation of the obtained configurations via system average interruption frequency index (SAIFI), system average interruption duration index (SAIDI), and other reliability indices and considering other power quality issues that affect the HC of the distribution systems. Future works will consider the allocation of multi-terminal SOPs [46] and various energy storage types [47] along with DNR for increasing the HC of the studied distribution systems while ensuring an effective protective scheme [48]. Besides, reliability will be considered in the possible works [49,50,51] to provide a reliable configuration for unbalanced large/real distribution networks. Furthermore, power quality enhancement strategies will be considered while considering compliance with the IEEE standards [52].
Author Contributions
I.M.D. and S.H.E.A.A. designed the problem under study; I.M.D. performed the simulations and obtained the results; S.H.E.A.A. analyzed the obtained results; I.M.D. wrote the paper, which was further reviewed by S.H.E.A.A., A.E.-R., A.Y.A., Z.M.A., and F.J. All authors have read and agreed to the published version of the manuscript.
Funding
This project was fully funded by the Deanship of Scientific Research at Prince Sattam Bin Abdulaziz University under the research project No. 2020/01/13220.
Institutional Review Board Statement
Not applicable.
Informed Consent Statement
Not applicable.
Data Availability Statement
The data presented in this study are available on request from the corresponding author. The data are not publicly available due to its large size.
Conflicts of Interest
The authors declare no conflict of interest.
Nomenclature
| Input Data and Indices | |
| Aggregated voltage deviation index | |
| Aggregated voltage deviation index at the sth scenario | |
| Overall aggregated voltage deviation index for all scenarios | |
| The set of nodes | |
| The set of lines | |
| Aggregated fast voltage stability index | |
| Aggregated FVSI for all distribution system lines at the sth scenario | |
| FVSI of the bth line at the sth scenario | |
| Overall aggregated fast voltage stability index for all scenarios | |
| Solar irradiance | |
| Standard solar irradiance | |
| Solar irradiance at the sth scenario | |
| Magnitude of the branch current flowing in the bth branch at the sth scenario | |
| Loading level at the sth scenario | |
| Load balancing index | |
| LBI at the sth scenario for the bth line | |
| Aggregated LBI for all lines at the sth scenario | |
| Overall LBI for all scenarios | |
| Total number of scenarios | |
| Probabilistic hosting capacity | |
| Apparent power injected to the kth node | |
| Load’s apparent power connected to the kth node | |
| Probability of the sth scenario | |
| Probabilistic total active loss for all the studied scenarios | |
| Total power loss at the normal loading conditions | |
| Active power delivered by the substation at the sth scenario | |
| Specific irradiance threshold | |
| Impedance of the bth line | |
| Total power loss reduction | |
| Maximum capacity of the installed PV | |
| Maximum capacity of the installed WT | |
| Nodal voltage at the kth node | |
| Magnitude of the kth node at the sth scenario | |
| Lower nodal voltage limit | |
| Upper nodal voltage limit | |
| WT rated speed | |
| WT cut-in speed | |
| WT cut-out speed | |
| Wind speed at the sth scenario | |
| Reactive component of the bth line impedance | |
| Impedance of the bth line at the sth scenario | |
| Decision variables of the upper-level optimization | |
| Actual penetration of a PV DG at the sth scenario | |
| Actual penetration of a WT DG at the sth scenario | |
| Size of the installed WT at the node | |
| Size of the installed PV unit at the node | |
| Decision variables of the graphically based DNR (lower-level optimization) | |
| Binary vector indicates the best open/close status of the distribution network tie-lines | |
| Temporary binary vector indicates open/close status of the network tie-lines | |
References
- Zappa, W.; Junginger, M.; van den Broek, M. Is a 100% renewable European power system feasible by 2050? Appl. Energy 2019, 233–234, 1027–1050. [Google Scholar] [CrossRef]
- Zsiborács, H.; Baranyai, N.H.; Vincze, A.; Zentkó, L.; Birkner, Z.; Máté, K.; Pintér, G. Intermittent Renewable Energy Sources: The Role of Energy Storage in the European Power System of 2040. Electronics 2019, 8, 729. [Google Scholar] [CrossRef]
- Ismael, S.M.; Abdel Aleem, S.H.E.; Abdelaziz, A.Y.; Zobaa, A.F. State-of-the-art of hosting capacity in modern power systems with distributed generation. Renew. Energy 2019, 130, 1002–1020. [Google Scholar] [CrossRef]
- Sakar, S.; Balci, M.E.; Abdel Aleem, S.H.E.; Zobaa, A.F. Increasing PV hosting capacity in distorted distribution systems using passive harmonic filtering. Electr. Power Syst. Res. 2017, 148, 74–86. [Google Scholar] [CrossRef]
- Diaaeldin, I.; Abdel Aleem, S.; El-Rafei, A.; Abdelaziz, A.; Zobaa, A.F. Optimal Network Reconfiguration in Active Distribution Networks with Soft Open Points and Distributed Generation. Energies 2019, 12, 4172. [Google Scholar] [CrossRef]
- Alalamat, F. Increasing the Hosting Capacity of Radial Distribution Grids in Jordan, n.d. Available online: http://www.teknat.uu.se/student (accessed on 3 June 2020).
- Takenobu, Y.; Yasuda, N.; Minato, S.; Hayashi, Y. Scalable enumeration approach for maximizing hosting capacity of distributed generation. Int. J. Electr. Power Energy Syst. 2019, 105, 867–876. [Google Scholar] [CrossRef]
- Capitanescu, F.; Ochoa, L.F.; Margossian, H.; Hatziargyriou, N.D. Assessing the Potential of Network Reconfiguration to Improve Distributed Generation Hosting Capacity in Active Distribution Systems. IEEE Trans. Power Syst. 2015, 30, 346–356. [Google Scholar] [CrossRef]
- Diaaeldin, I.M.; Abdel Aleem, S.H.E.; El-Rafei, A.; Abdelaziz, A.Y.; Zobaa, A.F. Hosting Capacity Maximization Based on Optimal Reconfiguration of Distribution Networks with Optimized Soft Open Point Operation. In Hosting Capacity for Smart Power Grids; Springer International Publishing: Cham, Switzerland, 2020; pp. 179–193. ISBN 9783030400293. [Google Scholar]
- Qi, Q.; Long, C.; Wu, J.; Smith, K.; Moon, A.; Yu, J. Using an MVDC Link to Increase DG Hosting Capacity of a Distribution Network. Energy Procedia 2017, 142, 2224–2229. [Google Scholar] [CrossRef]
- Ismael, S.M.; Abdel Aleem, S.H.E.; Abdelaziz, A.Y.; Zobaa, A.F. Practical Considerations for Optimal Conductor Reinforcement and Hosting Capacity Enhancement in Radial Distribution Systems. IEEE Access 2018, 6, 27268–27277. [Google Scholar] [CrossRef]
- Ismael, S.; Abdel Aleem, S.; Abdelaziz, A.; Zobaa, A. Probabilistic Hosting Capacity Enhancement in Non-Sinusoidal Power Distribution Systems Using a Hybrid PSOGSA Optimization Algorithm. Energies 2019, 12, 1018. [Google Scholar] [CrossRef]
- Pandi, V.R.; Zeineldin, H.H.; Xiao, W.; Zobaa, A.F. Optimal penetration levels for inverter-based distributed generation considering harmonic limits. Electr. Power Syst. Res. 2013, 97, 68–75. [Google Scholar] [CrossRef]
- Xu, X.; Li, J.; Xu, Z.; Zhao, J.; Lai, C.S. Enhancing photovoltaic hosting capacity—A stochastic approach to optimal planning of static var compensator devices in distribution networks. Appl. Energy 2019, 238, 952–962. [Google Scholar] [CrossRef]
- Jabr, R.A.; Singh, R.; Pal, B.C. Minimum Loss Network Reconfiguration Using Mixed-Integer Convex Programming. IEEE Trans. Power Syst. 2012, 27, 1106–1115. [Google Scholar] [CrossRef]
- Ahmadi, H.; Marti, J.R. Distribution System Optimization Based on a Linear Power-Flow Formulation. IEEE Trans. Power Deliv. 2015, 30, 25–33. [Google Scholar] [CrossRef]
- Taylor, J.A.; Hover, F.S. Convex Models of Distribution System Reconfiguration. IEEE Trans. Power Syst. 2012, 27, 1407–1413. [Google Scholar] [CrossRef]
- Mohamed Diaaeldin, I.; Abdel Aleem, S.H.E.; El-Rafei, A.; Abdelaziz, A.Y.; Zobaa, A.F. A Novel Graphically-Based Network Reconfiguration for Power Loss Minimization in Large Distribution Systems. Mathematics 2019, 7, 1182. [Google Scholar] [CrossRef]
- Badran, O.; Mekhilef, S.; Mokhlis, H.; Dahalan, W. Optimal reconfiguration of distribution system connected with distributed generations: A review of different methodologies. Renew. Sustain. Energy Rev. 2017, 73, 854–867. [Google Scholar] [CrossRef]
- Abdelaziz, A.Y.; Mohamed, F.M.; Mekhamer, S.F.; Badr, M.A.L. Distribution system reconfiguration using a modified Tabu Search algorithm. Electr. Power Syst. Res. 2010, 80, 943–953. [Google Scholar] [CrossRef]
- Diaaeldin, I.M.; Abdel Aleem, S.H.E.; El-Rafei, A.; Abdelaziz, A.Y. A Novel Reconfiguration Methodology of Radial Distribution Systems for Power Loss Minimization Using Expanded Invasive Weed optimization. In Proceedings of the 2019 21st International Middle East Power Systems Conference (MEPCON), Cairo, Egypt, 17–19 December 2019; IEEE: New York, NY, USA, 2019; pp. 119–124. [Google Scholar]
- Eldurssi, A.M.; O’Connell, R.M. A Fast Nondominated Sorting Guided Genetic Algorithm for Multi-Objective Power Distribution System Reconfiguration Problem. IEEE Trans. Power Syst. 2015, 30, 593–601. [Google Scholar] [CrossRef]
- Roberge, V.; Tarbouchi, M.; Okou, F.A. Distribution System Optimization on Graphics Processing Unit. IEEE Trans. Smart Grid 2017, 8, 1689–1699. [Google Scholar] [CrossRef]
- Deb, K.; Pratap, A.; Agarwal, S.; Meyarivan, T. A fast and elitist multiobjective genetic algorithm: NSGA-II. IEEE Trans. Evol. Comput. 2002, 6, 182–197. [Google Scholar] [CrossRef]
- Coello Coello, C.A.; Lechuga, M.S. MOPSO: A proposal for multiple objective particle swarm optimization. In Proceedings of the 2002 Congress on Evolutionary Computation. CEC’02 (Cat. No.02TH8600), Honolulu, HI, USA, 12–17 May 2002; IEEE: New York, NY, USA, 2002; Volume 2, pp. 1051–1056. [Google Scholar]
- Mohamed Diaaeldin, I.; Abdel Aleem, S.H.E.; El-Rafei, A.; Abdelaziz, A.Y.; Zobaa, A.F. Distribution System Reconfiguration for an Egyptian Distribution Feeder; Mendeley Data: Amesterdam, The Netherlands, 2020; Volume 1. [Google Scholar] [CrossRef]
- Zimmerman, R.D.; Murillo-Sanchez, C.E.; Thomas, R.J. MATPOWER: Steady-State Operations, Planning, and Analysis Tools for Power Systems Research and Education. IEEE Trans. Power Syst. 2011, 26, 12–19. [Google Scholar] [CrossRef]
- Zimmerman, R.D.; Murillo-Sanchez, C.E. MATPOWER (Version 4.1) [Software]. 2011. Available online: https://matpower.org (accessed on 9 November 2020). [CrossRef]
- Surender Reddy, S.; Bijwe, P.R.; Abhyankar, A.R. Real-Time Economic Dispatch Considering Renewable Power Generation Variability and Uncertainty Over Scheduling Period. IEEE Syst. J. 2015, 9, 1440–1451. [Google Scholar] [CrossRef]
- Biswas, P.P.; Suganthan, P.N.; Mallipeddi, R.; Amaratunga, G.A.J. Optimal reactive power dispatch with uncertainties in load demand and renewable energy sources adopting scenario-based approach. Appl. Soft Comput. 2019, 75, 616–632. [Google Scholar] [CrossRef]
- Available online: https://drive.google.com/drive/folders/1wdnc_Wizv5QYGz7NEx2XG52_HO6ET1bA?usp=sharing (accessed on 9 November 2020).
- Growe-Kuska, N.; Heitsch, H.; Romisch, W. Scenario reduction and scenario tree construction for power management problems. In Proceedings of the 2003 IEEE Bologna Power Tech Conference Proceedings, Bologna, Italy, 23–26 June 2003; IEEE: New York, NY, USA, 2003; Volume 3, pp. 152–158. [Google Scholar]
- Hwang, C.-L.; Yoon, K. Multiple Attributes Decision Making Methods and Applications. 1981. Available online: https://www.springer.com/gp/book/9783540105589 (accessed on 21 December 2020).
- Yoon, K. A Reconciliation among Discrete Compromise Solutions. J. Oper. Res. Soc. 1987, 38, 277. [Google Scholar] [CrossRef]
- Hwang, C.-L.; Lai, Y.-J.; Liu, T.-Y. A new approach for multiple objective decision making. Comput. Oper. Res. 1993, 20, 889–899. [Google Scholar] [CrossRef]
- Baran, M.E.; Wu, F.F. Network reconfiguration in distribution systems for loss reduction and load balancing. IEEE Trans. Power Deliv. 1989, 4, 1401–1407. [Google Scholar] [CrossRef]
- Othman, A.M.; El-Fergany, A.A.; Abdelaziz, A.Y. Optimal Reconfiguration Comprising Voltage Stability Aspect Using Enhanced Binary Particle Swarm Optimization Algorithm. Electr. Power Compon. Syst. 2015, 43, 1656–1666. [Google Scholar] [CrossRef]
- Diaaeldin, I.M.; Abdel Aleem, S.H.E.; El-Rafei, A.; Abdelaziz, A.Y.; Calasan, M. Optimal Network Reconfiguration and Distributed Generation Allocation using Harris Hawks Optimization. In Proceedings of the 2020 24th International Conference on Information Technology (IT), Zabljak, Montenegro, 18–22 February 2020; IEEE: New York, NY, USA, 2020; pp. 1–6. [Google Scholar]
- Available online: http://roberge.segfaults.net/joomla/index.php (accessed on 9 November 2020).
- Saleh, O.A.; Elshahed, M.; Elsayed, M. Enhancement of radial distribution network with distributed generation and system reconfiguration. J. Electr. Syst. 2018, 14, 36–50. [Google Scholar]
- Diaaeldin, I.M.; Abdel Aleem, S.H.E.; El-Rafei, A.; Abdelaziz, A.Y.; Zobaa, A.F. Enhancement of Hosting Capacity with Soft Open Points and Distribution System Reconfiguration: Multi-Objective Bilevel Stochastic Optimization. Energies 2020, 13, 5446. [Google Scholar] [CrossRef]
- Yang, X.-S.; Karamanoglu, M.; He, X. Flower pollination algorithm: A novel approach for multiobjective optimization. Eng. Optim. 2014, 46, 1222–1237. [Google Scholar] [CrossRef]
- Mirjalili, S.; Jangir, P.; Mirjalili, S.Z.; Saremi, S.; Trivedi, I.N. Optimization of problems with multiple objectives using the multi-verse optimization algorithm. Knowl. Based Syst. 2017, 134, 50–71. [Google Scholar] [CrossRef]
- Wu, W.-C.; Tsai, M.-S. Application of enhanced integer coded particle swarm optimization for distribution system feeder reconfiguration. IEEE Trans. Power Syst. 2011, 26, 1591–1599. [Google Scholar] [CrossRef]
- Diaaeldin, I.M.; Abdel Aleem, S.H.E.; El-Rafei, A.; Abdelaziz, A.Y.; Zobaa, A.F. Large-scale integration of distributed generation in reconfigured distribution networks considering load uncertainty. In Uncertainties in Modern Power Systems; Elsevier: Amsterdam, The Netherlands, 2021; pp. 441–484. [Google Scholar]
- Escalera, A.; Prodanović, M.; Castronuovo, E.D.; Roldan-Perez, J. Contribution of active management technologies to the reliability of power distribution networks. Appl. Energy 2020, 267, 114919. [Google Scholar] [CrossRef]
- Mostafa, M.H.; Abdel Aleem, S.H.E.; Ali, S.G.; Ali, Z.M.; Abdelaziz, A.Y. Techno-economic assessment of energy storage systems using annualized life cycle cost of storage (LCCOS) and levelized cost of energy (LCOE) metrics. J. Energy Storage 2020, 29, 101345. [Google Scholar] [CrossRef]
- Abdul Rahim, M.N.; Mokhlis, H.; Bakar, A.H.A.; Rahman, M.T.; Badran, O.; Mansor, N.N. Protection Coordination Toward Optimal Network Reconfiguration and DG Sizing. IEEE Access 2019, 7, 163700–163718. [Google Scholar] [CrossRef]
- Amanulla, B.; Chakrabarti, S.; Singh, S.N. Reconfiguration of Power Distribution Systems Considering Reliability and Power Loss. IEEE Trans. Power Deliv. 2012, 27, 918–926. [Google Scholar] [CrossRef]
- Ghasemi, S. Balanced and unbalanced distribution networks reconfiguration considering reliability indices. Ain Shams Eng. J. 2018, 9, 1567–1579. [Google Scholar] [CrossRef]
- Swief, R.; Abdel-Salam, T.; El-Amary, N. Photovoltaic and Wind Turbine Integration Applying Cuckoo Search for Probabilistic Reliable Optimal Placement. Energies 2018, 11, 139. [Google Scholar] [CrossRef]
- Abdel Aleem, S.H.E.; Elmathana, M.T.; Zobaa, A.F. Different Design Approaches of Shunt Passive Harmonic Filters Based on IEEE Std. 519-1992 and IEEE Std. 18-2002. Recent Pat. Electr. Electron. Eng. 2013, 6, 68–75. [Google Scholar] [CrossRef]
Publisher’s Note: MDPI stays neutral with regard to jurisdictional claims in published maps and institutional affiliations. |
© 2020 by the authors. Licensee MDPI, Basel, Switzerland. This article is an open access article distributed under the terms and conditions of the Creative Commons Attribution (CC BY) license (http://creativecommons.org/licenses/by/4.0/).