Abstract
The aim of this paper is to develop a mathematical model for determining coordinates of points in a desired trimetric projection of a three-dimensional object. The desired trimetric projection is quantitatively specified according to the observer’s preference to emphasize one face of the object more than another. Within the mathematical model, equations defining the interdependencies of trimetric parameters are derived first. It is then demonstrated how the projection of an arbitrary point of the observed object can be determined based on these trimetric parameters. Subsequently, equations are derived that enable the calculation of the necessary trimetric parameters to achieve a desired projection. By employing the developed model, one can accurately determine the coordinates of points in the desired trimetric projection, provided that the corresponding spatial coordinates are known, as demonstrated through several examples.
MSC:
00A06
1. Introduction
Over a long period of time, designers and engineers have developed visualization techniques for three-dimensional objects that have helped in their representation, observation, and understanding. While advancements in computer graphics have enhanced the comprehension of such objects, projective geometry or engineering graphics continues to play a crucial role in visual communication. Engineering graphics has been developed using projection theory, which allows for the representation of three-dimensional objects on two-dimensional planes. Fundamentally, projections can be classified as perspective or parallel, depending on the position of the viewpoint and the projection plane relative to the object.
In perspective projection, the viewpoint is at a finite distance from the object, causing the projectors not to be parallel. Perspective projections closely resemble what the human eye visualizes, but they are challenging to construct and it is difficult to obtain the true dimensions of the object for its manufacture [1,2,3,4].
In parallel projection, the viewpoint is infinitely far from the object, making the projectors parallel to each other. In engineering design and drafting, the most commonly used projections are those in which the projectors are perpendicular to the projection plane. These projections are known as orthographic projections and can be either multiview or axonometric [1,3].
In multiview projection, each view shows one face of the object parallel to the projection plane, displaying only two dimensions of the object in each view. The advantage of multiview projections is that, in individual views, they show true dimensions required for the manufacture of the object. However, a drawback is the need for multiple views to fully define the object. Additionally, visualizing the three-dimensional shape of the object based on individual views can be challenging. Ma’rifatin et al. [5] assigned various tasks to students that involved drawing a die based on its unfolded net and found that only those with the highest visualization abilities were able to successfully complete all tasks. Similarly, Chivai et al. [6] investigated the 3D spatial skills of a group of students by administering a cube test, concluding that the group exhibited deficiencies in perceiving the 3D visualization of solids and understanding multiview projections. In a similar vein, El-Gammal [7] demonstrated in his research that even architecture students, who are often considered as skilled in the visual representation of objects, face difficulties when attempting to depict a three-dimensional object based on its multiview projections. In such cases, axonometric projections are an excellent choice.
Axonometric projections display all three principal dimensions of an object in a single view, approximately as they appear to the observer. This makes them valuable during the concept development phase or when engineering ideas need to be communicated to non-engineers. Later in the design process, axonometric projections are often used to demonstrate how components fit together in assemblies and in catalogues and manuals to facilitate object identification. In Ref. [8], Cocozza states, ‘Among the tools available to designers to illustrate their thoughts, the most meaningful—the most widely used and paradigmatic—is axonometry’, and goes on to assert, ‘The relation between axonometric drawings and design thinking is so strong that the former has become the epitome of the latter’. Axonometry can also be applied in less conventional fields, such as optics and acoustics. For example, Hasanov et al. [9] developed a mathematical model of photoelastic interaction in an acousto-optic delay line (AODL), with particular emphasis on the use of axonometric techniques for visualizing and analyzing the interaction between the optical beam and elastic waves. In their study, the axonometric approach enables a clearer representation of complex processes within the AODL, such as the entry, propagation, and exit of elastic wave packets through the optical beam.
Although a significant number of books cover the topic of axonometric projections [1,2,3,10,11,12,13,14], there is a limited amount of published research in this area. Some of the existing studies primarily address axonometry from an educational standpoint. Hoffmann and Nemeth investigated how consistently individuals—primarily students of art and engineering with advanced spatial abilities—assess various axonometric projections of cuboids in relation to their similarity to the axonometric projection of a cube [4]. In Ref. [15], Karpyuk et al. proposed a method for constructing an axonometric projection of a circle that lies in a plane of general position, contributing to the fields of descriptive geometry and engineering graphics in educational sciences. Xiaowu and Qian [16] conducted an analysis of the characteristics of axonometric projection through the frameworks of projection theory and 3D graphics transformation. Additionally, they explored a specialized variant of axonometric projection with the purpose of advancing pedagogical practices in engineering drawing. Ref. [17] presents a new methodology for spatial visualization utilizing a computer-based binocular axonometric anaglyph method grounded in Monge’s projections, which has been applied in the teaching of descriptive geometry. This method provides enhanced depth perception compared to traditional techniques used in computer graphics, highlighting the educational potential of the software tool.
Some authors focus on the analysis and interpretation of freehand sketches that utilize axonometric projection techniques, with the aim of developing algorithms that improve the accuracy and precision in the automatic processing of these sketches for further application in computing, modeling, and engineering. For example, in Ref. [18], the authors focused on a method for grouping multiple strokes in online axonometric sketches made by users in order to create coherent 3D models of mechanical objects from freehand sketches. In Ref. [19], Wang et al. presented a method that enables the joining of endpoint pairs in axonometric projections of freehand polyhedron sketches in order to improve accuracy and precision in the automatic recognition and reconstruction of 3D shapes.
Some studies address specific problems related to axonometric projections. For example, Kravtsova and Kostrubova developed a graphical method for constructing the axonometric projection of curved surfaces, enabling the accurate representation of 3D shapes and contours of such surfaces in a 2D space, despite the challenges posed by the specific geometric characteristics of curved forms [20]. Zhigang et al. developed an algorithm for generating axonometric projections of cylinder and cone sections in their study, along with the corresponding equations involving transformation operators for axonometric projection. They then implemented this algorithm in Visual LISP to produce the appropriate axonometric drawings in AutoCAD [21].
Creating an axonometric projection involves tilting the object relative to the projection plane so that three adjacent faces are visible in one drawing. As a result, the object’s edges are foreshortened, with the foreshortening ratio depending on the angle of tilt relative to the projection plane. The greater the angle, the greater the foreshortening effect. Figure 1a illustrates how the axonometric projection of a cube is obtained, assuming that it is unit-sized for simplicity. One vertex of the cube is chosen as the origin O and three of its orthogonal edges coincide with the coordinate axes x, y, and z.
Figure 1.
Illustration of axonometric projection: (a) obtaining of axonometric projection, (b) representation of a unit cube in axonometric projection.
Figure 1b shows the general case known as trimetric projection. The characteristic feature of trimetric projection is that all three coordinate axes, x, y, and z, have different tilt angles with respect to the projection plane. As a result, the lengths of the cube’s edges in the x, y, and z directions differ from each other and are equal to the foreshortening ratios in those directions, , , and , respectively. Special cases of trimetric projections include dimetric projection (where two of the three foreshortening ratios are equal) and isometric projection (where all three foreshortening ratios are equal). Trimetric projections are particularly useful when specific faces of the object require detailed viewing compared to others.
The angles between the horizontal line and the projections of the x and y axes, labeled as and , respectively, are referred to as trimetric angles (Figure 1b). These angles, along with the foreshortening ratios , , and are essential for constructing a trimetric projection of a 3D object. Henceforth, these five parameters will collectively be termed trimetric parameters.
Approximate trimetric projections can be achieved by constructing rough trimetric angles and scales, as demonstrated in Refs. [1,3,10], or by employing commonly used approximate angles and scales [2]. Accurate trimetric projections require precise knowledge of all trimetric parameters. These parameters cannot be arbitrarily chosen due to their interdependence. In some references on axonometric projections, mathematical expressions have been derived or utilized to describe the mutual dependence of the foreshortening ratios [10,11,12,13,14,22,23]. Radomirović employed vector algebra to develop a method for analytically determining successive trimetric projections of an object rotating around an arbitrary stationary axis [22]. In Ref. [23], Gimena et al. defined the concept of main related views to determine the projections of axonometric axes and their corresponding scales.
In most CAD programs, trimetric projections of an object are typically achieved by rotating the object around one coordinate axis by a certain angle, and then around another coordinate axis by another angle, using appropriate rotation matrices [24,25,26,27,28]. Saxena and Sahay [24] described the relationships between object rotation angles and foreshortening ratios. However, these angles are not visible in a trimetric projection, rendering them unsuitable for its definition. It would be convenient if the desired trimetric projection were defined by a simple quantitative criterion that could be correlated with trimetric parameters. In Ref. [28], Marsh defined the projection matrix of a 3D object based on the viewpoint and the projection plane vector. However, this approach is also inadequate for precisely specifying the desired trimetric projection.
A further review of the literature did not reveal any instances where a mathematical relationship had been derived between the desired trimetric projection and the corresponding trimetric parameters. This gap motivated the authors of this paper to conduct research in this area, leading to the development of a mathematical model that facilitates the straightforward determination of any point’s position in the desired trimetric projection. The research is described in this paper.
The remainder of this paper is structured as follows. In Section 2, the mathematical dependencies between the trimetric parameters are derived using a special object, followed by the application of these parameters in determining the coordinates of an arbitrary point in the trimetric projection of an object. Subsequently, an original method is presented for determining the trimetric parameters to achieve the desired trimetric projection of an object. Section 3 illustrates the application of the developed model through several examples. Finally, Section 4 presents the conclusions.
2. Materials and Methods
2.1. Interdependence of Trimetric Parameters
We will consider a special object (Figure 2) that facilitates the derivation of equations connecting the trimetric parameters. The object comprises a unit-radius circular disc (R = 1) situated in the horizontal plane xOy and a unit-length rod OC (L = 1) perpendicular to the disc, rigidly attached to its center O. The object is projected onto the plane , which forms an angle relative to the vertical plane. The same angle is formed between the projection rays and the horizontal plane, as this is an orthographic projection (Figure 2). Therefore, the viewing direction is defined by the angle , which will be treated as a known parameter in deriving the equations.
Figure 2.
Observation of a special object for determining trimetric parameters.
2.1.1. Initial Mathematical Relationships
In Figure 3a, the orthographic projection of the rod with the circular disc is depicted, showing the rod length L and angle in true size. In Figure 3b, its axonometric projection onto the plane is illustrated.
Figure 3.
Projections of the rod with the circular disc: (a) the side orthographic projection, (b) the axonometric projection onto plane .
As seen in Figure 3a, in a coordinate system where the z-axis is vertical, the foreshortening ratio depends directly on the viewing angle :
The circular disc of the observed object appears as an ellipse in the projection plane (Figure 3b), where its longer semi-major axis equals the radius of the circular disc (), so
The length of the semi-minor axis of the ellipse is readily determined based on angle (Figure 3a).
or, expressed in terms of ,
To utilize the rod with the circular disc for determining the relationships between trimetric parameters, Figure 4 is employed, where all necessary elements for this purpose are marked. The rationale for determining the sought mathematical relationships is described in the following paragraph.
Figure 4.
(a) Trimetric parameters in the projection of the rod with the circular disc; (b) trimetric projection of the circular disc with elements for determining relationships between trimetric parameters.
Besides the known angle , it is necessary to choose a value for either angle or . In this case, angle defines the position of point A on the ellipse. The distance OA represents the foreshortening ratio in the -direction, (Figure 4a). The tangent at point A to the ellipse defines the direction of the -axis, thereby determining angle . The intersection of the -axis with the ellipse determines the position of point B and, consequently, the foreshortening ratio in the y-direction, ( = OB).
To implement the described logic, Figure 4b is utilized, which depicts a diagram of the ellipse with the parameters , , , and marked. Additionally, the figure includes the coordinate system uOv, essential for writing the ellipse equation in the form
Starting from Equations (1)–(5) and using Figure 4b, mathematical relationships between the trimetric parameters , , , , and can be derived, as demonstrated below. It is assumed that the foreshortening ratio is known, directly defined by angle according to Equation (1). Additionally, angle can be chosen as desired; hence, its value will also be considered as known.
2.1.2. Determining the Relationship Between Foreshortening Ratio and Angle
Since point A lies on the ellipse, its coordinates in the uOv coordinate system (Figure 4b),
must satisfy the ellipse Equation (5), which gives
and, after solving for ,
Considering Equations (1)–(4), the final expression for the foreshortening ratio in terms of the known trimetric parameters and is
2.1.3. Determining the Relationship Between Angles and
Since the tangent to the ellipse at point A is parallel to the y-axis (Figure 4b), the following condition must be satisfied:
By differentiating Equation (5), we obtain
and hence,
By substituting Equations (2), (4), (6), and (10) into Equation (9), the following relationship between angles and is obtained:
Since the parameters and are known, Equation (11) defines angle .
2.1.4. Determining the Relationship Between Foreshortening Ratio and Angle
Since point B lies on the ellipse, its coordinates in the uOv coordinate system (Figure 4b),
must satisfy the equation of ellipse (5), which gives
By solving Equation (13) for , we obtain
Taking into account Equations (2) and (4), the final expression for foreshortening ratio in terms of the trimetric parameters and is
Equations (8), (11), and (15) represent three fundamental mathematical relationships among the trimetric parameters. By applying these equations and modifying them accordingly, any set of three trimetric parameters can be determined if the remaining two are specified. This study will address the two most common scenarios: (1) determining foreshortening ratios when trimetric angles are specified and (2) determining trimetric angles alongside the third foreshortening ratio when two foreshortening ratios are given.
2.1.5. Cases of Determining Trimetric Parameters
Case I: Determining Foreshortening Ratios Given Trimetric Angles
If trimetric angles and are specified, then, according to Equation (11),
Foreshortening ratio is determined by substituting Equation (16) into Equation (8), yielding
After substituting the well-known trigonometric relationship into Equation (17) and simplifying, Equation (17) takes a form much more suitable for its application:
Similarly, Equation (15) is transformed into a suitable form:
Equations (16), (18), and (19) comply with the fundamental law of axonometry [3,10,11,12,13,14,15]:
as demonstrated below.
If Equations (16), (18), and (19) are substituted into Equation (20) and the well-known trigonometric identity () is used, we obtain the expression
which is then simplified to yield Equation (20).
Case II: Determining Trimetric Angles Given Foreshortening Ratios
If foreshortening ratios and are given, angle can be expressed from Equation (8) as
and then angle can be determined from Equation (11) as
The remaining foreshortening ratio is determined from Equation (20).
If foreshortening ratios and are given, similarly, but in reverse order, trimetric angles are determined. First, angle is obtained by using Equation (15) as
and then angle is expressed from Equation (11) as
Foreshortening ratio is determined from Equation (20).
When foreshortening ratios and are given, the remaining foreshortening ratio is determined from Equation (20) as
Then, by substituting Equation (25) into Equation (21) and solving for , we obtain
Similarly, after substituting Equation (25) into Equation (23), angle is obtained as
Understanding the values of all five trimetric parameters is highly useful, as they allow for determining the position of any point of an object in its trimetric projection.
2.2. Utilizing Trimetric Parameters in Determining Coordinates of an Arbitrary Point in a Trimetric Projection
Figure 5 illustrates the trimetric projection of the spatial coordinate system Oxyz, with trimetric parameters , , , , and . The coordinates of an arbitrary point in the coordinate system Oxyz are (, , ), but, in the trimetric projection, they appear as (, , ) due to the foreshortening ratios , , and . The projection of an arbitrary point is defined by coordinates (X, Y) relative to the coordinate system OXY, located in the projection plane. Based on Figure 5, it is evident that
Figure 5.
Relationship between the spatial coordinates (, , ) of an arbitrary point and its projection coordinates (X, Y).
2.3. Determining Trimetric Parameters for Desired Trimetric Projection of a 3D Object
In a trimetric projection of a 3D object, its principal faces are displayed with varying emphasis. This emphasis can be quantified by considering the unit areas of these faces. Specifically, if a face contains more detailed features, its unit area in the trimetric projection should be larger. This approach ensures that the projection’s definition is driven primarily by the complexity of details rather than the total surface area of the object’s face. Given these considerations, it is most appropriate to specify desired ratios of projected unit areas for the three principal faces of the object to define its trimetric projection. The question then arises of how to achieve a projection that satisfies this specified condition. The resolution of this problem is presented below.
The unit cube is considered, with its trimetric projection shown in Figure 6a. In this projection, the lengths of the cube’s edges along the , , and directions appear reduced and are seen as , , and , respectively. Consequently, the surface areas of the cube’s faces , , and are also less than their actual values, that is, less than 1. These areas are denoted as , , and because they are parallel to the coordinate planes zOy, zOx, and xOy, respectively (Figure 6b).
Figure 6.
(a) Trimetric projection of the unit cube; (b) trimetric projections of the principal faces of the cube and the coordinate system Oxyz; (c) determination of the surface areas and .
Using Figure 1 and an analogy with Equation (3), the surface area can be determined as or
taking into account Equation (4).
The objective here is to determine trimetric parameters based on the surface areas , , and . Achieving this goal requires utilizing previously established relationships among the trimetric parameters.
Using Equations (18), (19), and (16), Equations (30)–(32) can be written as
If the squared Equation (33) is divided by the squared Equation (34), we obtain
By solving Equations (35) and (36) for and , we obtain
However, it is more practical to specify the desired trimetric projection through the ratios of projected unit areas rather than through their values. In this regard, in order to use Equations (37) and (38), a relationship between , , and needs to be established. This can be achieved by squaring Equations (33)–(35), adding them together, and then simplifying to obtain
Equation (39) defines the relationship between the unit areas of the principal faces of an object in its trimetric projection. The authors of this paper are not aware of such a relationship being derived or utilized in the existing literature; thus, they consider Equation (39) to represent a significant scientific contribution.
If the desired ratios are , then we have , , , where is an auxiliary parameter. From Equation (39), it is straightforward to derive that ; hence,
By combining Equations (40)–(42) with Equations (37) and (38), angles and are determined, followed by the remaining trimetric parameters , , and from Equations (18), (19), and (16), respectively.
Finally, if the spatial coordinates (, , ) of an arbitrary point of the cube are known, its coordinates in the projection plane can be determined from Equations (28) and (29) based on the trimetric parameters.
2.4. Application of the Developed Mathematical Model
The Equations (40), (41), (42), (37), (38), (18), (19), (16), (28), and (29) derived in this paper constitute the mathematical model for determining the coordinates of an arbitrary point of the desired trimetric projection of a 3D object. In general, by applying these equations in the aforementioned sequence, all points of the trimetric projection can be obtained, where the unit areas of three principal faces of the object will be in the desired ratios .
Given the innovative approach employed in the development of this mathematical model, we believe that it could find application in CAD software when it is necessary to map a 3D model of an object onto the appropriate projection plane to obtain its desired trimetric (axonometric) projection. Additionally, our model could be utilized as an aid for more efficient direct 2D drawing or sketching of axonometric drawings on the projection plane, particularly in cases where no 3D software model of an object exists or there is no need to create one.
2.4.1. Axonometric Projections of a Software-Generated 3D Model of an Object
When considering the potential application in CAD software, we believe that our mathematical model could be used during the phase of mapping an already established 3D model to its desired axonometric projection. If a 3D model of an object has already been created within the appropriate software, this implies that, among other things, the coordinates (x, y, z) of all necessary points of the object and/or the coordinates of a sufficient number of points, along with the corresponding parametric equations defining the positions of all necessary points of the object, are known. In light of this, the application of our mathematical model would generally proceed as outlined in the following pseudocode (Algorithm 1):
| Algorithm 1. Pseudocode for Axonometric Projections of a Software-Generated 3D Model of an Object |
| BEGIN // Input data Input p, q, r // Percentage values for the desired axonometric projection Input (x, y, z) coordinates for all the necessary points of the 3D model // Calculate values Sxy, Sxz, Syz Calculate Sxy using Equation (40) Calculate Sxz using Equation (41) Calculate Syz using Equation (42) // Calculate the trimetric angles α and β Calculate α using Equation (37) Calculate β using Equation (38) // Calculate the forshortening ratios kz, kx, ky Calculate kz using Equation (16) Calculate kx using Equation (18) Calculate ky using Equation (19) // Compute (X, Y) coordinates for each necessary point in the projection plane FOR EACH necessary point (x, y, z) in the 3D object Compute X coordinate based on Equation (28) Compute Y coordinate based on Equation (29) END FOR // Connect points (if needed) IF required Connect points with continuous lines to create the final axonometric projection END |
Certainly, CAD software is complex, and the representation of 3D objects involves other well-known techniques, such as culling, hidden surface elimination, and various processes that occur within the rasterization and rendering of the final image. However, all of these processes fall outside the scope of our current research.
2.4.2. Axonometric Sketching or Drawing Directly on the Projection Plane
Another potential application of the developed mathematical model could arise in cases where direct 2D axonometric drawing or sketching is required. This process involves drawing objects directly on the projection plane, bypassing the necessity for prior 3D modeling. This methodology facilitates the accurate depiction of an object in the desired projection—whether isometric, dimetric, or trimetric—directly onto the drawing surface using a grid tailored to that specific projection type. Direct axonometric drawing, or drawing in axonometry with an axonometric grid, is utilized in various specialized contexts, particularly when the expeditious and effective creation of technical drawings is required to represent three-dimensional objects within a two-dimensional projection. Some of the predominant applications include the following:
- Sketching and conceptual development (during the initial design phases or concept development stages, axonometric drawing serves as a rapid and efficient means to depict an object’s form in 3D. The grid simplifies the drawing process and adjustment of proportions, eliminating the need for time-consuming calculations or the creation of complex 3D models);
- Design visualization (engineers, architects, and designers frequently employ axonometric projections for straightforward visualizations intended to convey to clients or colleagues how a final product will appear within a given space);
- Teaching technical drawing and engineering (axonometric grids are widely used in educational settings to aid students in understanding spatial relationships and projections. Direct axonometric drawing encourages the development of spatial visualization skills, allowing students to translate 3D objects onto 2D surfaces).
The direct axonometric drawing method is highly useful as it allows for the quick and precise representation of 3D objects without the need to create complex 3D models. It saves time and resources while still providing sufficient detail and information about the object’s shape.
Our model can be useful for direct axonometric drawing or sketching as, based on the given parameters of the desired axonometric projection, , it calculates the trimetric parameters , , , , and , which define the corresponding axonometric grid suitable for drawing exactly that desired projection (Figure 7). The shortened lengths of the unit divisions , , and along the , , and axes are equal to the forshortening coefficients , , and , respectively.
Figure 7.
Axonometric (trimetric) grid defined by the parameters , , , , and .
In addition, our model facilitates direct axonometric drawing if orthographic multiview projections of a 3D object with all its dimensions are available to the drafter and they wish to create an axonometric drawing of the object on the projection plane. In this case, the application of our model is described by the following pseudocode (Algorithm 2):
| Algorithm 2. Pseudocode for Axonometric Sketching or Drawing Directly on the Projection Plane |
| BEGIN // Input data Input p, q, r // Percentage values for the desired axonometric projection Input (x, y, z) coordinates for important points of the 3D object (e.g., vertices) // Calculate values Sxy, Sxz, Syz Calculate Sxy using Equation (40) Calculate Sxz using Equation (41) Calculate Syz using Equation (42) // Calculate the trimetric angles α and β Calculate α using Equation (37) Calculate β using Equation (38) // Calculate forshortening ratios kz, kx, ky Calculate kz using Equation (16) Calculate kx using Equation (18) Calculate ky using Equation (19) // Draw the axonometric grid (if needed) IF required Draw axonometric grid based on α, β, kz, kx, ky // Compute (X, Y) coordinates for important points FOR EACH important point (x, y, z) in the object Compute X, Y coordinates based on Equations (28) and (29), respectively END FOR // Connect the points to create the desired axonometric sketch or drawing Connect the computed points to form the axonometric sketch END |
In the following section, several illustrative examples are provided to demonstrate the application of the developed mathematical model.
3. Results and Discussion
3.1. Example 1
We consider a right rectangular prism, depicted with its multiview orthographic projection in Figure 8.
Figure 8.
Orthographic multiview projection of the prism.
The base of the prism is situated in the xy-plane and measures 3 × 4 units. One vertical face of the prism, measuring 3 × 2 units, is located in the zx-plane, while the other vertical face, measuring 4 × 2 units, is positioned in the zy-plane. Each face of the prism displays a grid composed of identical squares. The number of these squares per unit area varies across each face of the prism to simulate varying levels of detail. Specifically, according to Figure 8, the unit area in the zy-plane contains 4 squares, the unit area in the zx-plane contains 16 squares, and the unit area in the xy-plane contains 25 squares.
We need to create a trimetric projection of this prism, ensuring that the face with more details is emphasized relative to the face with fewer details. Given the highest density of squares per unit area in the xy-plane and the lowest density in the zy-plane, let the desired ratios of unit areas in the trimetric projection be, for instance, . This condition provides a quantitative specification for the desired projection of the prism.
According to the specified conditions, where , , and , Equations (40)–(42) yield
Trimetric angles and are determined from Equations (37) and (38), respectively:
while the foreshortening ratios , , and are calculated using Equations (16), (18), and (19), respectively:
The trimetric projection of the observed prism is defined based on the calculated values of the parameters , , , , and , ensuring that the unit areas , , and maintain the desired ratio of 55:35:10. Using Equations (28) and (29), the coordinates of the prism vertices are computed in the XOY coordinate system of the projection plane. The desired trimetric projection of the prism, along with the computed vertex coordinates, is illustrated in Figure 9.
Figure 9.
Trimetric projection of the prism with the desired unit area ratios .
3.2. Example 2
Figure 10 shows a prism whose vertices have the same coordinates as in the previous case.
Figure 10.
The prism, with its principal faces varying in levels of detail: (a) orthographic multiview projection; (b) trimetric projection with the desired unit area ratios .
To illustrate varying levels of detail, an Archimedean spiral is plotted on one principal face of the prism, and a sinusoidal curve on another, while the third principal face remains without additional details. The parametric equations defining the Archimedean spiral are , , and , whereas those for the sinusoid are , , and , with t serving as the parameter. Figure 10a presents an orthographic multiview projection of the prism, where these two curves are depicted in their true dimensions. Figure 10b shows the prism’s trimetric projection, defined by the same trimetric parameters as in Figure 9. The coordinates X and Y in the projection plane for points on the Archimedean spiral and sinusoid are calculated by substituting the parametric equations of these curves into Equations (28) and (29).
3.3. Example 3
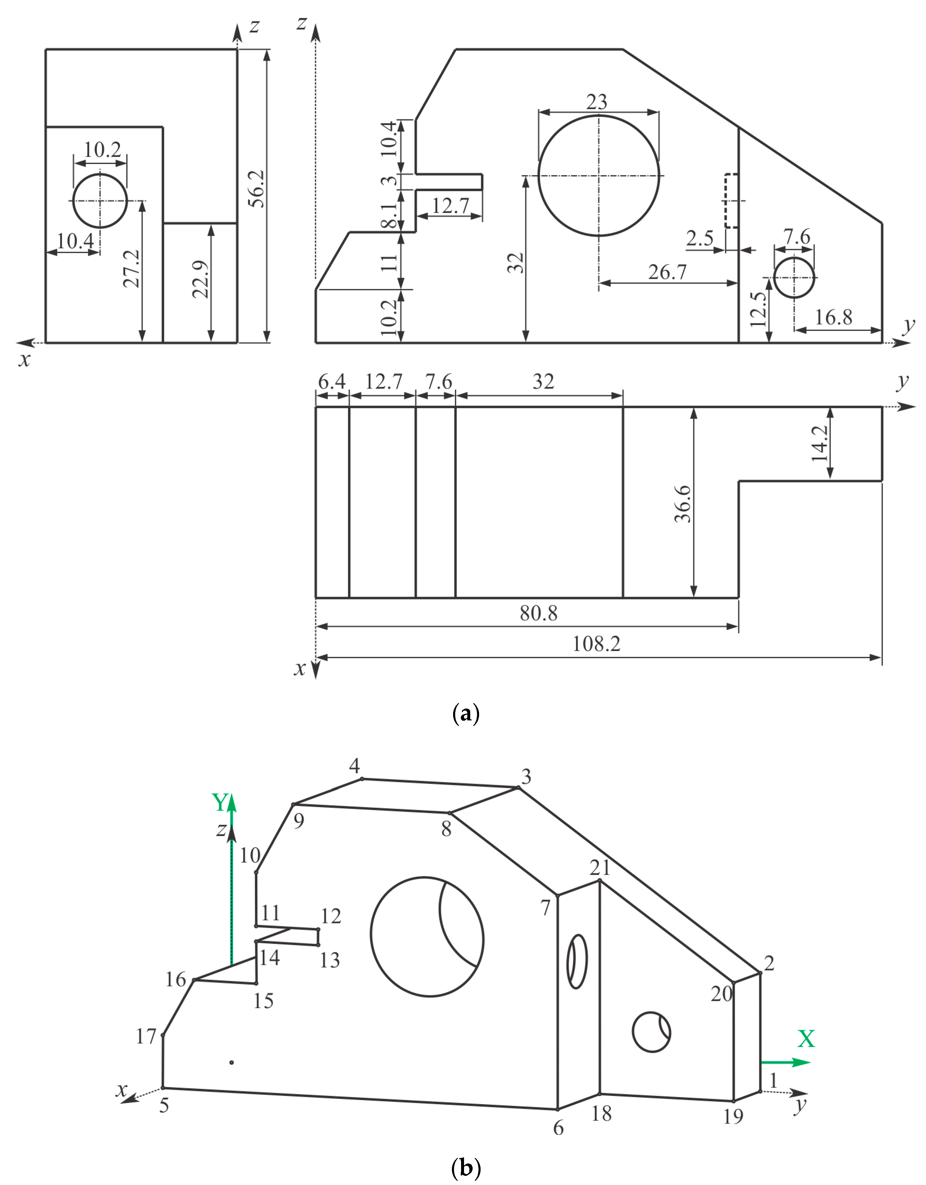
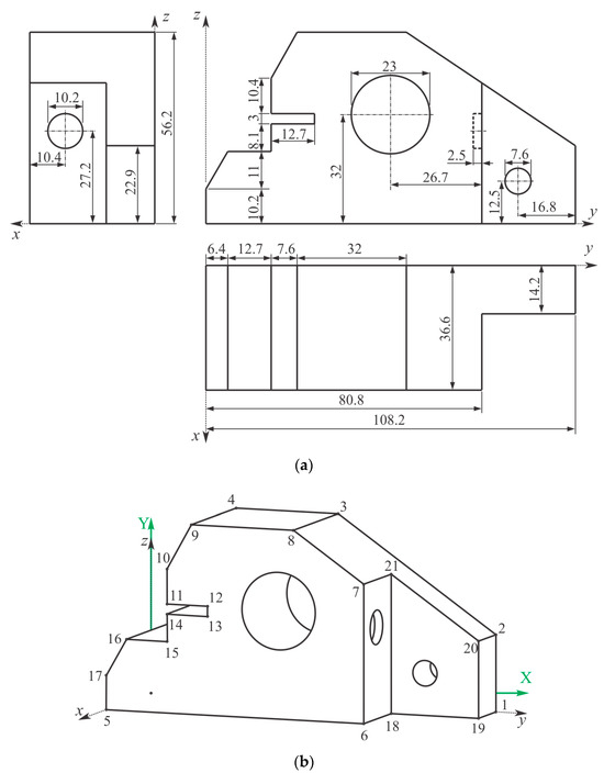
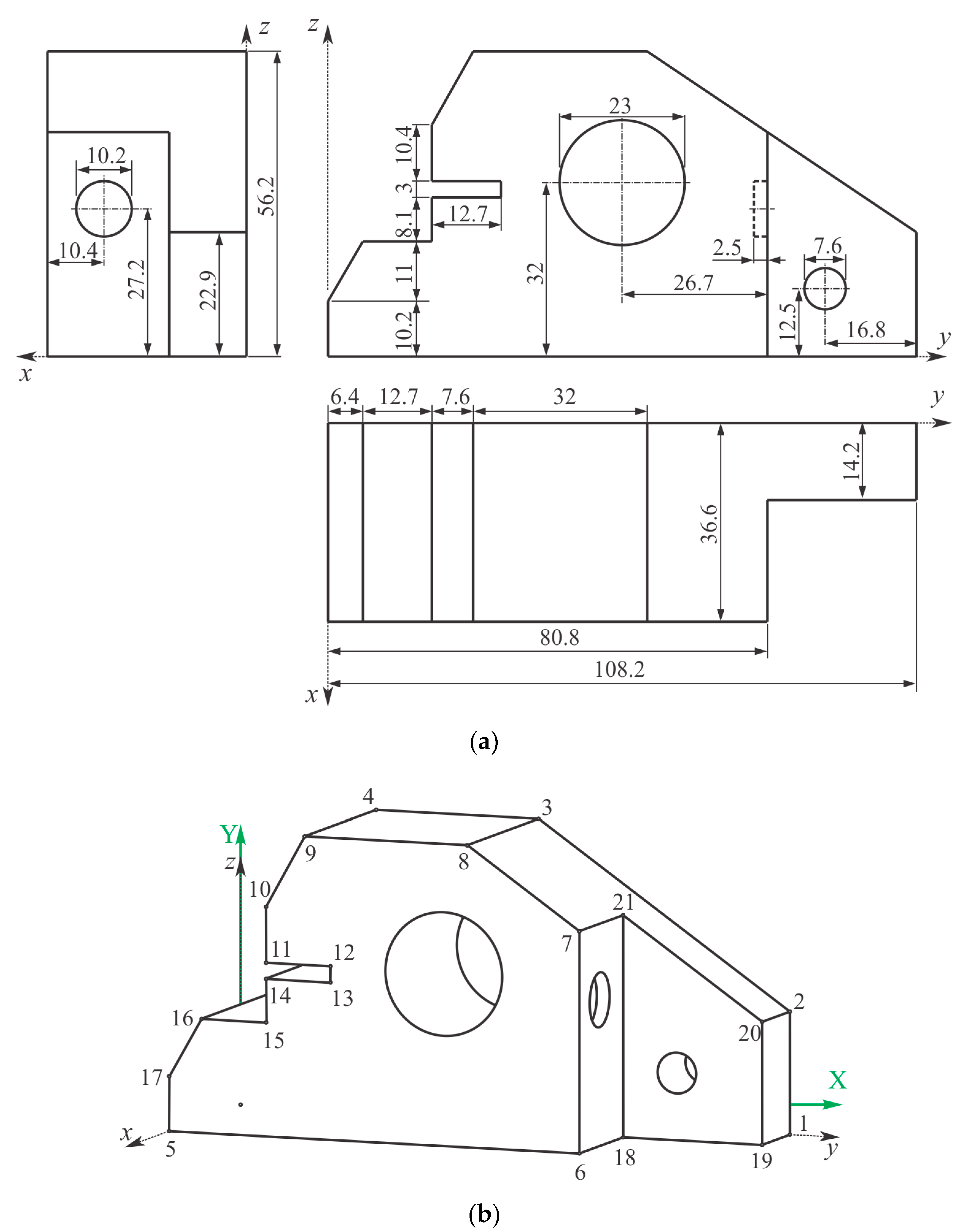
In Figure 11, a tool holder block is illustrated, showcasing varying degrees of detail across its three principal faces. As seen in Figure 11a, the most detail is present on the side parallel to the zOx coordinate plane, followed by the side parallel to the xOy plane, and the least detail is on the side parallel to the zOy coordinate plane.
Figure 11.
The tool holder block, with its principal faces varying in levels of detail: (a) orthographic multiview projection; (b) trimetric projection with the desired unit area ratios .
Accordingly, we have chosen for the desired trimetric projection to be defined by the ratios of the unit areas . These ratios are not strictly defined but are selected based on the observer’s perception in order to ensure that the defined trimetric projection provides the most suitable representation of this tool holder block. Considering the given conditions , , and , the values
are obtained for the unit surfaces from Equations (40)–(42), while the values of trimetric angles and , obtained from Equations (37) and (38), respectively, are
The foreshortening ratios , , and are calculated using Equations (16), (18), and (19), respectively:
Finally, using Equations (28) and (29), the coordinates (X, Y) of the vertices of the tool holder block were determined, defining its trimetric projection in such a way that the desired condition is satisfied. The values of the calculated vertex coordinates are provided in Table A1 in Appendix A, and Figure 11b shows the desired trimetric projection of the tool holder block, with the vertices labeled with numbers from 1 to 33.
3.4. Example 4
Figure 12 presents a centering clip, with its three principal faces exhibiting varying levels of detail. As seen in Figure 12a, the least detail is present on the side parallel to the xOy coordinate plane, followed by the side parallel to the xOz plane, and the most detail is on the side parallel to the zOy coordinate plane. Accordingly, we defined the desired trimetric projection by the unit area ratios , as we freely estimated that such a projection would provide a suitable representation of this centering clip.
Figure 12.
The centering clip, with its principal faces varying in levels of detail: (a) orthographic multiview projection; (b) trimetric projection with the desired unit area ratios .
Given the specified condition, i.e., , , and , the values
were determined in the same manner as in Example 3 from Equations (40)–(42), and then, from Equations (37), (38), (16), (18), and (19), the five trimetric parameters
were calculated, respectively.
Finally, using Equations (28) and (29), the coordinates (X, Y) of the vertices of the centering clip, as well as the circles at the inlet and outlet of the centering holes, were determined on the desired trimetric projection. In Appendix A, Table A2 provides the calculated values of the vertex coordinates, while Table A3 presents the parametric equations of the circles, which are incorporated into Equations (28) and (29), to determine the coordinates of the points on these circles in the trimetric projection. Figure 12b shows the trimetric projection of the centering clip, with vertices labeled from 1 to 21, that satisfies the desired condition.
4. Conclusions
The main contribution of the research described in this paper is an original mathematical model that serves as the basis for obtaining the desired trimetric projection of a 3D object. A notable feature of this model is a quantitative specification of the desired trimetric projection in an innovative manner, aiming to emphasize more detailed faces of the object over those with fewer details. This specification is articulated through desired ratios of unit areas of the object’s three principal faces in the trimetric projection. This could be useful in engineering, computer graphics, design, or any other field where working with spatial representations of objects is required. An additional contribution of this work lies in the fact that, during the development of our mathematical model, we derived an equation that characterizes the relationship between the unit areas of the three principal faces of an object in its trimetric projection—an equation that has not been encountered in the existing relevant literature.
During the development of the model, mathematical relationships among five trimetric parameters were derived, enabling the determination of the remaining three parameters given any two. Equations were also established to map any point of the observed object onto its trimetric projection using these parameters. Furthermore, equations were derived to compute trimetric angles based on the desired trimetric projection.
The model requires input data comprising spatial coordinates of points of the observed object and desired ratios of unit areas for its three principal faces in the trimetric projection. As output, the model provides coordinates of points in the projection plane. Naturally, for more complex objects, the amount of input data increases, and specifying a quantitative criterion for the desired trimetric projection becomes somewhat more challenging when dealing with objects of unusual shapes. Nevertheless, the model is universally applicable to any 3D object provided that appropriate input data are available.
When our mathematical model is compared with existing models for determining trimetric projections, it can be stated that the existing models are based on processes that lead to the desired trimetric projection, whereas our model is based on defining the desired result to be achieved, i.e., defining the desired trimetric projection. For this reason, we believe that our model is more suitable in cases where the trimetric projection itself is the goal, and when it is both necessary and possible to define it by the proportional relationships of the unit areas of the three principal faces of the object. Therefore, as an advantage of our model, we can highlight a greater flexibility in defining the trimetric projection and the ability to more precisely control the proportions of the object’s representation on the projection compared to traditional models. Furthermore, if it is necessary to directly draw or sketch the axonometric representation of an object on the projection plane (without creating a software 3D model of the object), our mathematical model can be highly useful. Specifically, it enables the definition of an appropriate axonometric grid that facilitates the direct drawing or sketching of axonometric projections. Additionally, if the drafter knows the exact dimensions of the object, they can use our model to obtain the coordinates of the necessary number of relevant points, which they can then intuitively connect with lines to obtain the corresponding axonometric representation of the object. In this way, our model can serve engineering, design, and educational purposes. On the other hand, existing models are more universal, as they can be applied not only when the goal is to obtain an axonometric projection of an object but also for other purposes. For instance, their significance in the field of animation is notable, which cannot be said for our model.
Considering all the aforementioned points, the authors of this study assert that the developed mathematical model is a valuable tool that could be implemented in CAD software as part of an algorithm for generating desired trimetric projections of 3D objects. Accordingly, this paper presents an original mathematical model that may serve as the foundation for such an algorithm, rather than representing the algorithm itself. The algorithm would need to incorporate additional necessary techniques, such as culling, hidden line removal, and hidden surface elimination, which are well established in computer graphics. Given the specific approach to trimetric projections outlined in this study, it remains to be determined whether existing algorithms (e.g., backface culling, z-buffering, the Cohen–Sutherland algorithm, etc.) are applicable in this context or if an enhancement of the developed mathematical model is required. Such an enhancement would involve incorporating a new method into the model—one that aligns with the approach used to define the desired trimetric projection, as exemplified in the development of the current model. These extensions would enable the model to identify hidden lines, thus enhancing its functionality in practical applications. Future research in this field could further explore these possibilities.
Author Contributions
Conceptualization, N.N. and D.R.; methodology, N.N. and D.R.; validation, N.N., D.R., P.B. and B.S.; formal analysis, P.B. and B.S.; investigation, N.N. and D.R.; writing—original draft preparation, N.N. and D.R.; writing—review and editing, N.N.; visualization, D.R. and P.B.; supervision, N.N. and B.S.; project administration, N.N.; funding acquisition, N.N. All authors have read and agreed to the published version of the manuscript.
Funding
This research has been supported by the Ministry of Science, Technological Development and Innovation (Contracts No. 451-03-137/2025-03/200156 and 451-03-137/2025-03/200117) and the Faculty of Technical Sciences, University of Novi Sad through project “Scientific and Artistic Research Work of Researchers in Teaching and Associate Positions at the Faculty of Technical Sciences, University of Novi Sad 2025” (Contract No. 01-50/295).
Data Availability Statement
Data are contained within the article.
Conflicts of Interest
The authors declare no conflicts of interest. The funders had no role in the design of the study; in the collection, analyses, or interpretation of data; in the writing of the manuscript; or in the decision to publish the results.
Appendix A
Table A1.
Coordinates of the tool holder block vertices (Example 3).
Table A1.
Coordinates of the tool holder block vertices (Example 3).
| Vertex | x [mm] | y [mm] | z [mm] | X [mm] | Y [mm] |
|---|---|---|---|---|---|
| 1 | 0 | 0 | 30 | 0 | 26.21 |
| 2 | 10 | 0 | 30 | −9.28 | 24.40 |
| 3 | 10 | 6 | 30 | −7.06 | 21.69 |
| 4 | 30 | 6 | 30 | −25.63 | 18.07 |
| 5 | 30 | 0 | 30 | −27.85 | 20.78 |
| 6 | 40 | 0 | 30 | −37.14 | 18.98 |
| 7 | 40 | 30 | 30 | −26.00 | 5.42 |
| 8 | 16 | 30 | 30 | −3.71 | 9.76 |
| 9 | 16 | 20 | 30 | −7.43 | 14.28 |
| 10 | 6 | 20 | 30 | 1.86 | 16.09 |
| 11 | 6 | 30 | 30 | 5.57 | 11.57 |
| 12 | 0 | 30 | 30 | 11.14 | 12.65 |
| 13 | 16 | 30 | 20 | −3.71 | 1.02 |
| 14 | 6 | 30 | 20 | 5.57 | 2.83 |
| 15 | 0 | 30 | 0 | 11.14 | −13.56 |
| 16 | 10 | 30 | 0 | 1.86 | −15.36 |
| 17 | 10 | 30 | 6 | 1.86 | −10.12 |
| 18 | 30 | 30 | 6 | −16.71 | −13.74 |
| 19 | 30 | 30 | 0 | −16.71 | −18.98 |
| 20 | 40 | 30 | 0 | −26.00 | −20.78 |
| 21 | 40 | 30 | 8 | −26.00 | −13.80 |
| 22 | 34 | 30 | 8 | −20.43 | −12.71 |
| 23 | 34 | 30 | 20 | −20.43 | −2.23 |
| 24 | 40 | 30 | 20 | −26.00 | −3.31 |
| 25 | 40 | 0 | 20 | −37.14 | 10.24 |
| 26 | 40 | 0 | 8 | −37.14 | −0.24 |
| 27 | 40 | 0 | 0 | −37.14 | −7.23 |
| 28 | 34 | 0 | 8 | −31.57 | 0.84 |
| 29 | 6 | 20 | 20 | 1.86 | 7.35 |
| 30 | 28 | 30 | 14 | −14.86 | −6.39 |
| 31 | 22 | 30 | 14 | −9.28 | −5.30 |
| 32 | 22 | 30 | 20 | −9.28 | −0.06 |
| 33 | 28 | 30 | 20 | −14.86 | −1.14 |
Table A2.
Coordinates of the centering clip vertices (Example 4).
Table A2.
Coordinates of the centering clip vertices (Example 4).
| Vertex | x [mm] | y [mm] | z [mm] | X [mm] | Y [mm] |
|---|---|---|---|---|---|
| 1 | 0 | 108.2 | 0 | 100.99 | −5.52 |
| 2 | 0 | 108.2 | 22.9 | 100.99 | 17.15 |
| 3 | 0 | 58.7 | 56.2 | 54.79 | 52.63 |
| 4 | 0 | 26.7 | 56.2 | 24.92 | 54.27 |
| 5 | 36.6 | 0 | 0 | −13.14 | −4.86 |
| 6 | 36.6 | 80.8 | 0 | 62.28 | −8.98 |
| 7 | 36.6 | 80.8 | 41.3 | 62.28 | 31.94 |
| 8 | 36.6 | 58.7 | 56.2 | 41.65 | 47.78 |
| 9 | 36.6 | 26.7 | 56.2 | 11.78 | 49.41 |
| 10 | 36.6 | 19.1 | 42.7 | 4.69 | 36.44 |
| 11 | 36.6 | 19.1 | 32.3 | 4.69 | 26.14 |
| 12 | 36.6 | 31.8 | 32.3 | 16.54 | 25.49 |
| 13 | 36.6 | 31.8 | 29.3 | 16.54 | 22.52 |
| 14 | 36.6 | 19.1 | 29.3 | 4.69 | 23.17 |
| 15 | 36.6 | 19.1 | 21.2 | 4.69 | 15.15 |
| 16 | 36.6 | 6.4 | 21.2 | −7.16 | 15.80 |
| 17 | 36.6 | 0 | 10.2 | −13.14 | 5.24 |
| 18 | 14.2 | 80.8 | 0 | 70.32 | −6.01 |
| 19 | 14.2 | 108.2 | 0 | 95.89 | −7.40 |
| 20 | 14.2 | 108.2 | 22.9 | 95.89 | 15.26 |
| 21 | 14.2 | 80.8 | 41.333 | 70.32 | 34.91 |
Table A3.
Parametric equations of the circles at the inlet and outlet of the centering holes (Example 4).
Table A3.
Parametric equations of the circles at the inlet and outlet of the centering holes (Example 4).
| Circle Center Coordinates | Circle Radius [mm] | Parametric Equations | ||
|---|---|---|---|---|
| x [mm] | y [mm] | z [mm] | ||
| 36.6 | 54.1 | 32 | 11.5 | x(t) = 36.6 = const. y(t) = 54.1 + 11.5 cos t z(t) = 32 + 11.5 sin t |
| 0 | 54.1 | 32 | 11.5 | x(t) = 0 = const. y(t) = 54.1 + 11.5 cos t z(t) = 32 + 11.5 sin t |
| 26.2 | 80.8 | 27.2 | 5.1 | x(t) = 26.2 + 5.1 cos t y(t) = 80.8 = const. z(t) = 27.2 + 5.1 sin t |
| 26.2 | 78.3 | 27.2 | 5.1 | x(t) = 26.2 + 5.1 cos t y(t) = 78.3 = const. z(t) = 27.2 + 5.1 sin t |
| 14.2 | 91.4 | 12.5 | 3.8 | x(t) = 14.2 = const. y(t) = 91.4 + 3.8 cos t z(t) = 12.5 + 3.8 sin t |
| 0 | 91.4 | 12.5 | 3.8 | x(t) = 0 = const. y(t) = 91.4 + 3.8 cos t z(t) = 12.5 + 3.8 sin t |
References
- Giesecke, F.; Mitchell, A.; Spencer, H.; Hill, I.; Dygdon, J.; Novak, J. Technical Drawing with Engineering Graphics, 15th ed.; Peachpit Press: Berkeley, CA, USA, 2016. [Google Scholar]
- Madsen, D.A.; Madsen, D.P. Engineering Drawing & Design, 5th ed.; Delmar, Cengage Learning: Clifton Park, NY, USA, 2012. [Google Scholar]
- Bertoline, G.R. Technical Graphics Communications, 4th ed.; McGraw-Hill Higher Education: Boston, MA, USA, 2009. [Google Scholar]
- Hoffmann, M.; Németh, L. Is It a Cube? Common Visual Perception of Cuboid Drawings. Educ. Sci. 2021, 11, 577. [Google Scholar] [CrossRef]
- Ma’rifatin, S.; Amin, S.M.; Siswono, T.Y.E. Students’ Mathematical Ability and Spatial Reasoning in Solving Geometric Problem. J. Phys. Conf. Ser. 2019, 1157, 042062. [Google Scholar] [CrossRef]
- Chivai, C.; Soares, A.A.; Catarino, P. Cube Test Applied to the Study of Orthogonal Projections: Spatial Development Promoted by Qubism 3D Modeling. Open Educ. Stud. 2022, 4, 356–366. [Google Scholar] [CrossRef]
- El-Gammal, Y. Isometric Drawing and the Student of Architecture. J. Al-Azhar Univ. Eng. Sect. 2018, 13, 584–597. [Google Scholar] [CrossRef]
- Cocozza, F. Axonometry: The Grip of Thought on Space—A Short Survey on the Relation between the Act of Planning and a Visionary Visualization Technique. In Proceedings of the International and Interdisciplinary Conference IMMAGINI? Image and Imagination Between Representation, Communication, Education and Psychology, Brixen, Italy, 27–28 November 2017; MDPI: Basel, Switzerland, 2017; Volume 884, pp. 1–11. [Google Scholar]
- Hasanov, A.; Hasanov, R.; Rustamov, A.; Agayev, E.; Eynullayev, V.; Ahmadov, R.; Sadikhov, M. Development of an Axonometric Model of Photoelastic Interaction in an Acousto-Optic Delay Line and Its Approbation. Technol. Audit Prod. Reserv. 2022, 5, 38–45. [Google Scholar] [CrossRef]
- Rehbock, F. Darstellende Geometrie; Springer: Berlin/Heidelberg, Germany, 1957. [Google Scholar] [CrossRef]
- Stärk, R. Darstellende Geometrie; Schöninghbuch; Schöningh: Paderborn, Germany, 1978. [Google Scholar]
- Haack, W. Darstellende Geometrie. Band 3 Axonometrie und Perspektive; Reprint 2019; De Gruyter: Berlin, Germany, 2019. [Google Scholar]
- Brailov, A.Y. Engineering Graphics; Springer International Publishing: Cham, Switzerland, 2016. [Google Scholar] [CrossRef]
- Biran, A. Geometry for Naval Architects; Butterworth-Heinemann: Oxford, UK, 2019. [Google Scholar]
- Karpyuk, L.V.; Davydenko, N.O.; Goma Ahmed, G.A. Аxonometric Transformations of a Complex Drawing. Вісник Східноукраїнського Національного Університету Імені Володимира Даля 2023, 277, 43–47. [Google Scholar] [CrossRef]
- Li, X.; Xu, Q. The Axonometric Projection in Mechanical Drawing. In Proceedings of the 2011 International Conference on Consumer Electronics, Communications and Networks (CECNet), Xianning, China, 16–18 April 2011; pp. 816–820. [Google Scholar] [CrossRef]
- Méxas, J.G.F.; Guedes, K.B.; Tavares, R.D.S. Stereo Orthogonal Axonometric Perspective for the Teaching of Descriptive Geometry. Interact. Technol. Smart Educ. 2015, 12, 222–240. [Google Scholar] [CrossRef]
- Wang, S.; Wang, S.; He, W. Multistroke Grouping of Online Freehand Axonometric Sketches for Mechanical Models. Math. Probl. Eng. 2020, 2020, 7439341. [Google Scholar] [CrossRef]
- Wang, S.; Zhang, Q.; Wang, S.; Gao, M.; Jing, X.; Hui, X. Endpoint Fusing Method for Axonometric Drawing of Online Freehand Sketched Polyhedrons. In Human-Computer Interaction. User Interface Design, Development and Multimodality; Kurosu, M., Ed.; Lecture Notes in Computer Science; Springer International Publishing: Cham, Switzerland, 2017; Volume 10271, pp. 535–545. [Google Scholar]
- Kravcova, L.I.; Kostrubova, I.I. Construction of an Axonometric Outline of a Curved Surface of a Part. IOP Conf. Ser. Mater. Sci. Eng. 2020, 880, 012007. [Google Scholar] [CrossRef]
- Zhigang, H.; Haokun, C.; Chen, H.; Xin, N.; Jianxiu, S. Algorithm for Axonometric Drawing of Cylinder Intersecting a Cone. Univ. Politeh. Buchar. Sci. Bull. Ser. D 2019, 81, 3–16. [Google Scholar]
- Radomirović, D. An Analytical Determination of Dependence of the Shortenings in the Direction of Coordinate Axes to the Angles in Trimetric Projection; The Faculty of Mechanical Engineering and Naval Architecture of the University of Zagreb: Zagreb, Yugoslavia, 1988; Paper no D-4-II. [Google Scholar]
- Gimena, L.; Gimena, F.N.; Gonzaga, P. New Constructions in Axonometric System Fundamentals. J. Civ. Eng. Archit. 2012, 6, 620. [Google Scholar] [CrossRef]
- Saxena, A.; Sahay, B. Computer Aided Engineering Design; Springer: New York, NY, USA, 2005. [Google Scholar]
- Comninos, P. Mathematical and Computer Programming Techniques for Computer Graphics; Springer: London, UK, 2006. [Google Scholar]
- Theoharis, T. Graphics & Visualization: Principles & Algorithms; A.K. Peters: Wellesley, MA, USA, 2008. [Google Scholar]
- Parkin, A. Digital Imaging Primer; Springer: Berlin/Heidelberg, Germany, 2016. [Google Scholar] [CrossRef]
- Marsh, D. Applied Geometry for Computer Graphics and CAD, 2nd ed.; Springer Undergraduate Mathematics Series; Springer: London, UK, 2005. [Google Scholar]
Disclaimer/Publisher’s Note: The statements, opinions and data contained in all publications are solely those of the individual author(s) and contributor(s) and not of MDPI and/or the editor(s). MDPI and/or the editor(s) disclaim responsibility for any injury to people or property resulting from any ideas, methods, instructions or products referred to in the content. |
© 2025 by the authors. Licensee MDPI, Basel, Switzerland. This article is an open access article distributed under the terms and conditions of the Creative Commons Attribution (CC BY) license (https://creativecommons.org/licenses/by/4.0/).











