Methodology for Transient Stability Assessment and Enhancement in Low-Inertia Power Systems Using Phasor Measurements: A Data-Driven Approach
Abstract
1. Introduction
2. Current State of the Problem
- eXtreme Gradient Boosting (XGBoost) [19];
- Deep learning (DL) [20];
- Support vector machine (SVM) [21];
- Autoencoder [22];
- Graph neural network (GNN) [23];
- Deep belief network (DBN) [24];
- Deep reinforcement learning (DRL) [25];
- Lyapunov neural network (LNN) [26];
- Stacking of multilayer perceptrons [27];
- Least square support vector machine (LS-SVM) [28].
3. Methodology for Selecting CA to Ensure EPS TS Based on ML Algorithms
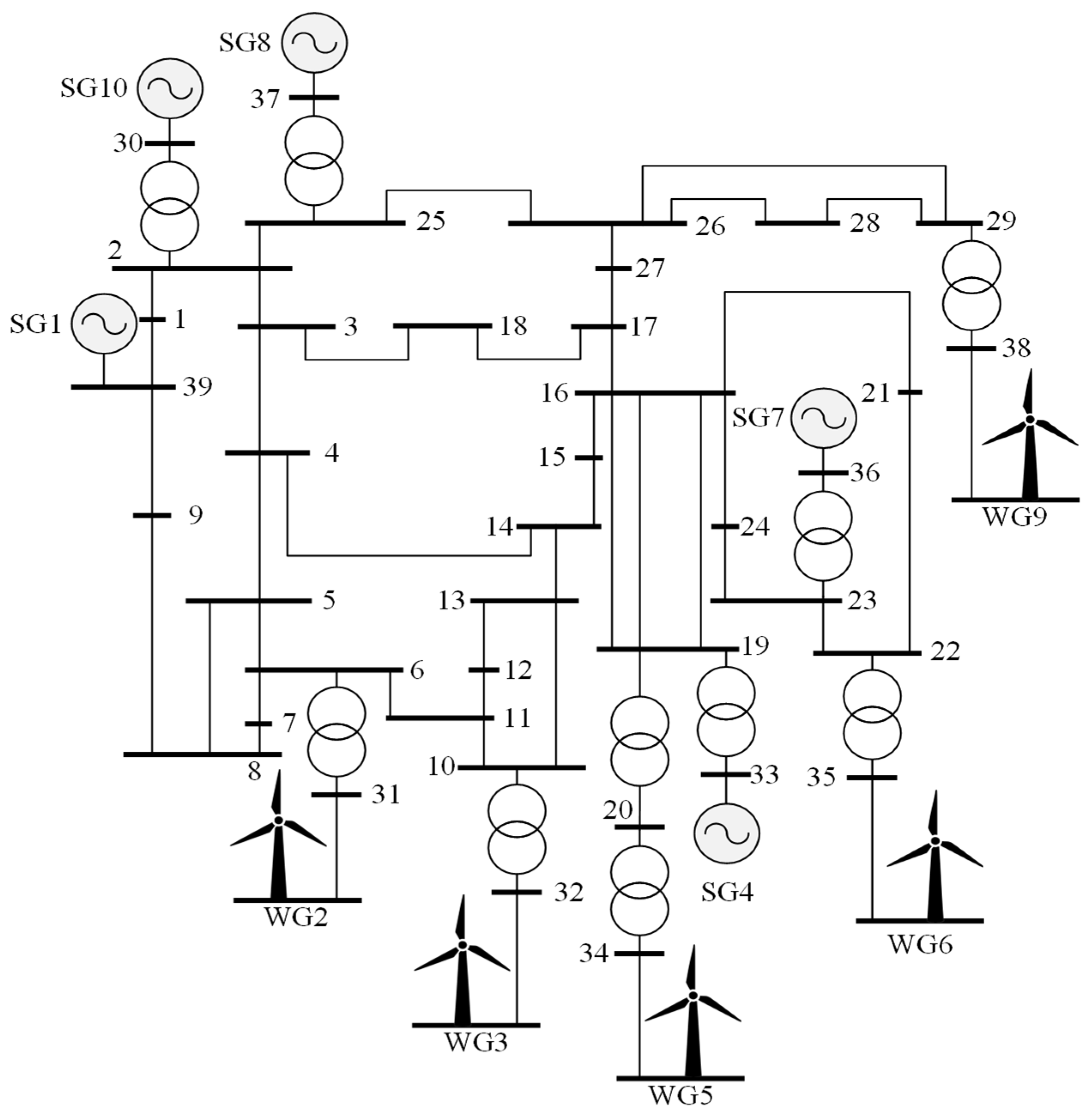
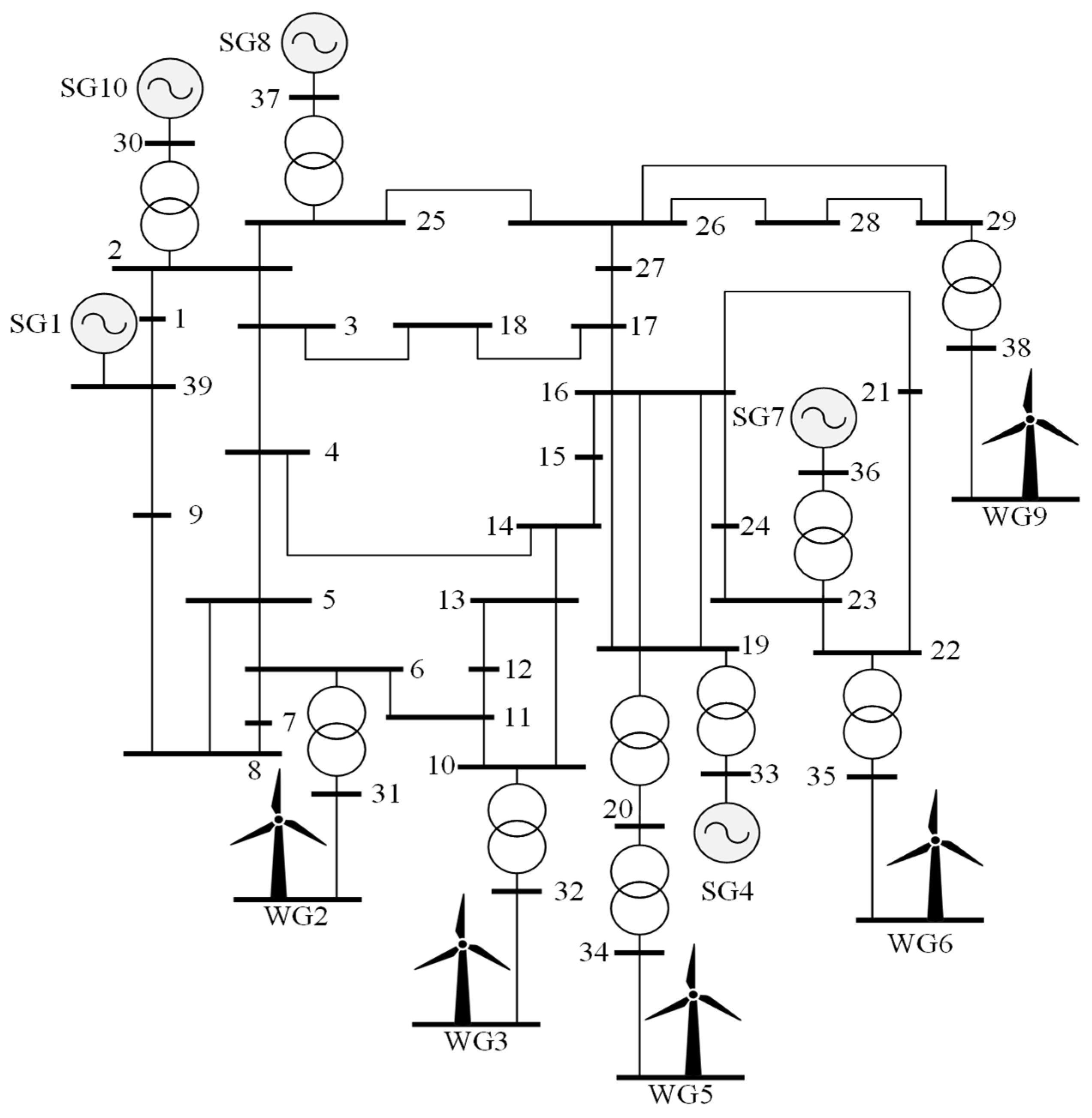
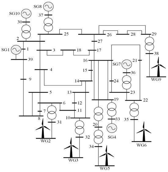
4. Case Study
5. Discussion and Study Limitations
- Traditional methods (GT and LS) of quenching excess kinetic energy arising during EP with the presence of SC are considered as CAs used to ensure the conservation of TS. In low-inertia EPS with a significant share of RES and control devices based on power electronics, it is advisable to consider CAs aimed at changing the operating mode of RES, changing the value of synthetic inertia [58], and changing the operating mode of energy storage devices. Considering a wider range of CAs allows for significantly increasing the flexibility and economic efficiency of the EPS EC process.
- The functioning of the EPS EC system based on the application of ML algorithms directly depends on the parameters of the data used for training, validation, and testing. A separate task, not considered within the framework of this article, is the development of a data synthesis methodology that ensures the representativeness, validity, and sufficiency of information required to approximate the physical patterns that arise when providing TS in the protected EPS. The solution to the data synthesis problem can be based on the use of a combination of physical measurements and synthetic data that allows considering the most severe or rare topology options and voltage levels, current loads of EPS elements, as well as active and reactive power flows along power lines or transformers [59].
- An important task, partially reflected in this study, is the development of an adaptive method for selecting informative features. The problem of selecting optimal CAs for maintaining EPS TS is characterized by a high dimensionality of the feature space describing the topology of the electrical network and the parameters of the electrical mode. To increase the speed of the training and operation of the ML algorithm, an important task is to reduce the dimensionality of the problem being solved by selecting informative features that provide the most significant contribution to the accuracy of the approximation of the law of selecting optimal CAs [29].
- When developing a methodology for selecting CAs, a separate important task is to determine the requirements for information support, including the characteristics of devices for measuring electrical mode parameters [53], the development of methods for measuring the mechanical characteristics of SG operation [60], and the determination of an acceptable speed of information exchange between the data processing center and EPS facilities where CAs are implemented.
- One of the factors, limitedly presented in this study, is the testing of the methodology for selecting optimal CAs based on physical changes characterized by the presence of noise, gaps, and outliers in the data. The use of physical data enables us to consider the practical aspects of implementing the methodology for ensuring EPS TS.
- One direction of development for the methodology, not presented in this study, is the selection of optimal CAs for predicted operating modes of the protected EPS, taking into account the topology of the electrical network and the values of active and reactive power of consumers [61].
- The proposed architecture of the centralized EPS EC complex using ML algorithms is presented in Figure 1. This architecture includes the stages of generating training data, processing data to determine informative features, balancing classes, training, and testing ML algorithms. The trained ML algorithm is used for operational management of the EPS using data received from SCADA and PMU.
- A method for synthesizing synthetic data used for training and testing the ML algorithm is proposed to select optimal CAs that preserve EPS TS when EP occurs.
- An optimal ML algorithm was determined that ensures acceptable accuracy and time delay in selecting CAs to preserve EPS TS when EP occurs. RF was selected as the optimal algorithm, allowing for an accuracy of 98.3% in selecting CAs with a delay of 0.047 ms.
- An analysis of the stability of the proposed method to noise in the original data was conducted. It was determined that when adding noise of 0 to 20 dB to the original data, the accuracy of the CA’s classification changes insignificantly. This proves the stability of the proposed method to noise in the original data caused by interference in the electrical mode parameter measurement system.
- The combination of data processing algorithms (SMOTE, t-SNE, Mean Shift clustering algorithm), informative feature selection (DT), and classification (RF) used in this study enables the implementation of an adaptive method for selecting optimal CAs, providing the required level of accuracy, speed, and flexibility. At the same time, the proposed method ensures high training speed, resistance to noise in the original data, and the possibility of rapid integration into the existing information infrastructure. The RF algorithm is not susceptible to overfitting due to the following features: aggregation of weak models, diversity among trees, and tree size regularization. Unlike XGBoost, where trees grow deep and risk overfitting the data, trees in RF are limited in depth or number of leaves, preventing the creation of overly detailed models.
6. Conclusions
- Development of a methodology for selecting CAs aimed at changing the operating mode of RES and control devices based on power electronics, considering the cost of implementing each type of control. This methodology will significantly enhance the adaptability of EPS EC and incorporate consideration of market mechanisms for determining the composition of CAs based on the minimum control cost.
- Refinement of the synthetic data generation methodology to ensure the representativeness and validity of the EPS operating modes under consideration. Data sampling is a key task in the development of EPS control systems based on ML algorithms. The data sampling methodology proposed in this article is based on random changes in loads, generation, and the topology of the electrical network. To increase the representativeness of the data sample, a technique for targeted changes in the EPS operating mode can be used to increase the probability of EPS TS loss.
- In this study, standard ML algorithms based on ensembles of decision trees, construction of separating hyperplanes, nearest neighbors, and neural networks were applied. One of the directions for further research is the use of a multi-magnet approach and dynamic ML to increase adaptability and performance further.
- Testing the methodology on more complex EPS models: IEEE118, IEEE300, as well as on real data. A crucial task is to test the developed methodology in real-time using specialized complexes [63]. Such testing will enable us to determine the actual time costs of implementing CAs, considering the delay caused by the ML algorithm, information transmission channels, and CA implementation mechanisms on LH and GT.
- Testing of the meta, taking into account the influence of control devices based on power electronics on EPS TS [64].
Author Contributions
Funding
Data Availability Statement
Acknowledgments
Conflicts of Interest
Nomenclature
| AdaBoost | Adaptive boosting |
| ANN | Artificial neural network |
| CA | Control actions |
| CatBoost | Categorical boosting |
| CNN | Convolutional neural network |
| DRL | Deep reinforcement learning |
| DT | Decision tree |
| EP | Emergency process |
| EPS | Electric power system |
| FACTS | Flexible alternating current transmission systems |
| GNN | Graph neural network |
| GT | Generator tripping |
| KNN | K-nearest neighbors |
| LightGBM | Light gradient-boosting machine |
| LNN | Lyapunov neural network |
| LR | Linear regression |
| LS | Load scheduling |
| LS-SVM | Least square support vector machine |
| NBC | Naive Bayes classifier NBC |
| NCC | Nearest centroid classifier |
| PCA | Principal component analysis |
| PMU | Phasor measurement units |
| RES | Renewable energy sources |
| RBM | Restricted Boltzmann machines |
| RF | Random forest |
| SCADA | Supervisory control and data acquisition |
| SG | Synchronous generator |
| XGBoost | eXtreme Gradient Boosting |
| SMOTE | Synthetic minority oversampling technique |
| SVM | Support vector machine |
| TS | Transient stability |
| t-SNE | t-distributed Stochastic Neighbor Embedding |
| WG | Wind generator |
References
- Smolovik, S.V.; Koshcheev, L.A.; Lisitsyn, A.A.; Denisenko, A.I. Special Automation for Isolated Power Systems Emergency Control. In Proceedings of the 2021 IEEE Conference of Russian Young Researchers in Electrical and Electronic Engineering (ElConRus), St. Petersburg, Moscow, Russia, 26–29 January 2021; pp. 1558–1561. [Google Scholar] [CrossRef]
- Yang, D.; Wang, X.; Chen, W.; Yan, G.G.; Jin, Z.; Jin, E.; Zheng, T. Adaptive Frequency Droop Feedback Control-Based Power Tracking Operation of a DFIG for Temporary Frequency Regulation. IEEE Trans. Power Syst. 2024, 39, 2682–2692. [Google Scholar] [CrossRef]
- Poulose, A.; Kim, S. Direct Transient Stability Assessment of Grid-Connected Voltage Source Converters: A Transient Energy Functions Perspective. IEEE Access 2024, 12, 133545–133556. [Google Scholar] [CrossRef]
- Zhang, W.; Wen, Y.; Chung, C.Y. Inertia Security Evaluation and Application in Low-Inertia Power Systems. IEEE Trans. Power Syst. 2025, 40, 1725–1737. [Google Scholar] [CrossRef]
- Nema, S.; Prakash, V.; Pandžić, H. Adaptive Synthetic Inertia Control Framework for Distributed Energy Resources in Low-Inertia Microgrid. IEEE Access 2022, 10, 54969–54979. [Google Scholar] [CrossRef]
- Senyuk, M.D.; Klassen, V.V.; Popovtsev, V.V. Adaptive Methodology for Determining Frequency Control Law in Isolated Power Systems Based on Machine Learning Algorithms. In Proceedings of the 2024 IEEE International Multi-Conference on Engineering, Computer and Information Sciences (SIBIRCON), Novosibirsk, Russia, 30 September–2 October 2024; pp. 494–499. [Google Scholar] [CrossRef]
- Voropai, N.I.; Efimov, D.N.; Kolosok, I.N.; Kurbatsky, V.G.; Glazunova, A.M.; Korkina, E.S.; Osak, A.B.; Tomin, N.V.; Panasetsky, D.A. Smart Technologies in Emergency Control of Russia’s Unified Energy System. IEEE Trans. Smart Grid 2013, 4, 1732–1740. [Google Scholar] [CrossRef]
- Senyuk, M.; Odinaev, I.; Pichugova, O.; Ahyoev, J. Methodology for Forming a Training Sample for Power Systems Emergency Control Algorithm Based on Machine Learning. In Proceedings of the 2023 Belarusian-Ural-Siberian Smart Energy Conference (BUSSEC), Ekaterinburg, Russia, 25–29 September 2023; pp. 54–59. [Google Scholar] [CrossRef]
- Senyuk, M.; Beryozkina, S.; Safaraliev, M.; Pazderin, A.; Odinaev, I.; Klassen, V.; Savosina, A.; Kamalov, F. Bulk Power Systems Emergency Control Based on Machine Learning Algorithms and Phasor Measurement Units Data: A State-of-the-Art Review. Energies 2024, 17, 764. [Google Scholar] [CrossRef]
- Chen, Q.; Zhao, Q.; Zhang, W.; Ye, H. Decentralized Robust Emergency Voltage Control of Power System with Large-Scale Wind Power Integrated via VSC-MTDC. IEEE Trans. Ind. Appl. 2024, 60, 7522–7536. [Google Scholar] [CrossRef]
- Zhang, X.; Ono, J.P.; Song, H.; Gou, L.; Ma, K.-L.; Ren, L. SliceTeller: A Data Slice-Driven Approach for Machine Learning Model Validation. IEEE Trans. Vis. Comput. Graph. 2023, 29, 842–852. [Google Scholar] [CrossRef]
- Kovalenko, P.Y.; Mukhin, V.I.; Senyuk, M.D.; Kornilova, D.D. Review of Methods for Power Systems State Estimation and Data Validation Based on Synchrophasor Measurements. In Proceedings of the 2020 IEEE 61st International Scientific Conference on Power and Electrical Engineering of Riga Technical University (RTUCON), Riga, Latvia, 5–7 November 2020; pp. 1–5. [Google Scholar] [CrossRef]
- Gonzalez, V.; Torres-García, V.; Guillen, D.; Castro, L.M. Graph Theory-Based Fault Location Method for Transmission Systems with Renewable Energy Sources. IEEE Open Access J. Power Energy 2024, 11, 611–623. [Google Scholar] [CrossRef]
- Mallinath, S.; Dutta, J.N.S.; Jadoun, V.K. Shifting of Research Trends in Fault Detection and Estimation of Location in Power System. IEEE Access 2025, 13, 70721–70740. [Google Scholar] [CrossRef]
- Bhui, P.; Senroy, N. Real-Time Prediction and Control of Transient Stability Using Transient Energy Function. IEEE Trans. Power Syst. 2017, 32, 923–934. [Google Scholar] [CrossRef]
- Senyuk, M.; Safaraliev, M.; Kamalov, F.; Sulieman, H. Power System Transient Stability Assessment Based on Machine Learning Algorithms and Grid Topology. Mathematics 2023, 11, 525. [Google Scholar] [CrossRef]
- Wang, B.; Xu, Z.; Guan, X. Robust Load Frequency Control for Uncertainties Multi-Area Power Systems with Couplings of Systems Dynamics and Reconfigurable Communication Networks. IEEE Trans. Power Syst. 2025, 40, 2584–2599. [Google Scholar] [CrossRef]
- Yan, Z.; Xu, Y. Data-Driven Load Frequency Control for Stochastic Power Systems: A Deep Reinforcement Learning Method with Continuous Action Search. IEEE Trans. Power Syst. 2019, 34, 1653–1656. [Google Scholar] [CrossRef]
- Chen, M.; Liu, Q.; Chen, S.; Liu, Y.; Zhang, C.-H.; Liu, R. XGBoost-Based Algorithm Interpretation and Application on Post-Fault Transient Stability Status Prediction of Power System. IEEE Access 2019, 7, 13149–13158. [Google Scholar] [CrossRef]
- Kim, J.; Lee, H.; Kim, S.; Chung, S.-H.; Park, J.H. Transient Stability Assessment Using Deep Transfer Learning. IEEE Access 2023, 11, 116622–116637. [Google Scholar] [CrossRef]
- Chen, Q. Power System Transient Stability Assessment Model Construction Using Improved SVM. IEEE Access 2023, 11, 131866–131876. [Google Scholar] [CrossRef]
- Zhu, Q.; Chen, J.; Zhu, L.; Shi, D.; Bai, X.; Duan, X.; Liu, Y. A Deep End-to-End Model for Transient Stability Assessment with PMU Data. IEEE Access 2018, 6, 65474–65487. [Google Scholar] [CrossRef]
- Qiao, J.; Wang, X.; Ni, J.; Shi, M.; Ren, H.; Chen, E. Graph Neural Network Based Transient Stability Assessment Considering Topology Changes. In Proceedings of the 2021 International Conference on Power System Technology (POWERCON), Haikou, China, 8–9 December 2021; pp. 1999–2003. [Google Scholar] [CrossRef]
- Xu, J.; Huang, J.; Wang, H. Transient Stability Assessment Considering Prediction Difficulty and Historical Training Information. Electronics 2025, 14, 57. [Google Scholar] [CrossRef]
- Zeng, H.; Zhou, Y.; Guo, Q.; Cai, Z.; Sun, H. Distributed Deep Reinforcement Learning-based Approach for Fast Preventive Control Considering Transient Stability Constraints. CSEE J. Power Energy Syst. 2023, 9, 197–208. [Google Scholar] [CrossRef]
- Bellizio, F.; Cremer, J.L.; Strbac, G. Transient Stable Corrective Control Using Neural Lyapunov Learning. IEEE Trans. Power Syst. 2023, 38, 3245–3253. [Google Scholar] [CrossRef]
- Xie, Z.; Zhang, D.; Hu, W.; Han, X. Power System Transient Stability Preventive Control via Aptenodytes Forsteri Optimization with an Improved Transient Stability Assessment Model. Energies 2024, 17, 1942. [Google Scholar] [CrossRef]
- Soni, B.P.; Saxena, A.; Gupta, V.; Surana, S.L. Transient stability-oriented assessment and application of preventive control action for power system. J. Eng. 2019, 2019, 5345–5350. [Google Scholar] [CrossRef]
- Senyuk, M.; Odinaev, I.; Klassen, V.; Ahyoev, J. Accelerated Power System Equivalent Algorithm for Emergency Control Based on Phasor Measurement Units. In Proceedings of the 2023 Belarusian-Ural-Siberian Smart Energy Conference (BUSSEC), Ekaterinburg, Russia, 25–29 September 2023; pp. 7–12. [Google Scholar] [CrossRef]
- Cepeda, J. Power System Dynamic Data Generation Based on Monte Carlo Simulations for Machine Learning Applications. Eng. Proc. 2023, 47, 6. [Google Scholar] [CrossRef]
- Woźniak, A.P.; Milczarek, M.; Woźniak, J. MLOps Components, Tools, Process, and Metrics: A Systematic Literature Review. IEEE Access 2025, 13, 22166–22175. [Google Scholar] [CrossRef]
- Yang, S.; Hao, Z.; Zhang, B.; Hojo, M. An Accurate and Fast Start-Up Scheme for Power System Real-Time Emergency Control. IEEE Trans. Power Syst. 2019, 34, 3562–3572. [Google Scholar] [CrossRef]
- Hao, L.; Xue, Y.; Li, Z.; Wang, H.; Xu, Q. Decision Support System for Adaptive Restoration Control of Distribution System. J. Mod. Power Syst. Clean Energy 2022, 10, 1256–1273. [Google Scholar] [CrossRef]
- Zhou, P.; Zhang, Y.; Ling, Z.; Yan, Y.; Zhao, S.; Wu, X. Online Heterogeneous Streaming Feature Selection Without Feature Type Information. IEEE Trans. Big Data 2024, 10, 470–485. [Google Scholar] [CrossRef]
- Zhang, C.; Lu, Z.; Zhang, Y.; Dai, J. Online Streaming Feature Selection Using Bidirectional Complementarity Based on Fuzzy Gini Entropy. IEEE Trans. Fuzzy Syst. 2025, 33, 1592–1604. [Google Scholar] [CrossRef]
- Liu, C.; Jin, S.; Wang, D.; Luo, Z.; Yu, J.; Zhou, B.; Yang, C. Constrained Oversampling: An Oversampling Approach to Reduce Noise Generation in Imbalanced Datasets with Class Overlapping. IEEE Access 2022, 10, 91452–91465. [Google Scholar] [CrossRef]
- Aktas, H. Hyperparameter Optimization for Problem-Based Custom CNN Architectures Using a Smart Grid Search Method. IEEE Access 2025, 13, 136374–136382. [Google Scholar] [CrossRef]
- Mishra, A.K.; Rajput, K.; Pandey, N.K.; Pathak, A. Comparative Analysis of Classification Algorithms Using Bot_IoT Dataset. In Proceedings of the 2023 International Conference on Sustainable Communication Networks and Application (ICSCNA), Theni, India, 15–17 November 2023; pp. 1775–1780. [Google Scholar] [CrossRef]
- Kaneva, T.; Evstatiev, B.; Valova, I.; Valov, N.; Gabrovska-Evstatieva, K. Comparing Different Evaluation Metrics with the Grid Search Method for Classification of Highly Imbalanced Data. In Proceedings of the 2024 8th International Symposium on Multidisciplinary Studies and Innovative Technologies (ISMSIT), Ankara, Turkiye, 7–9 November 2024; pp. 1–5. [Google Scholar] [CrossRef]
- Anand, S.; Mittal, S.; Tuzel, O.; Meer, P. Semi-Supervised Kernel Mean Shift Clustering. IEEE Trans. Pattern Anal. Mach. Intell. 2014, 36, 1201–1215. [Google Scholar] [CrossRef]
- Xu, R.; Xu, J.; Wunsch, D.C. A Comparison Study of Validity Indices on Swarm-Intelligence-Based Clustering. IEEE Trans. Syst. Man Cybern. Part B (Cybern.) 2012, 42, 1243–1256. [Google Scholar] [CrossRef]
- He, P.; Wen, B.; Wang, H. Decentralized Adaptive Under Frequency Load Shedding Scheme Based on Load Information. IEEE Access 2019, 7, 52007–52014. [Google Scholar] [CrossRef]
- Senyuk, M.; Beryozkina, S.; Zicmane, I.; Safaraliev, M.; Klassen, V.; Kamalov, F. Bulk Low-Inertia Power Systems Adaptive Fault Type Classification Method Based on Machine Learning and Phasor Measurement Units Data. Mathematics 2025, 13, 316. [Google Scholar] [CrossRef]
- Han, Y.; Xiu, L.; Wang, Z.; Chen, Q.; Tan, S. Artificial neural networks controlled fast valving in a power generation plant. IEEE Trans. Neural Netw. 1997, 8, 373–389. [Google Scholar] [CrossRef] [PubMed]
- Wang, C.; Chen, S.; Mei, S.; Chen, R.; Yu, H. Optimal Scheduling for Integrated Energy System Considering Scheduling Elasticity of Electric and Thermal Loads. IEEE Access 2020, 8, 202933–202945. [Google Scholar] [CrossRef]
- Telukunta, V.; Pradhan, J.; Agrawal, A.; Singh, M.; Srivani, S.G. Protection challenges under bulk penetration of renewable energy resources in power systems: A review. CSEE J. Power Energy Syst. 2017, 3, 365–379. [Google Scholar] [CrossRef]
- Awad, M.; Fraihat, S. Recursive Feature Elimination with Cross-Validation with Decision Tree: Feature Selection Method for Machine Learning-Based Intrusion Detection Systems. J. Sens. Actuator Netw. 2023, 12, 67. [Google Scholar] [CrossRef]
- Bao, Y.; Yang, S. Two Novel SMOTE Methods for Solving Imbalanced Classification Problems. IEEE Access 2023, 11, 5816–5823. [Google Scholar] [CrossRef]
- Chatzimparmpas, A.; Martins, R.M.; Kerren, A. t-viSNE: Interactive Assessment and Interpretation of t-SNE Projections. IEEE Trans. Vis. Comput. Graph. 2020, 26, 2696–2714. [Google Scholar] [CrossRef]
- Chu, H.-K.; Lee, T.-Y. Multiresolution Mean Shift Clustering Algorithm for Shape Interpolation. IEEE Trans. Vis. Comput. Graph. 2009, 15, 853–866. [Google Scholar] [CrossRef]
- Bugayenko, Y.; Daniakin, K.; Farina, M.; Kholmatova, Z.; Kruglov, A.; Pedrycz, W.; Succi, G. Qualitative Clustering of Software Repositories Based on Software Metrics. IEEE Access 2023, 11, 14716–14727. [Google Scholar] [CrossRef]
- Erbani, J.; Portier, P.-É.; Egyed-Zsigmond, E.; Nurbakova, D. Confusion Matrices: A Unified Theory. IEEE Access 2024, 12, 181372–181419. [Google Scholar] [CrossRef]
- Senyuk, M.D.; Kovalenko, P.Y.; Mukhin, V.I.; Dmitrieva, A.A. Estimation of Acceptable ADC Sampling Rate for Synchrophasor Measurements. In Proceedings of the 2021 International Conference on Electrotechnical Complexes and Systems (ICOECS), Ufa, Russia, 16–18 November 2021; pp. 74–78. [Google Scholar] [CrossRef]
- Glavic, M.; Ernst, D.; Ruiz-Vega, D.; Wehenkel, L.; Pavella, M. E-SIME—A method for transient stability closed-loop emergency control: Achievements and prospects. In Proceedings of the 2007 iREP Symposium—Bulk Power System Dynamics and Control—VII, Revitalizing Operational Reliability, Charleston, SC, USA, 19–24 August 2007; pp. 1–10. [Google Scholar] [CrossRef]
- Senyuk, M.; Beryozkina, S.; Safaraliev, M.; Nadeem, M.; Odinaev, I.; Kamalov, F. Methodology for Transient Stability Enhancement of Power Systems Based on Machine Learning Algorithms and Fast Valving in a Steam Turbine. Mathematics 2024, 12, 1644. [Google Scholar] [CrossRef]
- Alhelou, H.H.; Bahrani, B.; Ma, J.; Hill, D.J. Australia’s Power System Frequency: Current Situation, Industrial Challenges, Efforts, and Future Research Directions. IEEE Trans. Power Syst. 2024, 39, 5204–5218. [Google Scholar] [CrossRef]
- Pazderin, A.; Zicmane, I.; Senyuk, M.; Gubin, P.; Polyakov, I.; Mukhlynin, N.; Safaraliev, M.; Kamalov, F. Directions of Application of Phasor Measurement Units for Control and Monitoring of Modern Power Systems: A State-of-the-Art Review. Energies 2023, 16, 6203. [Google Scholar] [CrossRef]
- Obaid, Z.A.; Cipcigan, L.M.; Abrahim, L.; Muhssin, M.T. Frequency control of future power systems: Reviewing and evaluating challenges and new control methods. J. Mod. Power Syst. Clean Energy 2019, 7, 9–25. [Google Scholar] [CrossRef]
- Khalyasmaa, A.I.; Senyuk, M.D.; Eroshenko, S.A.; Plyusnina, E.I. The methodology of analysis of technical state assessment of circuit breakers. In Proceedings of the 2018 IEEE Conference of Russian Young Researchers in Electrical and Electronic Engineering (EIConRus), Moscow and St. Petersburg, Russia, 29 January–1 February 2018; pp. 667–671. [Google Scholar] [CrossRef]
- Wu, Q.-H.; Lin, Y.; Hong, C.; Su, Y.; Wen, T.; Liu, Y. Transient Stability Analysis of Large-scale Power Systems: A Survey. CSEE J. Power Energy Syst. 2023, 9, 1284–1300. [Google Scholar] [CrossRef]
- Cavus, M.; Allahham, A. Spatio-Temporal Attention-Based Deep Learning for Smart Grid Demand Prediction. Electronics 2025, 14, 2514. [Google Scholar] [CrossRef]
- Hatziargyriou, N.; Milanovic, J.; Rahmann, C.; Ajjarapu, V.; Canizares, C.; Erlich, I.; Hill, D.; Hiskens, I.; Kamwa, I.; Pal, B.; et al. Definition and Classification of Power System Stability—Revisited & Extended. IEEE Trans. Power Syst. 2021, 36, 3271–3281. [Google Scholar] [CrossRef]
- Yang, C.; Xue, Y.; Zhang, X.P.; Zhang, Y.; Chen, Y. Real-Time FPGA-RTDS Co-Simulator for Power Systems. IEEE Access 2018, 6, 44917–44926. [Google Scholar] [CrossRef]
- Liu, C.; Li, B.; Zhang, Y.; Jiang, Q.; Liu, T. The LCC Type DC Grids Forming Method and Fault Ride-Through Strategy Based on Fault Current Limiters. Int. J. Electr. Power Energy Syst. 2025, 170, 110843. [Google Scholar] [CrossRef]












| Ref. | Method | CA | TS | Advantages and Drawbacks |
|---|---|---|---|---|
| [19] | A1 | ✓ | (+) robustness to outliers in the data and the absence of complex mathematical functions (−) overfitting effect | |
| [20] | A2 | ✓ | (+) high adaptability, possibility to increase generalization ability (−) computational load due to complex mathematical functions in neurons | |
| [21] | A3 | ✓ | (+) low computational load (−) efficiency decreases with increasing data volume | |
| [22] | A4 | ✓ | (+) robustness to noise in the initial data (−) need to apply mathematical functions after training | |
| [23] | A5 | ✓ | (+) interpretability due to the algorithm’s operation based on the physical principles of EPS (−) computational load depends on the set of models used | |
| [24] | A6 | ✓ | ✓ | (+) flexibility due to the increase in the number of neurons and layers (−) preservation of mathematical functions after training |
| [25] | A7 | ✓ | ✓ | (+) high flexibility due to the number of layers (−) long training and relatively computational complexity |
| [26] | A8 | ✓ | ✓ | (+) high flexibility due to the number of layers (−) comparatively high computational load |
| [27] | A9 | ✓ | ✓ | (+) flexibility due to the number of feedforward neural networks and layers (−) computational complexity |
| [28] | A10 | ✓ | ✓ | (+) fast learning (−) sensitivity to outliers in data |
| Node | Load, MVA | LS | Node | Load, MVA | LS |
|---|---|---|---|---|---|
| 1 | 97.6 + j44.2 | 21 | 274.0 + j115.0 | ||
| 2 | 322.0 + j2.4 | 23 | 247.5 + j84.6 | ||
| 4 | 500.0 + 184.0 | + | 24 | 308.6 + j92.2 | |
| 7 | 233.8 + j84.0 | + | 25 | 224.0 + j47.2 | |
| 8 | 522.0 + j176.0 | + | 26 | 139.0 + j17.0 | + |
| 12 | 8.5 + j88.0 | + | 27 | 281.0 + j75.5 | + |
| 15 | 320.0 + j153.0 | 28 | 206.0 + j27.6 | + | |
| 16 | 329.0 + j32.3 | 29 | 283.5 + j26.9 | + | |
| 18 | 158.0 + j30.0 | + | 31 | 9.2 + j4.6 | + |
| 20 | 680.0 + j103.0 | + | 39 | 1104.0 + j250.0 |
| SG/WG | Pnom, MBT | Tj, s | xd, p.u. | xd’, p.u. | xd’’, p.u. | GT |
|---|---|---|---|---|---|---|
| 1 | 1040 | 4.20 | 0.82 | 0.25 | 0.008 | |
| 2 | 646 | – | – | – | – | + |
| 3 | 725 | – | – | – | – | |
| 4 | 652 | 2.86 | 2.16 | 0.36 | 0.008 | + |
| 5 | 508 | – | – | – | – | + |
| 6 | 687 | – | – | – | – | |
| 7 | 580 | 2.64 | 2.43 | 0.41 | 0.008 | |
| 8 | 564 | 1.43 | 2.39 | 0.47 | 0.008 | + |
| 9 | 865 | – | – | – | – | + |
| 10 | 1100 | 5.00 | 0.18 | 0.05 | 0.009 |
| Class Number | GT | LS |
|---|---|---|
| 0 | WG2 | Node 8 |
| 1 | SG4 | Node 12 |
| 2 | WG5 | Node 15 |
| 3 | SG8 | Node 16 |
| 4 | WG9 | Node 18 |
| 5 | WG2 + WG5 | Node 8 |
| 6 | SG8 + WG9 | Node 12 |
| 7 | WG2 + SG8 | Node 15 |
| Metrics | Value |
|---|---|
| Silhouette coefficient | 0.4440 |
| Davies-Bouldin index | 0.7483 |
| Calinski-Harabasz index | 1187.9363 |
| Adjusted Rand index | 0.5644 |
| Homogeneity score | 0.5213 |
| V-measure score | 0.5245 |
| Metrics | Value |
|---|---|
| Number of classes | 8 |
| Initial sample size | 992 |
| Sample size after class balancing | 1496 |
| Initial number of features | 211 |
| Number of features after applying the DT algorithm | 18 |
| ML Algorithm | Hyperparameters |
|---|---|
| KNN | n_neighbors = 3 |
| LR | C = 10 |
| RF | n_estimators = 100, max_depth = 10, max_features = sqrt(n), min_samples_leaf = 0.02, min_samples_split = 0.005 |
| XGBoost | n_estimators = 100, max_depth = 15, learning_rate = 0.1, base_score = 0.7 |
| AdaBoost | n_estimators = 200, learning_rate = 0.5 |
| CatBoost | n_estimators = 80, learning_rate = 0.1, max_depth = 10 |
| LightBM | learning_rate = 0.1, n_estimators = 100, num_leaves = 31 |
| SVM | C = 0.1 |
| Layer | Element |
|---|---|
| Input | Image (3D tensor) |
| Hidden | Convolution Layer (3,3,32) |
| Pooling layer | |
| Convolution Layer (3,3,64) | |
| Pooling layer | |
| Flatten | |
| Output | CA class |
| Algorithm | Precision | Recall | F1_Score | Accuracy | Single Prediction Time, ms |
|---|---|---|---|---|---|
| KNN | 0.835 | 0.835 | 0.835 | 0.835 | 0.071 |
| LR | 0.649 | 0.639 | 0.627 | 0.639 | 0.053 |
| RF | 0.984 | 0.983 | 0.983 | 0.983 | 0.047 |
| XGBoost | 0.960 | 0.950 | 0.950 | 0.954 | 1.150 |
| AdaBoost | 0.935 | 0.932 | 0.932 | 0.932 | 1.254 |
| CatBoost | 0.914 | 0.911 | 0.911 | 0.911 | 1.168 |
| LightBM | 0.926 | 0.922 | 0.922 | 0.922 | 0.983 |
| SVM | 0.662 | 0.664 | 0.614 | 0.664 | 0.085 |
| RBM | 0.950 | 0.950 | 0.940 | 0.945 | 0.215 |
| CNN | 0.952 | 0.952 | 0.952 | 0.948 | 0.081 |
| GNN | 0.947 | 0.945 | 0.945 | 0.946 | 0.097 |
| White Noise Level, dB | AC | Pink Noise Level, dB | AC | Blue Noise Level, dB | AC |
|---|---|---|---|---|---|
| 0 | 0.983 | 0 | 0.982 | 0 | 0.984 |
| 5 | 0.981 | 5 | 0.981 | 5 | 0.983 |
| 10 | 0.980 | 10 | 0.978 | 10 | 0.982 |
| 15 | 0.979 | 15 | 0.976 | 15 | 0.976 |
| 20 | 0.973 | 20 | 0.971 | 20 | 0.972 |
| 25 | 0.962 | 25 | 0.961 | 25 | 0.961 |
| 30 | 0.954 | 30 | 0.952 | 30 | 0.956 |
| 35 | 0.948 | 35 | 0.949 | 35 | 0.947 |
| EP | CA’s Proposed Method | CA’s [54] | CA’s [55] |
|---|---|---|---|
| Line 15–16 tripping | No | No | No |
| Line 8–9 tripping | [SG8, Node 16] | [SG8, Node 16] | No |
| Line 21–22 tripping | No | No | No |
| Node 19 K(3) 0.2 s. | [SG4, Node 12] | [SG4, Node 12] | [SG4] |
| Node 22 K(2) 0.2 s. | [SG4, Node 12] | [SG4, Node 12] | [SG4] |
| Node 25 K(2) 0.2 s. | [SG8, Node 16] | [SG8, Node 16] | [SG8] |
Disclaimer/Publisher’s Note: The statements, opinions and data contained in all publications are solely those of the individual author(s) and contributor(s) and not of MDPI and/or the editor(s). MDPI and/or the editor(s) disclaim responsibility for any injury to people or property resulting from any ideas, methods, instructions or products referred to in the content. |
© 2025 by the authors. Licensee MDPI, Basel, Switzerland. This article is an open access article distributed under the terms and conditions of the Creative Commons Attribution (CC BY) license (https://creativecommons.org/licenses/by/4.0/).
Share and Cite
Senyuk, M.; Beryozkina, S.; Odinaev, I.; Zicmane, I.; Safaraliev, M. Methodology for Transient Stability Assessment and Enhancement in Low-Inertia Power Systems Using Phasor Measurements: A Data-Driven Approach. Mathematics 2025, 13, 3192. https://doi.org/10.3390/math13193192
Senyuk M, Beryozkina S, Odinaev I, Zicmane I, Safaraliev M. Methodology for Transient Stability Assessment and Enhancement in Low-Inertia Power Systems Using Phasor Measurements: A Data-Driven Approach. Mathematics. 2025; 13(19):3192. https://doi.org/10.3390/math13193192
Chicago/Turabian StyleSenyuk, Mihail, Svetlana Beryozkina, Ismoil Odinaev, Inga Zicmane, and Murodbek Safaraliev. 2025. "Methodology for Transient Stability Assessment and Enhancement in Low-Inertia Power Systems Using Phasor Measurements: A Data-Driven Approach" Mathematics 13, no. 19: 3192. https://doi.org/10.3390/math13193192
APA StyleSenyuk, M., Beryozkina, S., Odinaev, I., Zicmane, I., & Safaraliev, M. (2025). Methodology for Transient Stability Assessment and Enhancement in Low-Inertia Power Systems Using Phasor Measurements: A Data-Driven Approach. Mathematics, 13(19), 3192. https://doi.org/10.3390/math13193192

