Predictive Patterns and Market Efficiency: A Deep Learning Approach to Financial Time Series Forecasting
Abstract
1. Introduction
2. Methodological Framework
2.1. Data and Samples
2.2. Experimental Setup
2.2.1. Forecasting Model Formulation
Equilibrium
Market Inefficiency
2.2.2. Forecasting Model Formulation
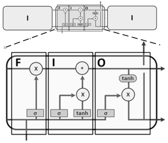
- Forget gate (F): The forget gate is responsible for discarding information from the cell state that is considered no longer relevant. It utilizes the sigmoid function to evaluate the necessity of each piece of datum in the output and current cell state. This operation is concisely expressed in Equation (8).
- Input gate (I): The input gate plays a critical role in integrating pertinent information into the cell state. Its decision-making mechanism for information inclusion operates in two distinct phases. In the first stage, a sigmoid function calculates which values need updating. Following this, a tan function creates a vector of potential new values (represented as c’) that may be added to the state. This dual-stage process is depicted in Equations (9) and (10).
- Output gate (O): The output gate is tasked with retrieving relevant information from the current cell state for subsequent presentation. It crafts the output by filtering information, a process governed by a sigmoid function that determines which components of the cell state are influential for the output. The final phase of this gate’s operation involves the multiplication of the tanh function’s output with that of the sigmoid function. This process is methodically delineated in Equations (11)–(13):where represents input vector of the LSTM unit, is forget gate, is input gate, is output gate, is cell state, is hidden state, is sigmoid function, is tanh f function, and are weight matrices to be learned, and is the bias vector to be learned.
2.2.3. Hyperparameter Tuning
- Learning rate: A value of 0.01 is established through experimentation and tuning. This rate is identified as the most effective for facilitating faster convergence and improved performance of the LSTM model.
- Batch size: Set at 12,719, this size is selected to strike a balance between training speed (where the model processes 12,719 training examples simultaneously before updating internal parameters based on calculated gradients) and generalization performance.
- Look back: Fixed at 5, it indicates the number of previous time steps or input features used to predict the next time step in the LSTM model. This implies the use of the last 5 observed values for predicting the next value, typically arranged in a sliding window manner.
- Sequence length: Each input sequence consists of 10 consecutive time steps. The LSTM model utilizes this sequence to predict the next value in the time series.
- Weight decay: Applied to encourage the model to learn smaller, more generalized weights, helping to prevent overfitting and enhance the generalization of the LSTM results.
- Bidirectional LSTM: Utilized to incorporate both past and future context in sequence prediction.
- Number of training epochs: 20 epochs are deemed optimal to avoid underfitting and overfitting in the LSTM model;
- HS layers: This study progressively increases the HS layers from 4 to 256 across seven iterations during hyperparameter tuning, doubling the HS in each new iteration.
2.2.4. Training and Optimization
2.2.5. The Adoptive Market Efficiency
2.2.6. RW Benchmark Model
2.2.7. Additional Forecasting Experiment
3. Empirical Tests
3.1. Forecasting Performance
- , ,
- , ,
- , , and
- , .
3.2. Adoptive Market Efficiency
3.3. Effects of Statistical Efficiency
4. Challenging the Paradigm and Implications
5. Concluding Remarks
Supplementary Materials
Author Contributions
Funding
Data Availability Statement
Acknowledgments
Conflicts of Interest
References
- Fama, E.F. The behavior of stock-market prices. J. Bus. 1965, 38, 34–105. [Google Scholar] [CrossRef]
- Fama, E.F.; French, K.R. Permanent and temporary components of stock prices. J. Political Econ. 1988, 96, 246–273. [Google Scholar] [CrossRef]
- Malkiel, B.G. The efficient market hypothesis and its critics. J. Econ. Perspect. 2003, 17, 59–82. [Google Scholar] [CrossRef]
- Timmermann, A.; Granger, C.W.J. Efficient market hypothesis and forecasting. Int. J. Forecast. 2004, 20, 15–27. [Google Scholar] [CrossRef]
- Gandhmal, D.P.; Kumar, K. Systematic analysis and review of stock market prediction techniques. Comput. Sci. Rev. 2019, 34, 100190. [Google Scholar] [CrossRef]
- Gong, X.; Zhang, W.; Wang, J.; Wang, C. Investor sentiment and stock volatility: New evidence. Int. Rev. Financ. Anal. 2022, 80, 102028. [Google Scholar] [CrossRef]
- Maiti, M.; Vuković, D.; Mukherjee, A.; Paikarao, P.D.; Yadav, J.K. Advanced data integration in banking, financial, and insurance software in the age of COVID-19. Softw. Pract. Exp. 2022, 52, 887–903. [Google Scholar] [CrossRef]
- Maiti, M.; Vukovic, D.; Vyklyuk, Y.; Grubisic, Z. BRICS capital markets co-movement analysis and forecasting. Risks 2022, 10, 88. [Google Scholar] [CrossRef]
- Vyklyuk, Y.; Vukovic, D.; Jovanović, A. Forex prediction with neural network: USD/EUR currency pair. Actual Probl. Econ. 2013, 10, 251–261. [Google Scholar]
- Luo, J.; Zhuo, W.; Xu, B. A Deep Neural Network-Based Assistive Decision Method for Financial Risk Prediction in Carbon Trading Market. J. Circuits Syst. Comput. 2023, 33, 2450153. [Google Scholar] [CrossRef]
- Xu, K.; Chen, L.; Patenaude, J.M.; Wang, S. Rhine: A regime-switching model with nonlinear representation for discovering and forecasting regimes in financial markets. In Proceedings of the 2024 SIAM International Conference on Data Mining (SDM), Houston, TX, USA, 18–20 April 2024; Society for Industrial and Applied Mathematics: Philadelphia, PA, USA, 2024; pp. 526–534. [Google Scholar]
- Zhu, C. An Adaptive Agent Decision Model Based on Deep Reinforcement Learning and Autonomous Learning. J. Logistics. Inform. Serv. Sci. 2023, 10, 107–118. [Google Scholar] [CrossRef]
- Zeng, Z.; Kaur, R.; Siddagangappa, S.; Rahimi, S.; Balch, T.; Veloso, M. Financial time series forecasting using cnn and transformer. arXiv 2023, arXiv:2304.04912. [Google Scholar]
- Maiti, M.; Vyklyuk, Y.; Vuković, D. Cryptocurrencies chaotic co-movement forecasting with neural networks. Internet Technol. Lett. 2020, 3, e157. [Google Scholar] [CrossRef]
- Lo, A.W. Long-term memory in stock market prices. Econometrica 1991, 59, 1279–1313. [Google Scholar] [CrossRef]
- Lo, A.W. The adaptive markets hypothesis: Market efficiency from an evolutionary perspective. J. Portf. Manag. 2004, 30, 15–29. [Google Scholar] [CrossRef]
- Hargreaves, C.A.; Chen, L. Stock Prediction Using Deep Learning with Long-Short-Term-Memory Networks. Int. J. Electron. Eng. Comput. Sci. 2020, 5, 22–32. [Google Scholar]
- Hu, Y. Stock forecast based on optimized LSTM model. Comput. Sci. 2021, 48, 151–157. [Google Scholar]
- Rather, A.M. LSTM-Based deep learning model for stock prediction and predictive optimization model. EURO J. Decis. Process. 2021, 9, 100001. [Google Scholar] [CrossRef]
- Asthana, V. The Inefficiency of Bitcoin and the COVID-19 Pandemic. Rev. Appl. Socio-Econ. Res. 2024, 27, 50–60. [Google Scholar] [CrossRef]
- Karasiński, J. The adaptive market hypothesis and the return predictability in the cryptocurrency markets. Econ. Bus. Rev. 2023, 9, 94–118. [Google Scholar] [CrossRef]
- Zhang, Y.; Chan, S.; Chu, J.; Shih, S. The adaptive market hypothesis of Decentralized finance (DeFi). Appl. Econ. 2022, 55, 4975–4989. [Google Scholar] [CrossRef]
- Noda, A. On the evolution of cryptocurrency market efficiency. Appl. Econ. Lett. 2021, 28, 433–439. [Google Scholar] [CrossRef]
- Hubáček, O.; Šír, G. Beating the market with a bad predictive model. Int. J. Forecast. 2023, 39, 691–719. [Google Scholar] [CrossRef]
- Angelini, G.; De Angelis, L.; Singleton, C. Informational efficiency and behaviour within in-play prediction markets. Int. J. Forecast. 2022, 38, 282–299. [Google Scholar] [CrossRef]
- Raja, A.A.; Pinson, P.; Kazempour, J.; Grammatico, S. A market for trading forecasts: A wagering mechanism. Int. J. Forecast. 2023, 40, 142–159. [Google Scholar] [CrossRef]
- Vuković, D.B.; Zobov, A.M.; Degtereva, E.A. The nexus between tourism and regional real growth: Dynamic panel threshold testing. J. Geogr. Inst. “Jovan Cvijic” SASA 2022, 72, 111–116. [Google Scholar] [CrossRef]
- Hewamalage, H.; Bergmeir, C.; Bandara, K. Recurrent neural networks for time series forecasting: Current status and future directions. Int. J. Forecast. 2021, 37, 388–427. [Google Scholar] [CrossRef]
- Lim, K.P.; Brooks, R.D.; Kim, J.H. Financial crisis and stock market efficiency: Empirical evidence from Asian countries. Int. Rev. Financ. Anal. 2008, 17, 571–591. [Google Scholar] [CrossRef]
- PyTorch. Welcome to PyTorch Tutorials. 2024. Available online: https://pytorch.org/tutorials/ (accessed on 8 December 2023).
- Yu, Y.; Si, X.; Hu, C.; Zhang, J. A review of recurrent neural networks: LSTM cells and network architectures. Neural Comput. 2019, 31, 1235–1270. [Google Scholar] [CrossRef]
- Hochreiter, S. Long Short-Term Memory; Neural Computation MIT-Press: Cambridge, MA, USA, 1997. [Google Scholar]
- Domínguez, M.; Lobato, I.N. A consistent test for the martingale difference hypothesis. Econom. Rev. 2003, 22, 351–377. [Google Scholar] [CrossRef]
- Escanciano, C.J.; Lobato, I.N. Testing the martingale hypothesis. In Palgrave Hand-Book of Econometrics; Patterson, K., Mills, T.C., Eds.; Palgrave MacMillan: London, UK, 2009. [Google Scholar]
- Vukovic, D.B.; Romanyuk, K.; Ivashchenko, S.; Grigorieva, E.M. Are CDS spreads predictable during the COVID-19 pandemic? Forecasting based on SVM, GMDH, LSTM and Markov switching autoregression. Expert Syst. Appl. 2021, 194, 116553. [Google Scholar] [CrossRef] [PubMed]
- Escanciano, C.J.; Velasco, C. Generalized spectral tests for the martingale difference hypothesis. J. Econom. 2006, 134, 151–185. [Google Scholar] [CrossRef]
- Li, Y.; Bu, H.; Li, J.; Wu, J. The role of text-extracted investor sentiment in Chinese stock price prediction with the enhancement of deep learning. Int. J. Forecast. 2020, 36, 1541–1562. [Google Scholar] [CrossRef]
- Olivares, K.G.; Challu, C.; Marcjasz, G.; Weron, R.; Dubrawski, A. Neural basis expansion analysis with exogenous variables: Forecasting electricity prices with NBEATSx. Int. J. Forecast. 2023, 39, 884–900. [Google Scholar] [CrossRef]
- Zhang, N.; Lei, D.; Zhao, J.F. An improved Adagrad gradient descent optimization algorithm. In Proceedings of the 2018 Chinese Automation Congress (CAC), Xi’an, China, 30 November–2 December 2018; IEEE: Piscataway, NJ, USA, 2018; pp. 2359–2362. [Google Scholar]
- Jin, R.; Xing, Y.; He, X. On the convergence of mSGD and AdaGrad for stochastic optimization. arXiv 2022, arXiv:2201.11204. [Google Scholar]
- Ke, G.; Meng, Q.; Finley, T.; Wang, T.; Chen, W.; Ma, W.; Ye, Q.; Liu, T.Y. LightGBM: A highly efficient gradient boosting decision tree. In Proceedings of the Advances in Neural Information Processing Systems, Long Beach, CA, USA, 4–9 December 2017; Volume 30. [Google Scholar]
- Zhang, G.P. Time series forecasting using a hybrid ARIMA and neural network model. Neurocomputing 2003, 50, 159–175. [Google Scholar] [CrossRef]
- Hyndman, R.J.; Athanasopoulos, G. Forecasting: Principles and Practice; OTexts: Melbourne, Australia, 2018. [Google Scholar]
- Friedman, J.H. Greedy function approximation: A gradient boosting machine. In Annals of Statistics; Institute of Mathematical Statistics: Chennai, India, 2001; pp. 1189–1232. [Google Scholar]
- Barbaglia, L.; Frattarolo, L.; Onorante, L.; Pericoli, F.M.; Ratto, M.; Pezzoli, L.T. Testing big data in a big crisis: Nowcasting under COVID-19. Int. J. Forecast. 2023, 39, 1548–1563. [Google Scholar] [CrossRef]
- Foroni, C.; Marcellino, M.; Stevanovic, D. Forecasting the COVID-19 recession and recovery: Lessons from the financial crisis. Int. J. Forecast. 2022, 38, 596–612. [Google Scholar] [CrossRef]
- Ball, R. The global financial crisis and the efficient market hypothesis: What have we learned? J. Appl. Corp. Financ. 2009, 21, 8–16. [Google Scholar] [CrossRef]
- Opschoor, A.; Lucas, A. Time-varying variance and skewness in realized volatility measures. Int. J. Forecast. 2023, 39, 827–840. [Google Scholar] [CrossRef]
- Sattarhoff, C.; Lux, T. Forecasting the variability of stock index returns with the multifractal random walk model for realized volatilities. Int. J. Forecast. 2023, 39, 1678–1697. [Google Scholar] [CrossRef]
- Fu, J.Y.; Lin, J.G.; Hao, H.X. Volatility analysis for the GARCH–Itô–Jumps model based on high-frequency and low-frequency financial data. Int. J. Forecast. 2023, 39, 1698–1712. [Google Scholar] [CrossRef]
- Hall, R.E. Why does the economy fall to pieces after a financial crisis? J. Econ. Perspect. 2010, 24, 3–20. [Google Scholar] [CrossRef]
- Gilson, R.J.; Kraakman, R. Market efficiency after the financial crisis: It’s still a matter of information costs. Va. L. Rev. 2014, 100, 313. [Google Scholar] [CrossRef]
- Radovanović, M.M.; Vyklyuk, Y.; Milenković, M.; Vuković, D.B.; Matsiuk, N. Application of adaptive neuro-fuzzy interference system models for prediction of forest fires in the USA on the basis of solar activity. Therm. Sci. 2015, 19, 1649–1661. [Google Scholar] [CrossRef]
- Beja, A. The Limits of Price Information in Market Processes; Working Paper 61; University of California, Berkeley: Berkeley, CA, USA, 1977. [Google Scholar]
- Cooper, M.; Dimitrov, O.; Rau, P.R. A Rose.com by any other name. J. Financ. 2001, 56, 2371–2388. [Google Scholar] [CrossRef]
- Greene, M.T.; Fielitz, B.D. Long-term dependence in common stock returns. J. Financ. Econ. 1977, 4, 339–349. [Google Scholar] [CrossRef]
- Grossman, S.J.; Stiglitz, J.E. On the impossibility of informationally efficient markets. Am. Econ. Rev. 1980, 70, 393–408. [Google Scholar]
- Jensen, M. Some anomalous evidence regarding market efficiency. J. Financ. Econ. 1978, 6, 95–101. [Google Scholar] [CrossRef]
- Kemp, A.G.; Reid, G.C. The random walk hypothesis and the recent behaviour of equity prices in Britain. Economica 1971, 38, 28–51. [Google Scholar] [CrossRef]
- Keynes, J.M. Some Aspects of Commodity Markets, Manchester Guardian Commercial: European Reconstruction Series; Reprinted in The Collected Writings of John Maynard Keynes; Macmillan: London, UK, 1983; Volume XII, pp. 784–786. [Google Scholar]
- Kock, A.B.; Teräsvirta, T. Forecasting performances of three automated modelling techniques during the economic crisis 2007–2009. Int. J. Forecast. 2014, 30, 616–631. [Google Scholar] [CrossRef]
- Makina, D.; Zakhiyya, Y. The behavioural finance paradigm and the adaptive market hypothesis: Evidence from the JSE. Int. J. Financ. Bank. Stud. 2022, 11, 2147–4486. [Google Scholar]
- Mandelbrot, B.B. When can price be arbitraged efficiently? A limit to the validity of the random walk and martingale models. Rev. Econ. Stat. 1971, 53, 225–236. [Google Scholar] [CrossRef]
- Mikosch, T.; Stărică, C. Nonstationarities in financial time series, the long-range dependence, and the IGARCH effects. Rev. Econ. Stat. 2004, 86, 378–390. [Google Scholar] [CrossRef]
- Roberts, H. Statistical Versus Clinical Prediction of the Stock Market; CRSP, University of Chicago: Chicago, IL, USA, 1967. [Google Scholar]
- Scholes, M.S. The market for securities: Substitution versus price pressure and the effects of information on share prices. The J. Bus. 1972, 45, 179–211. [Google Scholar] [CrossRef]
- Svensson, L.; Soteriou, A. Testning the Adaptive Market Hypothesis on the OMXS30 Stock Index: 1986–2014: Stock Return Predictability and Market Conditions. 2017. Available online: http://www.diva-portal.org/smash/get/diva2:1118843/FULLTEXT01.pdf (accessed on 8 December 2023).
- Slutzky, E. The summation of random causes as the source of cyclic processes. Econometrica 1937, 5, 105–146. [Google Scholar] [CrossRef]
- Statman, M. Efficient markets in crisis. J. Invest. Manag. 2011, 9, 4–13. [Google Scholar] [CrossRef]
- Zhang, Y.-C. Toward a theory of marginally efficient markets. Phys. A 1999, 269, 30–44. [Google Scholar] [CrossRef]















| Metrics | The SGD Optimizer | ||||||
|---|---|---|---|---|---|---|---|
| HS =4 | HS = 8 | HS = 16 | HS = 32 | HS = 64 | HS = 128 | HS = 256 | |
| MAPE | 0.6136 | 0.6173 | 0.8509 | 0.7328 | 0.6073 | 0.6420 | 0.6523 |
| MDAPE | 0.6135 | 0.6170 | 0.8509 | 0.7326 | 0.6071 | 0.6419 | 0.6522 |
| RMSE | 1780.10 | 1801.01 | 2449.46 | 2120.10 | 1776.76 | 1870.84 | 1899.56 |
| MPE | 1087.31 | 1072.79 | 417.18 | 748.96 | 1099.53 | 1002.80 | 973.84 |
| R2 | −43.56 | −29.16 | −37.33 | −20.59 | −29.32 | −28.55 | −28.07 |
| AdaGrad Optimizer | |||||||
| HS =4 | HS = 8 | HS = 16 | HS = 32 | HS = 64 | HS = 128 | HS = 256 | |
| MAPE | 0.5398 | 0.3408 | 0.1014 | 0.0503 | 0.0190 | 0.5075 | 0.1671 |
| MDAPE | 0.5390 | 0.3387 | 0.0923 | 0.0324 | 0.0105 | 0.5086 | 0.1671 |
| RMSE | 1589.35 | 1031.58 | 384.57 | 232.01 | 98.44 | 1478.47 | 503.94 |
| MPE | 1289.65 | 1852.85 | 2535.35 | 2708.26 | 2849.79 | 1388.22 | 2358.12 |
| R2 | −11.79 | −1.67 | −0.53 | 0.62 | 0.82 | −3.88 | −5.49 |
| Adam Optimizer | |||||||
| HS =4 | HS = 8 | HS = 16 | HS = 32 | HS = 64 | HS = 128 | HS = 256 | |
| MAPE | 0.3899 | 0.5593 | 0.4196 | 0.1931 | 0.2055 | 0.2242 | 0.6316 |
| MDAPE | 0.3886 | 0.5588 | 0.4188 | 0.1892 | 0.2016 | 0.2258 | 0.6319 |
| RMSE | 1178.35 | 1639.02 | 1251.65 | 631.64 | 644.32 | 642.82 | 1842.61 |
| MPE | 1710.75 | 1236.22 | 1629.73 | 2269.85 | 2239.63 | 2204.56 | 1031.86 |
| R2 | −8.73 | −1.03 | 0.45 | 0.35 | 0.81 | 0.88 | −20.91 |
| RMSprop Optimizer | |||||||
| HS =4 | HS = 8 | HS = 16 | HS = 32 | HS = 64 | HS = 128 | HS = 256 | |
| MAPE | 0.1684 | 0.4314 | 0.2865 | 0.3979 | 0.5058 | 0.5248 | 0.3004 |
| MDAPE | 0.1641 | 0.4287 | 0.2793 | 0.3965 | 0.5057 | 0.5241 | 0.29989 |
| RMSE | 588.81 | 1285.97 | 916.22 | 1185.39 | 1497.56 | 1550.79 | 893.04 |
| MPE | 2335.35 | 1596.00 | 1998.06 | 2919.11 | 1384.35 | 1330.91 | 1975.22 |
| R2 | −1.90 | −12.81 | −6.01 | −10.74 | −17.73 | −19.09 | −18.27 |
| ARIMA with Exponential Smoothing | LightGBM | |
|---|---|---|
| MAPE | 13% | 0.8% |
| MDAPE | 13.2% | 0.86% |
| RMSE | 464.04 | 36.58 |
| MPE | 130% | 30% |
| R Squared | −0.638 | 0.989 |
| Metric | Adagrad64 | Index Data |
|---|---|---|
| RMSE | 0.013879 | 0.009307 |
| MAPE | 0.5258% | 0.6657% |
| MPE | −0.1491% | 0.0398% |
| MdAPE | 0.1147% | 0.2463% |
| HS =4 | HS = 8 | HS = 16 | HS = 32 | HS = 64 | HS = 128 | HS = 256 | |
|---|---|---|---|---|---|---|---|
| ADF Statistic | −3.60 | −1.506 | −1.934 | −1.816 | −1.258 | −0.578 | −0.942 |
| p-value | 0.006 | 0.531 | 0.316 | 0.373 | 0.648 | 0.876 | 0.774 |
| Critical Values | |||||||
| 1% | 3.435 | 3.435 | 3.435 | 3.435 | 3.435 | 3.435 | 3.435 |
| 5% | −2.864 | −2.864 | −2.864 | −2.864 | −2.864 | −2.864 | −2.864 |
| 10% | −2.568 | −2.568 | −2.568 | −2.568 | −2.568 | −2.568 | −2.568 |
| Intercept | Trend and Intercept | None | |
|---|---|---|---|
| logSPX | 0.235526 (0.9748) | −2.315184 (0.4250) | 1.174996 (0.9388) |
| RSPX | −97.36762 (0.0001) | −97.39885 (0.0001) | −97.35839 (0.0001) |
| GARCH = C (2) + C (3) ∗ RESID (−1)2 + C (4) ∗ GARCH (−1) | ||||
|---|---|---|---|---|
| Variable | Coefficient | Std. Error | z-Statistic | Prob. |
| C | 0.017933 | 0.003489 | 5.139736 | 0.0000 |
| Variance Equation | ||||
| C | 0.001737 | 0.000441 | 3.943345 | 0.0001 |
| RESID (−1)2 | 0.070991 | 0.007921 | 8.962541 | 0.0000 |
| GARCH (−1) | 0.919645 | 0.008084 | 113.7622 | 0.0000 |
| R-squared | −0.000762 | Mean dependent var | 0.005458 | |
| Adjusted R-squared | −0.000762 | S.D. dependent var | 0.451858 | |
| S.E. of regression | 0.452030 | Akaike info criterion | 0.731540 | |
| Sum squared resid. | 1567.017 | Schwarz criterion | 0.735162 | |
| Log likelihood | −2801.455 | Hannan-Quinn criter. | 0.732782 | |
| Durbin–Watson stat. | 2.209563 | |||
| Ljung–Box Statistics | ARCH-LM (5) Test | |
|---|---|---|
| Q (36) | F- stat. | Obs ∗ R2 |
| 45.273 | 1.47584 | 7.37787 |
| (0.138) | (0.1941) | (0.1940) |
Disclaimer/Publisher’s Note: The statements, opinions and data contained in all publications are solely those of the individual author(s) and contributor(s) and not of MDPI and/or the editor(s). MDPI and/or the editor(s) disclaim responsibility for any injury to people or property resulting from any ideas, methods, instructions or products referred to in the content. |
© 2024 by the authors. Licensee MDPI, Basel, Switzerland. This article is an open access article distributed under the terms and conditions of the Creative Commons Attribution (CC BY) license (https://creativecommons.org/licenses/by/4.0/).
Share and Cite
Vuković, D.B.; Radenković, S.D.; Simeunović, I.; Zinovev, V.; Radovanović, M. Predictive Patterns and Market Efficiency: A Deep Learning Approach to Financial Time Series Forecasting. Mathematics 2024, 12, 3066. https://doi.org/10.3390/math12193066
Vuković DB, Radenković SD, Simeunović I, Zinovev V, Radovanović M. Predictive Patterns and Market Efficiency: A Deep Learning Approach to Financial Time Series Forecasting. Mathematics. 2024; 12(19):3066. https://doi.org/10.3390/math12193066
Chicago/Turabian StyleVuković, Darko B., Sonja D. Radenković, Ivana Simeunović, Vyacheslav Zinovev, and Milan Radovanović. 2024. "Predictive Patterns and Market Efficiency: A Deep Learning Approach to Financial Time Series Forecasting" Mathematics 12, no. 19: 3066. https://doi.org/10.3390/math12193066
APA StyleVuković, D. B., Radenković, S. D., Simeunović, I., Zinovev, V., & Radovanović, M. (2024). Predictive Patterns and Market Efficiency: A Deep Learning Approach to Financial Time Series Forecasting. Mathematics, 12(19), 3066. https://doi.org/10.3390/math12193066

