Next Article in Journal
Second-Order Terminal Sliding Mode Control for Trajectory Tracking of a Differential Drive Robot
Previous Article in Journal
Dynamic Optimization with Timing Risk
 
 
Font Type:
Arial Georgia Verdana
Font Size:
Aa Aa Aa
Line Spacing:
Column Width:
Background:
Article

Interval Iterative Decreasing Dimension Method for Interval Linear Systems and Its Implementation to Analog Circuits

by
Gülnur Çelik Kızılkan
* and
Büşra Yağlıpınar
Department of Mathematics and Computer Science, Faculty of Science, Necmettin Erbakan University, Konya 42090, Türkiye
*
Author to whom correspondence should be addressed.
Mathematics 2024, 12(17), 2655; https://doi.org/10.3390/math12172655
Submission received: 19 July 2024 / Revised: 19 August 2024 / Accepted: 20 August 2024 / Published: 27 August 2024
(This article belongs to the Section E: Applied Mathematics)

Abstract

The iterative decreasing dimension method (IDDM) is an iterative method used to solve the linear algebraic system A x = f . Such systems are important in modeling many problems in applied sciences. For a number of reasons, such as estimated measurements made for modeling, errors arising from floating point calculations, and approximation methods used for solutions, it becomes necessary to study intervals in the solutions of systems of linear equations. The objective of this paper is to utilize IDDM to achieve resolution in the interval linear system (ILS). During the calculations, the Kaucher space is considered an extended classical interval space. The solutions of Barth-Nuding and Hansen interval linear systems, which are commonly used in the literature to test the solutions of ILSs, are obtained with the interval iterative decreasing dimension method for interval linear systems (I-IDDM). Since IDDM is a variation method of Gaussian elimination, a comparative analysis of the results with the interval Gaussian elimination method (I-GEM) is performed. It has been demonstrated that our approach, I-IDDM, produces better outcomes than I-GEM. I-IDDM is also used to investigate the analog circuit problem, where interval analysis is crucial.

1. Introduction

The linear algebraic equation system A x = f , which is the basic problem of linear algebra, has a very important area in science, technology, and engineering. These systems enable one to define relationships between variables in the physical world, calculate ratios, and make transformations. However, since the data obtained by estimated measurements in modeling are generally in the form of intervals that contain the exact value of physical variables, it would be more appropriate to consider the system of equations A x = f with intervals. In addition to representing data with intervals, rounding errors and the use of approximate solution methods also introduce the need to work with intervals. As such, interval analysis is important in scientific computing, and it is necessary to investigate the resolution of linear equations involving intervals, or, in other words, interval linear systems (ILSs) [1]. Solving the ILS is a difficult problem, and it has been an area of study that has been extensively researched for years (e.g., [2,3,4,5,6,7]. Also, a review of the research conducted on solutions to ILS throughout the years is presented in [8].
An ILS is defined as
A I x I = f I ,
where A I = [ A 1 , A 2 ] R n × n and f I = [ f 1 , f 2 ] R n . The system (1) represents a family of classical linear algebraic equation systems A x = f , where A A I and f f I . Provided that each coefficient matrix A is regular, each system of equations in this family has a unique solution, and the solution set
X = { x | A x = f , A A I , f f I }
is comprised of all of these solutions.
Therefore, the problem of solving the system (1) is a hard one. As can be understood from the definition, there cannot be a unique solution to the ILS [2,9,10]. As an alternative to methods for determining the exact solution of system (1) in the literature, there are methods for calculating the narrowest interval vector (smallest box) that covers the exact solution of the system [2,11,12,13].
In this paper, we give an improved version of IDDM called the “intreval iterative decreasing dimension method” (I-IDDM) for solving (1) for the reasons mentioned above. IDDM is a method given in [14] that is an alternative way of implementing the Gauss elimination method and obtains the resolution of classical systems of linear equations by reducing their dimensions at each step. Although the name of the method is iterative, the method calculates the exact solution of the system, such as the Gaussian elimination method. Because of this, IDDM is a semi-iterative approach, according to the authors of [14]. The Gauss elimination method, which is the most commonly employed technique for solving linear equation systems due to its straightforward programmability on computers, is also frequently used for ILSs [1,8,15,16,17]. However, it is possible that interval Gaussian elimination (I-GEM) may prove ineffective as a result of division by an interval pivot containing zero [15]. IDDM, on the other hand, does not need any pre-processing [14]. This feature of IDDM provides an advantage over Gaussian elimination for the solution of the system. We compare I-IDDM with I-GEM in this work since it is an alternate technique to I-GEM. We use the well-known Barth-Nuding and Hansen ILSs as test models, as such comparisons are often done on test examples in the literature. Thus, we present a comparative analysis of the I-IDDM and I-GEM methods, showing that I-IDDM produces better results than I-GEM even without the pivot operation.
The arithmetic defined on intervals, which are a subset of the set of real numbers, is known as classical interval arithmetic. Since classical interval arithmetic has limited algebraic properties, many types of arithmetic exist in the literature that are generalizations of classical interval arithmetic (for example, see: modified interval arithmetic [16], generalized interval arithmetic [18], etc.).
It is natural that different interval arithmetics can give different results for the same problem due to the different definitions of arithmetic operations [19]. In this paper, we have preferred to use Kaucher arithmetic, which allows additive and multiplicative inverses of intervals [20,21].
This paper has the following structure: In Section 2, Kaucher interval arithmetic, which involves the additive and multiplicative inverses of intervals, is described. In Section 3, I-IDDM for ILSs is introduced and in Section 4 a comparison is given between I-GEM and I-IDDM. In Section 5, an application related to circuit analysis is included. Finally, conclusions are given in the Section 6.

2. Kaucher Interval Arithmetic

The set [ α , β ] = { x | α x β R } R is called an interval. Similar to classical arithmetic operations on real numbers, interval arithmetic also defines operations on intervals.
Let a I = [ α 1 , β 1 ] and b I = [ α 2 , β 2 ] . An interval operation between intervals a I and b I is shown as
a I · b I = { x · y | x a I , y b I } ,
where · { + , , × , ÷ } . These operations are known as classical interval arithmetic and are given in Table 1 (e.g., [4,5,20]). You may provide a definition with
The algebraic properties of classical interval arithmetic are weaker than the properties of other known number systems, such as integers, real numbers, and rational numbers.
For example, in classical arithmetic, for a I = [ 1 , 2 ] :
a I a I = [ 1 , 2 ] [ 1 , 2 ] = [ 1 2 , 2 1 ] = [ 1 , 1 ]
a I / a I = [ 1 , 2 ] / [ 1 , 2 ] = [ 1 , 2 ] [ 1 / 2 , 1 / 1 ] = [ 1 , 2 ] [ 0.5 , 1 ] = [ 0.5 , 1 ] ,
intervals do not have additive and multiplicative inverses. In [21], Kaucher presented the Kaucher interval space, also known as the extended interval space, containing these inverses [20,22].
Further information about Kaucher space can be found in [20,21,23]. We have only introduced the properties that we will use in this paper here.
In the classical interval space, intervals defined as [ α 1 , α 2 ] , where α 1 α 2 , are called proper intervals. Kaucher space is constructed by adding improper intervals of the form [ α 1 , α 2 ] , where α 2 α 1 , to proper intervals, and it is shown as
K R = { [ α , β ] | α , β R } .
In Kaucher space, the dualization mapping
d u a l : K R K R , d u a l [ α , β ] = [ β , α ]
allows proper and improper intervals to convert into each other by changing the endpoints of the interval. The proper projection of a I is defined as
p r o   a I = a I , if a I is proper d u a l   a I , if a I is improper
If both endpoints of a I are non-negative, a I is called a non-negative interval and is denoted by a I 0 . Conversely, if both endpoints of a I are not positive, a I is called a non-positive interval and is denoted as a I 0 . According to these definitions, K R is the union of the following subsets:
P = { a I K R | ( α 0 ) and ( β 0 ) } , Z = { a I K R | α 0 β } , P = { a I K R | a I P } , d u a l Z = { a I K R | d u a l   a I Z } .
In K R , situations such as the existence of improper intervals and whether the interval contains zero require some additional definitions for K R arithmetic.
Kaucher arithmetic is defined as given in Table 2 and Table 3 for a I = [ α 1 , β 1 ] , b I = [ α 2 , β 2 ] K R . But first, let us give the definitions of additive and multiplicative inverses in K R .
Each interval a I K R has a unique additive inverse such that
o p p   a I = [ α 1 , β 1 ] and a I + o p p   a I = 0 .
There is a unique multiplicative inverse of a I P or a I P such that
i n v   a I = [ 1 α 1 , 1 β 1 ] and [ α 1 , β 1 ] . i n v   a I = 1 ,
where α 1 0 and β 1 0 .
In this work, we choose to utilize Kaucher interval arithmetic for our computations due to its wider algebraic features compared to classical interval arithmetic. Naturally, solving the same problem using various interval arithmetic methods may provide different outcomes. For example, let a I = [ 1 , 2 ] and b I = [ 3 , 4 ] . The difference between the intervals a I and b I is calculated as
In classical arithmetic: a I b I = [ 1 , 2 ] [ 3 , 4 ] = [ 1 4 , 2 3 ] = [ 5 , 1 ]
In Kaucher arithmetic: a I b I = [ 1 , 2 ] [ 3 , 4 ] = [ 1 , 2 ] + o p p ( [ 3 , 4 ] ) = [ 1 , 2 ] + [ 3 , 4 ] = [ 1 3 , 2 4 ] = [ 4 , 2 ] .

3. Interval Iterative Decreasing Dimension Method for Interval Linear Systems (I-IDDM)

Considering the interval linear system given by Equation (1), where A I is a n-dimensional regular interval matrix and f I is a n-dimensional interval right side vector, let us present I-IDDM below.
Let the m- dimensional reduced interval linear system in k-th step be represented by
A I , k X I , k = f I , k , k = 1 ( 1 ) n 1
A I , 1 = A I , f I , 1 = f I ,
where m = n k + 1 and k is the iteration number. To reduce the dimension of the system, we can partition the system (2) into two blocks such that
A 1 I , k A 2 I , k X I , k = f 1 I , k g I , k
where A 1 I , k = a 1 j I , k , A 2 I , k = a i j I , k , g I , k = f i I , k for i = 2 ( 1 ) m , j = 1 ( 1 ) m .
Let the first element of A 1 I , k be a 1 s I , k ( 1 s n ) with a 1 j I , k = [ α 1 j I , k , β 1 j I , k ] , α 1 j ( I , k ) , β 1 j ( I , k ) 0 .
Consider the system
A 1 I , k X I , k = f 1 I , k ,
which is the first part of system (3). Thus, a special solution of (4) can be
X 0 I , k = 0 0 f 1 I , k i n v ( a 1 s I , k ) 0 0 T
and the homogeneous solution of (4) is X h I , k = R I , k X I , k + 1 , where R I , k is the base matrix of the solution space of A 1 I , k X I , k = 0 .
The matrix R I , k is calculated in three different ways depending on the position of s.
If   s = 1 , then   R I , k = r 1 × ( m 1 ) I , k I ( m 1 ) × ( m 1 ) ; if   2 s m 1 , then   R I , k = I ( s 1 ) × ( s 1 ) 0 ( s 1 ) × ( m s ) 0 1 × ( s 1 ) r 1 × ( m s ) I , k 0 ( m s ) × ( s 1 ) I ( m s ) × ( m s ) ; and   if   s = m , then   R I , k = I ( m 1 ) × ( m 1 ) 0 1 × ( m 1 ) ,
where
r I , k = o p p ( a 1 j I , k . i n v ( a 1 s I , k )   for   j = s + 1 ( 1 ) m .
Let us note that the coefficient matrix and the right side vector of the system (2) are calculated with the formulas
A I , k = A 2 I , k 1 R I , k 1 , f I , k = g I , k 1 A 2 I , k 1 X 0 I , k 1 ,
respectively. The solution to the system (1) is obtained as
X I = i = 1 n j = 1 i 1 R I , j X 0 I , i
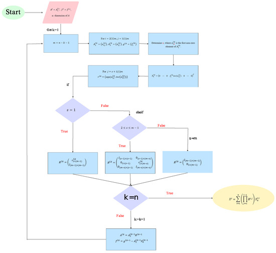
in [24]. Figure 1 shows the flowchart for I-IDDM.
Note 1. It is appropriate to use I-IDDM in the classical interval space by replacing f 1 I , k / a 1 s I , k instead of f 1 I , k . i n v ( a 1 s I , k ) and a 1 j I , k / a 1 s I , k instead of o p p ( a 1 j I , k . i n v ( a 1 s I , k ) in Equations (5) and (6), respectively.

4. A Comparative Analysis of I-IDDM with I-GEM

I-IDDM is a version of the Gaussian elimination method that has comparable features. Therefore, in this section, rather than doing extensive theoretical research, we aim to consider Barth-Nuding [25] and Hansen [11] ILSs as test systems and compare I-IDDM and I-GEM according to the obtained results. For the I-GEM, see [26,27]. It is known that the I-GEM gives ideal results when the elements of A I and f I are relatively narrow in (1). However, this method may fail when the elements of A I and f I are relatively wide [11]. Furthermore, it should be noted that interval Gaussian elimination may not be an effective solution in instances where the interval pivot contains a zero.
Let us present the solution intervals obtained by the I-GEM and I-IDDM methods, respectively, in tables and figures, and compare the outcomes of the two methods. We have used Kaucher arithmetic for all calculations.

4.1. Barth-Nuding Interval System

Barth and Nuding introduced the interval system in [25], shown in Equation (7).
[ 2 , 4 ] [ 2 , 1 ] [ 1 , 2 ] [ 2 , 4 ] X = [ 2 , 2 ] [ 2 , 2 ]
The results from (7) are presented in Table 4, and solution intervals are illustrated in Figure 2.
Table 4 shows that although I-IDDM gives a wider interval in the first component compared to the I-GEM, it gives a narrower interval in the second component. The areas represented by the solution vector shown in Figure 2 are the same for both methods.
Given that it is well known that I-GEM has favorable outcomes for systems in which the value of f I is rather narrow, it is possible to draw the conclusion that I-IDDM, which generates solutions with the same area as I-GEM for the Barth-Nuding interval system, likewise yields favorable outcomes for this particular problem.
Let us now have a look at the solution to the Hansen interval system, which is characterized by the presence of components of f I that are not small.

4.2. Hansen Interval System

The Hansen interval system is defined in [11] as follows:
[ 2 , 3 ] [ 0 , 1 ] [ 1 , 2 ] [ 2 , 3 ] X = [ 0 , 120 ] [ 60 , 240 ]
Table 5 presents the obtained values for (8) and Figure 3 shows the solution intervals. Just like in the Barth-Nuding system, I-IDDM gives a wider interval in the first component and a narrower interval in the second component compared to I-GEM. Details on these values may be found in Table 5. On the other hand, Figure 3 illustrates that the area that is created in I-IDDM is smaller in comparison to the area that is formed in I-GEM.
To sum up the findings from these two test cases, when the components of the ILS are relatively large, I-IDDM gives the smallest area, whereas I-IDDM and I-GEM will have areas that are close to each other if the elements are not large. It is also worth noting that the I-GEM breaks down when dividing by an interval containing zero, and the pivoting does not work well in intervals [11,26]. I-IDDM can be used in any case without the need for any preprocessing.
The widths and areas of the solution intervals from each method are outlined in Table 6 for comparison.

5. An Application to Circuit Analysis

Analog circuits are among the most frequently studied topics in interval analysis. The circuit can be represented as an ILS due to uncertainties in its parameters. Therefore, it is possible to forecast how the circuit will react to uncertainty in its parameters by solving the ILS [28,29]. The Ohm’s and Kirchoff’s laws serve as the foundation for circuit modeling by nodal analysis. We can briefly summarize this law as follows.
Kirchoff current law (KCL): According to the Kirchoff current law (KCL), the total current at a junction is always zero; i.e.,
I = 0 .
Kirchhoff’s voltage law (KVL): Kirchhoff’s voltage law states that the sum of voltage changes around any closed path or loop in an electrical circuit must always equal zero as
E + V = 0 .
Ohm’s law: Ohm’s law, showing the relationship between voltage, current, and resistance in a circuit, is given by the following formula:
I = V / R .
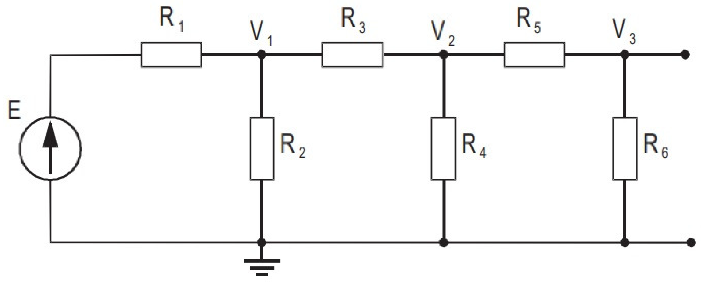
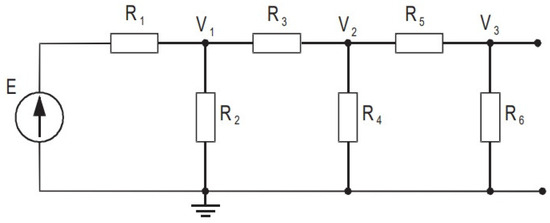
Now let us consider the R-Ladder circuit shown in Figure 4.
In order to obtain the mathematical model of the circuit in Figure 4, we will assume that the circuit parameters are given as E [ 5.67 , 6.93 ] and R i [ 0.09 , 0.11 ] for i = 1 , 2 , 4 , 6 and R i [ 1.8 , 2.2 ] for i = 3 , 5 , as given in [28]. The following ILS was obtained through the utilization of nodal analysis:
[ 1.98 , 2.42 ] [ 2.2 , 1.8 ] 0 [ 2.2 , 1.8 ] [ 3.69 , 4.51 ] [ 2.2 , 1.8 ] 0 [ 2.2 , 1.8 ] [ 1.89 , 2.31 ] ( V 1 V 2 V 3 ) = ( [ 0.51 , 0.76 ] 0 0 ) ,
where V i ( i = 1 , 2 , 3 ) are the voltages at the nodes in Figure 4.
To solve the ILS (9) using I-IDDM, the steps of I-IDDM are as follows:
  • A I , 1 = A I = [ 1.98 , 2.42 ] [ 2.2 , 1.8 ] 0 [ 2.2 , 1.8 ] [ 3.69 , 4.51 ] [ 2.2 , 1.8 ] 0 [ 2.2 , 1.8 ] [ 1.89 , 2.31 ] , f I , 1 = f I = [ 0.51 , 0.76 ] 0 0
    X 0 I , 1 = [ 0.26 , 0.31 ] 0 0 T , R I , 1 = 0.91 0 1 0 0 1 ;
  • A I , 2 = [ 1.69 , 2.87 ] [ 2.2 , 1.8 ] [ 2.2 , 1.8 ] [ 1.89 , 2.31 ] , f I , 2 = [ 0.47 , 0.68 ] 0
    X 0 I , 2 = [ 0.24 , 0.28 ] 0 T , R I , 2 = [ 0.77 , 1.07 ] 1 ;
  • A I , 3 = [ 0.47 , 0.92 ] , f I , 3 = [ 0.43 , 0.62 ]
    X 0 I , 3 = [ 1.32 , 0.67 ] .
Solution:  X I = i = 1 3 ( j = 1 i 1 R I , j ) X 0 I , i = X 0 I , 1 + R I , 1 X 0 I , 2 + R I , 1 R I , 2 X 0 I , 3
X I = [ 0.8 , 1.21 ] [ 1.17 , 1 ] [ 1.32 , 0.67 ] T
Note that all calculations are done in Kaucher space. The nodal voltages are as in the Table 7 below.
Although we do not intend to compare with I-GEM for this implementation, we would like to mention the results obtained with I-GEM for problem (9) to emphasize the effectiveness of I-IDDM. The solution of the ILS given in (9) obtained with I-GEM is
V 1 = [ 1.48 , 1.71 ] , V 2 = [ 1.68 , 0.31 ] , V 3 = [ 1.61 , 0.8 ] .
It is possible to make a similar comparison based on the area of the box formed by the solutions of two-dimensional systems in Section 4, again, based on the volumes of the box formed by the solutions here. Table 8 and Figure 5 illustrate the volumes of solution intervals obtained using both methods.
The results indicate that the voltages or currents in the R-ladder circuit are extremely susceptible to variations in the circuit elements when viewed from a circuit perspective. However, we believe that the solution that was reached through the use of I-IDDM is more optimal for two reasons:
  • Indicating that there is less uncertainty in the circuit, the response is the answer that involves narrower ranges. This is achieved with I-IDDM.
  • Negative values in the solutions indicate possible problems with the direction, depending on the implementation of the circuit. The solutions obtained with I-GEM contain more negative values.
Hence, we may conclude that I-IDDM performs better than I-GEM, solving the problem (9), whose elements are relatively narrow intervals.

6. Discussion and Conclusions

In this study, I-IDDM is proposed for the solution of ILS (1), which is modeled with intervals due to experimental measurements and computation errors in many application fields. I-IDDM is an improved version of IDDM given in [14] and is a variation of the Gaussian elimination method. I-IDDM is a semi-iterative method that iteratively calculates the exact solution of the ILS (1) and consists of a finite number of steps, just as direct solution methods. Therefore, while it is an improved version of IDDM, it is also an alternative method to I-GEM.
Therefore, we have compared I-IDDM with I-GEM by considering the Barth-Nuding [25] and Hansen [11] systems used in the literature to test solutions of ILSs. The Barth-Nuding system is characterized by components with narrow intervals, whereas the Hansen system features elements with quite wider intervals. I-GEM is known to give effective results when the elements of the system consist of narrow ranges [11]. Based on this information, we have demonstrated that I-IDDM performs better than I-GEM. We have also given an application of IDDM to an analog circuit problem under interval uncertainty. When we solve the issue with I-GEM, we anticipate that it will produce satisfactory outcomes. This is due to the fact that the coefficient matrix of the problem that we are considering is symmetric, and its elements are composed of relatively small intervals. As well as this, I-IDDM showed better performance than I-GEM. Consequently, we have established that I-IDDM is a beneficial strategy for determining the exact solution with efficiency and applicability.
Another advantage of I-IDDM over I-GEM is that pivoting is not required. Since the process is continued by picking the first non-zero element of the matrix in each step of I-IDDM, a division with an interval containing zero is not encountered. This ensures that the operation is not interrupted. I-GEM fails when dividing by an interval involving zero, and pivoting does not work well in ILSs. This can happen even if there is not a single real matrix in the interval coefficient matrix.
Despite its advantages, I-IDDM does have several limitations:
When addressing large-scale systems, it requires a significant number of calculations, similar to I-GEM. This generates an accumulation of rounding errors. When discussing rounding errors, it should be mentioned that the study did not consider the errors that occurred during the method application.
The main limitation of the proposed method is that it requires a substantial amount of memory to store the calculated matrices in each step, especially for large-sized matrices.
I-IDDM has been successfully applied to ILS with a regular coefficient matrix A. But, in many real-life problems, systems where the number of unknowns is greater than the number of equations (i.e., overdetermined systems) are often encountered [30]. Assuming that A is a rectangular matrix with M × N ( M > N ) dimensions, the authors think that I-IDDM can also be used in the system A I x I = f I . In order to apply I-GEM in such systems, the normal system A T A x = A T f is usually needed. This is an undesirable situation. Taking into consideration the algorithmic structure of I-IDDM, which reduces dimensions at each step, it is believed that there will be no requirement for extra operations to be performed. Despite the fact that the study [31], which provides a generalization of IDDM, strengthens our assertion, it is, of course, required to do some investigations and analyses in order to obtain certainty on this issue; of course, some examinations and analyses are required.

Author Contributions

Conceptualization, B.Y. and G.Ç.K.; methodology, G.Ç.K.; formal analysis, G.Ç.K.; investigation, G.Ç.K.; writing—original draft preparation, B.Y. and G.Ç.K.; writing—review and editing, G.Ç.K.; visualization, G.Ç.K.; supervision, G.Ç.K. All authors have read and agreed to the published version of the manuscript.

Funding

This research received no external funding.

Data Availability Statement

Dataset available on request from the authors.

Conflicts of Interest

The authors declare no conflicts of interest regarding the publication of this paper.

Abbreviations

The following abbreviations are used in this manuscript:
ILSInterval linear system
IDDMIterative decreasing dimension method
I-IDDMInterval iterative decreasing dimension method
I-GEMInterval Gaussian elimination method

References

  1. Wolfe, M.A. Interval mathematics, algebraic equations and optimization. J. Comput. Appl. Math. 2000, 124, 263–280. [Google Scholar] [CrossRef]
  2. Rohn, J. Systems of linear interval equations. Linear Algebra Appl. 1989, 126, 39–78. [Google Scholar] [CrossRef]
  3. Ning, S.; Kearfott, R.B. A comparison of some methods for solving linear interval equations. SIAM J. Numer. Anal. 1997, 34, 1289–1305. [Google Scholar] [CrossRef]
  4. Abolmasoumi, S.; Alavi, M. A method for calculating interval linear system. J. Math. Comput. SCI-JM 2014, 8, 193–204. [Google Scholar] [CrossRef]
  5. Reyes, V.; Araya, I. Non-Convex Optimization: Using Preconditioning Matrices for Optimally Improving Variable Bounds in Linear Relaxations. Mathematics 2023, 11, 3549. [Google Scholar] [CrossRef]
  6. Amine, B.; Mohammed, K. Resolution of linear systems using interval arithmetic and Cholesky decomposition. Math. Stat. 2023, 11, 840–844. [Google Scholar] [CrossRef]
  7. Nonlaopon, K.; Shah, F.A.; Ahmed, K.; Farid, G. A generalized iterative scheme with computational results concerning the systems of linear equations. AIMS Math. 2023, 8, 6504–6519. [Google Scholar] [CrossRef]
  8. Ghanbari, M.; Allahviranloo, T.; Haghi, E. Estimation of algebraic solution by limiting the solution set of an interval linear system. Soft Comput. 2012, 16, 2135–2142. [Google Scholar] [CrossRef]
  9. Corsaro, S.; Marino, M. Interval linear systems: The state of the art. Comput. Stat. 2006, 21, 365–383. [Google Scholar] [CrossRef]
  10. Gupta, N.; Herr, G. System of Linear Equations with Interval Coefficients. Available online: https://nirupam.georgetown.domains/my_files/2017/system_linear_equations_uncertain_coefficients.pdf (accessed on 20 October 2023).
  11. Hansen, E.R. Bounding the solution of interval linear equations. SIAM J. Numer. Annal. 1992, 29, 1493–1503. [Google Scholar] [CrossRef]
  12. Beaumont, O. Solving interval linear systems with linear programming techniques. Linear Algebra Appl. 1998, 281, 293–309. [Google Scholar] [CrossRef]
  13. Keyanpour, M.; Tabar, M.M.; Lodwick, W. A solution algorithm for a system of interval linear equations based on the constraint interval point of view. Reliab. Comput. 2018, 26, 1–12. [Google Scholar]
  14. Keskin, T.; Aydın, K. Iterative decreasing dimension algorithm. Comp. Math. Appl. 2007, 53, 1153–1158. [Google Scholar] [CrossRef][Green Version]
  15. Garloff, J. Interval Gaussian elimination with pivot tightening. SIAM J. Math. Anal. Appl. 2009, 30, 1761–1772. [Google Scholar] [CrossRef]
  16. Allahdadi, M.; Zohreh, K. Solving Interval Linear Equations with Modified Interval Arithmetic. J. Adv. Math. Com. Sci. 2015, 10, 18825. [Google Scholar] [CrossRef] [PubMed]
  17. Zieniuk, E.; Kapturczak, M.; Kużelewski, A. Solving interval systems of equations obtained during the numerical solution of boundary value problems. Comp. Appl. Math. 2016, 35, 629–638. [Google Scholar] [CrossRef]
  18. Markov, S.M. Extended interval arithmetic involving infinite intervals. Math. Comput. Simul. 2023, 39, 127–130. [Google Scholar]
  19. Piegat, A.; Pluciński, M. The optimal tolerance solution of the basic interval linear equation and the explanation of the Lodwick’s anomaly. Appl. Sci. 2022, 12, 4382. [Google Scholar] [CrossRef]
  20. Shary, S.P. Numerical computation of formal solutions to interval linear systems of equations. arXiv 2019, arXiv:1903.10272. [Google Scholar]
  21. Kaucher, E. Interval analysis in the extended interval space IR. Comput. Suppl. 1980, 2, 1–49. [Google Scholar]
  22. Lodwick, W.A.; Jenkins, O.A. Constrained intervals and interval spaces. Soft Comput 2013, 17, 1393–1402. [Google Scholar] [CrossRef]
  23. Lakeyev, A.V. On Existence and Uniqueness of Solutions of Linear Algebraic Equations in Kaucher’s Interval Arithmetic. In Developments in Reliable Computing; Csendes, T., Ed.; Springer: Cham, Switzerland, 1999; pp. 53–65. [Google Scholar]
  24. Yaglıpınar, B. The Solution of Interval Linear Equation System by Iterative Decreasing Dimension Method. Master’s Thesis, Necmettin Erbakan University, Konya, Türkiye, 2023. [Google Scholar]
  25. Barth, W.; Nuding, E. Optimale lösung von intervallgleichungssystemen. Computing 1974, 12, 117–125. [Google Scholar] [CrossRef]
  26. Mayer, G. On the interval Gaussian algorithm. In Proceedings of the 12th GAMM—IMACS International Symposium on Scientific Computing, Computer Arithmetic and Validated Numerics (SCAN 2006), Duisburg, Germany, 26–29 September 2006; p. 33. [Google Scholar]
  27. Nirmala, T.; Ganesan, K. Solving system of interval linear equations by Gauss Jordon method using generalized interval arithmetic. IOP Conf. Ser. Mater. Sci. Eng. 2021, 1130, 012052. [Google Scholar] [CrossRef]
  28. Garczarczyk, Z. Interval Methods for Analog Circuits. In Analog Circuits; IntechOpen: London, UK, 2013; pp. 69–89. [Google Scholar]
  29. Subramanian, H.S.; Thamaraiselvan, N.; Kandasamy, G. Implementing interval linear equations systems for enhanced circuit analysis. Math. Model. Eng. Probl. 2023, 10, 2217–2222. [Google Scholar] [CrossRef]
  30. Lukyanenko, D.; Shinkarev, V.; Yagola, A. Accounting for Round-Off Errors When Using Gradient Minimization Methods. Algorithms 2022, 15, 324. [Google Scholar] [CrossRef]
  31. Aydın, K.; Çelik Kızılkan, G.; Çıbıkdiken, A.O. Generalized Iterative Decreasing Dimension Method. Eur. J. Pure Appl. Math. 2010, 3, 819–830. [Google Scholar]
Figure 1. The flowchart of I-IDDM.
Figure 1. The flowchart of I-IDDM.
Mathematics 12 02655 g001
Figure 2. Solution intervals for Barth-Nuding interval system (7).
Figure 2. Solution intervals for Barth-Nuding interval system (7).
Mathematics 12 02655 g002
Figure 3. Solution intervals for Hansen interval system (8).
Figure 3. Solution intervals for Hansen interval system (8).
Mathematics 12 02655 g003
Figure 4. R-ladder circuit.
Figure 4. R-ladder circuit.
Mathematics 12 02655 g004
Figure 5. Solution intervals for system (9).
Figure 5. Solution intervals for system (9).
Mathematics 12 02655 g005
Table 1. Classical interval arithmetic.
Table 1. Classical interval arithmetic.
OperationResult
+ a I + b I = [ α 1 + α 2 , β 1 + β 2 ]
a I b I = [ α 1 β 2 , β 1 α 2 ]
× a I × b I = [ m i n ( α 1 α 2 , α 1 β 2 , α 2 β 1 , β 1 β 2 ) , m a x ( α 1 α 2 , α 1 β 2 , α 2 β 1 , β 1 β 2 ) ]
÷ a I ÷ b I = a I [ 1 / β 2 , 1 / α 2 ] , 0 b I
multiplication by scalar c a I = [ c α 1 , c β 1 ] , c 0 β 1 , c α 1 ] , c < 0 , c R
Table 2. Operations + , , and multiplication by scalar in Kaucher Arithmetic.
Table 2. Operations + , , and multiplication by scalar in Kaucher Arithmetic.
OperationResult
+ a I + b I = [ α 1 + α 2 , β 1 + β 2 ]
a I b I = a I + o p p b I
a I b I = a I i n v b I , 0 p r o b I
multiplication by scalar c a I = [ c α 1 , c β 1 ] , c 0 β 1 , c α 1 ] , c < 0 , c R
Table 3. Multiplication in Kaucher Arithmetic.
Table 3. Multiplication in Kaucher Arithmetic.
( a I × b I ) b I P b I Z b I P b I dual Z
a I P [ α 1 α 2 , β 1 β 2 ] [ α 2 β 1 , β 1 β 2 ] [ α 2 β 1 , α 1 β 2 ] [ α 1 α 2 , α 1 β 2 ]
a I Z [ α 1 β 2 , β 1 β 2 ] [ min { α 1 β 2 , α 2 β 1 } , max { α 1 α 2 , β 1 β 2 } ] [ α 2 β 1 , α 1 α 2 ] 0
a I P [ α 1 β 2 , α 1 β 1 ] [ α 1 β 2 , α 1 α 2 ] [ β 1 β 2 , α 1 α 2 ] [ β 1 β 2 , α 2 β 1 ]
a I d u a l Z [ α 1 α 2 , α 2 β 1 ] 0 [ β 1 β 2 , α 1 β 2 ] [ max { α 1 β 1 , α 2 , β 2 } , min { α 1 β 2 , α 2 β 1 } ]
Table 4. The results for the Barth-Nuding interval system (7).
Table 4. The results for the Barth-Nuding interval system (7).
Methods x 1 x 2
I-GEM [ 1 / 4 , 1 / 4 ] [ 1 / 2 , 1 / 2 ]
I-IDDM [ 1 / 2 , 1 / 2 ] [ 1 / 4 , 1 / 4 ]
Table 5. The results obtained from Hansen interval system (8).
Table 5. The results obtained from Hansen interval system (8).
Methods x 1 x 2
I-GEM [ 0 , 40 / 3 ] [ 0 , 80 ]
I-IDDM [ 0 , 30 ] [ 30 , 60 ]
Table 6. Comparison of the areas of the solution boxes according to methods.
Table 6. Comparison of the areas of the solution boxes according to methods.
MethodsBarth-NudingHansen
I-IDDM 0.5 900
I-GEM 0.5 1066.667
Table 7. Nodal voltages for the circuit in Figure 4.
Table 7. Nodal voltages for the circuit in Figure 4.
Nodal Voltages
V 1 [ 0.8 , 1.21 ]
V 2 [ 1.17 , 1 ]
V 3 [ 1.32 , 0.67 ]
Table 8. The volumes of the solution boxes according to methods for the analog circuit (9).
Table 8. The volumes of the solution boxes according to methods for the analog circuit (9).
MethodsVolumes of the Solution Boxes
I-IDDM 8.6
I-GEM 12.3
Disclaimer/Publisher’s Note: The statements, opinions and data contained in all publications are solely those of the individual author(s) and contributor(s) and not of MDPI and/or the editor(s). MDPI and/or the editor(s) disclaim responsibility for any injury to people or property resulting from any ideas, methods, instructions or products referred to in the content.

Share and Cite

MDPI and ACS Style

Çelik Kızılkan, G.; Yağlıpınar, B. Interval Iterative Decreasing Dimension Method for Interval Linear Systems and Its Implementation to Analog Circuits. Mathematics 2024, 12, 2655. https://doi.org/10.3390/math12172655

AMA Style

Çelik Kızılkan G, Yağlıpınar B. Interval Iterative Decreasing Dimension Method for Interval Linear Systems and Its Implementation to Analog Circuits. Mathematics. 2024; 12(17):2655. https://doi.org/10.3390/math12172655

Chicago/Turabian Style

Çelik Kızılkan, Gülnur, and Büşra Yağlıpınar. 2024. "Interval Iterative Decreasing Dimension Method for Interval Linear Systems and Its Implementation to Analog Circuits" Mathematics 12, no. 17: 2655. https://doi.org/10.3390/math12172655

APA Style

Çelik Kızılkan, G., & Yağlıpınar, B. (2024). Interval Iterative Decreasing Dimension Method for Interval Linear Systems and Its Implementation to Analog Circuits. Mathematics, 12(17), 2655. https://doi.org/10.3390/math12172655

Note that from the first issue of 2016, this journal uses article numbers instead of page numbers. See further details here.

Article Metrics

Back to TopTop