Optimal Performance of Photovoltaic-Powered Water Pumping System
Abstract
1. Introduction
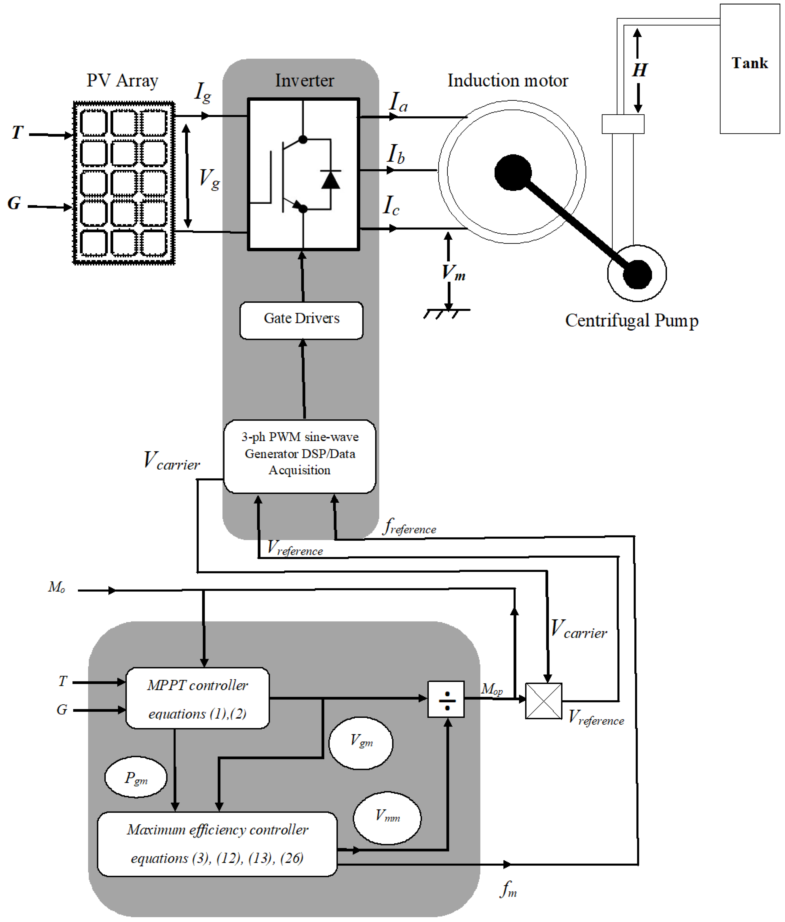
2. Steady State Model of PV-IMWPS
2.1. PV Module Model
2.2. Motor-Drive Pump Model
3. Proposed Optimum Operation Technique
3.1. Approximately Constant Flux Operation
3.2. Optimum Flux Operation
3.3. Methodology and Implementation of the Proposed Optimum Operation Controller
4. Optimum Operation Controller Using ANFIS Techniques
4.1. Adaptive Neuro-Fuzzy Inference System (ANFIS)
4.2. PV AC-WPS with ANFIS Controller
5. Results and Discussions
5.1. Motor Operation Characteristics
5.2. PV AC-WPS Optimum Flux Controller
5.3. PV AC-WPS with ANFIS Controller
6. Conclusions
Author Contributions
Funding
Acknowledgments
Conflicts of Interest
Nomenclature
| PV generator voltage in V, current in A, and output power in W | |
| PV generator voltage in V and current at maximum power in W | |
| PV generator maximum output power in W | |
| Insolation photo current per cell and per module in A | |
| Reverse saturation current per cell and per module in A | |
| Series and shunt resistance per cell, in Ω. | |
| PV generator series resistance, in Ω. | |
| Number of series and parallel solar cells | |
| Electron charge, 1.602 × 10−19 C | |
| Boltzmann constant, 1.38 × 10−23 J/k | |
| Cell working temperature in, °C | |
| Completion factor. | |
| PV cell and module constant in, (1/V) | |
| Solar insolation (irradiance) level in kW/m2. | |
| Stator voltage of Induction motor, in Volt/phase.Or inverter output RMS fundamental amplitude line to neutral voltage, in Volt/phase. | |
| Stator, rotor, and magnetizing currents in A | |
| Load (pump) and Motor developed torque, in N.m. | |
| Load (pump) constant, in N.m/(rad/s)2. | |
| Water flow rate, in L/sec and Total static head, in m. | |
| Load (pump) and motor efficiency, in %. | |
| Stator, Rotor, and motor resistances in Ω | |
| Stator, Rotor, and motor reactances in Ω | |
| Core loss resistance and magnetizing reactance Ω | |
| Motor and magnetizing impedances Ω | |
| Operating and maximum efficiency slip. | |
| Copper and iron losses in W | |
| Motor input and losses power in W | |
| Operating, old, and optimum Modulation index | |
| , | Rotor and synchronous speed in rad/sec |
| Rated induction motor voltage in V and frequency in Hz | |
| Stator resistance voltage drop at starting ( | |
| Inverter output frequency in Hz |
Appendix A
| PV array data at = 1000 W/m2 and = 25 °C | |
| 1224 cell | |
| 3 cell | |
| 0.05 Ω. | |
| 0.756 A | |
| 0.45 × 10−3 A | |
| (1/13.68) V | |
| Induction Motor data | |
| 220 V (rated motor voltage) | |
| 3.56 A (rated stator current) | |
| 2.2 Ω. | |
| 8.45 Ω. | |
| 620 Ω. | |
| 0.0478 H. | |
| 0.0478 H. | |
| 0.1943 H. | |
| P | 6 poles |
| 810 Watt | |
| 890 rpm (rated shaft speed) | |
| Load data | |
| 1.09834 × 10−5 N.m/rad/s2 | |
References
- Richter, M. Utilities’ business models for renewable energy: A review. Renew. Sustain. Energy Rev. 2012, 16, 2483–2493. [Google Scholar] [CrossRef]
- Liu, Y.-H.; Liu, C.-L.; Huang, J.-W.; Chen, J.-H. Neural-network-based maximum power point tracking methods for photovoltaic systems operating under fast changing environments. Sol. Energy 2013, 89, 42–53. [Google Scholar] [CrossRef]
- Su, C.; Urban, F. Circular economy for clean energy transitions: A new opportunity under the COVID-19 pandemic. Appl. Energy 2021, 289, 116666. [Google Scholar] [CrossRef]
- Chojaa, H.; Derouich, A.; Taoussi, M.; Chehaidia, S.E.; Zamzoum, O.; Mosaad, M.I.; Alhejji, A.; Yessef, M. Nonlinear Control Strategies for Enhancing the Performance of DFIG-Based WECS under a Real Wind Profile. Energies 2022, 15, 6650. [Google Scholar] [CrossRef]
- Tawfiq, A.A.E.; El-Raouf, M.O.A.; Mosaad, M.I.; Gawad, A.F.A.; Farahat, M.A.E. Optimal Reliability Study of Grid-Connected PV Systems Using Evolutionary Computing Techniques. IEEE Access 2021, 9, 42125–42139. [Google Scholar] [CrossRef]
- Parajuli, R.; Pokharel, G.; Østergaard, P. A comparison of diesel, biodiesel and solar pv-based water pumping systems in the context of rural nepal. Int. J. Sustain. Energy 2014, 33, 536–553. [Google Scholar] [CrossRef]
- Gopal, C.; Mohanraj, M.; Chandramohan, P.; Chandrasekar, P. Renewable energy source water pumping systems-a literature review. Renew. Sustain. Energy Rev. 2013, 25, 351–370. [Google Scholar] [CrossRef]
- Nguyen, V.T.T.; Vo, T.M.N. Centrifugal Pump Design: An Optimization. Eurasia Proc. Sci. Technol. Eng. Math. 2022, 17, 136–151. [Google Scholar] [CrossRef]
- Wang, C.-N.; Yang, F.-C.; Nguyen, V.T.T.; Vo, N.T.M. CFD Analysis and Optimum Design for a Centrifugal Pump Using an Effectively Artificial Intelligent Algorithm. Micromachines 2022, 13, 1208. [Google Scholar] [CrossRef]
- Ghoneim, A.A. Design optimization of photovoltaic powered water pumping systems. Energy Convers Manag. 2006, 47, 1449–1463. [Google Scholar] [CrossRef]
- Amer, E.H.; Younes, M.A. Estimating the monthly discharge of a photovoltaic water pumping system: Model verification. Energy Convers Manag. 2006, 47, 2092–2102. [Google Scholar] [CrossRef]
- Hadj Arab, A.; Benghanem, M.; Chenlo, F. Motor-pump system modelization. Renew Energy 2006, 31, 905–913. [Google Scholar] [CrossRef]
- Moechtar, M.; Juwono, M.; Kantosa, E. Performance evaluation of a.c. and d.c. direct coupled photovoltaic water pumping system. Energy Convers Manag. 1991, 31, 521–527. [Google Scholar] [CrossRef]
- Hamid, M.; Metwally, B.; Anis, W.R. Dynamic performance of directly coupled photovoltaic water pumping system using D.C. shunt motor. Energy Convers Manag. 1996, 35, 1407–1416. [Google Scholar]
- Grassie, T.; MacGregor, K.; Muneer, T.; Kubie, J. Design of PV driven low flow solar domestic hot water system and modeling of the system collector outlet temperature. Energy Convers Manag. 2002, 43, 1063–1078. [Google Scholar] [CrossRef]
- Alajlan, S.; Smiai, M. Performance and development of PV-plant for water pumping and desalination for remote area in Saudi Arabia. Renew. Energy 1996, 8, 441–446. [Google Scholar] [CrossRef]
- Sharma, R.; Sharma, S.; Tiwari, S. Design optimization of solar PV water pumping system. Mater. Today Proc. 2019, 21, 1673–1679. [Google Scholar] [CrossRef]
- Ahmed, M.M.; Hassanien, W.S.; Enany, M.A. Modeling and Evaluation of SC MPPT controllers for PVWPS Based on DC Motor. Energy Rep. 2021, 7, 6044–6053. [Google Scholar] [CrossRef]
- Elgendy, M.A.; Zahawi, B.; Atkinson, D.J. Assessment of Perturb and Observe MPPT Algorithm Implementation Techniques for PV Pumping Applications. IEEE Trans. Sustain. Energy 2012, 3, 21–33. [Google Scholar] [CrossRef]
- Elgendy, M.; Zahawi, B.; Atkinson, D. Assessment of Incremental Conductance MPPT Algorithm. IEEE Trans. Sustain. Energy 2013, 4, 108–117. [Google Scholar] [CrossRef]
- Elgendy, M.; Zahawi, B.; Atkinson, D. Comparison of Directly Connected and Constant Voltage Controlled Photovoltaic Pumping Systems. IEEE Trans. Sustain. Energy 2010, 1, 184–192. [Google Scholar] [CrossRef]
- Kassem, A.M. MPPT Control Design and Performance Improvements of a PV Generator Powered DC Motor-Pump System Based on Artificial Neural Networks. Int. J. Electr. Power Energy Syst. 2012, 43, 90–98. [Google Scholar] [CrossRef]
- El-Raouf, M.O.A.; Mosaad, M.I.; Mallawany, A.; Al-Ahmar, M.A.; Bendary, F.M.E. MPPT of PV-Wind-Fuel Cell of Off-Grid Hybrid System for a New Community. In Proceedings of the 2018 Twentieth International Middle East Power Systems Conference (MEPCON), Cairo, Egypt, 18–20 December 2018; pp. 480–487. [Google Scholar] [CrossRef]
- Rashad, A.; Ebeed, M.; Kamel, S.; Mossad, M.I. Performance Enhancing PV System Interconnected with D-STATCOM Using ANN and LAPO. In Proceedings of the 2021 IEEE International Conference on Automation/XXIV Congress of the Chilean Association of Automatic Control (ICA-ACCA), Santiago, Chile, 22–26 March 2021. [Google Scholar]
- Noguchi, T.; Togashi, S.; Nakamoto, R. Short-current pulse based adaptive maximum power point tracking for Photovoltaic power generation system. In Proceedings of the IEEE International Symposium on Industrial Electronics, (ISIE 2000), Cholula, Puebla, Mexico, 4–8 December 2000; Volume 1, pp. 157–162. [Google Scholar]
- Ali, A.; Almutairi, K.; Malik, M.Z.; Irshad, K.; Tirth, V.; Algarni, S.; Zahir, M.H.; Islam, S.; Shafiullah, M.; Shukla, N.K. Review of Online and Soft Computing Maximum Power Point Tracking Techniques under Non-Uniform Solar Irradiation Conditions. Energies 2020, 13, 3256. [Google Scholar] [CrossRef]
- Midya, P.; Krein, P.T.; Turnbull, R.J.; Reppa, R.; Kimball, J. Dynamic maximum power point tracker for photovoltaic applications. In Proceedings of the IEEE 27th Annual Power Electronics Specialists Conference, (PESC 96), Baveno, Italy, 23–27 June 1996; Volume 2, pp. 1710–1716. [Google Scholar]
- Elsonbaty, N.A.; Enany, M.A.; Gamil, M.M. Soft Computing Modeling of a Directly Coupled PV Water Pumping System. Int. J. Renew. Energy Res. 2016, 6, 99–105. [Google Scholar]
- Solodovnik, E.V.; Liu, S.; Dougal, R.A. Power controller design for maximum power tracking in solar installations. IEEE Trans. Power Elect. 2004, 19, 1295–1304. [Google Scholar] [CrossRef]
- Ibrahim, S.A.; Nasr, A.; Enany, M.A. Maximum Power Point Tracking Using ANFIS for a Reconfigurable PV-Based Battery Charger Under Non-Uniform Operating Conditions. IEEE Access 2021, 9, 114457–114467. [Google Scholar] [CrossRef]
- Salam, Z.; Ahmed, J.; Merugu, B.S. The application of soft computing methods for MPPT of PV system: A technological and status review. Appl. Energy 2013, 107, 135–148. [Google Scholar] [CrossRef]
- Haddad, S.; Mellit, A.; Benghanem, M.; Dafallah, K.O. ANNs-based modeling and prediction of hourly flow rate of a photovoltaic water pumping system: Experimental validation. Renew. Sustain. Energy Rev. 2015, 43, 635–643. [Google Scholar] [CrossRef]
- Kharb, R.K.; Shimi, S.L.; Chatterji, S.; Ansari, M.F. Modeling of solar PV module and maximum power point tracking using ANFIS. Renew. Sustain. Energy Rev. 2014, 33, 602–612. [Google Scholar] [CrossRef]
- Alhejji, A.; Mosaad, M.I. Performance enhancement of grid-connected PV systems using adaptive reference PI controller. Ain Shams Eng. J. 2020, 12, 541–554. [Google Scholar] [CrossRef]
- Manideep, C.; Priya, M.V. Improvement of Performance in Grid Connected Solar Photovoltaic for Water Pumping System Using Induction Motor. In Proceedings of the 2022 International Conference on Business Analytics for Technology and Security (ICBATS), Dubai, United Arab Emirates, 16–17 February 2022; pp. 1–5. [Google Scholar] [CrossRef]
- Mosaad, M.I.; Elkalashy, N.I.; Ashmawy, M.G. Integrating Adaptive Control of Renewable Distributed Switched Reluctance Generation and Feeder Protection Coordination. Electr. Power Syst. Res. J. 2018, 154, 452–462. [Google Scholar] [CrossRef]
- Banakhr, F.A.; Mosaad, M.I. High performance adaptive maximum power point tracking technique for off-grid photovoltaic systems. Sci. Rep. 2021, 11, 20400. [Google Scholar] [CrossRef] [PubMed]
- Betka, A.; Attali, A. Optimization of a photovoltaic pumping system based on the optimal control theory. Solar Energy 2010, 84, 1273–1283. [Google Scholar] [CrossRef]
- Periasamy, P.; Jain, N.; Singh, I. A review on development of photovoltaic water pumping system. Renew. Sustain. Energy Rev. 2015, 43, 918–925. [Google Scholar] [CrossRef]
- Bahloul, M.; Chrifi-Alaoui, L.; Souissi, M.; Chabaane, M.; Drid, S. Effective Fuzzy Logic Control of a Stand-alone Photovoltaic Pumping System. Int. J. Renew. Energy Res. 2015, 5, 677–685. [Google Scholar]
- Vitorino, M.A.; Correa, M.B.D.R.; Jacobina, C.B.; Lima, A.M.N. An effective induction motor control for photovoltaic pumping. IEEE Trans. Ind. Electron. 2010, 58, 1162–1170. [Google Scholar] [CrossRef]
- Corrêa, T.P.; Seleme, S.I.; Silva, S.R. Efficiency optimization in stand-alone photovoltaic pumping system. Renew. Energy 2012, 41, 220–226. [Google Scholar] [CrossRef]
- Caracas, J.V.M.; Farias, G.D.C.; Teixeira, L.F.M.; Ribeiro, L.A.D.S. Implementation of a high-efficiency, high-lifetime, and low-cost converter for an autonomous photovoltaic water pumping system. IEEE Trans. Ind. Appl. 2013, 50, 631–641. [Google Scholar] [CrossRef]
- Mosaad, M.I.; Abu-Siada, A.; Ismaiel, M.M.; Albalawi, H.; Fahmy, A. Enhancing the Fault Ride-through Capability of a DFIG-WECS Using a High-Temperature Superconducting Coil. Energies 2021, 14, 6319. [Google Scholar] [CrossRef]
- Chermitti, A.; Boukli-Hacene, O.; Meghebbar, A.; Bibitriki, N.; Kherous, A. Design of a library of components for autonomous photovoltaic system under Matlab/Simulink. Phys. Procedia 2014, 55, 199–206. [Google Scholar] [CrossRef]
- Visweswara, K. An Investigation of Incremental Conductance Based Maximum Power Point Tracking for Photovoltaic System. Phys. Procedia 2014, 54, 11–20. [Google Scholar] [CrossRef]
- Atlam, O.; Kolhe, M. Performance evaluation of directly photovoltaic powered DC PM (direct current permanent magnet) motor-propeller thrust system. Energy 2013, 57, 692–698. [Google Scholar] [CrossRef]
- Veerachary, M.; Yadaiah, N. ANN Based Peak Power Tracking for PV supplied DC motors. Sol. Energy 2000, 69, 343–350. [Google Scholar] [CrossRef]
- Hamdan, H. An Exploration of the Adaptive Neuro-Fuzzy Inference System (ANFIS) in Modelling Survival. Ph.D. Thesis, School of Computer Science, Nottingham University, Nottingham, UK, March 2013. [Google Scholar]
- Appelbaum, J.; Sarma, M. Starting and steady state characteristics of DC motors powered by solar cell generators. IEEE Trans. Energy Convers. 1986, EC–1, 17–25. [Google Scholar] [CrossRef]
- Boumaarafa, A.; Mohamadi, T.; Messai, N. Improving of the Generation Method of Repeated PWM Based on the Signals Combinations Applied to a PV Pumping system. Energy Procedia 2015, 74, 320–330. [Google Scholar] [CrossRef]
- Talpur, N.; Salleh, M.N.M.; Hussain, K. An investigation of membership functions on performance of ANFIS for solving classification problems. IOP Conf. Ser. Mater. Sci. Eng. 2017, 226, 012103. [Google Scholar] [CrossRef]
- Babanezhad, M.; Nakhjiri, A.T.; Marjani, A.; Rezakazemi, M.; Shirazian, S. Evaluation of product of two sigmoidal membership functions (psigmf) as an ANFIS membership function for prediction of nanofluid temperature. Sci. Rep. 2020, 10, 22337. [Google Scholar] [CrossRef]
- Liu, Y.; Zhao, J.; Tang, Y.; Jiang, X.; Liao, J. Construction of a Chlorophyll Content Prediction Model for Predicting Chlorophyll Content in the Pericarp of Korla Fragrant Pears during the Storage Period. Agriculture 2022, 12, 1348. [Google Scholar] [CrossRef]














| Inputs | Mn | Q | ||||||
|---|---|---|---|---|---|---|---|---|
| Training | ||||||||
| G | T | Mo | Trained | ANFIS | % Error | Trained | ANFIS | % Error |
| 100 | 17 | 1 | 0.21806 | 0.218059 | −0.00046 | 0.2983 | 0.2982 | −0.03352 |
| 300 | 17 | 0.21806 | 0.30418 | 0.304176 | −0.00132 | 0.9615 | 0.9617 | 0.020801 |
| 500 | 17 | 0.30418 | 0.36196 | 0.361957 | −0.00083 | 1.67984 | 1.6796 | −0.01429 |
| 700 | 17 | 0.36196 | 0.40841 | 0.408411 | 0.000245 | 2.42218 | 2.4217 | −0.01982 |
| 1000 | 17 | 0.40841 | 0.46708 | 0.467059 | −0.0045 | 3.56028 | 3.5603 | 0.000562 |
| 200 | 27 | 0.46708 | 0.3026 | 0.3026 | 0 | 0.49524 | 0.4952 | −0.00808 |
| 400 | 27 | 0.3026 | 0.37271 | 0.372709 | −0.00027 | 1.07157 | 1.0711 | −0.04386 |
| 600 | 27 | 0.37271 | 0.42589 | 0.425891 | 0.000235 | 1.68732 | 1.6873 | −0.00119 |
| 800 | 27 | 0.42589 | 0.46952 | 0.469514 | −0.00128 | 2.32441 | 2.3256 | 0.051196 |
| 1000 | 27 | 0.46952 | 0.50923 | 0.509224 | −0.00118 | 2.97705 | 2.9771 | 0.00168 |
| 200 | 37 | 0.50923 | 0.3512 | 0.3512 | 0 | 0.37625 | 0.376 | −0.06645 |
| 400 | 37 | 0.3512 | 0.42231 | 0.42231 | 0 | 0.8325 | 0.8322 | −0.03604 |
| 600 | 37 | 0.42231 | 0.47678 | 0.47678 | 0 | 1.33233 | 1.3329 | 0.042782 |
| 800 | 37 | 0.47678 | 0.5226 | 0.522606 | 0.001148 | 1.85864 | 1.8586 | −0.00215 |
| 1000 | 37 | 0.5226 | 0.56259 | 0.562591 | 0.000178 | 2.40023 | 2.4005 | 0.011249 |
| 300 | 47 | 0.56259 | 0.46107 | 0.461071 | 0.000217 | 0.43052 | 0.4309 | 0.088265 |
| 500 | 47 | 0.46107 | 0.5205 | 0.520496 | −0.00077 | 0.79726 | 0.7976 | 0.042646 |
| 700 | 47 | 0.5205 | 0.57124 | 0.571242 | 0.00035 | 1.19941 | 1.1987 | −0.0592 |
| 900 | 47 | 0.57124 | 0.61399 | 0.614 | 0.001629 | 1.62441 | 1.6241 | −0.01908 |
| 100 | 57 | 0.61399 | 0.58433 | 0.58433 | 0 | 0.09393 | 0.0942 | 0.287448 |
| 300 | 57 | 0.58433 | 0.57558 | 0.57558 | 0 | 0.28775 | 0.2878 | 0.017376 |
| 500 | 57 | 0.57558 | 0.62649 | 0.62649 | 0 | 0.54632 | 0.5468 | 0.087861 |
| 800 | 57 | 0.62649 | 0.69354 | 0.69354 | 0 | 0.99674 | 0.9971 | 0.036118 |
| 1000 | 57 | 0.69354 | 0.73485 | 0.73485 | 0 | 1.32482 | 1.3249 | 0.006039 |
| Testing | ||||||||
| 100 | 20 | 1 | 0.23034 | 0.237378 | −3.05548 | 0.271726 | 0.26482 | 2.541531 |
| 200 | 30 | 0.22034 | 0.340368 | 0.336733 | 1.067962 | 0.455055 | 0.44786 | 1.581128 |
| 300 | 40 | 0.340368 | 0.423373 | 0.424442 | −0.2525 | 0.549494 | 0.56962 | −3.66264 |
| 400 | 50 | 0.423373 | 0.531515 | 0.530505 | 0.190023 | 0.555043 | 0.5681 | −2.35243 |
| 500 | 52 | 0.531515 | 0.569982 | 0.572696 | −0.47616 | 0.674015 | 0.68986 | −2.35084 |
| 750 | 25 | 0.569982 | 0.431626 | 0.440581 | −2.07471 | 2.241114 | 2.2645 | −1.0435 |
Disclaimer/Publisher’s Note: The statements, opinions and data contained in all publications are solely those of the individual author(s) and contributor(s) and not of MDPI and/or the editor(s). MDPI and/or the editor(s) disclaim responsibility for any injury to people or property resulting from any ideas, methods, instructions or products referred to in the content. |
© 2023 by the authors. Licensee MDPI, Basel, Switzerland. This article is an open access article distributed under the terms and conditions of the Creative Commons Attribution (CC BY) license (https://creativecommons.org/licenses/by/4.0/).
Share and Cite
Altimania, M.R.; Elsonbaty, N.A.; Enany, M.A.; Gamil, M.M.; Alzahrani, S.; Alraddadi, M.H.; Alsulami, R.; Alhartomi, M.; Alghuson, M.; Alatawi, F.; et al. Optimal Performance of Photovoltaic-Powered Water Pumping System. Mathematics 2023, 11, 731. https://doi.org/10.3390/math11030731
Altimania MR, Elsonbaty NA, Enany MA, Gamil MM, Alzahrani S, Alraddadi MH, Alsulami R, Alhartomi M, Alghuson M, Alatawi F, et al. Optimal Performance of Photovoltaic-Powered Water Pumping System. Mathematics. 2023; 11(3):731. https://doi.org/10.3390/math11030731
Chicago/Turabian StyleAltimania, Mohammad R., Nadia A. Elsonbaty, Mohamed A. Enany, Mahmoud M. Gamil, Saeed Alzahrani, Musfer Hasan Alraddadi, Ruwaybih Alsulami, Mohammad Alhartomi, Moahd Alghuson, Fares Alatawi, and et al. 2023. "Optimal Performance of Photovoltaic-Powered Water Pumping System" Mathematics 11, no. 3: 731. https://doi.org/10.3390/math11030731
APA StyleAltimania, M. R., Elsonbaty, N. A., Enany, M. A., Gamil, M. M., Alzahrani, S., Alraddadi, M. H., Alsulami, R., Alhartomi, M., Alghuson, M., Alatawi, F., & Mosaad, M. I. (2023). Optimal Performance of Photovoltaic-Powered Water Pumping System. Mathematics, 11(3), 731. https://doi.org/10.3390/math11030731

