Word-Based Processor Structure for Montgomery Modular Multiplier Suitable for Compact IoT Edge Devices
Abstract
1. Introduction
2. Mathematical Foundation of the Montgomery Modular Multiplication Algorithm over GF()
Developing the Dependency Graph
3. Construction of the Montgomery Word-Serial Multiplier Processor
3.1. Scheduling Functions
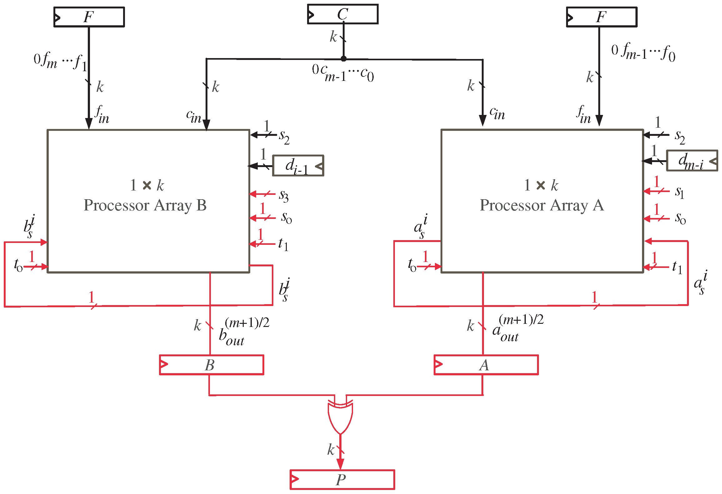
3.2. Projection Function
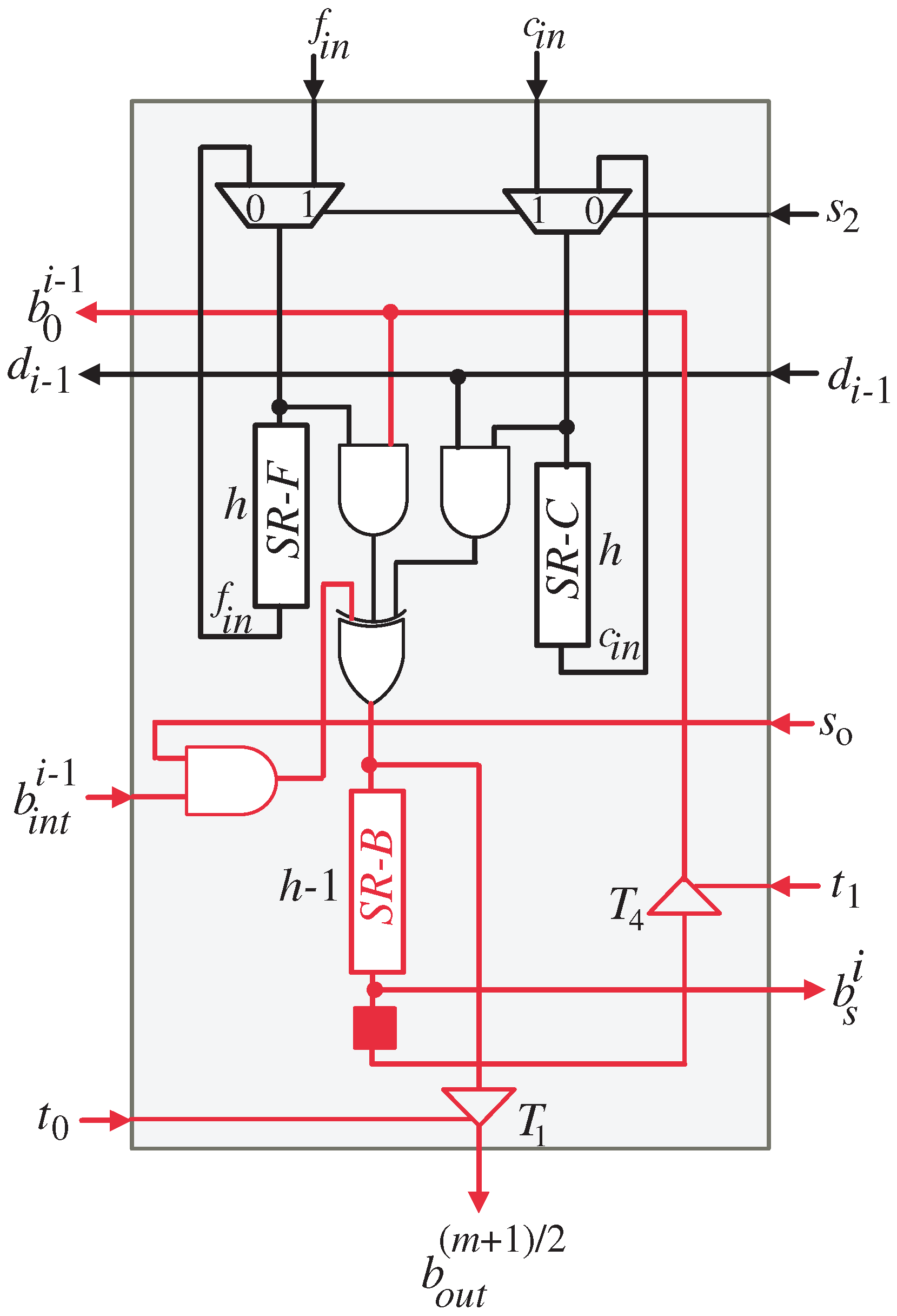
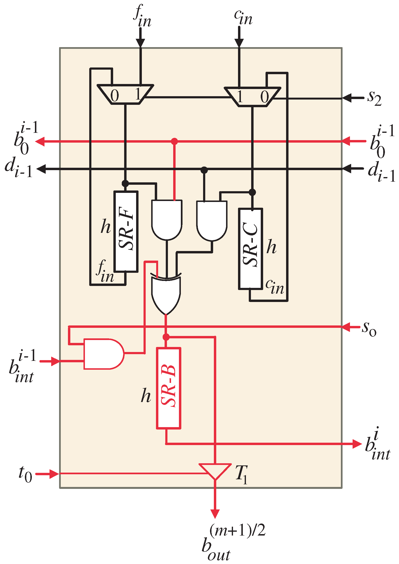
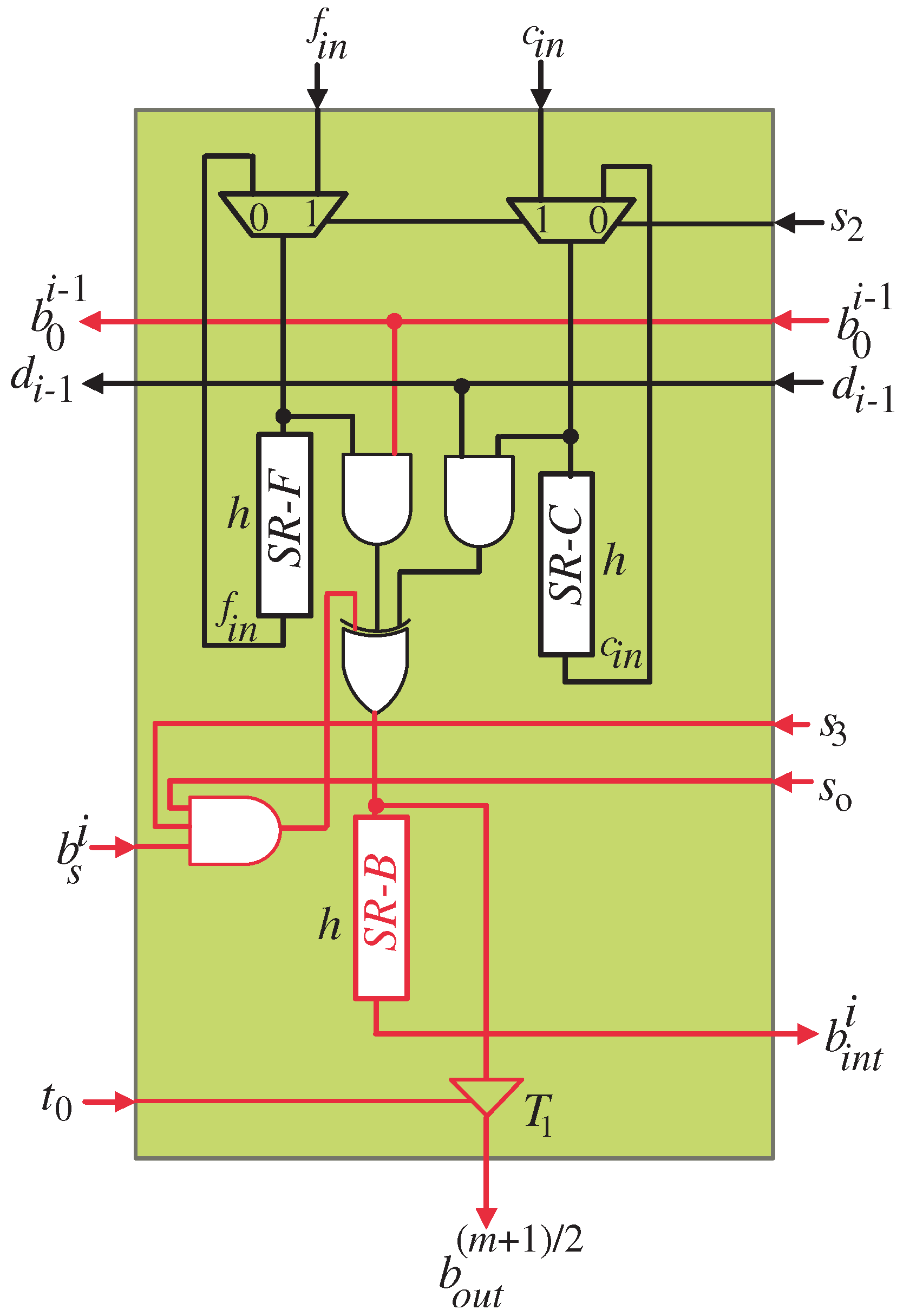
- Control signal should be placed to one () during the initial clock cycles to enable MUXes to transmit the initial words of variables C and F to all PEs of the processor array blocks. In order to achieve the initial zero values of both variables A and B, control signal should also be set to 0 () within the same clock cycles;
- The control signal deactivates () to re-feed the input values of C and F to all PEs of the processor array blocks during the remaining clock cycles. In order to pass the intermediate values of the variables A, , and B, , control signal should also be activated ();
- During the clock cycles +1, , input bits and are circulated to the PEs of the processor array blocks of A and B, respectively;
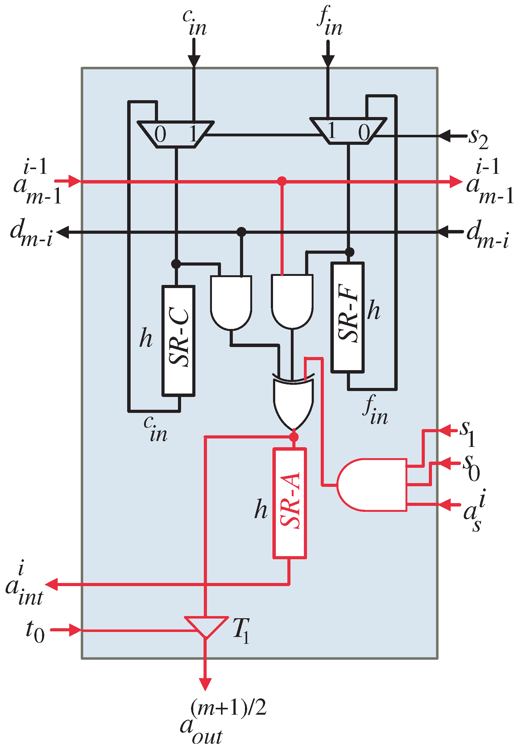
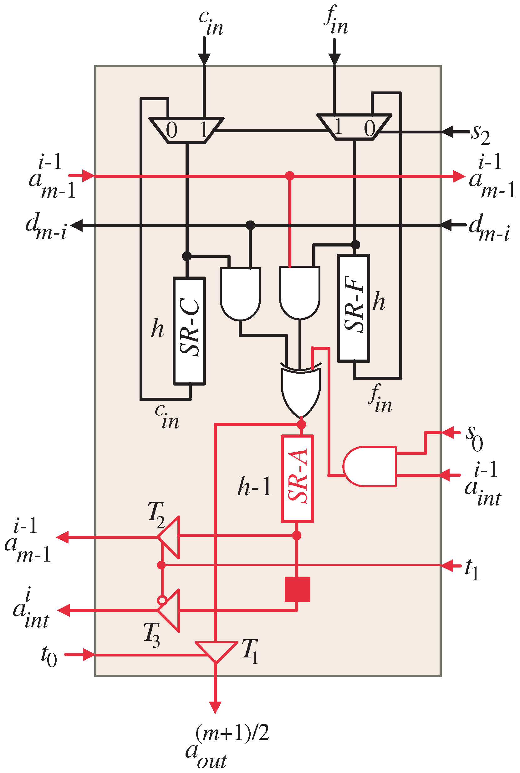
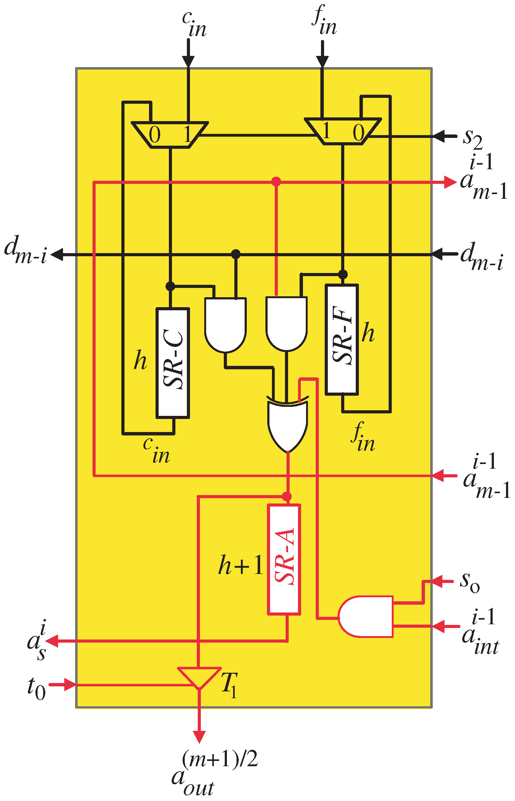
- To force the three-input AND gate, depicted in Figure 7, to generate zero values in the processor array block A, control signal deactivates () at clock cycles , . These values, as we previously stated, stand for the zero values of variable A that are displayed at the right edge of the DG displayed in Figure 1. In order to send the signal through the three-input AND gate, control signal activates, , at the remaining clock cycles;
- The control signal deactivates () at clock cycles , , causing the three-input AND gate, depicted in Figure 14, to produce zero values in processor array block B. As stated previously, these values represent the zero values of variable B that are depicted at the left edge of the DG in Figure 2. Control signal activates, , to transmit the signal through the three-input AND gate at the remaining clock cycles;
- Control signal , shown in Figure 9 and Figure 12, activates () in both processor array blocks to enable the Tri-State buffers and , respectively, to pass the bits of and , , to all PEs. During the remaining clock cycles, the control signal deactivates (), allowing the Tri-Sate buffer , shown in Figure 9, to pass the intermediate bits of to the next PE;
- The output variables A and B come from the processor array blocks A and B, respectively, in a word serial format during the clock cycles . The corresponding bits of output variables A and B are added together using the k two-input XOR gates, as shown in Figure 5, to produce the result P in a word- serial manner after being postponed by one further clock cycle.
4. Complexities Analysis
- ;
- ;
- ;
- ;
- ;
- ;
- ;
- .
- The outlined area (A) results are computed using a two-input NAND gate and are given in kilo-gates ();
- The outlined total computation time (T) values are expressed in nanoseconds ();
- At a frequency of 1 KHz, the obtained values of consumed power (P) are expressed in milliwatt ();
- P and T are multiplied to determine the consumed energy (E), and the results are expressed in femtojoule ();
- By multiplying A and T, the Area-Time (AT) design metric is computed, and the outcomes are expressed in ().
5. Summary and Conclusions
Author Contributions
Funding
Institutional Review Board Statement
Informed Consent Statement
Data Availability Statement
Acknowledgments
Conflicts of Interest
Sample Availability
Abbreviations
| IoT | Internet of Things |
| ASIC | Application Specific Integrated Circuit |
| ECC | Elliptic Curve Cryptography |
| DG | Dependency Graph |
| AT | Area-Time |
| GF | Galois Field |
| RSA | Rivest, Shamir, and Adleman |
| CPD | Critical Path Delay |
References
- Mittal, M.; Vijayal, S. Detection of attacks in iot based on ontology using sparql. In Proceedings of the 2017 7th International Conference on Communication Systems and Network Technologies (CSNT), Nagpur, India, 11–13 November 2017; pp. 206–211. [Google Scholar]
- Pourghebleh, B.; Hayyolalam, V.; Anvigh, A.A. Service discovery in the internet of things: Review of current trends and research challenges. Wirel. Netw. 2020, 26, 5371–5391. [Google Scholar] [CrossRef]
- Anajemba, J.H.; Iwendi, C.; Mittal, M.; Yue, T. Improved advance encryption standard with a privacy database structure for IoT nodes. In Proceedings of the 2020 IEEE 9th International Conference on Communication Systems and Network Technologies (CSNT), Gwalior, India, 10–12 April 2020; pp. 201–206. [Google Scholar]
- Qiu, J.; Tian, Z.; Du, C.; Zuo, Q.; Su, S.; Fang, B. A survey on access control in the age of internet of things. IEEE Internet Things J. 2020, 7, 4682–4696. [Google Scholar] [CrossRef]
- Shafiq, M.; Tian, Z.; Bashir, A.K.; Du, X.; Guizani, M. IoT malicious traffic identification using wrapper-based feature selection mechanisms. Comput. Secur. 2020, 94, 101863. [Google Scholar] [CrossRef]
- Su, S.; Tian, Z.; Li, S.; Deng, J.; Yin, L.; Du, X.; Guizani, M. IoT root union: A decentralized name resolving system for IoT based on blockchain. Inf. Process. Manag. 2021, 58, 102553. [Google Scholar] [CrossRef]
- Gu, Z.; Li, H.; Khan, S.; Deng, L.; Du, X.; Guizani, M.; Tian, Z. Iepsbp: A cost-efficient image encryption algorithm based on parallel chaotic system for green IoT. IEEE Trans. Green Commun. Netw. 2022, 6, 89–106. [Google Scholar] [CrossRef]
- Wang, H.; Zhang, W.; He, H.; Liu, P.; Luo, D.X.; Liu, Y.; Jiang, J.; Li, Y.; Zhang, X.; Liu, W.; et al. An evolutionary study of IoT malware. IEEE Internet Things J. 2021, 8, 15422–15440. [Google Scholar] [CrossRef]
- Anajemba, J.H.; Yue, T.; Iwendi, C.; Alenezi, M.; Mittal, M. Optimal cooperative offloading scheme for energy efficient multi-access edge computation. IEEE Access 2020, 8, 53931–53941. [Google Scholar] [CrossRef]
- Majumder, S.; Ray, S.; Sadhukhan, D.; Khan, M.K.; Dasgupta, M. Ecc-coap: Elliptic curve cryptography based constraint application protocol for internet of things. Wirel. Pers. Commun. 2021, 116, 1867–1896. [Google Scholar] [CrossRef]
- Ali, U.; Idris, M.Y.I.; Frnda, J.; Ayub, M.N.B.; Alroobaea, R.; Almansour, F.; Shagari, N.M.; Ullah, I.; Ali, I. Hyper elliptic curve based certificateless signcryption scheme for secure IIoT communications. CMC-Comput. Mater. Contin. 2022, 71, 2515–2532. [Google Scholar] [CrossRef]
- Dong, J.; Zheng, F.; Lin, J.; Liu, Z.; Xiao, F.; Fan, G. Ec-ecc: Accelerating elliptic curve cryptography for edge computing on embedded gpu tx2. ACM Trans. Embed. Comput. Syst. 2022, 21, 1–25. [Google Scholar] [CrossRef]
- Kim, K.W.; Jeon, J.C. Polynomial basis multiplier using cellular systolic architecture. Iete J. Res. 2014, 60, 194–199. [Google Scholar] [CrossRef]
- Choi, S.; Lee, K. Efficient systolic modular multiplier/squarer for fast exponentiation over GF(2m). IEICE Electron. Express 2015, 12, 20150222. [Google Scholar] [CrossRef]
- Kim, K.W.; Kim, S.H. Efficient bit-parallel systolic architecture for multiplication and squaring over GF(2m). IEICE Electron. Express 2018, 15, 20171195. [Google Scholar] [CrossRef]
- Matteo, S.D.; Baldanzi, L.; Crocetti, L.; Nannipieri, P.; Fanucci, L.; Saponara, S. Secure elliptic curve crypto-processor for real-time IoT applications. Energies 2021, 14, 4676. [Google Scholar] [CrossRef]
- Chen, L.H.; Chang, P.L.; Lee, C.-Y.; Yang, Y.K. Scalable and systolic dual basis multiplier over GF(2m). Int. J. Innov. Inf. Control. 2011, 7, 1193–1208. [Google Scholar]
- Bayat-Sarmadi, S.; Kermani, M.M.; Azarderakhsh, R.; Lee, C.-Y. Dual-basis superserial multipliers for secure applications and lightweight cryptographic architectures. IEEE Trans. Circ. Sys. II 2014, 61, 125–129. [Google Scholar] [CrossRef]
- Gebali, F.; Ibrahim, A. Efficient scalable serial multiplier over GF(2m) based on trinomial. IEEE Trans. Very Large Scale Integr. Systems 2015, 23, 2322–2326. [Google Scholar] [CrossRef]
- Ibrahim, A.; Gebali, F. Scalable and unified digit-serial processor array architecture for multiplication and inversion over GF(2m). IEEE Transactions Circuits Syst. Regul. Pap. 2017, 22, 2894–2906. [Google Scholar] [CrossRef]
- Talapatra, S.; Rahaman, H.; Mathew, J. Low complexity digit serial systolic montgomery multipliers for special class of GF(2m). IEEE Trans. Very Large Scale Integr. Sys. 2010, 18, 847–852. [Google Scholar] [CrossRef]
- Guo, J.H.; Wang, C.L. Hardware-efficient systolic architecture for inversion and division in GF(2m). IEE Proc. Comput. Digit. 1998, 145, 272–278. [Google Scholar] [CrossRef]
- Pan, J.S.; Lee, C.Y.; Meher, P.K. Low-latency digit-serial and digit-parallel systolic multipliers for large binary extension fields. IEEE Trans. Circ. Sys. I 2013, 60, 3195–3204. [Google Scholar] [CrossRef]
- Lee, C.-Y.; Fan, C.-C.; Yuan, S.-M. New digit-serial three-operand multiplier over binary extension fields for high-performance applications. In Proceedings of the 2017 2nd IEEE International Conference on Computational Intelligence and Applications, Beijing, China, 8–11 September 2017; pp. 498–502. [Google Scholar]
- Ramakrishna, P.S.; Lakshmi, B. Low-latency area-efficient systolic bit-parallel GF(2m) multiplier for a narrow class of trinomials. Microelectron. J. 2021, 117, 105275. [Google Scholar]
- Kim, K.W.; Lee, J.D. Efficient unified semi-systolic arrays for multiplication and squaring over GF(2m). IEICE Electron. Express 2017, 14, 20170458. [Google Scholar] [CrossRef]
- Meher, P.K.; Lou, X. Low-latency, low-area, and scalable systolic-like modular multipliers for GF(2m) based on irreducible all-one polynomials. IEEE Trans. Circuits Syst. Regul. Pap. 2016, 64, 399–408. [Google Scholar] [CrossRef]
- Lee, K. Resource and delay efficient polynomial multiplier over finite fields GF(2m). J. Korea Soc. Digit. Ind. Inf. Manag. 2020, 16, 1–9. [Google Scholar]
- Lee, K. Low complexity systolic montgomery multiplication over finite fields GF(2m). J. Korea Soc. Digit. Ind. Inf. Manag. 2022, 18, 1–9. [Google Scholar]
- Gebali, F. Algorithms and Parallel Computers; John Wiley: New York, NY, USA, 2011. [Google Scholar]
- Ibrahim, A.; Alsomani, T.; Gebali, F. New systolic array architecture for finite field inversion. Can. J. Electr. Comput. Eng. 2017, 40, 23–30. [Google Scholar] [CrossRef]
- Ibrahim, A.; Gebali, F.; El-Simary, H.; Nassar, A. High-performance, low-power architecture for scalable radix 2 montgomery modular multiplication algorithm. Can. J. Electr. Comput. Eng. 2009, 34, 152–157. [Google Scholar] [CrossRef]
- Ibrahim, A.; Alsomani, T.; Gebali, F. Unified systolic array architecture for field multiplication and inversion over GF(2m). Comput. Electr. J. 2017, 61, 104–115. [Google Scholar] [CrossRef]
- Gebali, F.; Ibrahim, A. Low space-complexity and low power semi-systolic multiplier architectures over GF(2m) based on irreducible trinomial. Microprocess. Microsyst. 2016, 40, 45–52. [Google Scholar] [CrossRef]
- Ibrahim, A.; Elsimary, H.; Gebali, F. New systolic array architecture for finite field division. IEICE Electron. Express 2018, 15, 20180255. [Google Scholar] [CrossRef]
- Ibrahim, A. Efficient parallel and serial systolic structures for multiplication and squaring over GF(2m). Can. J. Electr. Comput. Eng. 2019, 42, 114–120. [Google Scholar] [CrossRef]
- Xie, J.; Meher, P.K.; Mao, Z. Low-latency high-throughput systolic multipliers over GF(2m) for nist recommended pentanomials. IEEE Trans. Circuits Syst. I 2015, 62, 881–890. [Google Scholar] [CrossRef]
- Hua, Y.Y.; Lin, J.-M.; Chiou, C.W.; Lee, C.-Y.; Liu, Y.H. Low space-complexity digit-serial dual basis systolic multiplier over GF(2m) using hankel matrix and karatsuba algorithm. IET Inf. Secur. 2013, 7, 75–86. [Google Scholar]
- Chen, C.-C.; Lee, C.-Y.; Lu, E.-H. Scalable and systolic Montgomery multipliers over GF(2m). IEICE Trans. Fundam. Electron. Comput. Sci. 2008, 91, 1763–1771. [Google Scholar] [CrossRef]


















| Multiplier | Tri-State | AND | XOR | MUXes | Flip-Flops | Latency | CPD |
|---|---|---|---|---|---|---|---|
| Xie [37] | 0 | 0 | |||||
| Pan [23] | 0 | 0 | |||||
| Hua [38] | 0 | 0 | |||||
| Chen [39] | 0 | ||||||
| Proposed |
| Multiplier | k | A | T | P | E | AT | %A | %AT | %P | %E |
|---|---|---|---|---|---|---|---|---|---|---|
| [Kgates] | [ns] | [mW] | [fJ] | |||||||
| Xie [37] | 8 | 92.9 | 18.3 | 225.6 | 4.1 | 1698.7 | 97.3 | 24.5 | 99.4 | 69.4 |
| 16 | 147 | 9.7 | 375.5 | 3.6 | 1425.9 | 97.5 | 33.7 | 99.3 | 67.5 | |
| 32 | 195.1 | 5.5 | 477.4 | 2.6 | 1078.9 | 97.7 | 46.8 | 99.2 | 69.0 | |
| Pan [23] | 8 | 130.5 | 9.9 | 252.9 | 2.5 | 1291.6 | 98.1 | 0.7 | 99.4 | 49.6 |
| 16 | 153.9 | 8.8 | 320.1 | 2.8 | 1354.6 | 97.6 | 30.2 | 99.1 | 58.0 | |
| 32 | 194.3 | 6.8 | 425.1 | 2.9 | 1317.6 | 97.7 | 56.4 | 99.1 | 71.6 | |
| Hua [38] | 8 | 7.9 | 19,053.5 | 4.4 | 82.9 | 152,237.2 | 69.1 | 99.2 | 66.5 | 98.5 |
| 16 | 10.4 | 9526.7 | 5.9 | 55.7 | 99,077.9 | 65.0 | 99.0 | 53.3 | 97.9 | |
| 32 | 19.9 | 4763.3 | 11.2 | 53.1 | 94,838.7 | 77.8 | 99.4 | 66.2 | 98.5 | |
| Chen [39] | 8 | 10.2 | 659.4 | 5.1 | 3.4 | 6699.7 | 75.7 | 80.8 | 71.5 | 62.6 |
| 16 | 13.5 | 203.0 | 8.4 | 1.7 | 2742.9 | 73.1 | 65.5 | 67.4 | 30.4 | |
| 32 | 26.6 | 86.8 | 15.9 | 1.4 | 2306.3 | 83.4 | 75.1 | 76.4 | 40.7 | |
| Proposed | 8 | 2.5 | 519.4 | 1.5 | 1.3 | 1282.8 | - | - | - | - |
| 16 | 3.6 | 259.7 | 2.7 | 1.2 | 945.2 | - | - | - | - | |
| 32 | 4.4 | 129.8 | 3.8 | 0.8 | 573.9 | - | - | - | - |
Disclaimer/Publisher’s Note: The statements, opinions and data contained in all publications are solely those of the individual author(s) and contributor(s) and not of MDPI and/or the editor(s). MDPI and/or the editor(s) disclaim responsibility for any injury to people or property resulting from any ideas, methods, instructions or products referred to in the content. |
© 2023 by the authors. Licensee MDPI, Basel, Switzerland. This article is an open access article distributed under the terms and conditions of the Creative Commons Attribution (CC BY) license (https://creativecommons.org/licenses/by/4.0/).
Share and Cite
Ibrahim, A.; Gebali, F. Word-Based Processor Structure for Montgomery Modular Multiplier Suitable for Compact IoT Edge Devices. Mathematics 2023, 11, 328. https://doi.org/10.3390/math11020328
Ibrahim A, Gebali F. Word-Based Processor Structure for Montgomery Modular Multiplier Suitable for Compact IoT Edge Devices. Mathematics. 2023; 11(2):328. https://doi.org/10.3390/math11020328
Chicago/Turabian StyleIbrahim, Atef, and Fayez Gebali. 2023. "Word-Based Processor Structure for Montgomery Modular Multiplier Suitable for Compact IoT Edge Devices" Mathematics 11, no. 2: 328. https://doi.org/10.3390/math11020328
APA StyleIbrahim, A., & Gebali, F. (2023). Word-Based Processor Structure for Montgomery Modular Multiplier Suitable for Compact IoT Edge Devices. Mathematics, 11(2), 328. https://doi.org/10.3390/math11020328

