A Novel High-Speed and Low-PDP Approximate Full Adder Cell for Image Blending
Abstract
1. Introduction
2. Literature Review
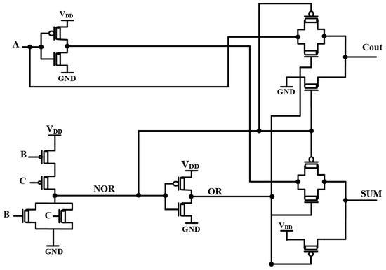
3. Proposed Method
4. Hardware-Level Simulation Results
5. Application of Presented Full Adder
6. Conclusions
Author Contributions
Funding
Data Availability Statement
Conflicts of Interest
Abbreviations
| CNFET | Carbon Nanotube Field Effect Transistor |
| EDP | Energy-delay product |
| PDP | Power-delay product |
| PSNR | Peak signal-to-noise ratio |
| SSIM | Structural similarity index measure |
| FOM | Figure of merit |
| MOSFET | Metal–oxide–semiconductor field-effect transistor |
| CNT | Carbon Nanotube |
| ED | Error distance |
| TED | Total error distance |
| CTL | Capacitive Threshold Logic |
| CMOS | Complementary Metal-Oxide Semiconductor |
| MUX | Multiplexer |
| FO | Fan-out |
| Physical channel length | |
| The mean free path in the intrinsic CNT channel | |
| The length of doped CNT source-side extension region | |
| The length of doped CNT drain-side extension region | |
| The dielectric constant of high-K top gate dielectric material | |
| The thickness of high-K top gate dielectric material | |
| The coupling capacitance between the channel region and the substrate |
References
- Schaarschmidt, M.; Uelschen, M.; Pulvermüller, E. Hunting Energy Bugs in Embedded Systems: A Software-Model-in-The-Loop Approach. Electronics 2022, 11, 1937. [Google Scholar] [CrossRef]
- Niedzicka, A. Computation-intensive image processing algorithm parallelization on multiple hardware architectures. In Proceedings of the International Conference on Parallel Computing in Electrical Engineering, Warsaw, Poland, 25 September 2002. [Google Scholar]
- Hassan, M.; Awwad, F.; Atef, M.; Hasan, O. Approximate Computing-Based Processing of MEA Signals on FPGA. Electronics 2023, 12, 848. [Google Scholar] [CrossRef]
- Balasubramanian, P.; Mastorakis, N.E. High-Speed and Energy-Efficient Carry Look-Ahead Adder. J. Low Power Electron. Appl. 2022, 12, 46. [Google Scholar] [CrossRef]
- Padmanabhan, K.K.; Seerengasamy, U.; Ponraj, A.S. High-Speed Grouping and Decomposition Multiplier for Binary Multiplication. Electronics 2022, 11, 4202. [Google Scholar] [CrossRef]
- Cho, G.; Kim, Y.-B.; Lombardi, F.; Choi, M. Performance evaluation of CNFET-based Logic Gates. In Proceedings of the 2009 IEEE Intrumentation and Measurement Technology Conference, Singapore, 5–7 May 2009. [Google Scholar]
- Zahoor, F.; Hussin, F.A.; Khanday, F.A.; Ahmad, M.R.; Mohd Nawi, I.; Ooi, C.Y.; Rokhani, F.Z. Carbon Nanotube Field Effect Transistor (CNTFET) and Resistive Random Access Memory (RRAM) Based Ternary Combinational Logic Circuits. Electronics 2021, 10, 79. [Google Scholar] [CrossRef]
- Mohammaden, A.; Fouda, M.E.; Alouani, I.; Said, L.A.; Radwan, A.G. CNTFET-Based Ternary Multiply-and-Accumulate Unit. Electronics 2022, 11, 1455. [Google Scholar] [CrossRef]
- Kolahdouz, M.; Xu, B.; Nasiri, A.F.; Fathollahzadeh, M.; Manian, M.; Aghababa, H.; Wu, Y.; Radamson, H.H. Carbon-Related Materials: Graphene and Carbon Nanotubes in Semiconductor Applications and Design. Micromachines 2022, 13, 1257. [Google Scholar] [CrossRef]
- Xu, Q.; Mytkowicz, T.; Kim, N.S. Approximate computing: A survey. IEEE Des. Test 2016, 33, 8–22. [Google Scholar] [CrossRef]
- Liang, J.; Han, J.; Lombardi, F. New metrics for the reliability of approximate and probabilistic adders. IEEE Trans. Comput. 2013, 62, 1760–1771. [Google Scholar] [CrossRef]
- Liu, W.; Zhang, T.; McLarnon, E.; OrNeill, M.; Montuschi, P.; Lombardi, F. Design and analysis of majority logic-based approximate adders and multipliers. IEEE Trans. Emerg. Top. Comput. 2021, 9, 1609–1624. [Google Scholar] [CrossRef]
- Goyal, C.; Ubhi, J.S.; Raj, B. A low leakage tg-cntfet–based inexact full adder for low power image processing applications. Int. J. Circuit Theory Appl. 2019, 47, 1446–1458. [Google Scholar] [CrossRef]
- Ataie, R.; Emrani Zarandi, A.A.; Safaei Mehrabani, Y. An efficient inexact full adder cell design in CNFET technology with high-PSNR for image processing. Int. J. Electron. 2019, 106, 928–944. [Google Scholar] [CrossRef]
- Mirzaei, M.; Mohammadi, S. Process variation-aware approximate full adders for imprecision-tolerant applications. Comput. Electr. Eng. 2020, 87, 106761. [Google Scholar] [CrossRef]
- Deng, J.; Wong, H.-S.P. A compact spice model for carbon-nanotube field-effect transistors including Nonidealities and its application—Part I: Model of the intrinsic channel region. IEEE Trans. Electron Devices 2007, 54, 3186–3194. [Google Scholar] [CrossRef]
- Fatemieh, S.E.; Farahani, S.S.; Reshadinezhad, M.R. LAHAF: Low-power, area-efficient, and high-performance approximate full adder based on static CMOS. Sustain. Comput. Inform. Syst. 2021, 30, 100529. [Google Scholar] [CrossRef]
- Zareei, Z.; Bagherizadeh, M.; Shafiabadi, M.; Mehrabani, Y.S. Design of efficient approximate 1-bit Full Adder cells using CNFET technology applicable in motion detector systems. Microelectron. J. 2021, 108, 104962. [Google Scholar] [CrossRef]
- Mehrabani, Y.S.; Gigasari, S.G.; Mirzaei, M.; Uoosefian, H. A Novel Highly-Efficient Inexact Full Adder Cell for Motion and Edge Detection Systems of Image Processing in CNFET Technology. ACM J. Emerg. Technol. Comput. Syst. 2022, 18, 1–20. [Google Scholar] [CrossRef]
- Misra, A.; Birla, S.; Singh, N.; Dargar, S.K. High-Performance 10-Transistor Adder Cell for Low-Power Applications. IETE J. Res. 2022, 1–19. [Google Scholar] [CrossRef]
- Zareei, Z.; Navi, K.; Reshadi, M.; Keshavarziyan, P. Efficient Symmetrical Imprecise 1-Bit Full Adder Cells Using CNFET Technology for Image Processing Applications. CSI J. Comput. Sci. Eng. 2020, 17, 2. [Google Scholar]
- Valsalan, P.; Shihi, O. CMOS-DRPTL adder topologies. In Proceedings of the 2018 International Conference on Current Trends towards Converging Technologies (ICCTCT), Coimbatore, India, 1–3 March 2018. [Google Scholar]
- Deng, J.; Wong, H.-S.P. A compact spice model for carbon-nanotube field-effect transistors including Nonidealities and its application—Part II: Full device model and circuit performance benchmarking. IEEE Trans. Electron Devices 2007, 54, 3195–3205. [Google Scholar] [CrossRef]
- Harris, D.; Sutherland, I. Logical effort of carry propagate Adders. In The Thrity-Seventh Asilomar Conference on Signals, Systems & Computers; IEEE: New York, NY, USA, 2003; pp. 873–878. [Google Scholar]
- Mohammadi, M.; Zanjani, S.M.; Dolatshahi, M. Design and simulation of a low PDP full adder by combining majority function and TGDI technique in CNTFET technology. In Proceedings of the 2022 12th International Conference on Computer and Knowledge Engineering (ICCKE), Mashhad, Iran, 17–18 November 2022. [Google Scholar]
- Govindarajulu, S.; Prasad, T. Considerations of performance factors in CMOS designs. In Proceedings of the 2008 International Conference on Electronic Design, Penang, Malaysia, 1–3 December 2008; pp. 1–6. [Google Scholar]
- Balasubramanian, P.; Nayar, R.; Maskell, D.L. Digital image blending using inaccurate addition. Electronics 2022, 11, 3095. [Google Scholar] [CrossRef]
- Image Blending-University of Edinburgh. Available online: https://homepages.inf.ed.ac.uk/rbf/HIPR2/blend.htm (accessed on 16 January 2023).
- Shahrokhi, S.H.; Hosseinzadeh, M.; Reshadi, M.; Gorgin, S. High-performance and low-energy approximate full adder design for error-resilient image processing. Int. J. Electron. 2021, 109, 1059–1079. [Google Scholar] [CrossRef]
- Tanuj, M.; Virigineni, A.; Mani, A.; Subramani, R. Comparative study of gradient domain based image blending approaches. In Proceedings of the 2021 International Conference on Innovative Computing, Intelligent Communication and Smart Electrical Systems (ICSES), Chennai, India, 24–25 September 2021. [Google Scholar]
- Keles, O.; Yilmaz, M.A.; Tekalp, A.M.; Korkmaz, C.; Dogan, Z. On the computation of PSNR for a set of images or video. In Proceedings of the Picture Coding Symposium (PCS), San Jose, CA, USA, 1 July 2021. [Google Scholar]
- Wang, Z.; Bovik, A.C.; Sheikh, H.R.; Simoncelli, E.P. Image quality assessment: From error visibility to structural similarity. IEEE Trans. Image Process. 2004, 3, 600–612. [Google Scholar] [CrossRef] [PubMed]











| Design | No.Tr. | Critical Path | Cout Swing | SUM Swing | TED |
|---|---|---|---|---|---|
| [13] | 12 | 4 | ✓ | ✓ | 2 |
| [14] | 13 | 4 | ✓ | ✓ | 3 |
| [14] | 9 | 3 | ✓ | ✕ | 3 |
| [15] | 8 | 3 | ✓ | ✓ | 3 |
| [17] | 9 | 3 | ✓ | ✓ | 3 |
| [18] | 15 | 4 | ✓ | ✓ | 3 |
| [19] | 8 | 4 | ✕ | ✓ | 3 |
| [20] | 10 | 3 | ✕ | ✕ | 0 |
| A | B | C | Cout | SUM | ED |
|---|---|---|---|---|---|
| 0 | 0 | 0 | 0 | 1 | 1 |
| 0 | 0 | 1 | 0 | 1 | 0 |
| 0 | 1 | 0 | 0 | 1 | 0 |
| 0 | 1 | 1 | 1 | 0 | 0 |
| 1 | 0 | 0 | 0 | 1 | 0 |
| 1 | 0 | 1 | 1 | 0 | 0 |
| 1 | 1 | 0 | 0 | 1 | 1 |
| 1 | 1 | 1 | 1 | 0 | 1 |
| Parameter | Value |
|---|---|
| 32 nm | |
| 100 nm | |
| 32 nm | |
| 32 nm | |
| 16 | |
| 4 nm | |
| 40 pF/m | |
| Efi | 0.6 ev |
| Design | Power | Delay | PDP | EDP |
|---|---|---|---|---|
| Vdd = 1 V | ||||
| [13] | 1.5892 | 21.572 | 3.4283 | 73.9552 |
| [14] | 5.6395 | 15.429 | 8.7013 | 134.253 |
| [14] | 5.6500 | 13.640 | 7.7068 | 105.120 |
| [15] | 1.3531 | 15.943 | 2.1572 | 34.3922 |
| [17] | 1.3726 | 18.951 | 2.6013 | 49.2972 |
| [18] | 5.9624 | 13.223 | 7.8839 | 104.248 |
| [19] | 1.3203 | 13.354 | 1.7631 | 23.5444 |
| [20] | 1.8662 | 13.604 | 2.5388 | 34.538 |
| [Proposed] | 1.4943 | 11.002 | 1.6440 | 18.0871 |
| Vdd = 0.9 V | ||||
| [13] | 1.1118 | 23.207 | 2.5801 | 59.8763 |
| [14] | 3.2248 | 16.358 | 5.2753 | 86.2933 |
| [14] | 3.2707 | 13.725 | 4.4891 | 61.6128 |
| [15] | 0.94111 | 16.814 | 1.5824 | 26.6064 |
| [17] | 0.96632 | 19.395 | 1.8742 | 36.3501 |
| [18] | 3.4730 | 14.550 | 5.0531 | 73.5226 |
| [19] | 0.9674 | 13.701 | 1.3255 | 18.1606 |
| [20] | 1.3423 | 16.265 | 2.1832 | 35.5105 |
| [Proposed] | 0.9989 | 11.431 | 1.1419 | 13.0527 |
| Vdd = 0.8 V | ||||
| [13] | 0.71857 | 24.719 | 1.7762 | 43.9058 |
| [14] | 1.7182 | 17.653 | 3.0331 | 53.5433 |
| [14] | 1.7022 | 14.066 | 2.3943 | 33.6782 |
| [15] | 0.57532 | 18.183 | 1.0461 | 19.0212 |
| [17] | 0.63280 | 20.929 | 1.3244 | 27.7183 |
| [18] | 1.9724 | 15.706 | 3.0978 | 48.6540 |
| [19] | 0.6282 | 14.649 | 0.9202 | 13.4803 |
| [20] | 0.9331 | 17.122 | 1.5976 | 27.3542 |
| [Proposed] | 0.6445 | 12.325 | 0.7943 | 9.7896 |
| Ref. | PSNR | SSIM | FOM1 | FOM2 |
|---|---|---|---|---|
| α = 0.2 | ||||
| [13] | 33.8341 | 0.8974 | 0.0763 | 2.8752 |
| [14] | 32.037 | 0.9212 | 0.1647 | 5.7265 |
| [14] | 32.037 | 0.9212 | 0.1401 | 4.8731 |
| [15] | 31.913 | 0.8804 | 0.0496 | 1.7973 |
| [17] | 32.9473 | 0.877 | 0.0569 | 2.1371 |
| [18] | 32.777 | 0.8754 | 0.1542 | 5.7722 |
| [19] | 32.9473 | 0.877 | 0.0402 | 1.5114 |
| [Proposed] | 32.9473 | 0.877 | 0.0347 | 1.302 |
| α = 0.5 | ||||
| [13] | 33.951 | 0.8847 | 0.076 | 2.9165 |
| [14] | 31.7554 | 0.9163 | 0.1661 | 5.7574 |
| [14] | 31.7554 | 0.9163 | 0.1414 | 4.8994 |
| [15] | 32.0194 | 0.8712 | 0.0494 | 1.8163 |
| [17] | 33.0537 | 0.8631 | 0.0567 | 2.1714 |
| [18] | 32.8052 | 0.8755 | 0.154 | 5.7714 |
| [19] | 33.0537 | 0.8631 | 0.0401 | 1.5357 |
| [Proposed] | 33.0537 | 0.8631 | 0.0345 | 1.323 |
| α = 0.8 | ||||
| [13] | 33.8592 | 0.8764 | 0.0762 | 2.9438 |
| [14] | 31.7169 | 0.9103 | 0.1663 | 5.7948 |
| [14] | 31.7169 | 0.9103 | 0.1415 | 4.9312 |
| [15] | 31.9324 | 0.8639 | 0.0496 | 1.8317 |
| [17] | 33.0163 | 0.8542 | 0.0568 | 2.1942 |
| [18] | 32.698 | 0.8773 | 0.1545 | 5.7600 |
| [19] | 33.0163 | 0.8542 | 0.0401 | 1.5518 |
| [Proposed] | 33.0163 | 0.8773 | 0.0346 | 1.3016 |
Disclaimer/Publisher’s Note: The statements, opinions and data contained in all publications are solely those of the individual author(s) and contributor(s) and not of MDPI and/or the editor(s). MDPI and/or the editor(s) disclaim responsibility for any injury to people or property resulting from any ideas, methods, instructions or products referred to in the content. |
© 2023 by the authors. Licensee MDPI, Basel, Switzerland. This article is an open access article distributed under the terms and conditions of the Creative Commons Attribution (CC BY) license (https://creativecommons.org/licenses/by/4.0/).
Share and Cite
Shahrokhi, S.H.; Hosseinzadeh, M.; Reshadi, M.; Gorgin, S. A Novel High-Speed and Low-PDP Approximate Full Adder Cell for Image Blending. Mathematics 2023, 11, 2649. https://doi.org/10.3390/math11122649
Shahrokhi SH, Hosseinzadeh M, Reshadi M, Gorgin S. A Novel High-Speed and Low-PDP Approximate Full Adder Cell for Image Blending. Mathematics. 2023; 11(12):2649. https://doi.org/10.3390/math11122649
Chicago/Turabian StyleShahrokhi, Seyed Hossein, Mehdi Hosseinzadeh, Midia Reshadi, and Saeid Gorgin. 2023. "A Novel High-Speed and Low-PDP Approximate Full Adder Cell for Image Blending" Mathematics 11, no. 12: 2649. https://doi.org/10.3390/math11122649
APA StyleShahrokhi, S. H., Hosseinzadeh, M., Reshadi, M., & Gorgin, S. (2023). A Novel High-Speed and Low-PDP Approximate Full Adder Cell for Image Blending. Mathematics, 11(12), 2649. https://doi.org/10.3390/math11122649

