Evaluation of Liner Cavitation Potential through Piston Slap and BEM Acoustics Coupled Analysis
Abstract
:1. Introduction
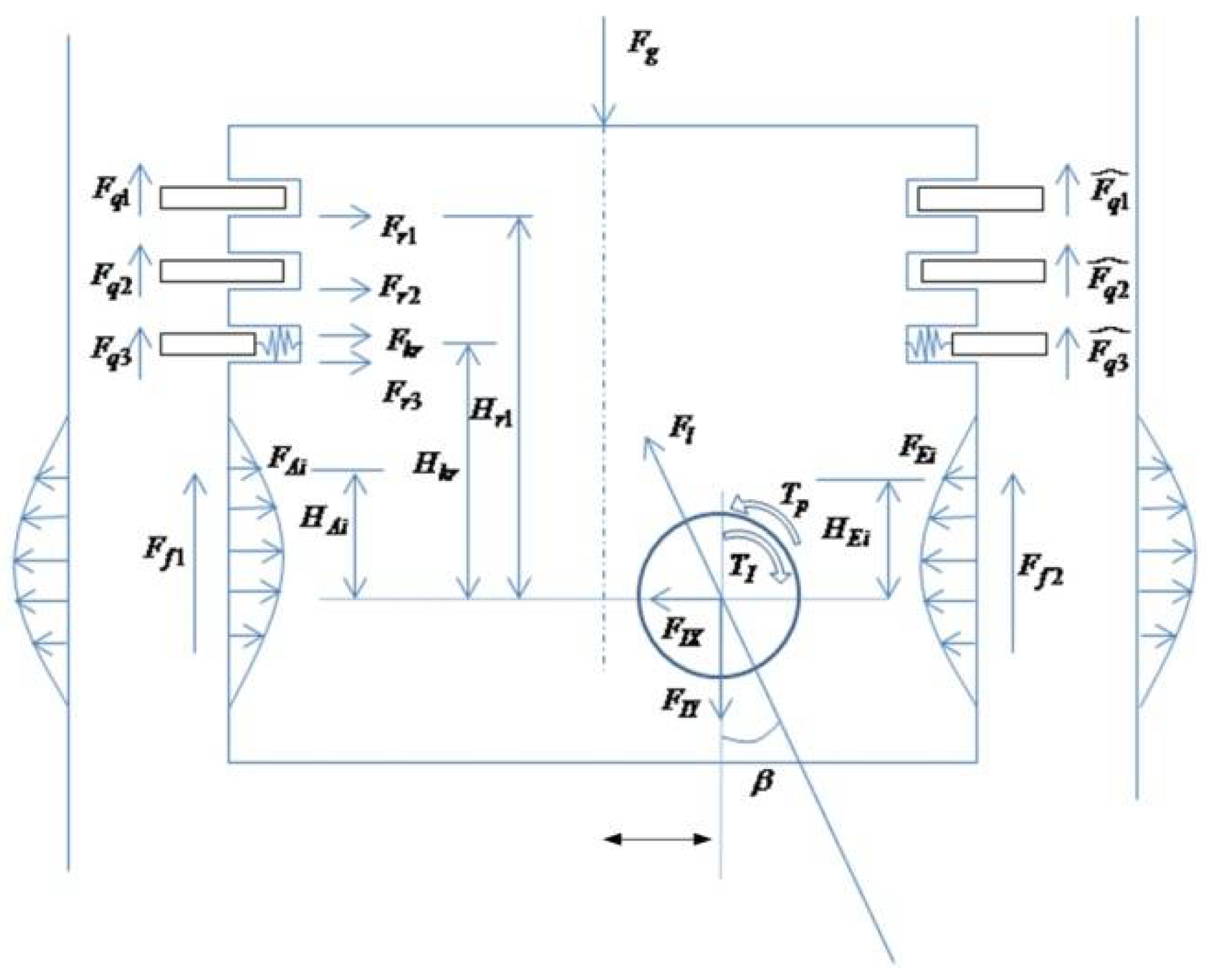
2. Mechanism and Analytical Model of Piston Slap
Influence of Elastic Vibration of Piston
3. Acoustic Pressure Response of Water Jacket Coolant Based on Boundary Element Method
3.1. Water Chamber Acoustic Analytical Model and Its Characteristics
3.2. Acoustic Characteristics of Models with Impedance Boundaries
4. Fluctuation of Cooling Pressure Induced by Liner Acceleration at Different Rotation Speeds
5. Conclusions
Author Contributions
Funding
Institutional Review Board Statement
Informed Consent Statement
Data Availability Statement
Conflicts of Interest
References
- Fonte, M.; Reis, L.; Infante, V.; Freitas, M. Failure analysis of cylinder head studs of a four stroke marine diesel engine. Eng. Fail. Anal. 2020, 101, 298–308. [Google Scholar] [CrossRef]
- Branco, C.M.; Infante, V.; e Brito, A.S.; Martins, R.F. A failure analysis study of wet liners in maritime diesel engines. Eng. Fail. Anal. 2002, 9, 403–421. [Google Scholar] [CrossRef]
- Benajes, J.; Pastor, J.V.; Payri, R.; Plazas, A.H. Analysis of the Influence of Diesel Nozzle Geometry in the Injection Rate Characteristic. ASME J. Fluids Eng. 2004, 126, 63–71. [Google Scholar] [CrossRef]
- Dellis, P. Laser-induced fluorescence measurements in a single-ring test rig: Evidence of cavitation and the effect of different operating conditions and lubricants in cavitation patterns and initiation. Int. J. Engine Res. 2020, 21, 1597–1611. [Google Scholar] [CrossRef]
- Zhou, Y.K.; He, J.G.; Hammitt, F.G. Cavitation erosion of diesel engine wet cylinder liners. Wear 1982, 76, 321–328. [Google Scholar]
- Pogodaev, L.I.; Tret’Yakov, D.V.; Valishin, A.G.; Matveevskii, O.O. Simulation of durability of cylinder liners of an internal combustion engine under vibration cavitation. J. Mach. Manuf. Reliab. 2008, 37, 143–151. [Google Scholar] [CrossRef]
- Yonezawa, T. A Study on Cavitation Erosion of Cylinder Liner and Cylinder Block. J. Mar. Eng. Soc. Jpn. 1985, 20, 258–264. [Google Scholar] [CrossRef]
- Nouri, J.M.; Vasilakos, I.; Yan, Y. Cavitation between cylinder-liner and piston-ring in a new designed optical IC engine. Int. J. Engine Res. 2021, 146808742110080. [Google Scholar] [CrossRef]
- Javanmardi, D.; Rezvani, M. Thermomechanical Fracture Failure Analysis of a Heavy-Duty Diesel Engine Cylinder Liner through Performance Analysis and Finite Element Modeling. SAE Int. J. Engines 2020, 13, 665–683. [Google Scholar] [CrossRef]
- Fontanesi, S.; Giacopini, M.; Cicalese, G.; Sissa, S.; Fantoni, S. Numerical investigation of the cavitation damage in the wet cylinder liner of a high performance motorbike engine. Eng. Fail. Anal. 2014, 44, 408–423. [Google Scholar] [CrossRef]
- Zade, G.; Gadekar, D. Accelerated Simulation of Engine Wet Cylinder Liner Cavitation Test Procedure; SAE Technical Paper 2007-26-023; SAE International: Warrendale, PA, USA, 2007. [Google Scholar]
- Zhang, B.; Zhang, P.; Guo, X.; Wang, Y.; Cheng, X.B.; Huang, X.Y.; Gong, X.R. Simulation Research on Cavitation Flow Characteristics of Highly Enhanced Diesel Engine Cooling System. IOP Conf. Ser. Earth Environ. Sci. 2019, 237, 042017. [Google Scholar] [CrossRef]
- Steck, B. Avoiding Cavitation on Wet Cylinder Liners of Heavy Duty Diesel Engines by Parameter Changes; SAE Technical Paper 2008-36-0073; SAE International: Warrendale, PA, USA, 2008. [Google Scholar]
- Glyniadakis, G.; DAgostini, M.; Casagrande, M. Liner Vibration and Cavitation; SAE Technical Paper 2006-01-2512; SAE International: Warrendale, PA, USA, 2006. [Google Scholar]
- Shenoi, S.S.; Sivan, M.; Lakshmikanth, R.; Ganesh, N. Enhancement of Heat transfer of Cylinder liner and Coolant jacket for High powered Diesel engine. Mater. Today Proc. 2020, 24, 1488–1497. [Google Scholar] [CrossRef]
- Park, I.; Kim, S. Cavitation Erosion Damage Characteristics of Electroless Nickel Plated Gray Cast Iron. Acta Phys. Pol. A 2019, 135, 1018–1022. [Google Scholar] [CrossRef]
- Hutli, E.; Fekete, T.; Nedeljkovic, M. Surface characteristics and cavitation damage progress in ductile materials. Eng. Fail. Anal. 2019, 106, 104157. [Google Scholar] [CrossRef]
- Abreu, M.; Sundberg, J.; Elfsberg, J.; Jonsson, S. Morphology and mechanisms of cavitation damage on lamellar gray iron surfaces. Wear 2020, 456–457, 203324. [Google Scholar] [CrossRef]
- Zhao, X.; Yang, Z.; Pan, B.; Wang, R.; Wang, L. Analysis of excitation source characteristics and their contribution in a 2-cylinder diesel engine. Measurement 2021, 176, 109195. [Google Scholar] [CrossRef]
- Ohta, K.; Wang, X.; Saeki, A. Piston slap induced pressure fluctuation in the water coolant passage of an internal combustion engine. J. Sound Vib. 2016, 363, 329–344. [Google Scholar] [CrossRef]
- Xiong, P.; Geng, D.; Hao, G.; Zhang, J.; Guo, W.; Zhao, W.; Chen, L. Influence of piston pin hole offset on cavity erosion of diesel engine cylinder liner. Eng. Fail. Anal. 2019, 103, 217–225. [Google Scholar]
- Tian, J.; Feng, H.; Feng, Y.; Yang, Z.; Zhu, C.; Li, J. Piston dynamics analysis considering skirt-liner dynamic clearance. Proc. Inst. Mech. Eng. Part D J. Automob. Eng. 2019, 233, 3538–3553. [Google Scholar] [CrossRef]
- Gomboc, S.; Cristofaro, M.; Haramincic, B.; Strucl, J.; Edelbauer, W. Cavitation Erosion Prediction at Vibrating Walls by Coupling Computational Fluid Dynamics and Multi-body-Dynamic Solutions. SAE Int. J. Commer. Veh. 2021, 14, 259–270. [Google Scholar] [CrossRef]
- Kim, K.; Hwang, K.; Lee, K.; Lee, K. Investigation of coolant flow distribution and the effects of cavitation on water pump performance in an automotive cooling system. Int. J. Energy Res. 2009, 33, 224–234. [Google Scholar] [CrossRef]


















| Cycle | 4 |
|---|---|
| Bore × stroke | 135 × 150 |
| Revolution | 2200 rpm |
| Piston natural frequency | 4114 Hz |
| Effective mass of piston | 0.09491 kg |
| Piston liner clearance | 10 µm |
| Resonance Mode | Z1 | Y1 | Z1-Y1 | Z2 |
|---|---|---|---|---|
| Water jacket | 1513 Hz | 2217 Hz | 2740 Hz | 2953 Hz |
| Rectangular box | 1752 Hz | 5515 Hz | 5786 Hz | 3505 Hz |
Publisher’s Note: MDPI stays neutral with regard to jurisdictional claims in published maps and institutional affiliations. |
© 2022 by the authors. Licensee MDPI, Basel, Switzerland. This article is an open access article distributed under the terms and conditions of the Creative Commons Attribution (CC BY) license (https://creativecommons.org/licenses/by/4.0/).
Share and Cite
Wang, X.; Wang, H.; Zhao, J.; Zhou, S.; Luo, Z.; Han, Q. Evaluation of Liner Cavitation Potential through Piston Slap and BEM Acoustics Coupled Analysis. Mathematics 2022, 10, 853. https://doi.org/10.3390/math10060853
Wang X, Wang H, Zhao J, Zhou S, Luo Z, Han Q. Evaluation of Liner Cavitation Potential through Piston Slap and BEM Acoustics Coupled Analysis. Mathematics. 2022; 10(6):853. https://doi.org/10.3390/math10060853
Chicago/Turabian StyleWang, Xiaoyu, Haofeng Wang, Jingchao Zhao, Shenghao Zhou, Zhong Luo, and Qingkai Han. 2022. "Evaluation of Liner Cavitation Potential through Piston Slap and BEM Acoustics Coupled Analysis" Mathematics 10, no. 6: 853. https://doi.org/10.3390/math10060853
APA StyleWang, X., Wang, H., Zhao, J., Zhou, S., Luo, Z., & Han, Q. (2022). Evaluation of Liner Cavitation Potential through Piston Slap and BEM Acoustics Coupled Analysis. Mathematics, 10(6), 853. https://doi.org/10.3390/math10060853

