Distributed H∞ and H2 Time-Varying Formation Tracking Control for Linear Multi-Agent Systems with Directed Topologies
Abstract
:1. Introduction
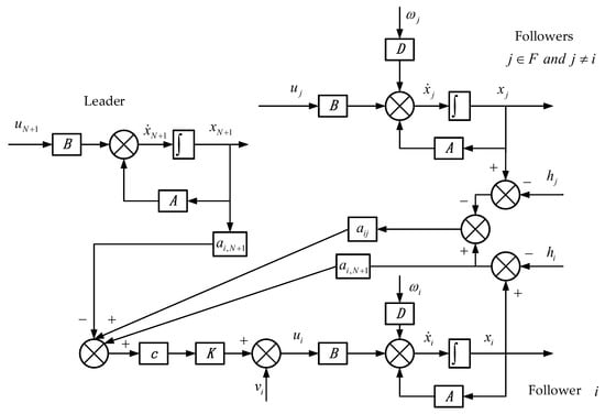
2. Preliminaries and Problem Descriptions
2.1. Notations
2.2. Basic Graph Theory
2.3. Problem Descriptions
- (1)
- All the eigenvalues of the matrixhave positive real parts;
- (2)
- Each entry of theis nonnegative, and each row of thehas a sum equal to one.
3. Methodology
3.1. Time-Varying Formation Tracking Algorithm
- (1)
- Laplacian matrixof the undirected graphhas at least one 0 eigenvalue andis the associated eigenvector that satisfies.
- (2)
- Zero is a simple eigenvalue ofand all the remainingeigenvalues are positive, if the undirected graphis connected.
- (1)
- The multi-agent system (1) withcan accomplish formation tracking in the sense of, , for any given initial state conditions.
- (2)
- When, under the zero-initial conditions, the formation tracking performance index satisfies:
- (1)
- Computingandand based onRemark 2.
- (2)
- FromLemma 2and, solving the following linear matrix inequalityfor a positive definite matrix.
- (3)
- For chosen, solving the following linear matrix inequality for a positive definite matrix:where, , .
- (4)
- Selecting the coupling strength parameter asand let the constant gain matrix be.
- (5)
- The following formation feasible condition
| Algorithm 1 Procedures to design parameters for time-varying formation tracking | |
| 1: | for each agent then |
| 2: | Design a directed communication topology that satisfies Assumptions 1–3; |
| 3: | Fix the desired formation function for followers; |
| 4: | Computing and based on Remark 2; |
| 5: | if the formation feasible condition (13) is satisfied then |
| 6: | From Lemma 2 and , solving the linear matrix inequality for a positive definite matrix ; |
| 7: | Compute parameters by , , ; |
| 8: | Choose , solving the following linear matrix inequality (12) for a positive definite matrix ; |
| 9: | Selecting the coupling strength parameter as and computing the constant gain matrix by ; |
| 10: | Construct the distributed control protocol given in (4); |
| 11: | else |
| 12: | Back to Step 3; |
| 13: | end if |
| 14: | end for |
3.2. Time-Varying Formation Tracking Algorithm
- (1)
- The following error dynamical system is stable when.
- (2)
- For the case of. When the initial conditions are zero, in other words, and the external disturbances are excited by a pulse signal, that means. The performance indexis defined as the following equation that satisfies.
- (1)
- Computingandbased onRemark 2.
- (2)
- FromLemma 2and, solving the following linear matrix inequalityfor a positive definite matrix.
- (3)
- For chosen, solving the following linear matrix inequality for a positive definite matrix.where, and.
- (4)
- For a given performance coefficient, solving the following linear matrix inequality for a positive definite matrix.
- (5)
- Selecting the coupling strength parameter asand let the constant gain matrix be.
- (6)
- The following formation feasible condition
| Algorithm 2 Procedures to design parameters for time-varying formation tracking | |
| 1: | for each agent then |
| 2: | Design a directed communication topology that satisfies Assumptions 1–3; |
| 3: | Fix the desired formation function for followers; |
| 4: | Computing and based on Remark 2; |
| 5: | if the formation feasible condition (35) is satisfied then |
| 6: | From Lemma 2 and , solving the linear matrix inequality for a positive definite matrix ; |
| 7: | Compute parameters by ,, ; |
| 8: | Choose , solving the following linear matrix inequality (32) for a positive definite matrix ; |
| 9: | For a given performance coefficient , solving the following linear matrix inequality (33) and (34) for a positive definite matrix ; |
| 10: | Selecting the coupling strength parameter as and computing the constant gain matrix by ; |
| 11: | Construct the distributed control protocol given in (4); |
| 12: | else |
| 13: | Back to Step 3; |
| 14: | end if |
| 15: | end for |
4. Simulation Results and Discussions
4.1. Example 1. Considering the Formation Tracking Problem
4.2. Example 2. Considering the Formation Tracking Problem
4.3. Example 3. Comparison of the Previous Approach and Current Approach
5. Conclusions and Future Work
- (1)
- Using local information about the state of neighbors of agents, the distributed and time-varying formation tracking protocol was presented. Some feasible sufficient conditions are provided to realize and time-varying formation tracking control of multi-agent systems. Algorithms and theorems are presented to design the parameters of distributed control protocol.
- (2)
- Theoretical basis of the proposed scheme was established by utilizing tools from Lyapunov stability analysis and algebraic graph theory and the control parameters were chosen via solving a linear matrix inequality. Followers can form and maintain the desired formation and achieve the trajectory tracking of the leader.
- (3)
- Numerical simulations of the proposed theorems and algorithms are carried out. The results show that theorems and algorithms can design the protocols which can be utilized to achieve formation tracking with guaranteed and performance index.
Author Contributions
Funding
Institutional Review Board Statement
Informed Consent Statement
Data Availability Statement
Conflicts of Interest
References
- Muslimov, T.Z.; Munasypov, R.A. Consensus-based cooperative control of parallel fixed-wing UAV formations via adaptive backstepping. Aerosp. Sci. Technol. 2021, 109, 106416. [Google Scholar] [CrossRef]
- Zhang, J.; Yue, X.; Zhang, H.; Xiao, T. Optimal Unmanned Ground Vehicle—Unmanned Aerial Vehicle Formation-Maintenance Control for Air-Ground Cooperation. Appl. Sci. 2022, 12, 3598. [Google Scholar] [CrossRef]
- Liu, H.; Tian, Y.; Lewis, F.L. Robust Trajectory Tracking in Satellite Time-Varying Formation Flying. IEEE Trans. Cybern. 2021, 51, 5752–5760. [Google Scholar]
- Hu, J.; Bhowmick, P.; Jang, I.; Arvin, F.; Lanzon, A. A Decentralized Cluster Formation Containment Framework for Multirobot Systems. IEEE Trans. Robot. 2021, 37, 1936–1955. [Google Scholar]
- Sharma, R.S.; Mondal, A.; Behera, L. Tracking Control of Mobile Robots in Formation in the Presence of Disturbances. IEEE Trans. Ind. Inform. 2021, 17, 110–123. [Google Scholar]
- Xu, P.; Tao, J.; Xu, M.; Xie, G. Practical Formation Control for Multiple Anonymous Robots System with Unknown Nonlinear Disturbances. Appl. Sci. 2021, 11, 9170. [Google Scholar]
- Li, J.; Zhang, Y.; Li, W. Formation Control of a Multi-Autonomous Underwater Vehicle Event-Triggered Mechanism Based on the Hungarian Algorithm. Machines 2021, 9, 346. [Google Scholar]
- Wei, H.; Shen, C.; Shi, Y. Distributed Lyapunov-Based Model Predictive Formation Tracking Control for Autonomous Underwater Vehicles Subject to Disturbances. IEEE Trans. Syst. Man Cybern. Syst. 2021, 51, 5198–5208. [Google Scholar] [CrossRef]
- Scharf, D.P.; Hadaegh, F.Y.; Ploen, S.R. A survey of spacecraft formation flying guidance and control. Part II: Control. In Proceedings of the 2004 American Control Conference, Boston, MA, USA, 30 June–2 July 2004; Volume 4, pp. 2976–2985. [Google Scholar]
- Beard, R.W.; Lawton, J.; Hadaegh, F.Y. A coordination architecture for spacecraft formation control. IEEE Trans. Control Syst. Technol. 2001, 9, 777–790. [Google Scholar] [CrossRef]
- Wang, P.K.C. Navigation strategies for multiple autonomous mobile robots moving in formation. J. Robot. Syst. 1991, 8, 177–195. [Google Scholar] [CrossRef]
- Balch, T.; Arkin, R.C. Behavior-based formation control for multirobot teams. IEEE Trans. Robot. Autom. 1998, 14, 926–939. [Google Scholar] [CrossRef]
- Lewis, M.A.; Tan, K.H. High Precision Formation Control of Mobile Robots Using Virtual Structures. Auton. Robot. 1997, 4, 387–403. [Google Scholar] [CrossRef]
- Oh, K.-K.; Park, M.-C.; Ahn, H.-S. A survey of multi-agent formation control. Automatica 2015, 53, 424–440. [Google Scholar] [CrossRef]
- Takahashi, H.; Nishi, H.; Ohnishi, K. Autonomous decentralized control for formation of multiple mobile robots considering ability of robot. IEEE Trans. Ind. Electron. 2004, 51, 1272–1279. [Google Scholar] [CrossRef]
- Saber, R.O.; Murray, R.M. Consensus problems in networks of agents with switching topology and time-delays. IEEE Trans. Autom. Control 2004, 49, 1520–1533. [Google Scholar] [CrossRef] [Green Version]
- Ren, W. Consensus strategies for cooperative control of vehicle formations. IET Control Theory Appl. 2007, 1, 505–512. [Google Scholar] [CrossRef]
- Ren, W.; Beard, R.W. Distributed Consensus in Multi-Vehicle Cooperative Control; Springer: London, UK, 2008; Volume 27. [Google Scholar]
- Ren, W.; Atkins, E. Distributed multi-vehicle coordinated control via local information exchange. Int. J. Robust Nonlinear Control 2007, 17, 1002–1033. [Google Scholar] [CrossRef]
- Dong, X.; Xi, J.; Lu, G.; Zhong, Y. Formation Control for High-Order Linear Time-Invariant Multiagent Systems With Time Delays. IEEE Trans. Control Netw. Syst. 2014, 1, 232–240. [Google Scholar] [CrossRef]
- Xu, G.-H.; Li, M.; Chen, J.; Lai, Q.; Zhao, X.-W. Formation Tracking Control for Multi-Agent Networks with Fixed Time Convergence via Terminal Sliding Mode Control Approach. Sensors 2021, 21, 1416. [Google Scholar] [CrossRef] [PubMed]
- Wang, Z.; Liu, T.; Jiang, Z.P. Cooperative Formation Control Under Switching Topology: An Experimental Case Study in Multirotors. IEEE Trans. Cybern. 2021, 51, 6141–6153. [Google Scholar] [CrossRef] [PubMed]
- Cai, Y.; Zhang, H.; Wang, Y.; Zhang, J.; He, Q. Fixed-time time-varying formation tracking for nonlinear multi-agent systems under event-triggered mechanism. Inf. Sci. 2021, 564, 45–70. [Google Scholar] [CrossRef]
- Dong, X.; Zhou, Y.; Ren, Z.; Zhong, Y. Time-Varying Formation Tracking for Second-Order Multi-Agent Systems Subjected to Switching Topologies With Application to Quadrotor Formation Flying. IEEE Trans. Ind. Electron. 2017, 64, 5014–5024. [Google Scholar] [CrossRef]
- Wang, J.; Han, L.; Dong, X.; Li, Q.; Ren, Z. Distributed sliding mode control for time-varying formation tracking of multi-UAV system with a dynamic leader. Aerosp. Sci. Technol. 2021, 111, 106549. [Google Scholar] [CrossRef]
- Hu, J.; Bhowmick, P.; Lanzon, A. Distributed Adaptive Time-Varying Group Formation Tracking for Multiagent Systems With Multiple Leaders on Directed Graphs. IEEE Trans. Control Netw. Syst. 2020, 7, 140–150. [Google Scholar] [CrossRef]
- Yu, J.; Dong, X.; Li, Q.; Ren, Z. Robust H∞ Guaranteed Cost Time-Varying Formation Tracking for High-Order Multiagent Systems With Time-Varying Delays. IEEE Trans. Syst. Man Cybern. Syst. 2020, 50, 1465–1475. [Google Scholar] [CrossRef]
- Liu, Y.; Jia, Y. Consensus problem of high-order multi-agent systems with external disturbances: An H∞ analysis approach. Int. J. Robust Nonlinear Control 2010, 20, 1579–1593. [Google Scholar] [CrossRef]
- Wang, X.; Yang, G.-H. Distributed H∞ consensus tracking control for multi-agent networks with switching directed topologies. Neurocomputing 2016, 207, 693–699. [Google Scholar]
- Zhang, D.; Xu, Z.; Karimi, H.R.; Wang, Q.; Yu, L. Distributed H∞ Output-Feedback Control for Consensus of Heterogeneous Linear Multiagent Systems With Aperiodic Sampled-Data Communications. IEEE Trans. Ind. Electron. 2018, 65, 4145–4155. [Google Scholar]
- Cheng, J.; Kang, Y.; Xin, B.; Zhang, Q.; Mao, K.; Zhou, S. Time-Varying Trajectory Tracking Formation H∞ Control for Multiagent Systems With Communication Delays and External Disturbances. IEEE Trans. Syst. Man Cybern. Syst. 2022, 52, 4311–4323. [Google Scholar]
- Liu, Y.; Jia, Y. H∞ consensus control for multi-agent systems with linear coupling dynamics and communication delays. Int. J. Syst. Sci. 2012, 43, 50–62. [Google Scholar] [CrossRef]
- Wang, J.; Duan, Z.; Zhao, Y.; Qin, G.; Yan, Y. H∞ and H2 control of multi-agent systems with transient performance improvement. Int. J. Control 2013, 86, 2131–2145. [Google Scholar] [CrossRef]
- Xu, J.; Zhang, G.; Zeng, J.; Xi, J.; Du, B. Robust guaranteed cost consensus for high-order discrete-time multi-agent systems with parameter uncertainties and time-varying delays. IET Control Theory Appl. 2017, 11, 647–667. [Google Scholar] [CrossRef]
- Wang, Z.; Xi, J.; Yao, Z.; Liu, G. Guaranteed cost consensus for multi-agent systems with switching topologies. Int. J. Robust Nonlinear Control 2015, 25, 3099–3112. [Google Scholar] [CrossRef]
- Wang, Z.; He, M.; Zheng, T.; Fan, Z.; Liu, G. Guaranteed cost consensus for high-dimensional multi-agent systems with time-varying delays. IEEE/CAA J. Autom. Sin. 2018, 5, 181–189. [Google Scholar] [CrossRef]
- Yao, D.; Li, H.; Lu, R.; Shi, Y. Event-Triggered Guaranteed Cost Leader-Following Consensus Control of Second-Order Nonlinear Multiagent Systems. IEEE Trans. Syst. Man Cybern. Syst. 2022, 52, 2615–2624. [Google Scholar] [CrossRef]
- Wang, J.; Duan, Z.; Li, Z.; Wen, G. Distributed H∞ and H2 consensus control in directed networks. IET Control Theory Appl. 2014, 8, 193–201. [Google Scholar] [CrossRef]
- Li, Z.; Duan, Z.; Chen, G. On H∞ and H2 performance regions of multi-agent systems. Automatica 2011, 47, 797–803. [Google Scholar] [CrossRef]
- Dong, X.; Hu, G. Time-Varying Formation Tracking for Linear Multiagent Systems With Multiple Leaders. IEEE Trans. Autom. Control 2017, 62, 3658–3664. [Google Scholar] [CrossRef]
- Hua, Y.; Dong, X.; Li, Q.; Ren, Z. Distributed Time-Varying Formation Robust Tracking for General Linear Multiagent Systems With Parameter Uncertainties and External Disturbances. IEEE Trans. Cybern. 2017, 47, 1959–1969. [Google Scholar] [CrossRef]
- Zhang, H.; Lewis, F.L.; Qu, Z. Lyapunov, Adaptive, and Optimal Design Techniques for Cooperative Systems on Directed Communication Graphs. IEEE Trans. Ind. Electron. 2012, 59, 3026–3041. [Google Scholar] [CrossRef]
- Horn, R.A.; Johnson, C.R. Matrix Analysis; Cambridge University Press: New York, NY, USA, 2012. [Google Scholar]
- Meng, Z.; Ren, W.; You, Z. Distributed finite-time attitude containment control for multiple rigid bodies. Automatica 2010, 46, 2092–2099. [Google Scholar] [CrossRef]








| Approaches | Contents |
|---|---|
| Literature [31] | The time-varying formation and trajectory tracking problem with communication delays and external disturbances was studied. The directed communication topology of the system comprises a spanning tree. It considered the influences of communication delays and external disturbances but did not involve time-varying formation tracking. |
| Literature [38,39] | The and consensus problems with directed communication graphs are investigated. The and consensus problems can be a special case of time-varying formation tracking problems. The communication topology was strongly connected, which is more relaxed than the generally directed communication topology of the current work. |
| Literature [41] | The time-varying formation robust tracking problems for high-order linear multiagent systems with a leader of unknown control input in the presence of heterogeneous parameter uncertainties and external disturbances were studied. The communication topology among followers was undirected which needed more constraints. |
| Literature [24,40] | The time-varying formation tracking problems are addressed without external disturbances. The formation tracking cannot be accomplished by followers due to external disturbances. |
| Current work | The and time-varying formation tracking problems for multi-agent systems with directed topologies in the presence of external disturbances are investigated. The communication topology of the system is generally directed which is more relaxed for application. The algorithms for determining the parameters of the designed protocol are more straightforward and simplify the analysis. |
Publisher’s Note: MDPI stays neutral with regard to jurisdictional claims in published maps and institutional affiliations. |
© 2022 by the authors. Licensee MDPI, Basel, Switzerland. This article is an open access article distributed under the terms and conditions of the Creative Commons Attribution (CC BY) license (https://creativecommons.org/licenses/by/4.0/).
Share and Cite
Chen, L.; Bi, S.; Cheng, J.; Cai, Y.; Mei, F. Distributed H∞ and H2 Time-Varying Formation Tracking Control for Linear Multi-Agent Systems with Directed Topologies. Mathematics 2022, 10, 3246. https://doi.org/10.3390/math10183246
Chen L, Bi S, Cheng J, Cai Y, Mei F. Distributed H∞ and H2 Time-Varying Formation Tracking Control for Linear Multi-Agent Systems with Directed Topologies. Mathematics. 2022; 10(18):3246. https://doi.org/10.3390/math10183246
Chicago/Turabian StyleChen, Lin, Shusheng Bi, Jun Cheng, Yueri Cai, and Fanghua Mei. 2022. "Distributed H∞ and H2 Time-Varying Formation Tracking Control for Linear Multi-Agent Systems with Directed Topologies" Mathematics 10, no. 18: 3246. https://doi.org/10.3390/math10183246
APA StyleChen, L., Bi, S., Cheng, J., Cai, Y., & Mei, F. (2022). Distributed H∞ and H2 Time-Varying Formation Tracking Control for Linear Multi-Agent Systems with Directed Topologies. Mathematics, 10(18), 3246. https://doi.org/10.3390/math10183246

