On the Forced Vibration of Bending-Torsional-Warping Coupled Thin-Walled Beams Carrying Arbitrary Number of 3-DoF Spring-Damper-Mass Subsystems
Abstract
:1. Introduction
2. Derivation of the Frequency Response Function
2.1. Dynamic Condensation of the Three-DOF SDM Subsystems
2.2. The Frequency Response Function for the Thin-Walled Beam System
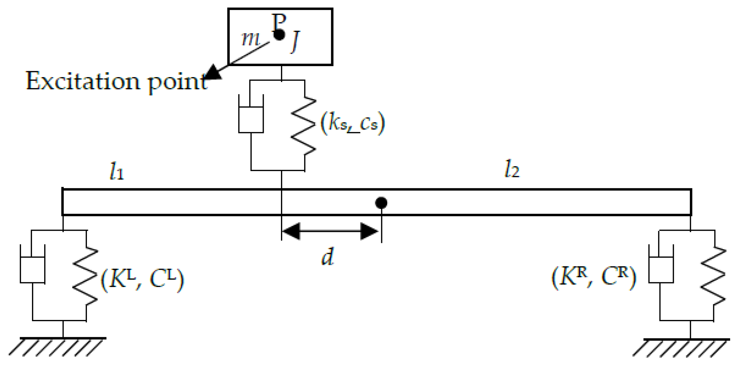
2.2.1. Force Excitation at the Ends
2.2.2. Force Excitation at an Arbitrary Position of the Thin-Walled Beam
2.2.3. Force Excitation at the Subsystem
3. Validation of the Proposed Method
4. Parameter Study and Discussion
4.1. Effect of Subsystem Parameters on Vibration Transmission of the Thin-Walled Beam
4.2. Effect of Parameters on the Vibration Isolation Characteristic of the Thin-Walled Beams Systems
5. Conclusions
Author Contributions
Funding
Conflicts of Interest
Appendix A
Appendix B
Appendix C. The Derivations of BL and BR
Appendix D. The Expressions of the Derivative Matrices Tw, Tψ and Tv
Appendix E
References
- Narayanan, S.; Mallik, A.K. Free vibration of thin walled open section beams with constrained damping treatment. J. Sound Vib. 1981, 74, 429–439. [Google Scholar] [CrossRef]
- Bank, L.C.; Kao, C.H. Dynamic response of thin-walled composite material Timoshenko beams. J. Energy Resour. Technol. 1990, 112, 149–154. [Google Scholar] [CrossRef]
- Rao, S.S.; Jin, H. Analysis of coupled bending-torsional vibration of beams in the presence of uncertainties. J. Vib. Acoust. 2014, 136, 051004. [Google Scholar] [CrossRef]
- Li, J.; Shen, R.; Hua, H.; Jin, X. Coupled bending and torsional vibration of axially loaded thin-walled Timoshenko beams. Int. J. Mech. Sci. 2004, 46, 299–320. [Google Scholar] [CrossRef]
- Jun, L.; Rongying, S.; Hongxing, H.; Xianding, J. Coupled bending and torsional vibration of axially loaded Bernoulli–Euler beams including warping effects. Appl. Acoust. 2004, 65, 153–170. [Google Scholar] [CrossRef]
- Li, J.; Hua, H.; Shen, R.; Jin, X. Stochastic vibration of axially loaded monosymmetric Timoshenko thin-walled beam. J. Sound Vib. 2004, 274, 915–938. [Google Scholar] [CrossRef]
- Lezgy-Nazargah, M.; Vidal, P.; Polit, O. A quasi-3D finite element model for the analysis of thin-walled beams under axial–flexural–torsional loads. Thin-Walled Struct. 2021, 164, 107811. [Google Scholar] [CrossRef]
- Jrad, W.; Mohri, F.; Robin, G.; Daya, E.M.; Al-Hajjar, J. Analytical and finite element solutions of free and forced vibration of unrestrained and braced thin-walled beams. J. Vib. Control 2020, 26, 255–276. [Google Scholar] [CrossRef]
- Chen, H.H.; Hsiao, K.M. Coupled axial-torsional vibration of thin-walled Z-section beam induced by boundary conditions. Thin-Walled Struct. 2007, 45, 573–583. [Google Scholar] [CrossRef]
- Prokić, A. On triply coupled vibrations of thin-walled beams with arbitrary cross-section. J. Sound Vib. 2005, 279, 723–737. [Google Scholar] [CrossRef]
- Prokić, A. On fivefold coupled vibrations of Timoshenko thin-walled beams. Eng. Struct. 2006, 28, 54–62. [Google Scholar] [CrossRef]
- Chen, H.H.; Hsiao, K.M. Quadruply coupled linear free vibrations of thin-walled beams with a generic open section. Eng. Struct. 2008, 30, 1319–1334. [Google Scholar] [CrossRef]
- Kim, N.I.; Seo, K.J.; Kim, M.Y. Free vibration and spatial stability of non-symmetric thin-walled curved beams with variable curvatures. Int. J. Solids Struct. 2003, 40, 3107–3128. [Google Scholar] [CrossRef]
- Kim, N.I.; Kim, M.Y. Spatial free vibration of shear deformable circular curved beams with non-symmetric thin-walled sections. J. Sound Vib. 2004, 276, 245–271. [Google Scholar] [CrossRef]
- Xu, X.; Carrera, E.; Augello, R.; Daneshkhah, E.; Yang, H. Benchmarks for higher-order modes evaluation in the free vibration response of open thin-walled beams due to the cross-sectional deformations. Thin-Walled Struct. 2021, 166, 107965. [Google Scholar] [CrossRef]
- Wu, J.S.; Chou, H.M. Free vibration analysis of a cantilever beam carrying any number of elastically mounted point masses with the analytical-and-numerical-combined method. J. Sound Vib. 1998, 213, 317–332. [Google Scholar] [CrossRef]
- Wu, J.S.; Chang, B.H. Free vibration of axial-loaded multi-step Timoshenko beam carrying arbitrary concentrated elements using continuous-mass transfer matrix method. Eur. J. Mech. A/Solids 2013, 38, 20–37. [Google Scholar] [CrossRef]
- Liu, X.; Sun, C.; Banerjee, J.R.; Dan, H.C.; Chang, L. An exact dynamic stiffness method for multibody systems consisting of beams and rigid-bodies. Mech. Syst. Signal Processing 2021, 150, 107264. [Google Scholar] [CrossRef]
- Bambill, D.V.; Rossit, C.A. Forced vibrations of a beam elastically restrained against rotation and carrying a spring–mass system. Ocean Eng. 2002, 29, 605–626. [Google Scholar] [CrossRef]
- Lin, H.Y.; Tsai, Y.C. Free vibration analysis of a uniform multi-span beam carrying multiple spring–mass systems. J. Sound Vib. 2007, 302, 442–456. [Google Scholar] [CrossRef]
- Wu, J.S.; Hsu, T.F. Free vibration analyses of simply supported beams carrying multiple point masses and spring-mass systems with mass of each helical spring considered. Int. J. Mech. Sci. 2007, 49, 834–852. [Google Scholar] [CrossRef]
- Yesilce, Y.; Demirdag, O. Effect of axial force on free vibration of Timoshenko multi-span beam carrying multiple spring-mass systems. Int. J. Mech. Sci. 2008, 50, 995–1003. [Google Scholar] [CrossRef]
- Banerjee, J.R. Free vibration of beams carrying spring-mass systems− A dynamic stiffness approach. Comput. Struct. 2012, 104, 21–26. [Google Scholar] [CrossRef]
- Wu, J.J. Free vibration analysis of beams carrying a number of two-degree-of-freedom spring-damper-mass systems. Finite Elem. Anal. Des. 2004, 40, 363–381. [Google Scholar] [CrossRef]
- Wu, J.J. Use of equivalent-damper method for free vibration analysis of a beam carrying multiple two degree-of-freedom spring–damper–mass systems. J. Sound Vib. 2005, 281, 275–293. [Google Scholar] [CrossRef]
- Wu, J.J. Use of effective stiffness matrix for the free vibration analyses of a non-uniform cantilever beam carrying multiple two degree-of-freedom spring–damper–mass systems. Comput. Struct. 2003, 81, 2319–2330. [Google Scholar] [CrossRef]
- El-Sayed, T.A.; El-Mongy, H.H. Application of variational iteration method to free vibration analysis of a tapered beam mounted on two-degree of freedom subsystems. Appl. Math. Model. 2018, 58, 349–364. [Google Scholar] [CrossRef]
- Mei, C. A Wave-Based Analytical Solution to Free Vibrations in a Combined Euler–Bernoulli Beam/Frame and a Two-Degree-of-Freedom Spring–Mass System. J. Vib. Acoust. 2018, 140, 061001. [Google Scholar] [CrossRef]
- Chen, G.; Zeng, X.; Liu, X.; Rui, X. Transfer matrix method for the free and forced vibration analyses of multi-step Timoshenko beams coupled with rigid bodies on springs. Appl. Math. Model. 2020, 87, 152–170. [Google Scholar] [CrossRef]
- Wu, J.S.; Chen, D.W. Dynamic analysis of a uniform cantilever beam carrying a number of elastically mounted point masses with dampers. J. Sound Vib. 2000, 229, 549–578. [Google Scholar] [CrossRef]
- Muscolino, G.; Benfratello, S.; Sidoti, A. Dynamics analysis of distributed parameter system subjected to a moving oscillator with random mass, velocity and acceleration. Probabilistic Eng. Mech. 2002, 17, 63–72. [Google Scholar] [CrossRef]
- Barry, O.; Oguamanam, D.C.D.; Zu, J.W. On the dynamic analysis of a beam carrying multiple mass-spring-mass-damper system. Shock Vib. 2014, 2014, 485630. [Google Scholar] [CrossRef]
- Bukhari, M.A.; Barry, O.R. Nonlinear Vibrations Analysis of Overhead Power Lines: A Beam With Mass–Spring–Damper–Mass Systems. J. Vib. Acoust. 2018, 140, 031004. [Google Scholar] [CrossRef]
- Gupta, S.K.; Malla, A.L.; Barry, O.R. Nonlinear vibration analysis of vortex-induced vibrations in overhead power lines with nonlinear vibration absorbers. Nonlinear Dyn. 2021, 103, 27–47. [Google Scholar] [CrossRef]
- Aasi, A.; Aghaei, S.M.; Panchapakesan, B. Experimental Investigation of Natural Frequency and Forced Vibration of Euler-Bernoulli Beam under Displacement of Concentrated Mass and Load. Int. J. Aerosp. Mech. Eng. 2022, 16, 103–107. [Google Scholar]
- Chen, J.; Dong, D.; Yan, B.; Hua, C. An Analytical Study on Forced Vibration of Beams Carrying a Number of Two Degrees-of-Freedom Spring–Damper–Mass Subsystems. J. Vib. Acoust. 2016, 138, 061011. [Google Scholar] [CrossRef]
- Mei, C. Free and Forced Wave Vibration Analysis of a Timoshenko Beam/Frame Carrying a Two Degrees-of-Freedom Spring-Mass System. J. Vib. Acoust. 2021, 143, 061008. [Google Scholar] [CrossRef]
- Oguamanam, D.C.D. Free vibration of beams with finite mass rigid tip load and flexural–torsional coupling. Int. J. Mech. Sci. 2003, 45, 963–979. [Google Scholar] [CrossRef]
- Gökdağ, H.; Kopmaz, O. Coupled bending and torsional vibration of a beam with in-span and tip attachments. J. Sound Vib. 2005, 287, 591–610. [Google Scholar] [CrossRef]
- Wang, Q.; Wang, Z.; Fan, B. Coupled bending and torsional vibration characteristics analysis of inhomogeneous wind turbine tower with variable cross section under elastic constraint. Appl. Math. Model. 2021, 93, 188–205. [Google Scholar] [CrossRef]
- Wu, J.; Titurus, B. Damping augmentation of a rotating beam-tendon system via internally placed spring-damper elements. J. Sound Vib. 2021, 510, 116315. [Google Scholar] [CrossRef]
- Hoffmeyer, D.; Høgsberg, J. Calibration and balancing of multiple tuned mass absorbers for damping of coupled bending-torsion beam vibrations. J. Vib. Acoust. 2020, 142, 044501. [Google Scholar] [CrossRef]
- Burlon, A.; Failla, G.; Arena, F. Coupled bending–torsional frequency response of beams with attachments: Exact solutions including warping effects. Acta Mech. 2018, 229, 2445–2475. [Google Scholar] [CrossRef]
- Burlon, A.; Failla, G.; Arena, F. Coupled bending and torsional free vibrations of beams with in-span supports and attached masses. Eur. J. Mech. A/Solids 2017, 66, 387–411. [Google Scholar] [CrossRef]
- Burlon, A.; Failla, G.; Arena, F. Exact stochastic analysis of coupled bending-torsion beams with in-span supports and masses. Probabilistic Eng. Mech. 2018, 54, 53–64. [Google Scholar] [CrossRef]
- Burlon, A.; Failla, G.; Arena, F. Exact frequency response of two-node coupled bending-torsional beam element with attachments. Appl. Math. Model. 2018, 63, 508–537. [Google Scholar] [CrossRef]
- Burlon, A.; Failla, G. Flexural wave propagation in locally-resonant beams with uncoupled/coupled bending-torsion beam-like resonators. Int. J. Mech. Sci. 2022, 215, 106925. [Google Scholar] [CrossRef]
- Zhou, J.; Wen, S.; Li, F.; Zhu, Y. Coupled bending and torsional vibrations of non-uniform thin-walled beams by the transfer differential transform method and experiments. Thin-Walled Struct. 2018, 127, 373–388. [Google Scholar] [CrossRef]
- Zhong, H.; Liu, Z.; Qin, H.; Liu, Y. Static analysis of thin-walled space frame structures with arbitrary closed cross-sections using transfer matrix method. Thin-Walled Struct. 2018, 123, 255–269. [Google Scholar] [CrossRef]




FR at P1 with the presented method, ○ FR at P1 with FEM,
FR at P2 with the presented method, ○ FR at P2 with FEM,
FR at P4 with the presented method, ○ FR at P4 with FEM,
FR at P5 with the presented method, and ○ FR at P5 with FEM). (a) Force is applied at P1; (b) Force is applied at P2; (c) Force is applied at P3.
FR at P1 with the presented method, ○ FR at P1 with FEM,
FR at P2 with the presented method, ○ FR at P2 with FEM,
FR at P4 with the presented method, ○ FR at P4 with FEM,
FR at P5 with the presented method, and ○ FR at P5 with FEM). (a) Force is applied at P1; (b) Force is applied at P2; (c) Force is applied at P3.
FR at P1,
FR at P2,
FR at P4,
FR at P5).
FR at P1,
FR at P2,
FR at P4,
FR at P5).
W (with symmetrical systems),
W (with asymmetrical systems),
Ψ (with symmetrical systems)
Ψ (with asymmetrical systems)
V (with symmetrical systems),
V (with asymmetrical systems)). (a) Force is applied in W direction; (b) Force is applied in Ψ direction; (c) Force is applied in V direction.
W (with symmetrical systems),
W (with asymmetrical systems),
Ψ (with symmetrical systems)
Ψ (with asymmetrical systems)
V (with symmetrical systems),
V (with asymmetrical systems)). (a) Force is applied in W direction; (b) Force is applied in Ψ direction; (c) Force is applied in V direction.
ksi = 3333.33/2 kN/m,
ksi = 3333.33 kN/m,
ksi = 3333.33 × 2 kN/m,
ksi =3333.33 × 4 kN/m).
ksi = 3333.33/2 kN/m,
ksi = 3333.33 kN/m,
ksi = 3333.33 × 2 kN/m,
ksi =3333.33 × 4 kN/m).
csi = 66.67/2 N∙s/m,
csi =66.67 N∙s/m,
csi =66.67 × 2 N∙s/m,
csi = 66.67 × 4 N∙s/m).
csi = 66.67/2 N∙s/m,
csi =66.67 N∙s/m,
csi =66.67 × 2 N∙s/m,
csi = 66.67 × 4 N∙s/m).
mi = 266.67/2 kg,
mi = 266.67 kg,
mi = 266.67 × 2 kg,
mi = 266.67 × 4 kg).
mi = 266.67/2 kg,
mi = 266.67 kg,
mi = 266.67 × 2 kg,
mi = 266.67 × 4 kg).
Ji = 53.33/2 kg∙m2,
Ji = 53.33 kg∙m2,
Ji = 53.33 × 2 kg∙m2,
Ji = 53.33 × 4 kg∙m2).
Ji = 53.33/2 kg∙m2,
Ji = 53.33 kg∙m2,
Ji = 53.33 × 2 kg∙m2,
Ji = 53.33 × 4 kg∙m2).

ks = 40,000/100 kN/m,
ks = 40,000/10 kN/m,
ks = 40,000 kN/m,
ks = 40,000 × 10 kN/m).
ks = 40,000/100 kN/m,
ks = 40,000/10 kN/m,
ks = 40,000 kN/m,
ks = 40,000 × 10 kN/m).
cs = 100/10 N∙s/m,
cs = 100 N∙s/m kN/m,
cs = 100 × 10 N∙s/m,
ks = 100 × 100 N∙s/m).
cs = 100/10 N∙s/m,
cs = 100 N∙s/m kN/m,
cs = 100 × 10 N∙s/m,
ks = 100 × 100 N∙s/m).
d = 0 m,
d = 0.3 m,
d = 0.6 m,
d = 0.9 m).
d = 0 m,
d = 0.3 m,
d = 0.6 m,
d = 0.9 m).
K/100,
K/10,
K,
K×10, K = (Ky, Kz, KT)).
K/100,
K/10,
K,
K×10, K = (Ky, Kz, KT)).
C/10,
C,
C × 10,
C × 100, C= (Cy, Cz, CT)).
C/10,
C,
C × 10,
C × 100, C= (Cy, Cz, CT)).
Publisher’s Note: MDPI stays neutral with regard to jurisdictional claims in published maps and institutional affiliations. |
© 2022 by the authors. Licensee MDPI, Basel, Switzerland. This article is an open access article distributed under the terms and conditions of the Creative Commons Attribution (CC BY) license (https://creativecommons.org/licenses/by/4.0/).
Share and Cite
Chen, J.; Liu, X. On the Forced Vibration of Bending-Torsional-Warping Coupled Thin-Walled Beams Carrying Arbitrary Number of 3-DoF Spring-Damper-Mass Subsystems. Mathematics 2022, 10, 2849. https://doi.org/10.3390/math10162849
Chen J, Liu X. On the Forced Vibration of Bending-Torsional-Warping Coupled Thin-Walled Beams Carrying Arbitrary Number of 3-DoF Spring-Damper-Mass Subsystems. Mathematics. 2022; 10(16):2849. https://doi.org/10.3390/math10162849
Chicago/Turabian StyleChen, Jun, and Xiang Liu. 2022. "On the Forced Vibration of Bending-Torsional-Warping Coupled Thin-Walled Beams Carrying Arbitrary Number of 3-DoF Spring-Damper-Mass Subsystems" Mathematics 10, no. 16: 2849. https://doi.org/10.3390/math10162849
APA StyleChen, J., & Liu, X. (2022). On the Forced Vibration of Bending-Torsional-Warping Coupled Thin-Walled Beams Carrying Arbitrary Number of 3-DoF Spring-Damper-Mass Subsystems. Mathematics, 10(16), 2849. https://doi.org/10.3390/math10162849

