Fast and Efficient Sensitivity Aware Multi-Objective Optimization of Analog Circuits
Abstract
1. Introduction
2. Particle Swarm Optimization Technique
3. Proposed Multi-Objective Optimization Approach
- Case #0: It is a direct generation of the Pareto front, using MOPSO-CD. This case serves as a reference for the computing time.
- Case #1: It consists of generating the Pareto front then eliminating solutions presenting sensitivity values higher than the predefined threshold. This case serves as a reference for the number of (remaining) valid solutions forming the Pareto front.
- Case #2: This case considers sensitivity as a constraint (penalty technique is applied).
- Case #3: It involves executing the algorithm ignoring sensitivity for the half of the total number of iterations, then, each iteration choosing gb as the lowest sensitive particle found so far.
- Case #4: Here we consider a linear decrease of the sensitivity threshold, starting from 1 down to the predefined acceptable one. At each iteration, the global first found particle offering a sensitivity value lower than the ‘dynamic’ threshold, is taken as gb. Figure 3 shows the flowchart of this case #4.
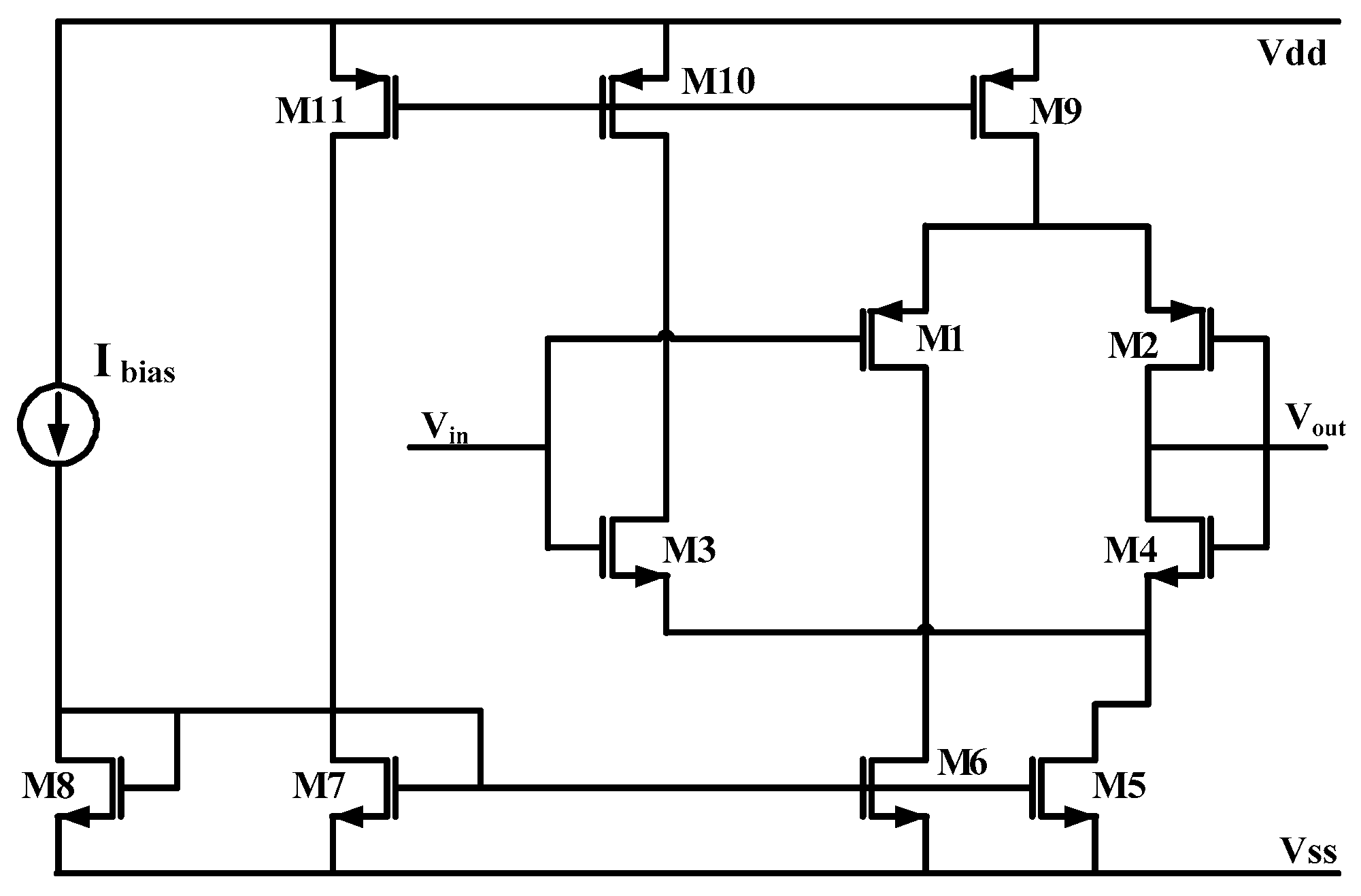
4. Application to Analog Circuit Optimization
5. Discussion
6. Conclusions
Author Contributions
Funding
Conflicts of Interest
References
- Fakhfakh, M.; Tlelo-Cuautle, E.; Siarry, P. Computational Intelligence in Analog and Mixed-Signal (AMS) and Radio-Frequency (RF) Circuit Design; Springer: Basel, Switzerland, 2015. [Google Scholar]
- Fakhfakh, M.; Tlelo-Cuautle, E.; Siarry, P. Computational Intelligence in Digital and Network Designs and Applications; Springer: Basel, Switzerland, 2015. [Google Scholar]
- Barros, M.F.; Guilherme, J.; Horta, N. Analog Circuits and Systems Optimization Based on Evolutionary Computation Techniques; Springer: Berlin, Germany, 2010. [Google Scholar]
- Fakhfakh, M.; Tlelo-Cuautle, E.; Fino, M.H. Performance Optimization Techniques in Analog, Mixed-Signal, and Radio-Frequency Circuit Design; IGI-Global: Pennsylvania, PA, USA, 2014. [Google Scholar]
- Deb, K. Multi-Objective Optimization Using Evolutionary Algorithms; John Wiley & Sons: Chichester, UK, 2001. [Google Scholar]
- Roca, E.; Fakhfakh, M.; Castro-López, R.; Fernández, F.V. Applications of evolutionary computation techniques to analog, mixed-signal and RF circuit design–an overview. In Proceedings of the IEEE International Conference on Electronics, Circuits, and Systems, Hammamet, Tunisia, 13–16 December 2009; pp. 251–254. [Google Scholar]
- Liu, B.; Gielen, G.; Fernández, F.V. Fundamentals of optimization techniques in analog IC sizing. In Automated design of analog and high-frequency circuits; Liu, B., Gielen, G., Fernández, F.V., Eds.; Springer: Berlin, Germany, 2014; pp. 19–40. [Google Scholar]
- Padilla, F.; Torres, A.; Ponce, J.; Torres, M.D.; Ratté, S.; Ponce-de-León, E. Evolvable metaheuristics on circuit design. In Advances in Analog Circuits; Tlelo-Cuautle, E., Ed.; InTech: New Delhi, India, 2011; pp. 347–368. [Google Scholar]
- Sallem, A.; Benhala, B.; Kotti, M.; Fakhfakh, M. Application of swarm intelligence techniques to the design of analog circuits: Evaluation and comparison. Analog Integr. Circuits Signal Process. 2013, 75, 499–516. [Google Scholar] [CrossRef]
- Fatima, A.; Javaid, N.; Anjum Butt, A.; Sultana, T.; Hussain, W.; Bilal, M.; ur Rehman Hashmi, M.A.; Akbar, M.; Ilahi, M. An enhanced multi-objective gray wolf optimization for virtual machine placement in cloud data centers. Electronics 2019, 8, 218. [Google Scholar] [CrossRef]
- Kotti, M.; Sallem, A.; Bougharriou, M.; Fakhfakh, M.; Loulou, M. Optimizing CMOS LNA circuits through multiobjective meta heuristics. In Proceedings of the International Workshop on Symbolic and Numerical Methods, Modeling and Applications to Circuit Design, Gammarth, Tunisia, 4–6 October 2010. [Google Scholar]
- Sallem, A.; Pereira, P.; Fakhfakh, M.; Fino, H. A multi-objective simulation based tool: Application to the design of high performance LC-VCOs. In Technological Innovation for the Internet of Things; Camarinha-Matos, L.M., Tomic, S., Graça, P., Eds.; Springer: Berlin, Germany, 2013; pp. 453–462. [Google Scholar]
- Fakhfakh, M.; Cooren, Y.; Sallem, A.; Loulou, M.; Siarry, P. Analog circuit design optimization through the particle swarm optimization technique. Analog Integr. Circuits Signal Process. 2009, 63, 71–82. [Google Scholar] [CrossRef]
- Kotti, M.; González-Echevarría, R.; Fernandez, F.V.; Roca, E.; Sieiro, J.; Castro-López, R.; Fakhfakh, M.; Lopez Villegas, J.M. Generation of surrogate models of pareto-optimal performance trade-offs of planar inductors. Analog Integr. Circuits Signal Process. 2014, 78, 87–97. [Google Scholar] [CrossRef]
- Bellaaj Kchaou, O.; Garbaya, A.; Kotti, M.; Pereira, P.; Fakhfakh, M.; Fino, M.H. Sensitivity aware NSGA-II based pareto front generation for the optimal sizing of analog circuits. Integr. VLSI J. 2016, 55, 220–226. [Google Scholar] [CrossRef]
- Tlelo-Cuautle, E.; Chavez, S. Graph-based symbolic technique for improving sensitivity analysis in analog integrated circuits. IEEE Lat. Am. T. 2014, 12, 871–876. [Google Scholar] [CrossRef]
- Sallem, A.; Pereira, P.; Helena Fino, M.; Fakhfakh, M. A hybrid approach for the sensitivity analysis of integrated inductors. Integr. VLSI J. 2016, 52, 237–242. [Google Scholar] [CrossRef]
- Guerra-Gomez, I.; Tlelo-Cuautle, E.; de la Fraga, L.G. Sensitivity analysis in the optimal sizing of analog circuits by evolutionary algorithms. In Proceedings of the International Conference on Electrical Engineering Computing Science and Automatic Control, Tuxtla Gutierrez, Mexico, 8–10 September 2010; pp. 381–385. [Google Scholar]
- Guerra-Gómez, I.; Tlelo-Cuautle, E.; de la Fraga, L.G. Richardson extrapolation-based sensitivity analysis in the multi-objective optimization of analog circuits. Appl. Math. Comput. 2013, 222, 167–176. [Google Scholar] [CrossRef]
- Bellaaj Kchaou, O.; Sallem, A.; Pereira, P.; Fakhfakh, M.; Fino, M.H. Multi-objective sensitivity-based optimization of analog circuits exploiting NSGA-II front ranking. In Proceedings of the International Conference on Synthesis, Modeling, Analysis and Simulation Methods and Applications to Circuit Design, Istanbul, Turkey, 7–9 September 2015. [Google Scholar]
- Brownlee, J. Clever Algorithms: Nature-Inspired Programming Recipes; LuLu: Raleigh, NC, USA, 2011. [Google Scholar]
- Glover, F. Tabu search-part 1. ORSA J. Comput. 1989, 1, 190–206. [Google Scholar] [CrossRef]
- Goldberg, D.E.; Richardson, J. Genetic algorithms with sharing for multimodal function optimization, Genetic algorithms and their applications. In Proceedings of the International Conference on Genetic Algorithms; Lawrence Erlbaum Associates Inc.: Hillsdale, NJ, USA, 1987. [Google Scholar]
- Geem, Z.W. Harmony Search Algorithms for Structural Design Optimization; Springer: Berlin, Germany, 2009. [Google Scholar]
- Cooper, G.F.; Herskovits, E. A Bayesian method for the induction of probabilistic networks from data. Mach. Learn. 1992, 9, 309–347. [Google Scholar] [CrossRef]
- Kennedy, J.; Eberhart, R.C. Particle swarm optimization. In Proceedings of the IEEE International Conference on Neuronal networks, Perth, WA, Australia, 27 November–1 December 1995; pp. 1942–1948. [Google Scholar]
- Greensmith, J. The Dendritic Cell Algorithm. Ph.D. Thesis, School of Computer Science, University of Nottingham, Nottingham, UK, 2007. [Google Scholar]
- Popovici, N.; Boncut, M. On the hopfield algorithm. foundations and examples. G. Math. 2005, 2, 35–50. [Google Scholar]
- Raquel, C.R.; Naval, P.C., Jr. An effective use of crowding distance in multiobjective particle swarm optimization. In Proceedings of the Genetic and Evolutionary Computation Conference, Washington, DC, USA, 25–29 June 2005; pp. 257–264. [Google Scholar]
- Ben Salem, S.; Fakhfakh, M.; Sellami Masmoudi, D.; Loulou, M.; Loumeau, P.; Masmoudi, N. A high performances CMOS CCII and high frequency applications. Analog Integr. Circuits Signal Process. 2006, 49, 71–78. [Google Scholar] [CrossRef]
- Sequin, F.; Fabre, A. New second generation current conveyor with reduced parasitic resistance and bandpass filter application. IEEE Trans. Circuits Syst. I: Fundam. Theory Appl. 2001, 48, 781–785. [Google Scholar] [CrossRef]









| The Proposed Approach | [15] | ||||||
|---|---|---|---|---|---|---|---|
| Case #0 | Case #1 | Case #2 | Case #3 | Case #4 | Case #4 | ||
| VF | Nb-PF | 50 | 0 | 50 | 50 | 50 | 50 |
| Compt- time | 1h07’ | 1h10’ | 10h05’ | 5h50’ | 1h21’ | 9h49’ | |
| CCII | Nb- PF | 50 | 1 | 50 | 50 | 50 | 50 |
| Compt- time | 1h18’ | 1h07’ | 9h24’ | 5h34’ | 1h18’ | 10h02’ | |
© 2019 by the authors. Licensee MDPI, Basel, Switzerland. This article is an open access article distributed under the terms and conditions of the Creative Commons Attribution (CC BY) license (http://creativecommons.org/licenses/by/4.0/).
Share and Cite
Garbaya, A.; Kotti, M.; Bellaaj Kchaou, O.; Fakhfakh, M.; Guillen-Fernandez, O.; Tlelo-Cuautle, E. Fast and Efficient Sensitivity Aware Multi-Objective Optimization of Analog Circuits. Technologies 2019, 7, 40. https://doi.org/10.3390/technologies7020040
Garbaya A, Kotti M, Bellaaj Kchaou O, Fakhfakh M, Guillen-Fernandez O, Tlelo-Cuautle E. Fast and Efficient Sensitivity Aware Multi-Objective Optimization of Analog Circuits. Technologies. 2019; 7(2):40. https://doi.org/10.3390/technologies7020040
Chicago/Turabian StyleGarbaya, Amel, Mouna Kotti, Omaya Bellaaj Kchaou, Mourad Fakhfakh, Omar Guillen-Fernandez, and Esteban Tlelo-Cuautle. 2019. "Fast and Efficient Sensitivity Aware Multi-Objective Optimization of Analog Circuits" Technologies 7, no. 2: 40. https://doi.org/10.3390/technologies7020040
APA StyleGarbaya, A., Kotti, M., Bellaaj Kchaou, O., Fakhfakh, M., Guillen-Fernandez, O., & Tlelo-Cuautle, E. (2019). Fast and Efficient Sensitivity Aware Multi-Objective Optimization of Analog Circuits. Technologies, 7(2), 40. https://doi.org/10.3390/technologies7020040

