A Field-Programmable Gate Array-Based Quasi-Cyclic Low-Density Parity-Check Decoder with High Throughput and Excellent Decoding Performance for 5G New-Radio Standards
Abstract
1. Introduction
2. LDPC Specifications in 5G-NR
3. Proposed LDPC Architecture
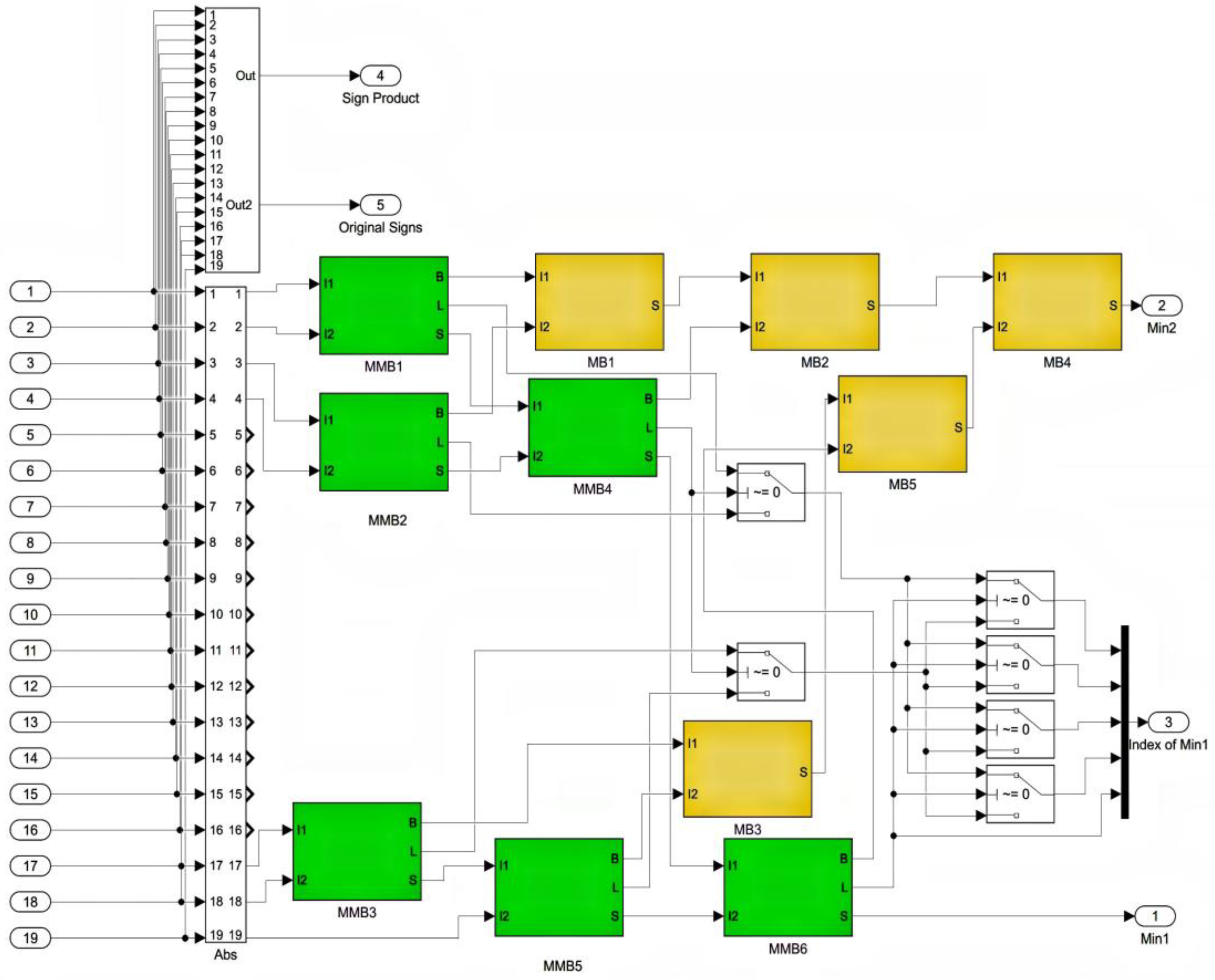
3.1. Block Diagram
3.2. Co-Design of the Proposed Architecture
4. Results
5. Discussion
6. Conclusions
Author Contributions
Funding
Institutional Review Board Statement
Informed Consent Statement
Data Availability Statement
Acknowledgments
Conflicts of Interest
Abbreviations
| QC-LDPC | Quasi-Cyclic Low-Density Parity-Check. |
| NR | New-Radio. |
| MS | Min-Sum. |
| eMBB | enhanced Mobile BroadBand. |
| SOLL | Sub-Optimal Low-Latency. |
| URLLC | Ultra-Reliable Low-Latency Communication. |
| BER | Bit Error Rate |
| HDL | Hardware Description Language. |
| LUTs | Look-Up Tables. |
| FPGA | Field-Programmable Gate Array. |
| SNR | Signal-to-Noise Ratio. |
| Eb/N0 | Bit Energy-to-Noise Power. |
| FEC | Forward Error Correction. |
| CRC | Cyclic Redundancy Check. |
| IAMS | Improved Adapted Min-Sum. |
| BG | Base Graph. |
| PCM | Parity Check Matrix. |
| MSU | Min-Sum Unit. |
| Shamt | Shift-amount. |
| LLR | Log-Likelihood Ratio. |
| CN | Check Node. |
| OCN | Old Check Node |
| NCN | New Check Node. |
| CPNU | Check Node Processing Unit. |
| VN | Variable Node. |
| MB | Min Block. |
| MMB | Min-Max Block. |
| DLL | Dynamic-Link Library. |
References
- Gallager, R. Low-density parity-check codes. IRE Trans. Inf. Theory 1962, 8, 1962. [Google Scholar] [CrossRef]
- Tran-Thi, B.N.; Nguyen-Ly, T.T.; Hoang, T. An FPGA design with high memory efficiency and decoding performance for 5G LDPC decoder. Electronics 2023, 12, 3667. [Google Scholar] [CrossRef]
- Petrović, V.L.; Marković, M.M.; El Mezeni, D.M.; Saranovac, L.V.; Radošević, A. Flexible high throughput QC-LDPC decoder with perfect pipeline conflicts resolution and efficient hardware utilization. IEEE Trans. Circuits Syst. I Regul. Pap. 2020, 67, 5454–5467. [Google Scholar] [CrossRef]
- Verma, A.; Shrestha, R. Low computational-complexity SOMS-algorithm and high-throughput decoder architecture for QC-LDPC codes. IEEE Trans. Veh. Technol. 2022, 72, 66–80. [Google Scholar] [CrossRef]
- Li, Y.; Ye, N.; Chen, T.; Wang, Z.; Zhang, J. High Throughput Priority-Based Layered QC-LDPC Decoder with Double Update Queues for Mitigating Pipeline Conflicts. Sensors 2022, 22, 3508. [Google Scholar] [CrossRef]
- Selvakumari, R.S. Performance analysis of Min-Sum based LDPC decoder architecture for 5G new radio standards. Mater. Today Proc. 2022, 62, 4965–4972. [Google Scholar]
- Nadal, J.; Baghdadi, A. Parallel and flexible 5G LDPC decoder architecture targeting FPGA. IEEE Trans. Very Large Scale Integr. (VLSI) Syst. 2021, 29, 1141–1151. [Google Scholar] [CrossRef]
- Hajiyat, Z.R.M.; Sali, A.; Mokhtar, M.; Hashim, F. Channel Coding Scheme for 5G Mobile Communication System for Short Length Message Transmission. Wirel. Personal. Commun. 2019, 106, 377–400. [Google Scholar] [CrossRef]
- Tera, S.P.; Alantattil, R.; Paily, R. A Flexible FPGA-Based Stochastic Decoder for 5G LDPC Codes. Electronics 2023, 12, 4986. [Google Scholar] [CrossRef]
- Chang, T.C.Y.; Wang, P.H.; Su, Y.T. Multi-Stage Bit-Flipping Decoding Algorithms for LDPC Codes. IEEE Commun. Lett. 2019, 23, 1524–1528. [Google Scholar] [CrossRef]
- Aqil, C.; Akharraz, I.; Ahaitouf, A. A new reliability ratio weighted bit flipping algorithm for decoding LDPC codes. Wirel. Commun. Mob. Comput. 2021, 1, 6698602. [Google Scholar] [CrossRef]
- Usman, S.; Mansour, M.M. An Optimized VLSI Implementation of an IEEE 802.11 n/ac/ax LDPC Decoder. In Proceedings of the 2020 IEEE International Symposium on Circuits and Systems (ISCAS) Seville, Spain, 12–14 October 2020; IEEE: Piscataway, NJ, USA, 2020. [Google Scholar]
- Verma, A.; Shrestha, R. A New VLSI Architecture of Next-Generation QC-LDPC Decoder for 5G New-Radio Wireless-Communication Standard. In Proceedings of the International Symposium on Circuits and Systems (ISCAS), Seville, Spain, 12–14 October 2020; IEEE: Piscataway, NJ, USA, 2020. [Google Scholar]
- Cui, H.; Ghaffari, F.; Le, K.; Declercq, D.; Lin, J.; Wang, Z. Design of High-Performance and Area-Efficient Decoder for 5G LDPC codes. IEEE Trans. Circuits Syst. I Regul. Pap. 2020, 68, 879–891. [Google Scholar] [CrossRef]
- Petrović, V.L.; El Mezeni, D.M. Reduced-Complexity Offset Min-Sum Based Layered Decoding for 5G LDPC Codes. In Proceedings of the 28th Telecommunications Forum (TELFOR), Belgrade, Serbia, 24–25 November 2020; IEEE: Piscataway, NJ, USA, 2020. [Google Scholar]
- Zhang, C.; Wang, Z.; You, X. Efficient decoder architecture for single block-row quasi-cyclic LDPC codes. IEEE Trans. Circuits Syst. II Express Briefs 2014, 61, 793–797. [Google Scholar] [CrossRef]
- Tarver, C.; Tonnemacher, M.; Chen, H.; Zhang, J.; Cavallaro, J.R. GPU-based, LDPC decoding for 5G and beyond. IEEE Open J. Circuits Syst. 2021, 2, 278–290. [Google Scholar] [CrossRef]
- Zhong, Z.; Huang, Y.; Zhang, Z.; You, X.; Zhang, C. A flexible and high parallel permutation network for 5G LDPC decoders. IEEE Trans. Circuits Syst. II Express Briefs 2020, 67, 3018–3022. [Google Scholar] [CrossRef]
- Ly, T.; Truong, N. Efficient Hardware Implementations of LDPC Decoders, Through Exploiting Impreciseness in Message-Passing Decoding Algorithms. Ph.D. Thesis, Université de Cergy Pontoise, Cergy, France, 2017. [Google Scholar]
- ETSI. 3rd Generation Partnership Project (3GPP). In Release 15: 5G.; System Architecture for the 5G System (3GPP TS 23.501 version 15.3.0); ETSI: Valbonne, France, 2019. [Google Scholar]
- Katyushnyj, A.; Krylov, A.; Rashich, A.; Zhang, C.; Peng, K. FPGA implementation of LDPC decoder for 5G NR with parallel layered architecture and adaptive normalization. In Proceedings of the 2020 IEEE International Conference on Electrical Engineering and Photonics (EExPolytech), St. Petersburg, Russia, 15–16 October 2020; pp. 34–37. [Google Scholar]
- Li, F.; Zhang, C.; Peng, K.; Krylov, A.E.; Katyushnyj, A.A.; Rashich, A.V.; Tkachenko, D.A.; Makarov, S.B.; Song, J. Review on 5G NR LDPC Code: Recommendations for DTTB System. IEEE Access 2021, 9, 155413–155424. [Google Scholar] [CrossRef]
- Chen, Z. Efficient LDPC Implementation on FPGAs for 5G Networks. Ph.D. Thesis, Politecnico di Torino, Torino, Italy, 2021. [Google Scholar]
- Wu, H.; Wang, H. A high throughput implementation of QC-LDPC codes for 5G NR. IEEE Access 2019, 7, 185373–185384. [Google Scholar] [CrossRef]
- Stark, M.; Wang, L.; Bauch, G.; Wesel, R.D. Decoding rate-compatible 5G-LDPC codes with coarse quantization using the information bottleneck method. IEEE Open J. Commun. Soc. 2020, 1, 646–660. [Google Scholar] [CrossRef]
- Andrew, T. Online-Course LDPC and Polar Codes in 5G Standard. 2018. Available online: https://nptel.ac.in/courses/117/106/108106137/ (accessed on 1 June 2019).
- Wu, X.; Jiang, M.; Zhao, C. Decoding optimization for 5G LDPC codes by machine learning. IEEE Access 2018, 6, 50179–50186. [Google Scholar] [CrossRef]
- Wang, B.; Zhu, Y.; Kang, J. Two effective scheduling schemes for layered belief propagation of 5G LDPC codes. IEEE Commun. Lett. 2020, 24, 1683–1686. [Google Scholar] [CrossRef]
- Liu, J.C.; Wang, H.C.; Shen, C.A.; Lee, J.W. Low-complexity LDPC decoder for 5G URLLC. In Proceedings of the Asia Pacific Conference on Postgraduate Research in Microelectronics and Electronics (PrimeAsia), Chengdu, China, 26–30 October 2018; IEEE: Piscataway, NJ, USA, 2018. [Google Scholar]
- Mejmaa, B.; Marktani, M.A.; Akharraz, I.; Ahaitouf, A. An Efficient QC-LDPC Decoder Architecture for 5G-NR Wireless Communication Standards Targeting FPGA. Computers 2024, 13, 195. [Google Scholar] [CrossRef]











| N° of Columns | N° of Rows | VN Degree | CN Degree | N° of Edges | Code Rates | |
|---|---|---|---|---|---|---|
| BG1 | 68 | 46 | 1~30 | 3~19 | 316 | 1/3~8/9 |
| BG2 | 52 | 42 | 1~23 | 3~10 | 197 | 1/5~2/3 |
| a | 2 | 3 | 5 | 7 | 9 | 11 | 13 | 15 | |
| k | |||||||||
| 0 | 2 | 3 | 5 | 7 | 9 | 11 | 13 | 15 | |
| 1 | 4 | 6 | 10 | 14 | 18 | 22 | 26 | 30 | |
| 2 | 8 | 12 | 20 | 28 | 36 | 44 | 52 | 60 | |
| 3 | 16 | 24 | 40 | 56 | 72 | 88 | 104 | 120 | |
| 4 | 32 | 48 | 80 | 112 | 144 | 176 | 208 | 240 | |
| 5 | 64 | 96 | 160 | 224 | 288 | 352 | |||
| 6 | 128 | 192 | 320 | ||||||
| 7 | 256 | 384 | |||||||
| This Work | [2] | [3] | [4] | [5] | |
|---|---|---|---|---|---|
| FPGA | Kintex-7 xc7vx980t | Kintex Ultrascle+ | Virtex7 xc7vx690t | Zynq ultrascale+ | xc7vx690t |
| Max. Freq (MHz) | 304.5 | 153.5 | 261 | 128.36 | 255 |
| Tnorm (Gbps) | 49.5 | - | 31.7 | 13.3 | 31.4 |
| Hardware Usage | 382,786 | 314,968 | 100,929 | 1,200,394 | 103,674 |
| Max. Iter. | 6 | 10 | 11 | 10 | 10 |
| Code Rate | 2/3 | 1/2 | 8/9 | 8/9 | 8/9 |
| Cword Length | 13,440 | 8832 | 10,368 | 10,368 | 10,368 |
| Memory size (kb) | 231.35 | 173.25 | 4368 | 765.8 | 3456 |
| Memory Type | Registers | BRAMS | BRAMs | Registers | BRAMs |
Disclaimer/Publisher’s Note: The statements, opinions and data contained in all publications are solely those of the individual author(s) and contributor(s) and not of MDPI and/or the editor(s). MDPI and/or the editor(s) disclaim responsibility for any injury to people or property resulting from any ideas, methods, instructions or products referred to in the content. |
© 2024 by the authors. Licensee MDPI, Basel, Switzerland. This article is an open access article distributed under the terms and conditions of the Creative Commons Attribution (CC BY) license (https://creativecommons.org/licenses/by/4.0/).
Share and Cite
Mejmaa, B.; Akharraz, I.; Ahaitouf, A. A Field-Programmable Gate Array-Based Quasi-Cyclic Low-Density Parity-Check Decoder with High Throughput and Excellent Decoding Performance for 5G New-Radio Standards. Technologies 2024, 12, 215. https://doi.org/10.3390/technologies12110215
Mejmaa B, Akharraz I, Ahaitouf A. A Field-Programmable Gate Array-Based Quasi-Cyclic Low-Density Parity-Check Decoder with High Throughput and Excellent Decoding Performance for 5G New-Radio Standards. Technologies. 2024; 12(11):215. https://doi.org/10.3390/technologies12110215
Chicago/Turabian StyleMejmaa, Bilal, Ismail Akharraz, and Abdelaziz Ahaitouf. 2024. "A Field-Programmable Gate Array-Based Quasi-Cyclic Low-Density Parity-Check Decoder with High Throughput and Excellent Decoding Performance for 5G New-Radio Standards" Technologies 12, no. 11: 215. https://doi.org/10.3390/technologies12110215
APA StyleMejmaa, B., Akharraz, I., & Ahaitouf, A. (2024). A Field-Programmable Gate Array-Based Quasi-Cyclic Low-Density Parity-Check Decoder with High Throughput and Excellent Decoding Performance for 5G New-Radio Standards. Technologies, 12(11), 215. https://doi.org/10.3390/technologies12110215

