Dynamics of Oleo-Pneumatic Landing Gear Systems for Carrier-Based Unmanned Aerial Vehicles
Abstract
1. Introduction
1.1. Landing Gear Systems
1.2. Landing Gear Importance in Aircraft Design
1.3. Landing Gear Design for UAV Applications
1.4. Landing Gear Design Standards and Certification Requirements
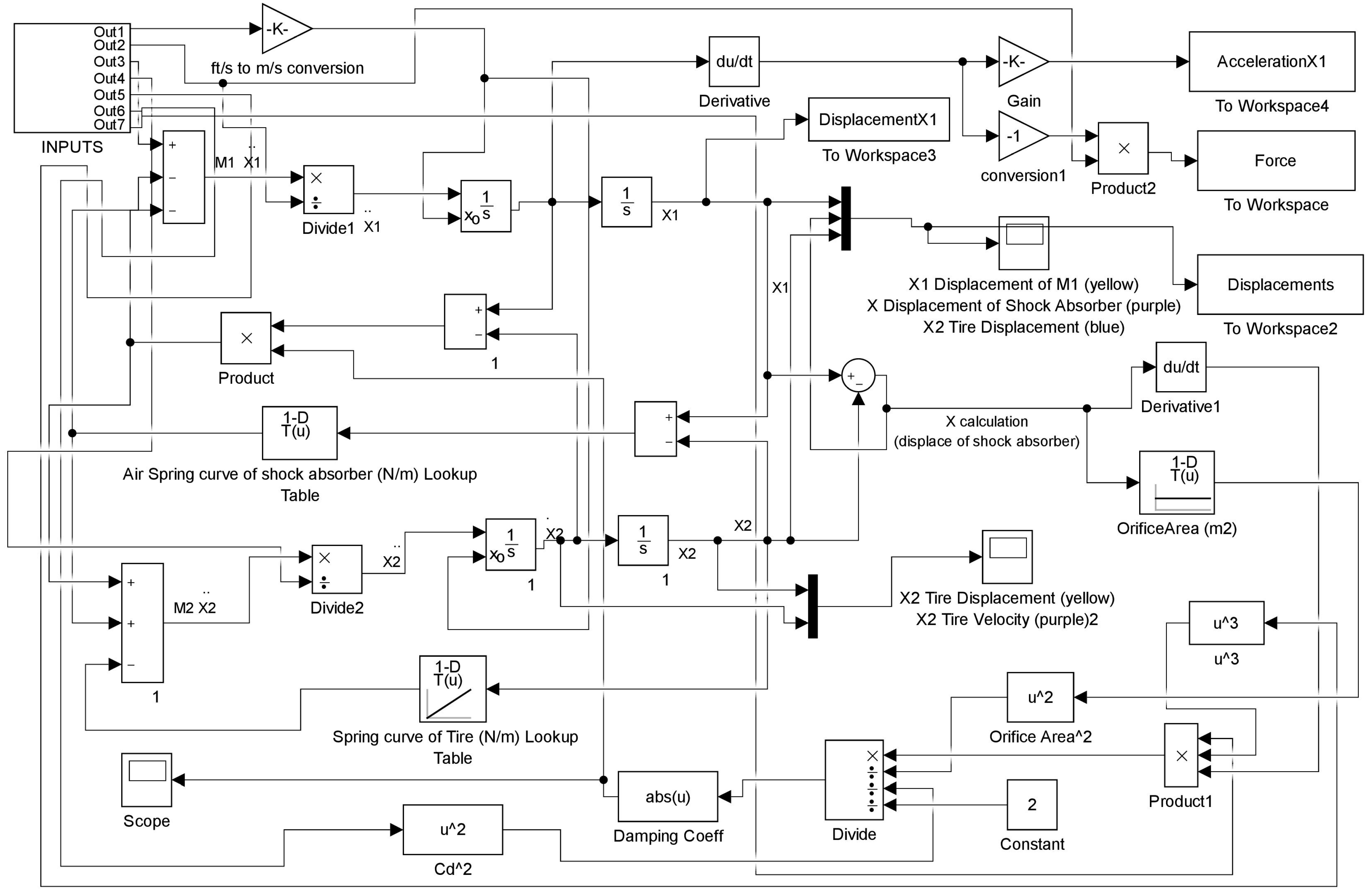
2. Materials and Methods
2.1. Landing Gear Model
2.1.1. Mass–Spring–Damper System
| m1 | Mass of the aircraft distributed to each landing gear (sprung mass); |
| m2 | Total mass of the wheel and tire group (unsprung mass); |
| k1 | Spring constant of the shock absorber; |
| k2 | Spring constant of the tire; |
| b | Damping coefficient of the shock absorber; |
| x | Displacement of the shock absorber; |
| x1 | Displacement of the aircraft; |
| x2 | Displacement of the wheel and tire group; |
| F1 | Net force on m1 (aircraft) per landing gear; |
| F2 | Net force on m2 (wheel and tire group); |
| g | Gravity; |
| V | Aircraft vertical speed (sink rate); |
| W1 | Aircraft weight minus lift force per landing gear. |
- -
- Predictive Analysis: Allows for the prediction of forces and displacements, aiding in the design of more robust landing gear;
- -
- Optimization: Facilitates the optimization of spring and damping constants to achieve desired performance characteristics;
- -
- Safety: Enhances safety by enabling the design of landing gear that can effectively absorb and dissipate impact energy, reducing the risk of structural damage.
2.1.2. Equations of Motion
2.1.3. Equations of Motion for Wheel and Tire Group
2.2. Input Parameters and Methodology
- Nonlinear Spring and Damping: The model includes nonlinear spring behavior (nitrogen gas adiabatic compression) for the shock absorber, as well as a nonlinear damping formulation for the shock absorber. The use of nonlinear spring behavior (representing the adiabatic compression of nitrogen gas) and nonlinear damping for the shock absorber is a realistic and necessary assumption to capture the dynamic energy absorption characteristics of the oleo-pneumatic system;
- Linear Spring model for the tire: Simplifying the tire as a linear spring assumes a constant stiffness throughout its deformation range. While this is a reasonable approximation for small deformations, it may not fully capture the nonlinearity of tire behavior under extreme loads, such as large deflections or material compression at high sink rates;
- Rigid Body Dynamics: The aircraft and wheel masses are treated as rigid bodies, neglecting any potential deformations. Treating the aircraft and wheel masses as rigid bodies simplifies the model and reduces computational complexity. However, this assumption neglects potential structural deformations of the aircraft and wheel assembly, which may occur under high-impact loads. These deformations could slightly alter the dynamic response and force distribution in real-world scenarios;
- Simplified Geometry: The complex geometries of the landing gear components are simplified into equivalent spring–damper systems. The reduction of complex landing gear geometries into equivalent spring–damper systems simplifies the mathematical formulation and allows for faster simulations. While this is appropriate for capturing the overall dynamic behavior, it may overlook localized effects, such as stress concentrations or structural interactions between landing gear components. These effects are typically addressed in detailed finite element models;
- Spin-up Forces: Wheel spin-up forces due to the rapid acceleration of the wheels upon touchdown are not included in the analysis. The omission of wheel spin-up forces assumes that their contribution to the overall dynamics is secondary compared to the vertical impact forces. This is a reasonable simplification for most carrier-based landing scenarios, where the vertical loads dominate. However, in cases involving high horizontal touchdown speeds, spin-up forces could influence the stress on the wheel and tire assembly.
2.2.1. Discharge Coefficient (Cd)
2.2.2. Orifice Area
- Aorif: Orifice area (in2);
- A: Piston area (in2);
- r: Applicable load/static load;
- s: Total stroke (in);
- W: Shock absorber static load (lb).
2.2.3. Shock Absorber Piston Area (m2)
- A = piston area (in2);
- Fmax = maximum static load (lb);
- Pgas = nitrogen gas pressure (psi).
2.2.4. Shock Strut Stroke (M)
- V: Velocity;
- g: Gravitational constant;
- St: Tire deflection;
- K: Lift to weight ratio;
- N: Load factor (assumed 6 for carrier-based aircraft);
- ns: Efficiency of strut (assumed ~0.8);
- nt: Efficiency of tire (assumed ~0.47).
- -
- n = 1.35 for adiabatic process (impact load);
- -
- n = 1.1 for isothermal process (static load).
3. Results and Discussion
Main Landing Gear Simulation
- Case 1: Sink rate of 24.5 fps (7.47 m/s)
- Case 2: Sink rate of 3.66 m/s (12 fps)
- Case 3: Sink rate of 3.05 m/s (10 fps)
- Case 4: Sink rate of 1.83 m/s (6 fps)
4. Conclusions
- Shock Absorber Strut Sizing: The study utilized both isothermal and polytropic gas models to calculate the variation in pneumatic pressure and air spring force with stroke length under static and dynamic loadings. This dual approach provided a thorough understanding of the behavior of the shock absorber under different conditions;
- Spring and Damping Characteristics: The oleo-pneumatic shock absorber exhibited nonlinear spring characteristics, which preclude the use of mechanical springs as alternatives. Mechanical dampers are less efficient compared to the oleo-pneumatic shock absorber. This underscores the superior performance of oleo-pneumatic systems in managing landing impacts;
- Impact Force Analysis: The impact force calculations, in accordance with FAR 25, ensured the landing gear’s compliance with airworthiness standards. The study’s drop dynamic model, solved using numerical integration, provided insights into the dynamic response of the landing gear system during landing.
- Automated Loads and Stress Analysis: Improvements in automated loads and stress analysis tools are crucial for rapidly quantifying landing gear weight as a function of required capability. These tools should be integrated into the earliest design stages to ensure optimal performance and weight efficiency;
- Active Control Systems: The development of actively controlled landing gear systems offers significant potential for vibration alleviation during landing. Various control schemes, including active orifice concepts, could be evaluated to dynamically adjust the damping characteristics of the landing gear in response to ground disturbances;
- Multi-Service Application: Further studies should explore the inherent capabilities of gears designed for shipboard operations to assess their benefits for use on rough runways. This could support the goal of creating common landing gear components that are efficient and cost-effective across different service branches.
Author Contributions
Funding
Data Availability Statement
Conflicts of Interest
References
- Wei, X. An Overview of Researches on Deck-Landing of Carrier-Based Aircrafts. In Proceedings of the 2013 International Powered Lift Conference, Los Angeles, CA, USA, 12–14 August 2013; American Institute of Aeronautics and Astronautics: Reston, VA, USA, 2013. [Google Scholar]
- Dinc, A.; Gharbia, Y. Dynamic Modeling of Main Landing Gear of a High-Altitude Long Endurance UAV. In New Achievements in Unmanned Systems. ISUDEF 2021. Sustainable Aviation; Karakoc, T.H., Yilmaz, N., Dalkiran, A., Ercan, A.H., Eds.; Springer: Cham, Switzerland, 2023; pp. 239–248. ISBN 9783031299339. [Google Scholar]
- Fahlstrom, P.G.; Gleason, T.J. Introduction to UAV Systems, 4th ed.; John Wiley & Sons: Chichester, UK, 2012; ISBN 9781119978664. [Google Scholar]
- Karali, H.; Inalhan, G.; Tsourdos, A. Advanced UAV Design Optimization Through Deep Learning-Based Surrogate Models. Aerospace 2024, 11, 669. [Google Scholar] [CrossRef]
- Sui, L.; Sun, Y.; Kang, M. Analysis and Experimental Study for Fatigue Performance of Wing-Fuselage Connection Structure for Unmanned Aerial Vehicle. Aerospace 2024, 11, 826. [Google Scholar] [CrossRef]
- Dinc, A.; Gharbia, Y. Global Warming Potential Estimations of a Gas Turbine Engine and Effect of Selected Design Parameters. In Proceedings of the ASME 2020 International Mechanical Engineering Congress and Exposition, Atlanta, GA, USA, 16 November 2020; Volume 8, pp. 1–7. [Google Scholar] [CrossRef]
- Dinc, A. Sizing of a Turboprop Unmanned Air Vehicle and Its Propulsion System. J. Therm. Sci. Technol. 2015, 35, 53–62. [Google Scholar]
- Wen, Z.; Zhi, Z.; Qidan, Z.; Shiyue, X. Dynamics Model of Carrier-Based Aircraft Landing Gears Landed on Dynamic Deck. Chinese J. Aeronaut. 2009, 22, 371–379. [Google Scholar] [CrossRef]
- Ahmad, M.A.; Shah, S.I.A.; Shams, T.A.; Javed, A.; Rizvi, S.T.U.I. Comprehensive Design of an Oleo-Pneumatic Nose Landing Gear Strut. Proc. Inst. Mech. Eng. Part G J. Aerosp. Eng. 2021, 235, 1605–1622. [Google Scholar] [CrossRef]
- Dinc, A.; Gharbia, Y. Effects of Spring and Damper Elements in Aircraft Landing Gear Dynamics. Int. J. Recent Technol. Eng. 2020, 8, 4265–4269. [Google Scholar] [CrossRef]
- Ding, Y.W.; Wei, X.H.; Nie, H.; Li, Y.P. Discharge Coefficient Calculation Method of Landing Gear Shock Absorber and Its Influence on Drop Dynamics. J. Vibroeng. 2018, 20, 2550–2562. [Google Scholar] [CrossRef]
- Heininen, A. Modelling and Simulation of an Aircraft Main Landing Gear Shock Absorber. Master’s Thesis, Tampere University of Technology, Tampere, Finland,, 2015. [Google Scholar]
- Currey, N.S. Aircraft Landing Gear Design: Principles and Practices; American Institute of Aeronautics and Astronautics: Washington, DC, USA, 1988; ISBN 978-0-930403-41-6. [Google Scholar]
- Uguzo, S.O. A-9 Dragonfly Nose Landing Gear Design. Master’s Thesis, Cranfield University, Bedford, UK, 2010. Available online: https://www.academia.edu/29003167/CRANFIELD_UNIVERSITY_A_9_DRAGONFLY_NOSE_LANDING_GEAR_DESIGN (accessed on 10 June 2024).
- Ötkur, M.; Dinc, A. Performance Modelling of Landing Gear and Suspension System of a Flying Car for Landing and Bump Passing Manoeuvres. Eng. Mach. 2022, 63, 616–632. [Google Scholar] [CrossRef]
- Dinc, A. Metering Pin Diameter Optimization of an Aircraft Landing Gear Shock Absorber. Eskişehir Tech. Univ. J. Sci. Technol. B-Theor. Sci. 2021, 9, 37–46. [Google Scholar] [CrossRef]
- Patel, J.; Shetty, D.; Menghani, R.; Barve, S. Optimization of an Oleo-Pneumatic Shock Absorber for Main Landing Gear of a Commercial Aircraft. SSRN Electron. J. 2017, 1, 1–17. [Google Scholar] [CrossRef]
- Liu, X.C.; Zhu, S.X.; Yang, Y.G. Design and Drop Test of Aircraft Landing Gear’s Shock Absorber Based on Magnetorheological Damper. Appl. Mech. Mater. 2014, 665, 601–606. [Google Scholar] [CrossRef]
- Daughetee, C.C.; LTV Aerosp Corp, D. Drop Testing Naval Aircraft and the Vsd Landing Gear Dynamic Test Facility. J. Aircr. 1974, 11, 758–764. [Google Scholar] [CrossRef]
- Lee, H.-J.; Chiou, C.-Y. Aircraft Landing Gear Positioning Concerning Abnormal Landing Cases. J. Aircr. 1994, 31, 446–449. [Google Scholar] [CrossRef]
- Mikhaluk, D.; Voinov, I.; Borovkov, A. Finite Element Modeling of the Arresting Gear and Simulation of the Aircraft Deck Landing Dynamics. In Proceedings of the ENOC-2008, Saint Petersburg, Russia, 30 June–4 July 2008. [Google Scholar]
- McDonald, M.; Richards, P.W.; Walker, M.; Erickson, A.J. Carrier Landing Simulation Using Detailed Aircraft and Landing. In Proceedings of the AIAA Scitech 2020 Forum, Orlando, FL, USA, 6–10 January 2020; American Institute of Aeronautics and Astronautics: Reston, VA, USA, 2020; Volume 1, Part F. pp. 1–11. [Google Scholar]
- Xia, G.; Dong, R.; Xu, J.; Zhu, Q. Linearized Model of Carrier-Based Aircraft Dynamics in Final-Approach Air Condition. J. Aircr. 2016, 53, 33–47. [Google Scholar] [CrossRef]
- Chen, D.; Xu, L.; Wang, C. An Advanced Control Method for Aircraft Carrier Landing of UAV Based on CAPF–NMPC. Aerospace 2024, 11, 656. [Google Scholar] [CrossRef]
- Heininen, A.; Aaltonen, J.; Koskinen, K.T.; Huitula, J. Equations of State in Fighter Aircraft Oleo-Pneumatic Shock Absorber Modelling. In Proceedings of the 10th Aerospace Technology Congress, Stockholm, Sweden, 8–9 October 2019; Linköping University Electronic Press: Linköping, Sweden, 2019; pp. 64–70. [Google Scholar]
- Şöhret, Y.; Dinç, A.; Karakoç, T.H.H. Exergy Analysis of a Turbofan Engine for an Unmanned Aerial Vehicle during a Surveillance Mission. Energy 2015, 93, 716–729. [Google Scholar] [CrossRef]
- Dinc, A.; Alsanea, N.; Otkur, M.; Mussin, A.; Elbadawy, I.; Moayyedian, M. A Performance Review of Conventional Turbofan Aircraft and Battery-Powered Aircraft. Int. J. Eng. Appl. 2024, 12, 251. [Google Scholar] [CrossRef]
- General Atomics. Predator C Avenger. Available online: https://www.ga-asi.com/remotely-piloted-aircraft/predator-c-avenger (accessed on 20 July 2024).
- BAE Systems Taranis. Available online: https://www.baesystems.com/en/product/taranis (accessed on 20 July 2024).
- Baykar Kizilelma. Available online: https://www.baykartech.com/en/uav/bayraktar-kizilelma/ (accessed on 20 July 2024).
- Lafitte, A.; Mikulowski, G.; Remmers, L.; Wolejsza, Z. State of the Art in Landing Gear Shock Absorber Design; Institute of Fundamental Technological Research: Warsaw, Poland, 2005. [Google Scholar]
- EASA. CS-23 Certification Specifications. Available online: https://www.easa.europa.eu/sites/default/files/dfu/agency-measures-docs-certification-specifications-CS-23-CS-23-Amdt-3.pdf (accessed on 23 September 2021).
- Flugge, W. Landing Gear Impact, National Advisory Committee for Aeronautics, Technical Note 2743; NACA: Washington, DC, USA, 1952. [Google Scholar]
- Milwitzky, B.; Cook, F.E. Analysis of Landing-Gear Behavior, National Advisory Committee for Aeronautics, Report 1154; NACA: Washington, DC, USA, 1953. [Google Scholar]
- Conway, H.G. Landing Gear Design; Chapman & Hall: London, UK, 1958. [Google Scholar]
- Crenshaw, B.M.; Brown, S.C. Preliminary Design Optimization of Carrier and Land-Based Fighter Landing Gears. In the Design, Qualification and Maintenance of Vibration-Free Landing Gear; AGARD, North Atlantic Treaty Organization: Neuilly sur Seine, France, 1996. [Google Scholar]
- Luber, W.; Kempf, G.; Krauss, A. Self-Induced Oscillations of Landing Gear as an Integral Landing Gear Aircraft System Problem. In the Design, Qualification and Maintenance of Vibration-Free Landing Gear; AGARD, North Atlantic Treaty Organization: Neuilly sur Seine, France, 1996. [Google Scholar]
- Heerens, N.C. Landing Gear Design in an Automated Design Environment. Master’s thesis, Delft University of Technology, Delft, The Netherlands, 2014. [Google Scholar]
- EASA Certification Specifications for Large Aeroplanes CS-25. Available online: https://www.easa.europa.eu/sites/default/files/dfu/CS-25_Amdt 3_19.09.07_Consolidated version.pdf (accessed on 20 July 2024).
- MIL-A-8863C. Airplane Strength and Rigidity Ground Loads for Navy Acquired Airplanes; United States Coast Guard: Washington, DC, USA, 1993. [Google Scholar]

















| Parameter | MLG |
|---|---|
| Aircraft (UAV) mass (kg) | 8500 |
| Aircraft mass per main landing gear, m1 (kg) | 4250 |
| Aircraft mass per main landing gear (%) | 50% |
| Discharge coefficient | 0.9 |
| Initial gas pressure in shock absorber (MPa) | 1.6 |
| Oil density (kg/m3) | 870 |
| Orifice area (mm2) | 163 |
| Shock absorber hydraulic area (mm2) | 7721 |
| Shock absorber diameter (mm) | 99.15 |
| Shock strut stroke (m) | 0.525 |
| Tire and wheel mass, m2 (kg) | 50 |
| Tire spring constant, k2 (kN/m) | 150 |
| Case No | Sink Rate | Lift/Weight | Aircraft Mass | Reference |
|---|---|---|---|---|
| Case 1 | 7.47 m/s (24.5 fps) | 1 | Max landing | MIL-A-8863 |
| Case 2 | 3.66 m/s (12 fps) | 1 | Max landing | CS 25.723 (b) |
| Case 3 | 3.05 m/s (10 fps) | 1 | Max landing | CS 25.473 (a) (2) |
| Case 4 | 1.83 m/s (6 fps) | 1 | Max landing | CS 25.473 (a) (3) |
Disclaimer/Publisher’s Note: The statements, opinions and data contained in all publications are solely those of the individual author(s) and contributor(s) and not of MDPI and/or the editor(s). MDPI and/or the editor(s) disclaim responsibility for any injury to people or property resulting from any ideas, methods, instructions or products referred to in the content. |
© 2025 by the authors. Licensee MDPI, Basel, Switzerland. This article is an open access article distributed under the terms and conditions of the Creative Commons Attribution (CC BY) license (https://creativecommons.org/licenses/by/4.0/).
Share and Cite
Dinc, A.; Yildiz, F.; Ma, J.; Pecen, R.; Obeidat, S.; Mamedov, A.; Otkur, M. Dynamics of Oleo-Pneumatic Landing Gear Systems for Carrier-Based Unmanned Aerial Vehicles. Aerospace 2025, 12, 127. https://doi.org/10.3390/aerospace12020127
Dinc A, Yildiz F, Ma J, Pecen R, Obeidat S, Mamedov A, Otkur M. Dynamics of Oleo-Pneumatic Landing Gear Systems for Carrier-Based Unmanned Aerial Vehicles. Aerospace. 2025; 12(2):127. https://doi.org/10.3390/aerospace12020127
Chicago/Turabian StyleDinc, Ali, Faruk Yildiz, Junkun Ma, Reg Pecen, Suleiman Obeidat, Ali Mamedov, and Murat Otkur. 2025. "Dynamics of Oleo-Pneumatic Landing Gear Systems for Carrier-Based Unmanned Aerial Vehicles" Aerospace 12, no. 2: 127. https://doi.org/10.3390/aerospace12020127
APA StyleDinc, A., Yildiz, F., Ma, J., Pecen, R., Obeidat, S., Mamedov, A., & Otkur, M. (2025). Dynamics of Oleo-Pneumatic Landing Gear Systems for Carrier-Based Unmanned Aerial Vehicles. Aerospace, 12(2), 127. https://doi.org/10.3390/aerospace12020127

