Mitigation of Switching Ringing of GaN HEMT Based on RC Snubbers
Abstract
1. Introduction
- An equivalent impedance model is constructed for GaN HEMT-based half-bridge circuits during switching oscillations, incorporating parasitic parameters from packaging, PCB, and switching devices. The switching oscillations are decoupled into current and voltage oscillation subsystems, with transfer functions and key parameters derived to characterize oscillatory behavior. Based on this model, the mechanism of RC Snubbers is elucidated, and the influence of RC parameters on the circuit are quantified through simulation and experiments. A multi-level optimization strategy is proposed: calculating initial capacitance values based on target frequency bands, employing algorithms to balance losses and suppression effectiveness, dynamically adjusting parameters with experimental measurements, and incorporating robustness design. Post-optimization results demonstrate a maximum reduction of 40% in voltage overshoot, an oscillation duration shortened to 1/20 of the original value, and high-frequency noise (above 20 MHz) attenuated by 20 dB, significantly enhancing circuit stability.
- A co-optimization methodology for device and heatsink layout is proposed. Q3D simulations are employed to compute electromagnetic field distributions generated by device arrangements, where parasitic inductance and capacitance coupling paths are disrupted through optimized component sequencing and routing strategies. By holistically addressing thermal management and EMI suppression requirements, this approach ensures thermal stability under high-power-density conditions while effectively reducing the negative impacts of parasitic inductance and capacitance on system performance.
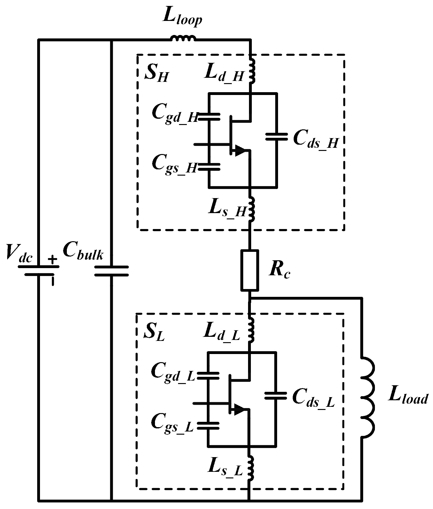
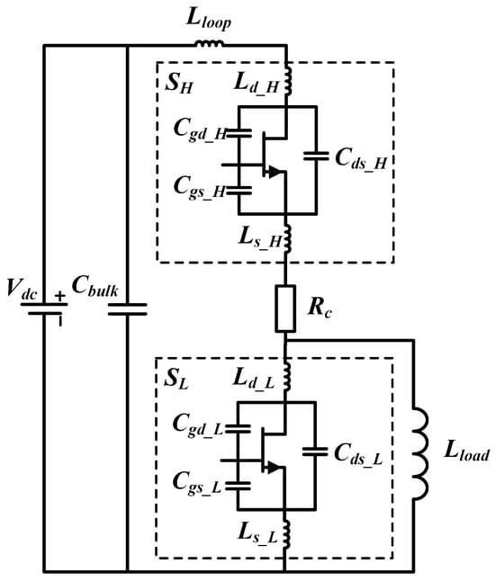
2. Analysis of Switching Process and Oscillation Mechanism
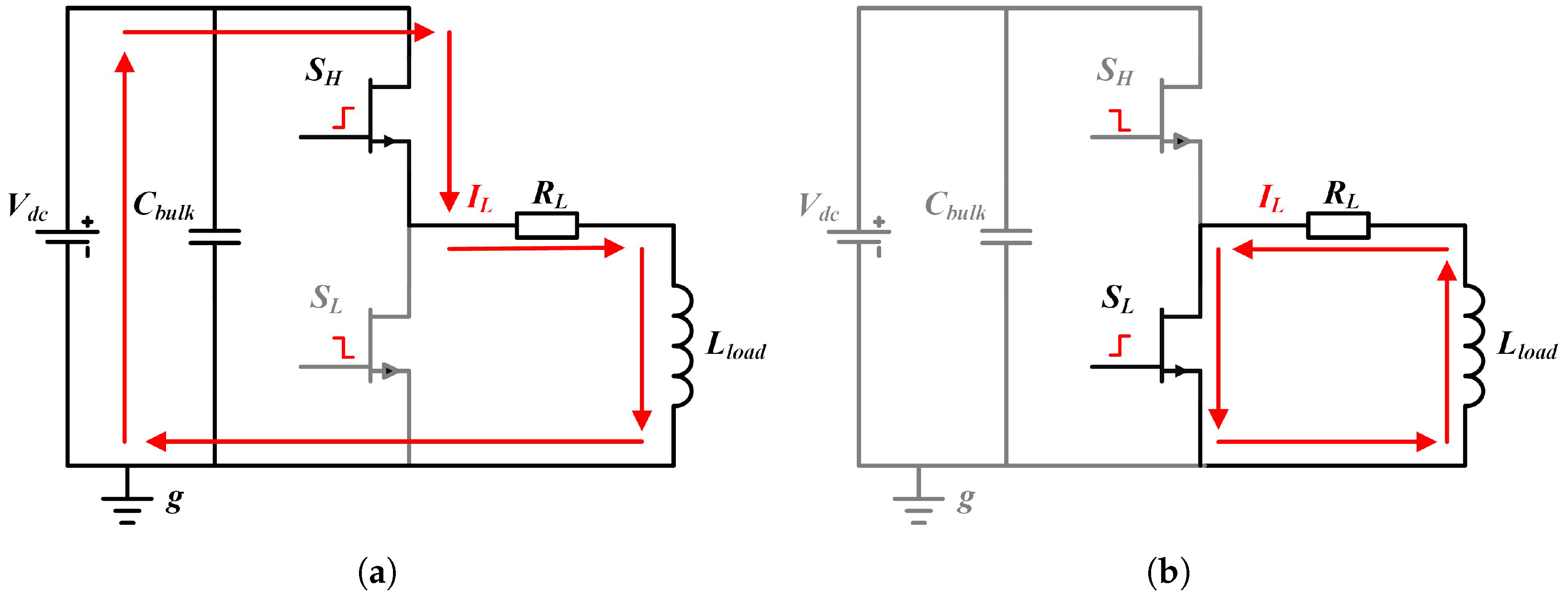
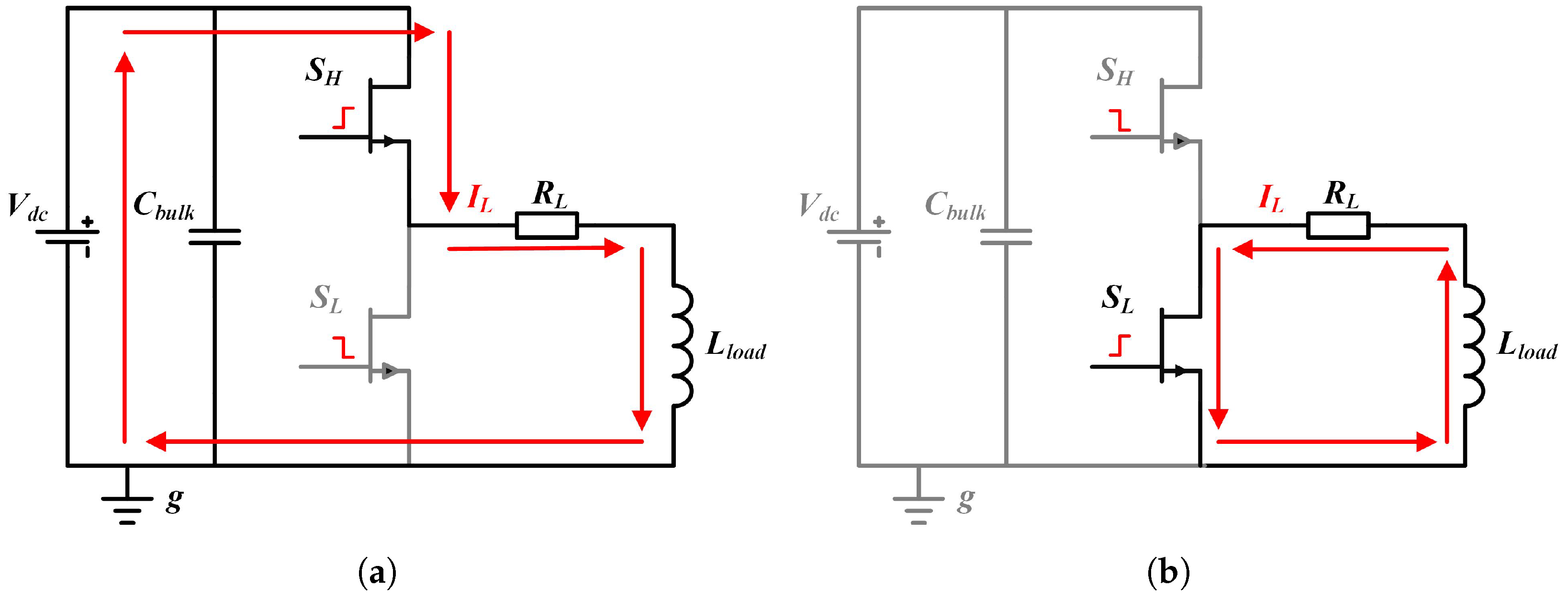
2.1. Turn-On Process
2.2. Turn-Off Process
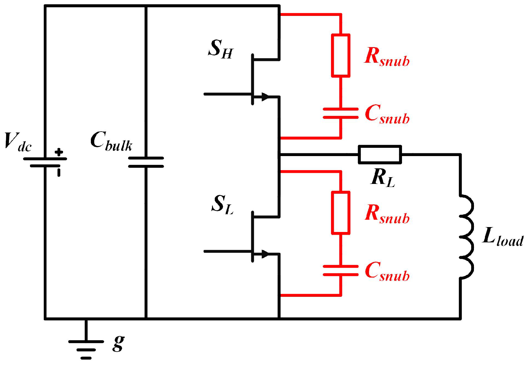
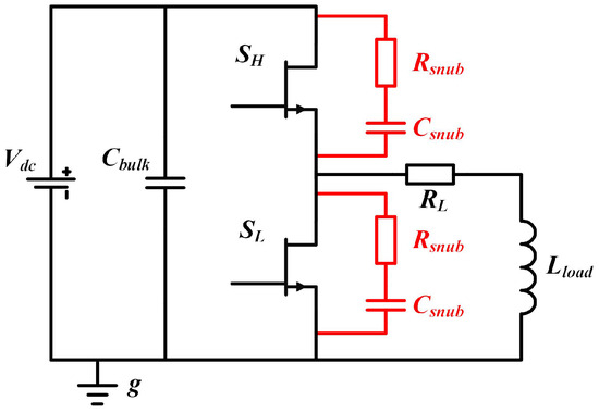
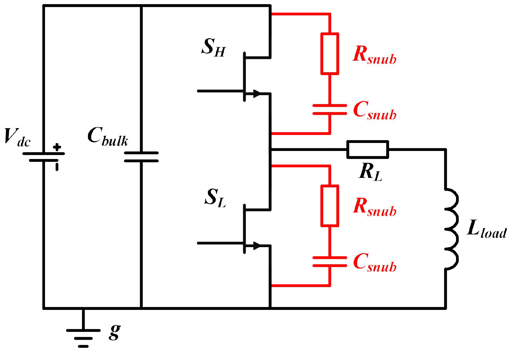
3. RC Snubber Design
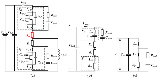
3.1. Analysis of the RC Snubber
3.2. Acquisition of RC Snubber Parameters
4. Power Loop Inductance Optimization
4.1. Critical Influence Mechanisms of Loop Inductance
4.2. Layout Optimization Design for Loop Inductance
5. Experimental Verification
5.1. Test Setup
5.2. Time-Domain Analysis of Experimental Results
5.3. Spectrum Analysis of Experimental Results
5.4. Influence of and
6. Conclusions
Author Contributions
Funding
Data Availability Statement
Acknowledgments
Conflicts of Interest
References
- Morya, A.K.; Gardner, M.C.; Anvari, B.; Liu, L.; Yepes, A.G.; Doval-Gandoy, J.; Toliyat, H.A. Wide Bandgap Devices in AC Electric Drives: Opportunities and Challenges. IEEE Trans. Transp. Electrif. 2019, 5, 3–20. [Google Scholar] [CrossRef]
- Reusch, D.; Strydom, J. Understanding the effect of PCB layout on circuit performance in a high frequency gallium nitride based point of load converter. In Proceedings of the 2013 Twenty-Eighth Annual IEEE Applied Power Electronics Conference and Exposition (APEC), Long Beach, CA, USA, 17–21 March 2013; pp. 649–655. [Google Scholar]
- Chen, J.; Du, X.; Luo, Q.; Zhang, X.; Sun, P.; Zhou, L. A Review of Switching Oscillations of Wide Bandgap Semiconductor Devices. IEEE Trans. Power Electron. 2020, 35, 13182–13199. [Google Scholar] [CrossRef]
- Kozak, J.P.; Zhang, R.; Porter, M.; Song, Q.; Liu, J.; Wang, B.; Wang, R.; Saito, W.; Zhang, Y. Stability, Reliability, and Robustness of GaN Power Devices: A Review. IEEE Trans. Power Electron. 2023, 38, 8442–8471. [Google Scholar] [CrossRef]
- Buffolo, M.; Favero, D.; Marcuzzi, A.; De Santi, C.; Meneghesso, G.; Zanoni, E.; Meneghini, M. Review and Outlook on GaN and SiC Power Devices: Industrial State-of-the-Art, Applications, and Perspectives. IEEE Trans. Electron Devices 2024, 71, 1344–1355. [Google Scholar] [CrossRef]
- Wu, Y.; Yin, S.; Liu, Z.; Li, H.; See, K.Y. Experimental Investigation on Electromagnetic Interference (EMI) in Motor Drive Using Silicon Carbide (SiC) MOSFET. In Proceedings of the 2020 International Symposium on Electromagnetic Compatibility-EMC EUROPE, Rome, Italy, 23–25 September 2020; pp. 1–6. [Google Scholar]
- Liu, Z.; Li, H. Mitigation of Voltage Oscillation during Turn-off Period of the Silicon Carbide (SiC) MOSFET. In Proceedings of the 2020 IEEE International Conference on Mechatronics and Automation (ICMA), Beijing, China, 2–5 August 2020; pp. 1407–1412. [Google Scholar]
- Wu, Y.; Yin, S.; Li, H.; Ma, W. Impact of RC Snubber on Switching Oscillation Damping of SiC MOSFET With Analytical Model. IEEE J. Emerg. Sel. Top. Power Electron. 2020, 8, 163–178. [Google Scholar] [CrossRef]
- Wu, Y.; Zhang, H.; Yin, S.; Lin, S.; Jiang, T.; Bi, C.; Li, H.; Cheng, Y. Investigation of Conducted Electromagnetic Interference of Three-Level SiC Power Module. In Proceedings of the 2022 Asia-Pacific International Symposium on Electromagnetic Compatibility (APEMC), Beijing, China, 1–4 September 2022; pp. 698–701. [Google Scholar]
- Zaman, H.; Wu, X.; Zheng, X.; Khan, S.; Ali, H. Suppression of Switching Crosstalk and Voltage Oscillations in a SiC MOSFET Based Half-Bridge Converter. Energies 2018, 11, 3111. [Google Scholar] [CrossRef]
- Yang, C.; Pei, Y.; Wang, L.; Yu, L.; Zhang, F.; Ferreira, B. Overvoltage and Oscillation Suppression Circuit With Switching Losses Optimization and Clamping Energy Feedback for SiC MOSFET. IEEE Trans. Power Electron. 2021, 36, 14207–14219. [Google Scholar] [CrossRef]
- Mejia-Ruiz, G.E.; Paternina, M.R.A.; Zamora-Mendez, A.; Rosas-Caro, J.C.; Bolivar-Ortiz, G. A Novel GaN-Based Solid-State Circuit Breaker With Voltage Overshoot Suppression. IEEE Trans. Ind. Electron. 2022, 69, 8949–8960. [Google Scholar] [CrossRef]
- Peng, K.; Eskandari, S.; Santi, E. Characterization and Modeling of a Gallium Nitride Power HEMT. IEEE Trans. Ind. Appl. 2016, 52, 4965–4975. [Google Scholar] [CrossRef]
- Wu, Y.; Yin, S.; Li, H.; Dong, M.; Liu, X.; Cheng, Y. Evaluating Switching Performance of GaN HEMT Using Analytical Modeling. In Proceedings of the 2021 IEEE Workshop on Wide Bandgap Power Devices and Applications in Asia (WiPDA Asia), Wuhan, China, 25–27 August 2021; pp. 434–439. [Google Scholar]
- Ren, Y.; Yang, X.; Zhang, F.; Wang, L.; Wang, K.; Chen, W.; Zeng, X.; Pei, Y. Voltage Suppression in Wire-Bond-Based Multichip Phase-Leg SiC MOSFET Module Using Adjacent Decoupling Concept. IEEE Trans. Ind. Electron. 2017, 64, 8235–8246. [Google Scholar] [CrossRef]
- Zhang, B.; Wang, S. Parasitic Inductance Modeling and Reduction for Wire-Bonded Half-Bridge SiC Multichip Power Modules. IEEE Trans. Power Electron. 2021, 36, 5892–5903. [Google Scholar] [CrossRef]
- Zhang, H.; Wu, Y.; Li, H.; Yin, S.; Jin, S.; Lin, S.; Jiang, T.; Cheng, Y. Design and Evaluation of a 1200-V/200-A SiC Three-Level NPC Power Module. IEEE Trans. Ind. Appl. 2023, 59, 6412–6426. [Google Scholar] [CrossRef]
- Zhang, B.; Wang, S. An Overview of Wide Bandgap Power Semiconductor Device Packaging Techniques for EMI Reduction. In Proceedings of the 2018 IEEE Symposium on Electromagnetic Compatibility, Signal Integrity and Power Integrity (EMC, SI & PI), Long Beach, CA, USA, 30 July–3 August 2018; pp. 297–301. [Google Scholar]
- Song, R.; Zhuo, F.; Wang, F.; Yu, K. Research on Parasitic Inductance Optimization of GaN Paralleled Cascode Power Module. In Proceedings of the 2022 IEEE 13th International Symposium on Power Electronics for Distributed Generation Systems (PEDG), Kiel, Germany, 26–29 June 2022; pp. 1–4. [Google Scholar]
- Sugihara, Y.; Nanamori, K.; Yamamoto, M.; Kanazawa, Y. Parasitic Inductance Design Considerations to Suppress Gate Voltage Oscillation of Fast Switching Power Semiconductor Devices. In Proceedings of the 2018 International Power Electronics Conference (IPEC-Niigata 2018-ECCE Asia), Niigata, Japan, 20–24 May 2018; pp. 2789–2795. [Google Scholar]
- Zhu, J.; Yan, D.; Yu, S.; Sun, W.; Shi, G.; Liu, S.; Zhang, S. 33.2 A 600V GaN Active Gate Driver with Dynamic Feedback Delay Compensation Technique Achieving 22.5% Turn-On Energy Saving. In Proceedings of the 2021 IEEE International Solid-State Circuits Conference (ISSCC), San Francisco, CA, USA, 13–22 February 2021; Volume 64, pp. 462–464. [Google Scholar]
- Li, Q.; Yang, Y.; Wen, Y.; Zhang, G.; Xing, W. Active Gate Driver With the Independent Suppression of Overshoot and Oscillation for SiC MOSFET Modules. IEEE Trans. Ind. Electron. 2025, 72, 2325–2335. [Google Scholar] [CrossRef]
- Lin, X.; Ravi, L.; Mocevic, S.; Dong, D.; Burgos, R. Active Voltage Balancing Embedded Digital Gate Driver for Series-Connected 10 kV SiC MOSFETs. In Proceedings of the 2020 IEEE Applied Power Electronics Conference and Exposition (APEC), New Orleans, LA, USA, 15–19 March 2020; pp. 1611–1616. [Google Scholar]
- Zheng, Y.; Yuan, Q.; Song, D.; Ying, Y.; Zhu, J.; Sun, W.; Zhang, L.; Li, S.; Wang, D.; Zhou, J.; et al. A High-Speed Level Shifter with dVs/dt Noise Immunity Enhancement Structure for 200V Monolithic GaN Power IC. In Proceedings of the 2023 35th International Symposium on Power Semiconductor Devices and ICs (ISPSD), Hong Kong, China, 28 May–1 June 2023; pp. 203–206. [Google Scholar]
- Yu, S.; Zhou, Q.; Shi, G.; Wu, T.; Zhu, J.; Zhang, L.; Sun, W.; Zhang, S.; He, N.; Li, Y. A 400-V Half Bridge Gate Driver for Normally-Off GaN HEMTs With Effective Dv/Dt Control and High Dv/Dt Immunity. IEEE Trans. Ind. Electron. 2023, 70, 741–751. [Google Scholar] [CrossRef]
- Hampe, M.; Stieler, A.; Tieste, K.D. Damping of High-Frequency Oscillations in Power Devices Using Optimized Snubber Circuits. In Proceedings of the 2018 International Symposium on Electromagnetic Compatibility (EMC EUROPE), Amsterdam, The Netherlands, 27–30 August 2018; pp. 1–6. [Google Scholar]
- McMurray, W. Optimum Snubbers for Power Semiconductors. IEEE Trans. Ind. Appl. 1972, IA-8, 593–600. [Google Scholar] [CrossRef]
- Liu, S.; Lin, H.; Wang, T. Comparative Study of Three Different Passive Snubber Circuits for SiC Power MOSFETs. In Proceedings of the 2019 IEEE Applied Power Electronics Conference and Exposition (APEC), Anaheim, CA, USA, 17–21 March 2019; pp. 354–358. [Google Scholar]
- Letellier, A.; Dubois, M.R.; Trovao, J.P.; Maher, H. Overvoltage Reduction with Enhanced Snubber Design for GaN-Based Electric Vehicle Drive. In Proceedings of the 2017 IEEE Vehicle Power and Propulsion Conference (VPPC), Belfort, France, 11–14 December 2017; pp. 1–6. [Google Scholar]
- Chen, J.; Luo, Q.; Wei, Y.; Zhang, X.; Du, X. The Sustained Oscillation Modeling and Its Quantitative Suppression Methodology for GaN Devices. IEEE Trans. Power Electron. 2021, 36, 7927–7941. [Google Scholar] [CrossRef]
- Glaser, J.S.; Helou, A. PCB Layout for Chip-Scale Package GaN Fets Optimizes Both Electrical and Thermal Performance. In Proceedings of the 2022 IEEE Applied Power Electronics Conference and Exposition (APEC), Houston, TX, USA, 20–24 March 2022; pp. 991–998. [Google Scholar]
- Letellier, A.; Dubois, M.R.; Trovão, J.P.F.; Maher, H. Calculation of Printed Circuit Board Power-Loop Stray Inductance in GaN or High di/dt Applications. IEEE Trans. Power Electron. 2019, 34, 612–623. [Google Scholar] [CrossRef]
- Wu, Y.; Yin, S.; Dong, M.; Jin, S.; Li, H.; Cheng, Y.; See, K. Prediction of overshoot and crosstalk of low-voltage GaN HEMT using analytical model. IET Power Electron. 2022, 12, 1295–1321. [Google Scholar] [CrossRef]
- Liu, X.; Li, H.; Wu, Y.; Wang, L.; Yin, S. Dynamic Dead-Time Compensation Method Based on Switching Characteristics of the MOSFET for PMSM Drive System. Electronics 2023, 12, 4855. [Google Scholar] [CrossRef]































| Method | Specific Technology | Principle | Advantages | Limitations | References |
|---|---|---|---|---|---|
| Device-Level Optimization | 1. GaN HEMT (near-field scanning, Kelvin pins, surface-mount packaging) | Reduce packaging-induced parasitic parameters | Lowers parasitic inductance/capacitance; improves high-frequency switching performance | High cost | [12,13,14] |
| 2. Cascode GaN HEMT (stacked chips, compensation capacitors) | Eliminate oscillations and reduce EMI via parasitic compensation | Effective oscillation suppression; low EMI emissions | High manufacturing cost; complex process; strict high-precision requirements | [15] | |
| Module-Level Optimization | 1. Traditional layout optimization (widening/shortening patterns, reducing bond wire length) | Lower power loop parasitic inductance | Simple implementation; low cost; compatible with most module structures | Limited parasitic reduction; cannot fully optimize internal inductance | [16,17,18] |
| 2. New module technologies (decoupling capacitors, dual-source designs) | Further mitigate power loop parasitics beyond traditional layout | Enhances parasitic suppression; adaptable to high-power scenarios | High requirements for testing equipment | [16,17] | |
| 3. Copper pillar connection optimization (layout reconstruction) | Reduce inductance via structural optimization of interconnections | Suppresses oscillations; reduces switching losses | Fails to fully optimize internal inductance; risks dynamic current sharing in multi-chip parallelism | [19] | |
| Driver-Level Optimization | 1. High-speed response and immune converter | Achieve slew rate acceleration, noise suppression, low delay design | No complex processing; low latency; suitable for GaN power ICs | Effectiveness for discrete devices unproven | [24] |
| 2. AOV and TBLS | Mitigate interference via active control and anti-interference shifters | Strong anti-interference capability; effective for GaN HEMT issues | Higher losses than gate resistance; needs dynamic driving optimization | [25] | |
| Passive Snubber Circuits | 1. RC Snubber | Absorb oscillation energy via external resistors/capacitors | No complex control; easy integration; low cost; minimal impact on switching speed | Increases current stress; lacks parasitic modeling | [26,27,28] |
| 2. RCD Snubber | Improve energy absorption speed via parallel diodes | Faster suppression than RC Snubber | Affected by diode reverse recovery; significant switching loss | [28] | |
| 3. Clamped RCD Snubber | Restrain capacitor voltage to DC bus voltage; operate only during oscillations | Negligible impact on speed/losses; better suppression | Lacks parasitic modeling and systematic experimental analysis | [28] | |
| Snubber Parameter Optimization | 1. Phase margin maximization (third-order transfer function model) | Optimize Snubber resistance via closed-loop phase margin analysis | Reduces overshoot/losses; improves EMC; high power density | Fails to balance suppression and dynamic response; ignores non-PCB parasitics | [29] |
| 2. Root locus analysis (seventh-order equivalent model) | Suppress oscillations via dipole elimination (damping ratio > 0.4) | Effect oscillation suppression; high model accuracy | Complex high-order analysis; relies on designers’ expertise | [30] | |
| PCB Layout Optimization | 1. Horizontal/vertical layout and single-layer optimization | Reduce inductance via field cancellation/self-cancellation | Lowers inductance, overshoot, and losses | Ignores GaN nonlinear capacitances and coupling effects | [2] |
| 2. Balanced electrical-thermal layout | Co-optimize inductance and thermal impedance; reduce peak temperature | Adaptable to bidirectional conversion; solves heat dissipation issues | Relies on empirical formulas; lacks precise parasitic quantification | [31] | |
| 3. Inner-layer power loop structure | Minimize loop area via multi-layer inner return paths | Optimal stray inductance; high calculation accuracy | Limited applicability; manufacturer data errors | [32] |
| Parameter | Value |
|---|---|
| 12 V | |
| 1500 | |
| 1.28 nF | |
| ( + ) | 60.3 nF |
| ( + )/( + ) | 3 nF |
| (+ + ) | 1.2 |
| 1 | |
| 0.1 | |
| 1.5 |
| Parameter | Value | ||||||||||
|---|---|---|---|---|---|---|---|---|---|---|---|
| /A | 5 | 10 | 15 | 20 | |||||||
| /nH | 57.6 | 45.3 | 57.6 | 45.3 | 57.6 | 45.3 | 45.3 | ||||
| Snubber | wo | w | wo | w | wo | w | wo | w | w | w | w |
| Mean of /V | 25 | 20 | 24 | 14 | 42 | 31 | 35 | 25 | 43 | 36 | 46 |
| Mean of /V | 24 | 21 | 23 | 20 | 23 | 17 | 24 | 21 | 20 | 18 | 16 |
| Mean of / | 1.40 | 0.14 | 1.29 | 0.13 | 1.53 | 0.14 | 1.39 | 0.09 | 0.12 | 0.08 | 0.07 |
| Mean of / | 1.41 | 0.19 | 1.36 | 0.14 | 1.26 | 0.12 | 1.02 | 0.08 | 0.11 | 0.07 | 0.06 |
| Parameter | Value | ||||
|---|---|---|---|---|---|
| /nF | 1 | 2.5 | 5 | 10 | 25 |
| Mean of overshoot/V | 33.2 | 28.4 | 26.8 | 24.2 | 22.6 |
| Mean of /MHz | 21.3 | 19.1 | 17.7 | 15.8 | 15.2 |
| Parameter | Value | ||||
|---|---|---|---|---|---|
| / | 1 | 2.5 | 5 | 10 | 25 |
| Mean of overshoot/V | 19.8 | 22.8 | 26.8 | 29 | 32.6 |
| Mean of /MHz | 10.1 | 10.3 | 17.4 | 19.2 | 19.4 |
Disclaimer/Publisher’s Note: The statements, opinions and data contained in all publications are solely those of the individual author(s) and contributor(s) and not of MDPI and/or the editor(s). MDPI and/or the editor(s) disclaim responsibility for any injury to people or property resulting from any ideas, methods, instructions or products referred to in the content. |
© 2025 by the authors. Licensee MDPI, Basel, Switzerland. This article is an open access article distributed under the terms and conditions of the Creative Commons Attribution (CC BY) license (https://creativecommons.org/licenses/by/4.0/).
Share and Cite
Liu, X.; Li, H.; Lin, J.; Song, C.; Zhang, H.; Xue, Y.; Zhang, H. Mitigation of Switching Ringing of GaN HEMT Based on RC Snubbers. Aerospace 2025, 12, 885. https://doi.org/10.3390/aerospace12100885
Liu X, Li H, Lin J, Song C, Zhang H, Xue Y, Zhang H. Mitigation of Switching Ringing of GaN HEMT Based on RC Snubbers. Aerospace. 2025; 12(10):885. https://doi.org/10.3390/aerospace12100885
Chicago/Turabian StyleLiu, Xi, Hui Li, Jinshu Lin, Chen Song, Honglang Zhang, Yuxiang Xue, and Hengbin Zhang. 2025. "Mitigation of Switching Ringing of GaN HEMT Based on RC Snubbers" Aerospace 12, no. 10: 885. https://doi.org/10.3390/aerospace12100885
APA StyleLiu, X., Li, H., Lin, J., Song, C., Zhang, H., Xue, Y., & Zhang, H. (2025). Mitigation of Switching Ringing of GaN HEMT Based on RC Snubbers. Aerospace, 12(10), 885. https://doi.org/10.3390/aerospace12100885

