Next Article in Journal
Feature Coding and Graph via Transformer: Different Granularities Classification for Aircraft
Previous Article in Journal
Refinement of Control Strategies for Wheel-Fan Systems in High-Speed Air-Floating Vehicles Operating in Atmospheric Pressure Pipelines
 
 
Font Type:
Arial Georgia Verdana
Font Size:
Aa Aa Aa
Line Spacing:
Column Width:
Background:
Article

Research and Flight Test on the Terminal Guidance Control Technology for Cruising Unmanned Aerial Vehicles

School of Aerospace Engineering, Xiamen University, Xiamen 361102, China
*
Author to whom correspondence should be addressed.
Aerospace 2024, 11(12), 975; https://doi.org/10.3390/aerospace11120975
Submission received: 21 October 2024 / Revised: 19 November 2024 / Accepted: 23 November 2024 / Published: 26 November 2024
(This article belongs to the Section Aeronautics)

Abstract

The Cruising Unmanned Aerial Vehicle (CUAV) exemplifies an advanced system integrating UAV and munitions technology. The primary challenge lies in devising strategies to achieve precision strikes. Achieving precision strikes is a critical combat mission for CUAV and serves as the primary focus of this research. This paper introduces a three-loop pseudo-angle-of-attack acceleration autopilot design with proportional–integral (PI) correction, overcoming the limitations of existing two-loop and three-loop systems. The existing two-loop acceleration autopilot with PI correction suffers from low robustness, whereas the three-loop autopilot exhibits slow response to acceleration deviations. The proposed design overcomes these shortcomings by optimizing the autopilot for high-dynamic and fast-response scenarios. The design methodology leverages pole assignment, referencing the pole co-circle method and accommodating servo bandwidth limitations. A comparison of the designed three-loop acceleration autopilot with PI correction with other acceleration autopilots reveals superior accuracy advantages. The reliability and robustness of the proposed autopilot were validated through flight tests, achieving a drop point accuracy of less than 0.5 m. This study demonstrates the engineering application of a pseudo-angle-of-attack three-loop acceleration autopilot with PI correction, designed using the pole assignment method, on a short-range CUAV. Future efforts will focus on optimizing the autopilot to further enhance its adaptability and robustness.

1. Introduction

Recent advancements in optical imaging, autonomous navigation, control systems, and related technologies have enabled the creation of a novel CUAV capable of “cruising” over targets and “standing by to attack”. This innovative military concept integrates precision-guided munitions with unmanned aerial vehicle systems. The CUAV performs diverse combat tasks, including battlefield reconnaissance, precision strikes, and specialized payload delivery. Commonly termed “suicide drones” [1,2], these systems exhibit dual functionality across distinct mission stages. In the cruise phase, they function as drones for reconnaissance missions. During the launch and final guidance phases, they transition into missile roles, deployable from various platforms for precision strikes [3]. The distinctive advantages position CUAV as a focal point for development among current and emerging military powers, intensifying competition in this field.
Core technologies essential to CUAV encompass real-time image search and tracking [4], guidance and control systems [5], wing-folding mechanisms [6,7], and cluster control strategies [8]. This paper emphasizes guidance and control technology, a cornerstone of CUAV development and operational success. Guidance and control critically affect mission execution, particularly the precision of terminal guidance. CUAV guidance and control technology consists of two principal components: the guidance link and the control link. The guidance link generates commands using data from the onboard imaging guidance head, which measures and interprets target motion to calculate the line-of-sight angular rate. These data are processed via a guidance law to create input signals, subsequently transmitted to the control link [8]. The control link stabilizes and directs the CUAV via the autopilot, ensuring adherence to the optimal trajectory and precise target engagement.
Effective tracking of moving targets by CUAV requires the development of high-performance tracking guidance laws. Three primary guidance laws are currently utilized: proportional navigation (PN) [9], model predictive control (MPC) [10], and Lyapunov vector field (LVF) [11]. Among these, proportional navigation is widely preferred for its structural simplicity and engineering practicality [12]. Proportional navigation minimizes the miss distance by aligning the missile’s relative velocity with the target, ensuring its trajectory converges at the target. Over decades of development, PN has undergone significant advancements in both theory and practical application. Theoretically, early studies [13] presented a closed-form solution for proportional guidance targeting non-maneuverable objects. Subsequent research [9] expanded this into an analytical solution for non-maneuverable targets in three-dimensional space, while recent studies [14] introduced a variable-gain proportional guidance law for precise impact timing control. Other studies have investigated innovative techniques, including reinforcement learning for guidance ratio design and optimal control theory for proportional guidance [15,16]. Practically, proportional guidance has been validated in diverse scenarios. For example, research [17] proposed a stationary target attack scheme with impact time constraints. Additionally, research [18] demonstrated proportional guidance on quadrotor UAVs through flight tests, while research [19] validated CUAV flight tests at varying descent angles using a three-dimensional proportional guidance law. These developments underscore the robust theoretical and practical foundation of proportional guidance in the UAV domain.
To ensure accurate and reliable execution of control commands by CUAV, most systems adopt acceleration autopilots. Common acceleration autopilot configurations include the two-loop with PI correction [20], the classical three-loop [21], and the pseudo-angle-of-attack three-loop [22]. The two-loop acceleration autopilot with PI correction integrates a correction mechanism into the standard acceleration pilot to mitigate steady-state errors [20]. The classical three-loop acceleration autopilot incorporates additional attitude stabilization feedback compared to the two-loop system but is susceptible to steady-state errors caused by velocity measurement inaccuracies [23]. The pseudo-angle-of-attack three-loop acceleration autopilot employs a stabilization loop based on an approximate angle of attack, derived from processed angular rate signals via an inertial link. This structure exhibits superior robustness to input noise compared to the two-loop design, without requiring additional sensors. Among these configurations, the pseudo-angle-of-attack feedback three-loop autopilot is particularly notable for its adaptability [24]. While traditional designs of this structure often employ integral correction, this study introduces a pseudo-angle-of-attack feedback three-loop autopilot enhanced with PI correction to improve performance and accuracy.
Autopilot design methods have been widely investigated, with classical linear approaches being the most prevalent due to their practicality, cost-efficiency, and low associated risks. For linear time-invariant systems, the pole assignment method is frequently utilized [25]. For example, a study [26] applied the pole assignment method to design a system under rudder constraints, validating its feasibility. Another study [27] proposed a prediction-corrected open-loop traversing frequency pole assignment method to overcome the limitations of the original algorithm. Similarly, another study [28] employed the pole assignment method to develop a novel triple-rotor system incorporating accelerometer feedback, achieving enhanced control performance. Additionally, a study [29] designed a three-loop autopilot with acceleration feedback and verified its feasibility through pole assignment for parameter design on statically unstable missiles with varying characteristic points. Collectively, these studies highlight the critical role of the pole assignment method in autopilot design. However, despite yielding promising results, these studies mainly focus on simulation analyses and lack validation through real-world flight tests. This paper seeks to advance this line of research by applying the pole assignment method to controller design and validating its feasibility in practical engineering applications.
This paper introduces the design of a pseudo-angle-of-attack three-loop acceleration autopilot with PI correction, overcoming the limitations of existing systems. The primary contributions of this study are outlined as follows:
  • Design of a Pseudo-Angle-of-Attack Three-Loop acceleration Autopilot with PI Correction: This study proposes a novel design that incorporates a PI correction method to address the slow dynamic response associated with traditional pseudo-angle-of-attack three-loop acceleration autopilots that solely utilize an integral correction structure. This design leverages the advantages of PI correction, significantly improving the dynamic response speed of the pseudo-angle-of-attack three-loop autopilot while also enhancing overall control accuracy, thereby meeting the demands of highly dynamic and precise strike scenarios.
  • Multi-Dimensional Comparative Performance Analyses: The study conducts a comparative analysis of the linear and nonlinear performance among the pseudo-angle-of-attack three-loop with PI correction, the traditional pseudo-angle-of-attack three-loop, and the PI-corrected two-loop acceleration autopilot. The results of the time-domain and quantitative performance comparisons demonstrate that the designed control exhibits significant superiority.
  • Validation of the Feasibility and Practicality of the autopilot through Test-Flight Experiments: Test-flight experiments conducted in a real CUAV environment validate the effectiveness of the designed controller in precision strike missions and complex dynamic scenarios. These findings provide robust empirical support for the practical engineering application of the control system and demonstrate its potential for broad application in real engineering fields.
The structure of this paper is organized as follows. Section 2 presents the development of the CUAV motion model, the relative motion model between the CUAV and the target, and the longitudinal dynamic model of the CUAV. Additionally, it introduces the guidance methods that are closely related to control. Section 3 introduces the characteristics of a pseudo-angle-of-attack three-loop acceleration autopilot with PI correction and describes the parameter design methodology based on the pole assignment approach. Section 4 then presents a theoretical comparison between the two-loop acceleration autopilot with PI correction and the three-loop autopilots, emphasizing the differences in parameter design strategies using the pole assignment method. Subsequently, control parameter designs for specific platforms, such as CUAV, are discussed in detail. This includes the step response design comparison among three autopilots. These designs are analyzed through nonlinear model simulations, step response comparisons, and robustness validation to offer a deeper insight on the performance and advantages of the proposed autopilot. Section 5 discusses flight preparation and flight data analysis. The results confirm that the designed controller effectively guides the CUAV to complete the predefined mission. The analysis validates the performance of the proposed control system in achieving precise guidance, robustness, and stability in real-world flight conditions. Both theoretical and engineering evaluations underscore the system’s significant control effectiveness, emphasizing its practical value and robustness.

2. Materials and Methods

CUAV are a hybrid of UAVs and missiles, integrating the cruising capability of UAVs with the precision-guided strike functionality of missiles. The flight process is typically divided into three main stages: the wing-deployment phase, the cruising phase, and the terminal glide phase. This paper focuses on the latter stages, specifically the selection and design of the controller to ensure that the landing point achieves high precision.
For practical engineering and aircraft flight tasks, CUAV has the characteristics of low flight speed and short flight distance, so we make the following reasonable assumptions based on the above situation.
  • Assuming a flat Earth. For CUAV with short flight distances, the curvature of the Earth can be ignored. This assumption simplifies calculations and allows the direct use of an inertial coordinate system.
  • Assuming a stationary Earth. Over short distances and short durations, the effects of the Earth’s rotation, such as the Coriolis force, are negligible. This assumption simplifies the dynamics model and eliminates the need to account for rotational effects.

2.1. Modeling Preparation

2.1.1. CUAV Motion Modeling

The coordinate system of CUAV is illustrated in Figure 1.
The CUAV is a six-degree-of-freedom model, which can be expressed by the following equation:
x ˙ = f ( x , t , u ) y = c x
where x is the state vector, u is the control vector, t is the time, and y is the output vector.
According to reference [5], the principles of rigid-body dynamics and kinematics allow twelve differential equations to elucidate the six-degree-of-freedom motion of CUAV.
U ˙ = R V Q W g sin ϑ + F x m V ˙ = R U + P W + g sin ϕ cos ϑ + F y m W ˙ = Q U P V + g cos ϕ cos ϑ + F z m P ˙ = 1 I x I z I x z 2 I z L ¯ + I x z N + I y I z I z I x z 2 R Q + I x I y + I z I x z P Q Q ˙ = 1 I y I z I x P R I x z P 2 R 2 + M R ˙ = 1 I x I z I x z 2 I x I x I y + I x z 2 P Q I x I y + I z I x z R Q + I x z L ¯ + I x N ϕ ˙ = P + tan ϑ Q sin ϕ + R cos ϕ ϑ ˙ = Q cos ϕ R sin ϕ ψ ˙ = 1 cos ϑ Q sin ϕ + R cos ϕ P ˙ N = U cos ϑ cos ψ + V sin ϕ sin ϑ cos ψ cos ϕ sin ψ + W cos ϕ sin ϑ cos ψ + sin ϕ sin ψ P ˙ E = U cos ϑ sin ψ + V sin ϕ sin ϑ sin ψ + cos ϕ cos ψ + W cos ϕ sin ϑ sin ψ sin ϕ cos ψ H ˙ = U sin ϑ V sin ϕ cos ϑ W cos ϕ cos ϑ
where U, V, and W denote the velocity components along three axes in the airframe coordinate system, and P, Q, and R denote the roll angle rate, pitch angle rate, and yaw angle rate, respectively. Furthermore, ϕ , ϑ , and ψ denote the roll, pitch, and yaw angles, respectively. Additionally, P N , P E , H denote the northward displacement, eastward displacement, and altitude of the CUAV motion, respectively. F x , F y , and F z represent the airframe coordinate system’s three-axis components of aerodynamic and thrust force. The symbol g represents the gravitational acceleration. The symbol m denotes the mass of the CUAV. I x , I y , I z , and I xz represent the moments of inertia along the airframe system’s three axes and the cross-term product of inertia. L ¯ , M, and N represent the roll moment, pitch moment, and yaw moment, respectively.
The V-tail design of the CUAV requires the tail rudder to combine the functions of both the elevator and rudder. Consequently, the conversion relationship between the control command u c = δ elec , δ rudc , δ ailc T and the actual rudder v c = δ 1 c , δ 2 c , δ 3 c T can be expressed as follows:
v c = H u c = 1 1 0 1 1 0 0 0 1 δ elec δ r u d c δ a i l c
In the actual control surfaces v c , δ 1 c denotes the V-tail left control surface, δ 2 c denotes the V-tail right control surface, and δ 3 c denotes the main wing control surface.

2.1.2. The Relative Motion Modeling of CUAV and Target

In the relative motion model, the dimensions and shapes of both the CUAV and the target are considered to have minimal influence on the study. Therefore, they are treated as point masses. Let the point o g represent the center of mass of the CUAV. The ground coordinate system is defined as o g x g y g z g , where X m , Y m , and H m denote the positional components of the CUAV within this coordinate system. The velocity components are represented as V x , V y , and V z . Similarly, X t d , Y t d , and H t d denote the positional components of the stationary target in the ground coordinate system. The spatial relationship between the CUAV and the target is illustrated in Figure 2, which schematically represents their interaction in terms of relative positions and motion.
Let the difference between the position components of the CUAV and the target be represented by the variable d X , d Y , d H , which can be expressed as follows:
d X = X t d X m d Y = Y t d Y m d H = H t d H m
The relative distance between the CUAV and the target is given by the equation
R = d X 2 + d Y 2 + d H 2
The pitch angle of sight λ and the azimuth angle of sight χ are expressed as follows:
λ = arctan ( d H d X 2 + d Y 2 ) χ = arctan ( d Y d X )
To analyze the angular rates, the line-of-sight angles are differentiated with respect to time. The pitch rate of sight λ ˙ and the azimuth rate of sight χ ˙ are derived as
λ ˙ = d H d X 2 + d Y 2 R 2 d X V x + d Y V y d X 2 + d Y 2 d X 2 + d Y 2 R 2 V z d X 2 + d Y 2 χ ˙ = d X V y d Y V x d X 2 + d Y 2
Simplify the pitch rate of sight so that
cos λ = d X 2 + d Y 2 R sin λ = d H R
The simplified angular rate of the line of sight can be obtained by the following formula:
λ ˙ = cos λ sin λ d X V x + d Y V y d X 2 + d Y 2 cos λ cos λ V z d X 2 + d Y 2 χ ˙ = d X V y d Y V x d X 2 + d Y 2

2.1.3. The Longitudinal Dynamic Modeling of CUAV

The dynamic equations governing CUAV constitute a nonlinear system, typically requiring numerical methods for their solution. Numerical methods, while effective for specific scenarios, often fail to extract universally applicable principles due to their reliance on case-specific solutions. To address this limitation, various linearization techniques are applied to simplify the nonlinear models. Common approaches include small-perturbation linearization [30], coefficient freezing [31], linear parameter-varying (LPV) methods [32], and differential flatness [33]. Among these techniques:
  • Small-perturbation linearization and coefficient-freezing methods are particularly suitable for systems with minimal parameter variation due to their simplicity and computational efficiency.
  • LPV methods provide greater flexibility in handling parameter variations but come with increased computational demands.
  • Differential flatness methods require highly accurate modeling and are complex to implement, making them less favorable for real-time applications.
In practical CUAV applications, small-perturbation and coefficient-freezing methods are predominantly employed. These methods allow for the linearization of nonlinear systems, derivation of transfer functions, and simplification of dynamics by neglecting coupling effects between pitch, roll, and yaw channels. This focused approach facilitates the analysis and control design of the primary longitudinal dynamics.
According to reference [34], we can obtain the parameter definitions in Table A1 and the aerodynamic derivative expressions in Table 1. The differential relationships among these parameters can be expressed in state-space matrix form:
x ˙ = Ax + B u , y = Cx + D u
Assume the state vector x = ϑ ˙ , ϑ , θ T and y = ϑ ˙ , ϑ , a z T , with the result that we can simplify the pitch channel state space equation as follows:
ϑ ¨ ϑ ˙ θ ˙ = a ω a α a α 1 0 0 0 b α b α ϑ ˙ ϑ θ + a δ 0 b δ δ e
ϑ ˙ ϑ a z = 1 0 0 0 1 0 0 V b α V b α ϑ ˙ ϑ θ + 0 0 b δ δ e
where
A = a ω a α a α 1 0 0 0 b α b α   B = a δ 0 b δ   C = 1 0 0 0 1 0 0 V b α V b α   D = 0 0 b δ

2.2. Guidance and Control Strategy

The guidance and control strategy for CUAV is critical for ensuring precise target tracking and maintaining stability during flight. The relationship between the guidance and control systems of the CUAV is illustrated in Figure 3. The target position serves as the input for the guidance process. By calculating the relative position between the CUAV and the target, the line-of-sight (LOS) angular rate can be obtained. Subsequently, the required acceleration control command is derived using a specified guidance law.
To close the control loop, the position of the CUAV is used as a feedback signal to refine the LOS angular rate, while the acceleration serves as a feedback signal to facilitate the control of the acceleration autopilot. Together, these elements establish a closed-loop guidance and control system.

2.3. Design of Guidance Law

The proportional guidance law, a widely utilized engineering method, is adopted for the lower segment of the CUAV guidance system. This approach establishes a proportional relationship between the rotational angular rate of the missile’s velocity vector and the angular rate of the target’s line of sight during flight. By leveraging this principle, the proportional guidance law generates an acceleration command that adjusts both the magnitude and direction of the CUAV’s velocity, ensuring effective navigation toward the target.
The target line-of-sight coordinate system o x l y l z l utilized for proportional guidance is depicted in Figure 4. The angular relationship between the x-axis of the line-of-sight system and the ground coordinate system o x g y g z g is composed of the pitch angle of sight λ , and the azimuth angle of sight χ . The pitch angle λ defines the angle between the line of sight and the horizontal plane o x g y g , where a positive λ indicates an upward line of sight. Similarly, the azimuth angle χ describes the angle between the projection of the line of sight onto the horizontal plane o x g y g and the axis o x g , with a positive χ corresponding to a rightward direction of the line of sight.
In the case of a specific missile velocity, the normal acceleration a z is proportional to the pitch rate of sight λ ˙ [19]. The guidance relationship between these two variables is described by the following equation.
a z = V σ ˙ = V K λ ˙
In this equation, a z represents the acceleration vector, σ ˙ represents the rotational angular velocity of the missile, K is the guidance ratio, and λ ˙ represents the rotational angular velocity of the target line of sight R.
The parameter design of proportional guidance must be tailored to align with the specific requirements of each task and vehicle. According to the principles of proportional guidance, an increase in the guidance ratio results in a more direct guidance trajectory and reduces the normal acceleration requirement for the vehicle. The selection of an appropriate guidance ratio should take into account not only the characteristics of the vehicle’s trajectory during guidance but also its structural acceleration capacity. Consequently, the guidance ratio K should be selected within a reasonable range 1 , . The proportional guidance method does not require the attainment of high initial conditions at the time of targeting and launching, and its implementation in the technological process is relatively straightforward. The PN guidance law, which uses a navigation ratio of N = 3 , represents the optimal guidance law and has been successfully applied in intercepting targets under various engagement conditions [35].

3. Controller Design

3.1. Establishment of Longitudinal Transfer Function

Since the control system parameters are to be designed using classical control theory, the transfer function relating the elevator deflection to normal acceleration, as well as the normal acceleration to pitch angle velocity, can be derived from Equations (11) and (12) as follows:
a z ( s ) δ z ( s ) = K a z ( A 2 s 2 + A 1 s + 1 ) T m 2 s 2 + 2 μ m T m s + 1
ϑ ˙ ( s ) a z ( s ) = T α s + 1 V ( A 2 s 2 + A 1 s + 1 )
Starting from the relation α = ϑ θ [34], and incorporating Equations (11) and (12), the transfer function from longitudinal acceleration to the angle of attack can be derived as follows:
α ( s ) a z ( s ) = K α ( B 1 s + 1 ) A 2 s 2 + A 1 s + 1
The expression of each parameter is provided in Table 2 below for reference. In this context, the time constant is denoted by T m , while the damping coefficient is denoted by μ m .

3.2. Design of a Pseudo-Angle-of-Attack Three-Loop Acceleration Autopilot with PI Correction

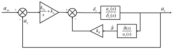
The pseudo-angle-of-attack three-loop acceleration autopilot with PI correction is derived from the two-loop acceleration autopilot with PI correction by adding a stabilization loop and a new proportional link. This modification enables more rapid acceleration command tracking than possible with the pseudo-angle-of-attack three-loop acceleration autopilot. The block diagram is presented in Figure 5. The three-loop structure consists of a damping loop with angular velocity as the feedback, a stabilization loop with pseudo-angle-of-attack as the feedback, and a main control loop with acceleration as the feedback. Within this system, the integral gain k i a z and proportional gain k a z are combined to form a PI correction, which eliminates the steady-state error in acceleration tracking. The pitch rate feedback gain k ϑ ˙ is used to regulate the pitch rate ϑ ˙ , while the pseudo-angle-of-attack feedback gain k α is used to control the angle of attack α . The longitudinal acceleration command a z c is derived from the proportional guidance law and is used to control the longitudinal acceleration a z of the CUAV.
The pitch angle rate is fed back to the main loop through the angle rate gain, forming an inner-loop damping control mechanism, as shown in Figure 6.
The open-loop transfer function for the control loop depicted in Figure 6 is described as
G 1 s = K a z ( T α s + 1 ) V ( T m 2 s 2 + 2 μ m T m s + 1 )
The closed-loop transfer function is given by
Φ 1 s = K a z V ( A 2 s 2 + A 1 s + 1 ) k ϑ ˙ K a z ( T α s + 1 ) + V ( T m 2 s 2 + 2 μ m T m s + 1 )
The transfer function Equation (17) converts the longitudinal acceleration to the angle of attack. It is fed back to the main loop through the pseudo-angle-of-attack feedback gain to form the stabilization loop control, which ensures the stability of the CUAV’s angle of attack, as illustrated in Figure 7.
When combined with the closed-loop transfer function of the damping loop, the closed-loop transfer function shown in Figure 7 is
Φ 2 s = K a z ( A 2 s 2 + A 1 s + 1 ) k α K a z K α ( B 1 s + 1 ) + T m 2 s 2 + 2 μ m T m s + 1
By analyzing the overall structure and disconnecting the control variable δ z in Figure 5, the open-loop transfer function, described by Equation (21), is derived as follows:
G 3 s = ( k i a z s + k a z + k α α s a z s + k ϑ ˙ ϑ ˙ s a z s ) a z s δ z s
Upon substituting α s a z s ϑ ˙ s a z s a z s δ z s into G 3 s , the following result is obtained:
G 3 s = k a z A 2 K a z V s 3 + K a y ( k ϑ ˙ T α + k a z A 1 V + k i a z A 2 V + k α B 1 K α V ) s 2 + K a z ( k ϑ ˙ + k a z V + k i a z A 1 V + k α K α V ) s + k i a z K a z V V s ( T m 2 s 2 + 2 μ m T m s + 1 )
Due to the exceedingly small values of a ω and b δ for CUAV, which can be neglected, A 1 , A 2 and B 1 can be approximated as zero. Assuming that the open-loop transfer function amplitude equals one, the open-loop cutoff frequency of the system (Equation (22)) is approximated as follows:
ω C R K a z k ϑ ˙ T α V T m 2
The three-loop closed-loop transfer function of the pseudo-angle-of-attack encompassing damping, stabilization, and acceleration loops is expressed as:
Φ s = d 3 s 3 + d 2 s 2 + d 1 s + 1 c 3 s 3 + c 2 s 2 + c 1 s + 1
The parameters can be expressed as follows:
d 1 = A 1 + k a z k i a z d 2 = k a z k i a z A 1 + A 2 d 3 = k a z k i a z A 2 c 1 = k a z k i a z + A 1 + k ϑ ˙ k i a z V + 1 k i a z K a z + k α k i a z K α c 2 = k a z k i a z A 1 + A 2 + k ϑ ˙ k i a z V T α + 2 μ m T m k i a z K a z + k α k i a z K α B 1 c 3 = k a z k i a z A 2 + T m 2 k i a z K a z
Given that the closed-loop characteristic equation is characterized as a third-order equation, the controller is designed linearly using the pole assignment method. According to modern control theory, a sufficient and necessary condition for full system controllability is that system poles can be assigned arbitrarily within the root plane. For a third-order system, it suffices to demonstrate that the controllability matrix M = [ B | AB | A 2 B ] is of full rank. One can verify that:
rank [ B | AB | A 2 B ] = 3
The pseudo-angle-of-attack three-loop acceleration autopilot with PI correction, when disregarding the actuator’s dynamic characteristics, can be considered a third-order system with three characteristic roots. Assuming that the poles consist of a negative real root and a pair of oscillatory roots, let the first-order lag link time constant be denoted as τ , the damping ratio as ζ , and the undamped natural frequency as ω . The three characteristic roots of the closed-loop transfer function can thus be derived accordingly, and the desired characteristic equation is given by:
( 1 + τ s ) ( s 2 ω 2 + 2 ζ ω s + 1 ) = τ ω 2 s 3 + 1 ω 2 + 2 ζ τ ω s 2 + 2 ζ ω + τ s + 1
This systematic approach ensures that the autopilot achieves the desired stability and dynamic performance.
The response speed characterized by the equivalent time constant of the third-order system can be derived from the principle of pole covariance, which imposes constraints on the closed-loop poles and the open-loop cutoff frequency [12]. When the real poles and the real part of the conjugate poles satisfy the relationship defined by Equation (28), the system’s time constant is minimized, indicating enhanced system rapidity [36].
1 τ = ω
According to the co-circle principle, the interrelationship between the real poles S 0 and the conjugate poles S 12 of the third-order system in polar coordinates is depicted in Figure 8. Consequently, the only parameters that require determination to establish the control gain and facilitate controller design are the damping ratio ζ and the undamped natural frequency ω . In accordance with the principles of automatic control, the damping ratio ζ is conventionally set to 0.707, leaving the undamped natural frequency as the sole parameter for determination. The open-loop cutoff frequency is constrained by the bandwidth of high-frequency components, where engineering practice generally adopts an open-loop cutoff frequency for servo bandwidth in the range of 1 5 1 3 .
By applying an analytical method for pole assignment, the parameters of the closed-loop characteristic polynomial Equation (24) for the three-loop acceleration autopilot can be derived by matching them with the coefficients of the desired characteristic Equation (27). The results are as follows:
τ ω 2 = k a z k i a z A 2 + T m 2 k i a z K a z 1 ω 2 + 2 ζ τ ω = k a z k i a z A 1 + A 2 + k ϑ ˙ k i a z V T α + 2 μ m T m k i a z K a z + k α k i a z K α B 1 2 ζ ω + τ = k a z k i a z + A 1 + k ϑ ˙ k i a z V + 1 k i a z K a z + k α k i a z K α
Equation (29) indicates that the three equations derived from the pole assignment involve four unknowns: k a z , k i a z , k ϑ ˙ , k α . To advance the analysis, an additional constraint must be introduced. Incorporating a PI correction element into the pseudo-angle-of-attack three-loop closed-loop transfer function introduces a zero into the system transfer function while ensuring the closed-loop steady-state error remains zero. Consequently, during the parameter design process for the autopilot, it is necessary to assign a value for k a z in advance to ensure the existence of a solution to the equations. The values of k i a z , k ϑ ˙ , k α are contingent upon the selection of k a z . Nevertheless, this does not influence the system’s closed-loop pole position. Ultimately, the four unknowns can be reduced to three, allowing the three-loop control parameters to be derived using this methodology during the autopilot design. Given that the quantities A 1 , A 2 , B 1 are relatively small, they may be approximated as zero. After simplification, the three-loop control parameters are expressed as follows:
k α = T α τ + T m 2 + K a z T α τ 2 T m μ m τ 2 T α T m 2 ξ ω + 2 T m 2 ξ τ ω T α T m 2 τ ω 2 K α K a z T α τ k i a z = T m 2 ω 2 K a z τ k ϑ ˙ = T m 2 V 2 T m V μ m τ + 2 T m 2 V ξ τ ω K a z T α τ
By combining Equations (23), (28), and (30), along with time-domain analysis, all parameters of the pseudo-angle-of-attack three-loop acceleration autopilot with PI correction can be determined by selecting an appropriate k a z .

4. Performance Analysis

4.1. Comparison with Two-Loop Acceleration Autopilot with PI Correction

The control structure of the two-loop acceleration autopilot with PI correction is both straightforward and easy to implement, factors that contribute to its widespread adoption in engineering applications. To examine the impact of the stabilizing loop, a comparative analysis is performed between the two-loop acceleration autopilot with PI correction and the pseudo-angle-of-attack three-loop acceleration autopilot with PI correction. The same controlled objects are chosen to ensure a consistent basis for application-level comparison.
The two-loop acceleration control with PI correction incorporates a correction link into the conventional acceleration autopilot, effectively removing steady-state errors in the control system. The control structure is illustrated in Figure 9. It comprises a damping loop with angular velocity feedback and an acceleration control loop with acceleration feedback. PI correction is applied to mitigate acceleration tracking errors effectively.
Similar to Section 3.2, the closed-loop transfer function of the two-loop acceleration autopilot with PI correction can also be derived. By comparing this with the closed-loop transfer function of the pseudo-angle-of-attack three-loop acceleration autopilot with PI correction, it is evident that the forms of these two transfer functions are as follows:
G ( s ) = a z ( s ) a z c ( s ) = j 3 s 3 + j 2 s 2 + j 1 s + 1 f 3 s 3 + f 2 s 2 + f 1 s + 1
A comparison of the coefficients is summarized in Table 3.
Table 3 illustrates that, under identical design specifications, the closed-loop gains of both systems exhibit equivalence. However, the design parameters of the three-loop acceleration autopilot are influenced by the pseudo-angle-of-attack stabilization loop, causing a divergence in pole assignment between the two systems. Similarly, for the two-loop autopilot, by matching the coefficients of the closed-loop characteristic equation of the two-loop autopilot with PI correction with those of the desired characteristic Equation (27), three equations with three unknowns are derived, ensuring a unique solution for determining each control parameter.

4.2. Design Example

Table 4 provides the aerodynamic parameters for the dive phase of CUAV. Given that the servo bandwidth is 220 rad/s and 1 5 is considered the open-loop cut-off frequency, the desired value of the open-loop cut-off frequency ω C R , is 45 rad/s, and the desired value of the damping ratio ζ is 0.707. According to Equations (23), (28), (30) and Table 3 and Table 4, the control parameters are summarized in Table 5.
A comparison of the step response curves can be obtained by configuring the poles of each acceleration autopilot control loop to be identical, as shown in Figure 10.
The blue curve represents the step response of the two-loop autopilot with PI correction, the red curve represents the step response of the pseudo-angle-of-attack three-loop autopilot with PI correction, and the black curve corresponds to the pseudo-angle-of-attack three-loop autopilot. Both the two-loop autopilot with PI correction and the pseudo-angle-of-attack three-loop autopilot with PI correction include a zero point, resulting in an overshooting phenomenon in their step responses. However, the magnitude of this overshoot differs between the two autopilots, with the two-loop autopilot exhibiting approximately 20% overshoot, while the pseudo-angle-of-attack three-loop autopilot exhibits an overshoot of less than 5%. The pseudo-angle-of-attack three-loop autopilot, having a gain k a z = 0 , achieves a closed-loop steady-state gain of one and includes no zero point. Consequently, it does not exhibit overshoot, although its response is marginally slower.
In conclusion, the pseudo-angle-of-attack three-loop autopilot with PI correction demonstrates superior performance in comparison to the other two configurations.

4.3. Nominal Simulation for the Dive Phase of the CUAV

To evaluate the effectiveness of the proposed autopilot designs, simulations were conducted for the nonlinear aircraft dynamic system described by Equation (2) using the MATLAB/Simulink(MathWorks, Natick, MA, USA, Version 2022b) simulation platform. Longitudinal acceleration control performance was compared among the two-loop acceleration autopilot with PI correction, the pseudo-angle-of-attack three-loop acceleration autopilot, and the pseudo-angle-of-attack three-loop acceleration autopilot with PI correction.
Based on the aerodynamic characteristics of the research object, a steady-state flight condition with a pitch angle of 2.4°, an angle of attack of 2.4°, a pitch rate of 0°/s, an airspeed of 33 m/s, and an altitude of 150m were identified and designated as the initial conditions for the dive phase. The available acceleration range for the aircraft was approximately −2 g to 6.7 g, and the longitudinal acceleration input was constrained within this range. The elevator deflection was limited to ±30°. Once the CUAV in steady flight met the necessary conditions to enter the descent phase, it adjusted its trajectory to align with the target using acceleration commands provided by the guidance system.
To simulate the descent phase, the target was assumed to be located directly ahead of the aircraft, with a horizontal distance of d x = 600 m and a vertical height difference of d h = 150 m. When the aircraft covers a horizontal distance of 600 m and its altitude remains within a ±0.5 m range, it is deemed to have successfully tracked the target and met the required impact point accuracy. In the Simulink simulation environment, the simulation time was set to 18s, with the ODE4 (Runge–Kutta) solver selected and a fixed time step of 0.01s. A comparison of the simulation results is presented in Figure 11 and Figure 12.
Based on the results presented in Figure 11 and Figure 12, it is evident that all three autopilot designs enable the CUAV to execute the target strike mission with high precision. Under nominal simulation conditions, the tracking performance of each design is illustrated in Figure 11. At the onset of the dive phase, the initial angle of attack from the steady flight phase resulted in a slightly inferior acceleration tracking performance for the three-loop autopilots (Figure 11b,c) compared to the two-loop autopilot (Figure 11a). A comparison between Figure 11a,c indicates that, compared to the two-loop autopilot, the pseudo-angle-of-attack three-loop autopilot with PI exhibits significantly higher accuracy and stability in tracking the acceleration command following the initial 3-second response phase, with no noticeable oscillations or deviations. Furthermore, comparing Figure 11b,c indicates that the pseudo-angle-of-attack three-loop autopilot with PI achieves a shorter settling time and transitions to a stable tracking state more rapidly than the pseudo-angle-of-attack three-loop autopilot. Thus, it can be concluded that the pseudo-angle-of-attack three-loop autopilot with PI demonstrates superior tracking performance compared to the other two designs.
The simulation results presented above confirm the validity of the theoretical analysis. The angle of attack is the primary factor responsible for generating aerodynamic moments. The pseudo-angle-of-attack feedback loop in the three-loop acceleration autopilot produces artificial restoring moments, thereby enhancing stability. The PI correction loop, leveraging the advantages of proportional and integral control, ensures a rapid response while eliminating steady-state errors. As illustrated in Figure 11c, under the influence of PI correction, the acceleration response achieves stable tracking rapidly with minimal error. Consequently, even in the presence of uncertain disturbances, the three-loop acceleration autopilot with PI correction significantly improves control robustness through the combined effects of pseudo-angle-of-attack stabilization and PI correction.
Regarding landing accuracy, the two-loop autopilot with PI correction achieved a landing precision of 0.1 m, while both the pseudo-angle-of-attack three-loop autopilot and the pseudo-angle-of-attack three-loop autopilot with PI correction achieved a precision of 0.07 m. These results indicate that all three acceleration autopilots exhibited outstanding performance in landing accuracy, with only marginal differences between them.

4.4. Robustness Verification

To verify the robustness of the parameters of the designed pseudo-angle-of-attack three-loop acceleration autopilot with PI correction, the axial aerodynamic coefficient, normal aerodynamic coefficient, lateral aerodynamic coefficient, control surface effectiveness, and wind were chosen as variables to evaluate the autopilot’s performance under the extreme deviation simulation. The specific deviations are detailed in Table 6.
The deviation for the axial aerodynamic coefficient and the control surface effectiveness was set to ±20%, while that for the normal and lateral aerodynamic coefficients was set to 10%. Given that the application scenario could involve maritime environments, the influence of 10 m/s tailwind, headwind, and crosswind was analyzed. The results of the extreme deviation simulations are presented in Figure 13 and Figure 14.
In Figure 13, the red curve denotes the results of the three-loop pseudo-angle-of-attack acceleration autopilot with PI correction. The gray and blue curves correspond to the three-loop pseudo-angle-of-attack acceleration autopilot and the two-loop acceleration autopilot with PI correction, respectively. Based on the results, a portion of the blue data exhibit divergence, whereas both the red and gray data demonstrate stable control.
To further evaluate the control performance of the three methods, a performance metric was introduced to quantitatively describe tracking error [37].
J err = 1 t f 0 t f a z c a z d t
where · represents the absolute value of the error.
The results of extreme deviation simulations were statistically analyzed in terms of the mean, standard deviation, and maximum value of the tracking error performance metric for the three autopilots, as shown in Table 7. Among the three methods, the pseudo-angle-of-attack three-loop autopilot with PI correction demonstrated the lowest standard deviation and maximum value, indicating superior robustness under varying extreme deviation conditions.
Figure 14 presents the two-dimensional deviation of the impact points, where each color represents the autopilot configurations described earlier. The dispersion of the impact points for the blue-colored two-loop acceleration autopilot with PI correction was greater than that of the other two three-loop autopilots. A standard deviation analysis of the impact points for the two three-loop autopilots, as summarized in Table 8, revealed that the red-colored three-loop acceleration autopilot with PI correction showed a lower standard deviation of impact points. This results in a more concentrated distribution, verifying that the three-loop acceleration autopilot with PI correction achieves better landing precision and demonstrates stronger robustness.

5. Flight Tests

5.1. Flight Test Overview

In May 2024, flight tests were conducted at Huaizhou Airport in Chengdu, Sichuan Province (30.677560 N; 104.527659 E). The site, with an elevation of 456.3 m, offered an expansive and unobstructed area suitable for unmanned operations. The test flights were conducted around 6 PM Beijing Time under stable meteorological conditions, including temperatures of approximately 30 °C, wind speeds of 3–6 m/s, and high visibility, ensuring high flight safety. The ground control station was located in an open area with a clear line of sight, ensuring stable data transmission and real-time monitoring of the CUAV’s position.
The flight control computer, powered by an MPC5674 CPU, provided robust computational capabilities, supporting a 100 Hz operating frequency for both the outer-loop guidance and attitude control loops. To address potential flight safety issues, several fail-safe redundancy measures were incorporated into the flight control system, including:
  • Return-to-Home Trigger on Boundary Breach: If the CUAV triggers the electronic fence, a return-to-home task is initiated.
  • Communication Loss Response: If communication with the ground control station is interrupted for more than 2 min, the return-to-home task is triggered.
  • Control Instability Safeguard: In the event of control instability, the system transitions to manual control mode, allowing the operator to take over.
The entire flight process is described as follows. Before launch, the pre-set planned trajectory was loaded into the CUAV’s flight control computer. The carrier aircraft lifted the CUAV to an altitude of 350 m, stabilized it, and released the connection mechanism. After separation, the CUAV transitioned into autonomous control mode, unfolded its tail and wings in sequence, then shifted from missile configuration to UAV mode before entering the cruise phase. During this phase, flying at an altitude of 150 m, the CUAV performed reconnaissance of the target area and transmitted real-time video data to the ground control station. Once the operator specified the target, the CUAV locked onto it and transitioned to the terminal descending guidance phase. Using the guidance laws developed in the study, the system maintained a line-of-sight relationship between the CUAV and the target, continuously transmitting line-of-sight angle rates to the flight control computer. The flight control system then issued commands to adjust the control surface, guiding the CUAV toward the target.
Table 9 shows the CUAV’s structural parameters, and Figure 15 shows the unmanned area where the target is located.
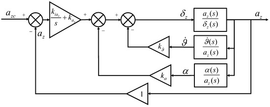
Using the guidance law and autopilot described in this paper, the CUAV completes the attack against stationary ground targets. Figure 16 shows the specific system block diagram.
Figure 17 presents a screenshot from the third viewpoint. The red circles indicate the positions of the CUAV and the target, depicting the CUAV’s descent, gradual approach, and final strike on the target. The image shows the CUAV successfully striking the red target.
Figure 18 shows a screenshot of the video from the CUAV’s viewpoint. The CUAV gradually narrows its range before finally locking on the target and hitting it.

5.2. Data Analysis

The descent phase lasts approximately 17 s, with the corresponding data presented in Figure 19.
Figure 19a reveals significant high-frequency noise in the longitudinal acceleration, with a maximum acceleration of −1.4 g observed during the descent phase. The longitudinal acceleration command remains relatively stable upon entering the descent phase but exhibits greater variability as the CUAV approaches the target. During the dive phase, the elevator deflection follows a trend similar to that of the longitudinal acceleration. At the onset of the dive phase, the elevator deflection is −3.5°, gradually reducing to approximately −1°. The trajectory angle decreases progressively to −22°, while the pitch angle declines to −20°. The speed steadily increases from 33 m/s to an impact velocity of 45 m/s. Ultimately, the longitudinal altitude deviation is recorded as 0.45 m. The results validate the designed pseudo-angle-of-attack three-loop acceleration autopilot with PI correction, confirming its ability to meet mission accuracy requirements.

6. Conclusions

This paper examines the design of CUAV guidance and control strategies for precision strike missions targeting stationary points. The guidance strategy employs a proportional guidance law, chosen for its straightforward implementation in engineering applications. The control strategy utilizes a pseudo-angle-of-attack three-loop acceleration autopilot enhanced with PI correction. Comparative studies and robustness analyses demonstrate that, compared with traditional three-loop pseudo-angle-of-attack acceleration autopilots, the inclusion of PI correction extends applicability to high-dynamic-response scenarios. Similarly, compared with two-loop acceleration autopilots featuring PI correction, stabilization loops further enhance robustness and control precision. The successful flight test validates the effectiveness of the proposed control strategy.
Future research will explore dynamic scheduling of control gains to enhance the adaptability of the pseudo-angle-of-attack three-loop acceleration autopilot with PI correction.

Author Contributions

Conceptualization, X.C. and G.S.; methodology, X.C., Z.G. and Z.S.; software, C.Y., Z.S. and F.B.; validation, X.C., Z.G. and F.B.; formal analysis, X.C. and C.Y.; investigation, X.C. and Z.G.; resources, L.W.; data curation, X.C., C.Y. and Z.S.; writing—original draft preparation, X.C.; writing—review and editing, X.C., C.Y. and Z.S.; visualization, C.Y. and G.S.; supervision, L.W.; project administration, L.W. and Z.G. All authors have read and agreed to the published version of the manuscript.

Funding

This research received no external funding.

Data Availability Statement

The data that support the findings of this study are available from the corresponding author upon reasonable request.

Conflicts of Interest

The authors declare no conflicts of interest.

Appendix A

Appendix A contains definitions for various variables, as summarized in Table A1.
Table A1. Some variable definitions for CUAV.
Table A1. Some variable definitions for CUAV.
NotationDefinition
ϑ Pitch angle
ϑ ˙ Pitch rate
ϑ ¨ Pitch acceleration
θ Velocity inclination
θ ˙ Angular rate of velocity inclination
a z Normal acceleration
α Angle of attack
VVelocity
δ e Elevator control surface
qDynamic pressure
mCUAV mass
PThrust
SReference area
LReference length

References

  1. Zhang, X.; Mi, C.; Wu, X.; Che, F.; Zhang, H.; Luo, G. A Test, Launch and Control System for Ground Launched Loitering Munition. In Proceedings of the 2022 6th International Conference on Measurement Instrumentation and Electronics (ICMIE), Hangzhou, China, 17–19 November 2022; pp. 34–38. [Google Scholar]
  2. Bode, I.; Watts, T.F.A. Loitering Munitions and Unpredictability: Autonomy in Weapon Systems and Challenges to Human Control; The Center for War Studies in Collaboration with Article 36: Denmark; University of Southern Denmark: Odense, Denmark, 2023. [Google Scholar]
  3. Jiang, T.; Li, J.; Li, B.; Huang, K.; Yang, C.; Jiang, Y. Trajectory optimization for a cruising unmanned aerial vehicle attacking a target at back slope while subjected to a wind gradient. Math. Probl. Eng. 2015, 2015, 635395. [Google Scholar] [CrossRef][Green Version]
  4. Pandey, D.; Wairya, S.; Sharma, M.; Gupta, A.K.; Kakkar, R.; Pandey, B.K. An approach for object tracking, categorization, and autopilot guidance for passive homing missiles. Aerosp. Syst. 2022, 5, 553–566. [Google Scholar] [CrossRef]
  5. Devaud, E.; Harcaut, J.P.; Siguerdidjane, H. Three-axes missile autopilot design: From linear to nonlinear control strategies. J. Guid. Control Dyn. 2001, 24, 64–71. [Google Scholar] [CrossRef]
  6. Henry, J.; Schwartz, D.; Soukup, M.; Altman, A. Design, construction, and testing of a folding-wing, tube-launched micro air vehicle. In Proceedings of the 43rd AIAA Aerospace Sciences Meeting and Exhibit, Reno, Nevada, 10–13 January 2005; p. 1451. [Google Scholar]
  7. Yang, C.; Cai, X.; Wu, L.; Guo, Z. Addressing Launch and Deployment Uncertainties in UAVs with ESO-Based Attitude Control. Drones 2024, 8, 363. [Google Scholar] [CrossRef]
  8. Li, J.; Xu, X.; Fu, L.; Yang, Y.; Ye, B.; Yang, C.; Li, J. Cooperative Guidance Method for Multiple Loitering Munitions Based on Track Planning. In Proceedings of the 2024 39th Youth Academic Annual Conference of Chinese Association of Automation (YAC), Dalian, China, 7–9 June 2024; pp. 2344–2351. [Google Scholar]
  9. Tyan, F. Analysis of 3D PPN guidance laws for nonmaneuvering target. IEEE Trans. Aerosp. Electron. Syst. 2015, 51, 2932–2943. [Google Scholar] [CrossRef]
  10. Bhattacharjee, D.; Chakravarthy, A.; Subbarao, K. Nonlinear model predictive control based missile guidance for target interception. In Proceedings of the AIAA Scitech 2020 Forum, Orlando, FL, USA, 6–10 January 2020; p. 0865. [Google Scholar]
  11. Lim, S.; Kim, Y.; Lee, D.; Bang, H. Standoff target tracking using a vector field for multiple unmanned aircrafts. J. Intell. Robot. Syst. 2013, 69, 347–360. [Google Scholar] [CrossRef]
  12. Zarchan, P. Tactical and Strategic Missile Guidance; American Institute of Aeronautics and Astronautics, Inc.: Reston, VA, USA, 2012. [Google Scholar]
  13. Garai, T.; Mukhopadhyay, S. Closed-form solution of pure proportional navigation with tracker-in-loop. In Proceedings of the 2008 American Control Conference, Seattle, WA, USA, 11–13 June 2008; pp. 2352–2357. [Google Scholar]
  14. Dong, W.; Wang, C.; Wang, J.; Xin, M. Varying-gain proportional navigation guidance for precise impact time control. J. Guid. Control Dyn. 2023, 46, 535–552. [Google Scholar] [CrossRef]
  15. Li, Q.; Li, F.; Dong, R.; Fan, R.; Xie, W. Navigation Ratio Design of Proportional Navigation Law Using Reinforcement Learning. Acta Armamentarii 2023, 43, 3040. [Google Scholar]
  16. Rusnak, I. Optimal pure-pursuit missile guidance. Aerotec. Missili Spaz. 2024, 103, 51–60. [Google Scholar] [CrossRef]
  17. Guoxin, S.; Qiuqiu, W.; Zhiqiang, X.; Qunli, X. Impact time control using biased proportional navigation for missiles with varying velocity. Chin. J. Aeronaut. 2020, 33, 956–964. [Google Scholar]
  18. Tan, R.; Kumar, M. Proportional navigation (PN) based tracking of ground targets by quadrotor UAVs. In Proceedings of the Dynamic Systems and Control Conference: American Society of Mechanical Engineers, Palo Alto, CA, USA, 21–23 October 2013; Volume 56123, p. V001T01A004. [Google Scholar]
  19. Wang, Y.; Tang, Z.; Chi, J.; Chen, Q.; Wang, P.; Hou, Z. A Three Dimensional Guidance and Control Method for Suicide UAV and the Flight Test Verification. In Proceedings of the 2022 6th International Conference on Robotics and Automation Sciences (ICRAS), Wuhan, China, 9–11 June 2022; pp. 41–46. [Google Scholar] [CrossRef]
  20. Hussien, M.A.; Mohamed, M.S.; Hassan, M.A.; Elhalwagy, Y.Z. Re-entry vehicle longitudinal autopilot design via two-loop with PI and three-loop topologies. In Proceedings of the 2022 13th International Conference on Electrical Engineering (ICEENG), Cairo, Egypt, 29–31 March 2022; pp. 9–13. [Google Scholar]
  21. Lee, C.H.; He, S.; Hong, J.H. Investigation on Physical Meaning of three-loop Autopilot. Int. J. Control Autom. Syst. 2020, 18, 2709–2720. [Google Scholar] [CrossRef]
  22. Wang, H.; Lin, D.F.; Qi, Z.K. Design and analysis of missile three-loop autopilot with pseudo-angle of attack feedback. Syst. Eng. Electron. 2012, 34, 129–135. [Google Scholar]
  23. Jiang, Y. Comparative Study on Three Acceleration Autopilots. Navig. Position. Timing 2016, 3, 40–46. [Google Scholar]
  24. Wang, Y.; Wang, W.; Ji, Y.; Zhang, J.; Wang, X. Coning motion stability and decoupling methods analysis of spinning missiles with angle-of-attack feedback autopilot. Asian J. Control 2023, 25, 1232–1255. [Google Scholar] [CrossRef]
  25. Brogan, W.L. Modern Control Theory; Prentice-Hall: Englewood Cliffs, NJ, USA, 1985. [Google Scholar]
  26. Zhu, J.; Qi, Z.; Xia, Q. Pole Assignment Method for Three-loop Autopilot Design. J. Proj. Rocket. Missile Guid. 2007, 27, 8–12. [Google Scholar]
  27. Diao, Z.S.; Shan, J.Y. Pole assignment design with prediction-correction technology for three-loop autopilots. Syst. Eng. Electron. 2012, 34, 1668–1674. [Google Scholar]
  28. Wang, H.; Li, T.; Tang, D.; Fan, J.; Yuan, Y.; Zang, L.; Wang, W.; Xiao, C. Analysis on stability of three-loop autopilot with an acceleration feedback augmentation loop. In Proceedings of the 2021 40th Chinese Control Conference (CCC), Shanghai, China, 26–28 July 2021; pp. 7538–7543. [Google Scholar]
  29. Liu, J.; Guo, K.; Zhu, J.; Wang, H.; Li, J. Static Unstable Missiles: Design and Simulation Using an Acceleration Feedback Autopilot Structure. In Proceedings of the 2024 43rd Chinese Control Conference (CCC), Kunming, China, 28–31 July 2024; pp. 3721–3728. [Google Scholar]
  30. Huang, R.; Chen, J.; Gao, M.; Tao, G. Attitude control of short-range loitering missile based on ADRC. In Proceedings of the 2015 4th International Conference on Mechatronics, Materials, Chemistry and Computer Engineering, Xi’an China, 12–13 December 2015; Atlantis Press: Dordrecht, The Netherlands, 2015; pp. 695–699. [Google Scholar]
  31. Yingjing, S.; Guangfu, M.; Hongzhong, M. Robust stability analysis for a cruise missile. J. Syst. Eng. Electron. 2008, 19, 785–790. [Google Scholar] [CrossRef]
  32. Yue, T.; Wang, L.; Ai, J. Longitudinal linear parameter varying modeling and simulation of morphing aircraft. J. Aircr. 2013, 50, 1673–1681. [Google Scholar] [CrossRef]
  33. Morgan, H.M.; Beard, R.W. Flatness-based control of a gimballed fixed-wing UAS. In Proceedings of the 2021 International Conference on Unmanned Aircraft Systems (ICUAS), Athens, Greece, 15–18 June 2021; pp. 821–826. [Google Scholar]
  34. Wang, H.; Lin, D.; Wang, J.; Song, T. An analytical design method for the missile two-loop acceleration autopilot. In Proceedings of the System Simulation and Scientific Computing: International Conference, ICSC 2012, Shanghai, China, 27–30 October 2012; Proceedings, Part I. Springer: Berlin/Heidelberg, Germany, 2012; pp. 157–165. [Google Scholar]
  35. Yanushevsky, R. Modern Missile Guidance; CRC Press: Boca Raton, FL, USA, 2018. [Google Scholar]
  36. Zhongxiang, C.; Hanlin, W.; Wei, R. A Design Method of Three-Loop Overload Autopilot. Aerosp. Control 2023, 41, 50–57. [Google Scholar]
  37. Zonghua, S.; Liaoni, W.; Yancheng, Y. Robust gain-scheduled missile autopilot design based on multifrequency extended state observers. Chin. J. Aeronaut. 2023, 36, 390–407. [Google Scholar]
Figure 1. Airframe coordinate system of CUAV.
Figure 1. Airframe coordinate system of CUAV.
Aerospace 11 00975 g001
Figure 2. The relationship between CUAV and the target.
Figure 2. The relationship between CUAV and the target.
Aerospace 11 00975 g002
Figure 3. Guidance and control loop.
Figure 3. Guidance and control loop.
Aerospace 11 00975 g003
Figure 4. Relationship between the line-of-sight coordinate system and the ground coordinate system.
Figure 4. Relationship between the line-of-sight coordinate system and the ground coordinate system.
Aerospace 11 00975 g004
Figure 5. Block diagram of a pseudo-angle-of-attack three-loop acceleration autopilot with PI correction.
Figure 5. Block diagram of a pseudo-angle-of-attack three-loop acceleration autopilot with PI correction.
Aerospace 11 00975 g005
Figure 6. Block diagram of damping circuit structure.
Figure 6. Block diagram of damping circuit structure.
Aerospace 11 00975 g006
Figure 7. Block diagram of stabilization circuit.
Figure 7. Block diagram of stabilization circuit.
Aerospace 11 00975 g007
Figure 8. Relationship between real and conjugate poles in polar coordinates.
Figure 8. Relationship between real and conjugate poles in polar coordinates.
Aerospace 11 00975 g008
Figure 9. Block diagram of two-loop acceleration autopilot with PI correction.
Figure 9. Block diagram of two-loop acceleration autopilot with PI correction.
Aerospace 11 00975 g009
Figure 10. Step response of different autopilots.
Figure 10. Step response of different autopilots.
Aerospace 11 00975 g010
Figure 11. Comparison of simulation results with different autopilots.
Figure 11. Comparison of simulation results with different autopilots.
Aerospace 11 00975 g011
Figure 12. Trajectory of different autopilots.
Figure 12. Trajectory of different autopilots.
Aerospace 11 00975 g012
Figure 13. Comparison of the extreme deviation simulation results of different autopilots.
Figure 13. Comparison of the extreme deviation simulation results of different autopilots.
Aerospace 11 00975 g013
Figure 14. Distribution of landing points for different autopilots under extreme deviation simulation.
Figure 14. Distribution of landing points for different autopilots under extreme deviation simulation.
Aerospace 11 00975 g014
Figure 15. The actual flight area as observed in the CUAV view.
Figure 15. The actual flight area as observed in the CUAV view.
Aerospace 11 00975 g015
Figure 16. Block diagram of the actual guidance and control system for the dive phase.
Figure 16. Block diagram of the actual guidance and control system for the dive phase.
Aerospace 11 00975 g016
Figure 17. Third perspective video screenshot in flight test.
Figure 17. Third perspective video screenshot in flight test.
Aerospace 11 00975 g017
Figure 18. First perspective video screenshot in flight test.
Figure 18. First perspective video screenshot in flight test.
Aerospace 11 00975 g018
Figure 19. Flight test data. (a) Tracking curve of the normal acceleration command and response. (b) Elevator command changes throughout the dive phase. (c) The pitch angle rate changes throughout the dive phase. (d) The pitch angle and trajectory angle change throughout the dive phase. (e) Airspeed changes throughout the dive phase. (f) Longitudinal trajectory.
Figure 19. Flight test data. (a) Tracking curve of the normal acceleration command and response. (b) Elevator command changes throughout the dive phase. (c) The pitch angle rate changes throughout the dive phase. (d) The pitch angle and trajectory angle change throughout the dive phase. (e) Airspeed changes throughout the dive phase. (f) Longitudinal trajectory.
Aerospace 11 00975 g019
Table 1. Expression for the aerodynamic derivative of CUAV.
Table 1. Expression for the aerodynamic derivative of CUAV.
NotationExpression FormulaNotationExpression Formula
a ω m z ω ¯ z q S L 2 / ( I z V ) b α ( P + c y α q S ) / ( m V )
a α m z α q S L / I z b δ c y δ e q S / ( m V )
a δ m z δ e q S L / I z
Table 2. Expressions for transfer function arguments.
Table 2. Expressions for transfer function arguments.
NotationExpression Formula
K a z V a α b δ a δ b α / ( a α + a ω b α )
A 2 b δ / ( a α b δ a δ b α )
A 1 a ω b δ / ( a α b δ a δ b α )
B 1 b δ / ( a δ + a ω b δ )
K α ( a δ + a ω b δ ) / ( V a δ b α a α b δ )
T m 1 / a α + a ω b α
μ m ( a ω + b α ) / ( 2 a α + a ω b α )
T α a δ / ( a α b δ a δ b α )
Table 3. Comparison of different autopilot coefficient expressions.
Table 3. Comparison of different autopilot coefficient expressions.
NotationTwo-Loop Autopilot with PI CorrectionPseudo-Angle-of-Attack Three-Loop Autopilot with PI Correction
j 1 A 1 + k a z / k i a z A 1 + k a z / k i a z
j 2 k a z A 1 / k i a z + A 2 k a z A 1 / k i a z + A 2
j 3 k a z A 2 / k i a z k a z A 2 / k i a z
f 1 k a z / k i a z + A 1 + k ϑ ˙ / ( k i a z V ) + 1 / ( k i a z K a z ) k a z / k i a z + A 1 + k ϑ ˙ / ( k i a z V ) + 1 / ( k i a z K a z ) + k α K α / k i a z
f 2 k a z A 1 / k i a z + A 2 + k ϑ ˙ T α / ( k i a z V ) + 2 μ m T m / ( k i a z K a z ) k a z A 1 / k i a z + A 2 + k ϑ ˙ T α / ( k i a z V ) + 2 μ m T m / ( k i a z K a z ) + k α K α B 1 / k i a z
f 3 k a z A 2 / k i a z + T m 2 / ( k i a z K a z ) k a z A 2 / k i a z + T m 2 / ( k i a z K a z )
Table 4. Aerodynamic parameters for the dive phase of the CUAV.
Table 4. Aerodynamic parameters for the dive phase of the CUAV.
NotationValue
V ( m / s ) 40
a ω ( 1 / s ) 0
a α ( 1 / s 2 ) 215
a δ ( 1 / s 2 ) 272
b α ( 1 / s ) 1.27
b δ ( 1 / s ) 0.17
Table 5. Control parameters with different autopilots.
Table 5. Control parameters with different autopilots.
k a z k i a z k q k α
Pseudo-angle-of-attack three-loop autopilot with PI correction0.0310.34
Pseudo-angle-of-attack three-loop autopilot010.38
Two-loop autopilot with PI correction0.0610.3/
Table 6. Deflection parameter table.
Table 6. Deflection parameter table.
Deviation ItemsDeviation ValueClarification
Deviation of axial aerodynamic coefficient ± 20 % Global aerodynamic deviation
Deviation of normal aerodynamic coefficient ± 10 % Global aerodynamic deviation
Deviation of lateral aerodynamic coefficient ± 10 % Global aerodynamic deviation
Deviation of aileron control surface effectiveness ± 20 % Global aerodynamic deviation
Deviation of rudder control surface effectiveness ± 20 % Global aerodynamic deviation
Deviation of elevator control surface effectiveness ± 20 % Global aerodynamic deviation
Deviation of wind 10 m / s Tailwind, Headwind and Crosswind
Table 7. Statistical results of extreme deviation simulation tracking error.
Table 7. Statistical results of extreme deviation simulation tracking error.
AutopilotMeanSTDMax
Two-loop autopilot with PI correction0.110.140.52
Pseudo-angle-of-attack three-loop autopilot0.070.050.17
Pseudo-angle-of-attack three-loop autopilot with PI correction0.040.030.14
Table 8. The STD statistical results for the landing points of the two types of three-loop autopilots.
Table 8. The STD statistical results for the landing points of the two types of three-loop autopilots.
Autopilot Δ H Δ X
Pseudo-angle-of-attack three-loop autopilot0.240.15
Pseudo-angle-of-attack three-loop autopilot with PI correction0.080.1
Table 9. Parameters of the CUAV.
Table 9. Parameters of the CUAV.
ParametersValue
Wing reference area ( m 2 )0.4
Wing span (m)2.4
Weight (kg)12
Three-axis moment of inertia ( I x , I y , I z )(1.16, 2.08, 3.22)
Disclaimer/Publisher’s Note: The statements, opinions and data contained in all publications are solely those of the individual author(s) and contributor(s) and not of MDPI and/or the editor(s). MDPI and/or the editor(s) disclaim responsibility for any injury to people or property resulting from any ideas, methods, instructions or products referred to in the content.

Share and Cite

MDPI and ACS Style

Cai, X.; Yang, C.; Guo, Z.; Sun, Z.; Wu, L.; Bing, F.; Su, G. Research and Flight Test on the Terminal Guidance Control Technology for Cruising Unmanned Aerial Vehicles. Aerospace 2024, 11, 975. https://doi.org/10.3390/aerospace11120975

AMA Style

Cai X, Yang C, Guo Z, Sun Z, Wu L, Bing F, Su G. Research and Flight Test on the Terminal Guidance Control Technology for Cruising Unmanned Aerial Vehicles. Aerospace. 2024; 11(12):975. https://doi.org/10.3390/aerospace11120975

Chicago/Turabian Style

Cai, Xiaoru, Chao Yang, Zhiming Guo, Zonghua Sun, Liaoni Wu, Fuqiang Bing, and Guoqiang Su. 2024. "Research and Flight Test on the Terminal Guidance Control Technology for Cruising Unmanned Aerial Vehicles" Aerospace 11, no. 12: 975. https://doi.org/10.3390/aerospace11120975

APA Style

Cai, X., Yang, C., Guo, Z., Sun, Z., Wu, L., Bing, F., & Su, G. (2024). Research and Flight Test on the Terminal Guidance Control Technology for Cruising Unmanned Aerial Vehicles. Aerospace, 11(12), 975. https://doi.org/10.3390/aerospace11120975

Note that from the first issue of 2016, this journal uses article numbers instead of page numbers. See further details here.

Article Metrics

Back to TopTop