High-Energy Emulsified Clove Essential Oil Nanoemulsion as a Natural Herbicidal Product: Germination Suppression and Seed Structure Alteration in Echinochloa crus-galli
Abstract
1. Introduction
2. Materials and Methods
2.1. Materials and the Target Weed
2.2. Identification of Clove EO Constituents by Gas Chromatography/Mass Spectrometry (GC/MS)
2.3. Nanoemulsion Preparation
2.3.1. Microfluidization Emulsification Method
2.3.2. Ultrasonication Emulsification Method
2.4. Nanoemulsion Characteristics
2.4.1. Droplet Size and Polydispersity Index (PI)
2.4.2. Morphology
2.4.3. Fourier-Transform Infrared (FT-IR) Spectroscopic Analysis
2.5. Herbicidal Activity Assay
2.5.1. Scanning Electron Microscope and Energy Dispersive X-Ray Spectrometer (SEM-EDS) Analysis
2.5.2. Seed Imbibition
2.5.3. α-Amylase Activity
2.6. Statistics
3. Results and Discussion
3.1. Identification of Clove EO Constituents
3.2. Effect of Microfluidization vs. Ultrasonication on Nanoemulsion Droplet Size
3.3. FT-IR Spectroscopic Analysis
3.4. Morphological Characterization of Clove EO-Based Nanoemulsions
3.5. Storage Stability of the Clove EO-Based Nanoemulsions
3.6. Effect of Clove EO-Based Nanoemulsion on Germination and Growth of E. crus-galli
3.7. SEM-EDS-Based Structural Characterization
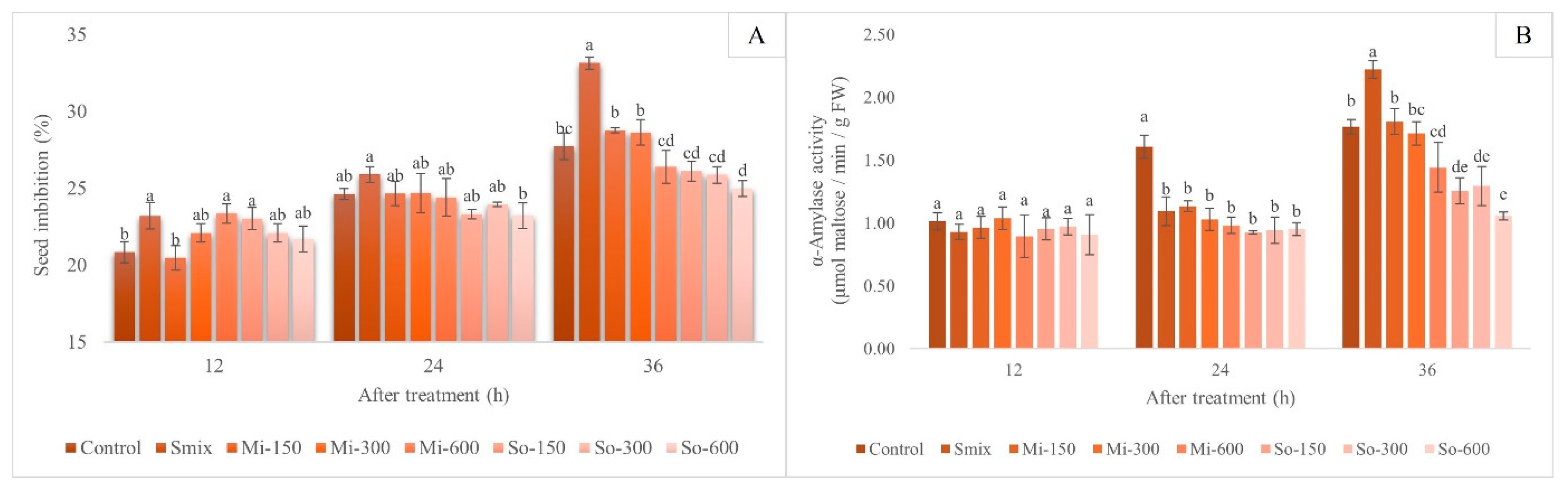
3.8. Effect of Clove EO-Based Nanoemulsion on Seed Imbibition and α-Amylase Activity
4. Conclusions
Author Contributions
Funding
Data Availability Statement
Acknowledgments
Conflicts of Interest
Abbreviations
| EO | Essential oil |
| SEM-EDS | Scanning electron microscope and energy dispersive x-ray spectrometer |
| HLB | Hydrophilic-lipophilic balance |
| GC/MS | Gas chromatography/mass spectrometry |
| PI | Polydispersity index |
| DLS | Dynamic light scattering |
| TEM | Transmission electron microcopy |
| FT-IR | Fourier-transform infrared |
| DNS | Dinitrosalicylic acid |
| MW | Molecular weight |
| RT | Retention time |
| GA | Gibberellic acid |
References
- Restu, W.K.; Septiyanti, M.; Triwulandari, E.; Aryana, N.; Sampora, Y.; Devy, Y.A.; Ghozali, M.; Muryanto; Meliana, Y.; Sondari, D.; et al. The Preparation of Nanoemulsion Formulation from Pelargonic Acid in Lignin Carrier and Its Application to Weeds. J. Inst. Eng. India Ser. E 2023, 104, 297–303. [Google Scholar] [CrossRef]
- Bainard, L.D.; Isman, M.B.; Upadhyaya, M.K. Phytotoxicity of clove oil and its primary constituent eugenol and the role of leaf epicuticular wax in the susceptibility to these essential oils. Weed Sci. 2006, 54, 833–837. [Google Scholar] [CrossRef]
- Evans, G.J.; Bellinder, R.R. The potential use of vinegar and a clove oil herbicide for weed control in sweet corn, potato, and onion. Weed Technol. 2009, 23, 120–128. [Google Scholar] [CrossRef]
- Somala, N.; Laosinwattana, C.; Dimak, J.; Teerarak, M. Formulation and application of clove essential oil-based nanoemulsion against Ruellia tuberosa L. Acta Hortic. 2022, 1358, 203–210. [Google Scholar] [CrossRef]
- Cortés-Rojas, D.F.; de Souza, C.R.F.; Oliveira, W.P. Clove (Syzygium aromaticum): A precious spice. Asian Pac. J. Trop. Biomed. 2014, 4, 90–96. [Google Scholar] [CrossRef] [PubMed]
- Almarie, A. Bioherbicidal potential of Eucalyptus and clove oil and their combinations on four weedy species. Iraqi J. Sci. 2021, 62, 1494–1502. [Google Scholar] [CrossRef]
- Campos, E.V.R.; Ratko, J.; Bidyarani, N.; Takeshita, V.; Fraceto, L.F. Nature-based herbicides and micro-/nanotechnology fostering sustainable agriculture. ACS Sustain. Chem. Eng. 2023, 11, 9900–9917. [Google Scholar] [CrossRef]
- Chen, H.; Li, J.; Chen, X.; Mei, L.; Feng, S.; Duan, P.; Cai, H.; Qu, K.; Zhang, J.; Miao, Y.; et al. Development and characterization of Artemisia argyi essential oil-loaded nanoemulsion for sustainable weed control: Enhanced stability, amplified activity, protected non-target. J. Clean. Prod. 2024, 457, 142487. [Google Scholar] [CrossRef]
- Hazrati, H.; Saharkhiz, M.J.; Niakousari, M.; Moein, M. Natural herbicide activity of Satureja hortensis L. essential oil nanoemulsion on the seed germination and morphophysiological features of two important weed species. Ecotoxicol. Environ. Saf. 2017, 142, 423–430. [Google Scholar] [CrossRef] [PubMed]
- Kaur, P.; Gupta, S.; Kaur, K.; Kaur, N.; Kumar, R.; Bhullar, M.S. Nanoemulsion of Foeniculum vulgare essential oil: A propitious striver against weeds of Triticum aestivum. Ind. Crops Prod. 2021, 168, 113601. [Google Scholar] [CrossRef]
- Rys, M.; Miastkowska, M.; Sikora, E.; Łętocha, A.; Krajewska, A.; Synowiec, A. Bio-herbicidal potential of nanoemulsions with peppermint oil on barnyard grass and maize. Molecules 2022, 27, 3480. [Google Scholar] [CrossRef]
- Somala, N.; Laosinwattana, C.; Chotsaeng, N.; Teerarak, M. Citronella essential oil-based nanoemulsion as a post-emergence natural herbicide. Sci. Rep. 2023, 13, 20851. [Google Scholar] [CrossRef]
- Kumar, M.; Bishnoi, R.S.; Shukla, A.K.; Jain, C.P. Techniques for formulation of nanoemulsion drug delivery system: A review. Prev. Nutr. Food Sci. 2019, 24, 225. [Google Scholar] [CrossRef]
- Uluata, S.; Decker, E.A.; McClements, D.J. Optimization of nanoemulsion fabrication using microfluidization: Role of surfactant concentration on formation and stability. Food Biophys. 2016, 11, 52–59. [Google Scholar] [CrossRef]
- Gupta, A.; Eral, H.B.; Hatton, T.A.; Doyle, P.S. Nanoemulsions: Formation, properties and applications. Soft Matter 2016, 12, 2826–2841. [Google Scholar] [CrossRef]
- Mustafa, I.F.; Hussein, M.Z. Synthesis and technology of nanoemulsion-based pesticide formulation. Nanomaterials 2020, 10, 1608. [Google Scholar] [CrossRef]
- Li, W.; Leong, T.S.H.; Ashokkumar, M.; Martin, G.J.O. A study of the effectiveness and energy efficiency of ultrasonic emulsification. Phys. Chem. Chem. Phys. 2018, 20, 86–96. [Google Scholar] [CrossRef]
- Pratap-Singh, A.; Guo, Y.; Lara Ochoa, S.; Fathordoobady, F.; Singh, A. Optimal ultrasonication process time remains constant for a specific nanoemulsion size reduction system. Sci. Rep. 2021, 11, 9241. [Google Scholar] [CrossRef]
- Jo, Y.-J.; Kwon, Y.-J. Characterization of β-carotene nanoemulsions prepared by microfluidization technique. Food Sci. Biotechnol. 2014, 23, 107–113. [Google Scholar] [CrossRef]
- Majchrzak, L.; Waligóra, H.; Zawieja, B.; Idziak, R.; Szulc, P. The Evaluation of Sweetcorn (Zea mays saccharata Sturt.) Infestation of Barnyardgrass (Echinochloa crus-galli) Depending on Weather Conditions and Crop Rotation. Agronomy 2024, 14, 776. [Google Scholar] [CrossRef]
- Griffin, W.C. Classification of surface-active agents by “HLB”. J. Soc. Cosmet. Chem. 1949, 1, 311–325. [Google Scholar]
- Salvia-Trujillo, L.; Rojas-Graü, M.A.; Soliva-Fortuny, R.; Martín-Belloso, O. Effect of processing parameters on physicochemical characteristics of microfluidized lemongrass essential oil-alginate nanoemulsions. Food Hydrocoll. 2013, 30, 401–407. [Google Scholar] [CrossRef]
- Laosinwattana, C.; Somala, N.; Dimak, J.; Teerarak, M.; Chotsaeng, N. Ultrasonic emulsification of Cananga odorata nanoemulsion formulation for enhancement of herbicidal potential. Sci. Rep. 2025, 15, 3263. [Google Scholar] [CrossRef]
- Turk, M.A.; Tawaha, A.M. Allelopathic effect of black mustard (Brassica nigra L.) on germination and growth of wild oat (Avena fatua L.). Crop Prot. 2003, 22, 673–677. [Google Scholar] [CrossRef]
- Sadasivam, S.; Manickam, A. Biochemical Methods; New Age International (P) Ltd. Publishers: New Delhi, India, 1996. [Google Scholar]
- Ahuja, N.; Singh, H.P.; Batish, D.R.; Kohli, R.K. Eugenol-inhibited root growth in Avena fatua involves ROS-mediated oxidative damage. Pestic. Biochem. Physiol. 2015, 118, 64–70. [Google Scholar] [CrossRef] [PubMed]
- Ahuja, N.; Batish, D.R.; Singh, H.P.; Kohli, R.K. Herbicidal activity of eugenol towards some grassy and broad-leaved weeds. J. Pest Sci. 2015, 88, 209–218. [Google Scholar] [CrossRef]
- Sugumar, S.; Ghosh, V.; Mukherjee, A.; Chandrasekaran, N. Essential oil-based nanoemulsion formation by low-and high-energy methods and their application in food preservation against food spoilage microorganisms. In Essential Oils in Food Preservation, Flavor and Safety; Elsevier: Amsterdam, The Netherlands, 2016; pp. 93–100. [Google Scholar]
- Ozturk, O.K.; Turasan, H. Applications of microfluidization in emulsion-based systems, nanoparticle formation, and beverages. Trends Food Sci. Technol. 2021, 116, 609–625. [Google Scholar] [CrossRef]
- Jafari, S.M.; He, Y.; Bhandari, B. Nano-emulsion production by sonication and microfluidization—A comparison. Int. J. Food Prop. 2006, 9, 475–485. [Google Scholar] [CrossRef]
- Dimak, J.; Somala, N.; Laosinwattana, C.; Teerarak, M. The effect of microfludization on characteristics and herbicidal potential of peppermint nanoemulsion on Amaranthus tricolor. Int. J. Agric. Technol. 2024, 20, 77–86. [Google Scholar]
- Anandharamakrishnan, C. Techniques for Nanoencapsulation of Food Ingredients; Springer: Berlin/Heidelberg, Germany, 2014; Volume 8. [Google Scholar]
- Li, M.K.; Fogler, H.S. Acoustic emulsification. Part 1. The instability of the oil-water interface to form the initial droplets. J. Fluid Mech. 1978, 88, 499–511. [Google Scholar] [CrossRef]
- Modarres-Gheisari, S.M.M.; Gavagsaz-Ghoachani, R.; Malaki, M.; Safarpour, P.; Zandi, M. Ultrasonic nano-emulsification–A review. Ultrason. Sonochem. 2019, 52, 88–105. [Google Scholar] [CrossRef] [PubMed]
- Consoli, L.; de Figueiredo Furtado, G.; da Cunha, R.L.; Hubinger, M.D. High solids emulsions produced by ultrasound as a function of energy density. Ultrason. Sonochem. 2017, 38, 772–782. [Google Scholar] [CrossRef]
- Tang, S.Y.; Shridharan, P.; Sivakumar, M. Impact of process parameters in the generation of novel aspirin nanoemulsions–comparative studies between ultrasound cavitation and microfluidizer. Ultrason. Sonochem. 2013, 20, 485–497. [Google Scholar] [CrossRef] [PubMed]
- Maa, Y.-F.; Hsu, C.C. Performance of sonication and microfluidization for liquid–liquid emulsification. Pharm. Dev. Technol. 1999, 4, 233–240. [Google Scholar] [CrossRef] [PubMed]
- Pramod, K.; Suneesh, C.V.; Shanavas, S.; Ansari, S.H.; Ali, J. Unveiling the compatibility of eugenol with formulation excipients by systematic drug-excipient compatibility studies. J. Anal. Sci. Technol. 2015, 6, 34. [Google Scholar] [CrossRef]
- de Meneses, A.C.; Sayer, C.; Puton, B.M.S.; Cansian, R.L.; Araújo, P.H.H.; de Oliveira, D. Production of clove oil nanoemulsion with rapid and enhanced antimicrobial activity against gram-positive and gram-negative bacteria. J. Food Process Eng. 2019, 42, e13209. [Google Scholar] [CrossRef]
- Hashem, A.H.; Doghish, A.S.; Ismail, A.; Hassanin, M.M.; Okla, M.K.; Saleh, I.A.; AbdElgawad, H.; Shehabeldine, A.M. A novel nanoemulsion based on clove and thyme essential oils: Characterization, antibacterial, antibiofilm and anticancer activities. Electron. J. Biotechnol. 2024, 68, 20–30. [Google Scholar] [CrossRef]
- Sharma, M.; Mann, B.; Sharma, R.; Bajaj, R.; Athira, S.; Sarkar, P.; Pothuraju, R. Sodium caseinate stabilized clove oil nanoemulsion: Physicochemical properties. J. Food Eng. 2017, 212, 38–46. [Google Scholar] [CrossRef]
- Pongsumpun, P.; Iwamoto, S.; Siripatrawan, U. Response surface methodology for optimization of cinnamon essential oil nanoemulsion with improved stability and antifungal activity. Ultrason. Sonochem. 2020, 60, 104604. [Google Scholar] [CrossRef]
- Nejadmansouri, M.; Hosseini, S.M.H.; Niakosari, M.; Yousefi, G.H.; Golmakani, M.T. Physicochemical properties and storage stability of ultrasound-mediated WPI-stabilized fish oil nanoemulsions. Food Hydrocoll. 2016, 61, 801–811. [Google Scholar] [CrossRef]
- Choopayak, C.; Aranyakanon, K.; Prompakdee, N.; Nangngam, P.; Kongbangkerd, A.; Ratanasut, K. Effects of Piper betle L. Extract and Allelochemical Eugenol on Rice and associated weeds germination and seedling growth. Plants 2022, 11, 3384. [Google Scholar] [CrossRef] [PubMed]
- Somala, N.; Laosinwattana, C.; Teerarak, M. Formulation process, physical stability and herbicidal activities of Cymbopogon nardus essential oil-based nanoemulsion. Sci. Rep. 2022, 12, 10280. [Google Scholar] [CrossRef] [PubMed]
- Toyosawa, Y.; Kawagoe, Y.; Matsushima, R.; Crofts, N.; Ogawa, M.; Fukuda, M.; Kumamaru, T.; Okazaki, Y.; Kusano, M.; Saito, K.; et al. Deficiency of starch synthase IIIa and IVb alters starch granule morphology from polyhedral to spherical in rice endosperm. Plant Physiol. 2016, 170, 1255–1270. [Google Scholar] [CrossRef]
- Collinsh, M.; Bettsns, D.C. Genes that mediate starch metabolism in developing and germinated barleygrain. Front. Plant Sci. 2021, 12, 641325. [Google Scholar]
- Damaris, R.N.; Lin, Z.; Yang, P.; He, D. The rice alpha-amylase, conserved regulator of seed maturation and germination. Int. J. Mol. Sci. 2019, 20, 450. [Google Scholar] [CrossRef]
- Fathordoobady, F.; Sannikova, N.; Guo, Y.; Singh, A.; Kitts, D.D.; Pratap-Singh, A. Comparing microfluidics and ultrasonication as formulation methods for developing hempseed oil nanoemulsions for oral delivery applications. Sci. Rep. 2021, 11, 72. [Google Scholar] [CrossRef]
- Sohn, H.Y.; Moreland, C. The effect of particle size distribution on packing density. Can. J. Chem. Eng. 1968, 46, 162–167. [Google Scholar] [CrossRef]
- Liu, L.; Xia, W.; Li, H.; Zeng, H.; Wei, B.; Han, S.; Yin, C. Salinity inhibits rice seed germination by reducing α-amylase activity via decreased bioactive gibberellin content. Front. Plant Sci. 2018, 9, 275. [Google Scholar] [CrossRef]
- Singh, J.; Dartois, A.; Kaur, L. Starch digestibility in food matrix: A review. Trends Food Sci. Technol. 2010, 21, 168–180. [Google Scholar] [CrossRef]
- Hu, Q.; Fu, Y.; Guan, Y.; Lin, C.; Cao, D.; Hu, W.; Sheteiwy, M.; Hu, J. Inhibitory effect of chemical combinations on seed germination and pre-harvest sprouting in hybrid rice. Plant Growth Regul. 2016, 80, 281–289. [Google Scholar] [CrossRef]










| Component | Structure | Formula | Class | PubChem CID | MW a (g/mol) | RT b | % of Total |
|---|---|---|---|---|---|---|---|
| Eugenol | ![]() | C10H12O2 | Phenylpropanoid | 3314 | 164.20 | 12.608 | 87.27 |
| Copaene | ![]() | C15H24 | Sesquiterpene | 636,457 | 204.35 | 12.775 | 0.191 |
| trans-Caryophyllene | ![]() | C15H24 | Sesquiterpene | 5,281,515 | 204.35 | 13.390 | 9.843 |
| alpha-Humulene | ![]() | C15H24 | Sesquiterpene | 5,281,520 | 204.35 | 13.801 | 1.457 |
| delta-Cadinene | ![]() | C15H24 | Sesquiterpene | 441,005 | 204.35 | 14.610 | 0.217 |
| (-)-Caryophyllene oxide | ![]() | C15H24O | Oxygenated sesquiterpene | 1,742,210 | 220.35 | 15.403 | 0.323 |
| 99.30 |
| Treatment | Concentration (ppm) | Inhibition (% over Control) | ||
|---|---|---|---|---|
| Germination | Shoot | Root | ||
| Microfluidized nanoemulsion | 75 | 0 ± 0 c | 3.95 ± 3.35 d | 3.58 ± 0.84 e |
| 150 | 0 ± 0 c | 44.83 ± 6.08 c | 51.11 ± 2.61 d | |
| 300 | 61.25 ± 11.81 b | 77.97 ± 7.83 b | 92.84 ± 2.60 b | |
| 600 | 100.00 ± 0 a | 100.00 ± 0 a | 100.00 ± 0 a | |
| Ultrasonicated nanoemulsion | 75 | 0 ± 0 c | 2.93 ± 2.43 d | 3.58 ± 0.25 e |
| 150 | 0 ± 0 c | 40.22 ± 3.63 c | 58.02 ± 2.82 c | |
| 300 | 60.00 ± 14.14 b | 74.83 ± 15.14 b | 93.95 ± 4.94 b | |
| 600 | 100.00 ± 0 a | 100.00 ± 0 a | 100.00 ± 0 a | |
| Coarse emulsion | 75 | 0 ± 0 c | 3.05 ± 1.15 d | 3.22 ± 0.13 e |
| 150 | 0 ± 0 c | 35.63 ± 4.11 c | 50.05 ± 1.12 d | |
| 300 | 57.25 ± 10.23 b | 64.89 ± 7.02 b | 80.95 ± 3.79 b | |
| 600 | 95.00 ± 1.01 a | 90.10 ± 1.13 a | 91.05 ± 0.25 b | |
| Smix solution | 600 | 0 ± 0 c | 14.91 ± 1.96 d | 2.08 ± 0.47 e |
Disclaimer/Publisher’s Note: The statements, opinions and data contained in all publications are solely those of the individual author(s) and contributor(s) and not of MDPI and/or the editor(s). MDPI and/or the editor(s) disclaim responsibility for any injury to people or property resulting from any ideas, methods, instructions or products referred to in the content. |
© 2026 by the authors. Licensee MDPI, Basel, Switzerland. This article is an open access article distributed under the terms and conditions of the Creative Commons Attribution (CC BY) license.
Share and Cite
Sikhao, P.; Somala, N.; Manichart, N.; Dimak, J.; Poonpaiboonpipat, T.; Yoneyama, K.; Teerarak, M.; Laosinwattana, C.; Chotsaeng, N. High-Energy Emulsified Clove Essential Oil Nanoemulsion as a Natural Herbicidal Product: Germination Suppression and Seed Structure Alteration in Echinochloa crus-galli. Plants 2026, 15, 731. https://doi.org/10.3390/plants15050731
Sikhao P, Somala N, Manichart N, Dimak J, Poonpaiboonpipat T, Yoneyama K, Teerarak M, Laosinwattana C, Chotsaeng N. High-Energy Emulsified Clove Essential Oil Nanoemulsion as a Natural Herbicidal Product: Germination Suppression and Seed Structure Alteration in Echinochloa crus-galli. Plants. 2026; 15(5):731. https://doi.org/10.3390/plants15050731
Chicago/Turabian StyleSikhao, Potjana, Naphat Somala, Nutcha Manichart, Jantra Dimak, Thanatsan Poonpaiboonpipat, Kaori Yoneyama, Montinee Teerarak, Chamroon Laosinwattana, and Nawasit Chotsaeng. 2026. "High-Energy Emulsified Clove Essential Oil Nanoemulsion as a Natural Herbicidal Product: Germination Suppression and Seed Structure Alteration in Echinochloa crus-galli" Plants 15, no. 5: 731. https://doi.org/10.3390/plants15050731
APA StyleSikhao, P., Somala, N., Manichart, N., Dimak, J., Poonpaiboonpipat, T., Yoneyama, K., Teerarak, M., Laosinwattana, C., & Chotsaeng, N. (2026). High-Energy Emulsified Clove Essential Oil Nanoemulsion as a Natural Herbicidal Product: Germination Suppression and Seed Structure Alteration in Echinochloa crus-galli. Plants, 15(5), 731. https://doi.org/10.3390/plants15050731







