Modeling and Simulation of Lower Limb Rehabilitation Exoskeletons: A Comparative Analysis for Dynamic Model Validation and Optimal Approach Selection
Abstract
1. Introduction
2. Modeling and Simulation of LLRE
2.1. LLRE Hardware Components
2.2. Conventional Modeling of LLRE
2.3. Bond Graph Modeling of LLRE
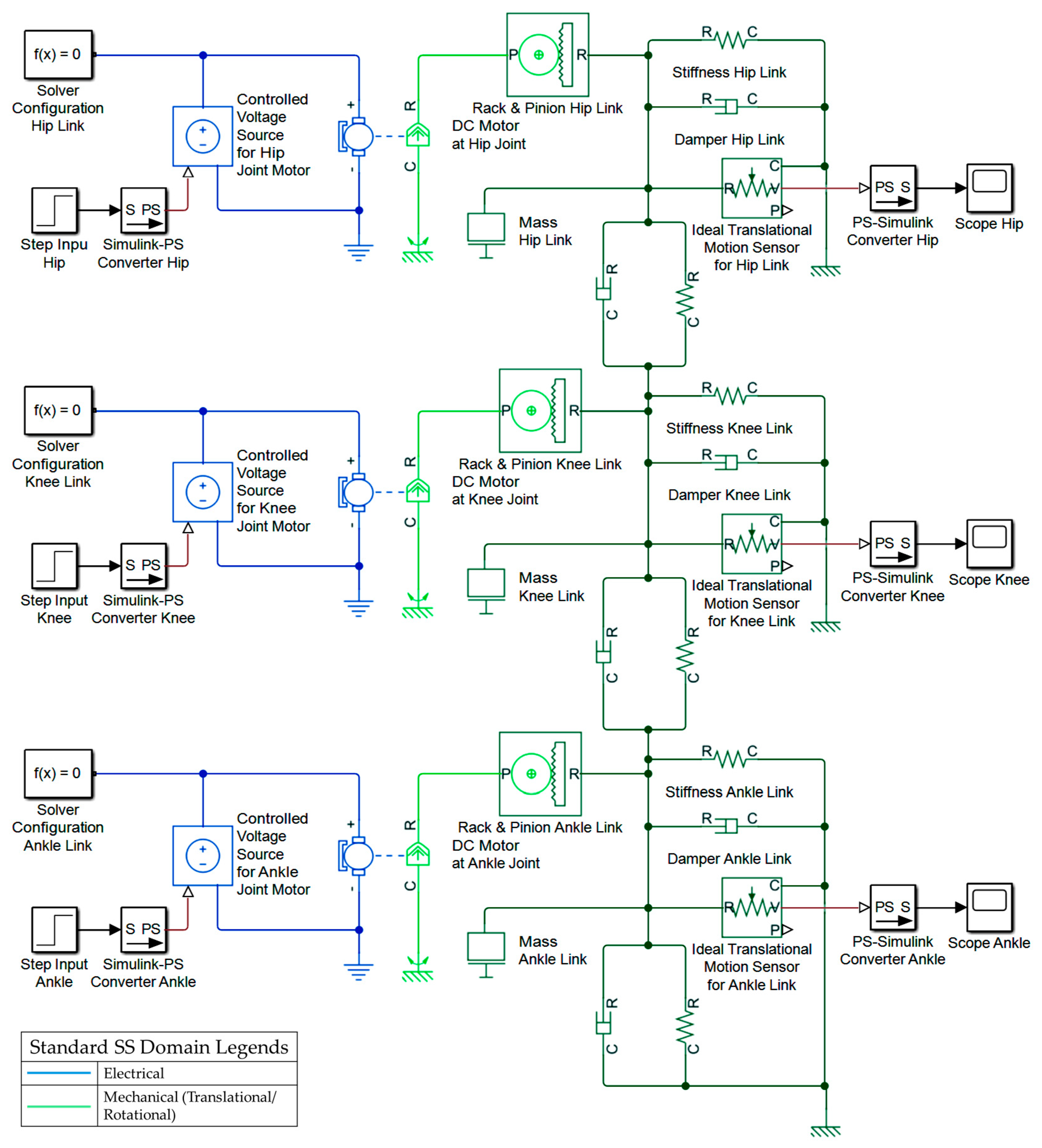
2.4. SimscapeTM Model of LLRE
3. Results, Discussion, and Comparative Analysis
3.1. Results and Discussion
3.1.1. Step Response—Open Loop and Closed Loop
3.1.2. Impulse Response—Open Loop and Closed Loop
3.1.3. Sinusoidal Response—Open Loop and Closed Loop
3.2. Comparative Analysis of Modeling Approaches
3.2.1. Dynamic Responses upon Technical Parameters
3.2.2. Modeling Approaches upon Qualitative Aspects
4. Conclusions
Author Contributions
Funding
Data Availability Statement
Conflicts of Interest
Abbreviations
| LLRE | Lower Limb Rehabilitation Exoskeleton |
| CM | Conventional Modeling |
| BG | Bond Graph |
| SS | SimscapeTM |
| DOF | Degree of Freedom |
| OL | Open Loop |
| CL | Closed Loop |
References
- Wilson, D.; Jackson, T.; Sapey, E.; Lord, J.M. Frailty and sarcopenia: The potential role of an aged immune system. Ageing Res. Rev. 2017, 36, 1–10. [Google Scholar] [CrossRef]
- Greene, M.A.; Loeser, R.F. Aging-related inflammation in osteoarthritis. Osteoarthr. Cartil. 2015, 23, 1966–1971. [Google Scholar] [CrossRef]
- United Nations. Department of Economic and Social Affairs, Population Division. In World Population Ageing 2019; United Nations: New York, NY, USA, 2019. Available online: https://www.un.org/en/development/desa/population/publications/pdf/ageing/WorldPopulationAgeing2019-Report.pdf (accessed on 23 November 2023).
- Holm, M.E.; Sainio, P.; Parikka, S.; Koskinen, S. The effects of the COVID-19 pandemic on the psychosocial well-being of people with disabilities. Disabil. Health J. 2022, 15, 101224. [Google Scholar] [CrossRef]
- Shakespeare, T.; Watson, N.; Brunner, R.; Cullingworth, J.; Hameed, S.; Scherer, N.; Pearson, C.; Reichenberger, V. Disabled people in Britain and the impact of the COVID-19 pandemic. Soc. Policy Adm. 2022, 56, 103–117. [Google Scholar] [CrossRef]
- Kumar, V.; Alshazly, H.; Idris, S.A.; Bourouis, S. Evaluating the Impact of COVID-19 on Society, Environment, Economy, and Education. Sustainability 2021, 13, 13642. [Google Scholar] [CrossRef]
- Manns, P.J.; Hurd, C.; Yang, J.F. Perspectives of people with spinal cord injury learning to walk using a powered exoskeleton. J. Neuroeng. Rehabil. 2019, 16, 94. [Google Scholar] [CrossRef]
- van Dijsseldonk, R.B.; Rijken, H.; van Nes, I.J.W.; van de Meent, H.; Keijsers, N.L.W. A Framework for Measuring the Progress in Exoskeleton Skills in People with Complete Spinal Cord Injury. Front. Neurosci. 2017, 11, 699. [Google Scholar] [CrossRef] [PubMed]
- Molteni, F.; Gasperini, G.; Cannaviello, G.; Guanziroli, E. Exoskeleton and End-Effector Robots for Upper and Lower Limbs Rehabilitation: Narrative Review. PM&R 2018, 10, S174–S188. [Google Scholar] [CrossRef]
- Mortenson, W.B.; Pysklywec, A.; Chau, L.; Prescott, M.; Townson, A. Therapists’ experience of training and implementing an exoskeleton in a rehabilitation centre. Disabil. Rehabil. 2022, 44, 1060–1066. [Google Scholar] [CrossRef]
- Louie, D.R.; Mortenson, W.B.; Lui, M.; Durocher, M.; Teasell, R.; Yao, J.; Eng, J.J. Patients’ and Therapists’ Experience and Perception of Exoskeleton-Based Physiotherapy during Subacute Stroke Rehabilitation: A Qualitative Analysis. Disabil. Rehabil. 2022, 44, 7390–7398. [Google Scholar] [CrossRef]
- Shi, D.; Zhang, W.; Zhang, W.; Ding, X. A Review on Lower Limb Rehabilitation Exoskeleton Robots. Chin. J. Mech. Eng. 2019, 32, 74. [Google Scholar] [CrossRef]
- Khamar, M.; Edrisi, M.; Forghany, S. Designing a robust controller for a lower limb exoskeleton to treat an individual with crouch gait pattern in the presence of actuator saturation. ISA Trans. 2022, 126, 513–532. [Google Scholar] [CrossRef]
- Hu, B.; Yu, H.; Lu, H.; Chang, Y. Design of Mechanism and Control System for a Lightweight Lower Limb Exoskeleton. In Proceedings of the 3rd International Conference on Control, Robotics and Cybernetics (CRC), Penang, Malaysia, 26–28 September 2018; pp. 83–87. [Google Scholar] [CrossRef]
- Zhang, T.; Tran, M.; Huang, H. Comfort-Centered Design of a Lightweight and Backdrivable Knee Exoskeleton. IEEE Robot. Autom. Lett. 2018, 3, 4265–4272. [Google Scholar] [CrossRef]
- Aguilar-Sierra, H.; Yu, W.; Salazar, S.; Lopez, R. Design and control of hybrid actuation lower limb exoskeleton. Adv. Mech. Eng. 2015, 7, 1687814015590988. [Google Scholar] [CrossRef]
- Narayan, J.; Dwivedy, S.K. Preliminary design and development of a low-cost lower-limb exoskeleton system for paediatric rehabilitation. Proc. Inst. Mech. Eng. Part H J. Eng. Med. 2021, 235, 530–545. [Google Scholar] [CrossRef]
- Pirjade, Y.M.; Londhe, D.R.; Patwardhan, N.M.; Kotkar, A.U.; Shelke, T.P.; Ohol, S.S. Design and Fabrication of a Low-cost Human Body Lower Limb Exoskeleton. In Proceedings of the 6th International Conference on Mechatronics and Robotics Engineering (ICMRE), Barcelona, Spain, 12–15 February 2020; pp. 32–37. [Google Scholar] [CrossRef]
- Lyu, M.; Chen, W.; Ding, X.; Wang, J.; Bai, S.; Ren, H. Design of a biologically inspired lower limb exoskeleton for human gait rehabilitation. Rev. Sci. Instrum. 2016, 87, 104301. [Google Scholar] [CrossRef]
- Panero, E.; Muscolo, G.G.; Pastorelli, S.; Gastaldi, L. Model Based Analysis of Trunk Exoskeleton for Human Efforts Reduction. Adv. Serv. Ind. Robot. 2019, 980, 410–418. [Google Scholar] [CrossRef]
- Kang, J.; Sun, C.; Zou, J.; Yuan, Y.; Liu, J. Kinematics and dynamics analysis of the weight-bearing lower limb exoskeleton. Int. J. Sci. 2018, 5, 12–18. [Google Scholar]
- Glowinski, S.; Krzyzynski, T.; Bryndal, A.; Maciejewski, I. A Kinematic Model of a Humanoid Lower Limb Exoskeleton with Hydraulic Actuators. Sensors 2020, 20, 6116. [Google Scholar] [CrossRef]
- Wang, B.; Liang, Y.; Xu, D.; Wang, Z.; Ji, J. Design on electrohydraulic servo driving system with walking assisting control for lower limb exoskeleton robot. Int. J. Adv. Robot. Syst. 2021, 18, 1729881421992286. [Google Scholar] [CrossRef]
- Miranda Linares, D. Modelling and Control of Lower Limb Exoskeletons and Walking Aid for Fundamental Mobility Tasks. Ph.D. Thesis, University of Sheffield, Sheffield, UK, 2016. [Google Scholar]
- Al-Waeli, K.H.; Ramli, R.; Haris, S.M.; Zulkoffli, Z.B.; Amiri, M.S. Offline ANN-PID controller tuning on a multi-joints lower limb exoskeleton for gait rehabilitation. IEEE Access 2021, 9, 107360–107374. [Google Scholar] [CrossRef]
- Hu, H.; Pei, Z. Modeling and Co-simulation of Lower Limb Exoskeleton. In Proceedings of the 5th International Conference on Control, Automation and Robotics (ICCAR), Beijing, China, 19–22 April 2019; pp. 826–830. [Google Scholar] [CrossRef]
- Amiri, M.S.; Ramli, R.; Ibrahim, M.F. Initialized model reference adaptive control for lower limb exoskeleton. IEEE Access 2019, 7, 167210–167220. [Google Scholar] [CrossRef]
- Jatsun, S.; Savin, S.; Yatsun, A.; Postolnyi, A. Control system parameter optimization for lower limb exoskeleton with integrated elastic elements. In Advances in Cooperative Robotics; Habib, M.K., Ed.; World Scientific: Singapore, 2016; pp. 797–805. [Google Scholar] [CrossRef]
- Gilbert, M.; Zhang, X.; Yin, G. Modeling and design on control system of lower limb rehabilitation exoskeleton robot. In Proceedings of the 13th International Conference on Ubiquitous Robots and Ambient Intelligence (URAI), Xi’an, China, 19–22 August 2016; pp. 348–352. [Google Scholar] [CrossRef]
- Al Rezage, G.; Tokhi, M.O. Fuzzy PID control of lower limb exoskeleton for elderly mobility. In Proceedings of the 2016 IEEE International Conference on Automation, Quality and Testing, Robotics (AQTR), Cluj-Napoca, Romania, 19–21 May 2016; pp. 1–6. [Google Scholar] [CrossRef]
- Shao, Y.; Li, J. Modeling and Switching Tracking Control for a Class of Cart-Pendulum Systems Driven by DC Motor. IEEE Access 2020, 8, 44858–44866. [Google Scholar] [CrossRef]
- Hamza, M.F.; Yap, H.J.; Choudhury, I.A.; Isa, A.I.; Zimit, A.Y.; Kumbasar, T. Current Development on Using Rotary Inverted Pendulum as a Benchmark for Testing Linear and Nonlinear Control Algorithms. Mech. Syst. Signal Process. 2019, 116, 347–369. [Google Scholar] [CrossRef]
- Chang, C.-W.; Chen, W.-T.; Ho, M.-T. Implementation of Time-Optimal Motion Planning for SCARA Robots. In Proceedings of the 2020 International Automatic Control Conference (CACS), Hsinchu, Taiwan, 4–7 November 2020; pp. 1–6. [Google Scholar] [CrossRef]
- Ye, Z.; Li, Z.; Su, C.-Y.; Huang, B. Adaptive Tracking Control of a Class of Constrained Euler–Lagrange Systems by Factorization of Dynamic Mass Matrix. IEEE Trans. Ind. Electron. 2019, 66, 7831–7840. [Google Scholar] [CrossRef]
- Zhou, Y.; Zhao, Z.; Louet, Y.; Ying, Q.; Li, R.; Zhou, X.; Chen, X.; Zhang, H. Large-Scale Spatial Distribution Identification of Base Stations in Cellular Networks. IEEE Access 2015, 3, 2987–2999. [Google Scholar] [CrossRef]
- Barjuei, E.S.; Toxiri, S.; Medrano-Cerda, G.A.; Caldwell, D.G.; Ortiz, J. Bond Graph Modeling of an Exoskeleton Actuator. In Proceedings of the 2018 10th Computer Science and Electronic Engineering Conference (CEEC), Colchester, UK, 19–21 September 2018; pp. 101–106. [Google Scholar] [CrossRef]
- Saeed, M.T.; Qin, S. Comprehensive Modeling and Simulation of an Anthropomorphic Robotic Exoskeleton for Rehabilitation. In Proceedings of the 16th International Bhurban Conference on Applied Sciences and Technology (IBCAST), Islamabad, Pakistan, 8–12 January 2019; pp. 347–352. [Google Scholar] [CrossRef]
- Zrafi, R.; Ghedira, S.; Besbes, K. A Bond Graph Approach for the Modeling and Simulation of a Buck Converter. J. Low Power Electron. Appl. 2018, 8, 2. [Google Scholar] [CrossRef]
- Ibănescu, R.; Ungureanu, C. Lagrange’s Equations versus Bond Graph Modeling Methodology by an Example of a Mechanical System. Appl. Mech. Mater. 2015, 809–810, 914–919. [Google Scholar] [CrossRef]
- Saeed, M.T.; Qin, S. Robust Control of a Mechatronic Exoskeleton for Motion Rehabilitation. In Proceedings of the 2019 IEEE International Conference on Mechatronics and Automation (ICMA), Tianjin, China, 4–7 August 2019; pp. 998–1003. [Google Scholar] [CrossRef]
- Saeed, M.T.; Gul, J.Z.; Kausar, Z.; Mughal, A.M.; Din, Z.M.U.; Qin, S. Design of Model-Based and Model-Free Robust Control Strategies for Lower Limb Rehabilitation Exoskeletons. Appl. Sci. 2022, 12, 3973. [Google Scholar] [CrossRef]
- Shojaei Barjuei, E.; Caldwell, D.G.; Ortiz, J. Bond Graph Modeling and Kalman Filter Observer Design for an Industrial Back-Support Exoskeleton. Designs 2020, 4, 53. [Google Scholar] [CrossRef]
- He, B.; Thomas, G.C.; Paine, N.; Sentis, L. Modeling and Loop Shaping of Single-Joint Amplification Exoskeleton with Contact Sensing and Series Elastic Actuation. In Proceedings of the 2019 American Control Conference (ACC), Philadelphia, PA, USA, 10–12 July 2019; pp. 4580–4587. [Google Scholar] [CrossRef]
- Tripathi, J.P.; Ghoshal, S.K.; Dasgupta, K.; Das, J. Bond Graph Modelling of a Hydraulic Cylinder-Actuated Planar Manipulator. J. Braz. Soc. Mech. Sci. Eng. 2017, 39, 4275–4287. [Google Scholar] [CrossRef]
- Garcia, L.E.S.; Góes, L.C.S. Bond Graph Concepts Applied to an Aircraft Brake System. In Proceedings of the ISMA2020 and USD2020, Leuven, Belgium, 7–9 September 2020; pp. 2053–2067. [Google Scholar]
- Najih, Y.; Adar, M.; Aboulouard, A.; Khaouch, Z.; Bengourram, M.; Zekraoui, M.; Mabrouki, M. Mechatronic Control Model of a Novel Variable Speed Wind Turbine Concept with Power Splitting Drive Train: A Bond Graph Approach. In Proceedings of the 2020 IEEE 6th International Conference on Optimization and Applications (ICOA), Beni Mellal, Morocco, 20–21 April 2020; pp. 1–5. [Google Scholar] [CrossRef]
- Mehlan, F.C.; Pedersen, E.; Nejad, A.R. Modelling of Wind Turbine Gear Stages for Digital Twin and Real-Time Virtual Sensing Using Bond Graphs. J. Phys. Conf. Ser. 2022, 2265, 032065. [Google Scholar] [CrossRef]
- Touairi, S.; Mabrouki, M. Vibration harvesting integrated into vehicle suspension and bodywork. Indones. J. Electr. Eng. Comput. Sci. 2021, 23, 188–196. [Google Scholar] [CrossRef]
- Touairi, S.; Mabrouki, M. Mechatronic Modeling and Control of Energy Recovery in Motorcycle Tires. In Proceedings of the 2020 IEEE 6th International Conference on Optimization and Applications (ICOA), Beni Mellal, Morocco, 20–21 April 2020; pp. 1–5. [Google Scholar] [CrossRef]
- Touairi, S.; Mabrouki, M. Optimization of Harvester System in Embedded Vehicle Systems via Bond Graph Modeling Algorithm. In Proceedings of the 2020 IEEE 6th International Conference on Optimization and Applications (ICOA), Beni Mellal, Morocco, 20–21 April 2020; pp. 1–6. [Google Scholar] [CrossRef]
- Hadwan, H.H.; Mahdi, M.A.; Hussein, A.W. Modeling Analysis and Simulation of Wheel Suspension System’s Response for Quarter Car Model by Using 20-sim Software for Honda Civic Lx 2019 Sedan. Period. Polytech. Mech. Eng. 2022, 66, 10–16. [Google Scholar] [CrossRef]
- Babangida, A.; Husi, G.; Szemes, P.T. Bond Graph Modeling, Simulation, and Control of Permanent Magnet Linear Synchronous Motor. Recent Innov. Mechatron. 2022, 9, 1–9. [Google Scholar] [CrossRef]
- Korsoveczki, G.; Pál, P.; Husi, G. The Simulation of a PID Controlled Robotic Drive Based on Bond Graph Modelling. Műszaki Tudományos Közlemények 2022, 17, 37–41. [Google Scholar] [CrossRef]
- Zhou, Z.; Zhang, J.; Xu, L.; Guo, Z. Modeling and Simulation of Hydro-Mechanical Continuously Variable Transmission System Based on Simscape. In Proceedings of the 2015 International Conference on Advanced Mechatronic Systems (ICAMechS), Beijing, China, 22–24 August 2015; pp. 397–401. [Google Scholar] [CrossRef]
- Enocksson, S. Modeling in MathWorks Simscape by Building a Model of an Automatic Gearbox. Master’s Thesis, Uppsala University, Uppsala, Sweden, 2011. [Google Scholar]
- Verma, D.; Nema, S.; Shandilya, A.M.; Dash, S.K. MATLAB (Simscape) Simulation and Experimental Validation of Solar Photovoltaic System for Performance Analysis Under Varying Environmental and Mismatch Condition. Electr. Electron. Eng. Int. J. (ELELIJ) 2015, 4, 39–54. [Google Scholar] [CrossRef]
- Boukenoui, R.; Bradai, R.; Salhi, H.; Mellit, A. Modeling and Simulation of Photovoltaic Strings Under Partial Shading Conditions Using Matlab/Simscape. In Proceedings of the 2015 International Conference on Clean Electrical Power (ICCEP), Taormina, Italy, 16–18 June 2015; pp. 73–77. [Google Scholar] [CrossRef]
- Lagrelius, K. Comparing Four Modelling Methods for the Simulation of a Soft Quadruped Robot. Master’s Thesis, KTH, School of Electrical Engineering and Computer Science, Stockholm, Sweden, 2022. TRITA-EECS-EX-2022:630. [Google Scholar]
- Bui, L.T.H.; Truc, L.N. A Simscape Multibody-Based Approach for Enhanced Dynamic Simulation of 6-Axis Robots. Glob. J. Eng. Technol. Adv. 2025, 23, 285–294. [Google Scholar] [CrossRef]
- Roaas, A.; Andersson, G.B.J. Normal range of motion of the hip, knee and ankle joints in male subjects, 30–40 years of age. Acta Orthop. Scand. 1982, 53, 205–208. [Google Scholar] [CrossRef]
- Boone, D.C.; Azen, S.P. Normal range of motion of joints in male subjects. J. Bone Jt. Surg. Am. 1979, 61, 756–759. [Google Scholar] [CrossRef]
- Shahi, H.; Yousefi-Koma, A.; Mohammadi Moghaddam, M. Robust adaptive admittance control of an exoskeleton in the presence of structured and unstructured uncertainties. Adv. Robot. 2018, 32, 1–24. [Google Scholar] [CrossRef]
- Merabtine, A. An Integrated Bond Graph Methodology for Building Performance Simulation. Energies 2025, 18, 4168. [Google Scholar] [CrossRef]














| Sr. No. | Modeling Approaches | Exoskeletons | Bio-Mechatronic Systems |
|---|---|---|---|
| 1 | Conventional Modeling | [13,24,25,26,27,28,29,30] | [31,32,33,34,35] |
| 2 | Bond Graph Modeling | [36,37,38,39,40,41,42] | [43,44,45,46,47,48,49,50,51,52,53] |
| 3 | SimscapeTM | * | [54,55,56,57] |
| Variables | Discipline | Description | Case-I | Case-II |
|---|---|---|---|---|
| Electrical | Motor Torque Constant | |||
| Electrical | Motor Back EMF Constant | |||
| Electrical | Armature Inductance | |||
| Electrical | Armature Resistance | |||
| Mechanical | Armature Inertia | |||
| Mechanical | Armature Damping | |||
| Mechanical | Combined Mass of Exoskeleton Link and Human Limb Segment | |||
| Mechanical | Radius of Pinion | |||
| Mechanical | Damping Coefficient | |||
| Mechanical | Stiffness of Leg |
| Parameters | Conventional Modeling | Bond Graph | Simscape™ | ||||||
|---|---|---|---|---|---|---|---|---|---|
| Input Type | Step | Impulse | Sinusoidal | Step | Impulse | Sinusoidal | Step | Impulse | Sinusoidal |
| Open-Loop Responses for LLRE Case-I | |||||||||
| Rise Time (sec) | 21.2990 | 0.7918 | 0.3940 | 21.2990 | 0.7918 | 0.3940 | 21.2990 | 0.7918 | 0.3940 |
| Settling Time (sec) | 50 | 50 | 40 | 50 | 50 | 40 | 50 | 50 | 40 |
| Peak Time (sec) | - | 1 | 3 | - | 1 | 3 | - | 1 | 3 |
| Steady-State Value | 9.919 | 0.0077 | 1 (−0.9716) | 9.919 | 0.0077 | 1 (−0.9716) | 9.919 | 0.0077 | 1 (−0.9716) |
| Peak Value | - | 0.9541 | 1.7270 | - | 0.9541 | 1.7270 | - | 0.9541 | 1.7270 |
| Steady-State Error | −8.919 | 0.0459 | 0 (0.03) | −8.919 | 0.0459 | 0 (0.03) | −8.919 | 0.0459 | 0 (0.03) |
| Closed-Loop Responses for LLRE Case-I | |||||||||
| Rise Time (sec) | 1.9000 | 0.7648 | 0.4456 | 1.9000 | 0.7648 | 0.4456 | 1.9000 | 0.7648 | 0.4456 |
| Settling Time (sec) | 9.394 | 4.773 | 5.4370 | 9.394 | 4.773 | 5.4370 | 9.394 | 4.773 | 5.4370 |
| Peak Time (sec) | - | 1 | 2.2820 | - | 1 | 2.2820 | - | 1 | 2.2820 |
| Steady-State Value | 0.9090 | 0.0009 | 0.6713 (−0.6713) | 0.9090 | 0.0009 | 0.6713 (−0.6713) | 0.9090 | 0.0009 | 0.6713 (−0.6713) |
| Peak Value | - | 0.6064 | 0.7091 | - | 0.6064 | 0.7091 | - | 0.6064 | 0.7091 |
| Steady-State Error | 0.0910 | 0.3936 | 0.3287 (−0.3287) | 0.0910 | 0.3936 | 0.3287 (−0.3287) | 0.0910 | 0.3936 | 0.3287 (−0.3287) |
| Open-Loop Responses for LLRE Case-II | |||||||||
| Rise Time (sec) | 19.214 | 0.7428 | 1.0400 | 19.214 | 0.7428 | 1.0400 | 19.214 | 0.7428 | 1.0400 |
| Settling Time (sec) | 50 | 50 | 47.89 | 50 | 50 | 47.89 | 50 | 50 | 47.89 |
| Peak Time (sec) | - | 3 | 3.735 | - | 3 | 3.735 | - | 3 | 3.735 |
| Steady-State Value | 9.951 | 0.7811 (−0.7691) | 9.951 | 0.7811 (−0.7691) | 9.951 | 0.7811 (−0.7691) | |||
| Peak Value | - | 1.579 | - | 1.579 | - | 1.579 | |||
| Steady-State Error | 0.1596 | 0.1596 | 0.1596 | ||||||
| Closed-Loop Responses for LLRE Case-II | |||||||||
| Rise Time (sec) | 1.4890 | 0.6711 | 1.0240 | 1.4890 | 0.6711 | 1.0240 | 1.4890 | 0.6711 | 1.0240 |
| Settling Time (sec) | 8.9990 | 18.6480 | 8.9990 | 18.6480 | 8.9990 | 18.6480 | |||
| Peak Time (sec) | - | 1.708 | 28.0520 | - | 1.708 | 28.0520 | - | 1.708 | 28.0520 |
| Steady-State Value | 1.055 | 0.9799 (−0.9817) | 1.055 | 0.9799 (−0.9817) | 1.055 | 0.9799 (−0.9817) | |||
| Peak Value | - | 0.9805 | - | 0.9805 | - | 0.9805 | |||
| Steady-State Error | −0.0550 | 0.4809 | −0.0550 | 0.4809 | −0.0550 | 0.4809 | |||
| Aspects | Newton–Euler or Euler–Lagrange Method | Bond Graph | Simscape™ |
|---|---|---|---|
| Domain | Classical mechanics, robotics, and control theory | Graphical modeling of dynamic systems | Mechatronics, controls, and physical system modeling [59] |
| Complexity | Handles complex systems with multiple constraints | Suitable for complex systems but requires expertise [63] | Efficient for complex systems, generalization needed for large models |
| Software Support | MATLAB R2023a, Python 3.10, and other tools | Specialized software like 20-sim, EASY5 | Integrated into MATLAB/Simulink |
| Flexibility | Flexible for various physical systems | Flexible across energy domains [63] | Pre-defined blocks enable ease of modeling [59] |
| Simulation Speed | Computationally expensive for large systems [58] | Efficiency depends on model complexity | Resource-intensive but efficient for medium-sized systems |
| Ease of Use | Requires strong mathematical background | Needs understanding of bond graph theory | Intuitive for users familiar with Simulink |
| Aspects | Domain | Complexity | Software Support | Flexibility | Simulation Speed | Ease of Use |
|---|---|---|---|---|---|---|
| Euler–Lagrange Method | 4 Lacks Modularity and real-time support | 2 Becomes unmanageable with more degrees of freedom. | 4 Less modular and harder to port for hardware-in-loop systems | 3 Requires re-derivation and manual implementation for each change | 4 Very efficient due to low overhead; ideal for linear models and fast controller testing | 2 Requires knowledge of system dynamics, Laplace transforms, and manual coding |
| Bond Graph | 3 Lacks Integration with hardware control | 3 Needs strong domain knowledge and manual causality assignment. | 2 Tools are not deeply integrated with control toolboxes | 4 Energy-based modeling is domain-independent [63], but modeling structure becomes complex for larger systems | 3 Performance drops with complex causality or stiff systems | 2 Requires specialized knowledge of bond graph modeling and causality assignment |
| Simscape™ | 5 Support real-time simulation | 5 Simscape models physical constraints (e.g., hard stops, joint limits) and multidomain systems very well [59] | 5 Seamless integration with MATLAB toolboxes, real-time targets, Simulink coder, and Simscape add-ons [58,59] | 5 Simscape provides plug-and-play blocks for multidomain physical systems with automatic domain connectivity [58,59] | 3 Becomes slower as model complexity and domain interactions grow | 5 Drag-and-drop interface; no advanced math needed; highly intuitive for Simulink users |
| Score | Real-Time Capability and Model Modularity | Complexity | Software Support | Flexibility | Simulation Speed | Ease of Use |
|---|---|---|---|---|---|---|
| 1 | No real-time support and fully monolithic design; Difficult to reuse or integrate | Very complex; not scalable; High manual effort | No integration with standard tools; limited support | Rigid; not adaptable to other domains | Very slow; unsuitable for repeated runs | Very hard to use; steep learning curve; poor docs |
| 2 | Limited real-time functionality and poor modularity; Customization needed for reuse or deployment | Complex and hard to generalize | Limited compatibility; niche or outdated tools needed | Limited flexibility; reuse requires major changes | Slow for medium/large systems; needs solver tuning | Difficult; poor GUI; scarce examples |
| 3 | Moderate support for real-time simulation; some modular structure but reuse requires effort | Moderate effort; manageable for simple systems | Moderate support; can be integrated with effort | Reusable in similar systems; some adaptation possible | Moderate simulation time; acceptable for small models | Usable with experience; manageable learning curve |
| 4 | Good real-time compatibility and fairly modular design; Subsystems reusable with minimal adaptation | Good abstraction; scalable with effort | Good support for most toolchains; some built-in integration | Adaptable across multiple domains with minor adjustments | Efficient simulations with optimization | Easy to learn; good GUI and documentation |
| 5 | Full real-time support and highly modular architecture; Ideal for scalable, Deployable applications | Highly modular; easily scalable for complex systems | Excellent integration with MATLAB/ Simulink, toolboxes, and real-time applications | Highly flexible and cross-domain; supports modular, reusable modeling | Very fast; suitable for rapid prototyping and iterative simulations | Very intuitive interface; rich examples; ideal for beginners |
| Metric | TF/ODE | Bond Graph | Simscape™ |
|---|---|---|---|
| Mean Score | 3.00 | 2.73 | 4.53 |
| Standard Deviation (σ) | 1.18 | 0.91 | 1.23 |
| Max Domain Score | 5 | 4 | 5 |
| Min Domain Score | 2 | 1 | 1 |
| Number of Criteria Rated | 6 | 6 | 6 |
Disclaimer/Publisher’s Note: The statements, opinions and data contained in all publications are solely those of the individual author(s) and contributor(s) and not of MDPI and/or the editor(s). MDPI and/or the editor(s) disclaim responsibility for any injury to people or property resulting from any ideas, methods, instructions or products referred to in the content. |
© 2025 by the authors. Licensee MDPI, Basel, Switzerland. This article is an open access article distributed under the terms and conditions of the Creative Commons Attribution (CC BY) license (https://creativecommons.org/licenses/by/4.0/).
Share and Cite
Khan, R.S.U.; Saeed, M.T.; Khan, Z.; Abid, U.; Rehman, H.Z.U.; Kausar, Z.; Qin, S. Modeling and Simulation of Lower Limb Rehabilitation Exoskeletons: A Comparative Analysis for Dynamic Model Validation and Optimal Approach Selection. Robotics 2025, 14, 143. https://doi.org/10.3390/robotics14100143
Khan RSU, Saeed MT, Khan Z, Abid U, Rehman HZU, Kausar Z, Qin S. Modeling and Simulation of Lower Limb Rehabilitation Exoskeletons: A Comparative Analysis for Dynamic Model Validation and Optimal Approach Selection. Robotics. 2025; 14(10):143. https://doi.org/10.3390/robotics14100143
Chicago/Turabian StyleKhan, Rana Sami Ullah, Muhammad Tallal Saeed, Zeashan Khan, Urooj Abid, Hafiz Zia Ur Rehman, Zareena Kausar, and Shiyin Qin. 2025. "Modeling and Simulation of Lower Limb Rehabilitation Exoskeletons: A Comparative Analysis for Dynamic Model Validation and Optimal Approach Selection" Robotics 14, no. 10: 143. https://doi.org/10.3390/robotics14100143
APA StyleKhan, R. S. U., Saeed, M. T., Khan, Z., Abid, U., Rehman, H. Z. U., Kausar, Z., & Qin, S. (2025). Modeling and Simulation of Lower Limb Rehabilitation Exoskeletons: A Comparative Analysis for Dynamic Model Validation and Optimal Approach Selection. Robotics, 14(10), 143. https://doi.org/10.3390/robotics14100143

