Abstract
The Business Process Model to represent the process of developing a medical device is presented in this paper. In the age of population aging and a growing amount of patients, enormous pressure is put on improving their care and living conditions. The development of medical devices is a complicated and expensive process. Therefore, the whole process was subjected to an analysis of business processes, and the resulting model was expressed using the Business Process Model and Notation (BPMN). The model aims to illustrate the consentient process of designing a medical device using graphical notation. This notation is suitable for displaying models of healthcare environments thanks to its user-friendliness and easy comprehensibility for all parties involved. In addition, this study demonstrates that the model in BPMN notation by its depth of specificity falls to the level of activity sub-processes. This level of abstraction allows a comprehensive view of the entire process, as well as future extensions for a more in-depth analysis and process mining techniques.
1. Introduction
In the time of population aging, medical technology is an essential part of our lives. It must help to prolong and improve human beings, reduce or eliminate pain and suffering, treat injuries and disabilities or compensate for their consequences, enhance the quality of medical care, and improve its outcomes. The development of medical devices is a sophisticated and complex process that is both time and cost-intensive. These processes work with a vast amount of information, requirements, entities, and financial needs. It is, therefore, necessary to manage, modify, and innovate these processes. Post-marketing medical devices have a very prompt lifecycle, as a result of the very rapid developments in the health sector and the improvement of existing technologies. An increasingly fast growth in the fields of biomedical science and technology gives rise to a paradoxical situation. On the one hand, the complexity of biomedical knowledge is increasing and requires more significant efforts for specialization and cooperation; on the other hand, the lifetime and timeliness of knowledge is significantly reduced [1]. It is evident that health care should be provided by safely designed [2,3] and effective [4,5] systems. These systems need to be explicitly designed to meet patient needs [1,5]. This assumption requires sufficient awareness of the patients to maintain control of their care.
In terms of modeling these specific systems, it is essential to identify critical processes that will be modeled and then optimized. For most systems, it is not financially or time-feasible to analyze all processes, and even assuming this is possible, it is often unnecessary. It is always necessary to consider the priority of individual processes and focus primarily on improving processes with strategic importance for the operation of the system. Thus, process modeling becomes an important part of management, analysis, decision-making, and system optimization. There is a wide range of process approaches such as Activity-Based Costing [1], Business process Reengineering [6], Process Innovation [7] Workflow Management [8], Total Quality Management [9], and Supply Chain Management [10]. The range of these approaches, however, means a significant expansion of creators and users, which in turn places great emphasis on the clarity of these models. It is important to realize that the choice of modeling approach is inevitably dependent on the background of the decision problem or on the initial and resulting criteria. The findings of the research study by DiMasi, Grabowski, Hansen [2] revealed that the implementation of Business Process Model (BPM) contributes to resource optimization and quality enhancement. More specifically, the BPM enables to:
- Detect essential IT requirements necessary for a specific treatment procedure,
- Interconnect and direct numerous resources of information,
- Combine various phases of the illness to patient needs and present it clearly to potential stakeholders,
- List all the costs of individual healthcare procedures.
In the area of healthcare [11], the models should reflect straightforward and uncomplicated processes in order to contribute to easy comprehensibility for all parties involved. The associations that implement BPM, namely Business Process Model and Notation (BPMN), are usually interested not only in describing the business process but also in analyzing, predicting behavior, and improving the business process to gain a competitive advantage in the global market. The quality of business (QoBiz) is closely connected with the quality of service (QoS): the former determines monetary profit or loss, while the latter is concerned with performance, security, reliability, and availability [8,12,13]. The product development is based on the transformation of an idea into a commercial product [14]. The first step is to identify the need for such a product. It is followed by identifying customer needs and issues that are solved by purchasing a new product. The following phase involves optimization; the trial product is developed and assessed by a few potential users. Provided that this process is successful, the introduction of a new product starts. In spite of some discrepancies between the product development procedures, a universal approach may be identified. It can bring many benefits, such as facilitating planning, increasing predictability, helping to improve quality, reducing costs, and compression cycle time [15,16,17]. A specialized methodology of product development and differentiation characteristics of medical devices is proposed, for example, in publication [18].
The choice of language or modeling approach is also crucial for process modeling [19]. BPMN is considered to be a suitable graphical language for communication within business processes with a large number and dispersion of users; it enables the creation of initial process designs and supports the implementation, management, and monitoring of procedures [20]. BPMN provides several benefits for business process modeling over Unified Modeling Language (UML), one of the best-known object modeling languages. Most importantly, BPMN offers a process flow modeling technique and a solid logical-mathematical foundation [21].
2. Literature
2.1. The Roles of Business Process Model
For a firm to sustainably create value, it must be ensured that its existing business model blends with current market trends [1,2]. This implies that whatever model adopted in business must be flexible, changing across the entire lifetime of the business [3,4,5]. This idea to business modeling involves the reconfiguration of certain aspects (elements) of a model which then provides room for the business to automatically link its value proposition to dynamic competencies and scarce resources [6,22]. Overall, the importance of a business model cannot be over-emphasized.
The concept of the business model is multi-faceted, especially due to the many definitions of the term as described in the literature. As was stated in [23], the model in business refers to a framework upon which a firm tries to create and deliver value, and lays hold on the mechanisms it employs. Simply, it is what defines and establishes the mannerism through which a firm delivers utility to customers, allures customers to want to reward the firm for the value created and offered, and transforming these rewards (payments) into a firm’s profit.
While a business plan seems great for business to thrive and evolve over time, it may not be the most useful step in starting a business [7]. This is because when the plan is implemented, it must be done in line with the model that would eventually help to attain set goals. As such, the business model is more crucial than any other plan within business. Several studies have stressed the role and importance of the business model to the success and growth of business [4,8,9,10,11]. The terminology itself received vast misrepresentation and misinterpretation with business and management discourse, so that it could mainly be substituted for terms such as BPM [10]. In the review by [11], the business process model was described as the sole conceptual background upon which the management of the firm plans and builds processes and roles for a continuous change [13]. As such, one role of the business process model is that it helps with an efficient and effective revision of the organization business process which ultimately drives the performance [12]. Additional roles played by BPM as elucidated in studies by [14,15,16,17] include:
- Using analysis and simulations to improve and re-engineer the business procedures;
- A business efficiency catalyst via the identification of the core processes and competencies;
- An initial development of the model and subsequent re-engineering of the same so as to facilitate better opportunities.
This done to ensure that knowledge of the process flows around the firm. This is achievable by exemplifying practical structures that allows for process-knowledge diffusion through communication and knowledge-sharing activities. For instance, this can be a joint agreement on a specific business process by a firm group of stakeholders. It is also important to develop an efficient information dissemination platform that aids the business growth through the provision of descriptive learning models.
BPM helps to establish a platform that supports a process control and execution. It provides a business with the possibility of being re-used. For instance, a single BPM can serve several purposes within a firm, for example, by being re-used to elaborate on what is required of a specific system unit within the process. It is note-worthy to stress that the re-use importance of BPM serves a greater purpose of allowing other benefits come to play [21].
In the context of the current study, which focuses on building a medical device, one begins to look at the business process model in terms of innovation. Technology, of course, serves as the background to innovation; as such, BPM has been largely linked to the technological innovations in the form of a comparative analysis between the converted and emerging industries. To clearly link the market growth in the converted and emerging markets using BPM, it is important to clarify the meanings of both types of industry. In a report jointly published by Pricewaterhouse Cooper and the European Cluster Observatory [17], it was noted that the emerging industries do not have a universally agreed definition. As such, the emerging industry is what builds its business around the product or idea that has been newly introduced to the market. These industries erupt as a result of the emergent of a new technology [18]. In contrast, Yun et al. focused on the converted industries, as those industries built on existing structures and ideas [8]. The authors stressed that regardless of the fascinating differences between intelligent robots and self-driving cars, the business models used in pushing the market for both products is what matters. Simply, the innovation may be disruptive when improperly channeled [22]. It is not granted that if a product is sensed to appeal to customers (dominant logic), it will receive market attention. It is rather the effective business model that is the underlying ingredient that can result in market growth for the product. As noted by [22], there is a possibility for a product to miss expected technology usage if the business model is not right. As such, firms are encouraged to develop their business models in a way that it evolves with the market by adopting external innovation and knowledge to the project [20,21]. As noted by [22], a singular technological innovation market with contrasting models will not yield the same market results in terms of growth. This is mainly due to the fact that some innovations are flawed on the ground that they are backed up by poor business models, and since technology on its own cannot drive an objective, it is the model adopted that helps a technological innovation to achieve the market goal in any business [22]. As such, the business model can be re-defined as a set of the well-structured business guidelines that help business to develop and convey the value to its subscribers [21].
Three crucial concepts are valuable for the effective value delivery by business. These concepts are embedded in dynamic capabilities of a firm. They are as follows: the ability of a business to be able to identify and assess rare business opportunities, otherwise referred to as sensing, a firm’s ability to rapidly gather resources from within and outside, so as to take the advantage of the opportunities sensed (seizing) and also making profit by doing so, and lastly, remaining agile and possessing ability to weather market storms (external) and internal changes for growth (transformation) [23,24].
2.2. Business Models and the Concept Open Innovation: Market Links to Technology
Reference [25] identified four basic ways in which technologies and markets relate. Technically, these methods of relationship have the basic ingredients that may determine whether or not a developed product will thrive in the market. The following scenarios lead to specific models:
- When technology and market are both new;
- When a market already exists and new technology is introduced;
- When existing technology finds its way into an existing market;
- When existing technology enters a new market.
It is the role of the business model to tie technology to markets, and vice versa, in order to create the economic value [20]. What this implies is that business models should drive open innovations, otherwise described as the combination of markets and technology, since technological agents do not necessarily have to be related in any way. Therefore, value is being created by the existing business model [26]. Thus, the innovations upon which business models driven by technology thrives will have the potential for big results. An understanding of what the business model entails may be crucial to detailing an open innovation [25]. Creating the value is the top most priority [3,14,25,27]. In addition, this is a technology that allows for the value to be created in the first place [26,28,29,30,31,32]. Customers consideration is also very important within the business model [5], as well as the expenditures and profits [19,22], and lastly the delivery of the value created to subscribers [24,33] introduces causal loop model of Medison open innovation on a representative example of serial entrepreneurship with emergence and complexity. Reference [34] highlighted importance of an entrepreneur’s caliber and networking ability.
Having understood the basic ways through which technologies interact with markets, it is important to analyze how this relation stretches into what is now known as an open innovation. By creating the so-called knowledge funnel, Reference [25] described some pathways to technology/knowledge flow termed “innovation channels”. The author rightly describes the role of an engineer who mediates between the market and technology, by making the move to bring the business model to the market via an engineer’s outlook. At the middle of the innovation channel, there is a user (an entrepreneur) who plays a similar mediation role, this time from a user’s viewpoint. Then, there is a customer, also at the center of the innovation channel, who carries out yet another similar role as those of the engineer and the user, but from the standpoint of a customer. The last part of the “knowledge funnel” as described by [25] is the social (market failure) point of view which lies at the end of the funnel and plays similar roles of linking the technology to market.
These channels all describe the meeting point between technologies and markets [35]. As both sectors meet, tendency curtains weaknesses can be seen, which are the differences between the industries that provide technology, and largely depend upon the business models [36]. Overall, the concept of the open innovation business models in which new and existing markets meets with new and existing technologies is what drives even greater profits. As such, the idea of the industrial convergence, which allows for knowledge and innovation flow from all directions and beyond some of the known status quo of markets and technologies, can be broken to achieve better results by any kind of technology [37,38]. Overall, supposing that the open innovation ideology allows for the steady growth of the firm within a knowledge-based economy, the global reach can be enriched and equipped with an approach that breaks the capitalist mindset [39].
2.3. Relating Business Model to Schumpeterian Theory and Open Innovation
There are basic links between the business models and innovations derivable from the technology [22,40]. Nevertheless, the concepts that make up the business models do not possess the kind of language that makes it relatable to the technology, i.e., the concepts do not bear any form of scholarly foundations [24]. The innovative technologies can be used to drive newly effective business models, such as the relationship between the steam power and the mass production business model. Even so, there is a chance for a successful business model to erupt void of any technology, with a very unique example seen in Japan’s ‘just in time’ system of manufacturing [28]. There have been several cases in business and management history where models were linked to the innovative technologies [29]. A popular case is Amazon starting up in 1955 at the back Sears Roebuck’s mail-order idea. There was no need for Amazon to look to develop an all new business model; rather, the company re-modified the model initially pushed by Southwest Airlines. In a contrasting situation, Google’s idea of word search was not merely a technology-based idea, but a business model advancement [28]. The use of Adwords to create a platform for the advertisement-based search experience of the Google was a situation in which the technology innovation linked to the business model, giving an all-new and satisfactory experience to everyone involved (Google users on the one hand, and the business owners on the other).
As noted by [32], inconsistency in the explanations in literature of the constructs of the business model and the business model innovations have brought about some major setbacks in linking both terms for business and market progress. Nevertheless, the so-called knowledge funnel of the open innovation as developed by [25], as well as Joseph Schumpeter’s innovation growth theory when linked can bring forth some unique results in business growth. Within the realm of Schumpeterian work, the economist manages to theorize disruptive innovation, otherwise referred to as “creative destruction” [31]. This was carried out via the development of specific models that depend on this concept. The models reveal a number of unique sides to the process of growth, which were initially lacking in many alternative theories [41]. Some of these aspects include: (a) how competition and the structure of markets influence growth; (b) dynamics of the firm/organization; (c) how the growth relates to the development in terms appropriate growth institutions; (d) the development and influence of long-term technological innovations waves. According to [31], each of these aspects were duly described by the Schumpeterian growth theory in a new way.
While the open innovation economic system (OIES) is able to solve most underlying economic issues of the modern era by creating a platform for the firm to look outwards and try to create a value from external ideas, there remains a need to the issue of how what the requirements of open innovation are, and how they can be met. This is where Schumpeterian growth theory comes in [39]. As noted by [42], OIES is a fusion of open, closed and social innovation economies so that its uniqueness is treated amongst the different components in a circle that starts and ends with the open innovation economy. Furthermore, carrying out a Schumpeterian analysis that validates the OIES model implies carrying out a life cycle assessment of OIES within a simulation framework, in addition to simulating its high and low levels dynamics. The next phase would be to seek economic systems that go in line with the results of the listed simulations, and subsequently compared with the aspects of Schumpeter’s theory of growth [42].
2.4. Characteristics of Medical Devices
2.4.1. Classes of the Medical Devices
The role played by medical devices in modern health care is indispensable. A range of medical devices serve daily to prevent, diagnose, and treat illnesses or injuries as well as compensate for disabilities. Apart from their obvious health benefits, medical devices constitute a major business sector. In Europe alone, medical devices generate a sales revenue of € 110 billion and provide 675,000 jobs. The EU is a net exporter in the medical device market.
According to the World Health Organization (WHO) [43], ‘Medical device’ means any instrument, apparatus, implement, machine, appliance, implant, reagent for in vitro use, software, material, or other similar or related article intended by the manufacturer to be used, alone or in combination, for human beings, for one or more of the specific medical purpose(s) of:
- Diagnosis, prevention, monitoring, treatment, or alleviation of disease,
- Diagnosis, monitoring, treatment, alleviation of, or compensation for an injury,
- Investigation, replacement, modification, or support of the anatomy or of a physiological process,
- Supporting or sustaining life,
- Control of conception,
- Disinfection of medical devices,
- Providing information by means of in vitro examination of specimens derived from the human body;
- That does not achieve its primary intended action by pharmacological, immunological, or metabolic means, in or on the human body, but which may be assisted in its intended function by such means.
The EU has legislation in place to protect the safety of patients, ensure the efficacy of medical devices, and facilitate their availability in the market. Responding to the rapid progress of research and development in the field of medical devices, the EU has introduced in 2017 two new regulations, on medical devices and on in vitro diagnostic medical devices respectively, to replace the three directives currently in effect:
- Council Directive 90/385/EEC on Active Implantable Medical Devices (AIMDD) (1990),
- Council Directive 93/42/EEC on Medical Devices (MDD) (1993),
- Council Directive 98/79/EC on in vitro Diagnostic Medical Devices (IVDMD) (1998).
The new regulations were adopted on 5 April 2017, entered into force on 25 May 2017 and will replace the current legislation by 2022. First the new regulation on medical devices will become applicable in spring 2020 and then the regulation on in vitro diagnostic medical devices will fully apply in spring 2022. The new legislative framework aims not only to enhance the protection and promotion of public health but also to encourage public confidence in health care and strengthen the position of European medical devices in the market.
The EU exports medical devices among other markets to the USA. The main American regulatory body is the Food and Drug Administration (FDA), which sets out particular phases and procedures in the process of medical device development. The first step is the device discovery and concept, followed by preclinical research, during which a prototype is tested in laboratory conditions on animals to determine its safety. The next step is the pathway to approval, where the new medical device is tested on human subjects to confirm both its safety and efficacy. The results of the process are subject to FDA review, which decides whether or not to approve the device for the market. Provided that the device is approved, it enters the market and proceeds to the last stage of the process, which involves post-market safety monitoring conducted by the FDA. This five-step process as outlined by the FDA largely corresponds to the practice in the European market and is in keeping with generally recognized phases of medical device development.
2.4.2. Timeline, Stages, and Costs of Medical Device Development in the Context of BPMN
Various authors describe the stages of medical device development in different terms but they overlap in the following areas: initiation, concept, design, production, final verification, and market disposition. In the stages of initiation and concept, the bulk of the costs constitute wages of the device developers, provided that the company works single-handedly and deploys its full-time employees. In more advanced stages, there are further costs in the form of testing, certification, and patent application fees. Clinical testing is the key variable in that the process is financially demanding and comprises a range of costs.
Figure 1 illustrates the stages of the process of medical device development from its initiation to its market deployment. The timeline of this process is typically two years. Processes that can run independently of each other—for instance, electrical safety approval and clinical evaluation can be conducted separately, since they are not interdependent—are displayed at the bottom of the figure as a running parallel, but links to other processes are indicated where necessary. It must be pointed out that the processes involved in clinical evaluation are significantly costlier when the company cannot perform them on its own, and the costs can reach up to € 308,000. Figure 1 does not include costs associated with stages 1, 2, and 6, because they are highly variable, depending on the type of medical device as well as on company conditions. Furthermore, the individual stages cannot be constricted to a specific timeline and their completion often depends on the duration of processes that are repeated for the duration of the phase. This difficulty is the reason for using the BPMN model, which allows costs to be associated with processes rather than with a timeline, since a timeline does not allow for a clear overview of the processes.
Figure 1.
Medical device development phases.
There are several types of diagrams available in BPMN, depending on their purpose. For the purpose of illustrating the cooperation of all parties involved in the process, from the initial idea to the introduction of the medical device (MD) in the market, a conversion diagram or choreographic diagram is suitable to show the main reasons for collaboration or communication. This paper, however, focuses on the development process within a single organization comprising the general section of the company, management, and technical sections. This point of view is shown in the collaboration diagram, which is one of the best-known BPMN diagrams. It is user friendly, as apparent in the illustrative elements that can be used for the process modeling. BPMN was chosen because it is easy to read for a general audience and even more so because we plan to expand the model to include cost forecasting and simulations, such as using the Activity-based costing (ABC) method, and to compare the results with those of the process mining analysis. The model shown in Figure 1 is conceived in a high degree of abstraction because elaborating the model into its individual elementary processes would result in overwhelming the reader with too many details.
3. Methods
The Business Process Management Initiative (BPMI), a non-profit group, created the Business Process Modeling and Notation concept (formerly Business Process Modeling Notation). The group was created by 16 e-business leaders such as Black Pearl, Blaze Software, Bowstreet, Entricom, and others. The group has expanded to include more than 80 companies involved in the development of such an auxiliary concept. They set themselves the following as intermediate objectives: to support and develop the use of BPM by creating standards for process design, deployment, execution, maintenance, and optimization. BPMI wanted the whole process to be more comfortable and more efficient for businesses in the global market. The overall goal was to create a standard for how to communicate more effectively, share data, and applications. The concept itself then contains three main components, namely the public interface and two private implementations. The public interface (interaction between two 84 business partners) is supported by protocols associated with, for example, BizTalk, ebXML, and RosettaNet. Other models are private, specific to each partner. However, the concept wanted to build 86 these individual models on a universal language that would define the same rules for each partner.
This laid the first foundation of BPML, an Extensible Markup Language (XML) syntax-based language; thus, the language can be used to model business data components. The associated language that acted as a questioner was the Business Process Query Language (BPQL) and was the management standard; it was used to deploy and run defined business processes. These languages were open specifications, and everyone could download them from the official BPMI website. Subsequently, however, it was necessary to present these languages in a single, graspable form that all interested people could understand.
BPMN displays the processes of each participant; each participant can view the schema differently. This means that participants have different perspectives on how these processes will behave. These processes can be for the participant an internal process (the activity relates to the participants) or external process (the participant will be there as a mere user). Therefore, each participant has a different perspective on how all processes will look at internal and external processes. It is, therefore, a different point of view of the participant, but the diagram, model, or process itself remains the same. BPMN is divided into several types of diagrams, each representing a different view of processes. BPMN is designed as a graphical notation for more accessible business process analysis. The enrollment was explicitly intended to coordinate the processes and communication between different process participants during their activities. The use of each of the BPMN elements is defined in the Reference Guide [44]. The following section introduces the basic types of BPMN notation elements.
3.1. Events
The event is used to model the “something happened” situation. An example of an event for the medical device development process is the situation when, during a test became a situation/need to initiate safety tests. Events affect process behavior and commonly have a cause or effect (catching, throwing). Events are always marked with a circle, where its form and possibly the symbol inside specify the type of event. In addition to the impact on process behavior, events can be categorized according to the “location” in the process. These are Start Events, which show where and how the process begins, Intermediate Events, which show the behavior during the process, and End Events, which show the response at the end of the process. Another division of Events is according to the influence of the currently running process. There are interrupting and non-interrupting variants that interrupt or do not interrupt the process. There are also Stand-alone Events that can stand in the process of themselves within Sequence Flows and Boundary Events that are related to some activity.
3.2. Activities
Activity is the work that is forged within the process. The activity in our case is all activities with input/output and responsible person, for example, scheduling, testing, specification creation, and more. Atomic action is Task, more complicated is called Subprocess. A special case is Call Activity, which allows reuse of Tasks and Sub-Processes in a diagram.
3.3. Gateways
Gateways are used to control the flow of a process when process threads are merging or splitting. The gates do not represent any work or action taken during the process. They can be used for both exclusive and inclusive decisions based on dates or events. This is distinguished by the symbols inside the diamond that represents the Gateway.
3.4. Pools and Lanes
The pool is used to display a process or a participant. The pool can be used for an external participant as a “black box”; i.e., it does not contain a process and is not modeled. The pool is automatically included in each BPD, and it is not necessary to use it. However, only one process within the BPD can be modeled without the pool, and the pool must bind all others. One process must always be included in one pool. Lanes can be used to divide the pool into other parts. Their use is not specified and is at the discretion of the diagram maker in the logical division of one process into several sections.
4. Model of Medical Device Development
Medical device development is a complex and long-term process that takes place in several stages. In general, the common phases of medical device development are initiation, concept proposing, design and development, verification and validation, production, and market device deployment.
General Phases of MD Development
The first phase—called “initiation”—is crucial for the identification of customer’s needs. For the proper identification, it is necessary to provide an initial description of functionality and intended use, advantages over existing solutions, analysis of competing products, the initial estimation of development costs (including the Directive), revenue, and funding. Interviews with doctors, end-users, or patients can confirm a previously identified clinical need. There is also room and need at this stage to review existing medical facilities and procedures.
The second phase—called the “conceptual design”—contains activities focusing on development plans, the product specification (including its features, size, material, packaging, and manufacturing concept), and the implementation team. The team is multi-sectional and its individual members have diverse roles in order to elaborate the idea in detail, assess the feasibility of the equipment, and develop the design and schedule for the entire project. The group consists of leading experts in research and development, quality assurance, manufacturing, marketing/sales, and in the clinical, regulatory, and legal fields. For specific activities, design plan requirements, product specification requirements, production concept, project plan, risk management plan, clinical trial and post market clinical follow-up (PMCF) concept, business registration plan requirements, and staffing requirements are often developed. The product is ready for transformation from concept to development when it has passed Phase 2 activities. Regarding both regulators and IRP, the risks are acceptable. Medical Devices has a specific class and is part of the company’s strategy. During the third phase, verification and validation tests are carried out to initiate stages III and IV of the MD process before and after design freezing. Validation and validation studies, including methods for their documentation, shall be verified. Proper documentation is necessary from a regulatory point of view since all research and development (R&D) studies must be reproducible. The patent review process is also included in Phase III or even Phase II. The MD reimbursement policy is set in Phase III because the new equipment is assigned replacement codes and part numbers.
The third phase—entitled “Design and Development”—contains design and development activities. Among the activities included in the Design phase are:
- Product design, design verification, and validation (determination of tests to be performed before and after freezing of the design),
- Regulatory—confirmation of technology protection and specification of accompanying documentation, if applicable.
Development activities are as follows:
- Purchasing and validation strategies (technical solutions to meet customer requirements, specification of specifications of all critical parameters, design of production technologies, design of materials, supplier decisions),
- Regulatory (PMCF plan, post-performance qualification, clinical trial plan),
- Risk management (failure mode and effects analysis (FMEA) update),
- Technical specification, block diagram, eclectic diagram, detailed design of hardware, software, mechanical design, prototype,
- Testing.
The fourth phase—known as “Verification and Validation”—involves producing formal design prints, verifying and validating the final product, and getting ready for approval and subsequent market entry. Any processes left unfinished in the previous phases must be completed now. This stage finalizes material specifications, packaging drawings, and marking and labeling specifications. Pre-launch marketing campaigns must be started. Apart from the marketing efforts, all electrical safety and EMC tests are performed.
In the fifth stage—“Production”—it is necessary to check the status of all activities carried out so far. The risk plan should be verified in terms of time, dFMEA, and aFMEA updates. Design verification reports and design verification reports are essential. A review of the accompanying regulatory dossier, the acceptance of the accompanying record, and the application for the CE marking should also be carried out. At the end of this phase, it is verified that the product meets customer requirements, regulators, and IPR and is ready to be marketed.
The sixth phase focuses on “Market Device Deployment”; here, it is necessary to pursue the marketing objectives set out in business marketing plans. Post-marketing studies (PMS) and clinical post-marketing studies (PMCF) are now available to the process. Data such as feedback from doctors, monitoring and reporting of adverse reactions, and post-market monitoring are collected and evaluated. This should regulate clinical trial and risk analysis and improve and optimize the product.
5. Results
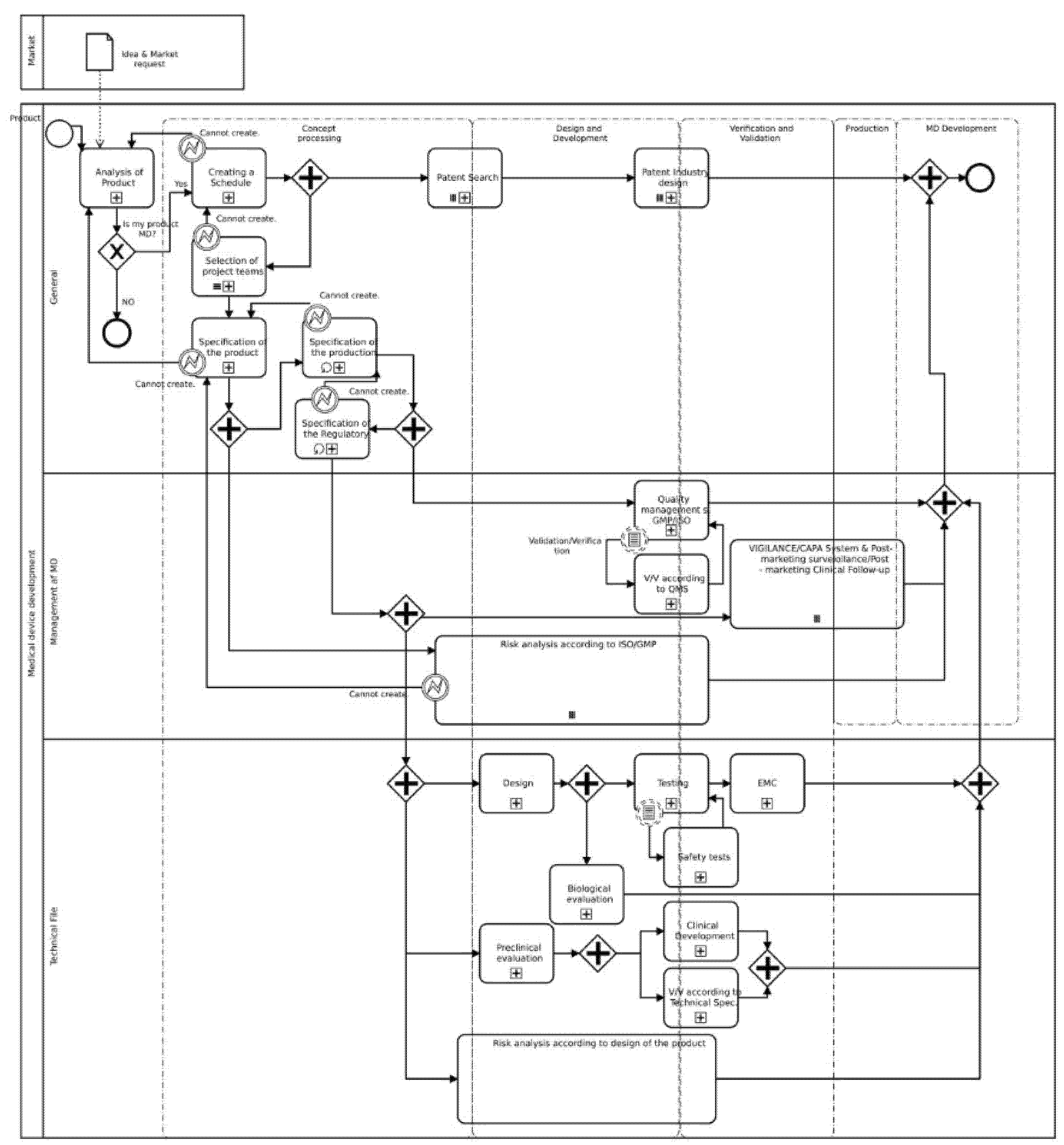
The model shown in Figure 2 represents the output of process analysis of the design of medical device development in the BPMN 2.0 notation. The process model is designed at the abstraction level working with sub-processes. Specializing in the task level would be model overloading with the simple to elementary steps. The model aims to visualize and illustrate the consentient process of designing a medical device using graphical notation.
Figure 2.
Medical device development process. Medical device (MD), Iternational Organization for Standardization (ISO), Good manufacturing practices (GMP) in regulations, Electromagnetic Compatibility (EMC), Vigilance Corrective and Preventative Action (CAPA).
Two main representatives participate in the process development: participants in the development of medical equipment and the market. The market is used to analyze the requirements and the current situation. Process analysis thus focuses only on participants in the development of medical equipment. Here, you can identify a general representative—“pool”—and two specializations—“lane”: Management of Medical Development and Technical Section.
The development phases mentioned above are intertwined for all three participants in this main pool. The specificity of some process activities is that they fall or overlap at different stages of development.
The whole process has a single start event. For its existence, this event requires a data object provided by the market, which is then analyzed. The output of the analysis can terminate the entire process or proceed to Phase II, “Concept proposing”. Most of the activities of this phase belong to the general part of the pool. However, some activities are going through other following stages.
The activities (in the form of a sub-process) have, in the vast majority, two possible terminations of their existence. The first type is the “error” situation indicating the occurrence of an error event during the activity. As an example of an error Event from the Figure 2, we can mention the inability to draw up a plan or finding that a product specification is incomplete. Another ending activity is a meet the condition event. For example, if the specification is complete, the activity is terminated, and the follow-up activity is started.
The process includes a large amount of splitting and joining of process threads. In the process, at this level of abstraction, there is a single splitting decision over the data. That split is in the first stage when the lead participant decides whether or not his intended product is or is not the medical device. In the case of merging, the process waits for the completion of all necessary activities to start the activity following all these previous ones. These connecting nodes occur in the project only in the second half of the phases, more precisely since the Verification and Validation phase.
6. Discussion
The literature presents many models or approaches to modeling the development of medical devices. However, these models are challenging to evaluate. Most of the published models are descriptive; only a few explanatory models attempt to present the entire process of medical device development or its individual stages. The choice of a suitable model is given by its intended purpose.
This having been said, the development company should be familiar with the workings of the entire process in order to be able to set milestones and goals, and then find out what can be improved. For example, the model in publication [25] assigns tasks to functional groups in the process and is based on practical analyzes and interviews with experts but does not display individual steps fluidly, such as the model [21]. This model makes concrete references to the European market against the process described in the publications [26,40] is general and can, therefore, be used anywhere.
The choice of BPM as a method to improve quality in process control automation is analyzed in the research study [28]. The BPM specifically contributes to:
- The detection of the core demands of the medical device development,
- The link and management of 81 various resources of information,
- The combination of various phases of the illness to patient demands and its presentation to potential stakeholders clearly,
- Listing of all the costs of individual healthcare procedures.
The BPMN approach was chosen primarily to describe processes and responsibilities within a company. Standard company analyses are conducted mostly in preparation for business process re-engineering or improvement, which requires data to support the company or process optimization. The model can be effectively used in medium and large enterprises. There are also small enterprises in the medical device market, for which the higher level of abstraction in this model is also acceptable and usable. It is less useful for start-ups where a single person carries a heavy burden of responsibility and fulfills multiple roles, which makes it difficult to define the relationships of activity—input/output—role/responsibility. This notation is transparent, accessible, and acknowledged in different research areas. In the area of healthcare [14], the models should reflect straightforward and uncomplicated processes in order to contribute to easy comprehensibility for all parties involved. Furthermore, a thorough identification of individual events in the development phase is essential for the specification of BPMN procedures and costs. This might increasingly help to avoid redundant calculations or data gathering as part of the use of the model.
7. Conclusions
The difficulty of finding an adequate model for the process of medical device development lies in the fact that medical devices are not a conventional product and do not conform to a stable modeling structure. It is, however, recognized that working with some model of product development process is highly beneficial in that it speeds up the process, as a result of which the development company gains a competitive edge and a faster return on investment. This paper presented a model in BPMN notation, which by its depth of specificity, falls to the level of activity sub-processes. This level of abstraction allows a comprehensive view of the entire process, as well as future extensions for more in-depth analysis and process mining techniques.
Study Implications
Thus far, the current study has been able to model a pathway for a state of the art medical device production. Nevertheless, as an implication for the development of such devices in future, any model adopted will attain better practical results if linked to open innovation. Given the ideas discussed by [40], i.e., allowing the entire development process flow in from both directions (outwards from the business to the subscribers for profit generation, and into it for the generation of newer business ideas and models) is crucial. Beyond allowing open innovation to play out, process testing of the adopted model on specific end-points (participants and the market) is also important. This is because if open innovation will drive success of the final product (medical device) in the long run, model and product must be well synchronized. As stressed by [28], certain exceptional products have failed due to inappropriate business models. Brown, Director of Xerox Palo Alto Research Center (PARC), in his foreword to Reference [40], explained that the entire process involved for a product to make a market success is fully dependent on not only the testing of the product in question, but also the adopted model, BPMN in this case.
The need for open innovation is to effectively reduce the error of releasing not-so-good products into the market in the long run, thereby leading to financial waste, as well as ensuring that products, though innovative, must avoid a model that is not vibrant enough for efficient market entry. Furthermore, this study points to the different types of open innovation models; customer, user, engineer, and social entrepreneurship [25], as such, have all been factored into the entire implementation process that will form the basis of the development of the said device. Doing due diligence to social entrepreneurship implies having a grasp of how the product will change the face of things within the society for which the innovation has been developed. Since the current study deals with a medical device, considering user-based open innovation model means understanding the impact of the device on hospital patients. For customer-based open innovation in this context, most customers of such an innovation would be health facilities. This means that there is a need to also predict how much the device would impact the operations of health facilities in and around Europe. The engineer open innovation specifically details the production framework for the device and how it is impacted by the model. All in all, a typical product development must endeavor to factor in these considerations.
Innovation is an extremely sensitive part of a business progress and growth, and the open innovation in its own is particularly useful. This is why there have been many discussions that have beclouded the use of the term in modern day business and management discourse [11,28,29].
Author Contributions
Conceptualization, P.M., M.P. and M.A.; methodology, H.T., P.M., M.P. and M.A.; validation, H.T., P.M. and K.K.; formal analysis, H.T.; investigation, P.M., M.P. and M.A.; resources, H.T., P.M. and B.K.; writing—original draft preparation, H.T., P.M. and B.K.; visualization, H.T.; supervision, K.K.; project administration, P.M.; funding acquisition, P.M., writing—original draft preparation O.F.
Funding
This study was also supported by the research project The Czech Science Foundation (GACR) 2017 No. 17-03037S Investment evaluation of medical device development run at the Faculty of Informatics and Management, University of Hradec Kralove, Czech Republic.
Conflicts of Interest
The authors declare no conflict of interest.
References
- Teece, D.J. Business models and dynamic capabilities. Long Range Plan. 2018, 51, 40–49. [Google Scholar] [CrossRef]
- DiMasi, J.A.; Grabowski, H.G.; Hansen, R.W. Innovation in the pharmaceutical industry: New estimates of R&D costs. J. Health Econ. 2016, 47, 20–33. [Google Scholar] [PubMed]
- Doz, Y.L.; Kosonen, M. Embedding Strategic Agility: A Leadership Agenda for Accelerating Business Model Renewal. Long Range Plan. 2010, 43, 370–382. [Google Scholar] [CrossRef]
- Achtenhagen, L.; Melin, L.; Naldi, L. Dynamics of Business Models—Strategizing, Critical Capabilities and Activities for Sustained Value Creation. Long Range Plan. 2013, 46, 427–442. [Google Scholar] [CrossRef]
- Osterwalder, A.; Pigneur, Y. Business Model Generation: A Handbook for Visionaries, Game Changers, and Challengers, 1st ed.; John Wiley and Sons: Hoboken, NJ, USA, 2010. [Google Scholar]
- Demil, B.; Lecocq, X. Business Model Evolution: In Search of Dynamic Consistency. Long Range Plan. 2010, 43, 227–246. [Google Scholar] [CrossRef]
- Schein, J. The Role of the Business Model and Strategy for Business. Available online: https://www.streetdirectory.com/travel_guide/10738/business_and_finance/the_role_of_the_business_model_and_strategy_for_business.html (accessed on 6 November 2019).
- Yun, J.J.; Won, D.; Park, K.; Jeong, E.; Zhao, X. The role of a business model in market growth: The difference between the converted industry and the emerging industry. Technol. Forecast. Soc. Chang. 2019, 146, 534–562. [Google Scholar] [CrossRef]
- Casadesus-Masanell, R.; Heilbron, J. The Business Model: Nature and Benefits. In Advances in Strategic Management; Baden-Fuller, C., Mangematin, V., Eds.; Emerald Group Publishing Limited: Bingley, UK, 2015; Volume 33, pp. 3–30. [Google Scholar]
- DaSilva, C.M.; Trkman, P. Business Model: What It Is and What It Is Not. Long Range Plan. 2014, 47, 379–389. [Google Scholar] [CrossRef]
- Aldin, L.; de Cesare, S. A literature review on business process modelling: New frontiers of reusability. Enterp. Inf. Syst. 2011, 5, 359–383. [Google Scholar] [CrossRef]
- Jacobson, I. The Object Advantage: Business Process Reengineering with Object Technology; Addison-Wesley: Wokingham, UK, 1995. [Google Scholar]
- Indulska, M.; Green, P.; Recker, J.; Rosemann, M. Business Process Modeling: Perceived Benefits. In Proceedings of the Conceptual Modeling—ER 2009: 28th International Conference on Conceptual Modeling, Gramado, Brazil, 9–12 November 2009; Laender, A.H.F., Castano, S., Dayal, U., Casati, F., de Oliveira, J.P.M., Eds.; Springer: Heidelberg, Germany, 2009. [Google Scholar]
- Caetano, A.; Silva, A.R.; Tribolet, J. Using Roles and Business Objects to Model and Understand Business Processes. In Proceedings of the 2005 ACM Symposium on Applied Computing, Santa Fe, NM, USA, 13–17 March 2005. [Google Scholar]
- Luo, W.; Alex, T.Y. A framework for selecting business process modeling methods. Ind. Manag. Data Syst. 1999, 99, 312–319. [Google Scholar] [CrossRef]
- Erikksen, H.; Penker, M. Business Modeling with UML: Business Patterns at Work; John Wiley & Sons: New York, NY, USA, 2000. [Google Scholar]
- Monfardini, E.; Probst, L.; Scienzi, K.; Cambier, B.; Frideres, L. “Emerging Industries”: Report on the Methodology for Their Classification and on the Most Active, Significant and Relevant New Emerging Industrial Sectors. Available online: https://ec.europa.eu/research/industrial_technologies/pdf/emerging-industries-report_en.pdf (accessed on 11 December 2019).
- Chappelow, J. Emerging Market Economy. Available online: https://www.investopedia.com/terms/e/emergingmarketeconomy.asp (accessed on 17 July 2019).
- Chesbrough, H. Business model innovation: It’s not just about technology anymore. Strategy Lead. 2007, 35, 12–17. [Google Scholar] [CrossRef]
- Chesbrough, H.W. Why Companies Should Have Open Business Models. MIT Sloan Manag. Rev. 2007, 48, 22–28. [Google Scholar]
- Čirjevskis, A. Designing dynamically “signature business model” that support durable competitive advantage. J. Open Innov. Technol. Mark. Complex. 2016, 2, 15. [Google Scholar] [CrossRef]
- Chesbrough, H. Business Model Innovation: Opportunities and Barriers. Long Range Plan. 2010, 43, 354–363. [Google Scholar] [CrossRef]
- Teece, D.J. Business Models, Business Strategy and Innovation. Long Range Plan. 2010, 43, 172–194. [Google Scholar] [CrossRef]
- Teece, D.J. Explicating dynamic capabilities: The nature and microfoundations of (sustainable) enterprise performance. Strateg. Manag. J. 2007, 28, 1319–1350. [Google Scholar] [CrossRef]
- Yun, J.J.; Yang, J.; Park, K. Open Innovation to Business Model: New Perspective to Connect between Technology and Market. Sci. Technol. Soc. 2016, 21, 324–348. [Google Scholar] [CrossRef]
- Yun, J.J.; Liu, Z. Micro- and Macro-Dynamics of Open Innovation with a Quadruple-Helix Model. Sustainability 2019, 11, 3301. [Google Scholar] [CrossRef]
- Spieth, P.; Schneckenberg, D.; Ricart, J.E. Business model innovation—State of the art and future challenges for the field. Res. Dev. Manag. 2014, 44, 237–247. [Google Scholar] [CrossRef]
- Baden-Fuller, C.; Haefliger, S. Business Models and Technological Innovation—How They Interact. Available online: https://www.cass.city.ac.uk/faculties-and-research/research/cass-knowledge/2013/october/business-models-and-technological-innovation-how-they-interact (accessed on 6 November 2019).
- Pedersen, E.R.G.; Gwozdz, W.; Hvass, K.K. Exploring the Relationship Between Business Model Innovation, Corporate Sustainability, and Organisational Values within the Fashion Industry. J. Bus. Ethics 2018, 149, 267–284. [Google Scholar] [CrossRef]
- Spieth, P.; Schneckenberg, D.; Matzler, K. Exploring the linkage between business model & innovation and the strategy of the firm. Res. Dev. Manag. 2016, 46, 403–413. [Google Scholar]
- Aghion, P.; Akcigit, U.; Howitt, P. What Do We Learn From Schumpeterian Growth Theory? In Handbook of Economic Growth; Aghion, P., Durlauf, S.N., Eds.; Elsevier: Amsterdam, The Netherlands, 2014; Volume 2, pp. 515–563. [Google Scholar]
- Foss, N.J.; Saebi, T. Business models and business model innovation: Between wicked and paradigmatic problems. Long Range Plan. 2018, 51, 9–21. [Google Scholar] [CrossRef]
- Yun, J.J.; Lee, M.; Park, K.; Zhao, X. Open Innovation and Serial Entrepreneurs. Sustainability 2019, 11, 5055. [Google Scholar] [CrossRef]
- Yun, J.J.; Park, K. How User Entrepreneurs Succeed: The Role of Entrepreneur’s Caliber and Networking Ability in Korean User Entrepreneurship. Sci. Soc. 2016, 21, 391–409. [Google Scholar] [CrossRef]
- Kodama, F. Japanese innovation in mechatronics technology. Sci. Public Policy 1986, 13, 44–51. [Google Scholar]
- Bröring, S.; Cloutier, L.M.; Leker, J. The front end of innovation in an era of industry convergence: Evidence from nutraceuticals and functional foods. Res. Dev. 2006, 36, 487–498. [Google Scholar] [CrossRef]
- Hacklin, F. Management of Convergence in Innovation: Strategies and Capabilities for Value Creation Beyond Blurring Industry Boundaries; Physica-Verlag Heidelberg: Heidelberg, Germany, 2008. [Google Scholar]
- Hacklin, F.; Raurich, V.; Marxt, C. How Incremental Innovation Becomes Disruptive: The Case of Technology Convergence. In Proceedings of the 2004 IEEE International Engineering Management Conference (IEEE Cat. No.04CH37574), Singapore, 18–21 October 2004. [Google Scholar]
- Yun, J.J. Business Model Design Compass: Open Innovation Funnel to Schumpeterian New Combination Business Model Developing Circle; Springer: Singapore, 2017. [Google Scholar]
- Yun, J.J. How do we conquer the growth limits of capitalism? Schumpeterian Dynamics of Open Innovation. J. Open Innovation Technol. Mark. Complex. 2015, 1, 17. [Google Scholar] [CrossRef]
- Chesbrough, H.W. Open Innovation: The New Imperative for Creating and Profiting from Technology; Harvard Business School Press: Boston, MA, USA, 2003. [Google Scholar]
- Aghion, P.; Akcigit, U.; Howitt, P. The Schumpeterian Growth Paradigm. Annu. Rev. Econ. 2015, 7, 557–575. [Google Scholar] [CrossRef]
- WHO. Medical Device—Full Definition. Available online: https://www.who.int/medical_devices/full_deffinition/en/ (accessed on 28 November 2019).
- BPMN. BPMN Specification—Business Process Model and Notation. Available online: http://www.bpmn.org/ (accessed on 13 December 2019).
© 2019 by the authors. Licensee MDPI, Basel, Switzerland. This article is an open access article distributed under the terms and conditions of the Creative Commons Attribution (CC BY) license (http://creativecommons.org/licenses/by/4.0/).

