A Novel Highly Linear Voltage-To-Time Converter (VTC) Circuit for Time-Based Analog-To-Digital Converters (ADC) Using Body Biasing
Abstract
1. Introduction
2. Proposed Circuits Design and Analysis
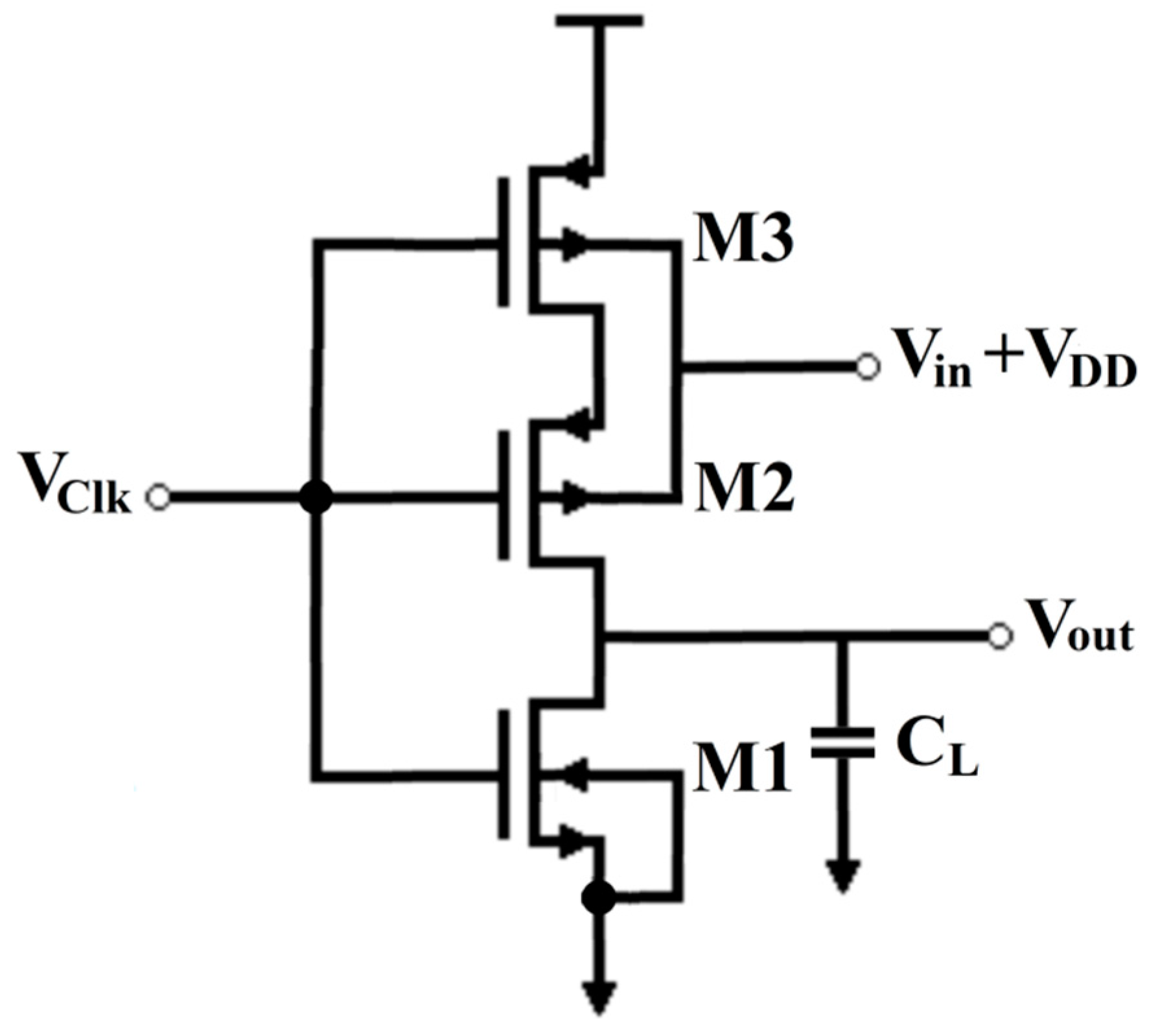
2.1. First Proposed VTC
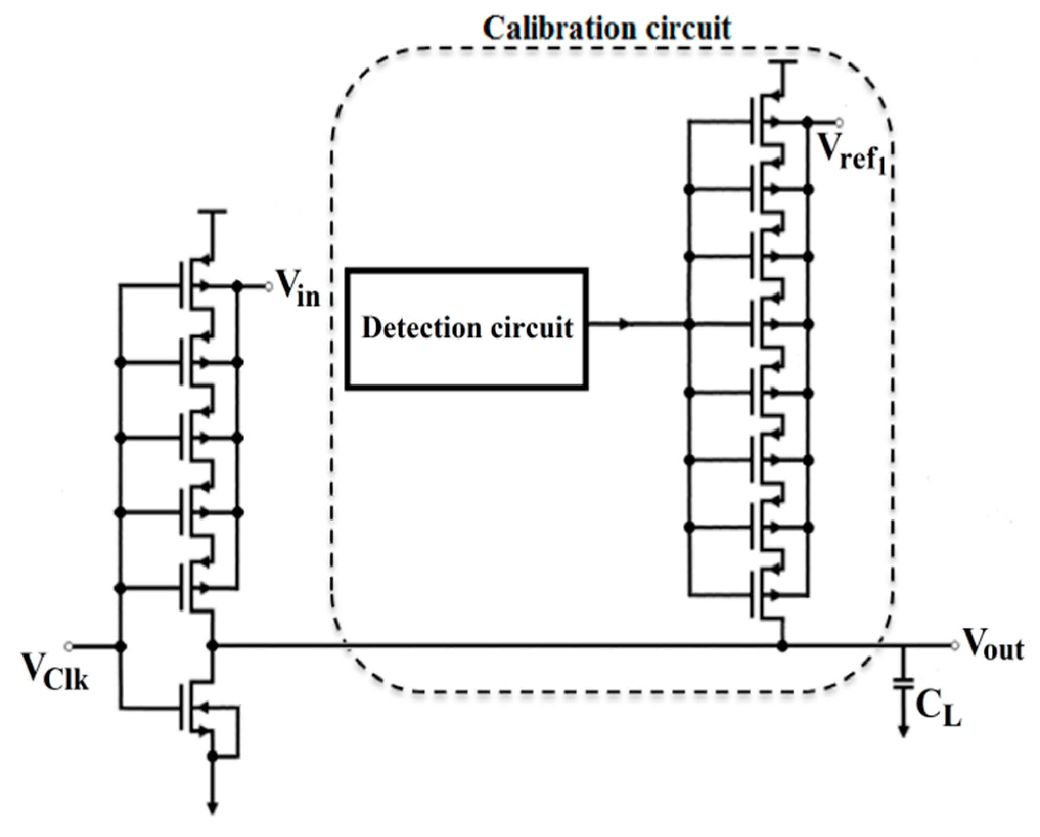
2.2. Second Proposed VTC
3. Simulation Results
4. Discussion
4.1. Process-Voltage-Temperature (PVT) Variations
4.1.1. Process Variations
4.1.2. Supply Voltage Variations
4.1.3. Temperature Variations
4.2. Time-To-Digital Converter (TDC)
4.3. Jitter
5. Conclusions
Author Contributions
Funding
Conflicts of Interest
References
- Mostafa, H.; Ismail, Y.I. Highly-linear voltage-to-time converter (VTC) circuit for time-based analog-to-digital converters (T-ADCs). In Proceedings of the 2013 IEEE 20th International Conference on Electronics, Circuits, and Systems (ICECS), Abu Dhabi, UAE, 8–11 December 2013; pp. 149–152. [Google Scholar]
- Hassan, A.H.; Ismail, M.W.; Ismail, Y.; Mostafa, H. A 200 MS/s 8-bit Time-Based Analog-to-Digital Converter with Inherit Sample and Hold. In Proceedings of the 2016 29th IEEE International System-on-Chip Conference (SOCC), Seattle, WA, USA, 6–9 September 2016; pp. 120–124. [Google Scholar]
- Pekau, H.; Yousif, A.; Haslett, J.W. A CMOS integrated linear voltage-to-pulse-delay-time converter for time based analog-to-digital converters. In Proceedings of the 2006 IEEE International Symposium on Circuits and Systems (ISCAS), Island of Kos, Greece, 21–24 May 2006; pp. 2373–2376. [Google Scholar]
- Macpherson, A.R.; Townsend, K.A.; Haslett, J.W. A 5GS/s voltage-to-time converter in 90nm CMOS. In Proceeding of 2009 European Microwave Integrated Circuits Conference (EuMIC), Rome, Italy, 28–29 September 2009; pp. 254–257. [Google Scholar]
- Macpherson, A.R.; Townsend, K.A.; Haslett, J.W. A 2.5GS/s 3-bit time-based ADC in 90 nm CMOS. In Proceedings of the 2011 IEEE International Symposium of Circuits and Systems (ISCAS), Rio de Janeiro, Brazil, 15–18 May 2011; pp. 9–12. [Google Scholar]
- Naraghi, S.; Courcy, M.; Flynn, M.P. A 9-bit, 14 μW and 0.06 mm2 Pulse Position Modulation ADC in 90 nm Digital CMOS. IEEE J. Solid-State Circuits 2010, 45, 1870–1880. [Google Scholar] [CrossRef]
- Hassan, A.H.; Ali, A.; Ismail, M.W.; Refky, M.; Ismail, Y.; Mostafa, H. A 1 GS/s 6-bit Time-Based Analog-to Digital Converter (T-ADC) for Front-End Receivers. In Proceedings of the 2017 IEEE 60th International Midwest Symposium on Circuits and Systems (MWSCAS), Boston, MA, USA, 6–9 August 2017; pp. 1605–1608. [Google Scholar]
- Zhu, S.; Xu, B.; Wu, B.; Soppimath, K.; Chiu, Y. A Skew-Free 10 GS/s 6 bit CMOS ADC With Compact Time-Domain Signal Folding and Inherent DEM. IEEE J. Solid-State Circuits 2016, 51, 1785–1796. [Google Scholar] [CrossRef]
- Miki, T.; Miura, N.; Mizuta, K.; Dosho, S.; Nagata, M. A 500MHz-BW −52.5dB-THD Voltage-to-Time Converter utilizing a two-step transition inverter. In Proceedings of the ESSCIRC Conference 2016: 42nd European Solid-State Circuits Conference, Lausanne, Switzerland, 12–15 September 2016; pp. 141–144. [Google Scholar]
- Vlassis, S.; Felouris-Panetas, O.; Souliotis, G.; Plessas, F. Linear Current-to-Time Converter. In Proceedings of the 2019 14th International Conference on Design Technology of Integrated Systems in Nanoscale Era (DTIS), Mykonos, Greece, 16–18 April 2019; pp. 1–5. [Google Scholar]
- Samimian, N.; Mousazadeh, M.; Khoie, A. A Time-based All-Digital Analog to Digital converter for IOT Applications. In Proceedings of the 2019 27th Iranian Conference on Electrical Engineering (ICEE), Yazd, Iran, 30 April–2 May 2019; pp. 249–252. [Google Scholar]
- Rivandi, H.; Shakibaee, F.; Saberi, M. A 6-bit 100-MS/s Fully-Digital Time-Based Analog-to-Digital Converter. In Proceedings of the 2019 27th Iranian Conference on Electrical Engineering (ICEE), Yazd, Iran, 30 April–2 May 2019; pp. 412–415. [Google Scholar]
- Unnikrishnan, V.; Vesterbacka, M. Time-Mode Analog-to-Digital Conversion Using Standard Cells. IEEE Trans. Circuits Syst. I Regul. Pap. 2014, 61, 3348–3357. [Google Scholar] [CrossRef]
- Jayaraj, A.; Danesh, M.; Chandrasekaran, S.T.; Sanyal, A. Highly Digital Second-Order ΔΣ VCO ADC. IEEE Trans. Circuits Syst. I Regul. Pap. 2019, 66, 2415–2425. [Google Scholar] [CrossRef]
- Aiello, O.; Crovetti, P.; Alioto, M. Fully Synthesizable Low-Area Analogue-to-Digital Converters With Minimal Design Effort Based on the Dyadic Digital Pulse Modulation. IEEE Access 2020, 8, 70890–70899. [Google Scholar] [CrossRef]
- Wu, T.; Chen, M.S. A Noise-Shaped VCO-Based Nonuniform Sampling ADC with Phase-Domain Level Crossing. IEEE J. Solid-State Circuits 2019, 54, 623–635. [Google Scholar] [CrossRef]
- ElGabry, M.A.; Hassan, A.H.; Mostafa, H.; Soliman, A.M. A new design methodology for voltage-to-frequency converters (VFCs) circuits suitable for time-based analog-to-digital converters (T-ADCs). Analog Integr. Circuits Signal Process. 2018, 94, 277–287. [Google Scholar] [CrossRef]
- Mostafa, H.; Anis, M.; Elmasry, M. Adaptive Body Bias for Reducing the Impacts of NBTI and Process Variations on 6T SRAM Cells. IEEE Trans. Circuits Syst. I Regul. Pap. 2011, 58, 2859–2871. [Google Scholar] [CrossRef]
- Lakshminarayanan, S.; Joung, J.; Narasimhan, G.; Kapre, R.; Slanina, M.; Tung, J.; Whately, M.; Hou, C.; Liao, W.; Lin, S.; et al. Standby power reduction and SRAM cell optimization for 65nm technology. In Proceedings of the 2009 10th International Symposium on Quality Electronic Design, San Jose, CA, USA, 16–18 March 2009; pp. 471–475. [Google Scholar]
- Hokazono, A.; Balasubramanian, S.; Ishimaru, K.; Ishiuchi, H.; Liu, T.J.K.; Hu, C. MOSFET design for forward body biasing scheme. IEEE Electron Device Lett. 2006, 27, 387–389. [Google Scholar] [CrossRef]
- Tschanz, J.W.; Kao, J.T.; Narendra, S.G.; Nair, R.; Antoniadis, D.A.; Chandrakasan, A.P.; De, V. Adaptive body bias for reducing impacts of die-to-die and within-die parameter variations on microprocessor frequency and leakage. IEEE J. Solid-State Circuits 2002, 37, 1396–1402. [Google Scholar] [CrossRef]
- Srivastava, A.; Govindarajan, D. A Fast ALU Design in CMOS for Low Voltage Operation. J. VLSI Des. 2002, 14, 315–327. [Google Scholar] [CrossRef]
- Walden, R.H. Analog-to-digital converter survey and analysis. IEEE J. Sel. Areas Commun. 1999, 17, 539–550. [Google Scholar] [CrossRef]
- Macpherson, A.R. A Time-Based 5GS/s CMOS Analog-to-Digital. Ph.D. Thesis, University of Calgary, Calgary, AB, Canada, 2013. [Google Scholar]
- Liu, H.; Liu, M.; Zhu, Z.; Yang, Y. A high linear voltage-to-time converter (VTC) with 1.2 V input range for time-domain analog-to-digital converters. Microelectron. J. 2019, 88, 18–24. [Google Scholar] [CrossRef]
- Macpherson, A.R.; Haslett, J.W.; Belostotski, L. A 5GS/s 4-bit Time-Based Single Channel CMOS ADC for Radio Astronomy. In Proceedings of the IEEE 2013 Custom Integrated Circuits Conference, San Jose, CA, USA, 22–25 September 2013; pp. 1–4. [Google Scholar]
- Ohhata, K. A 2.3-mW, 950-MHz, 8-bit Fully-Time-Based Subranging ADC Using Highly-Linear Dynamic VTC. In Proceedings of the 2018 IEEE Symposium on VLSI Circuits, Honolulu, HI, USA, 18–22 June 2018; pp. 95–96. [Google Scholar]
- Tousi, Y.M.; Afshari, E. A Miniature 2 mW 4 bit 1.2 GS/s Delay-Line-Based ADC in 65 nm CMOS. IEEE J. Solid-State Circuits 2011, 46, 2312–2325. [Google Scholar] [CrossRef]
- Xu, Y.; Wu, G.; Belostotski, L.; Haslett, J.W. 5-bit 5-GS/s Noninterleaved Time-Based ADC in 65-nm CMOS for Radio-Astronomy Applications. IEEE Trans. Very Large Scale Integr. (VLSI) Syst. 2016, 24, 3513–3525. [Google Scholar] [CrossRef]
- El-Bayoumi, A.; Mostafa, H.; Soliman, A.M. A Novel MIM-Capacitor-Based 1-GS/s 14-bit Variation-Tolerant Fully-Differential Voltage-to-Time Converter (VTC) Circuit. J. Circuit Syst. Comp. 2016, 26, 1–35. [Google Scholar] [CrossRef]
- Liu, J.; Luo, Z.; Xiong, X. Low-Resolution ADCs for Wireless Communication: A Comprehensive Survey. IEEE Access 2019, 7, 91291–91324. [Google Scholar] [CrossRef]
- Gao, P.; Sanada, Y. Effect of Quantization Range Limit for Low-Resolution Analog-to-Digital Converters in Full-Digital Massive MIMO System. In Proceedings of the 2019 IEEE VTS Asia Pacific Wireless Communications Symposium (APWCS), Singapore, 28–30 August 2019; pp. 1–5. [Google Scholar]
- Rahimian, S.; Jing, Y.; Ardakani, M. Performance Analysis of Massive MIMO Multi-Way Relay Networks With Low-Resolution ADCs. IEEE Trans. Wirel. Commun. 2020, 19, 5794–5806. [Google Scholar] [CrossRef]
- Johns, D.A.; Martin, K. Analog Integrated Circuit Design; John Wiley and Sons: Hoboken, NJ, USA, 1997; pp. 456–457. [Google Scholar]
- Dudek, P.; Szczepanski, S.; Hatfield, J.V. A High-Resolution CMOS Time-to-Digital Converter Utilizing a Vernier Delay Line. IEEE J. Solid-State Circuits 2000, 35, 240–247. [Google Scholar] [CrossRef]
- Markovic, B.; Tisa, S.; Villa, F.A.; Tosi, A.; Zappa, F. A High-Linearity, 17ps Precision Time-to-Digital Converter Based on a Single-Stage Vernier Delay Loop Fine Interpolation. IEEE Trans. Circuits Syst. I Regul. Pap. 2013, 60, 557–569. [Google Scholar] [CrossRef]
- Vercesi, L.; Liscidini, A.; Castello, R. Two-Dimensions Vernier Time-to-Digital Converter. IEEE J. Solid-State Circuits 2010, 45, 1504–1512. [Google Scholar] [CrossRef]
- Yu, J.; Dai, F.F.; Jaeger, R.C. A 12-Bit Vernier Ring Time-to-Digital Converter in 0.13 μm CMOS Technology. IEEE J. Solid-State Circuits 2010, 45, 830–842. [Google Scholar] [CrossRef]
- Rashdan, M. Multi-step and high-resolution vernier-based TDC architecture. In Proceedings of the 2017 29th International Conference on Microelectronics (ICM), Beirut, Lebanon, 10–13 December 2017; pp. 1–4. [Google Scholar]
- Lu, P.; Liscidini, A.; Andreani, P. A 3.6 mW, 90 nm CMOS Gated-Vernier Time-to-Digital Converter with an Equivalent Resolution of 3.2ps. IEEE J. Solid-State Circuits 2012, 47, 1626–1635. [Google Scholar] [CrossRef]
- Enomoto, R.; Iizuka, T.; Koga, T.; Nakura, T.; Asada, K. A 16-bit 2.0-ps Resolution Two-Step TDC in 0.18- μ m CMOS Utilizing Pulse-Shrinking Fine Stage With Built-In Coarse Gain Calibration. IEEE Trans. Very Large Scale Integr. (VLSI) Syst. 2019, 27, 11–19. [Google Scholar] [CrossRef]
- Yoo, J.; Choi, K.; Tangel, A. A 1-GSPS CMOS flash A/D converter for system-on-chip applications. In Proceedings of the IEEE Computer Society Workshop on VLSI 2001. Emerging Technologies for VLSI Systems, Orlando, FL, USA, 19–20 April 2001; pp. 135–139. [Google Scholar]
- Lee, D.; Yoo, J.; Choi, K.; Ghaznavi, J. Fat tree encoder design for ultra-high speed flash A/D converters. In Proceedings of the The 2002 45th Midwest Symposium on Circuits and Systems, Tulsa, OK, USA, 4–7 August 2002; pp. 233–236. [Google Scholar]





























| First Proposed | Second Proposed | [13] | [14] | [15] | [16] | [25] | [26] | [27] | [28] | [29] | [30] | |
|---|---|---|---|---|---|---|---|---|---|---|---|---|
| technology | 65 nm | 65 nm | 65 nm | 65 nm | 40 nm | 65 nm | 65 nm | 65 nm | 65 nm | 65 nm | 65 nm | 65 nm |
| supply Voltage (V) | 1.2 | 1.2 | 0.6 | 1.2 | 0.7 | 1 | 1.2 | 1.0 | 1.0 | 1.2 | 1.05 | 1.2 |
| dynamic Range (mV) | 800 | 800 | 600 | - | 700 | - | 1200 | 200 | 800 | 600 | 360 | 1420 |
| resolution (bits) | 5 | 5 | 9 | - | 8 | - | 8 | 4 | 8 | 4 | 5 | 14 |
| sampling Frequency (MHz) | 500 | 500 | 205 | 205 | 0.0028 | 4000 | 500 | 5000 | 950 | 1200 | 5000 | 250 |
| input Frequency (MHz) | 72.75 | 72.75 | 7 | 2 | 30 × 10−6 | 65 | 250 | 400 | 10 | 602 | 2500 | 100 |
| ENOB | 4.1637 | 4.1017 | 8.1 | 10.4 | 6.4 | 9.2 | - | 3.5 | 7.25 | 3.1 | 4.1 | 12.8 |
| max. DNL (LSB) | ±0.08 | ±0.08 | - | - | -2.3 | - | +0.38 | +0.34 | +0.6 | +0.54 | - | - |
| INL (LSB)/max. INL (LSB) | 0.28/−0.44 | −0.08/+0.52 | −/+1.5 | - | −/+2.2 | - | −/+0.6 | −/+0.38 | −/+0.8 | −/+0.78 | - | - |
| power (mW) | 0.018 | 0.015 | 3.3 * | 1 * | 0.0031 * | 49.7 * | 0.48 | 4.1 | 1.66 | 0.96 | 4 | 0.25 |
| area (mm2) | 26.67 × 10−6 | 11.16 × 10−6 | 0.026 * | 0.06 * | 0.003 * | 0.244 * | 0.012 | 0.08 | 0.007 * | 0.01 * | 0.17 * | 2 × 10−4 |
| FOM1 (× 1012) | 17.78 | 21.33 | 0.0224 | - | 44 × 10−5 | - | 1.5 | 0.049 | 0.366 | 0.45 | 0.162 | 2.1 |
| FOM2 (Pj/step) | 0.002 | 0.0017 | 0.235 * | 0.1509 * | 30.9 * | 0.2148 * | - | 0.62 * | 0.016 * | 0.196 * | 0.17 * | 0.00007 |
| simulated/measured | simulated | simulated | measured | measured | measured | measured | measured | measured | measured | measured | measured | simulated |
| First Proposed VTC | Second Proposed VTC | |||||
|---|---|---|---|---|---|---|
| Process Corners | TT | FF | SS | TT | FF | SS |
| Maximum Linearity error (%) | 0.516 | 0.02 | 1.3 | 0.42 | 0.0670 | 0.961 |
| Sensitivity (ps/mV) | 0.21 | 0.1124 | 0.405 | 0.242 | 0.139 | 0.424 |
| ENOB (bits) | 4.16 | 4.1 | 3.5 | 4.1 | 3.922 | 3.6 |
| Before Calibration | After Calibration | |||||
|---|---|---|---|---|---|---|
| Process Corners | TT | FF | SS | TT | FF | SS |
| Maximum Linearity error (%) | 0.516 | 0.02 | 1.3 | 0.51 | 0.02 | 0.38 |
| Sensitivity (ps/mV) | 0.21 | 0.1124 | 0.405 | 0.21 | 0.1127 | 0.1624 |
| ENOB (bits) | 4.16 | 4.1 | 3.5 | 4.16 | 4.1 | 4.38 |
| Before Calibration | After Calibration | |||||
|---|---|---|---|---|---|---|
| Process Corners | TT | FF | SS | TT | FF | SS |
| Maximum Linearity error (%) | 0.42 | 0.067 | 0.961 | 0.42 | 0.068 | 0.26 |
| Sensitivity (ps/mV) | 0.242 | 0.139 | 0.424 | 0.243 | 0.139 | 0.1734 |
| ENOB (bits) | 4.1 | 3.922 | 3.6 | 4.178 | 4.26 | 4.35 |
Publisher’s Note: MDPI stays neutral with regard to jurisdictional claims in published maps and institutional affiliations. |
© 2020 by the authors. Licensee MDPI, Basel, Switzerland. This article is an open access article distributed under the terms and conditions of the Creative Commons Attribution (CC BY) license (http://creativecommons.org/licenses/by/4.0/).
Share and Cite
Elgreatly, A.; Dessouki, A.; Mostafa, H.; Abdalla, R.; El-Rabaie, E.-s. A Novel Highly Linear Voltage-To-Time Converter (VTC) Circuit for Time-Based Analog-To-Digital Converters (ADC) Using Body Biasing. Electronics 2020, 9, 2033. https://doi.org/10.3390/electronics9122033
Elgreatly A, Dessouki A, Mostafa H, Abdalla R, El-Rabaie E-s. A Novel Highly Linear Voltage-To-Time Converter (VTC) Circuit for Time-Based Analog-To-Digital Converters (ADC) Using Body Biasing. Electronics. 2020; 9(12):2033. https://doi.org/10.3390/electronics9122033
Chicago/Turabian StyleElgreatly, Ahmed, Ahmed Dessouki, Hassan Mostafa, Rania Abdalla, and El-sayed El-Rabaie. 2020. "A Novel Highly Linear Voltage-To-Time Converter (VTC) Circuit for Time-Based Analog-To-Digital Converters (ADC) Using Body Biasing" Electronics 9, no. 12: 2033. https://doi.org/10.3390/electronics9122033
APA StyleElgreatly, A., Dessouki, A., Mostafa, H., Abdalla, R., & El-Rabaie, E.-s. (2020). A Novel Highly Linear Voltage-To-Time Converter (VTC) Circuit for Time-Based Analog-To-Digital Converters (ADC) Using Body Biasing. Electronics, 9(12), 2033. https://doi.org/10.3390/electronics9122033

