Phase-Shift PWM Converter with Wide Voltage Operation Capability
Abstract
1. Introduction
2. Circuit Structure
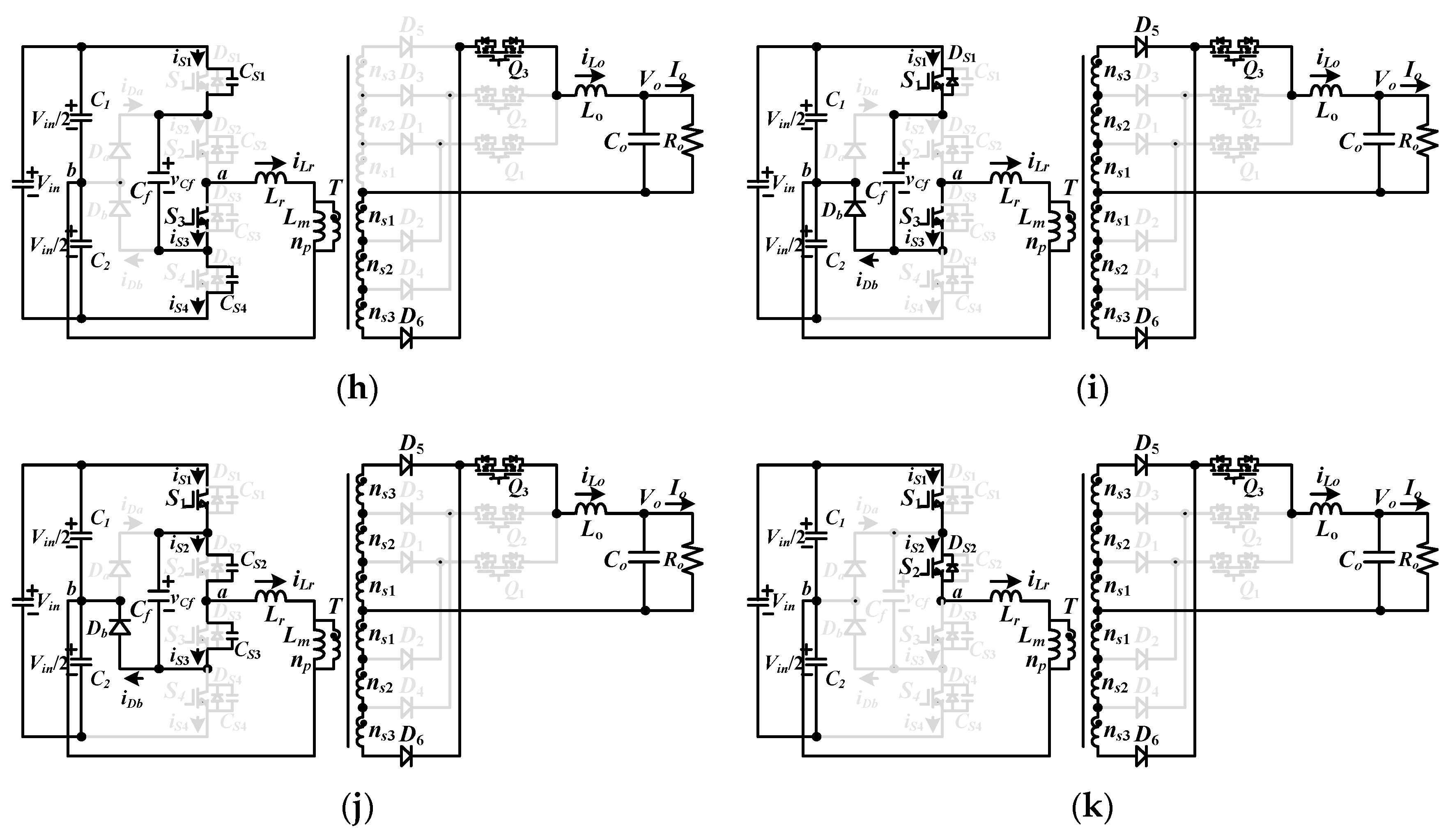
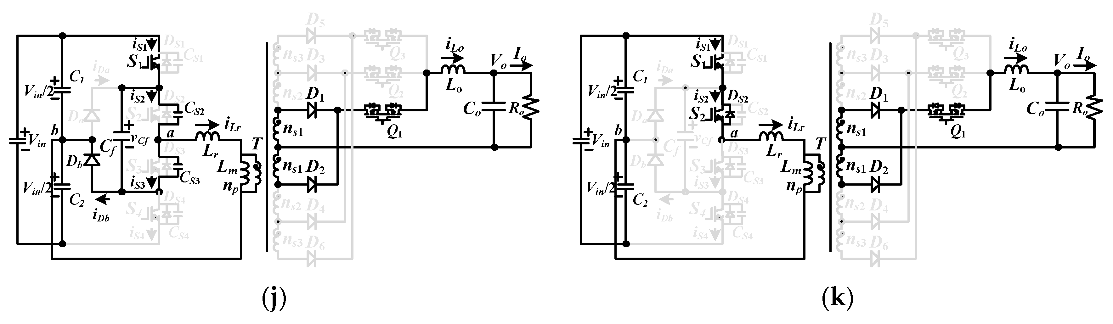
3. Circuit Operation
3.1. Low Input Voltage Range (Q3 on; Q1, Q2 off)
3.2. Medium Input Voltage Range (Q2 on; Q1, Q3 off)
3.3. High Input Voltage Range (Q1 on; Q2, Q3 off)
4. Circuit Characteristics and Design Procedures
5. Experimental Results
6. Conclusions
Funding
Acknowledgments
Conflicts of Interest
References
- Jeong, Y.; Kim, J.K.; Lee, J.B.; Moon, G.W. An asymmetric half-bridge resonant converter having a reduced conduction loss for DC/DC power applications with a wide range of low input voltage. IEEE Trans. Power Electron. 2017, 32, 7795–7804. [Google Scholar] [CrossRef]
- Xia, Y.Y.; Fletcher, J.E.; Finney, S.J.; Ahmed, K.H.; Williams, B.W. Torque ripple analysis and reduction for wind energy conversion systems using uncontrolled rectifier and boost converter. IET Renew. Power Gener. 2011, 5, 377–386. [Google Scholar] [CrossRef]
- Wang, H.; Nayar, C.; Su, J.; Ding, M. Control and interfacing of a grid-connected small-scale wind turbine generator. IEEE Trans. Energy Convers. 2011, 26, 428–434. [Google Scholar] [CrossRef]
- Wang, P.; Zhou, L.; Zhang, Y.; Li, J.; Sumner, M. Input-parallel output-series DC-DC boost converter with a wide input voltage range, for fuel cell vehicles. IEEE Trans. Veh. Technol. 2017, 66, 7771–7781. [Google Scholar] [CrossRef]
- Zhang, Y.; Fu, C.; Sumner, M.; Wang, P. A wide input-voltage range quasi-Z-source boost DC–DC converter with high-voltage gain for fuel cell vehicles. IEEE Trans. Ind. Electron. 2018, 65, 5201–5212. [Google Scholar] [CrossRef]
- Lin, B.R. Implementation of a parallel-series resonant converter with wide input voltage range. Energies 2019, 12, 4095. [Google Scholar] [CrossRef]
- Lin, B.R. Analysis of a DC converter with low primary current loss and balance voltage and current. Electronics 2019, 8, 439. [Google Scholar] [CrossRef]
- Wu, H.; Wan, C.; Sun, K.; Xing, Y. A high step-down multiple output converter with wide input voltage range based on quasi two-stage architecture and dual-output LLC resonant converter. IEEE Trans. Power Electron. 2015, 30, 1793–1796. [Google Scholar] [CrossRef]
- Lu, J.; Kumar, A.; Afridi, K.K. Step-down impedance control network resonant DC-DC converter utilizing an enhanced phase-shift control for wide-input-range operation. IEEE Trans. Ind. Appl. 2013, 54, 4523–4536. [Google Scholar] [CrossRef]
- Wang, X.; Tian, F.; Batarseh, I. High efficiency parallel post regulator for wide range input DC–DC converter. IEEE Trans. Power Electron. 2008, 23, 852–858. [Google Scholar] [CrossRef]
- Li, W.; Zong, S.; Liu, F.; Yang, H.; He, X.; Wu, B. Secondary-side phase-shift-controlled ZVS DC/DC converter with wide voltage gain for high input voltage applications. IEEE Trans. Power Electron. 2013, 28, 5128–5139. [Google Scholar] [CrossRef]
- Lin, B.R. Implementation of a soft switching converter with series DC-DC circuits and single transformer. IET Proc. Power Electron. 2019, 12, 1249–1255. [Google Scholar] [CrossRef]
- Zong, S.; Fan, G.; Yang, X. Double voltage rectification modulation for bidirectional CLLLC resonant converter for wide voltage range operation. In Proceedings of the 2018 IEEE International Power Electronics and Application Conference and Exposition (PEAC), Shenzhen, China, 4–7 November 2018; pp. 1–6. [Google Scholar]
- Lin, B.R.; Lin, G.H. Frequency-Controlled Current-Fed Resonant Converter with No Input Ripple Current. Energies 2018, 11, 413. [Google Scholar]
- Cha, H.; Peng, F.Z.; Yoo, D. Z-source resonant DC-DC converter for wide input voltage and load variation. In Proceedings of the 2010 International Power Electronics Conference—ECCE ASIA, Sapporo, Japan, 21–24 June 2010; pp. 995–1000. [Google Scholar]
- Lin, B.R.; Wu, G.Y. Bidirectional Resonant Converter with Half-Bridge Circuits: Analysis, Design and Implementation. Energies 2018, 11, 1259. [Google Scholar] [CrossRef]
- Kim, B.; Kim, S.; Hun, D.Y.; Choi, J.H.; Kim, M. Hybrid resonant half-bridge DC/DC converter with wide input voltage range. In Proceedings of the 2018 IEEE Applied Power Electronics Conference and Exposition (APEC), San Antonio, TX, USA, 4–8 March 2018; pp. 1876–1881. [Google Scholar]
- Lin, B.R.; Lin, G.H.; Jian, A. Resonant converter with voltage-doubler rectifier or full-bridge rectifier for wide-output voltage and high-power applications. Electronics 2019, 8, 3. [Google Scholar] [CrossRef]
- Corti, F.; Grasso, F.; Reatti, A.; Ayachit, A.; Saini, D.K.; Kazimierczuk, M.K. Desin of class-E ZVS inverter with loosely-coupled transformer at fixed coupling coefficient. In Proceedings of the IECON 2016—42nd Annual Conference of the IEEE Industrial Electronics Society, Florence, Italy, 23–26 October 2016; pp. 5627–5632. [Google Scholar]
- Akagi, H.; Kitada, R. Control and design of a modular multilevel cascade BTB system using bidirectional isolated DC/DC Converters. IEEE Trans. Power Electron. 2011, 26, 2457–2464. [Google Scholar] [CrossRef]
- Rodriguez, J.; Lai, J.S.S.; Peng, F.Z. Multilevel inverters: A survey of topologies, controls, and applications. IEEE Trans. Ind. Electron. 2002, 49, 724–738. [Google Scholar] [CrossRef]
- Malinowski, M.; Gopakumar, K.; Rodriguez, J.; Pérez, M.A. A survey on cascaded multilevel inverters. IEEE Trans. Ind. Electron. 2010, 57, 2197–2206. [Google Scholar] [CrossRef]
- Lin, B.R.; Huang, C.L. Analysis and implementation of a novel soft-switching pulse-width modulation converter. IET Proc. Power Electron. 2009, 2, 90–101. [Google Scholar] [CrossRef]
- Lin, B.R. Soft switching DC converter for medium voltage applications. Electronics 2018, 7, 449. [Google Scholar] [CrossRef]
- Dusmez, S.; Li, X.; Akin, B. A new multi input three-level dc/dc converter. IEEE Trans. Power Electron. 2016, 31, 1230–1240. [Google Scholar] [CrossRef]
- Ren, R.; Liu, B.; Jones, E.A.; Wang, F.F.; Zhang, Z.; Costinett, D. Capacitor-clamped, three-level Gan-based dc-dc converter with dual voltage outputs for battery charger applications. IEE J. Emerg. Sel. Top. Power Electron. 2016, 4, 841–853. [Google Scholar] [CrossRef]
- Lin, B.R. Hybrid dc/dc converter based on dual three-level circuit and half-bridge circuit. IET Power Electron. 2016, 9, 817–824. [Google Scholar] [CrossRef]
- Antonio, J.B.; Barbi, I. Input-series and output-series connected modular output capacitor full-bridge PWM DC–DC converter. IEEE Trans. Ind. Electron. 2015, 62, 6213–6221. [Google Scholar]
- Ghosh, A.; Banerjee, S. Design of type III controller for dc-dc switch-mode boost converter. In Proceedings of the 2014 6th IEEE Power India International Conference (PIICON), Delhi, India, 5–7 December 2014; pp. 1–6. [Google Scholar]
- Wojda, R.P.; Kazimierczuk, M.K. Winding resistance and power loss of inductors with litz and solid-round wires. IEEE Trans. Ind. Appl. 2018, 54, 3548–3557. [Google Scholar] [CrossRef]
- Czarkowski, D.; Kazimierczuk, M.K. Resonant Power Converters, 2nd ed.; John Wiley & Sons: New York, NY, USA, 2011. [Google Scholar]

















| Items | Symbol | Parameter |
|---|---|---|
| Input voltage | Vin | 80 V ~ 800 V |
| Output voltage | Vo | 12 V |
| Rated output current | Io | 25 A |
| Switching frequency | fsw | 150 kHz |
| Input capacitors | C1, C2 | 150 μF/450 V |
| Voltage balance capacitor | Cf | 1 μF/630 V |
| Power switches | S1 ~ S4,Q1 ~ Q3 | IPW60R070P6 |
| Rectifier diodes | D1 ~ D6 | APT30DQ60BG |
| Clamp diodes | Da, Db | DSEI30-12A |
| Winding turns of T | np, ns1, ns2, ns3 | 16, 2, 2, 4 |
| inductance | Lr | 1.6 μH |
| Magnetizing inductance | Lm | 650 μH |
| Output inductance | Lo | 8 μH |
| Output capacitance | Co | 470 μF/35 V |
© 2019 by the author. Licensee MDPI, Basel, Switzerland. This article is an open access article distributed under the terms and conditions of the Creative Commons Attribution (CC BY) license (http://creativecommons.org/licenses/by/4.0/).
Share and Cite
Lin, B.-R. Phase-Shift PWM Converter with Wide Voltage Operation Capability. Electronics 2020, 9, 47. https://doi.org/10.3390/electronics9010047
Lin B-R. Phase-Shift PWM Converter with Wide Voltage Operation Capability. Electronics. 2020; 9(1):47. https://doi.org/10.3390/electronics9010047
Chicago/Turabian StyleLin, Bor-Ren. 2020. "Phase-Shift PWM Converter with Wide Voltage Operation Capability" Electronics 9, no. 1: 47. https://doi.org/10.3390/electronics9010047
APA StyleLin, B.-R. (2020). Phase-Shift PWM Converter with Wide Voltage Operation Capability. Electronics, 9(1), 47. https://doi.org/10.3390/electronics9010047