Abstract
A soft switching three-level pulse-width modulation (PWM) converter is presented for industrial electronics with wide voltage range operation, such as solar power or fuel cell applications. Phase shift PWM scheme is used on the input-side to accomplish the zero voltage turn-on on power switches and improve the converter efficiency. Three-level diode-clamp circuit topology is adopted in the presented circuit to lessen the voltage ratings on active devices for high voltage applications. Three sub-circuits with the different turns-ratio of transformers can be selected in the presented converter in order to achieve 10:1 (Vin,max = 10Vin,min) wide input voltage operation when compared to the conventional multilevel converter. The proposed circuit is a single-stage converter instead of two-stage converter to realize wide voltage operation. Therefore, the presented converter has less component counts. Finally, the design procedure and experiments with a 300W laboratory circuit are presented and discussed to confirm the circuit analysis and converter performance.
1. Introduction
Renewable energy power conversions have been widely developed to improve and overcome the energy shortage and air pollution from fossil fuels. Wind power and solar power are the most attractive energy sources in modern power generation systems. Power electronic techniques are widely used in the wind power and solar power conversion system to provide the stable voltage output. However, the output voltage of solar panels and wind turbine generators is variable with the wide variation, due to the output voltage value, is related to solar intensity or wind speed. The classical two-stage or three-stage converters are usually adopted [1,2,3] to overcome the wide voltage variation problem of solar panels and or wind turbine generators, and also provide the stable output voltage. Unfortunately, the classical two-stage or three-stage circuit topologies have high power losses and low efficiency. The series-parallel connected converters have been presented in [4,5,6,7] to have wide voltage operation. However, the drawbacks of these circuit topologies are many circuit switches and components in these circuit topologies and the circuit reliability and efficiency are reduced. Phase shift pulse-width modulation (PWM) full-bridge or half-bridge converters [8,9,10,11,12] have developed to present zero voltage switching (ZVS) and wide voltage operation. The control scheme is more difficult to be implemented by the general analog integrated circuit. The resonant converters [13,14,15,16,17,18,19] are widely used in the consumer power supplies for their advantages of low switching loss, high efficiency, and galvanic isolation. The inductor-inductor-capacitor (LLC) circuit topology is the most practical resonant converter with high frequency operation when compared to the different resonant circuit topologies. Unfortunately, the input or output voltage range in circuit topologies [4,5,6,7,8,9,10,11,12,13,14,15,16,17,18,19] is less than 4:1 (i.e., Vin,max ≤ 4Vin,min) voltage range. Three-level or multi-level converters [20,21,22,23] with neutral-point diode-clamp, flying capacitor, and series-connected full-bridge circuit topologies are often adopted for high voltage operation to reduce the voltage ratings on active devices. Three-level ZVS converters [24,25,26,27,28] can further eliminate the switching losses for medium voltage applications. However, the wide voltage operation is seldom discussed and investigated in conventional three-level soft switching converters. The input voltage range of the three-level converter that is discussed in [20,21,22,23,24,25,26,27,28] is less than 4:1 voltage range operation. For some wind power or solar power applications, the input voltage of DC converters might be greater than 6:1 or 8:1 voltage range, i.e., Vin,max ≥ 6 or 8 Vin,min.
A ZVS three-level DC/DC converter is discussed and then investigated to have 10:1 (80 V ~ 800 V) wide input voltage operation and ZVS operation on active devices. The presented three-level converter has three winding turns and three auxiliary switches on the output-side to achieve wide voltage range operation. Three auxiliary switches on the secondary-side are active or inactive and three different turns-ratio of the isolated transformer are connected to the output load based on the input voltage value. Thus, three equivalent sub-circuits can be operated in the proposed converter to achieve wide voltage operation. Three-level neutral-point diode-clamp converter is adopted on the input-side to have the advantages of low voltage rating and soft switching operation on active devices and increase circuit efficiency. The phase shift PWM operation is used to control the active devices of three-level converter. The leading-leg switches are easily turned on under ZVS operation. The presented circuit has less component counts with better circuit efficiency to achieve 10:1 wide voltage operation when compared to conventional two-stage DC converters. The proposed converter has much wider input voltage operation range as compared to conventional single-stage DC converters with 2:1 or 4:1 voltage range (10:1 voltage range from 80 V ~ 800 V). The paper is organized, as follows. Section 2 discusses the circuit structure. The circuit operation of the presented converter is provided in Section 3. In Section 4, the circuit characteristics and design procedures are provided. In Section 5, the experiments examine the converter performance and advantages of the presented converter. Subsequently, the conclusion of the presented circuit is discussed in Section 6.
2. Circuit Structure
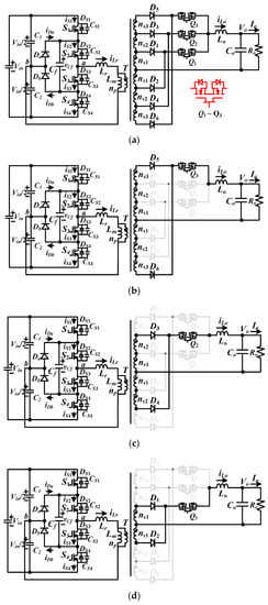
Figure 1a presents the circuit configuration of the presented circuit topology. Three-level diode clamped converter, including S1 ~ S4, C1, C2, Cf, Da, Db, Lr, and T1, is adopted to lessen the voltage stress on power switches for medium input voltage applications. On the secondary-side, three different winding turns, ns1, ns1 + ns2 and ns1 + ns2 + ns3, with alternating current power switches Q1 ~ Q3 are used to provide three different DC voltage gains and extend the voltage range operation. Each switch of Q1 ~ Q3 are implemented by two power MOSFETS with back-to-back connection. When Q1 ~ Q3 are off, the back-to-back body diodes of two MOSFETs are reverse biased and no current will flow through Q1 ~ Q3. The presented converter has three sub-circuits, according to the input voltage range. If Vin is in the low voltage range Vin,L = Vin,min ~ 2Vin,min, the switch Q3 turns on and Q1 and Q2 turn off (Figure 1b). The turns-ratio (ns1+ns2+ns3)/np of transformer T is used in Figure 1b to maintain high voltage gain. In the low input voltage operation, diodes D1 ~ D4 are off. If Vin is in the medium voltage range Vin,M = 2Vin,min ~ 4Vin,min, switch Q2 turns on and Q1 and Q3 turn off (Figure 1c). The secondary turns ns1+ns2 are adopted on the secondary-side. Similarly, switch Q1 turns on and Q2 and Q3 turn off in Figure 1d when Vin is in the high voltage range Vin,H = 4Vin,min ~ 10Vin,min. D3 ~ D6 are reverse biased in this sub-circuit. The low turns-ratio ns1/np is used under the high input voltage range. The secondary winding turns ns1, ns1 + ns2 or ns1 + ns2 + ns3, are connected to the output load to achieve three different DC voltage gains, according to the switching states of Q1 ~ Q3. Therefore, the presented circuit can accomplish the wide voltage operation. The soft switching operation on power switches is also realized due to the phase-shift PWM operation.
Figure 1.
Presented converter with 10:1 wide input voltage range operation; (a) circuit structure; (b) low voltage range; (c) medium voltage range; and, (d) high voltage range.
3. Circuit Operation
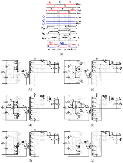
The presented converter is operated with the phase-shift PWM scheme. The corresponding switches Q1 ~ Q3 are controlled to be on or off, so that the proper secondary winding turns ns1, ns1 + ns2 or ns1 +ns2 + ns3 are connecting to the output road to accomplish wide voltage operation due to the input voltage value. In the presented circuit, it assumes that Lm >> Lr, C1 = C2, CS1 = ... = CS4 = Coss, Cf >> Coss, ns1 = ns2 = ns3/2 and VC1 = VC2 = Vin/2. The circuit can achieve 10:1, i.e., Vin,max = 10Vin,min, wide input voltage operation. Three sub-circuits, as shown in Figure 2, can be selected in the presented converter based on the input voltage ranges, Vin,L = Vin,min ~ 2Vin,min, Vin,M = 2Vin,min ~ 4Vin,min, and Vin,H = 4Vin,min ~ 10Vin,min.

Figure 2.
Pulse-width modulation (PWM) waveforms and equivalent circuits of the presented circuit under low input voltage range; (a) PWM waveforms; (b) state 1 circuit; (c) state 2 circuit; (d) state 3 circuit; (e) state 4 circuit; (f) state 5 circuit; (g) state 6 circuit; (h) state 7 circuit; (i) state 8 circuit; (j) state 9 circuit; and, (k) state 10 circuit.
3.1. Low Input Voltage Range (Q3 on; Q1, Q2 off)
If Vin is in the low voltage range Vin,min ~ 2Vin,min. The secondary-side switch Q3 turns on and Q1 and Q2 turn off (Figure 1b). The winding turns ns1 + ns2 + ns3 are connected to the output inductor. The transformer turns-ratio is nL = np/(ns1 + ns2 + ns3). The DC voltage gain is calculated as GDC,L = Vo/Vin.L = de/nL, where de is the effective duty cycle and Vin,L denotes Vin in low input voltage range. Figure 2a shows the PWM waveforms under low input voltage range. Figure 2b–k show the equivalent circuits for states 1–10 respectively in a switching period.
State 1 [t0,t1]: In state 1, S1 and S2 are conducting and vLm ≈ VC1 = Vin/2 owing to Lm >> Lr. The diode D5 is forward biased and vLo = Vin/(2nL) − Vo. The primary-side current is given in Equation (1).
iLr(t) = iLr(t0) + (Vin/(2nL) − Vo)(t − t0)/(nLLo)
At time t1, S1 turns off. Since iLr(t1) > 0, CS1 is charged from 0 V and CS4 is discharged from Vin/2.
State 2 [t1, t2]:S1 turns off at time t1. CS1 (CS4) is charged (discharged) from 0 V (Vin/2). CS1 and CS4 are about several hundreds of picofarads. Therefore, iLr and iLo are almost constant in state 2. If the stored energy in Lo and Lr is greater than the stored energy in CS1 and CS4, i.e., , then vCS4 will be decreased to zero at t2. The time duration in state 2 is obtained in (2).
Δt12 = t2 − t1 = CossVin/iLr(t1) = nLCossVin/iLo(t1)
The dead time td between the gate signals of S4 and S1 should be greater than time duration Δt12 in state 2 to ensure the ZVS operation of S4 after t2.
State 3 [t2, t3]: The body diode DS4 is forward biased due to iLr(t2) > 0 and vCS4(t2) = 0. Therefore, S4 turns on after time t2 to accomplish soft switching turn-on. Because Lm >> Lr and the leg voltage vab = 0, it can obtain the primary-side winding voltage and secondary-side winding voltage are all equal to zero. Diodes D5 and D6 are all forward biased, vLo = −Vo and iLo decreases. The primary-side current is calculated in Equation (3).
where VDa,d and VS2,d are the drop voltages on diode Da and switch S2. iD5 (iD6) decreases (increases) in this state. The slopes of iD5 and iD6 are expressed in Equation (4).
The state 3 ends at time t3 when S2 is off.
State 4 [t3, t4]: This state starts at time t3 when S2 turns off. Owing to iLr at t3 is positive, CS3 (CS2) is discharged (charged) from Vin/2 (0 V). D5 and D6 still conduct in this state. The primary-side winging voltage vLm = 0. If the energy in the inductor Lr is greater than the energy in capacitors CS2 and CS3, i.e., , then the capacitor vCS3 will be decreased to zero. The time duration in state 4 is calculated as Δt34 = t4 − t3 = CossVin/iLr(t3) = nLCossVin/iLo(t3). The dead time td between the gate signals of S3 and S2 should be greater than time interval Δt34 to have the soft switching turn-on of S3.
State 5 [t4, t5]: Because iLr(t4) > 0 and vCS3(t4) = 0, DS3 conducts and S3 turns on after t4 to have ZVS operation. The leg voltage vab = −VC2 = −Vin/2. Since D5 and D6 all conduct, vLr equals −Vin/2 and iLr decreases in this state. iD5 (iD6) is decreased (increased) to 0 (iLo) at time t5. The slopes of iD5 (iD6) are calculated in Equation (5).
At time t5, iD5 is equal to zero ampere and the time interval of state 5 is expressed as Δt45 = t5–t4 ≈ 4LrIo/(nLVin). The duty loss in state 5 is calculated as dloss,5 = Δt45/Tsw = 4LrIofsw/(nLVin), where fsw is the switching frequency and Tsw is the switching period, as both D5 and D6 are still conducting in this state. The PWM waveforms in the states 6–10 are symmetry to waveforms in the states 1–5. Thus, the circuit analysis and discussion of the states 6–10 are neglected.
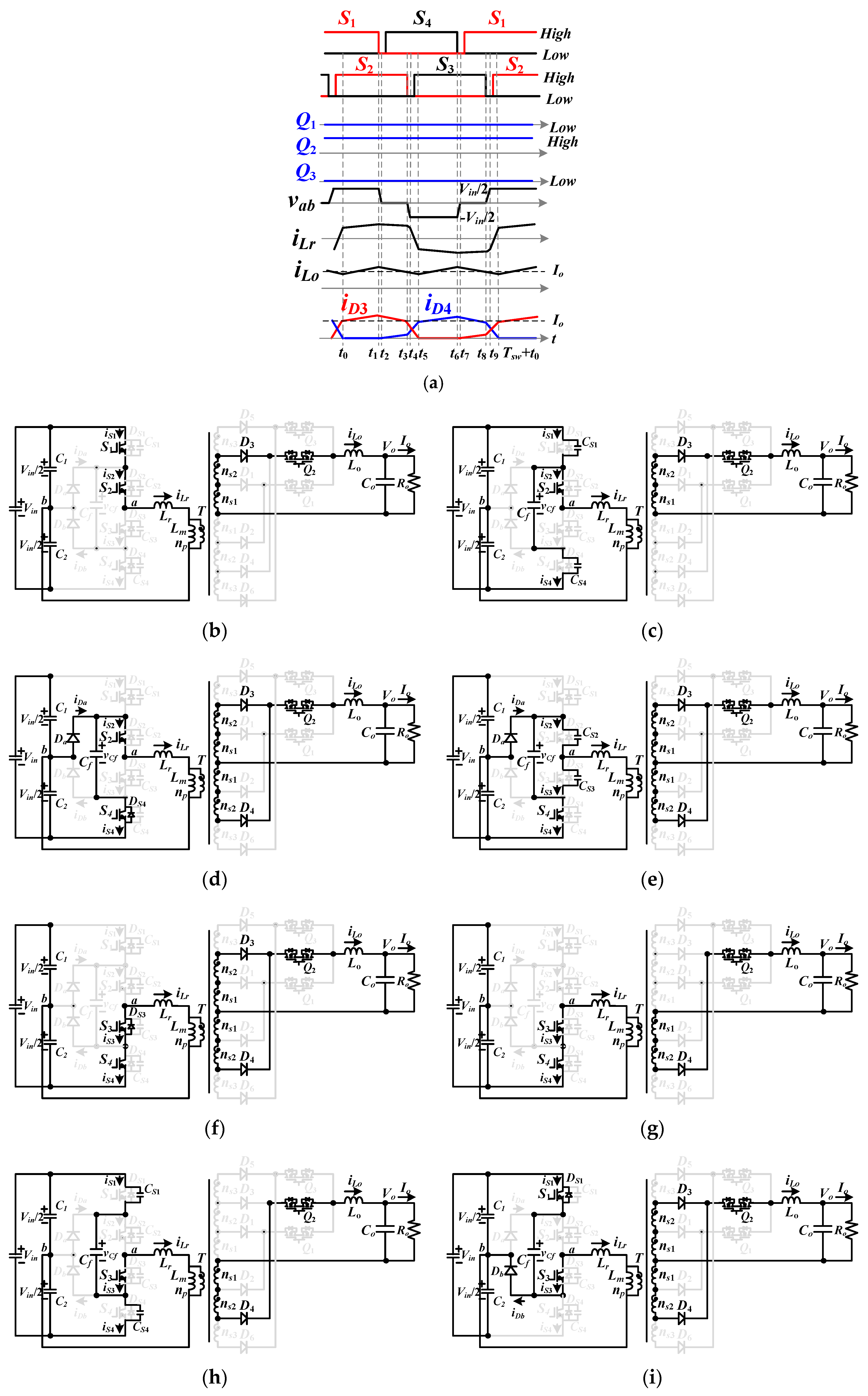
3.2. Medium Input Voltage Range (Q2 on; Q1, Q3 off)
If Vin is in the medium voltage range, 2Vin,min ~ 4Vin,min. The secondary-side switch Q2 turns on and Q1 and Q3 turn off (Figure 1c). The winding turns ns1 + ns2 are connected to the inductor Lo. The transformer turns-ratio under medium voltage range is nM = np/(ns1 + ns2). The DC voltage gain is expressed as GDC,M = Vo/Vin.M = de/nM, where Vin,M denotes Vin in medium input voltage range. The proposed converter has less voltage gain under medium input voltage range and larger voltage gain under low input voltage range since nL < nM. Figure 3a illustrates the main PWM circuit waveforms under medium input voltage range. There are ten operating states for every switching cycle. Figure 3b–k provide these ten equivalent circuits.

Figure 3.
PWM waveforms and equivalent circuits of the presented circuit under medium input voltage range; (a) PWM waveforms; (b) state 1 circuit; (c) state 2 circuit; (d) state 3 circuit; (e) state 4 circuit; (f) state 5 circuit; (g) state 6 circuit; (h) state 7 circuit; (i) state 8 circuit; (j) state 9 circuit; and, (k) state 10 circuit.
State 1 [t0,t1]: This state starts at time t0 when S1 and S2 are conducting. Because Lr << Lm, the primary-side voltage vLm ≈ VC1 = Vin/2. D3 conducts and the inductor voltage vLo = Vin/(2nM) − Vo. Power is delivered from C1 to Ro in state 1. The primary-side current iLr(t) increases and equals iLo(t)/nM.
State 2 [t1, t2]: This state starts at time t1 if S1 turns off. CS1 (CS4) is charged (discharged) from 0V (Vin/2). If the inductor energy is greater than the capacitor energy , then vCS4 is equal to zero at t2.
State 3 [t2, t3]: This state starts at time t2 when vCS4 = 0. Owing to iLr(t2) > 0, DS4 is forward biased and S4 turns on after t2 to have ZVS operation. Because vab = 0, the primary-side winding voltage and secondary-side winding voltage are all zero voltage. Therefore, D3 and D4 are conducting, vLo = −Vo and iLo decreases. The state 3 ends at time t3 when S2 turns off.
State 4 [t3, t4]: At t3, S2 turns off. Since iLr(t3)>0, CS3 is discharged from Vin/2 to 0V at time t4. D3 and D4 still conduct in this state. If the inductor energy is greater than the capacitor energy , then vCS3 is equal to zero at t4.
State 5 [t4, t5]: At t4, vCS3 is equal to zero. DS3 conducts and S3 turns on after t4 to achieve ZVS operation since iLr(t4) > 0. The leg voltage vab = −VC2 = −Vin/2. Owing to D3 and D4 conduct in state 5, vLr equals −Vin/2 and iLr decreases. The diode current iD3 will decrease to 0 at time t5. The PWM waveforms in states 6–10 are symmetrical to waveforms in states 1–5, so that the circuit analysis and discussion of states 6–10 are ignored.
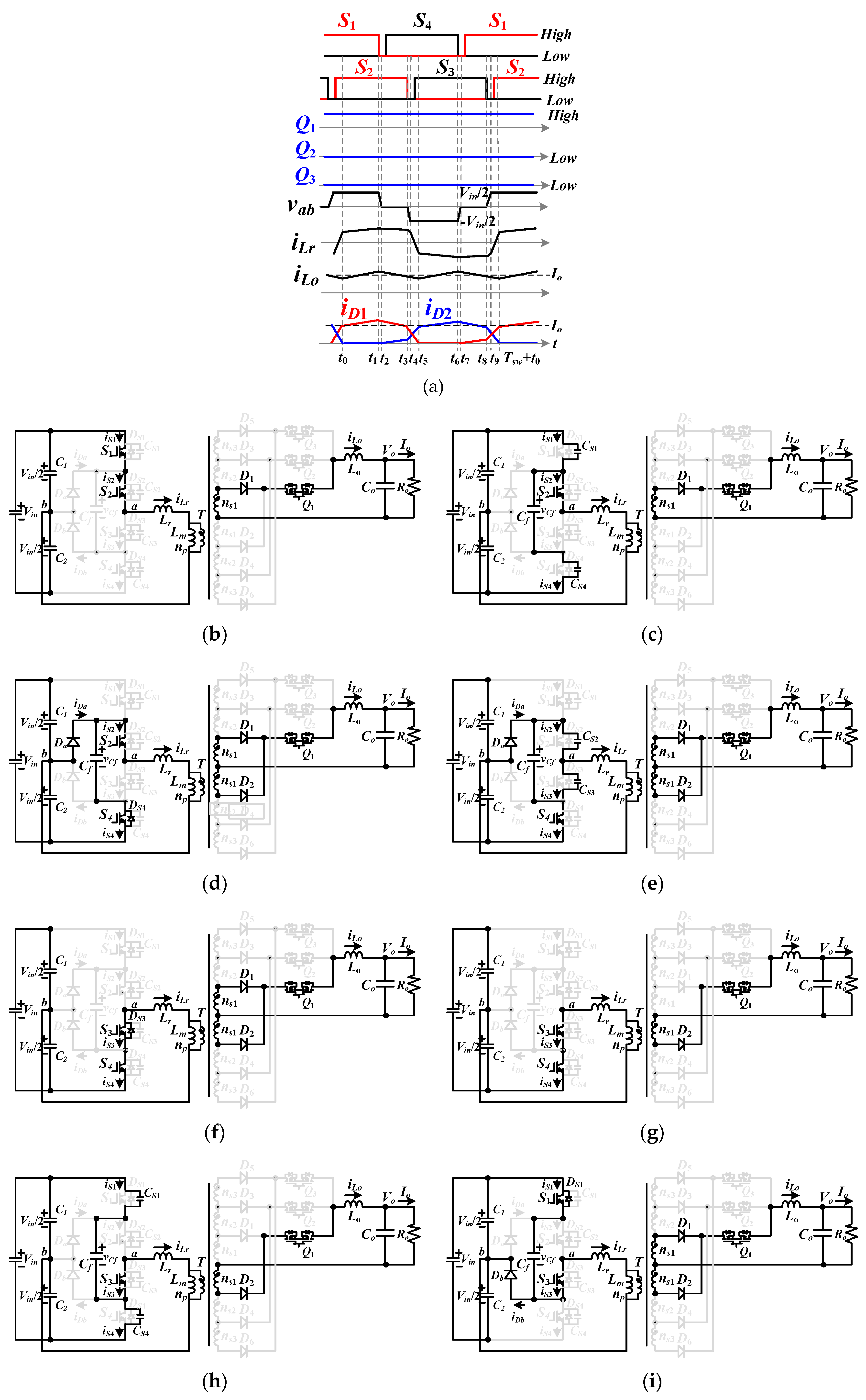
3.3. High Input Voltage Range (Q1 on; Q2, Q3 off)
When Vin is in the high voltage range Vin,H = 4Vin,min ~ 10Vin,min. Switch Q1 turns on and Q2 and Q3 turn off (Figure 1d). The winding turns ns1 are connected to the inductor Lo. For high input voltage range, the transformer turns-ratio is nH = np/ns1 and the DC voltage gain is given as GDC,H = Vo/Vin.H = de/nH, where Vin,H denotes Vin in high input voltage range. The proposed converter has the lowest voltage gain under high input voltage range since nH > nM > nL. Figure 4a gives the PWM waveforms for high input voltage range and Figure 4b–k show the equivalent circuits for ten operating states in every switching cycle.

Figure 4.
PWM waveforms and equivalent circuits of the presented circuit under high input voltage range; (a) PWM waveforms; (b) state 1 circuit; (c) state 2 circuit; (d) state 3 circuit; (e) state 4 circuit; (f) state 5 circuit; (g) state 6 circuit; (h) state 7 circuit; (i) state 8 circuit; (j) state 9 circuit; and, (k) state 10 circuit.
State 1 [t0,t1]: The state 1 starts at time t0 when S1 and S2 both conduct. Then, then magnetizing voltage vLm ≈ VC1 = Vin/2. Since D1 is conducting, the inductor voltage vLo = Vin/(2nH) − Vo, and iLo increases.
State 2 [t1, t2]: At time t1, S1 turns off. CS1 (CS4) is charged (discharged) from 0 V (Vin/2). If the inductor energy is greater than the capacitor energy , then vCS4 = 0 at time t2.
State 3 [t2, t3]: At time t2, vCS4 = 0. Since iLr > 0, DS4 is conducting. Switch S4 can turn on after time t2 to have zero voltage switching operation. The primary-side winding voltage and secondary-side winding voltage are equal to zero and D1 and D2 are both conducting since vab = 0. The inductor voltage vLo = −Vo and iLo decreases.
State 4 [t3, t4]: Switch S2 turns off at time t3. iLr(t3) > 0 discharges CS3 from Vin/2 to 0 V at time t4. As D1 and D2 both conduct in state 4, the primary-side winging voltage vLm = 0. If the inductor energy is greater than the capacitor energy , then CS3 will be discharged to zero voltage.
At time t4, vCS3(t4) = 0. Since iLr(t4) > 0, DS3 is conducting and S3 turns on after t4 to achieve ZVS. In this state, vab = −VC2 = −Vin/2, vLr = −Vin/2 and iLr decreases. At time t5, the commutation interval of D1 and D2 is completed and iD1 is decreased to 0. The circuit operation of the states 6–10 are similar to the circuit analysis of the states 1–5. Therefore, the circuit discussion of the states 6–10 are ignored.
4. Circuit Characteristics and Design Procedures
The presented three-level converter with different secondary winding turns is controlled with phase-shift PWM operation to realize wide input voltage operation. The secondary switches Q1 ~ Q3 turn on or off to accomplish the different DC voltage gain in order to control the load voltage based on the different input voltage range. The output voltage is calculated in Equation (6).
VD1,stress = VD2,stress = Vin,maxns1/np
VD3,stress = VD4,stress = Vin,max(ns1+ns2)/np
VD5,stress = VD6,stress = Vin,max(ns1+ns2+ns3)/np
The output inductance Lo is calculated in Equation (10), based on the given ripple current ΔiLo.
The duty cycle loss in the state 5 depends on Lr and the inductance Lr can be expressed in Equation (11).
The presented circuit is operated under the input voltage range Vin from 80 V ~ 800 V, Vo = 12 V, Po,rated = 300 W, and fsw = 150 kHz. The theoretical three input voltage ranges are Vin,L = 80 V ~ 160 V, Vin,M = 160 V ~ 320 V, and Vin,H = 320 V ~ 800 V. If the input voltage is in the low voltage range (Vin = 80 V ~ 160 V), the secondary switch Q3 is on and Q1 and Q2 are off. The winding turns ns1+ns2+ns3 connect to the output filter inductor Lo. When Vin is increased and equal to 160 V (in medium voltage range Vin = 160 V ~ 320 V), then Q2 is on and Q1 and Q3 are off. Afterwards, the winding turns ns1 + ns2 connect to the output inductor Lo. Similarly, the input voltage is in the high voltage range from 320 V to 800 V. Switch Q1 is on and Q2 and Q3 are off. Only the winding turns ns1 connect to Lo. There is a ±20 V voltage tolerance with Schmitt trigger circuit between three voltage ranges to avoid the signal oscillation at the voltages 160 V between low and medium input voltage ranges and 320 V between the medium and high voltage ranges. The Schmitt comparators and logic gates shown in Figure 5 are adopted to provide the PWM signals for each output voltage range. Therefore, the actual three input voltage ranges are Vin,L = 80 V ~ 180 V, Vin,M = 140 V ~ 340 V, and Vin,H = 300 V ~ 800 V.
Figure 5.
Control block of the proposed converter.
The proposed converter is assumed to have 90% efficiency at Vin = 80V and full road condition under low input voltage range (80V ~ 180V). The assumed maximum duty cycle dmax of the leg voltage vab under Vin = 80 V is 0.48. The duty cycle loss dloss,5 at the state 5 is assumed 0.15 and the effective duty cycle de,max = dmax − dloss,5 = 0.33. The primary inductance Lr is obtained from (6) and (11).
The turn-ratio nL can be expected in Equation (13).
In the presented circuit, the turns-ratio of transformer T are nL = 2, nM = 4 and nH = 8, with the primary-side turns np = 16, the secondary-side turns ns1 = ns2 = 2 and ns3 = 4 and the magnetizing inductance Lm = 650 μH. For low voltage range, the minimum effective duty cycle de,min under the maximum input voltage 180 V is calculated as.
If the ripple current ΔiLo is assumed 30% of Io,max under Vin,L,max = 180 V (low input voltage range). The output filter inductance Lo can be derived in Equation (15).
The actual output inductance Lo = 8 μH is used in the presented circuit. Under the minimum input voltage, the switches S1 ~ S4 have the maximum current stress. The switch root-mean-square (rms) currents are approximated in Equation (16).
The voltage rating of active devices S1 ~ S4 is Vin,max/2 = 400 V. The MOSFETs IPW60R070P6 (650V/33A) are used for switch S1 ~ S4 and Q1 ~ Q3. The average diode currents iD1,av ~ iD6,av are Io,rated/2 = 12.5 A. The maximum voltage stress of D1 ~ D6 are approximately Vin,max/nL = 800 V/2 = 400 V. The ultrafast recovery diodes APT30DQ60BG (600 V/30 A) are adopted for diodes D1 ~ D6. The other passive components in the prototype circuit are Co = 470 μF/35 V, C1 = C2 = 150 μF/450 V, Cf = 1 μF/630 V, and Da and Db are DSEI30-12A with 1200 V/26 A voltage/current stress. The control block of the proposed circuit is given in Figure 5. Two Schmitt comparators and logic gates are adopted to determine three input voltage ranges by using the switching status of Q1 ~ Q3. The phase-shift PWM control integrated circuit UCC3895 is adopted for producing the PWM signals of S1 ~ S4. The voltage regulator TL431 and optocoupler PC817 are adopted to control the load voltage. The type 3 voltage control [29] with two zeros and three poles are used to have the enough phase margin at crossover frequency at 8 kHz.
5. Experimental Results
The test results that are based on the circuit components are shown in Table 1 derived in the previous section are demonstrated to confirm the circuit performance. Figure 6, Figure 7 and Figure 8 show the test waveforms of the presented circuit under low, medium, and high input voltage ranges, and the rated output power. Figure 6a provides the measured PWM waveforms of switches S1 ~ S4 under Vin = 80 V and the rated output power 300 W. Figure 6b provides the PWM signals of switches Q1 ~ Q3 on the secondary-side. Switch Q3 is on and Q1 and Q2 are off due to the Vin = 80V being in the low voltage range. Figure 6c,d provide the measured main currents on the input and output sides. It can observe that the diodes D5 and D6 are conducting due to Q3 is in the on-state. The currents iD1 ~ iD4 are all zero due to Q1 and Q2 are off. Figure 6e–h provide the experimental waveforms of the presented circuit under Vin = 175 V and Po = 300 W. Figure 6e gives the PWM signals of S1 ~ S4. Q1 and Q2 are off and Q3 is on as shown in Figure 6f due to Vin = 175 V is in the low voltage range. Figure 6g,h present the main currents on the input and output sides. From Figure 6c,g, the ripple current ΔiLo at 80 V input voltage is less than the ripple current ΔiLo at 175 V input voltage due to the duty cycle of the converter leg voltage at Vin = 80 V case is larger than the duty cycle at Vin = 175 V condition. The measured waveforms in Figure 6 are almost conformed with the theoretical waveforms in Figure 2 under low input voltage range. Figure 7 presents the test results of the presented circuit under the medium input voltage range (Vin = 140 V ~ 340 V) and the rated output power. Figure 7a–d gives the experimental waveforms at Vin = 145 V and Po = 300 W. Figure 7a,b demonstrate the PWM waveforms of switches S1 ~ S4 and Q1 ~ Q3. Q1 and Q3 are off and Q2 is on due to the medium input voltage range operation (Figure 7b). Figure 7c,d provide the main currents on the input and output sides. Diodes D3 and D4 are conducted in the medium input voltage range and D1, D2, D5, and D6 are off. Similarly, Figure 7e–h provide the test results of the presented circuit under Vin = 335 V and Po = 300 W. It is clear that the ripple current ΔiLo at Vin = 145 V (Figure 7c) is less than the ripple current ΔiLo at Vin = 335 V (Figure 7g). Figure 8 gives the test results of the proposed circuit under high input voltage range (Vin = 300 V ~ 800 V) and the rated output power. Figure 8a–d provide the measured waveforms at Vin = 305 V and Po = 300 W. Figure 8e–h demonstrate the test results at Vin = 800 V and Po = 300 W. For high input voltage range, switch Q1 is on and Q2 and Q3 are off (Figure 8b,f). Therefore, diodes D3 ~ D6 are off (Figure 8d,h). Figure 8a,e show the PWM waveforms of S1 ~ S4 for Vin = 305 V and 800 V, respectively. Figure 8c,g provide the measured currents iLr, iD1, iD2 and iLo for Vin = 305 V and 800 V, respectively. Figure 9 shows the test results of S1 (the leading-leg switch) at Vin = 80 V, 400 V and 800 V conditions. Figure 9a,b show the measured results of S1 at 20% and 100% loads under Vin = 80 V input. The drain voltage vS1,d is reduced to zero voltage before S1 is turned on. Similarly, Figure 9c,d provide the measured waveforms of S1 at 20% and 100% loads under Vin = 400 V input. Figure 9e,f demonstrate the measured waveforms of S1 at 20% and 100% loads under Vin = 800 V input, respectively. The other leading-leg switch S4 has the same turn-on/turn-off characteristics as switch S1. From the experimental waveforms in Figure 9, the leading-leg switches S1 and S4 can turn on at ZVS from 20% to 100% rated load. Figure 10 provides the experimental results of the lagging-leg switch S2 at Vin = 80 V, 400 V, and 800 V. Figure 10a,b show the test results of S2 for 20% and 50% rated power under 80V input case. It can be observed that S2 is turned on at hard switching operation at 20% load (Figure 10a) and soft switching operation at 50% load (Figure 10b). Figure 10c,d provide the test results of S2 for Vin = 400 V and 800 V, respectively, under the rated power. From the experimental waveforms that are shown in Figure 10, the lagging-leg switches S1 and S2 are almost turned on at hard switching operation. Figure 11 gives the measured converter efficiencies under different voltage ranges. Basically, the converter has larger duty cycle at the low input voltage in each voltage range. The larger duty cycle will result in less root mean square current on the primary-side and less conduction losses. The circuit efficiency at Vin = 80 V is better than the circuit efficiency at Vin = 175 V under a low input voltage range. Similarly, the circuit efficiency at Vin = 305 V is better than the circuit efficiency at Vin = 800 V under high input voltage range operation. The circuit efficiency under the high input voltage range is better than the low input voltage range since the presented circuit has larger the primary-side current under low input voltage range. The synchronous rectifiers with low turn-on resistance instead of rectifier diodes can be adopted on the secondary side to reduce the conduction losses in order to increase the circuit efficiency. The Litz wire [30] can be adopted to avoid the skin effect on winding resistance to reduce the copper losses on transformer and output inductor. The more power loss analysis of power semiconductors, inductors, transformers, and capacitors on power converters has been discussed in [31].
Table 1.
Prototype Circuit Parameters.

Figure 6.
Experimental waveforms at the rated output power and low input voltage range (a) primary-side switch waveforms vS1,g ~ vS4,g under Vin = 80 V (b) secondary-side switch waveforms vQ1,g ~ vQ3,g under Vin = 80 V (c) iLr, iD5, iD6, and iLo under Vin = 80 V (d) iD1 ~ iD4 under Vin = 80 V (e) primary-side switch waveforms vS1,g ~ vS4,g under Vin = 175 V (f) secondary-side switch waveforms vQ1,g ~ vQ3,g under Vin = 175 V (g) iLr, iD5, iD6, and iLo under Vin = 175 V (h) iD1 ~ iD4 under Vin = 175 V.

Figure 7.
Experimental waveforms at the rated output power and medium input voltage range (a) primary-side switch waveforms vS1,g ~ vS4,g under Vin = 145 V (b) secondary-side switch waveforms vQ1,g ~ vQ3,g under Vin = 145 V (c) iLr, iD3, iD4, and iLo under Vin = 145 V (d) iD1, iD2, iD5, and iD6 under Vin = 145 V (e) primary-side switch waveforms vS1,g ~ vS4,g under Vin = 335 V (f) secondary-side switch waveforms vQ1,g ~ vQ3,g under Vin = 335 V (g) iLr, iD3, iD4, and iLo under Vin = 335 V (h) iD1, iD2, iD5, and iD6 under Vin = 335 V.

Figure 8.
Experimental waveforms at the rated output power and high input voltage range (a) primary-side switch waveforms vS1,g ~ vS4,g under Vin = 305 V (b) secondary-side switch waveforms vQ1,g ~ vQ3,g under Vin = 305 V (c) iLr, iD1, iD2, and iLo under Vin = 305 V (d) iD3 ~ iD6 under Vin = 305 V (e) primary-side switch waveforms vS1,g ~ vS4,g under Vin = 800V (f) secondary-side switch waveforms vQ1,g ~ vQ3,g under Vin = 800 V (g) iLr, iD1, iD2, and iLo under Vin = 800 V (h) iD3 ~ iD6 under Vin = 800 V.
Figure 9.
Measured results of the leading-leg switch S1 at: (a) Vin = 80 V and 20% load; (b) Vin = 80 V and full load; (c) Vin = 400 V and 20% load; (d) Vin = 400 V and full load; (e) Vin = 800 V and 20% load; and, (f) Vin = 800 V and full load.
Figure 10.
Measured results of the lagging-leg switch S2 at: (a) Vin = 80 V and 20% load; (b) Vin = 80 V and 50% load; (c) Vin = 400 V and full load; and, (d) Vin = 800 V and full load.
Figure 11.
Measured circuit efficiencies under: (a) low input voltage range; (b) medium input voltage range; and, (c) high input voltage range.
6. Conclusions
In solar power system, the input voltage from solar panel is wide variation due to the different solar intensity in day and night. The conventional two-level or three-level converter cannot be operated under wide voltage operation. In this paper, a three-level diode-clamped DC/DC converter with three auxiliary secondary turns is presented and then discussed to provide the capability of 10:1 wide voltage range operation for solar power converters to supply the isolated power supply for control board demand. Three sets of secondary windings are adopted in the presented circuit to overcome the wide input voltage variation in solar power converters. The proposed converter can operate at three input voltage ranges to supply the stable DC voltage at the output load due to three different secondary winding turns connected to output side. The PWM scheme is adopted to control the load voltage in each input voltage range. The leading-leg switches in the three-level converter can be realized with ZVS operation due to the large inductor energy on the output inductor. The lagging-leg switches are almost operated at hard switching operation due to the limited energy stored on the leakage inductor of transformer. The large leakage inductor or external inductor can be used on the input side to overcome this disadvantage. However, the large leakage inductor will increase the duty cycle loss in state 5. The future work of this project will investigate the new snubber circuit or auxiliary circuit added on the output side to lessen the freewheel current. Thus, the duty cycle loss can be expected to reduce and the soft switching operation range of the lagging-leg switches can be extended. The proposed converter can be used in the solar power system with wide input voltage variation from solar panel to provide the standalone power unit for control system demand. Finally, the test results prove the performance and feasibility of the presented circuit.
Funding
This research is funded by the Ministry of Science and Technology, Taiwan, under grant number MOST 108-2221-E-224-022-MY2.
Acknowledgments
This research is supported by the Ministry of Science and Technology, Taiwan, under contract MOST 108-2221-E-224-022-MY2. The author would like to thank Y. Lin for his help to measure the circuit waveforms in the experiment.
Conflicts of Interest
The author declares no conflict of interest.
References
- Jeong, Y.; Kim, J.K.; Lee, J.B.; Moon, G.W. An asymmetric half-bridge resonant converter having a reduced conduction loss for DC/DC power applications with a wide range of low input voltage. IEEE Trans. Power Electron. 2017, 32, 7795–7804. [Google Scholar] [CrossRef]
- Xia, Y.Y.; Fletcher, J.E.; Finney, S.J.; Ahmed, K.H.; Williams, B.W. Torque ripple analysis and reduction for wind energy conversion systems using uncontrolled rectifier and boost converter. IET Renew. Power Gener. 2011, 5, 377–386. [Google Scholar] [CrossRef]
- Wang, H.; Nayar, C.; Su, J.; Ding, M. Control and interfacing of a grid-connected small-scale wind turbine generator. IEEE Trans. Energy Convers. 2011, 26, 428–434. [Google Scholar] [CrossRef]
- Wang, P.; Zhou, L.; Zhang, Y.; Li, J.; Sumner, M. Input-parallel output-series DC-DC boost converter with a wide input voltage range, for fuel cell vehicles. IEEE Trans. Veh. Technol. 2017, 66, 7771–7781. [Google Scholar] [CrossRef]
- Zhang, Y.; Fu, C.; Sumner, M.; Wang, P. A wide input-voltage range quasi-Z-source boost DC–DC converter with high-voltage gain for fuel cell vehicles. IEEE Trans. Ind. Electron. 2018, 65, 5201–5212. [Google Scholar] [CrossRef]
- Lin, B.R. Implementation of a parallel-series resonant converter with wide input voltage range. Energies 2019, 12, 4095. [Google Scholar] [CrossRef]
- Lin, B.R. Analysis of a DC converter with low primary current loss and balance voltage and current. Electronics 2019, 8, 439. [Google Scholar] [CrossRef]
- Wu, H.; Wan, C.; Sun, K.; Xing, Y. A high step-down multiple output converter with wide input voltage range based on quasi two-stage architecture and dual-output LLC resonant converter. IEEE Trans. Power Electron. 2015, 30, 1793–1796. [Google Scholar] [CrossRef]
- Lu, J.; Kumar, A.; Afridi, K.K. Step-down impedance control network resonant DC-DC converter utilizing an enhanced phase-shift control for wide-input-range operation. IEEE Trans. Ind. Appl. 2013, 54, 4523–4536. [Google Scholar] [CrossRef]
- Wang, X.; Tian, F.; Batarseh, I. High efficiency parallel post regulator for wide range input DC–DC converter. IEEE Trans. Power Electron. 2008, 23, 852–858. [Google Scholar] [CrossRef]
- Li, W.; Zong, S.; Liu, F.; Yang, H.; He, X.; Wu, B. Secondary-side phase-shift-controlled ZVS DC/DC converter with wide voltage gain for high input voltage applications. IEEE Trans. Power Electron. 2013, 28, 5128–5139. [Google Scholar] [CrossRef]
- Lin, B.R. Implementation of a soft switching converter with series DC-DC circuits and single transformer. IET Proc. Power Electron. 2019, 12, 1249–1255. [Google Scholar] [CrossRef]
- Zong, S.; Fan, G.; Yang, X. Double voltage rectification modulation for bidirectional CLLLC resonant converter for wide voltage range operation. In Proceedings of the 2018 IEEE International Power Electronics and Application Conference and Exposition (PEAC), Shenzhen, China, 4–7 November 2018; pp. 1–6. [Google Scholar]
- Lin, B.R.; Lin, G.H. Frequency-Controlled Current-Fed Resonant Converter with No Input Ripple Current. Energies 2018, 11, 413. [Google Scholar]
- Cha, H.; Peng, F.Z.; Yoo, D. Z-source resonant DC-DC converter for wide input voltage and load variation. In Proceedings of the 2010 International Power Electronics Conference—ECCE ASIA, Sapporo, Japan, 21–24 June 2010; pp. 995–1000. [Google Scholar]
- Lin, B.R.; Wu, G.Y. Bidirectional Resonant Converter with Half-Bridge Circuits: Analysis, Design and Implementation. Energies 2018, 11, 1259. [Google Scholar] [CrossRef]
- Kim, B.; Kim, S.; Hun, D.Y.; Choi, J.H.; Kim, M. Hybrid resonant half-bridge DC/DC converter with wide input voltage range. In Proceedings of the 2018 IEEE Applied Power Electronics Conference and Exposition (APEC), San Antonio, TX, USA, 4–8 March 2018; pp. 1876–1881. [Google Scholar]
- Lin, B.R.; Lin, G.H.; Jian, A. Resonant converter with voltage-doubler rectifier or full-bridge rectifier for wide-output voltage and high-power applications. Electronics 2019, 8, 3. [Google Scholar] [CrossRef]
- Corti, F.; Grasso, F.; Reatti, A.; Ayachit, A.; Saini, D.K.; Kazimierczuk, M.K. Desin of class-E ZVS inverter with loosely-coupled transformer at fixed coupling coefficient. In Proceedings of the IECON 2016—42nd Annual Conference of the IEEE Industrial Electronics Society, Florence, Italy, 23–26 October 2016; pp. 5627–5632. [Google Scholar]
- Akagi, H.; Kitada, R. Control and design of a modular multilevel cascade BTB system using bidirectional isolated DC/DC Converters. IEEE Trans. Power Electron. 2011, 26, 2457–2464. [Google Scholar] [CrossRef]
- Rodriguez, J.; Lai, J.S.S.; Peng, F.Z. Multilevel inverters: A survey of topologies, controls, and applications. IEEE Trans. Ind. Electron. 2002, 49, 724–738. [Google Scholar] [CrossRef]
- Malinowski, M.; Gopakumar, K.; Rodriguez, J.; Pérez, M.A. A survey on cascaded multilevel inverters. IEEE Trans. Ind. Electron. 2010, 57, 2197–2206. [Google Scholar] [CrossRef]
- Lin, B.R.; Huang, C.L. Analysis and implementation of a novel soft-switching pulse-width modulation converter. IET Proc. Power Electron. 2009, 2, 90–101. [Google Scholar] [CrossRef]
- Lin, B.R. Soft switching DC converter for medium voltage applications. Electronics 2018, 7, 449. [Google Scholar] [CrossRef]
- Dusmez, S.; Li, X.; Akin, B. A new multi input three-level dc/dc converter. IEEE Trans. Power Electron. 2016, 31, 1230–1240. [Google Scholar] [CrossRef]
- Ren, R.; Liu, B.; Jones, E.A.; Wang, F.F.; Zhang, Z.; Costinett, D. Capacitor-clamped, three-level Gan-based dc-dc converter with dual voltage outputs for battery charger applications. IEE J. Emerg. Sel. Top. Power Electron. 2016, 4, 841–853. [Google Scholar] [CrossRef]
- Lin, B.R. Hybrid dc/dc converter based on dual three-level circuit and half-bridge circuit. IET Power Electron. 2016, 9, 817–824. [Google Scholar] [CrossRef]
- Antonio, J.B.; Barbi, I. Input-series and output-series connected modular output capacitor full-bridge PWM DC–DC converter. IEEE Trans. Ind. Electron. 2015, 62, 6213–6221. [Google Scholar]
- Ghosh, A.; Banerjee, S. Design of type III controller for dc-dc switch-mode boost converter. In Proceedings of the 2014 6th IEEE Power India International Conference (PIICON), Delhi, India, 5–7 December 2014; pp. 1–6. [Google Scholar]
- Wojda, R.P.; Kazimierczuk, M.K. Winding resistance and power loss of inductors with litz and solid-round wires. IEEE Trans. Ind. Appl. 2018, 54, 3548–3557. [Google Scholar] [CrossRef]
- Czarkowski, D.; Kazimierczuk, M.K. Resonant Power Converters, 2nd ed.; John Wiley & Sons: New York, NY, USA, 2011. [Google Scholar]
© 2019 by the author. Licensee MDPI, Basel, Switzerland. This article is an open access article distributed under the terms and conditions of the Creative Commons Attribution (CC BY) license (http://creativecommons.org/licenses/by/4.0/).
















