PLC/HMI-Based Implementation of a Real-Time Educational Power System Protective Relays Platform
Abstract
1. Introduction
2. Proposed Platform
- (1)
- To show engineering students that there is a strong link between the programming instructions they have been taught and the implementation of working applications.
- (2)
- To create a low-cost, multifunction platform in order to teach and exercise the behavior of the overcurrent, overvoltage, and undervoltage protective relays under different time multiplier settings and characteristic curves.
- The overcurrent protective relay.
- The overvoltage protective relay.
- The undervoltage protective relay.
- The current differential protective relay.
Hardware Structure
3. Software Structure
3.1. Mathematical Background
3.2. PLC–HMI Software Utilities
3.2.1. PLC Software Utilities
- 1.
- IDMT over-current relay algorithm:The flowchart for the IDMT overcurrent relay algorithm is shown in Figure 6, in which OC1k, OC1a, OC1c, IS1, CM1, and OC1Td stand for k, a, c, Is, I, and T in Equation (1), respectively. The related PLC-structured text code is listed in Appendix A, Figure A1.
- 2.
- IDMT over-voltage relay algorithm:The flowchart for the IDMT over-voltage relay algorithm is shown in Figure 7, in which OV1k, OV1a, OV1c, VS1, VM1, and OV1Td stand for k, a, c, Vs, V, and T in Equation (2), respectively. The related PLC-structured text code is listed in Appendix A, Figure A2.
- 3.
- IDMT under-voltage relay algorithm:The flowchart for the IDMT relay algorithm is shown in Figure 8, in which UV1k, UV1a, UV1c, VS1, and VM1 stand for k, a, c, Vs, and V, respectively. The related PLC-structured text code is listed in Appendix A, Figure A3.
- 4.
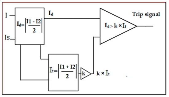
- Percentage differential relay algorithm:The flowchart of the basic percentage differential relay algorithm is shown in Figure 9, in which CM1 stands for Ict1 and CM2 stands for Ict2 in Equations (4) and (5), respectively. The related PLC-structured text code is listed in Appendix A, Figure A4.
3.2.2. HMI-Based Graphical Interface
- (i)
- Specification of IDMT curves for overcurrent relay pop-up screen (see Figure A10, Appendix B): through this pop-up screen, the user can select one of the six characteristic curves (IEC normal inverse, IEC very inverse, IEC extremely inverse, IEEE moderately inverse, IEEE very inverse, and IEEE extremely inverse). For example, to adopt the IEC very inverse characteristic curve, for which k = 13, a = 1, and c = 0, the following steps should be followed:
- Click the set button on the left top corner of Figure A6 to display the popup screen of the IDMT characteristic curves (see Figure 13).
- Click the IEC very inverse software button (near the bottom of Figure A10) to assign k = 13, a = 1, and c = 0 to the numerical input devices labeled k, a, and c, respectively, in Figure A6.
- (ii)
- Specifications of IDMT curves for overvoltage and undervoltage relays pop-up screen (see Figure A11, Appendix B): with the help of this pop-up screen, the user can select either IDMT or the user’s configurable settings.
4. Universal Power Circuit Wiring Diagrams
4.1. Overcurrent Relay Wiring
4.2. Overvoltage and Undervoltage Relay Wiring
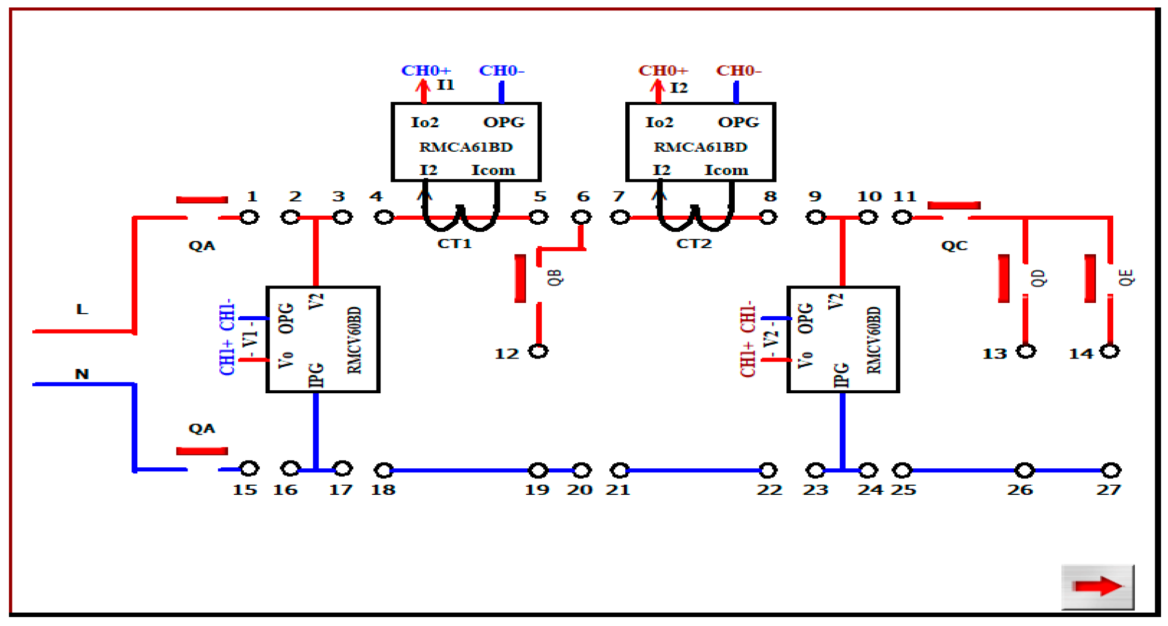
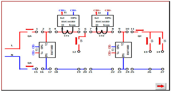
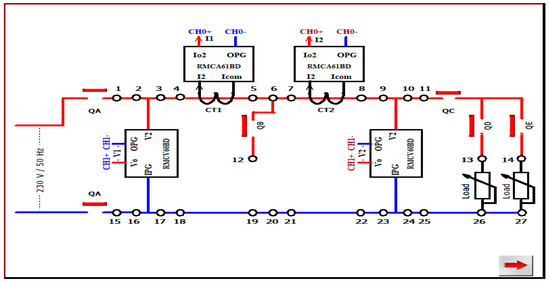
4.3. Differential Relay Wiring
5. Experimental Results
5.1. Overcurrent Relaying Function
5.2. Overvoltage Relaying Function
6. Results Evaluation
- The adoption of the software instance of the discussed power system protective relays.
- The flexibility of testing different standard characteristic curves.
- The additional possibility of using a user-defined characteristic curve, which could not be tested using hardware based protective relay.
- The friendly HMI interfaces that allows the soft and easy running and testing of such applications.
7. Conclusions
Author Contributions
Funding
Conflicts of Interest
Appendix A. Structure Text Codes




Appendix B. HMI Navigation Screens







References
- Webb, J.W.; Reis, R.A. Programmable Logic Controllers Principles and Applications, 5th ed.; Phi Learning Private Limited: Delhi, India, 2002. [Google Scholar]
- Spangenberg, T.S.; Lowry, J.L. A solid-state protective relay for use in educational laboratories. IEEE Trans. Educ. 1978, 21, 149–152. [Google Scholar] [CrossRef]
- Trutt, F.C. Microprocessor-aided instruction power-system protection. IEEE Trans. Educ. 1981, 24, 87–89. [Google Scholar] [CrossRef]
- Abe, A.; Omori, T.; Naraoka, M. A Programmable Logic Array Suitable for Use in Digital System Design Laboratories. IEEE Trans. Educ. 1992, 35, 338–350. [Google Scholar] [CrossRef]
- Kleinfelder, M.W.; Gray, M.D.; Dudevoir, L.G. A Herarchical Approach to Digital Design Using Computer-Aided Design and Hardware Description Languages. In Proceedings of the 29th ASEE/IEEE Frontiers in Education Conference, San Juan, PR, USA, 10–13 November 1999. [Google Scholar]
- Lee, W.; Gu, J.; Li, R.; Didsayabutra, P. A physical laboratory for protective relay education. IEEE Trans. Educ. 2002, 45, 182–186. [Google Scholar]
- Supronowicz, H.; Olszwski, A.; Gawinski, H. Laboratory Stand for Designing Digital System. In Proceedings of the International Conference on Computer as a Tool, Warsaw, Poland, 9–12 September 2007. [Google Scholar]
- Mealy, B.J.; Parks, B. Work in progress—PLD-based introductory digital design in a studio setting. In Proceedings of the 37th Annual Frontiers in Education Conference—Global Engineering: Knowledge without Borders, Opportunities without Passports, Milwaukee, WI, USA, 10–13 October 2007; pp. F1C-1–F1C-2. [Google Scholar]
- Oliver, J.P.; Haim, F. Lab at Home: Hardware Kits for a Digital Design Lab. IEEE Trans. Educ. 2009, 52, 46–51. [Google Scholar] [CrossRef]
- Fujii, N.; Koike, N. A new e-learning system integrating a top-down e-learning and new virtual remote laboratory environments for logic circuit design. In Proceedings of the 37th Annual Frontiers in Education Conference—Global Engineering: Knowledge without Borders, Opportunities without Passports, Milwaukee, WI, USA, 10–13 October 2007; pp. S3G-1–S3G-6. [Google Scholar]
- Gomes, L.; Patrício, G.; Ferreira, R.; Costa, A. Remote experimentation for introductory digital logic course. In Proceedings of the 3rd IEEE International Conference on E-Learning in Industrial Electronics (ICELIE), Porto, Portugal, 3–5 November 2009; pp. 98–103. [Google Scholar]
- Simon, C.-F.; Balada, L.M.; Bellmunt, O.G.; Martines, N.L.; Puxan, O.B.; Robles, R.V. A remote laboratory platform for electrical drive control using programmable logic controllers. IEEE Trans. Educ. 2009, 52, 425–435. [Google Scholar] [CrossRef]
- Brahama, S.; Ree, D.; Gres, J.; Girgis, A.; Horowitz, S.; Hunt, R.; Kenzunovic, M.; Madani, V.; Maclaren, P.; Phadke, A.G.; et al. The education and training of future protection engineers: Challenges, opportunities, and solutions. IEEE Trans. Power Deliv. 2009, 24, 538–544. [Google Scholar] [CrossRef]
- Sothong, S.; Chayratsami, P. Design of combinational logic training system using FPGA. In Proceedings of the IEEE Frontiers in Education Conference (FIE), Washington, DC, USA, 27–30 October 2010; pp. F4F-1–F4F-4. [Google Scholar]
- Nedic, Z.; Nafalski, A. Development of a modern power system laboratory. World Trans. Eng. Technol. Educ. 2014, 12, 734–737. [Google Scholar]
- Almas, M.S.; Leelarruji, R.; Vanfretti, L. Overcurrent relay model implementation for real-time simulation and hardware-in-the-loop (HIL) validation. In Proceedings of the 38th Annual Conference on IEEE Industrial Electronics Society (IECON 2012), Montreal, QC, Canada, 25–28 October 2012; pp. 4789–4796. [Google Scholar]
- Mahmood, J.R.; Ali, R.S.; Migdadi, H.; Abd-Alhameed, R.A.; Ibrahim, E.M. Development of Educational Fuzzy Control Laboratory Using PLC and HMI. In Proceedings of the Internet Technologies and Applications Conference (ITA15), Wrexham, UK, 8–11 September 2015; pp. 383–387. [Google Scholar]
- Vadi, S.; Bayindir, R. Development of an OPC and PLC based remote-access laboratory: A synchronous motor control experiment. Int. J. Appl. Math. Electron. Comput. 2015, 3, 172–177. [Google Scholar] [CrossRef]
- Wang, Q.; Tang, Z.; Knezevic, I.; Yu, J.; Karady, G. Power system protection education and digital relay training based on a physical platform. In Proceedings of the 48th North American Power Symposium, Denver, CO, USA, 18–20 September 2016. [Google Scholar]
- Hernandez, D.C.; Ramos, G.; Penafiel, N.; Juan, M.R.; Bernal, D. Implementation of an educational real time platform for relaying automation on smart grid. Electr. Power Syst. Res. 2015, 130, 156–166. [Google Scholar]
- Venkateshmurthy, B.S.; Nataraj, K.R. Design and Implementation of high speed FPGA for under & over voltage protective relay. In Proceedings of the International Conference on Recent Advances in Electronics and Communication Technology (ICRAECT), Hammamet, Tunisia, 22–24 December 2017. [Google Scholar]
- Kotsampopoulos, P.C.; Kleftakis, V.A.; Hatziargyriou, N.D. Laboratory education of modern power systems using PHIL simulation. IEEE Trans. Power Syst. 2017, 32, 3992–4001. [Google Scholar] [CrossRef]
- Giacaman, N.; De Ruvo, G. Bridging theory and practice in programming lectures with active classroom programmer. IEEE Trans. Educ. 2018, 61, 177–186. [Google Scholar] [CrossRef]
- Birchfield, A.B.; Overbye, T.J.; Davis, K.R. Educational applications of large synthetic power grids. IEEE Trans. Power Syst. 2019, 34, 765–772. [Google Scholar] [CrossRef]
- Onah, A.J. Investigating phase over current (OC) protection in medium voltage networks. EJERS Eur. J. Eng. Res. Sci. 2019, 4, 41–49. [Google Scholar] [CrossRef]
- Horowitz, S.H.; Phadke, A.G. Power System Relaying, 4th ed.; Wiley: Hoboken, NJ, USA, 2014. [Google Scholar]






















| Device label | Type | Operation Mode | Set Value |
|---|---|---|---|
| Overcurrent protective relay | Multi-action switch | Word Set:= OCR-Type = 1 Move to Screen 12 | |
| Overvoltage protective relay | Multi-action switch | Word Set:= OCR-Type = 2 Move to Screen 20 | |
| Undervoltage protective relay | Multi-action switch | Word Set:= OCR-Type = 3 Move to Screen 24 | |
| Differential protective relay | Multi-action switch | Word Set:= OCR-Type = 4 Move to Screen 16 | |
| Memo | Change screen switch | Screen type = base screen 14 | |
![]() | Change screen switch | Screen type = base screen 1 |
| Curve Type | Setting Current (A) | Load Current (A) | Operation Time (sec) |
|---|---|---|---|
| IEC Normal Inverse | 2.5 | 3.61 | 20 |
| IEC Very Inverse | 2.5 | 3.61 | 30 |
| IEC Extremely Inverse | 2.5 | 3.61 | 72 |
| IEEE Moderately Inverse | 2.5 | 3.61 | 7 |
| IEEE Very Inverse | 2.5 | 3.61 | 20 |
| IEEE Extremely Inverse | 2.5 | 3.61 | 28 |
| Statement | Score (0–10) | STDEV |
|---|---|---|
| The external appearance was attractive | 7.86 | 1.39 |
| The HMI screens had been designed in such a way that give an easy access to the supported applications | 8.60 | 1.15 |
| Application related screen gives an easy access to the different settings of protective relay under test | 8.62 | 1.17 |
| Application related screen allows the sketching of the required wiring before doing the actual wiring | 8.93 | 1.18 |
| The proposed platform is user friendly | 8.23 | 1.13 |
| The proposed platform allows the students to come closer to master the field of protective relays especially those supported in this work | 8.39 | 1.46 |
| The proposed platform allows the teacher to explain the operating principles and states the importance and effect of protective relay’s parameters setting | 8.69 | 1.20 |
| The proposed platform pointed the strong relationship between theoretical material and its industrial instance | 7.60 | 1.81 |
| The proposed platform increases the teaching process efficiency | 8.20 | 1.45 |
| The proposed platform fulfilled its objectives | 8.20 | 1.72 |
© 2020 by the authors. Licensee MDPI, Basel, Switzerland. This article is an open access article distributed under the terms and conditions of the Creative Commons Attribution (CC BY) license (http://creativecommons.org/licenses/by/4.0/).
Share and Cite
Radhi Mahmood, J.; Salim Ali, R.; Abd-Alhameed, R.A. PLC/HMI-Based Implementation of a Real-Time Educational Power System Protective Relays Platform. Electronics 2020, 9, 118. https://doi.org/10.3390/electronics9010118
Radhi Mahmood J, Salim Ali R, Abd-Alhameed RA. PLC/HMI-Based Implementation of a Real-Time Educational Power System Protective Relays Platform. Electronics. 2020; 9(1):118. https://doi.org/10.3390/electronics9010118
Chicago/Turabian StyleRadhi Mahmood, Jawad, Ramzy Salim Ali, and Raed A. Abd-Alhameed. 2020. "PLC/HMI-Based Implementation of a Real-Time Educational Power System Protective Relays Platform" Electronics 9, no. 1: 118. https://doi.org/10.3390/electronics9010118
APA StyleRadhi Mahmood, J., Salim Ali, R., & Abd-Alhameed, R. A. (2020). PLC/HMI-Based Implementation of a Real-Time Educational Power System Protective Relays Platform. Electronics, 9(1), 118. https://doi.org/10.3390/electronics9010118


