Triple Notches Bandstop Microstrip Filter Based on Archimedean Spiral Electromagnetic Bandgap Structure
Abstract
1. Introduction
2. Performance Analysis of Archimedean Spiral EBG Structure
2.1. Structural Dimensions
2.2. Analysis of Resonance Performance of Archimedean Spiral EBG Structure
2.2.1. The Spacing d between Archimedean Spiral EBG Structure Unit and Microstrip Line
2.2.2. Edge Length W of Archimedean Spiral EBG Structure
2.2.3. Polar Diameter r of the Archimedean Spiral with at Start_t = 0 rad
2.2.4. The Difference of Inner and Outer Diameters of Archimedean Spiral dr
2.2.5. Initial Pole Angle Value of Archimedean Spiral Inductor Start_t
2.2.6. Maximum Pole Angle of Archimedean Spiral Inductor end_t
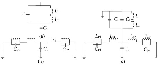
3. Filter Design
4. Results and Discussion
4.1. First Stopband Analysis
4.2. Second Stopband Analysis
4.3. Third Stopband Analysis
5. Conclusions
Author Contributions
Funding
Acknowledgments
Conflicts of Interest
References
- Federal Communications Commission. Revision of Part 15 of the Commission’s Rules Regarding Ultra-Wideband Transmission Systems; First Note and Order Federal Communications Commission, ET-Docket 98-153; Federal Communications Commission: Washington, DC, USA, 2002. [Google Scholar]
- Yan, T.; Lu, D.; Tang, X.H.; Xiang, J. High-selectivity UWB bandpass filter with a notched band using stub-loaded multi-mode resonator. AEUE Int. J. Electron. Commun. 2016, 70, 1617–1621. [Google Scholar] [CrossRef]
- Gaurav, Y.; Chauhan, R.K. UWB BPF with Single notch band using stub loaded rectangular ring resonator between interdigital structure. In Proceedings of the 2016 IEEE 1st International Conference on Power Electronics, Intelligent Control and Energy Systems (ICPEICES), Delhi, India, 4–6 July 2016. [Google Scholar] [CrossRef]
- Wei, F.; Qin, P.-Y.; Guo, Y.J.; Shi, X.-W. Design of multi-band bandpass filters based on stub loaded stepped-impedance resonator with defected microstrip structure. IET Microw. Antennas Propag. 2016, 10, 230–236. [Google Scholar] [CrossRef]
- Nouri, S.; Nourinia, J.; Ghobadi, C.; Alizadeh, F.; Mohammadi, B. Erratum for: Design and analysis of compact BPF with dual notch bands based on stepped-impedance resonator for UWB applications. Microw. Opt. Technol. Lett. 2017, 59, 672–674. [Google Scholar] [CrossRef]
- Kamma, A.; Das, R.; Bhatt, D.; Mukherjee, J. Multi mode resonators based triple band notch UWB filter. IEEE Microw. Wirel. Compon. Lett. 2017, 27, 120–122. [Google Scholar] [CrossRef]
- Borhani, S.J.; Honarvar, M.A.; Virdee, B.S. Quad notched-band UWB BPF based on quintuple-mode resonator. Int. J. Microw. Wirel. Technol. 2017, 9, 1–7. [Google Scholar] [CrossRef]
- Lu, X.; Wei, B.; Xu, Z.; Cao, B.; Zhang, X.; Wang, R.; Song, F. Superconducting ultra-wideband (UWB) bandpass filter design based on quintuple/ quadruple/triple-mode resonator. IEEE Trans. Microw. Theory Tech. 2015, 63, 1281–1293. [Google Scholar] [CrossRef]
- Zheng, X.M.; Pan, Y.W.; Jiang, T. UWB bandpass filter with dual notched bands using T-shaped resonator and L-shaped defected microstrip structure. Micromachines 2018, 9, 280. [Google Scholar] [CrossRef]
- Zheng, X.M.; Liu, W.Q.; Zhang, X.W.; Jiang, T. Design of dual band-notch UWB bandpass filter based on T-shaped resonator. In Proceedings of the 2016 Progress in Electromagnetic Research Symposium (PIERS), Shanghai, China, 8–11 August 2016; pp. 4482–4486. [Google Scholar] [CrossRef]
- Zheng, X.M.; Jiang, T. Realization of Dual Notch Bands in UWB Bandpass Filter Using Two T-shaped Resonators. In Proceedings of the 2017 International Applied Computational Electromagnetics Society Symposium, Florence, Italy, 26–30 March 2017. [Google Scholar] [CrossRef]
- Zhao, J.; Wang, J.; Zhang, G.; Li, J.-L. Compact microstrip UWB bandpass filter with dual notched bands using E-shaped resonator. IEEE Microw. Wirel. Compon. Lett. 2013, 23, 638–640. [Google Scholar] [CrossRef]
- Zheng, X.; Jiang, T. Design of UWB bandpass filter with dual notched bands using E-shaped resonator. In Proceedings of the IEEE/ACES International Conference on Wireless Information Technology and Systems, Honolulu, HI, USA, 13–18 March 2016; pp. 1–2. [Google Scholar] [CrossRef]
- Wang, B.; Jing, L.; Huang, W.; Tan, F. Ultra-wideband filter with dual notch bands based on ring resonator. Electromagnetics 2017, 37, 212–223. [Google Scholar] [CrossRef]
- Janković, N.; Geschke, R.; Crnojević-Bengin, V. Compact tri-band bandpass and bandstop filters based on hilbert-fork resonators. IEEE Microw. Wirel. Compon. Lett. 2013, 23, 282–284. [Google Scholar] [CrossRef]
- Song, K.; Xue, Q. Asymmetric dual-line coupling structure for multiple-notch implementation in UWB bandpass filters. Electron. Lett. 2010, 46, 1388–1390. [Google Scholar] [CrossRef]
- Song, K.; Pan, T.; Xue, Q. Asymmetric dual-line coupling strip for multiple notched bands: Theory and implementation. Microelectron. J. 2012, 43, 416–422. [Google Scholar] [CrossRef]
- Zhou, L.-H.; Ma, Y.; Shi, J.; Chen, J.; Che, W. Differential dual-band bandpass filter with tunable lower band using embedded DGS unit for common-mode suppression. IEEE Trans. Microw. Theory Tech. 2016, 64, 4183–4191. [Google Scholar] [CrossRef]
- Zhang, C.; Zhang, J.; Li, L. Triple band-notched UWB antenna based on SIR-DGS and fork-shaped stubs. Electron. Lett. 2014, 50, 67–69. [Google Scholar] [CrossRef]
- Zakaria, Z.; Mutalib, M.A.; Ismail, A.; Isa, M.S.M.; Ismail, M.M.; Latiff, A.A.; Zainuddin, N.A.; Sam, W.Y. Compact structure of band-pass filter integrated with Defected Microstrip Structure (DMS) for wideband applications. In Proceedings of the European Conference on Antennas and Propagation, The Hague, The Netherlands, 6–11 April 2014; Volume 21, pp. 2158–2162. [Google Scholar] [CrossRef]
- Wang, J.; Zhao, J.; Li, J.L. Compact UWB bandpass filter with triple notched bands using parallel U-shaped defected microstrip structure. Electron. Lett. 2014, 50, 89–91. [Google Scholar] [CrossRef]
- Kurra, L.; Abegaonkar, M.P.; Basu, A.; Koul, S.K. A compact uniplanar EBG structure and its application in band-notched UWB filter. Int. J. Microw. Wirel. Technol. 2013, 5, 491–498. [Google Scholar] [CrossRef]
- Wei, F.; Wang, Z.D.; Yang, F.; Shi, X.W. Compact UWB BPF with triple-notched bands based on stub loaded resonator. Electron. Lett. 2013, 49, 124–125. [Google Scholar] [CrossRef]
- Doan, M.T.; Che, W.; Pham, C.D. Novel compact tri-band bandpass filter using square ring short stub loaded resonators. Electron. Lett. 2012, 48, 106–107. [Google Scholar] [CrossRef]
- Xu, J. Compact microstrip tri-band bandpass filter using new stubs loaded stepped-Impedance resonator. IEEE Microw. Wirel. Compon. Lett. 2016, 26, 249–251. [Google Scholar] [CrossRef]
- Ai, J.; Zhang, Y.H.; Xu, K.D.; Shen, M.K.; Joines, W.T. Miniaturized frequency controllable band-stop filter using coupled-line stub-loaded shorted SIR for tri-band application. IEEE Microw. Wirel. Compon. Lett. 2017, 27, 627–629. [Google Scholar] [CrossRef]
- Jadhav, J.B.; Deore, P.J. A compact planar ultra-wideband bandpass filter with multiple resonant and defected ground structure. AEU Int. J. Electron. Commun. 2017, 81, 31–36. [Google Scholar] [CrossRef]
- Fertas, K.; Ghanem, F.; Challal, M.; Ouahdi, M.; Fertas, F.; Aksas, R. Design and implementation of a novel tri-band bandstop filter based on hexagonal metamaterials split ring resonators. In Proceedings of the 2017 5th International Conference on Electrical Engineering-Boumerdes (ICEE-B), Boumerdes, Algeria, 29–31 October 2017; IEEE: Piscataway, NJ, USA, 2017. [Google Scholar] [CrossRef]
- Gholipoor, M.; Amin Honarvar, M.; Virdee, B.S. UWB bandpass filters with triple notched band characteristics implemented using wave cancellation technique. Microw. Opt. Technol. Lett. 2016, 58, 1875–1879. [Google Scholar] [CrossRef]
- Boutejdar, A.; Bennani, S.D. Design and fabrication of tri-stopband bandstop filters using cascaded and multi-armed methods. Adv. Electromagn. AEM 2017, 6, 18–24. [Google Scholar] [CrossRef]
- Boutejdar, A.; Omar, A. Miniaturized lowpass and bandstop filters using controlled coupling of open-loop-ring defected ground structure. Microw. Opt. Technol. Lett. 2010, 52, 2575–2578. [Google Scholar] [CrossRef]
- Boutejdar, A.; Elhani, S.; Bennani, S.D. Design of a novel slotted bandpass-bandstop filters using U-resonator and suspended multilayer-technique for L/X-band and Wlan/WiMax applications. In Proceedings of the 2017 International Conference on Electrical and Information Technologies (ICEIT), Rabat, Morocco, 15–18 November 2017; pp. 1–7. [Google Scholar] [CrossRef]
- Boutejdar, A.; Omar, A. A miniature 5.2-GHz bandstop microstrip filter using multilayer-technique and coupled octagonal defected ground structure. Microw. Opt. Technol. Lett. 2009, 51, 2810–2813. [Google Scholar] [CrossRef]
- Rambabu, K.; Bornemann, J. Design and application of grounded pin-pad resonators in LTCC components. Microw. Opt. Technol. Lett. 2010, 47, 321–323. [Google Scholar] [CrossRef][Green Version]
- Chu, Q.X.; Wu, X.H.; Chen, F.C. Novel Compact Tri Band Bandpass Filter With Controllable Bandwidths. IEEE Microw. Wirel. Compon. Lett. 2011, 21, 655–657. [Google Scholar] [CrossRef]


















| Notch Frequency (GHz) | 3 dB Bandwidth (GHz) | 3 dB Fractional Bandwidths (FBW) % | Rejection Level (dB) |
|---|---|---|---|
| 3.5 | 1.07 | 15.62 | 35.61 |
| 5.2 | 0.41 | 7.81 | 28.23 |
| 7.4 | 0.61 | 8.91 | 24.90 |
| C (pF) | C (pF) | L (nH) | L (nH) |
|---|---|---|---|
| Cp1 = 1.0675 | C0 = 2.004 | L1 = 2.48 | Lp1 = 0.871 |
| Cp = 0.06 | C1 = 1.200 | L2 = 5.07 | Ls1 = 0.378 |
| Cp2 = 0.9803 | - | Lp2 = 0.4688 | Ls2 = 2.189 |
| Length | Length | Width | Width | Radius | Gap Length |
|---|---|---|---|---|---|
| L1 = 15 | L5 = 5.3 | W1 = 1.95 | W5 = 0.5 | R1 = 0.15 | g1 = 0.1 |
| L2 = 5 | L6 = 10.6 | W2 = 3 | W6 = 0.3 | R2 = 0.15 | r = 0.3 |
| L3 = 4 | L7 = 9 | W3 = 0.3 | W7 = 0.1 | W = 4 | a = 0.06 |
| L3 = 4 | L8 = 0.1 | W4 = 1.4 | W8 = 0.3 | d = 0.1 | dr = 0.2 |
| din = 0.6 | dout = 1 | W11 = 4 | W12 = 7.7 | start_t = 0 | end_t = 9 |
| Ref. | f1/f2/f3 (GHz) | MSA1/MSA2/MSA3 (dB) | FBW3dB_1/FBW3dB_2/ FBW3dB_3 (%) |
|---|---|---|---|
| [15] | 2.4/3.5/5.2 | 15/13/20 | 4.2/2.9/4.5 |
| [17] | 5.2/5.85/8 | 20.1/25.6/27.7 | 14.4/5.2/10.1 |
| [21] | 5.2/5.8/8.0 | 20.1/23.2/24.6 | 1.8/2.3/2.1 |
| [23] | 3.6/5.9/8 | 15.9/25.6/27.3 | 2.9/3.7/2.3 |
| [24] | 2.4/3.5/5.25 | 16.5/18/14.5 | 5/3.7/4.2 |
| [25] | 1.4/2.4/3.4 | 51/44/37 | 40.1/23.1/50.2 |
| [26] | 1.56/2.45/3.46 | 40.2/35.1/33.2 | 13.6/8.6/8.1 |
| [28] | 6.1/6.9/7.6 | 15/14/13 | 2.3/5.2/1.7 |
| [29] | 5.4/5.8/8.2 | 18.3/21.2/21.5 | 13.4/6.4/5.1 |
| [35] | 2.4/3.5/5.25 | 14.3/15/16.8 | 6.2/12.2/11.8 |
| This work | 3.5/5.2/7.4 | 35.61/28.23/24.90 | 15.62/7.81/8.91 |
© 2019 by the authors. Licensee MDPI, Basel, Switzerland. This article is an open access article distributed under the terms and conditions of the Creative Commons Attribution (CC BY) license (http://creativecommons.org/licenses/by/4.0/).
Share and Cite
Zheng, X.; Jiang, T. Triple Notches Bandstop Microstrip Filter Based on Archimedean Spiral Electromagnetic Bandgap Structure. Electronics 2019, 8, 964. https://doi.org/10.3390/electronics8090964
Zheng X, Jiang T. Triple Notches Bandstop Microstrip Filter Based on Archimedean Spiral Electromagnetic Bandgap Structure. Electronics. 2019; 8(9):964. https://doi.org/10.3390/electronics8090964
Chicago/Turabian StyleZheng, Xuemei, and Tao Jiang. 2019. "Triple Notches Bandstop Microstrip Filter Based on Archimedean Spiral Electromagnetic Bandgap Structure" Electronics 8, no. 9: 964. https://doi.org/10.3390/electronics8090964
APA StyleZheng, X., & Jiang, T. (2019). Triple Notches Bandstop Microstrip Filter Based on Archimedean Spiral Electromagnetic Bandgap Structure. Electronics, 8(9), 964. https://doi.org/10.3390/electronics8090964
