A CMOS Transmitter Analog Baseband for 5G Mobile Communication
Abstract
:1. Introduction
2. Circuits Design
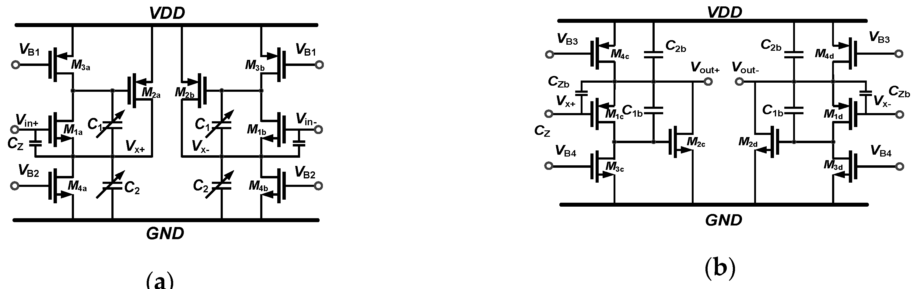
2.1. Low-Pass-Filter (LPF)
2.2. Programmable Gain Amplifier (PGA)
3. Measurement Results
3.1. LPF Measurement Result
3.2. TX Analog Baseband
4. Conclusions
Author Contributions
Funding
Acknowledgments
Conflicts of Interest
References
- Osseiran, A.; Boccardi, F.; Braun, V.; Kusume, K.; Marsch, P.; Maternia, M.; Queseth, O.; Schellmann, M.; Schotten, H.; Taoka, H.; et al. Scenarios for 5G mobile and wireless communications: the vision of the METIS project. IEEE Commu. Mag. 2014, 52, 26–35. [Google Scholar] [CrossRef]
- Wan, P.; Chiu, Y.; Lin, P. A 5.8-mW, 20-MHz, fourth-order programmable elliptic filter achieving over 80-dB IM3. In Proceedings of the IEEE Custom Integrated Circuits Conference 2010, San Jose, CA, USA, 19–22 September 2010; pp. 1–4. [Google Scholar]
- D’Amico, S.; De Matteis, M.; Baschirotto, A. A 6th-Order 100μA 280MHz Source-Follower-Based Single-loop Continuous-Time Filter. In Proceedings of the 2008 IEEE International Solid-State Circuits Conference-Digest of Technical Papers, San Francisco, CA, USA, 3–7 February 2008; pp. 72–596. [Google Scholar]
- De Matteis, M.; Pezzotta, A.; D’Amico, S.; Baschirotto, A. A 33 MHz 70 dB-SNR Super-Source-Follower-Based Low-Pass Analog Filter. IEEE J. Solid-State Circuits 2015, 50, 1516–1524. [Google Scholar] [CrossRef]
- Elwan, H.; Tekin, A.; Pedrotti, K. A Differential-Ramp Based 65 dB-Linear VGA Technique in 65 nm CMOS. IEEE J. Solid-State Circuits 2009, 44, 2503–2514. [Google Scholar] [CrossRef]
- Kim, H.; Park, Y.; Yang, H.; Kim, S. A constant bandwidth switched-capacitor programmable-gain amplifier utilizing adaptive miller compensation technique. In Proceedings of the 2017 30th IEEE International System-on-Chip Conference (SOCC), Munich, Germany, 5–8 September 2017; pp. 249–252. [Google Scholar]
- Oneţ, R.; Neag, M.; Kovács, I.; Ţopa, M.D.; Rodriguez, S.; Rusu, A. Compact Variable Gain Amplifier for a Multistandard WLAN/WiMAX/LTE Receiver. IEEE Trans. Circuits Syst. Regul. Pap. 2014, 61, 247–257. [Google Scholar]
- Chen, Z.; Zheng, Y.; Choong, F.C.; Je, M. A Low-Power Variable-Gain Amplifier with Improved Linearity: Analysis and Design. IEEE Trans. Circuits Syst. Regul. Pap. 2012, 59, 2176–2185. [Google Scholar] [CrossRef]
- Kang, S.-Y.; Ryu, S.-T.; Park, C.-S. A Precise Decibel-Linear Programmable Gain Amplifier Using a Constant Current-Density Function. IEEE Trans. Microwave Theory Tech. 2012, 60, 2843–2850. [Google Scholar] [CrossRef]
- D’Amico, S.; Spagnolo, A.; Donno, A.; Chironi, V.; Wambacq, P.; Baschirotto, A. A low-power analog baseband section for 60-GHz receivers in 90-nm CMOS. IEEE Trans. Microwave Theory Tech. 2014, 62, 1724–1735. [Google Scholar] [CrossRef]
- Kumar, T.B.; Ma, K.; Yeo, K.S. A 4 GHz 60 dB Variable Gain Amplifier With Tunable DC Offset Cancellation in 65 nm CMOS. IEEE Microwave Wireless Compon. Lett. 2015, 25, 37–39. [Google Scholar] [CrossRef]
- He, L.; Li, L.; Wu, X.; Wang, Z. A Low-Power Wideband dB-Linear Variable Gain Amplifier With DC-Offset Cancellation for 60-GHz Receiver. IEEE Access 2018, 6, 61826–61832. [Google Scholar] [CrossRef]





















| Digital Codes | ω0 (GHz) | ωZ1 (GHz) | ωZ2 (GHz) |
|---|---|---|---|
| 00 | 1.23 | 3.33 | 4.6 |
| 01 | 0.96 | 2.625 | 4.6 |
| 10 | 0.93 | 2.51 | 4.6 |
| 11 | 0.76 | 2.03 | 4.6 |
| Process (nm) | Supply Voltage (V) | Bandwidth (GHz) | Gain Step (dB) | Gain Step Error (dB) | Gain Range (dB) | Noise Figure @ Max Gain (dB) | IIP3 (dBm/dBv) | Power (mW) | Active Area (mm2) | |
|---|---|---|---|---|---|---|---|---|---|---|
| [10]TMTT | 90 | 1 | 0.915 | 1 | 0.7 | 0.1–19.6 | ~28.5 | 5.6 dBm @ 0 dB | 9.5–10.8 | 0.156 |
| [11]MWCL | 65 | 1.2 | 4 | N/A | N/A | −39.4–20.2 | 10–27 | −20.4 dBm @ 20.2 dB | 26 | 0.006 |
| [12]Access | 65 | 1.2 | 1 | N/A | N/A | 6–44 | 18–26 | −33.4 dBm @ 44 dB | 6 | 0.027 |
| This work | 90 | 1.2 | 1.03–1.05 | 1 | −0.7– +0.9 | −18.9–3.8 | 24.4–40.0 | −0.2 dBv @ 4 dB | 43.0* | 0.24 |
© 2019 by the authors. Licensee MDPI, Basel, Switzerland. This article is an open access article distributed under the terms and conditions of the Creative Commons Attribution (CC BY) license (http://creativecommons.org/licenses/by/4.0/).
Share and Cite
Yen, M.-Y.; Chen, H.-C.; Wei, Y.-L.; Chung, C.-Y. A CMOS Transmitter Analog Baseband for 5G Mobile Communication. Electronics 2019, 8, 1319. https://doi.org/10.3390/electronics8111319
Yen M-Y, Chen H-C, Wei Y-L, Chung C-Y. A CMOS Transmitter Analog Baseband for 5G Mobile Communication. Electronics. 2019; 8(11):1319. https://doi.org/10.3390/electronics8111319
Chicago/Turabian StyleYen, Ming-Yu, Hsiao-Chin Chen, Yu-Lun Wei, and Chi-Yin Chung. 2019. "A CMOS Transmitter Analog Baseband for 5G Mobile Communication" Electronics 8, no. 11: 1319. https://doi.org/10.3390/electronics8111319
APA StyleYen, M.-Y., Chen, H.-C., Wei, Y.-L., & Chung, C.-Y. (2019). A CMOS Transmitter Analog Baseband for 5G Mobile Communication. Electronics, 8(11), 1319. https://doi.org/10.3390/electronics8111319

