FPGA Implementation of Blue Whale Calls Classifier Using High-Level Programming Tool
Abstract
:1. Introduction

2. Method

2.1. Feature Extraction

2.1.1. Signal Windowing
2.1.2. Short-Time Fourier Transform
2.1.3. Power Spectrum
2.1.4. Feature Vector Calculation
2.2. Classification
2.2.1. Multilayer Perceptron

2.2.2. Class Recognition
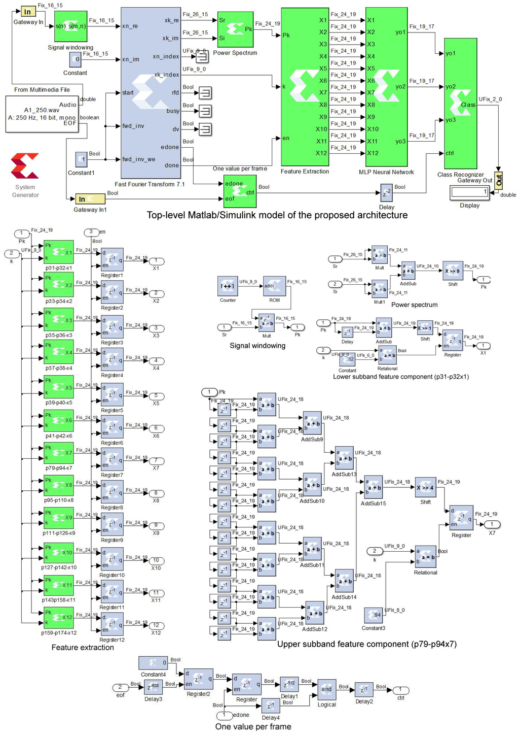
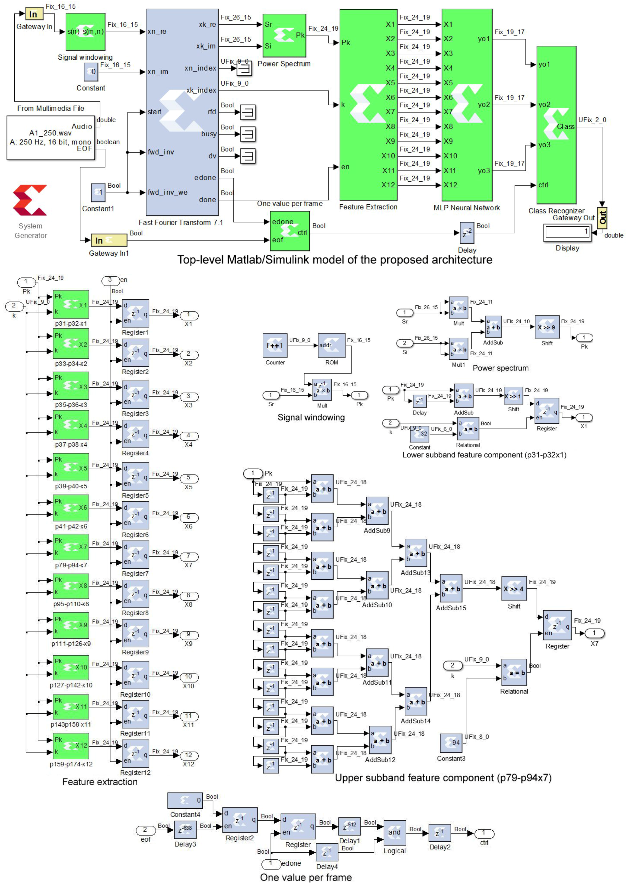
3. FPGA Implementation
3.1. Signal Windowing

3.2. Short-Time Fourier Transform
3.3. Power Spectrum
3.4. Feature Extraction
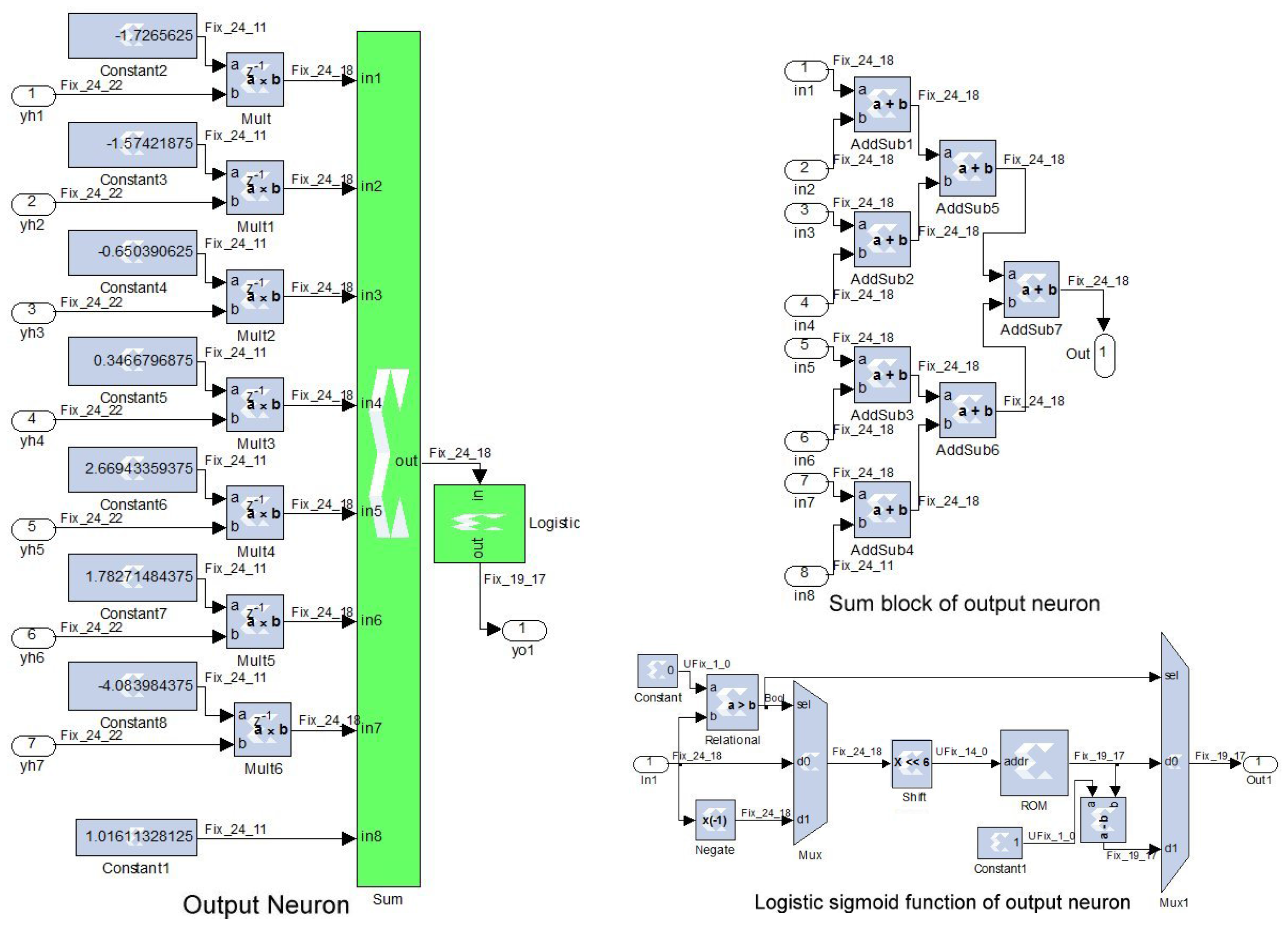
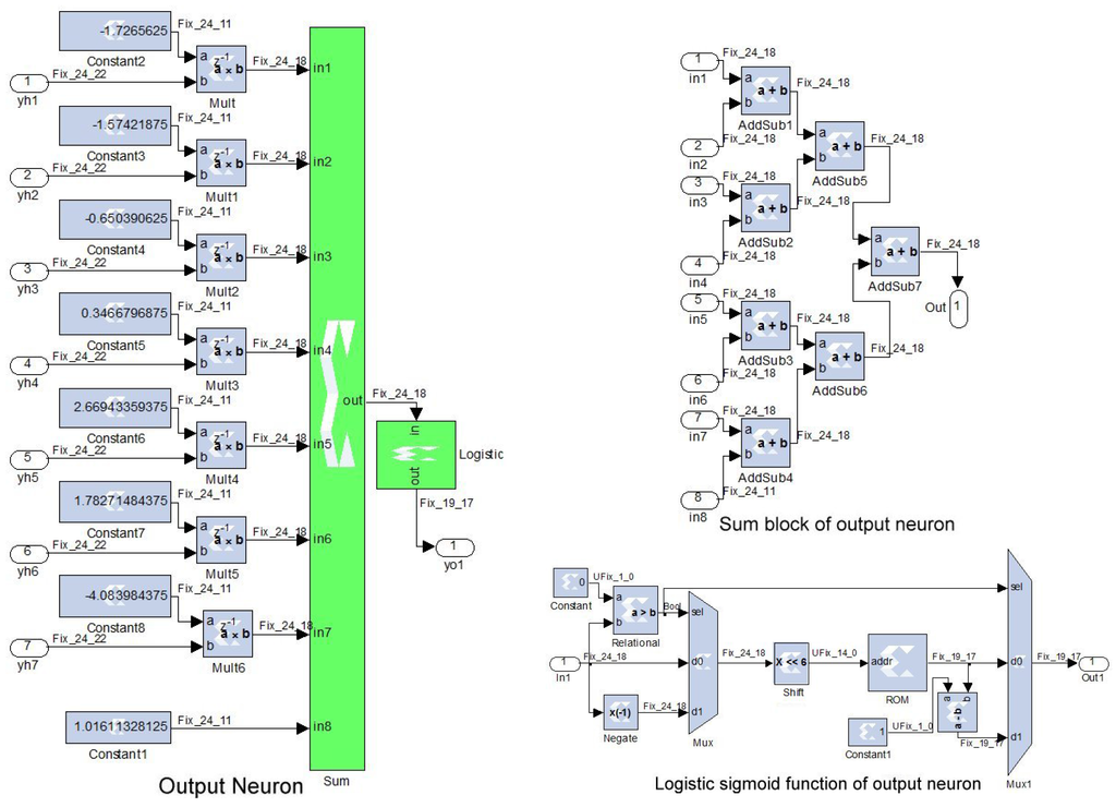
3.5. MLP Neural Network
3.6. One Value Per Frame


3.7. Class Recognizer

3.8. Implementation Characteristics
| Targeted FPGA | Artix-7 XC7A100T | Virtex-6 XC6VLX240T | |
|---|---|---|---|
| Resource utilization | |||
| Slices | 6931 (of 15,850) | 7545 (of 37,680) | |
| Flip Flops | 13,330 (of 126,800) | 13,546 (of 301,440) | |
| LUTs | 21,658 (of 63,400) | 21,322 (of 150,720) | |
| Bonded IOBs | 20 (of 210) | 20 (of 600) | |
| RAMB18E1s | 2 (of 270) | 2 (of 832) | |
| DSP48E1s | 219 (of 240) | 219 (of 768) | |
| Maximum operating frequency | 25.237 MHz | 27.889 MHz | |
| Total power consumption | 0.123 W | 3.456 W | |
4. Experimental Results
4.1. Database
4.2. Protocol
4.3. Classification Performance
4.4. Simulation Using XSG Blockset






4.5. Hardware/Software Co-Simulation

| Vocalization | Performance (%) | |
|---|---|---|
| XSG | Matlab | |
| A | 79 | 79 |
| B | 82 | 82 |
| D | 96 | 96 |
| Total | 85.67 | 85.67 |
| True Class | Assigned Class (XSG) | Assigned Class (Matlab) | |||||
|---|---|---|---|---|---|---|---|
| A | B | D | A | B | D | ||
| A | 79 | 18 | 3 | 79 | 18 | 3 | |
| B | 16 | 82 | 2 | 16 | 82 | 2 | |
| D | 0 | 4 | 96 | 0 | 4 | 96 | |
5. Conclusions
Acknowledgments
Conflicts of Interest
References
- Chen, C.; Lee, J.; Lin, M. Classification of underwater signals using wavelet transforms and neural networks. Mathe. Comput. Model. 1998, 27, 47–60. [Google Scholar]
- Huynh, Q.; Cooper, L.; Intrator, N.; Shouval, H. Classification of underwater mammals using feature extraction based on time-frequency analysis and bcm theory. IEEE Trans. Signal Process. 1998, 46, 1202–1207. [Google Scholar] [CrossRef]
- Deecke, V.; Ford, J.; Spong, P. Quantifying complex patterns of bioacoustic variation: Use of a neural network to compare killer whale (Orcinus orca) dialects. J. Acoust. Soc. Am. 1999, 105, 2499–2507. [Google Scholar] [CrossRef] [PubMed]
- Chesmore, E. Application of time domain signal coding and artificial neural networks to passive acoustical identification of animals. Appl. Acoust. 2001, 62, 1359–1374. [Google Scholar] [CrossRef]
- Chesmore, E.; Ohya, E. Automated identification of field-recorded songs of four British grasshoppers using bioacoustic signal recognition. Bull. Entomol. Res. 2004, 94, 319–330. [Google Scholar] [CrossRef] [PubMed]
- Reby, D.; André-Obrecht, R.; Galinier, A.; Farinas, J.; Cargnelutti, B. Cepstral coefficients and hidden Markov models reveal idiosyncratic voice characteristics in red deer (Cervus elaphus) stags. J. Acoust. Soc. Am. 2006, 120, 4080–4089. [Google Scholar] [CrossRef] [PubMed]
- Van Der Schaar, M.; Delory, E.; Català, A.; André, M. Neural network-based sperm whale click classification. J. Mar. Biol. Assoc. UK 2007, 87, 35–38. [Google Scholar] [CrossRef]
- Roch, M.; Soldevilla, M.; Burtenshaw, J.; Henderson, E.; Hildebrand, J. Gaussian mixture model classification of odontocetes in the Southern California Bight and the Gulf of California. J. Acoust. Soc. Am. 2007, 121, 1737–1748. [Google Scholar] [CrossRef] [PubMed]
- Mouy, X.; Bahoura, M.; Simard, Y. Automatic recognition of fin and blue whale calls for real-time monitoring in the St. Lawrence. J. Acoust. Soc. Am. 2009, 126, 2918–2928. [Google Scholar] [CrossRef] [PubMed]
- Bahoura, M.; Simard, Y. Blue Whale Calls Classification using Short-Time Fourier and Wavelet Packet Transforms and Artificial Neural Network. Digit. Signal Process. 2010, 20, 1256–1263. [Google Scholar] [CrossRef]
- Bahoura, M.; Simard, Y. Serial combination of multiple classifiers for automatic blue whale calls recognition. Expert Syst. Appl. 2012, 39, 9986–9993. [Google Scholar] [CrossRef]
- Mielke, A.; Zuberbühler, K. A method for automated individual, species and call type recognition in free-ranging animals. Anim. Behav. 2013, 86, 475–482. [Google Scholar] [CrossRef]
- Adam, O.; Samaran, F. Detection, Classification and Localization of Marine Mammals Using Passive Acoustics. 2003–2013: 10 Years of International Research; Dirac NGO: Paris, France, 2013. [Google Scholar]
- Kershenbaum, A.; Roch, M. An image processing based paradigm for the extraction of tonal sounds in cetacean communications. J. Acoust. Soc. Am. 2013, 134, 4435–4445. [Google Scholar] [CrossRef] [PubMed]
- Au, W.; Hastings, M. Principles of Marine Bioacoustics; Springer: New York, NY, USA, 2008. [Google Scholar]
- Simard, Y.; Roy, N.; Gervaise, C. Passive acoustic detection and localization of whales: Effects of shipping noise in Saguenay-St. Lawrence Marine Park. J. Acoust. Soc. Am. 2008, 123, 4109–4117. [Google Scholar] [CrossRef] [PubMed]
- Simard, Y.; Roy, N. Detection and localization of blue and fin whales from large-aperture autonomous hydrophone arrays: A case study from the St. Lawrence estuary. Can. Acoust. 2008, 36, 104–110. [Google Scholar]
- Ortigosa, E.M.; Cañas, A.; Ros, E.; Ortigosa, P.M.; Mota, S.; Díaz, J. Hardware description of multi-layer perceptrons with different abstraction levels. Microprocess. Microsyst. 2006, 30, 435–444. [Google Scholar] [CrossRef]
- Armato, A.; Fanucci, L.; Scilingo, E.; Rossi, D.D. Low-error digital hardware implementation of artificial neuron activation functions and their derivative. Microprocess. Microsyst. 2011, 35, 557–567. [Google Scholar] [CrossRef]
- Manikandan, J.; Venkataramani, B. Design of a real time automatic speech recognition system using Modified One Against All SVM classifier. Microprocess. Microsyst. 2011, 35, 568–578. [Google Scholar] [CrossRef]
- Wang, J.; Wang, J.F.; Weng, Y. Chip design of MFCC extraction for speech recognition. Integr. VLSI J. 2002, 32, 111–131. [Google Scholar] [CrossRef]
- Amudha, V.; Venkataramani, B. System on programmable chip implementation of neural network-based isolated digit recognition system. Int. J. Electron. 2009, 96, 153–163. [Google Scholar] [CrossRef]
- Staworko, M.; Rawski, M. FPGA implementation of feature extraction algorithm for speaker verification. In Proceeding of the 17th International Conference “Mixed Design of Integrated Circuits and Systems”, MIXDES 2010, Warsaw, Poland, 24–26 June 2010; pp. 557–561.
- Ramos-Lara, R.; López-García, M.; Cantó-Navarro, E.; Puente-Rodriguez, L. Real-Time Speaker Verification System Implemented on Reconfigurable Hardware. J. Signal Process. Syst. 2013, 71, 89–103. [Google Scholar] [CrossRef] [Green Version]
- Pan, S.; Lan, M. An efficient hybrid learning algorithm for neural network-based speech recognition systems on FPGA chip. Neural Comput. Appl. 2013, 24, 1–7. [Google Scholar] [CrossRef]
- Hoang, T.; Truong, N.; Trang, H.; Tran, X. Design and Implementation of a SoPC System for Speech Recognition. In Multimedia and Ubiquitous Engineering; Park, J., Ng, J., Jeong, H., Waluyo, B., Eds.; Springer: New York, NY, USA, 2013; Volume 240, pp. 1197–1203. [Google Scholar]
- Lin, B.S.; Yen, T.S. An FPGA-based rapid wheezing detection system. Int. J. Environ. Res. Public Health 2014, 11, 1573–1593. [Google Scholar] [CrossRef] [PubMed]
- Haykin, S. Neural Networks: A Comprehensive Foundation, 2nd ed.; Prentice-Hall: Upper Saddle River, NJ, USA, 1999. [Google Scholar]
- Bahoura, M.; Ezzaidi, H. FPGA implementation of a feature extraction technique based on Fourier transform. In Proceeding of the 24th International Conference on Microelectronics (ICM), Algiers, Algeria, 16–20 December 2012; pp. 1–4.
- Simard, Y.; Bahoura, M.; Roy, N. Acoustic Detection and Localization of whales in Bay of Fundy and St. Lawrence Estuary Critical Habitats. Can. Acoust. 2004, 32, 107–116. [Google Scholar]
© 2016 by the author; licensee MDPI, Basel, Switzerland. This article is an open access article distributed under the terms and conditions of the Creative Commons by Attribution (CC-BY) license (http://creativecommons.org/licenses/by/4.0/).
Share and Cite
Bahoura, M. FPGA Implementation of Blue Whale Calls Classifier Using High-Level Programming Tool. Electronics 2016, 5, 8. https://doi.org/10.3390/electronics5010008
Bahoura M. FPGA Implementation of Blue Whale Calls Classifier Using High-Level Programming Tool. Electronics. 2016; 5(1):8. https://doi.org/10.3390/electronics5010008
Chicago/Turabian StyleBahoura, Mohammed. 2016. "FPGA Implementation of Blue Whale Calls Classifier Using High-Level Programming Tool" Electronics 5, no. 1: 8. https://doi.org/10.3390/electronics5010008
APA StyleBahoura, M. (2016). FPGA Implementation of Blue Whale Calls Classifier Using High-Level Programming Tool. Electronics, 5(1), 8. https://doi.org/10.3390/electronics5010008
