Design and Performance Enhancement of a PCB-Based Axial-Flux Stepper Motor
Abstract
1. Introduction
2. Design and FEA-Based Evaluation of PCB Stepper Motor
2.1. Overall Structural Design of the PCB Stepper Motor
2.2. Theoretical Analysis of PCB Winding
2.2.1. Winding Factor
2.2.2. Back EMF
2.2.3. Resistance and Inductance
2.3. Electromagnetic Torque Theoretical Analysis
2.4. Finite Element Analysis
3. Improvements in Drive Control Strategy
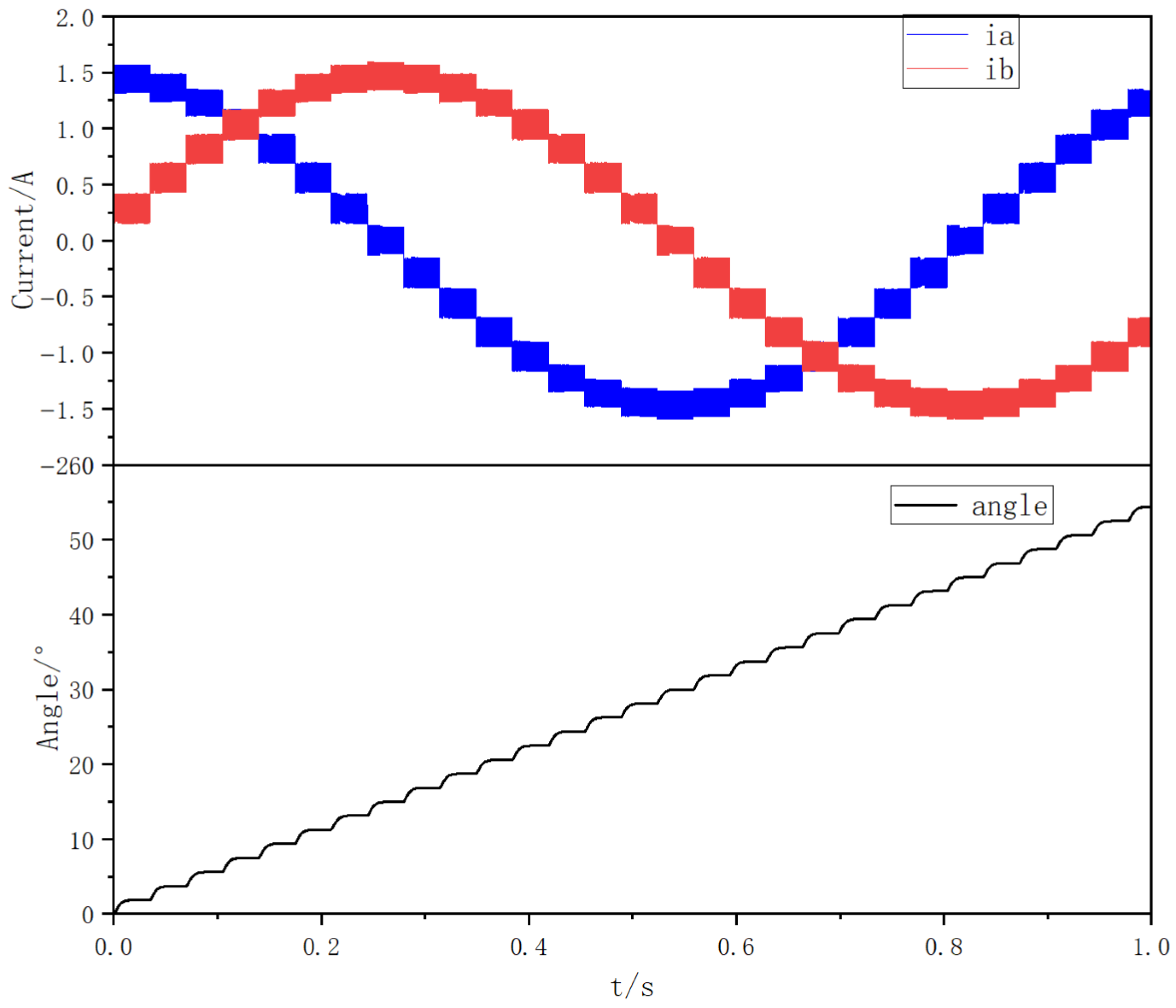
3.1. Influence of Low-Inductance Characteristics on the Phase Current
3.2. Impact of Current Fluctuations on Microstepping Drive Performance
3.3. Optimal Inductance Selection
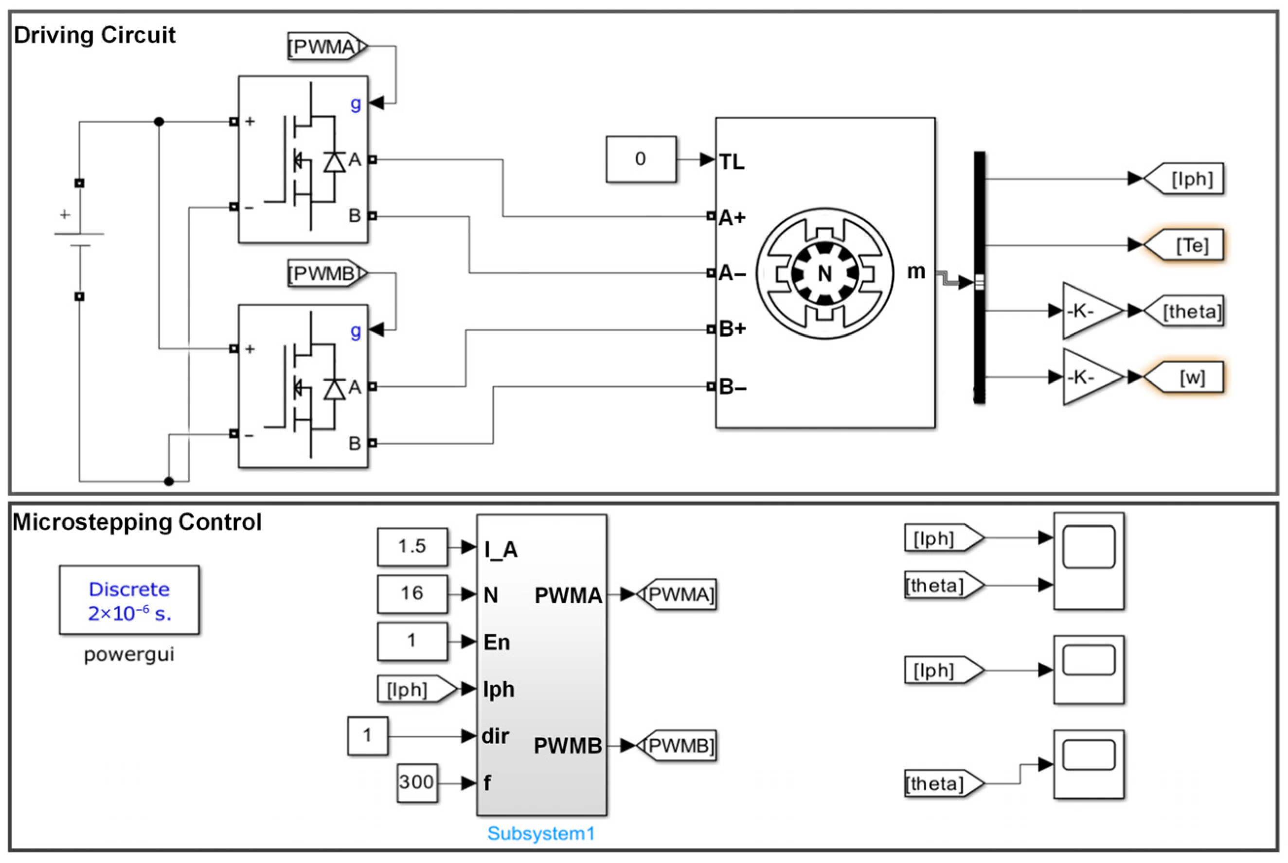
4. Prototype Experiment
4.1. Electromagnetic Performance Testing of the PCB Stepper Motor
4.2. Evaluation of Microstepping Drive Performance
5. Conclusions
Author Contributions
Funding
Data Availability Statement
Conflicts of Interest
References
- Liang, G.J. Design of Stepper Motor Control System based on PLC. Electr. Eng. 2025, 14, 13–18. [Google Scholar]
- Hao, Z.; Ma, Y.; Wang, P.; Luo, G.; Chen, Y. A Review of Axial-Flux Permanent-Magnet Motors: Topological Structures, Design, Optimization and Control Techniques. Machines 2022, 10, 1178. [Google Scholar] [CrossRef]
- Javadi, S.; Mirsalim, M. Design and Analysis of 42-V Coreless Axial-Flux Permanent-Magnet Generators for Automotive Applications. IEEE Trans. Magn. 2010, 46, 1015–1023. [Google Scholar] [CrossRef]
- Daghigh, A.; Javadi, H.; Torkaman, H. Design Optimization of Direct-Coupled Ironless Axial Flux Permanent Magnet Synchronous Wind Generator With Low Cost and High Annual Energy Yield. IEEE Trans. Magn. 2016, 52, 7403611. [Google Scholar] [CrossRef]
- Xiaoxiao, Z.; Xiaoyuan, W.; Peng, G.; Tianyuan, L. Equivalent Analytical Model of Magnetic Field in Parallel Magnetic Circuit Axial Flux Permanent Magnet Machines. IEEJ Trans. Electr. Electron. Eng. 2024, 19, 1079–1090. [Google Scholar] [CrossRef]
- Daghigh, A.; Javadi, H.; Javadi, A. Improved Analytical Modeling of Permanent Magnet Leakage Flux in Design of the Coreless Axial Flux Permanent Magnet Generatorx. Can. J. Electr. Comput. Eng. 2017, 40, 3–11. [Google Scholar] [CrossRef]
- Ko, S.; Hong, M.; Jo, N.; Lee, Y.; Kim, W. Performance Comparison of Coreless PCB AFPM Topologies for Duct Fan. Energies 2025, 18, 4600. [Google Scholar] [CrossRef]
- Yuan, B.; Li, H.; Xiang, X.; Zhou, T.; Zhou, H.; Jiang, P. Investigation of Cogging Torque Comprehensive Reduction Method in High Precision Servo Permanent Magnet Motor. In Proceedings of the 2022 25th International Conference on Electrical Machines and Systems (ICEMS), Chiang Mai, Thailand, 29 November–2 December 2022; pp. 1–4. [Google Scholar]
- Wang, X.Y.; Tian, Z. Shape Design of Windings of Disc-Type Electric Machine with PCB Stator. Small Spec. Electr. Mach. 2016, 44, 29–33. [Google Scholar]
- Gao, P.; Pang, W.; Zhao, X.X.; Zhang, X.S. Optimization design of PCB distributed winding for axial flux permanent magnet wind generator. Electr. Mach. Control 2021, 25, 32–39. [Google Scholar]
- Gao, P.; Wang, Z.; Zhang, G.; Li, B. Winding Coefficient Calculation and Harmonic Suppression of Axial Flux Permanent Magnet Machine with PCB Winding. IEEJ Trans. Electr. Electron. Eng. 2025, 20, 1802–1812. [Google Scholar] [CrossRef]
- Marignetti, F.; Volpe, G.; Mirimani, S.M.; Cecati, C. Electromagnetic Design and Modeling of a Two-Phase Axial-Flux Printed Circuit Board Motor. IEEE Trans. Ind. Electron. 2018, 65, 67–75. [Google Scholar] [CrossRef]
- Qu, A.; Wang, J.; Xue, K. Design of Sector Winding Disc Torque Motor. J. Change Univ. Sci. Technol. 2021, 44, 7–12. [Google Scholar]
- Lovatt, H.C.; Ramsden, V.S.; Mecrow, B.C. Design of an in-wheel motor for a solar-powered electric vehicle. In Proceedings of the 1997 Eighth International Conference on Electrical Machines and Drives (Conf. Publ. No. 444), Cambridge, UK, 1–3 September 1997; pp. 234–238. [Google Scholar]
- Su, G.J.; Adams, D.J. Multilevel DC link inverter for brushless permanent magnet motors with very low inductance. In Proceedings of the Conference Record of the 2001 IEEE Industry Applications Conference. 36th IAS Annual Meeting (Cat. No.01CH37248), Chicago, IL, USA, 30 September–4 October 2001; pp. 829–834. [Google Scholar]
- Li, H.; Zheng, S.; Ren, H. Self-Correction of Commutation Point for High-Speed Sensorless BLDC Motor With Low Inductance and Nonideal Back EMF. IEEE Trans. Power Electron. 2017, 32, 642–651. [Google Scholar] [CrossRef]
- Fang, J.; Zhou, X.; Liu, G. Precise Accelerated Torque Control for Small Inductance Brushless DC Motor. IEEE Trans. Power Electron. 2013, 28, 1400–1412. [Google Scholar] [CrossRef]
- Hou, H. Torque Ripple Reduction of Small Inductance BLDCM Based on Instantaneous Voltage Control. In Proceedings of the 2022 25th International Conference on Electrical Machines and Systems (ICEMS), Chiang Mai, Thailand, 29 November–2 December 2022; pp. 1–5. [Google Scholar]
- Wang, X.; Xiang, L.; Wei, P.; Li, C.; Li, F.; Hu, X. Comparative analysis of distributed winding for PCB stator coreless axial flux permanent magnet motor. Electr. Mach. Control 2018, 22, 11–18. [Google Scholar]
- Wang, X.; Lou, F.; Li, C. Optimization Design of PCB Winding for Axial Flux Permanent Magnet Synchronous Motor. Proc. CSEE 2017, 37, 6092–6100. [Google Scholar]
- Wang, X.; Huang, X.; Li, T. Optimal Design of Winding of Permanent Magnet Motor Based on High Frequency PCB Stator. Proc. CSEE 2021, 41, 1937–1946. [Google Scholar]
- Gieras, J.F.; Wang, R.; Kamper, M.J. Axial Flux Permanent Magnet Brushless Machines; Springer: Dordrecht, The Netherlands, 2008; p. 362. [Google Scholar]
- Tang, R.Y. Modern Permenent Magnet Machine: Theory and Design; China Machine Press: Beijing, China, 2016; p. 473. [Google Scholar]
- Wang, X.; Wang, X.; Fu, T.; Wang, J. Predictive Instantaneous Torque Control for Disc Coreless Permanent Magnet Synchronous Motor with the Current Source Chopper. IEEE Trans. Power Electron. 2015, 30, 7100–7112. [Google Scholar] [CrossRef]




















| Comparison Categories | Specific | PCB Stepper Motor | Conventional Stepper Motor |
|---|---|---|---|
| Structural and physical properties | Stator material | Multilayer PCB planar coil, Coreless | Enameled wire coil vs. Laminated silicon steel core |
| Weigh and volume | Extremely light, Ultra-thin | Relatively bulky | |
| Integration Level | High (PCB stator facilitates integration) | Low | |
| Torque performance | Torque density | lower | high |
| Positioning accuracy | Lower (due to cogging torque) | Enables rapid, low-cost prototyping and low-volume customization. | |
| Dynamic Response | Rapid | Slower | |
| Thermal Management & Derating | Heat Dissipation Path | Challenging, relying on limited conduction through PCB copper layers and surface convection. | Effective, via thermal conduction through the metal housing and shaft. |
| Derating Impact | Significant derating constraints, a strictly limited continuous current. | Stable; higher sustainable continuous current. | |
| Design & Manufacturing | Customization & Iteration | High mold/tooling cost and long iteration cycles. | Enables rapid, low-cost prototyping and low-volume customization. |
| Manufacturing Cost | Relatively high | low |
| Design Parameter | Title 2 |
|---|---|
| Magnet’s outer diameter | 40 mm |
| Magnet’s inner diameter | 27 mm |
| Magnet thickness | 4 mm |
| Number of poles | 12 |
| Air gap | 0.7 mm |
| Back iron’s outer diameter | 40 mm |
| Back iron’s inner diameter | 27 mm |
| Back iron thickness | 1 |
| Stator’s outer diameter | 40 |
| Stator’s inner diameter | 27 |
| Width of conductor | 0.3 mm |
| Insulation spacing between conductors | 0.2 mm |
| Thickness of conductor | 2 oz |
| PCB layers | 8 |
| Instrument | Model | Title 2 |
|---|---|---|
| DC Power Supply | UTP1306S | Output Voltage: 0–32 V Output Current: 0–6 A Voltage accuracy: ≤±0.1% Current accuracy: ≤±0.1% |
| Torque Sensor | EVG-D200 | Range: 0–0.2 N·m Measurement accuracy: ≤±0.1% F.S Sampling rate: 1000 Hz |
| Magnetic encoder | AS5600 | Resolution: 12 bits Sampling rate: 6.67 kHz |
| Thermal imager | FLIR ONE Pro | Range: −20 °C to +400 °C Thermal sensitivity: 0.1 °C |
| Oscilloscope | UPO1204X-E | Analog Bandwidth: 200 MHz Maximum Sample Rate: 2 GSa/s |
| Microstepping | Number of Pulses | Theoretical Angular/° | Angular Displacement |
|---|---|---|---|
| 4-Microstep Driving | 1 | 3.75 | 4.3 |
| 2 | 7.5 | 7.5 | |
| 3 | 11.25 | 10.55 | |
| 4 | 15 | 15 | |
| 8-Microstep Driving | 1 | 1.875 | 1.99 |
| 2 | 3.75 | 3.76 | |
| 3 | 5.625 | 5.53 | |
| 4 | 7.5 | 7.5 | |
| 5 | 9.375 | 9.49 | |
| 6 | 11.25 | 11.26 | |
| 7 | 13.125 | 13.03 | |
| 8 | 15 | 15 | |
| 16-Microstep Driving | 1 | 0.9375 | 1.1175 |
| 2 | 1.875 | 2.035 | |
| 3 | 2.8125 | 2.8825 | |
| 4 | 3.75 | 3.74 | |
| 5 | 4.6875 | 4.6075 | |
| 6 | 5.625 | 5.495 | |
| 7 | 6.5625 | 6.3025 | |
| 8 | 7.5 | 7.5 | |
| 9 | 8.4375 | 8.6675 | |
| 10 | 9.375 | 9.535 | |
| 11 | 10.3125 | 10.3825 | |
| 12 | 11.25 | 11.24 | |
| 13 | 12.1875 | 12.1075 | |
| 14 | 13.125 | 12.995 | |
| 15 | 14.0625 | 13.8525 | |
| 16 | 15 | 15 |
Disclaimer/Publisher’s Note: The statements, opinions and data contained in all publications are solely those of the individual author(s) and contributor(s) and not of MDPI and/or the editor(s). MDPI and/or the editor(s) disclaim responsibility for any injury to people or property resulting from any ideas, methods, instructions or products referred to in the content. |
© 2026 by the authors. Licensee MDPI, Basel, Switzerland. This article is an open access article distributed under the terms and conditions of the Creative Commons Attribution (CC BY) license.
Share and Cite
Pan, Y.; Zhang, H.; Xu, J.; Zhu, C.; Wu, C.; Li, H. Design and Performance Enhancement of a PCB-Based Axial-Flux Stepper Motor. Electronics 2026, 15, 777. https://doi.org/10.3390/electronics15040777
Pan Y, Zhang H, Xu J, Zhu C, Wu C, Li H. Design and Performance Enhancement of a PCB-Based Axial-Flux Stepper Motor. Electronics. 2026; 15(4):777. https://doi.org/10.3390/electronics15040777
Chicago/Turabian StylePan, Yan, Han Zhang, Juntao Xu, Chenyu Zhu, Chao Wu, and Hongqiang Li. 2026. "Design and Performance Enhancement of a PCB-Based Axial-Flux Stepper Motor" Electronics 15, no. 4: 777. https://doi.org/10.3390/electronics15040777
APA StylePan, Y., Zhang, H., Xu, J., Zhu, C., Wu, C., & Li, H. (2026). Design and Performance Enhancement of a PCB-Based Axial-Flux Stepper Motor. Electronics, 15(4), 777. https://doi.org/10.3390/electronics15040777

