Comprehensive Parameter Optimization of Composite Harmonic Injection for Capacitor Voltage Fluctuation Suppression of MMC
Abstract
1. Introduction
2. Capacitor Voltage Fluctuation Suppression Strategy Based on CHI Parameters Optimization
2.1. Calculation of Average SM Capacitor Voltage Under CHI Strategy
2.2. CHI Parameters Optimization Based on PSO
2.2.1. Objective Function
2.2.2. Constraints and Feasible Ranges of Optimization Parameters
- Injection coefficient k2
- Phase angles of the injected harmonics
- Modulation ratio m and injection coefficient k3
2.2.3. Parameters Optimization Based on PSO Algorithm
3. Simulation Analysis and Verification
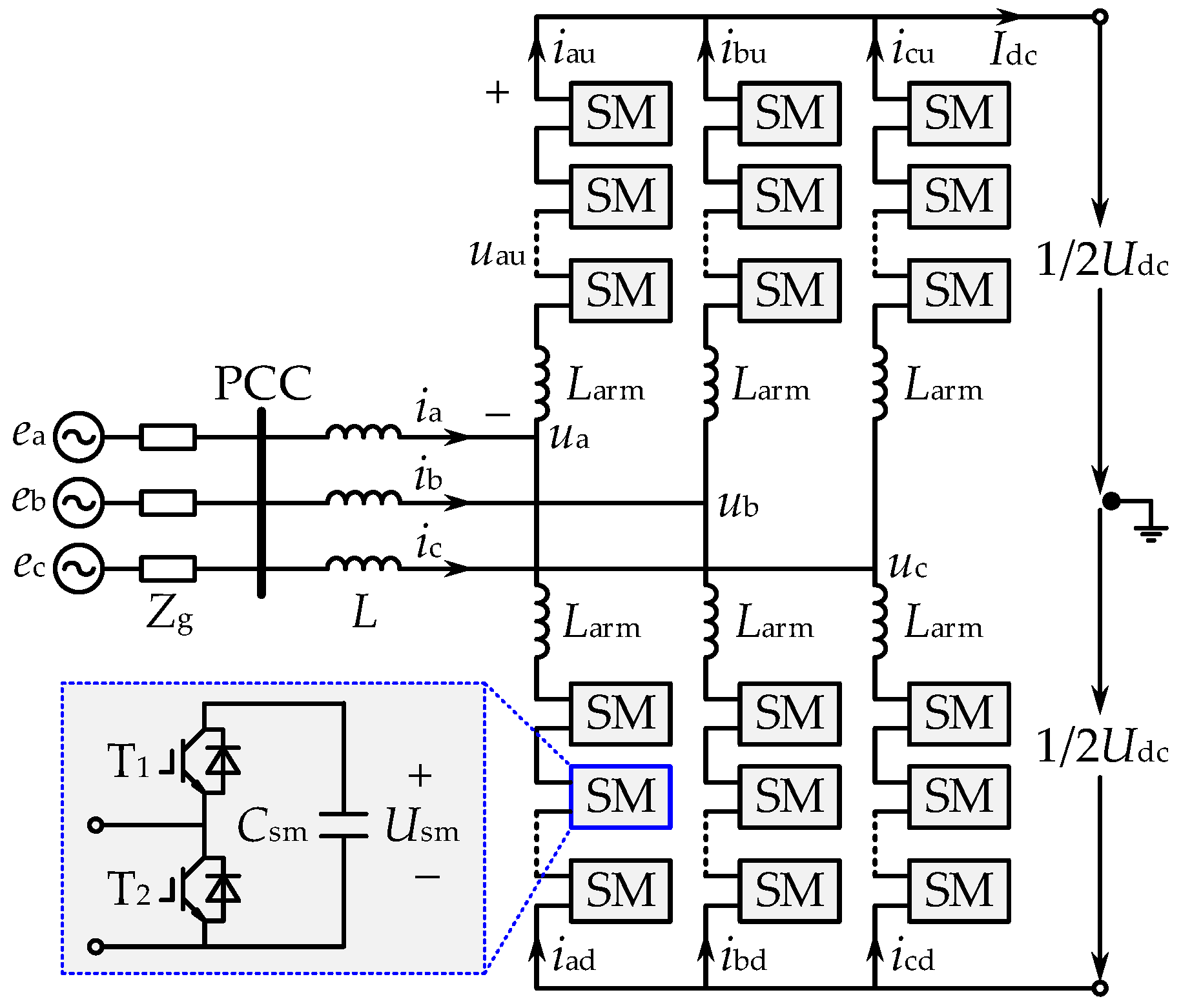
3.1. Simulation System Description
3.2. Simulation Results of Sending-End MMC Under Rated-Power Condition
3.3. Simulation Results of Sending-End MMC Under 50% Rated-Power Condition
3.4. Simulation Results of Receiving-End MMC Under Rated-Power Condition
3.5. A Brief Contribution Analysis of SM Capacitance Reduction to MMC Size and Cost
4. Discussions
5. Conclusions
- Analysis of the average SM capacitor voltage fluctuation characteristics reveals that the fundamental and second-order harmonic components dominate he voltage fluctuation, with other higher-order components contributing negligible. Consequently, the optimization objective in this paper is defined as minimizing the magnitude sum of these two dominant harmonic components.
- Building upon the third-harmonic voltage, the injected second-order circulating current further modifies the modulation wave through the arm inductance. This interaction introduces significant coupling between the CHI parameters and the modulation index. By incorporating switching function modeling and modulation margin constraints, this paper refines the feasible ranges of these parameters and then employs PSO to effectively solve the resulting constrained optimization problem.
- Simulation results under different power conditions demonstrate that, compared with the conventional CCSC strategy combined with 15% THVI, the proposed method further reduces the second-order harmonic component of the SM capacitor voltage, leading to enhanced voltage fluctuation suppression. Even with a 13.33% reduction in SM capacitance (from 15 mF to 13 mF), the resulting voltage fluctuation using the proposed method remains lower than that of the CCSC strategy with 15% THVI prior to capacitance reduction. This capacitance reduction translates directly into an estimated 6.65% decrease in overall MMC volume and a 3.99% reduction in system cost, confirming the potential of the proposed method for MMC lightweighting and cost efficiency.
- The proposed method introduces a controllable second-order circulating current, which results in a corresponding increase in the conduction and switching losses of MMC. However, this additional loss is relatively small and is estimated to be below 0.1% of the transmitted power. In practice, if the magnitude of the injected circulating current is further constrained, the arm current and MMC losses can be correspondingly reduced, which will be further studied in the future.
Author Contributions
Funding
Data Availability Statement
Conflicts of Interest
Abbreviations
| MMC | Modular multilevel converter |
| HVDC | High-voltage direct current |
| CHI | Composite harmonic injection |
| PSO | Particle swarm optimization |
| VSC-HVDC | Voltage source converter-based high-voltage direct current |
| SMs | Submodules |
| CCSC | Current suppressing control |
| SHCI | Second-order harmonic current injection |
| THVI | Third-order harmonic voltage injection |
| PI | Proportional-integral |
| PR | Proportional-resonant |
| FFT | Fast Fourier transform |
References
- Sahebkar Farkhani, J.; Çelik, Ö.; Ma, K.; Bak, C.L.; Chen, Z. A Comprehensive Review of Potential Protection Methods for VSC Multi-Terminal HVDC Systems. Renew. Sustain. Energy Rev. 2024, 192, 114280. [Google Scholar] [CrossRef]
- Li, Y.; Wen, T.; Cao, Y.; Zhang, Y.; Wang, W. High-Frequency Resonance Coordinated Suppression Method of MMC-HVDC Systems under Frequency Divided Voltage Feedforward Control. IEEE Trans. Power Del. 2025, 40, 938–950. [Google Scholar] [CrossRef]
- Hu, Y.; Ma, H.; Li, J.; Li, J.; Ekanayake, C.; Xu, Y. Investigating Transient Fault Characteristics of XLPE Cable in a Bipolar VSC-HVDC System-Cable Modeling and Field Verification. IEEE Trans. Power Del. 2025, 40, 2906–2917. [Google Scholar] [CrossRef]
- Xiao, Q.; Jin, Y.; Jia, H.; Tang, Y.; Cupertino, A.F.; Mu, Y.; Teodorescu, R.; Blaabjerg, F.; Pou, J. Review of Fault Diagnosis and Fault-Tolerant Control Methods of the Modular Multilevel Converter Under Submodule Failure. IEEE Trans. Power Electron. 2023, 38, 12059–12077. [Google Scholar] [CrossRef]
- Debnath, S.; Qin, J.; Bahrani, B.; Saeedifard, M.; Barbosa, P. Operation, Control, and Applications of the Modular Multilevel Converter: A Review. IEEE Trans. Power Electron. 2015, 30, 37–53. [Google Scholar] [CrossRef]
- Meng, J.; Song, Q.; Sun, Q.; Xu, S.; Zhao, B.; Yu, Z.; Zeng, R. Rethinking Linear Modulation Range of Modular Multilevel Converters. IEEE Trans. Power Electron. 2023, 38, 7241–7255. [Google Scholar] [CrossRef]
- Lv, X.; Wang, J.; Zhang, Z.; Liu, Z.; Li, Z. Adaptive Active Inertia Control Strategy of MMC-HVDC Systems for Flexible Frequency Support. Electronics 2023, 12, 4288. [Google Scholar] [CrossRef]
- Wang, W.; Li, G.; Guo, J. Large-Scale Renewable Energy Transmission by HVDC: Challenges and Proposals. Engineering 2022, 19, 252–267. [Google Scholar] [CrossRef]
- Rao, H.; Zhou, Y.; Li, W.; Zou, C.; Wang, Z. Engineering Application and Development Prospect of VSC-HVDC Transmission Technology. Autom. Electr. Power Syst. 2023, 47, 1–11. [Google Scholar]
- Lan, J.; Chen, W.; Li, X.; Sun, Y.; Shu, L.; Deng, F. A Three-Phase Multiplexing Arm Modular Multilevel Converter with High Power Density and Small Volume. IEEE Trans. Power Electron. 2022, 37, 14587–14600. [Google Scholar] [CrossRef]
- Li, T.; Wang, Y.; Wang, W. A Novel Suppression Strategy Design Method for Capacitor Voltage Fluctuation of Half-Bridge MMC. In Proceedings of the 2025 IEEE 3rd International Conference on Power Science and Technology (ICPST), Kunming, China, 16–18 May 2025; IEEE: Kunming, China, 2025; pp. 1004–1009. [Google Scholar]
- Li, M.; Dong, N.; Chang, X.; Yang, H.; Zhao, R. Analysis and Suppression of Capacitor Voltage Ripple for Hybrid MMCs Under Boosted AC Voltage Conditions. IEEE J. Emerg. Sel. Top. Power Electron. 2023, 11, 3775–3787. [Google Scholar] [CrossRef]
- Xu, J.; Deng, W.; Li, G.; Zhao, C.; Liu, C. Optimal Second-Harmonic Current Injection for Capacitor Voltage Fluctuation Reduction in Hybrid MMCs Under Grid-Side SLG Faults. IEEE Trans. Power Deliv. 2022, 37, 2857–2866. [Google Scholar] [CrossRef]
- Xiao, H.; Gan, H.; Huang, Y.; Zhang, L.; Yang, P. Review of Lightweight DC Transmission Technology for Offshore Wind Power. High Volt. Eng. 2025, 51, 2702–2719. [Google Scholar]
- Li, B.; Zhang, Y.; Wang, G.; Sun, W.; Xu, D.; Wang, W. A Modified Modular Multilevel Converter with Reduced Capacitor Voltage Fluctuation. IEEE Trans. Ind. Electron. 2015, 62, 6108–6119. [Google Scholar] [CrossRef]
- Xu, J.; Wang, J.; Yang, Y.; Wang, J.; Li, G. Optimal Suppression Strategy for Capacitor Voltage Ripples of Hybrid MMCs Under Unbalanced Grid Voltages. IEEE Trans. Power Deliv. 2023, 38, 244–254. [Google Scholar] [CrossRef]
- Xiao, H.; Gan, H.; Huang, Y.; Cai, Z. Capacitor Voltage Ripple Control Strategy of Lightweight Modular Multilevel Converter for Offshore Wind Power Transmission. IEEE Trans. Ind. Applicat. 2024, 60, 5398–5406. [Google Scholar] [CrossRef]
- Lan, J.; Chen, W.; He, X.; Xie, Y.; Wang, Y. The Wide Multiplexed Period Three-Phase Multiplexing Arm Modular Multilevel Converter. IEEE J. Emerg. Sel. Top. Power Electron. 2023, 11, 4929–4944. [Google Scholar] [CrossRef]
- Li, Z.; Wang, P.; Chu, Z.; Zhu, H.; Luo, Y.; Li, Y. An Inner Current Suppressing Method for Modular Multilevel Converters. IEEE Trans. Power Electron. 2013, 28, 4873–4879. [Google Scholar] [CrossRef]
- Li, S.; Wang, X.; Yao, Z.; Li, T.; Peng, Z. Circulating Current Suppressing Strategy for MMC-HVDC Based on Nonideal Proportional Resonant Controllers Under Unbalanced Grid Conditions. IEEE Trans. Power Electron. 2015, 30, 387–397. [Google Scholar]
- He, L.; Zhang, K.; Xiong, J.; Fan, S. A Repetitive Control Scheme for Harmonic Suppression of Circulating Current in Modular Multilevel Converters. IEEE Trans. Power Electron. 2015, 30, 471–481. [Google Scholar] [CrossRef]
- Yang, Z.; Song, P.; Song, J.; Wang, X.; Li, X. An MMC Circulating Current Suppressing Controller Based on Bridge Arm Common-Mode Voltage. IEEE Access 2020, 8, 189471–189478. [Google Scholar] [CrossRef]
- Picas, R.; Pou, J.; Ceballos, S.; Agelidis, V.G.; Saeedifard, M. Minimization of the Capacitor Voltage Fluctuations of a Modular Multilevel Converter by Circulating Current Control. In Proceedings of the IECON 2012—38th Annual Conference on IEEE Industrial Electronics Society, Montreal, QC, Canada, 25–28 October 2012; IEEE: Montreal, QC, Canada, 2012; pp. 4985–4991. [Google Scholar]
- Picas, R.; Pou, J.; Ceballos, S.; Zaragoza, J.; Konstantinou, G.; Agelidis, V.G. Optimal Injection of Harmonics in Circulating Currents of Modular Multilevel Converters for Capacitor Voltage Ripple Minimization. In Proceedings of the 2013 IEEE ECCE Asia Downunder, Melbourne, Australia, 3–6 June 2013; IEEE: Melbourne, Australia, 2013; pp. 318–324. [Google Scholar]
- Liang, C.; Ren, C.; Zhou, J.; Yue, W.; Liu, X.; Zhang, S.; Liu, L. Control strategy for suppressing capacitor voltage ripple of MMC-HVDC. Power Syst. Prot. Control 2017, 45, 45–50. [Google Scholar]
- Wang, J.; Han, X.; Ma, H.; Bai, Z. Analysis and Injection Control of Circulating Current for Modular Multilevel Converters. IEEE Trans. Ind. Electron. 2019, 66, 2280–2290. [Google Scholar] [CrossRef]
- Guo, G.; Song, Q.; Yang, W.; Wang, Y.; Liu, W.; Rao, H.; Xu, S. Application of Third-Order Harmonic Voltage Injection in a Modular Multilevel Converter. IEEE Trans. Ind. Electron. 2018, 65, 5260–5271. [Google Scholar] [CrossRef]
- Rong, F.; Huang, T.; Rao, H.; Zhou, B.; Huang, S. Optimal Method of Third Harmonic Injection to MMC Value. High Volt. Appar. 2019, 55, 20–26. [Google Scholar]
- Li, R.; Fletcher, J.E.; Williams, B.W. Influence of Third Harmonic Injection on Modular Multilevel Converter-Based High-Voltage Direct Current Transmission Systems. IET Gener. Transm. Distrib. 2016, 10, 2764–2770. [Google Scholar] [CrossRef]
- Xu, Z.; Xue, Y.; Zhang, Z. VSC-HVDC Technology Suitable for Bulk Power Overhead Line Transmission. Proc. CSEE 2014, 34, 5051–5062. [Google Scholar]
- Yang, X.; Wang, Z.; Wu, Z.; Meng, Z.; Zhang, Y.; Liu, C.; Wang, Y.; Fu, Y. Online Harmonic Injection for MMC Over a Wide Frequency Range in DC Offshore Wind Farms. IEEE J. Emerg. Sel. Top. Power Electron. 2024, 12, 5839–5851. [Google Scholar] [CrossRef]
- Han, X.; Li, R. Capacitance Optimization Method for Minimizing Submodule Capacitor Voltage Fluctuation of Modular Multilevel Converter. J. Power Supply 2021, 19, 40–51. [Google Scholar]
- Yuan, B.; Mei, N.; Chen, D.; Li, T.; Zheng, Y. Influences of Third Harmonic Injection on the Operation Characteristics of MMC System. High Volt. Eng. 2020, 46, 1059–1067. [Google Scholar]
- Hu, J.; Xiang, M.; Lin, L.; Lu, M.; Zhu, J.; He, Z. Improved Design and Control of FBSM MMC with Boosted AC Voltage and Reduced DC Capacitance. IEEE Trans. Ind. Electron. 2018, 65, 1919–1930. [Google Scholar] [CrossRef]
- Shen, K.; Zhao, D.; Mei, J.; Tolbert, L.M.; Wang, J.; Ban, M.; Ji, Y.; Cai, X. Elimination of Harmonics in a Modular Multilevel Converter Using Particle Swarm Optimization-Based Staircase Modulation Strategy. IEEE Trans. Ind. Electron. 2014, 61, 5311–5322. [Google Scholar] [CrossRef]
- Yang, L.; Li, Y.; Li, Z.; Wang, P.; Xu, S.; Gou, R. A Simplified Analytical Calculation Model of Average Power Loss for Modular Multilevel Converter. IEEE Trans. Ind. Electron. 2019, 66, 2313–2322. [Google Scholar] [CrossRef]














| Parameters | Symbols | Value Ranges |
|---|---|---|
| Coefficient of the injected second-order circulating current | k2 | [0, k20] |
| Phase angle of the injected second-order circulating current | φ2 | [−π, π] |
| Coefficient of the injected third-order harmonic voltage | k3 | [0, 0.55] |
| Phase angle of the injected third-order harmonic voltage | φ3 | [−π, π] |
| Modulation index | m | [0.8, 1.2] |
| System Parameters | Values |
|---|---|
| Rated DC voltage | ±500 kV |
| Transformer turns ratio | 230 kV/262.26 kV |
| Rated power of the system | 1500 MW |
| Rated voltage of SM capacitor | 2.2 kV |
| Number of SMs | 227 |
| Capacitance value of SM | 15 mF |
| Arm reactor | 50 mH |
| Initial modulation index | 0.85 |
| Preset modulation margin | 7% |
| PSO Parameters | Values |
|---|---|
| Swarm size | 300 |
| Particle dimension | 5 |
| Iteration count | 100 |
| Inertia weight | 0.2~0.8 |
| Acceleration constants | c1 = 2, c2 = 2 |
| Velocity range | [−2, 2] |
| Parameters | Values (Sending-End MMC Under Rated-Power Condition) | Values (Sending-End MMC Under 50% Rated-Power Condition) | Values (Receiving-End MMC Under Rated-Power Condition) |
|---|---|---|---|
| k2 | 0.6092 | 0.6092 | 0.5940 |
| φ2 | ‒1.5714 | ‒1.5804 | ‒1.5708 |
| k3 | 0.1351 | 0.1531 | 0.1483 |
| φ3 | 0.0002 | 0.0012 | 0.0000 |
| m | 0.8934 | 0.9317 | 0.9646 |
| Algorithms | Overall Optimal Solution | Average Optimal Solution | Sample Standard Deviation | Count of Error Within 1% of Overall Optimal Solution |
|---|---|---|---|---|
| PSO algorithm | 131.637 | 133.997 | 8.682 | 28 |
| GA | 131.815 | 135.450 | 9.085 | 22 |
| ABC algorithm | 132.715 | 155.424 | 14.332 | 1 |
Disclaimer/Publisher’s Note: The statements, opinions and data contained in all publications are solely those of the individual author(s) and contributor(s) and not of MDPI and/or the editor(s). MDPI and/or the editor(s) disclaim responsibility for any injury to people or property resulting from any ideas, methods, instructions or products referred to in the content. |
© 2026 by the authors. Licensee MDPI, Basel, Switzerland. This article is an open access article distributed under the terms and conditions of the Creative Commons Attribution (CC BY) license.
Share and Cite
Li, T.; Wang, Y.; Yuan, B.; Meng, Y. Comprehensive Parameter Optimization of Composite Harmonic Injection for Capacitor Voltage Fluctuation Suppression of MMC. Electronics 2026, 15, 359. https://doi.org/10.3390/electronics15020359
Li T, Wang Y, Yuan B, Meng Y. Comprehensive Parameter Optimization of Composite Harmonic Injection for Capacitor Voltage Fluctuation Suppression of MMC. Electronics. 2026; 15(2):359. https://doi.org/10.3390/electronics15020359
Chicago/Turabian StyleLi, Tan, Yingxin Wang, Bin Yuan, and Yu Meng. 2026. "Comprehensive Parameter Optimization of Composite Harmonic Injection for Capacitor Voltage Fluctuation Suppression of MMC" Electronics 15, no. 2: 359. https://doi.org/10.3390/electronics15020359
APA StyleLi, T., Wang, Y., Yuan, B., & Meng, Y. (2026). Comprehensive Parameter Optimization of Composite Harmonic Injection for Capacitor Voltage Fluctuation Suppression of MMC. Electronics, 15(2), 359. https://doi.org/10.3390/electronics15020359
