Design and Implementation of a Decentralized Node-Level Battery Management System Chip Based on Deep Neural Network Algorithms
Abstract
1. Introduction
2. Decentralized BMS Node-Chip Architecture
2.1. Node Chip Structure
2.2. System-Level Flow
2.3. Advantages
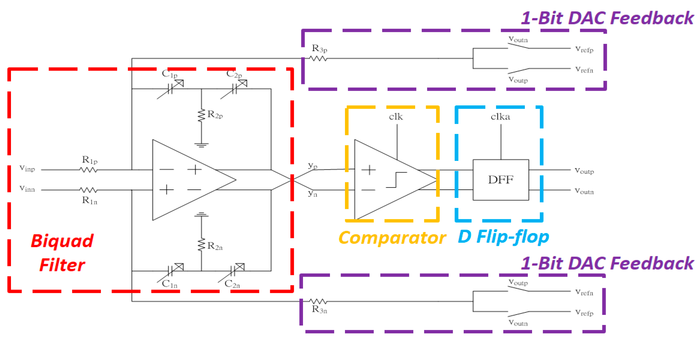
3. Low-Power Continuous-Time Delta-Sigma Modulator Analog-to-Digital Converter (CTDSM ADC)
3.1. Role Within the Decentralized Node Architecture
3.2. Overview of the CTDSM Architecture
3.3. Integration with the NN-E Module
4. Deep-Learning-Based Neural Network Estimator (NN-E)
4.1. Neural Network Architecture Planning and Design
4.2. Training Process
Construction of the DNN Model Architecture
4.3. Architecture Determination and Model Performance
5. Battery Data and Feature Processing
5.1. Data Sources
5.2. Data Preprocessing Workflow
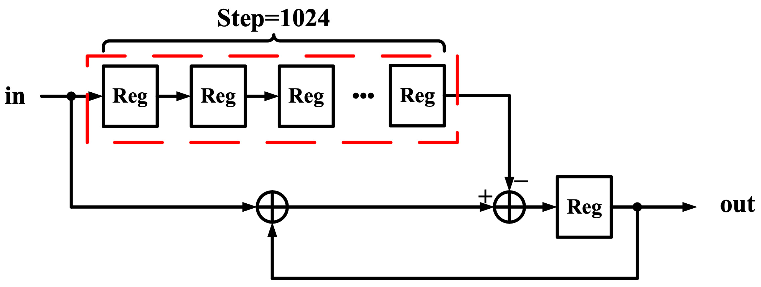
5.2.1. Data Preprocessing Workflow and Formatting
- is the moving average data at time .
- is the input data at time .
- is the step.
5.2.2. Normalization
- is the maximum value of the Battery Charging Cutoff. Voltage/Maximum Charging Current
- is the minimum value of the Battery Discharge Cutoff. Voltage/Maximum Discharge Current
5.2.3. Data Shuffling
6. Implementation and Verification of the Neural Network Estimation Chip
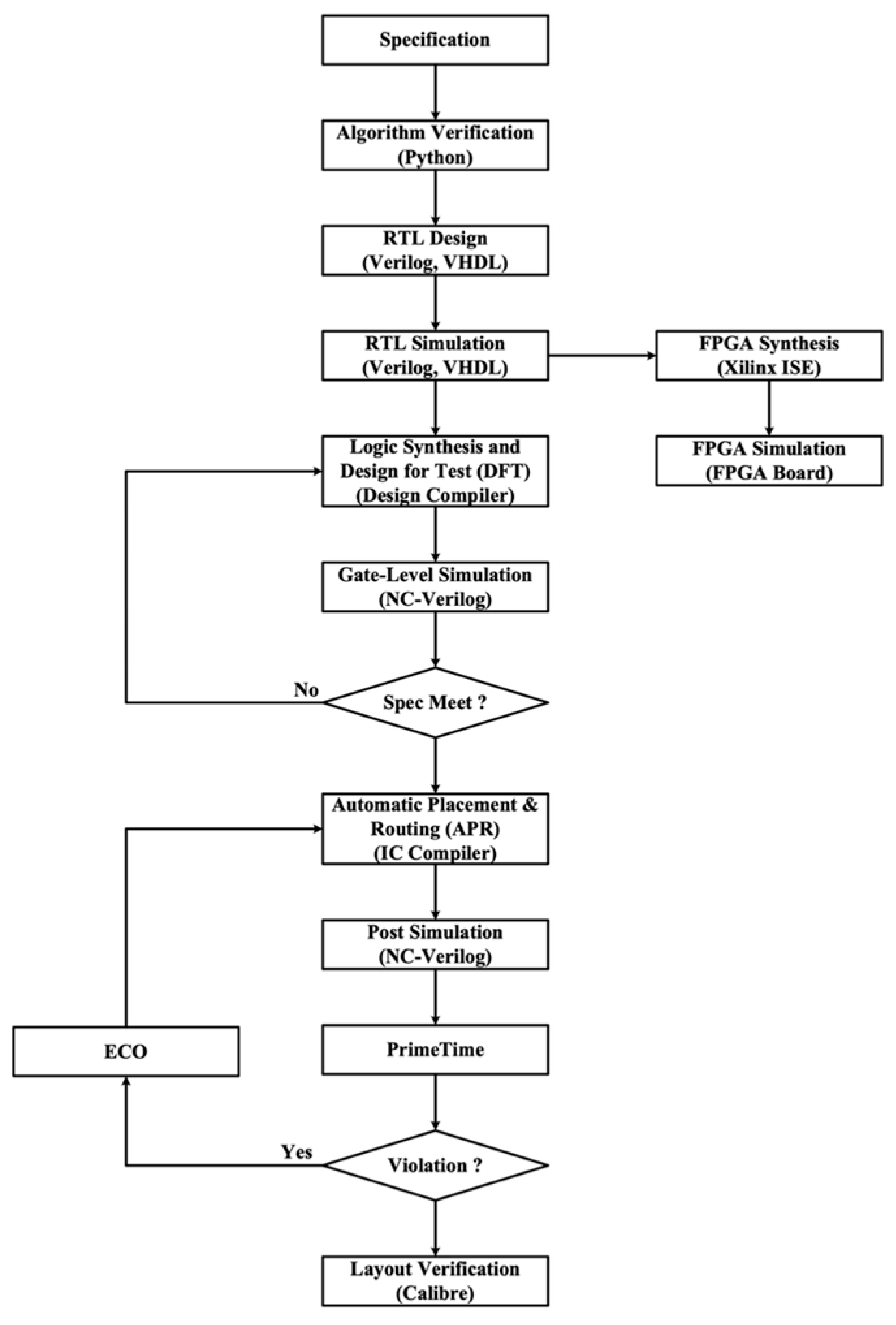
6.1. Design Flow
6.2. Circuit Architecture
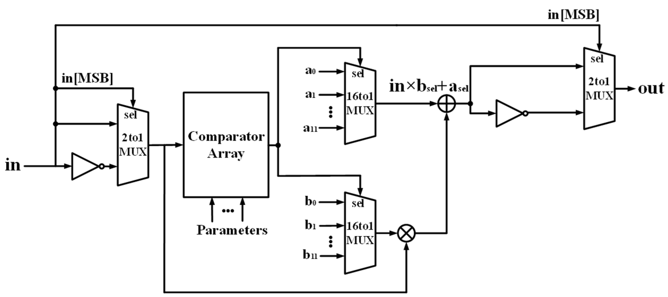
6.2.1. DNN Circuit Architecture
ReLU Circuit
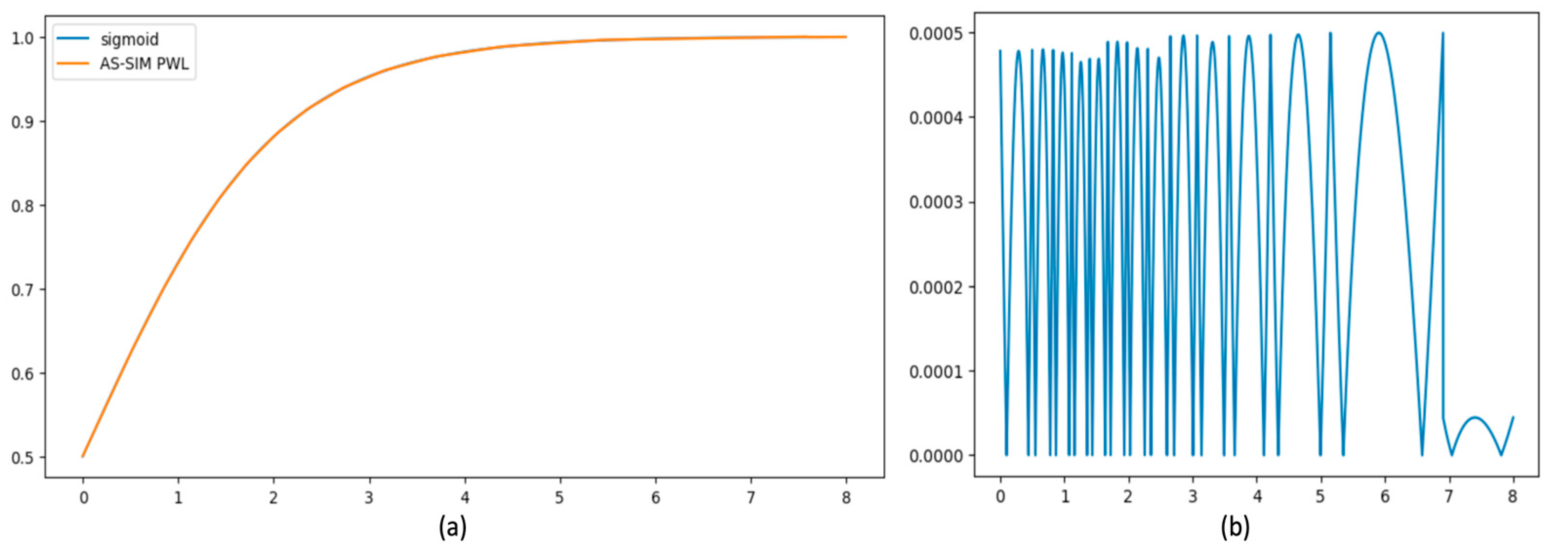
Sigmoid Function Circuit Architecture
6.2.2. Data Preprocessing Circuit
Moving-Average Filter Circuit
Normalization Circuit
6.3. Chip Specifications
Chip Layout Diagram
6.4. Comparison with Other Existing Technologies
7. Experimental Results
8. Conclusions
Author Contributions
Funding
Data Availability Statement
Acknowledgments
Conflicts of Interest
References
- Kurkin, A.; Chivenkov, A.; Aleshin, D.; Trofimov, I.; Shalukho, A.; Vilkov, D. Battery Management System for Electric Vehicles: Comprehensive Review of Circuitry Configuration and Algorithms. World Electr. Veh. J. 2025, 16, 451. [Google Scholar] [CrossRef]
- Challoob, A.F.; Bin Rahmat, N.A.; Ramachandaramurthy, V.K.A.; Humaidi, A.J. Energy and battery management systems for electrical vehicles: A comprehensive review & recommendations. Energy Explor. Exploit. 2024, 42, 341–372. [Google Scholar] [CrossRef]
- Wang, S.; Verbrugge, M.; Wang, J.S.; Liu, P. Multi-parameter battery state estimator based on the adaptive and direct solution of the governing differential equations. J. Power Sources 2011, 196, 8735–8741. [Google Scholar] [CrossRef]
- Wang, S.; Verbrugge, M.; Wang, J.S.; Liu, P. Power prediction from a battery state estimator that incorporates diffusion resistance. J. Power Sources 2012, 214, 399–406. [Google Scholar] [CrossRef]
- Shiue, M.-T.; Ou, Y.-C.; Li, G.-S. A Low-Power Continuous-Time Delta-Sigma Analogue-to-Digital Converter for the Neural Network Architecture of Battery State Estimation. Electronics 2024, 13, 3459. [Google Scholar] [CrossRef]
- Zhang, F.; Rehman, M.M.U.; Zane, R.; Maksimović, D. Hybrid balancing in a modular battery management system for electric-drive vehicles. In Proceedings of the 2017 IEEE Energy Conversion Congress and Exposition (ECCE), Cincinnati, OH, USA, 1–5 October 2017; IEEE: Piscataway, NJ, USA, 2017; pp. 578–583. [Google Scholar] [CrossRef]
- Farjah, A.; Ghanbari, T. Early ageing detection of battery cells in battery management system. Electron. Lett. 2020, 56, 616–619. [Google Scholar] [CrossRef]
- Yuanwen, L.; Da, Q.; Yifeng, D.; Jun, X.; Junyan, R. A 0.9-V 60-µW 1-Bit Fourth-Order Delta-Sigma Modulator with 83-dB Dynamic Range. IEEE J. Solid-State Circuits 2008, 43, 361–370. [Google Scholar] [CrossRef]
- Barreras, J.V. Practical Methods in Li-Ion Batteries: For SIMPLIFIED modeling, Battery Electric Vehicle Design, Battery Management System Testing and Balancing System Control. Ph.D. Thesis, Aalborg University, Aalborg, Denmark, 2017. [Google Scholar] [CrossRef]
- Zhao, X.; Xuan, D.; Zhao, K.; Li, Z. Elman neural network using ant colony optimization algorithm for estimating of state of charge of lithium-ion battery. J. Energy Storage 2020, 32, 101789. [Google Scholar] [CrossRef]
- Zhang, Z.; Shen, Y.; Zhang, G.; Song, Y.; Zhu, Y. Short-term prediction for opening price of stock market based on self-adapting variant PSO-Elman neural network. In Proceedings of the 2017 8th IEEE International Conference on Software Engineering and Service Science (ICSESS), Beijing, China, 24–26 November 2017; IEEE: Piscataway, NJ, USA, 2017; pp. 225–228. [Google Scholar] [CrossRef]
- Shi, Q.; Zhang, C.; Cui, N.; Zhang, X. Battery state-of-charge estimation in electric vehicle using elman neural network method. In Proceedings of the 29th Chinese Control Conference, Beijing, China, 29–31 July 2010; IEEE: Piscataway, NJ, USA, 2010; pp. 5999–6003. [Google Scholar]
- Yi, Y.; Xia, C.; Feng, C.; Zhang, W.; Fu, C.; Qian, L.; Chen, S. Digital twin-long short-term memory (LSTM) neural network based real-time temperature prediction and degradation model analysis for lithium-ion battery. J. Energy Storage 2023, 64, 107203. [Google Scholar] [CrossRef]
- Yi, Y.; Xia, C.; Shi, L.; Meng, L.; Chi, Q.; Qian, L.; Ma, T.; Chen, S. Lithium-ion battery expansion mechanism and Gaussian process regression-based state of charge estimation with expansion characteristics. Energy 2024, 292, 130541. [Google Scholar] [CrossRef]
- Zhang, Z.; Liu, C.; Li, T.; Wang, T.; Cui, Y.; Zhao, P. CNN-LSTM optimized with SWATS for accurate state-of-charge estimation in lithium-ion batteries considering internal resistance. Sci. Rep. 2025, 15, 29572. [Google Scholar] [CrossRef] [PubMed]
- Shiue, M.T.; Ou, Y.C.; Liu, B.J.; Wang, Y.F.; Liu, P.H. The Battery Measurement Approach of Lithium Battery in Real Driving Data based on Deep Learning Algorithms. In Proceedings of the 11th Asian Conference on Electrochemical Power Sources (ACEPS11), Singapore, 11–14 December 2022. [Google Scholar]
- Shiue, M.-T.; Wang, Y.-F.; Ou, Y.-C.; Liu, B.-J.; Liu, P.-H. A Deep Neural Network Structure for Li-Ion Battery State of Charge Estimation and Hardware Implementation in Electric Vehicles. Int. J. Ind. Electron. Electr. Eng. (IJIEEE) 2023, 11, 1–5. [Google Scholar]
- Ou, Y.C.; Shiue, M.T.; Liu, B.J.; Wang, Y.F.; Kuo, C.S.; Wu, C.F. State of Charge Estimation and Circuit Implementation for Lithium Battery Based on the Elman Neural Network Algorithm. In Proceedings of the 2024 6th Global Power, Energy and Communication Conference (GPECOM), Budapest, Hungary, 4–7 June 2024; IEEE: Piscataway, NJ, USA, 2024; pp. 98–102. [Google Scholar] [CrossRef]
- LeCun, Y.; Bengio, Y.; Hinton, G. Deep learning. Nature 2015, 521, 436–444. [Google Scholar] [CrossRef] [PubMed]
- Goodfellow, I.; Bengio, Y.; Courville, A. Deep Learning; MIT Press: Cambridge, MA, USA, 2016. [Google Scholar]
- Qiu, G.Q.; Zhao, W.M.; Xiong, G.Y. Estimation of power battery SOC based on PSO-Elman neural network. In Proceedings of the 2018 Chinese Automation Congress (CAC), Xi’an, China, 30 November–2 December 2018; IEEE: Piscataway, NJ, USA, 2018; pp. 91–96. [Google Scholar] [CrossRef]
- How, D.N.; Hannan, M.A.; Lipu, M.S.H.; Sahari, K.S.; Ker, P.J.; Muttaqi, K.M. State-of-charge estimation of li-ion battery in electric vehicles: A deep neural network approach. IEEE Trans. Ind. Appl. 2020, 56, 5565–5574. [Google Scholar] [CrossRef]
- Center for Advanced Life Cycle Engineering (CALCE). Open Battery Data; University of Maryland: College Park, MD, USA, 2025. Available online: https://calce.umd.edu/battery-data (accessed on 21 March 2022).
- Argonne National Laboratory (ANL). Electric Vehicle Battery Testing Data; US Department of Energy: Washington, DC, USA, 2025. Available online: https://www.anl.gov/ (accessed on 26 July 2022).
- Chiluveru, S.R.; Chunarkar, S.; Tripathy, M.; Kaushik, B.K. Efficient hardware implementation of DNN-based speech enhancement algorithm with precise sigmoid activation function. IEEE Trans. Circuits Syst. II Express Briefs 2021, 68, 3461–3465. [Google Scholar] [CrossRef]
- Moons, B.; Uytterhoeven, R.; Dehaene, W.; Verhelst, M. 14.5 envision: A 0.26-to-10tops/w subword-parallel dynamic-voltage-accuracy-frequency-scalable convolutional neural network processor in 28 nm fdsoi. In Proceedings of the 2017 IEEE International Solid-State Circuits Conference (ISSCC), San Francisco, CA, USA, 5–9 February 2017; IEEE: Piscataway, NJ, USA, 2017; pp. 246–247. [Google Scholar] [CrossRef]
- Teng, C.F.; Wu, A.Y. A 7.8–13.6 pJ/b ultra-low latency and reconfigurable neural network-assisted polar decoder with multi-code length support. IEEE Trans. Circuits Syst. I Regul. Pap. 2021, 68, 1956–1965. [Google Scholar] [CrossRef]

























| Hyperparameter | Configuration |
|---|---|
| Number of neurons | Variable, range = [4, 14] |
| Number of hidden layers | Variable, range = [1, 4] |
| Optimizer | Momentum, AdaGrad, Adam |
| Learning rate | 0.01 |
| Batch size | 1 |
| Activation function of hidden layer | ReLU |
| Activation function of output layer | Sigmoid |
| Epochs | 3000 |
| Layers | 1 | 2 | 3 | 4 | |
|---|---|---|---|---|---|
| Neurons | |||||
| 4 | 2.34% [7.32%, −6.52%] | 1.51% [4.85%, −6.57%] | 1.61% [4.93%, −5.78%] | 1.48% [3.65%, −6.84%] | |
| 5 | 2.11% [6.56%, −7.04%] | 1.67% [5.25%, −5.67%] | 1.58% [4.83%, −6.51%] | 2.04% [5.95%, −8.32%] | |
| 6 | 1.71% [3.85%, −7.82%] | 1.54% [4.47%, −6.85%] | 1.49% [5.46%, −4.87%] | 1.51% [4.58%, −6.85%] | |
| 7 | 2.87% [6.80%, −8.10%] | 1.44% [5.17%, −5.16%] | 1.56% [5.91%, −4.56%] | 1.47% [4.01%, −8.91%] | |
| 8 | 1.99% [3.47%, −8.67%] | 1.37% [3.67%, −6.46%] | 1.64% [4.37%, −6.12%] | 1.49% [5.13%, −5.64%] | |
| 9 | 2.26% [4.04%, −8.83%] | 1.52% [3.25%, −7.03%] | 1.53% [2.42%, −9.51%] | 1.78% [3.22%, −8.57%] | |
| 10 | 2.18% [7.85%, −6.98%] | 1.72% [5.87%, −5.21%] | 1.52% [3.32%, −7.78%] | 1.67% [2.52%, −7.46%] | |
| 11 | 1.57% [3.60%, −7.73%] | 1.71% [6.35%, −7.92%] | 1.45% [4.24%, −6.49%] | 1.50% [3.07%, −7.06%] | |
| 12 | 2.19% [3.29%, −8.80%] | 1.51% [3.92%, −7.14%] | 1.65% [5.13%, −7.05%] | 1.49% [4.23%, −7.25%] | |
| 13 | 1.78% [9.85%, −7.30%] | 1.56% [6.72%, −7.26%] | 1.62% [3.21%, −7.40%] | 1.51% [4.36%, −7.39%] | |
| 14 | 2.22% [6.01%, −5.32%] | 1.87% [2.78%, −8.11%] | 1.63% [3.63%, −7.44%] | 1.52% [5.28%, −7.65%] | |
| Layers | 1 | 2 | 3 | 4 | |
|---|---|---|---|---|---|
| Neurons | |||||
| 4 | 5.02% [9.10%, −10.51%] | 1.56% [4.34%, −6.35%] | 1.58% [4.18%, −6.67%] | 4.90% [9.27%, −9.83%] | |
| 5 | 5.04% [9.13%, −10.25%] | 1.68% [5.69%, −7.23%] | 1.72% [6.45%, −7.69%] | 4.90% [9.36%, −10.53%] | |
| 6 | 5.03% [9.21%, −8.56%] | 1.54% [4.19%, −6.13%] | 1.55% [4.70%, −6.22%] | 4.97% [9.04%, −10.01%] | |
| 7 | 5.02% [9.31%, −9.83%] | 1.52% [4.35%, −5.69%] | 1.46% [4.22%, −6.23%] | 1.51% [5.13%, −5.63%] | |
| 8 | 5.04% [9.44%, −9.67%] | 1.51% [3.62%, −6.53%] | 1.68% [5.90%, −5.72%] | 1.48% [3.75%, −6.72%] | |
| 9 | 5.03% [9.38%, −9.61%] | 1.53% [4.64%, −6.23%] | 1.54% [3.80%, −6.51%] | 1.47% [4.74%, −6.10%] | |
| 10 | 5.01% [9.20%, −10.01%] | 1.51% [3.88%, −6.94%] | 1.47% [4.79%, −5.72%] | 1.62% [5.19%, −5.13%] | |
| 11 | 5.04% [9.85%, −10.49%] | 1.42% [3.56%, −6.98%] | 1.44% [4.31%, −6.55%] | 1.42% [5.06%, −6.87%] | |
| 12 | 5.02% [9.41%, −9.68%] | 1.45% [3.57%, −6.23%] | 1.43% [4.49%, −6.44%] | 1.44% [3.67%, −7.15%] | |
| 13 | 5.01% [9.05%, −10.37%] | 1.42% [4.56%, −6.11%] | 1.48% [3.49%, −7.32%] | 1.48% [4.06%, −6.77%] | |
| 14 | 5.03% [9.42%, −9.61%] | 1.52% [3.79%, −6.82%] | 1.78% [4.01%, −7.08%] | 1.56% [4.64%, −7.06%] | |
| Layers | 1 | 2 | 3 | 4 | |
|---|---|---|---|---|---|
| Neurons | |||||
| 4 | 5.17% [10.15%, −10.48%] | 1.64% [5.03%, −8.53%] | 1.65% [3.83%, −6.88%] | 1.64% [3.92%, −7.22%] | |
| 5 | 4.95% [9.11%, −9.75%] | 1.62% [3.53%, −7.42%] | 3.13% [10.61%, −4.15%] | 1.63% [3.20%, −7.54%] | |
| 6 | 5.09% [8.51%, −11.96%] | 2.23% [2.76%, −9.45%] | 2.52% [7.87%, −3.81%] | 1.64% [5.73%, −5.22%] | |
| 7 | 5.17% [9.49%, −15.33%] | 2.16% [5.62%, −6.49%] | 1.56% [3.37%, −7.35%] | 1.54% [6.61%, −6.93%] | |
| 8 | 4.89% [7.74%, −7.93%] | 2.26% [4.40%, −10.09%] | 2.53% [7.58%, −3.79%] | 1.87% [4.60%, −6.99%] | |
| 9 | 5.14% [9.94%, −8.72%] | 2.20% [7.01%, −3.41%] | 1.49% [3.03%, −7.34%] | 1.79% [10.06%, −7.68%] | |
| 10 | 6.26% [7.58%, −17.71%] | 1.56% [6.23%, −6.38%] | 1.52% [3.59%, −6.98%] | 1.82% [7.12%, −4.63%] | |
| 11 | 5.02% [9.39%, −12.45%] | 2.34% [5.92%, −4.34%] | 1.54% [6.91%, −3.12%] | 1.66% [4.38%, −5.98%] | |
| 12 | 5.02% [9.50%, −11.03%] | 2.01% [3.57%, −9.46%] | 1.51% [4.11%, −7.28%] | 1.75% [6.80%, −8.00%] | |
| 13 | 4.73% [5.39%, −11.74%] | 1.49% [4.89%, −6.93%] | 1.65% [4.34%, −6.89%] | 1.88% [4.84%, −6.82%] | |
| 14 | 5.28% [10.41%, −8.88%] | 1.53% [6.16%, −6.72%] | 1.98% [2.58%, −8.66%] | 1.58% [4.95%, −5.32%] | |
| Input Feature | Input Dimension | RMSE | Error Range |
|---|---|---|---|
| Current(t), Voltage(t) | 2 | 1.370% | [3.671%, −6.462%] |
| Current_mov (step = 100), Voltage_mov (step = 100), Voltage (t) | 3 | 0.703% | [1.902%, −3.781%] |
| Current_mov (step = 100), Voltage_mov (step = 100), Voltage (t−9), Current (t−9) | 22 | 0.580% | [2.179%, −2.081%] |
| Current_mov (step = 1024), Voltage_mov (step = 1024), Voltage (t−9), Current (t−9) | 22 | 0.440% | [1.880%, −1.499%] |
| Current_mov (step = 2048), Voltage_mov (step = 2048), Voltage (t−9), Current (t−9) | 22 | 0.443% | [1.561%, −2.149%] |
| Signal Name | I/O | Width | Description |
|---|---|---|---|
| clk | I | 1 | Clock Signal |
| rst | I | 1 | Reset Signal |
| index | I | 9 | Weight Address Weight Write Enable |
| weight | I | 13 | Weight Data |
| voltage | I | 14 | Voltage Data |
| current | I | 10 | Current Data |
| SOC | O | 12 | Battery SOC |
| Parameter | Specification |
|---|---|
| System | DNN testing model |
| Technology | TSMC 40 nm |
| Gate count (Core) | 377,433 |
| ] | 256,806 |
| ] | 466,994 |
| ] | 1,004,745 |
| ] | 1,910,946 |
| Power@voltage [mW] | 40@0.9 V (Core)/ 64@2.5 V (Chip) |
| Max frequency [MHz] | 448 |
| This Work | ENVISION ISSCC2017 [26] | TCES-I IEEE2021 [27] | |
|---|---|---|---|
| Technology (nm) | 40 | 28 | 40 |
| Algorithm | DNN | CN | RNN-BP |
| Application | SOC estimation | Facial recognition | Communication |
| Frequency (MHz) | 448 | 200 | 225 |
| Chip Power (mW) | 64@2.5 V (Chip) | 300@1.1 V (Chip) | 12.8@0.9 V (Chip) |
| Core Area (mm2) | 0.257 | 1.90 | 0.18 |
Disclaimer/Publisher’s Note: The statements, opinions and data contained in all publications are solely those of the individual author(s) and contributor(s) and not of MDPI and/or the editor(s). MDPI and/or the editor(s) disclaim responsibility for any injury to people or property resulting from any ideas, methods, instructions or products referred to in the content. |
© 2026 by the authors. Licensee MDPI, Basel, Switzerland. This article is an open access article distributed under the terms and conditions of the Creative Commons Attribution (CC BY) license.
Share and Cite
Shiue, M.-T.; Ou, Y.-C.; Wu, C.-F.; Wang, Y.-F.; Liu, B.-J. Design and Implementation of a Decentralized Node-Level Battery Management System Chip Based on Deep Neural Network Algorithms. Electronics 2026, 15, 296. https://doi.org/10.3390/electronics15020296
Shiue M-T, Ou Y-C, Wu C-F, Wang Y-F, Liu B-J. Design and Implementation of a Decentralized Node-Level Battery Management System Chip Based on Deep Neural Network Algorithms. Electronics. 2026; 15(2):296. https://doi.org/10.3390/electronics15020296
Chicago/Turabian StyleShiue, Muh-Tian, Yang-Chieh Ou, Chih-Feng Wu, Yi-Fong Wang, and Bing-Jun Liu. 2026. "Design and Implementation of a Decentralized Node-Level Battery Management System Chip Based on Deep Neural Network Algorithms" Electronics 15, no. 2: 296. https://doi.org/10.3390/electronics15020296
APA StyleShiue, M.-T., Ou, Y.-C., Wu, C.-F., Wang, Y.-F., & Liu, B.-J. (2026). Design and Implementation of a Decentralized Node-Level Battery Management System Chip Based on Deep Neural Network Algorithms. Electronics, 15(2), 296. https://doi.org/10.3390/electronics15020296

