Next Article in Journal
Lightweight IoT Authentication Protocol Using PUFs in Smart Manufacturing Industry
Next Article in Special Issue
Losses and Efficiency Evaluation of the Shunt Active Filter for Renewable Energy Generation
Previous Article in Journal
Anomalous Radio Signal Detection Based on an Adversarial Autoencoder
Previous Article in Special Issue
Problem of Supraharmonic Diagnostics in Power Networks
 
 
Font Type:
Arial Georgia Verdana
Font Size:
Aa Aa Aa
Line Spacing:
Column Width:
Background:
Article

Application of Line-Start Permanent-Magnet Synchronous Motor in Converter Drive System with Increased Safety Level

by
Kamila Jankowska
,
Maciej Gwoździewicz
and
Mateusz Dybkowski
*
Department of Electrical Machines, Drives and Measurements, Wroclaw University of Science and Technology, 50-370 Wrocław, Poland
*
Author to whom correspondence should be addressed.
Electronics 2025, 14(9), 1787; https://doi.org/10.3390/electronics14091787
Submission received: 9 April 2025 / Revised: 24 April 2025 / Accepted: 25 April 2025 / Published: 27 April 2025
(This article belongs to the Special Issue Power Electronics and Renewable Energy System)

Abstract

This article analyses the potential use of a Line-Start Permanent-Magnet Synchronous Motor (LSPMSM) in a drive system with a frequency converter that enables stable operation without internal feedback from the rotor position. In Fault-Tolerant Control (FTC) drives, resistant to measuring sensor faults, classical PMSM machines lose the possibility of stable operation in the event of damage to the position/speed sensor. LSPMSMs can operate without the presence of measuring sensors. However, most existing studies focus on the application of LSPMSMs powered directly from the grid, which is a suitable approach for large machines such as pumps and fans. Given the ongoing efforts to improve the efficiency of electric drives, it is reasonable to explore the application of LSPMSMs in drives controlled by frequency converters. The key advantage of this approach is that the motor, which typically operates in a vector control structure, can maintain stable operation even in the event of a speed sensor failure. This article presents a comprehensive research approach. Calculations of a new type of induced-pole LSPMSM were carried out, and simulation tests using Ansys software were performed. Next, a prototype of the machine was made. The induced-pole PMSM contains a two-times-lower number of permanent magnets but their volume in the motor rotor is the same due to demagnetization robustness. The motor has enclosure-less construction. The startup and running characteristics of the motor were investigated under direct-on-line supply. The article presents calculations, simulation analyses, and experimental validation under scalar control, confirming the feasibility of using this type of machine in Fault-Tolerant Control drives.

1. Introduction

Currently, Fault-Tolerant Control (FTC) is a highly significant research topic. The task of such systems is to detect failures and ensure the complete or partial removal of their influence, thereby guaranteeing the safe operation of the drive system after a failure occurs [1,2]. Due to the potential for various failures, this approach is also applied in drive systems with electric motors. The main types of failures in drive systems are typically categorized as motor failures, divided into mechanical and electrical failures; frequency converter failures; and measurement sensor malfunctions [3].
In the case of measurement sensor failures, many solutions have been developed to detect and classify faults. The literature describes simple methods based on the analysis of measurement signals [4,5,6], methods based on the object model [7,8], and more complex solutions based on artificial intelligence [9,10,11]. In the case of fault compensation, the focus is on two types of solutions. The first approach involves the use of the state variable estimators, which replace the faulty sensor programmatically and are categorized as part of analytical compensation. In the literature, applications of many types of estimators can be found: the Sliding Mode [12], Extended Kalman Filter [13], Unknown Input Observer [14] and Luenberger Observer [15]. Another approach, belonging to hardware compensation methods, is the installation of redundant measurement sensors in the drive system, which can replace a faulty component in the event of a failure [16]. It is a relatively expensive solution at the production level.
Due to the limited scope of hardware options, the development of work on such solutions is essential. In this paper, the authors describe the preliminary research of an example application. A solution to the problem of designing a robust system resistant to measurement sensor failures may be the use of a Line-Start Permanent-Magnet Synchronous Motor (LSPMSM), which has the capability for sensorless operation and direct start-up from the grid. The development of such a system requires scalar control without feedback from sensors, which would be responsible for controlling the motor in the event of a failure, which is described in this article.
In precision industrial applications, Permanent-Magnet Synchronous Motors (PMSMs) are used due to their characteristics. Motors of this type have properties such as high efficiency, high torque density, precise speed control, compact design, low maintenance, and a high power factor. They work well in applications that require both high precision and high dynamics [17,18]. However, these motors require control with feedback from speed/position measurements. In the event of a speed transducer failure, the drive system can no longer operate (except for in the sensorless mode, which requires the use of additional position or speed estimators). A solution to this problem could be a drive system with an LSPMSM. This is a motor whose design is a hybrid combination of an induction motor (rotor with a squirrel cage) and a PMSM (permanent magnets in the rotor). The design of the motor allows for achieving performance parameters similar to those of a PMSM, as well as direct-on-line starting, similar to an induction motor [19]. However, research papers in the literature focusing on this type of machine mainly concentrate on the motor design process and performance verification through direct connection to the power grid [20,21,22]. The analysis of the variable-speed operation of the LSPMSM appears only in a few studies [23]. And, it is a machine with great potential for application in vector control systems. Furthermore, due to the possibility of sensorless operation, it has a high capability for application in control systems that tolerate measurement sensor failures.
This article presents the properties of the developed induced-pole LSPMSM along with a description of the design process. The work also includes elements such as the arrangement of magnets and the construction of the stator. Additionally, this paper investigates the performance of the analyzed motor under scalar control using a frequency converter. Tests were conducted for different values of the set speed and supply voltage. The obtained results demonstrate the possibilities of the smooth control of the analyzed motor, using only scalar control. This paper presents preliminary research, which will be extended with application within a vector control system, with the ability to switch to the sensorless scalar control mode in the event of a speed transducer failure. This assumption is based on the fact that if the encoder or resolver is damaged, it is not possible to operate with full vector control. Preliminary research on scalar control is crucial for further work on the FTC system due to the lack of research demonstrating the properties of the LSPMSM in speed control systems, as well as because it shows the possibilities of fault compensation. Additionally, the switching from the vector control mode to the scalar control mode has been previously described for the induction motor [24]. The scalar control structure was implemented using Matlab/Simulink (R2018b) software and the DS1103 dSpace controller (Paderborn, Germany). In this paper, the motor design process is also described in detail, which was conducted using Ansys Maxwell software, highlighting the key steps and considerations involved in the modeling and simulation of the motor’s electromagnetic properties. Additionally, the impact of various design parameters on the motor’s performance is analyzed.
The rest of this paper is organized as follows. The second section is a description of the general mathematical model of the LSPMSM. The third part of the article contains a description of the motor design process using Ansys Maxwell software and the obtained motor parameters. The fourth part presents the properties of the analyzed motor during direct-on-line starting. The fifth part includes experimental studies of the scalar control system with the analyzed LSPMSM. The final chapter of this article summarizes the obtained results and outlines plans for future research.

2. LSPMSM Mathematical Model

The mathematical model of the LSPMSM will be presented using d-q coordinates. This model is more complex compared to a classic PMSM due to the combination of the characteristics of an induction motor and a PMSM. In this model, the fundamental state variables are expressed concerning the rotor, Vds or Vqs, and the stator, Vdr or Vqr. The voltage equations of the rotor and the stator are written as follows [25]:
v d s = r s i d s + d Ψ d s d t ω r Ψ q s v q s = r s i q s + d Ψ q s d t + ω r Ψ d s
v d r = r d r i d r + d Ψ d r d t = 0 v q r = r q r i q r + d Ψ q r d t = 0
where
  • r s , r d r , r q r are the stator and rotor resistances, respectively.
The equations describing flux losses are also written with respect to the rotor, Ψ′dr or Ψ′qr, and stator, Ψds and Ψqs:
Ψ d s = ( L l s + L m d ) i d s + L m d i d r Ψ m Ψ q s = ( L l s + L m q ) i q s + L m q i q r
Ψ d r = ( L l d r + L m d ) i d r + L m d i d s Ψ m Ψ q r = ( L l q r + L m q ) i q r + L m q i q s
where
  • Lldr and Llqr are the rotor inductance losses;
  • Lmd and Lmq are the mutual inductances in d-q coordinates;
  • Lsd and Lsq are the stator inductances in d-q coordinates.
  • Using the flux loss values and inductance parameters, the stator ids, iqs and rotor currents idr and iqr can be expressed as follows:
i d s = ( Ψ d s + Ψ m ( L m d L l d r 1 ) L m d L l d r Ψ d r ) × 1 ( L s d L m d 2 L l d r ) i q s = ( Ψ q s L m q L l q r Ψ q r ) × 1 ( L s q L m q 2 L l q r )
i d r = ( Ψ d r + Ψ m ( L m d L s d 1 ) Ψ d s L m d L s d ) × 1 ( L l d r L m d 2 L s d ) i q r = ( Ψ q r Ψ q s L m q L s q ) × 1 ( L l q r L m q 2 L s q )
The electromagnetic torque in a simplified form is given by the following expression:
T e m = 3 N p 4 ( ψ d s i q s ψ q s i d s )
The extension of Equation (7) allows for the determination of the individual components of the torque resulting from the structural properties:
T e m = 3 N p 4 [ ( L d L q ) i d s i q s ] R e l u c t a n c e t o r q u e + [ L m d i d r i q s L m q i q r i d s I n d u c t i o n t o r q u e ] + [ Ψ m i q s P e r m a n e n t m a g n e t t o r q u e ]
The completion of the model is represented by the expression defining the mechanical speed of the motor:
ω r = 1 J ( T e m T l o a d B ω r )

3. Induced-Pole LSPMSM Design

In Ansys Electronics software, the FEM model of the induced-pole LSPMSM was built. The rotor contains quasi-trapezoidal copper bars short-circuited by copper rings which are connected by soldering. The project and manufactured rotor of the induced-pole LSPMSM is presented in Figure 1.
The induced-pole PMSM contains a two-times-lower number of permanent magnets. Due to specific arrangement of permanent magnets inside the motor rotor, the number of magnetic poles is doubled. Although there is a reduced number of permanent magnets, the final volume of them is the same as that in the case of a standard PMSM due to permanent magnet demagnetization endurance [26,27,28,29]. The results of magnetic field analysis of the induced-pole LSPMSM are shown in Figure 2.
The LSPMSM, during starting, develops extremely high electromagnetic torque. Moreover, between some rotor slots and permanent magnets slots, there are quite narrow gaps in the rotor sheets, so mechanical stresses for this motor type must be carefully investigated.
For mechanical investigation computed using ANYS Workbench software, the load torque T = 20Tn and speed n = 1.2nn were assumed [30]. Mesh in the FEM model in the gaps was concentrated for better computational accuracy. The obtained maximum mechanical stress of about 50 MPa was much lower in comparison with the yield strength equal to 325 MPa for the M400-50A electrotechnical steel type used for the motor manufacturing. Computed mechanical investigation results are shown in Figure 3.
The manufactured induced-pole LSPMSM was built as an enclosure-less construction. The stator sheets contain cooling ribs above the yoke and construction rod holes. The stator sheet and manufactured stator are presented in Figure 4.

4. Induced-Pole LSPMSM Direct-on-Line Supply

In the Laboratory of Electrical Machines at the Electrical Engineering Faculty at Wroclaw University of Science and Technology, the manufactured induced-pole LSPMSM was investigated. The motor was supplied directly on line. Running and starting properties for the rated three-phase voltage Un = 400 V 50 Hz were measured. The obtained results are presented in Figure 5 and Figure 6 and in Table 1.

5. Scalar Motor Control

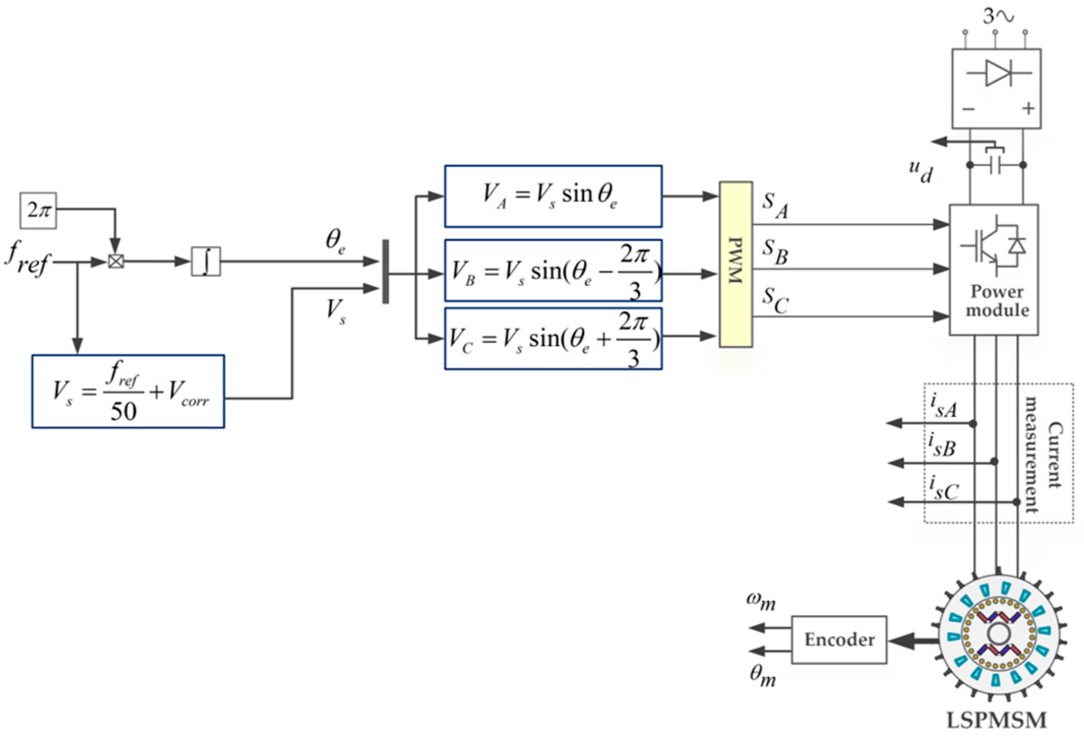
This section of this paper presents the possibilities for the speed regulation of the LSPMSM in a scalar control system (Figure 7).
The obtained results demonstrate the operation of the drive system for different set speed values and supply voltages. The experimental studies were conducted using the DS1103 rapid prototyping kit (Paderborn, Germany). An incremental encoder with a resolution of 5000 imp./rev. was used to measure the rotor speed/position. Speed measurement was not used in the control structure, but it is presented for analytical purposes, precisely as the current measurement by LEM transducers. The scalar control system was implemented in the control unit using the Matlab/Simulink (R2018b) environment with a sampling time of 10−4. This application was responsible for generating a PWM signal to control the inverter, operating at a frequency of 20 kHz. Additionally, a user interface for control was developed in the Control Desk (version 6.4) environment, allowing for easy visualization and operation. The complete diagram of the test setup with photos are shown in Figure 8.
The analysis of speed regulation in the scalar control system of the LSPMSM is presented for different supply voltage values and reference speeds. The selection of the supply voltage was based on the minimum value required to start up the motor—approximately 0.65 U N . The range of set speeds was within the range not exceeding 50 Hz. In order to present a wider speed range in each run, the results show characteristics for the supply voltage ranging from 0.75 U N . Firstly, the results for set speeds of 450 and 600 RPM at a supply voltage of 0.75 U N are presented (Figure 9). For the set speed of 450 RPM, the speed regulation performed satisfactorily, while the value of 600 RPM was too high for this voltage level. This was also observable in the distorted current transients. Furthermore, the rotor position waveforms show smooth speed regulation.
In the further part of the study, the motor operation was analyzed for set speeds of 600 RPM and 800 RPM at the supply voltage 0.8 U N , which improved the control quality for the reference speed of up to 600 RPM and increased the achievable speed range of the motor (Figure 10).
The final waveforms in this section of the paper present the results for set speeds of 800 RPM and 1000 RPM at the supply voltage 0.85 U N (Figure 11). This is the voltage value that allowed for smooth speed waveforms, even at a speed of 1000 RPM.
In order to demonstrate the operation with satisfactory parameters, Table 2 presents the values of the THD (Total Harmonic Distortion) coefficient for the respective supply voltages and set speeds values. In most cases, for the appropriate supply voltage values, consistent with the desired rotational speed, the THD coefficient did not exceed 3%.

6. Conclusions

An induced-pole LSPMSM was designed in Ansys software. Electromagnetic and mechanical motor properties were computed and analyzed. Afterwards, the physical motor model was manufactured as an enclosure-less construction. During laboratory tests, the values of significant motor parameters were obtained, such as the following:
  • Power factor—0.89;
  • Motor efficiency—90%;
  • Maximum torque ratio—1.6.
The second objective of this study was to analyze the speed control capability of the induced-pole LSPMSM within the scalar control structure. The obtained results allowed us to conclude the following:
  • Speed regulation was smooth, and the speed profiles had a satisfactory shape.
  • The values of the current THD coefficient in each phase for the tested cases did not exceed 3%.
The research presented in this work serves as a preliminary step toward the development of a Fault-Tolerant Control system for measurement sensor failures, using an LSPMSM. The developed system will serve as a fault compensation mechanism. In further studies, the authors plan to test the LSPMSM in a vector control system and switch to a sensorless mode. This part of the paper is, according to the authors, unique and unseen in reports in the literature. Most LSPMSMs are used with mains power supply. Our proposal takes into account the advantages of the machine and the possibility of its use in systems with an increased degree of safety. It has been shown that this type of motor is suitable for applications with an increased degree of safety, such as in electromobility and aviation.

Author Contributions

Conceptualization, M.D., M.G. and K.J.; methodology, M.D., M.G. and K.J.; software, K.J. and MG.; validation, M.G., M.D. and K.J.; formal analysis, M.D., K.J. and M.G.; investigation, K.J. and M.G.; resources, K.J. and M.G.; data curation, K.J. and M.G.; writing—original draft preparation, K.J. and M.G.; writing—review and editing, M.D.; visualization, K.J. and M.G.; supervision, M.D.; project administration, M.D.; funding acquisition, M.D. All authors have read and agreed to the published version of the manuscript.

Funding

This research was supported by statutory funds of the Faculty of Electrical Engineering, Wroclaw University of Science and Technology (2024).

Institutional Review Board Statement

Not applicable.

Informed Consent Statement

Not applicable.

Data Availability Statement

The original contributions presented in this study are included in the article. Further inquiries can be directed to the corresponding author.

Conflicts of Interest

The authors declare no conflicts of interest.

References

  1. Zhang, J.; Zhan, W.; Ehsani, M. Diagnosis and Fault-Tolerant Control of Permanent Magnet Synchronous Motors with Interturn Short-Circuit Fault. IEEE Trans. Control. Syst. Technol. 2023, 31, 1909–1916. [Google Scholar] [CrossRef]
  2. Novak, Z. Confidence Weighted Learning Entropy for Fault-Tolerant Control of a PMSM With a High-Resolution Hall Encoder. IEEE Trans. Ind. Electron. 2024, 71, 5176–5186. [Google Scholar] [CrossRef]
  3. Li, L.; Ding, S.X.; Luo, H.; Peng, K.; Yang, Y. Performance-Based Fault-Tolerant Control Approaches for Industrial Processes with Multiplicative Faults. IEEE Trans. Ind. Inform. 2019, 16, 4759–4768. [Google Scholar] [CrossRef]
  4. Wu, C.; Guo, C.; Xie, Z.; Ni, F.; Liu, H. A Signal-Based Fault Detection and Tolerance Control Method of Current Sensor for PMSM Drive. IEEE Trans. Ind. Electron. 2018, 65, 9646–9657. [Google Scholar] [CrossRef]
  5. Guo, C.; Wu, C.; Liu, H. A Sign Logic-Based Method of Current Sensor Fault Detection for PMSM Drivers. J. Sens. 2021, 2021, 9955348. [Google Scholar] [CrossRef]
  6. Li, H.; Qian, Y.; Asgarpoor, S.; Sharif, H. A Sensor Fault Isolation Scheme for Co-existence of PMSM Current Sensor and Non-sensor Imbalance Faults. In Proceedings of the 2019 IEEE Applied Power Electronics Conference and Exposition (APEC), Anaheim, CA, USA, 17–21 March 2019; pp. 2608–2613. [Google Scholar] [CrossRef]
  7. Bensalem, Y.; Kouzou, A.; Abbassi, R.; Jerbi, H.; Kennel, R.; Abdelrahem, M. Sliding-Mode-Based Current and Speed Sensors Fault Diagnosis for Five-Phase PMSM. Energies 2022, 15, 71. [Google Scholar] [CrossRef]
  8. Zhao, H.; Luo, P.; Wang, N.; Zheng, Z.; Wang, Y. Fuzzy logic control of the fault-tolerant PMSM servo system based on MRAS observer. In Proceedings of the 2018 Chinese Control and Decision Conference (CCDC), Shenyang, China, 9–11 June 2018. [Google Scholar] [CrossRef]
  9. Jankowska, K.; Dybkowski, M. Experimental Analysis of the Current Sensor Fault Detection Mechanism Based on Neural Networks in the PMSM Drive System. Electronics 2023, 12, 1170. [Google Scholar] [CrossRef]
  10. Skowron, M.; Teler, K.; Adamczyk, M.; Orlowska-Kowalska, T. Classification of Single Current Sensor Failures in Fault-Tolerant Induction Motor Drive Using Neural Network Approach. Energies 2022, 15, 6646. [Google Scholar] [CrossRef]
  11. Dybkowski, M.; Klimkowski, K. Artificial Neural Network Application for Current Sensors Fault Detection in the Vector Controlled Induction Motor Drive. Sensors 2019, 19, 571. [Google Scholar] [CrossRef] [PubMed]
  12. Wang, G.; Hao, X.; Zhao, N.; Zhang, G.; Xu, D. Current Sensor Fault-Tolerant Control Strategy for Encoderless PMSM Drives Based on Single Sliding Mode Observer. IEEE Trans. Transp. Electrif. 2020, 6, 679–689. [Google Scholar] [CrossRef]
  13. Foo, G.H.B.; Zhang, X.; Vilathgamuwa, D.M. A Sensor Fault Detection and Isolation Method in Interior Permanent-Magnet Synchronous Motor Drives Based on an Extended Kalman Filter. IEEE Trans. Ind. Electron. 2013, 60, 3485–3495. [Google Scholar] [CrossRef]
  14. Tan, L.N.; Cong, T.P.; Cong, D.P. Neural Network Observers and Sensorless Robust Optimal Control for Partially Unknown PMSM With Disturbances and Saturating Voltages. IEEE Trans. Power Electron. 2021, 36, 12045–12056. [Google Scholar] [CrossRef]
  15. Al-Mutayeb, Y.; Almobaied, M. Luenberger Observer-Based Speed Sensor Fault Detection of BLDC Motors. In Proceedings of the 2021 International Conference on Electric Power Engineering—Palestine (ICEPE-P), Gaza, Palestine, 23–24 March 2021; pp. 1–7. [Google Scholar] [CrossRef]
  16. Teler, K.; Orlowska-Kowalska, T. Analysis of the stator current prediction capabilities in induction motor drive using the LSTM network. Power Electron. Drives 2023, 8, 31–52. [Google Scholar] [CrossRef]
  17. Ullah, Z.; Lodhi, B.A.; Hur, J. Detection and Identification of Demagnetization and Bearing Faults in PMSM Using Transfer Learning-Based VGG. Energies 2020, 13, 3834. [Google Scholar] [CrossRef]
  18. Chen, Y.; Liang, S.; Li, W.; Liang, H.; Wang, C. Faults and Diagnosis Methods of Permanent Magnet Synchronous Motors: A Review. Appl. Sci. 2019, 9, 2116. [Google Scholar] [CrossRef]
  19. Maraaba, L.S.; Al-Hamouz, Z.M.; Abido, M.A. Mathematical Modeling, Simulation and Experimental Testing of Interior-Mount LSPMSM Under Stator Inter-Turn Fault. IEEE Trans. Energy Convers. 2019, 34, 1213–1222. [Google Scholar] [CrossRef]
  20. Pecho, J.; Hofmann, W. Analysis of the effects of parameter variations on the start-up characteristics of LSPMSM. In Proceedings of the 2019 21st European Conference on Power Electronics and Applications (EPE ’19 ECCE Europe), Genova, Italy, 3–5 September 2019; pp. P.1–P.10. [Google Scholar] [CrossRef]
  21. Yan, B.; Wang, X.; Yang, Y. Starting Performance Improvement of Line-Start Permanent-Magnet Synchronous Motor Using Composite Solid Rotor. IEEE Trans. Magn. 2018, 54, 7400504. [Google Scholar] [CrossRef]
  22. Bárta, J.; Toman, M.; Losak, P.; Aarniovuori, L.; Vitek, O. Line-Start Permanent Magnet Machines for Low-Power Applications. In Proceedings of the 2024 International Conference on Electrical Machines (ICEM), Torino, Italy, 1–4 September 2024; pp. 1–7. [Google Scholar] [CrossRef]
  23. Arshad, M.H.; El-Sayed, A.; Salem, A.; Zhao, Q.; Abido, M.A. Implications of the Sensorless Predictive Control for Line-Start Permanent Magnet Synchronous Machine. IEEE Trans. Autom. Sci. Eng. 2024, 21, 4203–4213. [Google Scholar] [CrossRef]
  24. Dybkowski, M.; Klimkowski, K.; Orłowska-Kowalska, T. Speed and current sensor fault-tolerant-control of the induction motor drive. In Advanced Control of Electrical Drives and Power Electronic Converters; Springer: Cham, Switzerland, 2016; pp. 141–167. [Google Scholar]
  25. Farooq, H.; Bracikowski, N.; La Delfa, P.; Hecquet, M. Modelling of Starting and Steady-State performance of Line Start Permanent Magnet Synchronous Motor using Reluctance Network. In Proceedings of the 2022 International Conference on Electrical Machines (ICEM), Valencia, Spain, 5–8 September 2022; pp. 226–231. [Google Scholar] [CrossRef]
  26. Fu, W.N.; Ho, S.L. Dynamic Demagnetization Computation of Permanent Magnet Motors Using Finite Element Method with Normal Magnetization Curves. IEEE Trans. Appl. Supercond. 2010, 20, 851–855. [Google Scholar] [CrossRef]
  27. Lu, W.-F.; Zhao, H.-S.; Liu, S. Demagnetization conditions comparison for line-start permanent magnet synchronous motors. In Proceedings of the 2014 17th International Conference on Electrical Machines and Systems (ICEMS), Hangzhou, China, 22–25 October 2014; pp. 48–52. [Google Scholar] [CrossRef]
  28. Tang, X.; Wang, X.; Li, G.; Tian, M. Demagnetization Study of Line-start Permanent Magnet Synchronous Motor Under Out-of-step and Supersynchronous Faults. In Proceedings of the IEEE 11th Conference on Industrial Electronics and Applications (ICIEA), Hefei, China, 5–7 June 2016. [Google Scholar]
  29. Gwozdziewicz, M.; Zawilak, J. Induced pole permanent magnet synchronous motor. In Proceedings of the 2017 International Symposium on Electrical Machines, Nałęczów, Poland, 18–21 June 2017; IEEE: Danvers, MA, USA, 2017; pp. 1–4. [Google Scholar] [CrossRef]
  30. Mike, K.; Baccouche, H.; Breser, S.; Jöns, T.; Löhlein, B. Simulation Time Reduction with 2.5 D FEM Analysis for Axial Flux Machines. Power Electron. Drives 2023, 8, 100–108. [Google Scholar] [CrossRef]
Figure 1. Induced-pole LSPMSM rotor: (a) project; (b) manufactured rotor.
Figure 1. Induced-pole LSPMSM rotor: (a) project; (b) manufactured rotor.
Electronics 14 01787 g001
Figure 2. Induced-pole LSPMSM magnetic field analysis: (a) magnetic field density distribution; (b) magnetic field line distribution.
Figure 2. Induced-pole LSPMSM magnetic field analysis: (a) magnetic field density distribution; (b) magnetic field line distribution.
Electronics 14 01787 g002
Figure 3. Mechanical stress analysis: (a) mesh in motor FEM model; (b) obtained mechanical stress for Tload = 20Tn and n = 1.2nn.
Figure 3. Mechanical stress analysis: (a) mesh in motor FEM model; (b) obtained mechanical stress for Tload = 20Tn and n = 1.2nn.
Electronics 14 01787 g003
Figure 4. Enclosure-less induced-pole LSPMSM: (a) stator sheet; (b) manufactured stator.
Figure 4. Enclosure-less induced-pole LSPMSM: (a) stator sheet; (b) manufactured stator.
Electronics 14 01787 g004
Figure 5. Running properties of induced-pole LSPMSM supplied directly on line: (a) efficiency and PF vs. load power; (b) maximum motor torque investigation.
Figure 5. Running properties of induced-pole LSPMSM supplied directly on line: (a) efficiency and PF vs. load power; (b) maximum motor torque investigation.
Electronics 14 01787 g005
Figure 6. Starting properties of induced-pole LSPMSM supplied directly on line for constant load torque Tload = Tn: (a) torque and speed vs. time; (b) motor currents vs. time.
Figure 6. Starting properties of induced-pole LSPMSM supplied directly on line for constant load torque Tload = Tn: (a) torque and speed vs. time; (b) motor currents vs. time.
Electronics 14 01787 g006
Figure 7. LSPMSM scalar control structure.
Figure 7. LSPMSM scalar control structure.
Electronics 14 01787 g007
Figure 8. Experimental setup diagram (a) and photos of individual components (b).
Figure 8. Experimental setup diagram (a) and photos of individual components (b).
Electronics 14 01787 g008
Figure 9. The speed, current, and rotor position waveforms for set speed values of 450 RPM (a) and 600 RPM (b) at the supply voltage of 0.75 U N .
Figure 9. The speed, current, and rotor position waveforms for set speed values of 450 RPM (a) and 600 RPM (b) at the supply voltage of 0.75 U N .
Electronics 14 01787 g009
Figure 10. The speed, current, and rotor position waveforms for set speed values of 600 RPM (a) and 800 RPM (b) at the supply voltage of 0.8 U N .
Figure 10. The speed, current, and rotor position waveforms for set speed values of 600 RPM (a) and 800 RPM (b) at the supply voltage of 0.8 U N .
Electronics 14 01787 g010
Figure 11. The speed, current, and rotor position waveforms for set speed values of 900 RPM (a) and 1000 RPM (b) at the supply voltage of 0.85 U N .
Figure 11. The speed, current, and rotor position waveforms for set speed values of 900 RPM (a) and 1000 RPM (b) at the supply voltage of 0.85 U N .
Electronics 14 01787 g011
Table 1. Manufactured induced-pole LSPMSM parameters.
Table 1. Manufactured induced-pole LSPMSM parameters.
Manufactured Motor Parameters
Pn [kW]1.1
Un [V]400
In [A]1.8
ηn [%]90
PF [-]0.89
tmax [-]1.6
nn [RPM]1500
Table 2. Values of the THD coefficient at different supply voltage levels for individual phases.
Table 2. Values of the THD coefficient at different supply voltage levels for individual phases.
THD [%]
U N [%] 0.75 U N 0.8 U N 0.85 U N
Speed [RPM]450 600 6008008001000
I A 2.19113.0412.3947.5482.9515.084
I B 2.89930.6482.7637.7712.7934.967
I C 2.2849.3302.8967.9383.8836.351
Disclaimer/Publisher’s Note: The statements, opinions and data contained in all publications are solely those of the individual author(s) and contributor(s) and not of MDPI and/or the editor(s). MDPI and/or the editor(s) disclaim responsibility for any injury to people or property resulting from any ideas, methods, instructions or products referred to in the content.

Share and Cite

MDPI and ACS Style

Jankowska, K.; Gwoździewicz, M.; Dybkowski, M. Application of Line-Start Permanent-Magnet Synchronous Motor in Converter Drive System with Increased Safety Level. Electronics 2025, 14, 1787. https://doi.org/10.3390/electronics14091787

AMA Style

Jankowska K, Gwoździewicz M, Dybkowski M. Application of Line-Start Permanent-Magnet Synchronous Motor in Converter Drive System with Increased Safety Level. Electronics. 2025; 14(9):1787. https://doi.org/10.3390/electronics14091787

Chicago/Turabian Style

Jankowska, Kamila, Maciej Gwoździewicz, and Mateusz Dybkowski. 2025. "Application of Line-Start Permanent-Magnet Synchronous Motor in Converter Drive System with Increased Safety Level" Electronics 14, no. 9: 1787. https://doi.org/10.3390/electronics14091787

APA Style

Jankowska, K., Gwoździewicz, M., & Dybkowski, M. (2025). Application of Line-Start Permanent-Magnet Synchronous Motor in Converter Drive System with Increased Safety Level. Electronics, 14(9), 1787. https://doi.org/10.3390/electronics14091787

Note that from the first issue of 2016, this journal uses article numbers instead of page numbers. See further details here.

Article Metrics

Back to TopTop