Next Article in Journal
On the Use of Ridge Waveguides to Synthesize Impedances
Next Article in Special Issue
Energy Scheduling of PV–ES Inverters Based on Particle Swarm Optimization Using a Non-Linear Penalty Function
Previous Article in Journal
Multiple Differential Convolution and Local-Variation Attention UNet: Nucleus Semantic Segmentation Based on Multiple Differential Convolution and Local-Variation Attention
 
 
Font Type:
Arial Georgia Verdana
Font Size:
Aa Aa Aa
Line Spacing:
Column Width:
Background:
Article

A 75 kW Medium-Frequency Transformer Design Based in Inductive Power Transfer (IPT) for Medium-Voltage Solid-State Transformer Applications

by
Juan Blanco-Ortiz
1,*,†,
Eduardo García-Martínez
1,†,
Ignacio González-Prieto
2 and
Mario J. Duran
2
1
Fundación CIRCE, 50018 Zaragoza, Spain
2
Department of Electrical Engineering, Universidad de Málaga, 29016 Málaga, Spain
*
Author to whom correspondence should be addressed.
These authors contributed equally to this work.
Electronics 2025, 14(6), 1059; https://doi.org/10.3390/electronics14061059
Submission received: 3 February 2025 / Revised: 4 March 2025 / Accepted: 5 March 2025 / Published: 7 March 2025

Abstract

Solid-State Transformers (SSTs) enable significant improvements in size and functionality compared to conventional power transformers. However, one of the key challenges in Solid-State Transformer design is achieving reliable insulation between the high-voltage and low-voltage sections. This proposal presents the design and optimization of a high-insulation Medium-Frequency Transformer (MFT) for 66 kV grids operating at 50 kHz and delivering up to 75 kW for SST applications using Inductive Power Transfer (IPT) technology. A fixed 50 mm gap between the primary and secondary windings is filled with dielectric oil to enhance insulation. The proposed IPT system employs a double-D coil design developed through iterative 2D and 3D finite element method simulations to optimize the magnetic circuit, thereby significantly reducing stray flux and losses. Notably, the double-D configuration reduces enclosure losses from 269.6 W, observed in a rectangular coil design, to 4.38 W, resulting in an overall system loss reduction of 42.4% while maintaining the electrical parameters required for zero-voltage switching operation. These advancements address the critical limitations in conventional Medium-Frequency Transformers by providing enhanced insulation and improved thermal management. The proposed IPT-based design offers a low-loss solution with easy thermal management for solid-state transformer applications in high-voltage grids.

1. Introduction

The decarbonization of energy systems is driving significant transformations in the structure and operation of modern power grids. These changes require more interconnected and flexible grid infrastructures capable of handling bi-directional power flows, both AC and DC, and adapting to the evolving needs of electricity transmission and distribution [1]. Conventional high-power transformers face limitations in meeting the requirements of these advanced grid systems since they are passive components that cannot control the power direction. As a result, Solid-State Transformers (SSTs) are emerging as an innovative solution, offering enhanced control, flexibility, and adaptability to support the dynamic demands of modern power grids and the integration of AC and DC loads and generation [2,3,4,5].
The Medium-Frequency Transformer (MFT) is the core component of the SSTs, providing key functionalities such as galvanic isolation and improved modularity [6,7]. The use of MFTs offers several advantages, including reduced size and weight compared to conventional low-frequency transformers, full control of the power flow, and flexibility in system design. This flexibility facilitates the implementation of various converter configurations, including DC/DC, AC/DC, and AC/AC topologies. Such configurations can be realized as monolithic, modular, or semi-modular solutions [8], depending on the specific application requirements. For instance, in applications requiring high voltage or high current levels, modular configurations provide a practical approach by connecting multiple converters in series or in parallel [9,10,11]. The series connection of the converters combines their output voltages, enabling higher voltage levels. In contrast, when the converters are connected in parallel, their current capacities combine, allowing the system to handle higher current levels. These modular arrangements effectively overcome the constraints imposed by the voltage and current limitations of existing semiconductor technologies [12].
However, the MFT continues to face significant challenges that limit its performance in high-voltage applications. These limitations are the following:
  • L1: Increase electrical insulation capabilities;
  • L2: Improve thermal behavior;
  • L3: Stray fields reduction;
  • L4: Inefficient space utilization.
Other authors have been working on solving these limitations. The firsts approaches have been made using typical MFTs contructions, using core-type and shell-type transformer constructions. In core-type transformer, the windings are wound around each leg in a C-shape core. In contrast, shell-type transformers utilize an E-shape core, where both windings are positioned on the center leg.
First, to address the L1 limitation, high-voltage (HV) cables (either solid or litz wire) are often used. Such cables are categorized as using dry-type insulation. The dielectric strength of silicone, PVC, or HDPE used in high-voltage cables ranges from 4 kV/mm to 28 kV/mm [13]. However, the substantial insulation surrounding each conductor reduces power density and complicates thermal management, as heat dissipation from the wires becomes challenging. The L2 and L4 limitations are not solved.
Another solution to overcome L1 is the use of standard cables with potting resins and plates to achieve the required insulation [14] in core-type constructions is another solution that has been explored. Nevertheless, the HV winding encapsulated in resin restricts the power density because of poor heat dissipation from the windings. Having the same case as before, L2 and L4 are still a limitation.
Focusing on solving L2, thermal management, some authors have employed bobbins to achieve insulation between windings and ground [15]. This approach allows for better airflow and reduced temperature rise. However, the bobbin design is complex, and relying on air as the insulating medium necessitates increased distances to achieve high-voltage insulation capabilities. Consequently, L3 and L4 are not solved due to the resulting stray fields and poor space usage.
Changing to a shell-type MFT configuration, other author address the L1 and L2 limitations using biodegradable transformer oil and oil-impregnated pressboards operating at 5 kHz [16]. In this configuration, the achieved insulation is higher than in previous designs, addressing L1. Moreover, L2 is solved, thanks to the use of oil and forced convection via pumps, which enables good heat dissipation of all the MFT elements. However, operating at 5 kHz results in a larger transformer compared to MFTs with higher operational frequencies, encountering the L4 limitation. The magnetic core does not completely cover the base or the sides, leaving gaps that allow stray fields. These stray fields can induce heating in a metallic enclosure due to induction, thereby limiting the choice of enclosure materials to non-conductive ones. L3 is unresolved.
Some authors have proposed a split planar configuration [17,18,19], changing the construction topology. This configuration, similar to Inductive Power Transfer (IPT) technology, separates the primary and secondary windings into different planes, thereby creating space for insulation between them and addressing L1. However, in this particular case, the use of a dry-type insulator reduces heat dissipation from the wires, limiting the power density, still with L2 unresolved. Variations of this approach have been explored to overcome L2 by introducing two superposed coils [20], which create a central region where the magnetic flux is canceled, and cooling plates can be introduced. While this modification enhances heat extraction, it still suffers from issues related to stray fields (L3) and inefficient space utilization (L4), as part of the coil magnetic field is canceled in the middle, reducing the effective area of the coils.
The transformer in this application has specific requirements. It is designed for 66 kV grids, requiring rigorous testing to ensure reliability under high-voltage conditions. Among these, the lightning impulse withstanding voltage test stands out as one of the most critical assessments due to its high peak voltage requirements. For this scenario, the transformer must withstand 325 kV during a standard 1.2/50 µs test. This waveform peaks in 1.2 µs and decays to 50% of the peak voltage within 50 µs. Additionally, the transformer must endure 140 kV during the applied voltage test [21]. Several economical and mechanical restrictions should be taken into account since a prototype is going to be manufactured. Regarding the mechanical restrictions, the design should consider the different tolerances and errors that can occur during the manufacturing process, making a robust method that avoids or mitigate these tolerances. The economical restrictions exist since the design should be inside a predetermined budget, and then the size and the amount of materials available should fit this restriction.
Then, we take into consideration the actual restrictions of the transformer and the limitations described in MFT systems. The MFT design presented in this paper is based on IPT technology and features a double-D coil configuration. This design employs a split planar configuration with 50 mm between the primary and secondary coils filled with dielectric oil. The dielectric oil provides better electrical insulation, and the distance between coils is sufficient to provide good thermal heat behavior. The double-D design minimizes the stray fields, enabling the usage of metallic enclosures, making better use of the available space. Then, the contributions made in this manuscript can be summarized as follows:
  • C1: Improved electrical insulation with split planar configuration filled with dielectric oil.
  • C2: Enhanced thermal behavior due to dielectric oil and optimized spacing between coils.
  • C3: Reduced stray field losses with the double-D coil structure, ensuring minimal electromagnetic interference and losses.
  • C4: Efficient use of materials and space for the specified efficiency.
  • C5: Reduced magnetic parameter deviations due to deterministic coil construction, ensuring greater consistency.
The presented design addresses the limitations identified in MFTs used in SSTs. The electrical insulation is enhanced by the split planar configuration with dielectric oil (C1), making the design suitable for high-voltage applications (L1). Thermal management is improved through dielectric oil and optimized coil spacing (C2) mitigating the challenge of heat extraction in high-voltage MFTs (L2). The double-D coil structure concentrates the magnetic field inside the structure (C3), reducing the stray magnetic field, which is a source of losses, enclosure heating, and electromagnetic interference (L3). Furthermore, the efficient use of materials and optimized spatial design (C4) enhance the overall system compactness, ensuring that the efficiency requirement is met while using as little space as possible (L4). Lastly, the deterministic coil geometry provided by the IPT construction (C5) minimizes magnetic parameter deviations, improving reliability and consistency compared to conventional designs.
This paper is organized as follows: Section 2 presents a brief discussion of the limitations of the IPT and SST systems. Section 3 introduces a circular coil design, obtaining the inductance values needed to optimize the performance of the complete SST. Section 4 introduces additional steps to obtain a double-D coil configuration. In addition, we examine the relationship between the diameter of the coil and the distance between the coils in the same plane with different coil sizes, and we evaluate the stray field and the losses in the enclosure. In Section 5, a comparative analysis of the rectangular coil and the double-D coil is presented. Finally, Section 6 remarks the most significant findings of this study.

2. Induction Power Transfer (IPT) and Solid-State Transformers

The design of the MFT for this application is based on IPT technology, which uses magnetic fields to transfer energy between primary and secondary coils without physical contact. Research on IPT technology has been promoted in recent years by the development of Electric Vehicles (EVs) [22], allowing a contactless energy transmission between the vehicle and the charger. Unlike traditional wired charging methods, IPT is unaffected by dirt, chemicals, or weather conditions, offering enhanced durability and usability. Recent developments in IPT technology focus on improving efficiency and power delivery while addressing challenges such as misalignment between the charger and vehicle coils and interoperability [23,24]. These advances are crucial because many applications involve mobile coil components. Beyond EVs, IPT technology is also utilized in automated factory logistic vehicles [25], biomedical implants [26,27], harsh environments, underwater power delivery [28], and charging for consumer electronics such as smartphones [29,30,31], among others.
In MFT design, IPT technology is particularly advantageous for applications that require high-voltage insulation. The gap between the primary and secondary circuits can be filled with dielectric material or fluid, enhancing insulation and enabling operation in medium- and high-voltage grids. Unlike EV charging systems, where misalignment is a significant concern, this application benefits from precise manufacturing processes, ensuring minimal misalignment and consistent performance. In addition, this design offers benefits related to heat management and construction precision. The wires are securely fixed within a predefined route, achieving low tolerance and high repeatability in the inductance values. The heat generated by the coils and ferrite is effectively managed as a result of direct contact with dielectric oil or air, which facilitates natural convection. If needed, forced convection can be easily implemented to further enhance heat dissipation.
However, this technology has a drawback because the coupling coefficient plays a crucial role in figuring out the maximum efficiency of the system. Equation (1) [32] establishes the highest efficiency that an IPT system can obtain, and the quality factor (Q) and coupling coefficient (k) are the two parameters influencing the efficiency. The factor Q is defined as Equation (3) indicates, having a relation between the coil reactance and resistance. The closer the coil is to the ideal model, the greater this factor, giving access to higher efficiencies with lower couplings. As described in Equation (2), k (magnetic coupling) is related to the magnetizing inductance and the inductance of each coil. This is a relationship of how much of the field produced by the primary induces the secondary and vice versa. The greater the magnetizing inductance, the greater the coupling coefficient and the efficiency:
η max = k 2 Q 1 Q 2 1 + 1 + k 2 Q 1 Q 2 2
k = L m L 1 L 2
Q = ω L R ac
Consequently, the distance needed to ensure the isolation between the primary and secondary reduces the efficiency of the overall system since it reduces the k. Taking into account this fact, the Q factor should be increased to obtain the desired efficiency in the IPT systems.
The k factor and Q factor are critical parameters for maximizing the efficiency of Inductive Power Transfer (IPT) systems. Achieving high efficiency requires careful optimization of the magnetic design, including the dimensions and configurations of the coils, as well as accounting for environmental factors like the material properties of the surroundings. While these parameters directly influence performance, balancing high efficiency with low losses and robust insulation implies significant challenges, particularly in high-voltage, high-power applications.
Consequently, the inherent challenges of maintaining high efficiency while ensuring adequate insulation and minimizing losses require an iterative design approach. Addressing these challenges is essential for developing an IPT system capable of meeting the demanding requirements of high-voltage, high-power applications. To address these demands, this study adopts a structured iterative design approach, outlined in the following section, that integrates the electrical and magnetic behavior of the transformer.

3. Design Process: Inductance Values Determination

Magnetic design is typically an iterative process in which various approximations are made until the specified requirements are met. Although reluctance models are often used to estimate the dimensions of the coil and core, their application in IPT systems is challenging due to the large air gap between the primary and secondary coils.
In [33], a reluctance model is developed for IPT systems with primary-to-secondary distances from 100 to 200 mm. However, this approach does not address the challenges introduced by the necessary steel enclosure in the model presented in this work. The enclosure acts as a shield, significantly reducing the returning magnetic flux and, therefore, reducing the inductance obtained in the system. This effect is difficult to model with precision using reluctance methods since the steel has ferromagnetic properties and could change how the magnetic field behaves. To better capture these effects and accurately analyze component losses, 2D FEM simulations are used in this work, providing critical insights into the influence of the steel enclosure, particularly as these losses are vital to the system thermal management. This method of obtaining the magnetic parameters with FEM is typically selected when the analytical model is complex or may not reflect all the necessary details [34,35,36,37].
The inductance values of the IPT are obtained with a circular coil over a circular ferrite plane using 2D FEM simulations. This geometry is selected due to its polar symmetry that enables the possibility of using 2D simulations instead of 3D simulations, saving computing time. Furthermore, this geometry provides greater accuracy compared to planar models in 2D, which assume an ’infinite’ Z-axis distance or require a depth parameter.
The strategy followed in this paper to obtain the IPT design consists of several simulation steps. The first step involves simple 2D simulations to verify the relationship between the coil diameter and coupling coefficient at a fixed distance of 50 mm. In the second step, a range of diameters is selected to achieve the necessary coupling coefficient, ensuring the desired efficiency based on the maximum efficiency equation. The third step considers the influence of power electronics and analyzes various IPT configurations within this diameter range. Finally, the fourth step involves selecting the most suitable option based on the component losses and the achieved voltages.
Initially, a comparison is made between the coil size and the coupling, using a fixed number of four turns per winding. To automate the scaling of both the winding size and the ferrite core in the 2D FEM simulations, a custom script is developed. Additionally, it is easily defined by the outer diameter of the coil and the number of turns. The model prioritizes simplicity. Eighty simulations between 150 mm of outer diameter and 1500 mm are performed. The simulation lasts 77 s in total, less than one second per case. This study offers preliminary insights that help in reducing the overall design time by providing optimized starting points for further steps. The FEMM 4.2 software, a 2D FEM simulation software for magnetic field, uses the current and the frequency as excitation of the coils.
The results of this preliminary study are shown in Figure 1. The magnetic coupling is strongly dependent on both the distance and the diameter of the coils. As the coil diameter increases, the magnetic coupling and system efficiency also improve.
As in Step 2 of this design process, the diameter range is determined with this result. In this particular system, where high efficiency is required, a coupling coefficient of at least 0.6 is necessary to obtain the required efficiency without reaching high Q values. However, this IPT needs low resistance to improve the Q coefficient as much as possible. Consequently, the design exploration begins with an inner coil diameter of 330 mm.
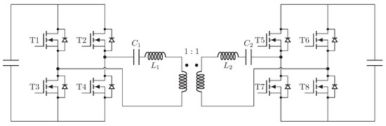
The third step regarding the IPT design configuration is to obtain the inductance values for each IPT and to introduce them into the electrical circuits to verify its behavior. In Figure 2, a brief description of the algorithm is presented. The values obtained in the FEMM 4.2 simulation software are translated into a representation of the T model seen from the primary of the transformer. In this particular case, since the turn ratio is 1:1, there are no differences between the inductances of the primary or secondary. The schematic of the electric circuit is shown in Figure 3. The resonant tank is in a CLLLC configuration. Since the IPT does not have great values of magnetizing inductance, that branch cannot be avoided in the calculations, and some of the current is drained from that inductance. The system can be represented with a 2 × 2 matrix as shown in Equation (4). The currents and the power flowing from the primary to secondary can be obtained to assess if each IPT is able to transfer the 75 kW as it can be seen in Equations (5) and (6).
j ω L 1 j / ω C 1 j ω M j ω M j ω L 2 j / ω C 2 I 1 I 2 = V 1 V 2
I 2 = V 1 · Z M ( Z 1 + Z M ) · V 2 ( Z M + Z 2 ) ( Z 1 + Z M ) Z M 2
S 2 = V 2 · I 2
The script evaluates each possible IPT from 330 to 550 millimeters of the ferrite plane, with a minimum of four turns up to the maximum number of turns the ferrite plane is able to accommodate. An evaluation with a range of input and output voltages checks the ZVS operation, measures the phase margin for control purposes, and the expected total efficiency of the complete system, without taking into account the switching losses. The starting point is selected in 330 because the ferrite plates that form the plane are designed to be squares of 55 millimeters. Once the script has evaluated all the IPTs, possibilities are shown in a list with all the geometries that meet the requirements for the power electronics design and control. In order to discriminate between the eleven possibilities, the focus is set in three main aspects, the efficiency, size, and voltage in the capacitors.
First, high efficiency is essential to maintain system competitiveness compared to traditional transformers, as they are highly optimized. Furthermore, higher efficiency impacts the thermal performance of the system. Lower power losses mean less heat generation, which directly influences the cooling requirements, allowing for smaller or no cooling systems, and extending the lifespan of the equipment by avoiding thermal degradation of components.
The size is equally significant because the IPT modules are immersed in dielectric fluid. Reducing the size of each module will decrease the volume of the required dielectric fluid, which reduces the material costs and the physical footprint of the system. Beyond this reduction, smaller module dimensions facilitate easier installation and integration into existing grid infrastructure, where space can often be limited. In addition, from a logistical perspective, smaller modules are easier to transport and handle during both the manufacturing and installation phases.
The last criterion for selecting the IPT modules is the voltage across the capacitor. Keeping the voltage as low as possible is critical for several reasons. Firstly, a lower voltage allows for a simpler capacitor configuration, which minimizes the complexity of the design and reduces the risk of imbalance between the capacitors in the tank. The capacitor imbalance can lead to an uneven voltage distribution, which can result in localized overvoltage conditions, premature failure, or reduced system reliability. In addition, a lower voltage reduces the stress on the dielectric materials within the capacitors, extending their operational lifespan and improving overall system durability. Finally, maintaining a lower voltage simplifies the selection of capacitors and allows for the use of commercially available components, potentially reducing procurement costs and ensuring easier replacement.
The results of the automated study, including power losses, voltage across capacitors, and module dimensions, are illustrated in Figure 4. This figure provides a comparison of the various IPT module configurations. Among the different possibilities explored, 11 IPTs meet the imposed requirements.
The IPT variation number 7 is the selected IPT, which consists of a circular coil with five turns, an outer diameter of 540 mm, an inner diameter of 374 mm, and a ferrite plane of 550 mm. The magnetizing inductance for this variation is 25 µH. This variation is chosen based on the three main criteria discussed above. It maintains a voltage below 1250 V across the capacitors, and the losses are comparable to other variations when metal case losses are excluded. Variations 7 through 11 all share the same ferrite plane, but as the number of turns increases, core losses decrease while winding losses increase. Since all these variations use the same ferrite plane, variation 7 is preferred due to its lower amount of wire, providing a better balance between core and winding losses. This balance simplifies the thermal management of the system. Additionally, losses in the winding are more difficult to dissipate because the use of the taped litz wire significantly reduces the thermal conductivity.
In this geometry, the magnetic field returns from the ferrite edges, which creates an important amount of stray flux that is encountered by the enclosure if it is positioned too close. In this design, the distance between the ferrite and the enclosure is 100 mm. However, this distance is insufficient, as the losses in the metal enclosure represent the primary source of energy dissipation. Since this system employs dielectric oil for cooling, minimizing enclosure losses is crucial, especially when natural convection is the primary mechanism for heat transfer. Ideally, the oil should descend along the enclosure walls, cooling as it moves downward, while the oil between the primary and secondary components rises as it heats, facilitating heat extraction from the coils and ferrites. Direct heating of the enclosure could impede the transfer of heat from the coils and cores to the surrounding environment, thereby reducing the system’s cooling efficiency and overall performance.
To validate the results regarding the losses in the metal enclosure, which were initially predicted by the 2D simulation, a detailed 3D simulation is conducted using COMSOL Multiphysics 6.1. This simulation in 3D provides a more comprehensive analysis by modeling the electromagnetic field interactions and losses within the enclosure. During the 2D simulation steps, a circular shape is used for the coil and ferrite plane due to the improved accuracy provided by the polar symmetry. However, this circular ferrite plane design would require custom ferrite tiles, adding complexity to the manufacturing process. By utilizing a 3D simulation, the constraints imposed by polar symmetry can be overcome. Consequently, to simplify the manufacturing process, a change to a square ferrite plane is made, allowing the use of standard square ferrite tiles, which are more readily available from ferrite core manufacturers. Additionally, adopting a square ferrite plane enables the implementation of a rectangular coil, which increases the coil area and enhances the coupling coefficient while utilizing the same ferrite plane thanks to this increase in the coil area.
The results of the simulation corroborate the findings of the script with 2D simulations, with 269.6 W losses in the metal case. In Figure 5, the distribution of the volumetric electromagnetic losses for the rectangular coil design is shown. This distribution of the losses reveals the path of the returning magnetic field from the primary to the secondary and reveals the hot spots in the enclosure.
In order to address this issue with the hot spots in the tank and reduce the losses, different approaches can be taken.
The first approach is to increase the distance between the ferrite and the enclosure. However, the size increase will increment also the dielectric oil quantity needed for manufacturing the MFT. This solution may not be the most feasible given that size optimization is a primary design objective and the cost increase due to the higher dielectric fluid volume required.
The second option involves the introduction of magnetic conductor materials, such as ferrite, between the coil and the enclosure to mitigate the magnetic field interaction. Although effective, this solution would result in a more complex mechanical design, potentially increasing the difficulty of prototype fabrication. The ferrite is a fragile material that could break during the manufacturing process if it is not assembled properly, reducing the effectiveness of this method. Also, this solution increases the total cost since more ferrite would be needed, as well as being a more complex manufacturing procedure.
Another possibility is to conduct a detailed study of various operating points using 3D finite element method (FEM) simulations to accurately model the loss distribution. Following this, a thermal analysis could be performed using software such as ANSYS Fluent to evaluate the heat dissipation. This method was explored in [37] with promising results for three-phase, three-legged Wye-Wye transformers with only one neutral grounded, although it did not account for zero-sequence stray losses.
In this article, the design process takes two more steps, redefining the geometry of the coil to reduce the stray flux over the enclosure while maintaining the same inductance values to ensure consistent electrical performance since these values ensure the ZVS operation.
Different coil configurations are studied, such as the D4Q [38], which is not an option due to the increase in the copper weight. Also, simple shapes such as hexagonal or circular ones show the same problem as circular/rectangular ones [39].
The double-D helps with reducing the losses of the aluminum shielding [40,41], then for this particular case in which the material used in the tank is steel, the reduction in losses should be even greater than in the case of using an aluminum enclosure. Steel is chosen since it is a more available and cost-effective material for the transformer. This coil configuration aims to prevent the magnetic flux from returning over the edges of the ferrite, thereby reducing enclosure losses and improving overall system efficiency. The double-D configuration delivers these improvements with a marginal increase in cost.

4. Design Process: Double-D Coil Configuration

The following steps regarding the coil design involve studying the characteristics of the double-D coil. This coil configuration presents several disadvantages when compared to rectangular coils, which need to be considered during the design phase to minimize the total losses and enhance the system efficiency.
The current of the coils placed in the middle of the ferrite plane have the same direction. This makes an addition of a magnetic field in the middle part of the ferrite plane, and consequently the amount of ferrite necessary to maintain the magnetic flux density should be doubled. For this design, the maximum desired magnetic flux density is 0.15 T or below. The ferrite plane from the previous steps is maintained; hence, the magnetic flux in that part is expected to increase, leading to higher core losses.
Copper losses increase as a result of the larger volume of required material. The higher amount of copper exposed to magnetic fields also results in slightly more AC resistance effects. Given the operating frequency of 47 kHz for this type of transformer, litz wire is a suitable solution, as it reduces AC losses compared to solid wire, and the ratio between DC and AC losses should be less than 1.5 of the DC resistance as studied in [42].
The next step involves a preliminary study of the expected magnetic field behavior with this geometry. A 2D FEM simulation is performed to obtain Figure 6, which shows the flux distribution of the double-D configuration. Furthermore, a qualitative reluctance model shown in Figure 7 is made to model the flux observed in the simulation. The reluctance R is defined in Equation (7) and how the inductance is related to the reluctance is defined in Equation (8):
R = l μ A
where we have the following:
  • l is the length of the magnetic path;
  • A is the cross-sectional area of the flux path;
  • μ is the permeability of the material ( μ = μ 0 μ r , where μ r is the relative permeability and μ 0 is the permeability of free space).
L = N 2 R
where we have the following:
  • L is the inductance;
  • N is the number of turns;
  • R is the magnetic reluctance.
In Figure 6, there are two zones of flux that concatenate the primary and the secondary, ϕ m 1 and ϕ m 2 . The leakage flux is named ϕ l 1 , ϕ l 2 , and ϕ l 3 . Performing a comparison with the rectangular coil configuration, one of these two magnetic fluxes ( ϕ m 1 or ϕ m 2 ) returns over the edges of the geometry, causing the problem of inducing the enclosure of the system.
The leakage flux in the rectangular coil is inside the coils and is only dependent on the distance between the primary and secondary, and the diameter of the coil, which is the flux that is not linked with the secondary. In contrast, in this double-D configuration, the flux ϕ m 2 is inside the ferrite plane. Moreover, the main leakage flux occurs in the ϕ l 2 zone, where the flux flows from one coil to the other coil in the same plane.
Therefore, with the double-D configuration, there is better controllability of the flux path for the magnetizing and leakage flux. Some part of the leakage flux is outside the ferrite plane as the ϕ l 1 and ϕ l 3 zones show but is not the major part. Then, it is expected to have less flux inducing the enclosure to reduce the losses from the 300 W initially obtained with the rectangular coil.
In Figure 7, the model reflects the different fluxes in reluctances. Reluctances R l 11 , R l 12 , and R l 13 refer to the flux path ϕ l 1 , ϕ l 2 , and ϕ l 3 , and reluctances R g a p reflect the path for ϕ m 1 and ϕ m 2 . The color of the reluctances matches the colors of the flux of Figure 6, having the purple color for the linked flux between the primary and secondary and the green color for the leakage flux.
This representation reveals the better controllability of the leakage flux in the double-D coil configuration. The main source of leakage inductance is the zone of ϕ l 2 corresponding to the reluctance R l 12 . Then, increasing the distance between the coils should decrease the amount of flux linking both coils on the primary side. Taking into account Equation (7), the distance l is increased, then the reluctance R l 12 also increases its value. Since the reluctance R l 12 increases in value, with Equation (8), the leakage inductance will reduce its value. Increasing the reluctance R l 12 while maintaining the other reluctances at the same value should increase the magnetizing inductance since more flux will be able to pass through the R g a p reluctance. A series of 2D simulations is conducted to examine the relationships among the coil diameters, the distance between coils on the same plane (D-D distance), the coupling coefficient, and the magnetizing inductance.
Similarly to the analysis performed for the rectangular coil, this set of simulations aims to establish a range of parameters for the final solution using this new geometry. Furthermore, these calculations are intended to corroborate the relationship between coupling and the inductances explained in Figure 6. The simulations are carried out in FEMM using the planar solver, as the double-D geometry lacks polar symmetry, with a simulation depth of 550 mm. Each coil consists of four turns, matching the configuration of the rectangular coil used in preliminary tests. To verify the results of the simulation set, the outer diameter of the coil is designated as D, and the center-to-center distance between the coils is denoted as d. The graph represents the ratio D / d , where d / D = 1 indicates that there is no separation between the coils. Various values of D are represented to explore how variations in this parameter affect the results.
The resulting graph from the 2D simulations is shown in Figure 8. It can be observed that the size of the coil is the dominant factor influencing the magnetizing inductance and coupling; as diameter increases, so does the coupling, similar to the behavior observed in the rectangular coil design. Regarding the d distance, increasing this distance between enhances the magnetizing inductance but has a minor impact compared with the change in the coil size (represented by D).
However, the distance d becomes more critical when D is smaller. Increasing d can enhance the coupling coefficient up to 0.05, thus improving the efficiency of the system. This increase in the coupling effect is due to two effects: a slight increase in the magnetizing inductance and a decrease in the leakage inductance. Therefore, the maximum leakage inductance is obtained when d / D = 1 . These results align with the conclusions drawn from Figure 6.
To determine the approximate size of the double-D coils, since the value of the magnetizing inductance is defined in the previous steps, and this value of inductance defines the electrical behavior of the complete system, the coil diameter should be approximately 220–230 mm according to the obtained results.
A new set of 3D simulations is performed in order to obtain a better model with higher accuracy with the losses and the calculated inductance. These simulations are not performed with scripts and are not automated. The geometry is designed with parameters that can be easily modified, including the number of turns, the distance between the coils d, and the outer diameter of the coil D, among others, allowing for rapid adjustments to the geometry and the exploration of various solutions. Since the 2D simulations are made with the “planar” solver, some deviation is expected.
The software used is COMSOL Multiphysics. Firstly, the simulations are performed with current over the primary and a secondary with zero current, to simulate an open circuit. Secondly, a simulation is performed with a current over the primary and a secondary with zero voltage, to simulate a short circuit in the secondary. Finally, with these two values of inductance, the leakage and magnetizing inductances can be obtained with the set of equations shown in Equation (10), where the a value is the measured turn ratio.
In this case, a simplification is made, as it is a ratio of 1 to 1 turns and the geometry of the IPT can be easily replicated in the prototype and manufacturing stages L 1 _ L 2 o p e n = L 2 _ L 1 o p e n , and with this simplification, one simulation is saved:
a = L 1 _ L 2 o p e n L 2 _ L 1 o p e n
a 1 0 1 / a 0 1 0 1 a 2 L m L k 1 L k 2 = L 1 _ L 2 o p e n L 2 _ L 1 o p e n L 1 _ L 2 s h o r t
The criteria for selecting a double-D coil design include achieving the desired magnetizing inductance while minimizing losses compared to the previous rectangular coil design. These losses include those associated with ferrite, wire, and shielding. To reduce losses, a flux density limit of 0.15 T is set for the region between the coils and 0.1 T for other areas of the ferrite. These values are below the saturation point of the material.
However, wire losses increase in the double-D configuration as a result of the greater number of turns needed, necessitating a reduction in the number of turns per coil. Reducing the number of turns increases the magnetic flux density, so the chosen number of turns must ensure that the flux densities remain at or near the thresholds of 0.15 T and 0.1 T, as established.
The final design incorporates four turns per coil, totaling eight turns each for the primary and secondary windings. The outer diameter of each coil is set to 252.5 mm, with a distance d of 287.5 mm, resulting in a ratio of d / D 1.14 .
This configuration introduces an optimal spacing between the coils, maximizing the coupling coefficient to improve the overall efficiency of the system. Increasing the d / D ratio beyond 1.2 is determined to be impractical, as it would require a greater separation distance and additional ferrite material, resulting in minor returns in the coupling coefficient and, therefore, in efficiency. Hence, the selected dimensions represent a balanced trade-off between spatial requirements and performance enhancement.
The ferrite plane consists of a square plane with 550 mm of side. The loss distribution in the enclosure is shown in Figure 9, in which it can be seen that the maximum value is one order of magnitude less than the rectangular coil design, giving total losses in the enclosure of 4.38 W. Also, the simulation reveals that only the stray flux is the one that is generating the losses and not the main flux that links the primary and secondary as expected.
In Figure 10, the distribution of the B field over the ferrites is shown. The maximum value of the B field is 0.12 T and it is located between the coils as expected. This value is below the limits imposed to reduce the losses in the ferrite and also to ensure good magnetic behavior.

5. Results Comparison: Rectangular Versus Double-D Design

To evaluate the improvement in efficiency and performance by adding this additional step in the design, a comparative analysis is performed that focuses on key parameters at an operating temperature of 20 ° C. The simulations are performed with sinusoidal waveforms. The maximum current applied to the primary and secondary is 140 A p k with a peak voltage of 1300 V p k , with an average power in each winding of 73 kW.
Table 1 provides a detailed comparison of these key performance metrics, including the primary coil open circuit inductance ( L 11 ), total cable length, primary wire resistance, DC primary winding loss, magnetic flux density, ferrite losses, enclosure losses, and total losses for each design.
The data in Table 1 reveal several key differences between the designs. The double-D coil requires a longer cable (9.22 m), which leads to higher DC resistance of the primary wire (6.04 m Ω vs. 4.93 m Ω ). Then, the losses in DC increase by the same percentage (22.5% increase) to 60.4 W compared to 49.3 W in the rectangular coil. Taking into account the AC losses, obtained through FEM simulation, the difference between the rectangular coil and the double-D coil is 14.06 W.
This is due to the highest H field generated in the double-D coil, where the two coils are close to each other. However, the double-D coil exhibits significantly lower enclosure losses (4.38 W vs. 269.6 W). Regarding total losses, double-D achieves a reduction in losses of 42.4%, 249.88 W in the double-D coil versus 434.17 W in the rectangular coil.
This indicates that the double-D coil could be more suitable for applications focused on minimizing losses produced by the magnetic field impacting the enclosure walls, due to the capability of the double-D to focus the magnetic flux over a more defined magnetic path. This also helps to reduce the size of the enclosure, as the walls can be placed closer to the ferrites and coils. Meanwhile, the rectangular coil is better when the shield is not needed or has a great distance from the magnetic core, taking into account the gap between the primary and secondary.
Regarding the Q obtained in the double-D design, the total AC losses for both windings is 144.46 W, approximating an AC resistance of 6.87 m Ω . The inductance L 11 is 43.54 μ H. With the Equation (3), this gives an approximation for Q of 1870. This value of the Q is high enough to tolerate deviations in the coupling coefficient with a minor impact on the efficiency. Nevertheless, the expected deviations in magnetic parameters are not significant since the IPT construction is very deterministic and the tolerances foreseen should meet the standard [43], giving tolerances below 2 mm for the outer diameter.
To further extend the comparative analysis and validate the results obtained from the magnetic simulations, thermal simulations have been conducted to analyze the temperature distribution in both the double-D and rectangular coil configurations. Given that the double-D coil exhibits higher efficiency, it is expected to generate lower temperatures compared to the rectangular design. The thermal simulations are performed using ANSYS ICEPAK inside ANSYS ELECTRONICS DESKTOP 2024 R2, where the losses presented in Table 1 are applied to each element of the IPT system.
The simulation domain envelops the complete IPT, with a size of 2458 mm in length, 880 mm in depth, and 1569.5 mm in height. The boundary conditions are set such that all external faces of the simulation region are defined as open surfaces at ambient temperature (20 °C), except for the bottom face, which is treated as the ground plane. The IPT is placed with the coils orientated parallel to the ZY plane.
Figure 11 and Figure 12 provide sectional views of the materials used in the thermal simulations. The coil is partially embedded within a wooden coil former to maintain its structural integrity, with a width of 10 mm. The distance between the coil and the ferrite plane is 5 mm, followed by a 5 mm ferrite layer. Beneath the ferrite, an aluminum 1100 plate is placed with a width of 2 mm, supported by wooden legs with a height of 43 mm. The enclosure is constructed of 1010 steel with a thickness of 5 mm. The thermal properties of these materials are obtained from the built-in ANSYS libraries, except for the dielectric oil, which is modeled with a thermal conductivity of 0.152 W/mK, a mass density of 940 kg/m³, and a specific heat capacity of 1900 J/kgK. The only external force applied in the simulation is gravity, allowing the natural convection effects of air and dielectric fluid.
The temperature distribution results are presented in Figure 13 and Figure 14, corresponding to the double-D and rectangular coil configurations, respectively. The simulation results indicate that the double-D coil achieves a maximum temperature reduction of 3 ° C compared to the rectangular coil, despite exhibiting more concentrated losses in the central region of the ferrite. The key difference lies in the thermal behavior of the dielectric oil. In the double-D configuration, the lower temperature of the oil facilitates improved heat dissipation, whereas in the rectangular coil design, the enclosure experiences higher heating, which subsequently increases the oil temperature and reduces its capacity to extract heat from the coils and ferrite. The mean oil temperature in the double-D design is 31.77 ° C, with a maximum of 40 ° C. In contrast, the rectangular design exhibits a mean oil temperature of 35.7 ° C and a maximum of 43.71 ° C. This corresponds to a reduction of 4 °C in the mean temperature and 3.7 °C in the maximum temperature, representing an 11% decrease in the mean oil temperature and an 8.5% reduction in the maximum oil temperature. This decrease helps extend the operational life of the oil, as lower thermal stress is applied to the component.

6. Conclusions

This study presents the design process for a high-insulation, high-frequency IPT system using a double-D coil design. The design consists of several steps that involve first the acquisition of the inductance parameters using 2D simulations with a circular coil geometry. This inductance parameter allows for obtaining ZVS operation over the MOSFETs and consequently better efficiency. After this characterization, 3D simulations are performed to confirm the 2D script findings. To extend the design from circular/rectangular to double-D, additional steps are added, performing another set of 2D simulations to study the relationship between the coil diameter and coil distance (d/D), coupling, and magnetizing inductance.
For the last step, 3D simulations are performed to obtain the design with double-D that consists of four turns per coil, totaling eight turns each for the primary and secondary windings. The outer diameter of each coil is set to 252.5 mm, with a distance d of 287.5 mm in a ferrite plane of 550 mm, separating primary and secondary by 50 mm. The extra steps to obtain this double-D design prove to be advantageous, as the losses in the enclosure reduce 96% approximately with an overall loss reduction of 42.4%. Furthermore, the relationship between the center coil distance and the outer diameter of the coils d / D reveals that the double-D can achieve better coupling if d / D is bigger than one, when the usual double-D construction uses a d / D equal to one.
Furthermore, the thermal simulation results validate the design choices, demonstrating that the double-D configuration significantly improves heat dissipation while maintaining system size and cost efficiency. The mean temperature of the dielectric oil is reduced by 11%, and the maximum temperature by 8.5%, ensuring better heat management. This improvement extends the operational lifespan of the dielectric oil and reduces the necessity for additional cooling mechanisms, making the system more practical and cost effective.
These results directly address the primary limitations in MFT design, improving the electrical insulation, enhancing thermal behavior, reducing stray field, and optimizing the space for the required efficiency.

Author Contributions

Methodology, J.B.-O. and E.G.-M.; Investigation, J.B.-O. and E.G.-M.; Writing—original draft, J.B.-O.; Writing—review and editing, E.G.-M., I.G.-P. and M.J.D. All authors have read and agreed to the published version of the manuscript.

Funding

The research has received funding from the European Union’s Horizon Europe project, SSTAR, under Grant Agreement No. 101069702.

Data Availability Statement

Data are contained within the article.

Conflicts of Interest

Author Juan Blanco-Ortiz was employed by the company Fundación CIRCE, author Eduardo García-Martinez was employed by the company Fundación CIRCE. The remaining authors declare that the research was conducted in the absence of any commercial or financial relationships that could be construed as potential conflicts of interest. The funders had no role in the design of the study; in the collection, analyses, or interpretation of data; in the writing of the manuscript; or in the decision to publish the results.

Abbreviations

The following abbreviations are used in this manuscript:
MFTMedium-Frequency Transformer
IPTInduction Power Transfer
SSTSolid-State Transformer
FEMFinite Element Method
QQuality factor
kCoupling coefficient
ZVSZero Voltage Switching
MVMedium Voltage
MOSFETMetal Oxide Semiconductor Field Effect Transistor
EVElectric Vehicle
PVCPolyvinyl chloride
HDPEHigh-density Polyethylene
DCDirect Current
ACAlternating Current
FEMMFinite Element Method Magnetics
LInductance
RMagnetic reluctance

References

  1. Alotaibi, I.; Abido, M.A.; Khalid, M.; Savkin, A.V. A comprehensive review of recent advances in smart grids: A sustainable future with renewable energy resources. Energies 2020, 13, 6269. [Google Scholar] [CrossRef]
  2. Hannan, M.A.; Ker, P.J.; Lipu, M.S.; Choi, Z.H.; Rahman, M.S.A.; Muttaqi, K.M.; Blaabjerg, F. State of the art of solid-state transformers: Advanced topologies, implementation issues, recent progress and improvements. IEEE Access 2020, 8, 19113–19132. [Google Scholar] [CrossRef]
  3. Cervero, D.; Fotopoulou, M.; Muñoz-Cruzado, J.; Rakopoulos, D.; Stergiopoulos, F.; Nikolopoulos, N.; Voutetakis, S.; Sanz, J.F. Solid State Transformers: A Critical Review of Projects with Relevant Prototypes and Demonstrators. Electronics 2023, 12, 931. [Google Scholar] [CrossRef]
  4. Huber, J.E.; Kolar, J.W. Solid-State Transformers: On the Origins and Evolution of Key Concepts. IEEE Ind. Electron. Mag. 2016, 10, 19–28. [Google Scholar] [CrossRef]
  5. Shamshuddin, M.A.; Rojas, F.; Cardenas, R.; Pereda, J.; Diaz, M.; Kennel, R. Solid state transformers: Concepts, classification, and control. Energies 2020, 13, 2319. [Google Scholar] [CrossRef]
  6. Czyz, P.; Guillod, T.; Zhang, D.; Krismer, F.; Huber, J.; Farber, R.; Franck, C.M.; Kolar, J.W. Analysis of the Performance Limits of 166 kW/7 kV Air- and Magnetic-Core Medium-Voltage Medium-Frequency Transformers for 1:1-DCX Applications. IEEE J. Emerg. Sel. Top. Power Electron. 2022, 10, 2989–3012. [Google Scholar] [CrossRef]
  7. Santos, N.; Chaves, M.; Gamboa, P.; Cordeiro, A.; Santos, N.; Pinto, S.F. High Frequency Transformers for Solid-State Transformer Applications. Appl. Sci. 2023, 13, 7262. [Google Scholar] [CrossRef]
  8. Medeiros, R.; Colak, I. Solid-State Transformers: How Far Have We Come? In Proceedings of the PCIM Europe Conference, Nuremberg, Germany, 9–11 May 2023; pp. 2385–2396. [Google Scholar] [CrossRef]
  9. Marzo, I.; Sanchez-Ruiz, A.; Barrena, J.A.; Abad, G.; Muguruza, I. Power balancing in cascaded H-Bridge and modular multilevel converters under unbalanced operation: A review. IEEE Access 2021, 9, 110525–110543. [Google Scholar] [CrossRef]
  10. Bashir, S.B.; Ismail, A.A.A.; Elnady, A.; Farag, M.M.; Hamid, A.K.; Bansal, R.C.; Abo-Khalil, A.G. Modular Multilevel Converter-Based Microgrid: A Critical Review. IEEE Access 2023, 11, 65569–65589. [Google Scholar] [CrossRef]
  11. Elsanabary, A.I.; Konstantinou, G.; Mekhilef, S.; Townsend, C.D.; Seyedmahmoudian, M.; Stojcevski, A. Medium Voltage Large-Scale Grid-Connected Photovoltaic Systems Using Cascaded H-Bridge and Modular Multilevel Converters: A Review. IEEE Access 2020, 8, 223686–223699. [Google Scholar] [CrossRef]
  12. Ballestín-Fuertes, J.; Muñoz-Cruzado-alba, J.; Sanz-Osorio, J.F.; Laporta-Puyal, E. Role of wide bandgap materials in power electronics for smart grids applications. Electronics 2021, 10, 677. [Google Scholar] [CrossRef]
  13. Ortiz, G.; Biela, J.; Kolar, J.W. Optimized design of medium frequency transformers with high isolation requirements. In Proceedings of the IECON 2010—36th Annual Conference on IEEE Industrial Electronics Society, Glendale, AZ, USA, 7–10 November 2010; pp. 631–638. [Google Scholar] [CrossRef]
  14. Tang, T.; Ferreira, J.; Mao, S.; Wang, W.; Niasar, M.G. Design of a Medium Frequency Transformer with High Insulation Level for Dual Active Bridge DC-DC Converter. In Proceedings of the 2019 10th International Conference on Power Electronics and ECCE Asia (ICPE 2019—ECCE Asia), Busan, Republic of Korea, 27–31 May 2019; pp. 1–8. [Google Scholar] [CrossRef]
  15. Guo, Z.; Sen, S.; Rajendran, S.; Huang, Q.; Feng, X.; Huang, A.Q. Design of a 200 kW Medium-Frequency Transformer (MFT) With High Insulation Capability. In Proceedings of the 2020 IEEE Energy Conversion Congress and Exposition (ECCE), Detroit, MI, USA, 11–15 October 2020; pp. 3471–3477. [Google Scholar] [CrossRef]
  16. Kharezy, M.; Mirzaei, H.R.; Thiringer, T.; Serdyuk, Y.V. Green Solution for Insulation System of a Medium Frequency High Voltage Transformer for an Offshore Wind Farm. Energies 2022, 15, 1998. [Google Scholar] [CrossRef]
  17. Osorio, J.F.S.; Buil, J.M.P.; Alba, J.M.C.; Halli, R.A.; Gazulla, J.L.V. Inductive Coupling Device and Electronic Transformer That Makes Use of the Same. ES Patent ES2739876A1, 15 July 2020. [Google Scholar]
  18. Kong, D.; Min, Q.; Lu, S.; Li, S. A High-frequency High-power Transformer Based on Split Planar Coils for High-isolation Applications. In Proceedings of the 2021 IEEE 4th International Electrical and Energy Conference (CIEEC), Wuhan, China, 28–30 May 2021; pp. 1–5. [Google Scholar] [CrossRef]
  19. Lu, S.; Kong, D.; Xu, S.; Luo, L.; Li, S. A High-Efficiency 80-kW Split Planar Transformer for Medium-Voltage Modular Power Conversion. IEEE Trans. Power Electron. 2022, 37, 8762–8766. [Google Scholar] [CrossRef]
  20. Guo, Z.; Chen, C.; Chen, Z.; Huang, A.Q. A High Power High Isolation Medium Frequency Transformer with A Planar Matrix Structure. In Proceedings of the 2023 IEEE Energy Conversion Congress and Exposition (ECCE), Nashville, TN, USA, 29 October–2 November 2023; pp. 5827–5830. [Google Scholar] [CrossRef]
  21. International Electrotechnical Commission. IEC 60076-3: Power Transformers—Part 3: Insulation Levels, Dielectric Tests and External Clearances in Air, 3rd ed.; International Electrotechnical Commission: Geneva, Switzerland, 2013. [Google Scholar]
  22. Mihet-popa, L.; Member, S. Inductive Wireless Power Transfer Charging for Electric Vehicles— A Review. IEEE Access 2021, 9, 137667–137713. [Google Scholar] [CrossRef]
  23. Torres-Alfonso, I.M.; Costas-Sos, C.; Munoz-Gomez, A.M.; Villa, J.L.; Perie-Buil, J.M.; Bernal-Martinez, A.; Garcia-Izquierdo, O. An Interoperable 50 kW Inductive Power Transfer Design for Opportunity Wireless Vehicle Charging. In Proceedings of the PCIM Europe 2023; International Exhibition and Conference for Power Electronics, Intelligent Motion, Renewable Energy and Energy Management, Nuremberg, Germany, 9–11 May 2023; pp. 1–10. [Google Scholar] [CrossRef]
  24. Costas-Sos, C.; Torres-Alfonso, I.M.; Perie-Buil, J.M.; Munoz-Gomez, A.M. Implementation and Verification of a 50 kW Opportunity Wireless Charger Design. In Proceedings of the PCIM Europe 2024; International Exhibition and Conference for Power Electronics, Intelligent Motion, Renewable Energy and Energy Management, Nuremberg, Germany, 11–13 June 2024; pp. 205–213. [Google Scholar] [CrossRef]
  25. Tran, M.T.; Thekkan, S.; Polat, H.; Tran, D.D.; Baghdadi, M.E.; Hegazy, O. Inductive Wireless Power Transfer Systems for Low-Voltage and High-Current Electric Mobility Applications: Review and Design Example. Energies 2023, 16, 2953. [Google Scholar] [CrossRef]
  26. Haerinia, M.; Shadid, R. Wireless Power Transfer Approaches for Medical Implants: A Review. Signals 2020, 1, 209–229. [Google Scholar] [CrossRef]
  27. Schormans, M.; Valente, V.; Demosthenous, A. Practical Inductive Link Design for Biomedical Wireless Power Transfer: A Tutorial. IEEE Trans. Biomed. Circuits Syst. 2018, 12, 1112–1130. [Google Scholar] [CrossRef]
  28. Kojiya, T.; Sato, F.; Matsuki, H.; Sato, T. Construction of non-contacting power feeding system to underwater vehicle utilizing electro magnetic induction. In Proceedings of the Europe Oceans 2005, Brest, France, 20–23 June 2005; Volume 1, pp. 709–712. [Google Scholar] [CrossRef]
  29. Zhu, J.Q.; Ban, Y.L.; Zhang, Y.; Yan, Z.; Xu, R.M.; Mi, C.C. Three-Coil Wireless Charging System for Metal-Cover Smartphone Applications. IEEE Trans. Power Electron. 2020, 35, 4847–4858. [Google Scholar] [CrossRef]
  30. Xu, Q.; Hu, Q.; Wang, H.; Mao, Z.H.; Sun, M. Optimal Design of Planar Spiral Coil for Uniform Magnetic Field to Wirelessly Power Position-Free Targets. IEEE Trans. Magn. 2021, 57, 1–9. [Google Scholar] [CrossRef]
  31. Kim, S.M.; Cho, I.K.; Kim, S.W.; Moon, J.I.; Lee, H.J. A Qi-compatible Wireless Charging Pocket for Smartphone. In Proceedings of the 2020 IEEE Wireless Power Transfer Conference (WPTC), Seoul, Republic of Korea, 15–19 November 2020; pp. 387–390. [Google Scholar] [CrossRef]
  32. Schuylenbergh, K.V.; Puers, R. Inductive Powering: Basic Theory and Application to Biomedical Systems; Analog Circuits and Signal Processing Series; Springer: Milton Keynes, UK, 2009. [Google Scholar]
  33. Hu, M.; Madawala, U.K.; Baguley, C. A Reluctance-based Model for the Design of Inductive Power Transfer Coils. In Proceedings of the 2021 IEEE Southern Power Electronics Conference (SPEC), Virtual, 6–9 December 2021; pp. 1–6. [Google Scholar] [CrossRef]
  34. Guillod, T.; Krismer, F.; Kolar, J.W. Magnetic equivalent circuit of MF transformers: Modeling and parameter uncertainties. Electr. Eng. 2018, 100, 2261–2275. [Google Scholar] [CrossRef]
  35. Kacki, M.; Rylko, M.S.; Hayes, J.G.; Sullivan, C.R. A Study of Flux Distribution and Impedance in Solid and Laminar Ferrite Cores. In Proceedings of the 2019 IEEE Applied Power Electronics Conference and Exposition (APEC), Anaheim, CA, USA, 17–21 March 2019; pp. 2681–2687. [Google Scholar] [CrossRef]
  36. Li, Z.; Hsieh, Y.H.; Li, Q.; Lee, F.C.; Ahmed, M.H. High-Frequency Transformer Design with High-Voltage Insulation for Modular Power Conversion from Medium-Voltage AC to 400-V DC. In Proceedings of the 2020 IEEE Energy Conversion Congress and Exposition (ECCE), Detroit, MI, USA, 11–15 October 2020; pp. 5053–5060. [Google Scholar] [CrossRef]
  37. Alvarez-Gomez, L.A.; Lopez-Fernandez, X.M.; de Leon, F.; Ramos, A. Three-Phase Three-Legged Wye-Wye Transformers with Only One Neutral Grounded and no SW—Part II: Zero-Sequence Permissible Temperature. IEEE Trans. Power Deliv. 2024, 39, 1462–1473. [Google Scholar] [CrossRef]
  38. He, R.; Ning, G.; Jiang, Y.; Zhao, K.; Fu, M. A D4Q Pad with High Misalignment Tolerance for Inductive Power Transfer System. In Proceedings of the 2020 IEEE PELS Workshop on Emerging Technologies: Wireless Power Transfer (WoW), Seoul, Republic of Korea, 15–19 November 2020; pp. 98–101. [Google Scholar] [CrossRef]
  39. Aydin, E.; Aydemir, M.T.; Aksoz, A.; Baghdadi, M.E.; Hegazy, O. Inductive Power Transfer for Electric Vehicle Charging Applications: A Comprehensive Review. Energies 2022, 15, 4962. [Google Scholar] [CrossRef]
  40. Budhia, M.; Boys, J.T.; Covic, G.A.; Huang, C.Y. Development of a Single-Sided Flux Magnetic Coupler for Electric Vehicle IPT Charging Systems. IEEE Trans. Ind. Electron. 2013, 60, 318–328. [Google Scholar] [CrossRef]
  41. Bosshard, R.; Iruretagoyena, U.; Kolar, J.W. Comprehensive Evaluation of Rectangular and Double-D Coil Geometry for 50 kW/85 kHz IPT System. IEEE J. Emerg. Sel. Top. Power Electron. 2016, 4, 1406–1415. [Google Scholar] [CrossRef]
  42. Acero, J.; Lope, I.; Carretero, C.; Sarnago, H.; Burdío, J.M. Comparative Evaluation of Different Cables for Magnetic Couplers in Inductive Power Transfer Systems. IEEE Trans. Ind. Appl. 2024, 60, 3459–3471. [Google Scholar] [CrossRef]
  43. International Organization for Standardization. ISO 2768-1:1989(en) General Tolerances—Part 1: Tolerances for Linear and Angular Dimensions Without Individual Tolerance Indications, 1st ed.; International Organization for Standardization: Geneva, Switzerland, 1989. [Google Scholar]
Figure 1. (a) Results of the comparison between the diameter of the coil and the coupling coefficient. (b) Representation of the efficiency Equation (1), with different values of ( Q ) .
Figure 1. (a) Results of the comparison between the diameter of the coil and the coupling coefficient. (b) Representation of the efficiency Equation (1), with different values of ( Q ) .
Electronics 14 01059 g001
Figure 2. Description of the algorithm followed to evaluate each IPT geometry between 330 mm and 550 mm of the ferrite plane length.
Figure 2. Description of the algorithm followed to evaluate each IPT geometry between 330 mm and 550 mm of the ferrite plane length.
Electronics 14 01059 g002
Figure 3. Electrical diagram of the resonant tank in a CLLLC configuration and the two full bridges with SiC MOSFETs.
Figure 3. Electrical diagram of the resonant tank in a CLLLC configuration and the two full bridges with SiC MOSFETs.
Electronics 14 01059 g003
Figure 4. Losses results and maximum voltage over resonant capacitors with the different IPT variations.
Figure 4. Losses results and maximum voltage over resonant capacitors with the different IPT variations.
Electronics 14 01059 g004
Figure 5. Volumetric loss distribution in the IPT enclosure with a rectangular coil design, totaling 269.9 W. The highest losses occur near the edges of the ferrite plane, where an increased stray flux intensifies energy losses in the enclosure.
Figure 5. Volumetric loss distribution in the IPT enclosure with a rectangular coil design, totaling 269.9 W. The highest losses occur near the edges of the ferrite plane, where an increased stray flux intensifies energy losses in the enclosure.
Electronics 14 01059 g005
Figure 6. Flux distribution in the double-D arrangement. The purple areas denote the concatenated flux linking the primary and secondary coils, labeled as ϕ m 1 and ϕ m 2 . The green areas correspond to the leakage flux confined within the generating coil, identified as ϕ l 1 , ϕ l 2 , and ϕ l 3 . The purple arrow marks the direction of the concatenated flux.
Figure 6. Flux distribution in the double-D arrangement. The purple areas denote the concatenated flux linking the primary and secondary coils, labeled as ϕ m 1 and ϕ m 2 . The green areas correspond to the leakage flux confined within the generating coil, identified as ϕ l 1 , ϕ l 2 , and ϕ l 3 . The purple arrow marks the direction of the concatenated flux.
Electronics 14 01059 g006
Figure 7. Qualitative reluctance model. The reluctance model represents the different magnetic flux paths shown in Figure 6. The colors of the reluctances correspond to the respective magnetic flux region, facilitating a clear correlation between the flux distribution and its associated reluctances.
Figure 7. Qualitative reluctance model. The reluctance model represents the different magnetic flux paths shown in Figure 6. The colors of the reluctances correspond to the respective magnetic flux region, facilitating a clear correlation between the flux distribution and its associated reluctances.
Electronics 14 01059 g007
Figure 8. Coupling and magnetizing inductance for several coil diameters.
Figure 8. Coupling and magnetizing inductance for several coil diameters.
Electronics 14 01059 g008
Figure 9. Volumetric losses in the IPT enclosure for double-D coil construction. Total losses equals to 4.38 W. The distribution of volumetric losses is an order of magnitude lower compared to the rectangular coil type.
Figure 9. Volumetric losses in the IPT enclosure for double-D coil construction. Total losses equals to 4.38 W. The distribution of volumetric losses is an order of magnitude lower compared to the rectangular coil type.
Electronics 14 01059 g009
Figure 10. Magnetic flux density (B) in the primary coils of the double-D coil configuration. The flux density is higher in the central region of the ferrite compared to its surroundings. This increase occurs because the coils in the same plane have currents flowing in the same direction, causing their generated flux to combine and increase the overall flux density.
Figure 10. Magnetic flux density (B) in the primary coils of the double-D coil configuration. The flux density is higher in the central region of the ferrite compared to its surroundings. This increase occurs because the coils in the same plane have currents flowing in the same direction, causing their generated flux to combine and increase the overall flux density.
Electronics 14 01059 g010
Figure 11. Section view of the IPT with double-D construction and all the different materials associated. The wooden coil former, aluminum plate below the ferrites, ferrite plane, coil structure, and wooden base legs inside the steel enclosure.
Figure 11. Section view of the IPT with double-D construction and all the different materials associated. The wooden coil former, aluminum plate below the ferrites, ferrite plane, coil structure, and wooden base legs inside the steel enclosure.
Electronics 14 01059 g011
Figure 12. Section view of the IPT with rectangular construction and all the different materials associated. Same materials as double-D construction.
Figure 12. Section view of the IPT with rectangular construction and all the different materials associated. Same materials as double-D construction.
Electronics 14 01059 g012
Figure 13. Section view of the IPT with temperature distribution for the double-D construction.
Figure 13. Section view of the IPT with temperature distribution for the double-D construction.
Electronics 14 01059 g013
Figure 14. Section view of the IPT with temperature distribution for the rectangular construction.
Figure 14. Section view of the IPT with temperature distribution for the rectangular construction.
Electronics 14 01059 g014
Table 1. Comparison between rectangular coil design and double-D design. Losses at 20 ° C.
Table 1. Comparison between rectangular coil design and double-D design. Losses at 20 ° C.
Rectangular CoilDouble-D
L 11 ( μ H)39.6443.53
Total cable length (m)7.529.22
Primary wire resistance (m Ω )4.936.04
DC windings loss (W)98.6120.8
DC+AC windings loss (W)130.4144.46
Mean B field (T)0.0650.085
Total core losses (3C95) (W)34.17101.04
Enclosure losses269.64.38
Total Losses434.17249.88
Disclaimer/Publisher’s Note: The statements, opinions and data contained in all publications are solely those of the individual author(s) and contributor(s) and not of MDPI and/or the editor(s). MDPI and/or the editor(s) disclaim responsibility for any injury to people or property resulting from any ideas, methods, instructions or products referred to in the content.

Share and Cite

MDPI and ACS Style

Blanco-Ortiz, J.; García-Martínez, E.; González-Prieto, I.; Duran, M.J. A 75 kW Medium-Frequency Transformer Design Based in Inductive Power Transfer (IPT) for Medium-Voltage Solid-State Transformer Applications. Electronics 2025, 14, 1059. https://doi.org/10.3390/electronics14061059

AMA Style

Blanco-Ortiz J, García-Martínez E, González-Prieto I, Duran MJ. A 75 kW Medium-Frequency Transformer Design Based in Inductive Power Transfer (IPT) for Medium-Voltage Solid-State Transformer Applications. Electronics. 2025; 14(6):1059. https://doi.org/10.3390/electronics14061059

Chicago/Turabian Style

Blanco-Ortiz, Juan, Eduardo García-Martínez, Ignacio González-Prieto, and Mario J. Duran. 2025. "A 75 kW Medium-Frequency Transformer Design Based in Inductive Power Transfer (IPT) for Medium-Voltage Solid-State Transformer Applications" Electronics 14, no. 6: 1059. https://doi.org/10.3390/electronics14061059

APA Style

Blanco-Ortiz, J., García-Martínez, E., González-Prieto, I., & Duran, M. J. (2025). A 75 kW Medium-Frequency Transformer Design Based in Inductive Power Transfer (IPT) for Medium-Voltage Solid-State Transformer Applications. Electronics, 14(6), 1059. https://doi.org/10.3390/electronics14061059

Note that from the first issue of 2016, this journal uses article numbers instead of page numbers. See further details here.

Article Metrics

Back to TopTop