An H-Bridge Switched Tank Converter with Reduced Inductance
Abstract
1. Introduction
2. Working Principle of Single-Inductance H-Bridge Switched Tank Converter (STC)
2.1. Derivation of Switched Tank Converte (STC) Topology of Single-Inductance H-Bridge
2.2. Working Principle of Single-Inductance H-Bridge STC Circuit
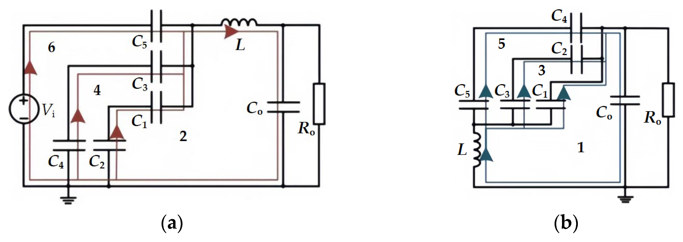
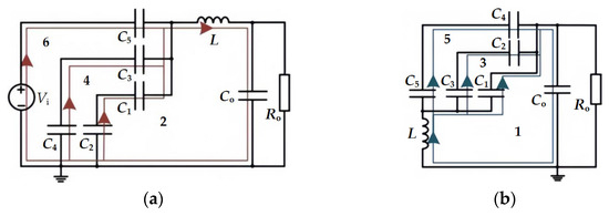
- Working mode 1: The group A switch is on, the group B switch is off, the input voltage source Vi charges the resonant capacitor C5 and output capacitor Co, and non-resonant capacitors C4 and C2 charge the resonant capacitors C3 and C1 and output capacitor Co, respectively. Figure 7a shows the equivalent circuit, the red lines in the figure are the circuit loops, and the arrows indicate the current flow direction.
- Working mode 2: The group B switch is on, the group A switch is off, resonant capacitors C5 and C3 charge non-resonant capacitors C4 and C2 and output capacitor Co, respectively, and resonant capacitor C1 charges output capacitor Co. Figure 7b shows the equivalent circuit, the green lines in the figure are the circuit loops, and the arrows indicate the current flow direction.
2.3. Design of Resonant Element
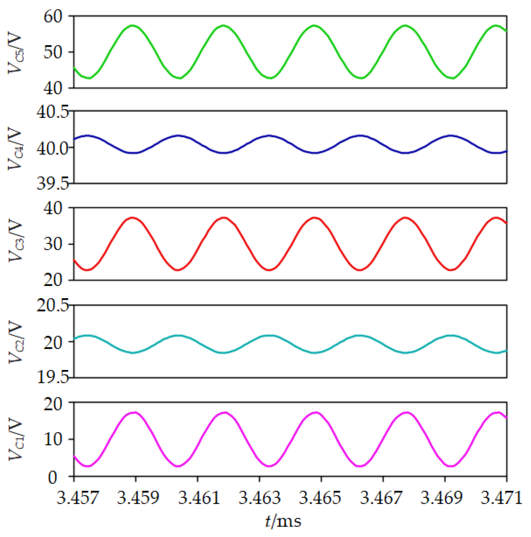
3. Influence of Parameter Error of Passive Device and Its Solution
3.1. Influence of Passive Device Parameter Error
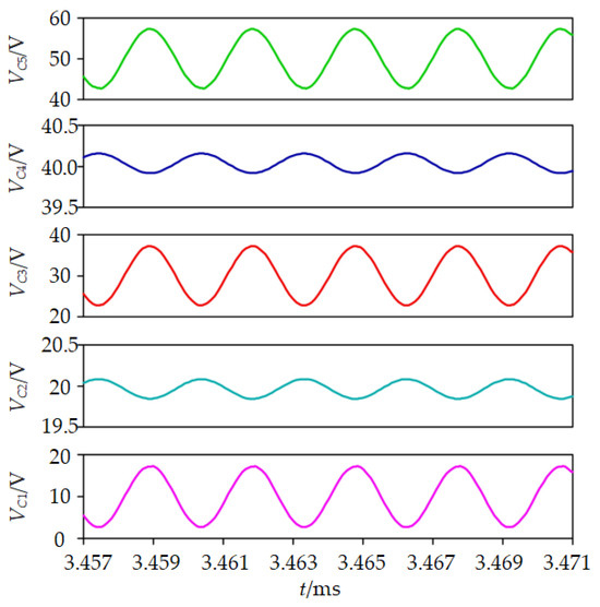
3.2. Solution of Passive Device Parameter Error
4. Device Selection
4.1. Switch Tube Power Loss Analysis and Selection
4.2. Capacitor and Inductor Selection
5. Simulation Analysis
6. Experimental Verification
6.1. Experimental Introduction
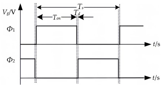
6.2. Experimental Verification Under Traditional Control Method
6.3. Experimental Verification Under Improved Control
7. Conclusions
- The topology simplifies the number of switches and magnetic components and improves the power density, with a high power density of 1041 W/in3 at 600 W.
- The improved control method proposed in this paper can effectively solve the problem caused by the parameter error of passive devices and avoid the circulation in the circuit, thus reducing circuit loss and improving efficiency. The proposed single-inductance H-bridge STC circuit can achieve a step-down ratio of 6:1.
Author Contributions
Funding
Data Availability Statement
Acknowledgments
Conflicts of Interest
References
- From 48 V Direct to Intel VR12.0: Saving ‘Big Data’ $500,000 per Data Center, per Year. Available online: https://www.mouser.com/pdfdocs/wp_VR12.pdf (accessed on 6 October 2024).
- Ahmed, M.H.; Fei, C.; Lee, F.C.; Li, Q. 48-V Voltage Regulator Module with PCB Winding Matrix Transformer for Future Data Centers. IEEE Trans. Ind. Electron. 2017, 64, 9302–9310. [Google Scholar] [CrossRef]
- Ren, X.Y.; Ruan, X.B. Two-stage Converter Applicable to High Voltage Input Low Voltage Output Case. Proc. CSEE 2005, 23, 153–157. [Google Scholar] [CrossRef]
- Ahmed, M.H.; Lee, F.C.; Li, Q. Two-stage 48-V VRM with Intermediate Bus Voltage Optimization for Data Centers. IEEE J. Emerg. Sel. Top. Power Electron. 2021, 9, 702–715. [Google Scholar] [CrossRef]
- Ahmed, M.H.; Lee, F.C.; Li, Q.; Rooij, M.d. Design Optimization of Unregulated LLC Converter with Integrated Magnetics for Two-stage 48V VRM. In Proceedings of the IEEE Energy Conversion Congress and Exposition (ECCE), Baltimore, MD, USA, 29 September–3 October 2019; pp. 521–528. [Google Scholar] [CrossRef]
- Zhou, S.L.; Tian, Y.T.; Bi, J.B.; Cheng, Y.H. Research on Phase-shifted Full-bridge DC/DC Converter Based on FB-ZVZCS. Power Electron. 2019, 53, 16–19. [Google Scholar]
- Zhang, Z.; Eberle, W.; Liu, Y.F.; Sen, P.C. A Novel Non-isolated ZVS Asymmetrical Buck Converter for 12 V Voltage Regulators. In Proceedings of the IEEE Power Electronics Specialists Conference, Rhodes, Greece, 15–19 June 2008; pp. 974–978. [Google Scholar] [CrossRef]
- Sano, K.; Fujita, H. Performance of a High-efficiency Switched-capacitor-based Resonant Converter with Phase-shift Control. IEEE Trans. Power Electron. 2010, 26, 344–354. [Google Scholar] [CrossRef]
- Yan, C.Z.; Yang, X.F.; Liu, Y.; Wen, P.; Zheng, T.; Chen, Q. Duty Cycle Optimization of Phase Shift Control Based on Resonant Switched Capacitor Converter. Trans. China Electrotech. Soc. 2021, 36, 676–687. [Google Scholar] [CrossRef]
- Li, Z.W.; Wu, X.Z.; Wang, J.; Qi, J.J.; Jing, L.; Xu, W.Z. Design of Magnetic Integrated Inductor for Resonant Switched Capacitor Converter. Trans. China Electrotech. Soc. 2022, 37, 6230–6238. [Google Scholar]
- Wen, P.; Yang, X.F.; Yan, C.L.; Zheng, T.; Igarashi, S.; Takaku, T. A SiC Modules Based Resonant Switched Capacitor Converter. Proc. CSEE 2020, 40, 8111–8122. [Google Scholar] [CrossRef]
- Abbasi, M.; Abbasi, E.; Tousi, B.; Gharehpetian, G.B. A Zero-current Switching Switched-capacitor DC-DC Converter with Reduction in Cost, Complexity and Size. Int. J. Circuit Theory Appl. 2019, 47, 1630–1644. [Google Scholar] [CrossRef]
- Li, Y.; Curuvija, B.; Lyu, X.; Cao, D. Multilevel Modular Switched-capacitor Resonant Converter with Voltage Regulation. In Proceedings of the IEEE Applied Power Electronics Conference and Exposition (APEC), Tampa, FL, USA, 26–30 March 2017; pp. 88–93. [Google Scholar] [CrossRef]
- Li, Y.; Lyu, X.; Cao, D.; Jiang, S.; Nan, C. A 98.55% Efficiency Switched-tank Converter for Data Center Application. IEEE Trans. Ind. Appl. 2018, 54, 6205–6222. [Google Scholar] [CrossRef]
- Lyu, X.; Li, Y.; Ren, N.; Nan, C.; Cao, D.; Jiang, S. Optimization of High-density and High-efficiency Switched-tank Converter for Data Center Applications. IEEE Trans. Ind. Electron. 2019, 67, 1626–1637. [Google Scholar] [CrossRef]
- Jong, O.; Li, Q.; Lee, F.C. Resonant Switched-capacitor Converter with Multi-resonant Frequencies. In Proceedings of the IEEE Applied Power Electronics Conference and Exposition (APEC), Anaheim, CA, USA, 17–21 March 2019; pp. 2177–2184. [Google Scholar] [CrossRef]
- Sovik, G.; Urkin, T.; Masandilov, E.E.; Peretz, M.M. Optimal Self-Tuning Control for Data-Centers 48V-12V ZCS-STC. In Proceedings of the IEEE Applied Power Electronics Conference and Exposition (APEC), New Orleans, LA, USA, 15–19 March 2020; pp. 455–462. [Google Scholar] [CrossRef]






















| Vds/V | Id/A | Id.pulsed/A | |
|---|---|---|---|
| EPC2023 | 30 | 90 | 560 |
| BSZ013NE2LS5I (Vgs = 5 V) | 25 | 162 | 744 |
| BSZ013NE2LS5I (Vgs = 10 V) | 25 | 186 | 744 |
| Parameter | Value |
|---|---|
| Vi/V | 60 |
| Vo/V | 10 |
| Po/W | 600 |
| C1,5/µF | 1.98 |
| C3/µF | 1.78 |
| C2,4/µF | 120 |
| L/nH | 32.4 |
| Ro/Ω | 0.167 |
| fr/kHz | 345 |
| fs/kHz | 345 |
| Parameter | Value |
|---|---|
| Vi/V | 60 |
| Vo/V | 10 |
| Po/W | 600 |
| C1,3,5/µF | 1.98 |
| C2,4/µF | 120 |
| L/nH | 36 |
| Ro/Ω | 0.167 |
| fr/kHz | 345 |
| fs/kHz | 345 |
Disclaimer/Publisher’s Note: The statements, opinions and data contained in all publications are solely those of the individual author(s) and contributor(s) and not of MDPI and/or the editor(s). MDPI and/or the editor(s) disclaim responsibility for any injury to people or property resulting from any ideas, methods, instructions or products referred to in the content. |
© 2025 by the authors. Licensee MDPI, Basel, Switzerland. This article is an open access article distributed under the terms and conditions of the Creative Commons Attribution (CC BY) license (https://creativecommons.org/licenses/by/4.0/).
Share and Cite
Yang, X.; Meng, R.; Li, H.; Zhang, J.; Bai, X.; Li, R. An H-Bridge Switched Tank Converter with Reduced Inductance. Electronics 2025, 14, 472. https://doi.org/10.3390/electronics14030472
Yang X, Meng R, Li H, Zhang J, Bai X, Li R. An H-Bridge Switched Tank Converter with Reduced Inductance. Electronics. 2025; 14(3):472. https://doi.org/10.3390/electronics14030472
Chicago/Turabian StyleYang, Xinxin, Runquan Meng, Huajian Li, Jiahui Zhang, Xiang Bai, and Ruishu Li. 2025. "An H-Bridge Switched Tank Converter with Reduced Inductance" Electronics 14, no. 3: 472. https://doi.org/10.3390/electronics14030472
APA StyleYang, X., Meng, R., Li, H., Zhang, J., Bai, X., & Li, R. (2025). An H-Bridge Switched Tank Converter with Reduced Inductance. Electronics, 14(3), 472. https://doi.org/10.3390/electronics14030472
