A Multi-Objective Metaheuristic and Multi-Armed Bandit Hybrid-Based Multi-Corridor Coupled TTC Calculation Method
Abstract
1. Introduction
2. Materials and Methods
2.1. TTC Calculation Model
2.1.1. Objective Function
2.1.2. Power Flow Constraint
2.1.3. Transient Stability Constraints
- (1)
- Transient rotor angle stability constraints
- (2)
- Transient voltage stability constraints
2.1.4. Steady-State Operational Constraints
2.1.5. Reactive Power Resource Operation Constraint
2.2. Multi-Corridor Coupled TTC Calculation Method
2.2.1. Theoretical Calculation Model for Multi-Corridor Coupled TTC
2.2.2. MOEA/D-FRRMAB
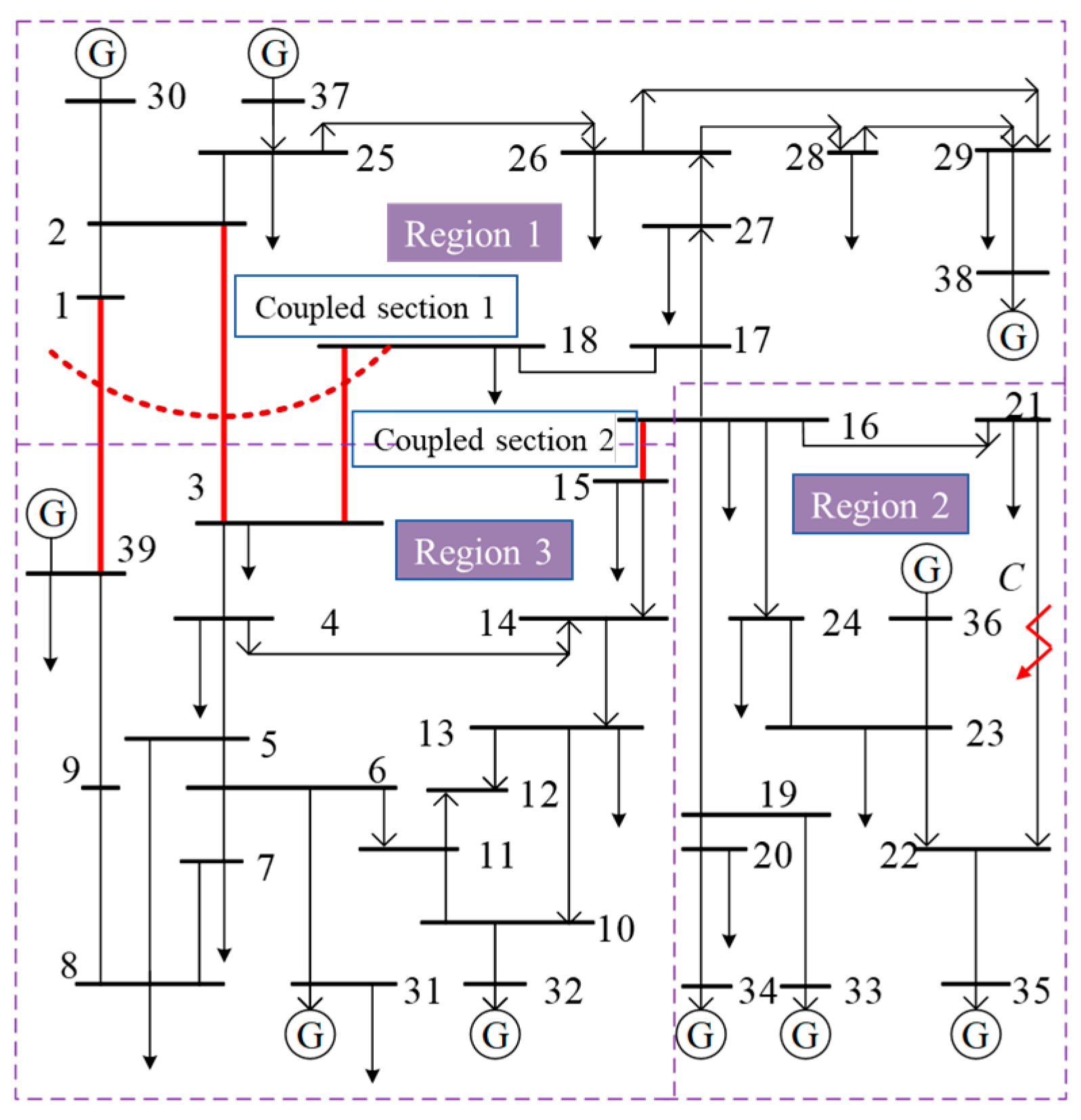
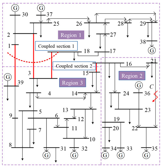
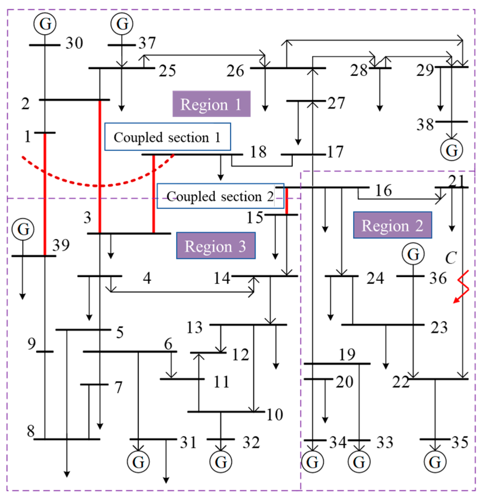
3. Results
4. Discussion
4.1. Sensitivity Analysis
4.2. Algorithm Scalability Analysis
5. Conclusions
- (1)
- Propose a novel transmission corridor TTC calculation model that incorporates multiple stability constraints and hybrid operational resources. Building upon this foundation, we further develop a multi-corridor coupled TTC computation model that explicitly accounts for inter-corridor dependencies.
- (2)
- To address the limitations of conventional metaheuristics in handling model non-convexity, nonlinearity, and multi-objective conflicts, this study introduces the MOEA/D-FRRMAB algorithm. Through its unique FRRMAB mechanism, the algorithm effectively balances solution convergence accuracy and distribution uniformity. Experimental validation on the IEEE 39-bus system demonstrates that compared to the high-performance multi-objective metaheuristic NSGA-II, MOEA/D-FRRMAB shows remarkable advantages in Pareto frontier generation quality, achieving a 71.11% reduction in AED and a 67.90% decrease in RMSE.
Author Contributions
Funding
Data Availability Statement
Conflicts of Interest
Nomenclature
| Sets | |
| Set of corridors. | |
| Set of all nodes. | |
| Set of all generators. | |
| Set of tie-lines. | |
| Set of all reactive power compensation nodes. | |
| Parameters | |
| Transient process start time. | |
| Transient process end time. | |
| The voltage threshold for node i. | |
| Allowable duration of the minimum bus voltage below during the post-fault transient process. | |
| Critical voltage deviation factor. | |
| The current capacity limit of line . | |
| Upper limit of active power output for generator i. | |
| Lower limit of active power output for generator i. | |
| Upper limit of reactive power output for generator i. | |
| Lower limit of reactive power output for generator i. | |
| Upper limit of voltage for bus i. | |
| Lower limit of voltage for bus i. | |
| The unit capacity of switched capacitors. | |
| The upper limits of capacitor banks at node i. | |
| The lower limits of capacitor banks at node i. | |
| The maximum allowable capacitor capacity at node i. | |
| Variables | |
| The power transmission along corridor . | |
| The active power outputs of generator i. | |
| The reactive power outputs of generator i. | |
| The injected power from reactive power compensation devices. | |
| The active loads at node i. | |
| The reactive loads at node i. | |
| The voltage magnitude at node i. | |
| The phase angle at node i. | |
| The magnitude of the bus admittance matrix elements. | |
| The angle of the bus admittance matrix elements. | |
| The rotor angle of generator i. | |
| Transient rotor angle stability index. | |
| The minimum post-fault transient voltage at node i. | |
| The total duration of voltage below . | |
| The time step when for the j-th occurrence. | |
| The restored steady-state voltage at node i. | |
| The 0-1 integer variable for capacitor switching. | |
| The number of capacitor banks switched at node i. |
References
- Medina, C.; Ana, C.R.M.; González, G. Transmission grids to foster high penetration of large-scale variable renewable energy sources–A review of challenges, problems, and solutions. Int. J. Renew. Energy Res. (IJRER) 2022, 12, 146–169. [Google Scholar]
- Alam, M.S.; Al-Ismail, F.S.; Salem, A.; Abido, M.A. High-Level Penetration of Renewable Energy Sources into Grid Utility: Challenges and Solutions. IEEE Access 2020, 8, 190277–190299. [Google Scholar] [CrossRef]
- Impram, S.; Nese, S.V.; Oral, B. Challenges of renewable energy penetration on power system flexibility: A survey. Energy Strategy Rev. 2020, 31, 100539. [Google Scholar] [CrossRef]
- Fang, Y.; Cui, X.; Wang, S.; Huanf, Z. Coordinated limit power calculation of multi-sections with transient stability limit coupling. Autom. Electr. Power Syst. 2015, 39, 53–58. [Google Scholar]
- Liu, X.; Min, Y.; Chen, L.; Zhang, X.; Feng, C.; Hu, W. A pragmatic method to determine transient stability constrained interface real power flow limit via power system scenario similarity. CSEE J. Power Energy Syst. 2019, 6, 131–141. [Google Scholar] [CrossRef]
- Transmission Transfer Capability Task Force. Available Transfer Capability Definitions and Determination; North American Electric Reliability Council: Princeton, NJ, USA, 1996. [Google Scholar]
- Mohammed, O.O.; Mustafa, M.W.; Mohammed, D.S.S.; Otuoze, A.O. Available transfer capability calculation methods: A comprehensive review. Int. Trans. Elect. Energy Syst. 2019, 29, e2846. [Google Scholar] [CrossRef]
- State Grid Dispatching Center. Preparation Process of National Power System Operation Mode; State Grid Dispatching Center: Beijing, China, 2021. (In Chinese) [Google Scholar]
- Wang, Z.; Zhou, Y.; Guo, Q.; Sun, H.; Yan, Z.; Yang, K. Active transfer learning for TTC assessment of transmission interfaces with changing operating scenarios. Proc. CSEE 2023, 43, 5732–5744. [Google Scholar]
- Wang, F.; Wang, H.; Yu, X.; Zhang, Z.; Chen, Q.; Yang, L. Section power sensitivity control considering out-of-limit degrees. Power Syst. Technol. 2023, 47, 3847–3854. [Google Scholar]
- Li, W.; Vaahedi, E.; Lin, Z. BC Hydro’s Transmission Reliability Margin Assessment in Total Transfer Capability Calculations. IEEE Trans. Power Syst. 2013, 28, 4796–4802. [Google Scholar] [CrossRef]
- Cheng, H.; Li, J.; Wu, Y.; Chen, H.; Zhang, N.; Liu, L. Challenges and prospects for AC/DC transmission expansion planning considering high proportion of renewable energy. Autom. Electr. Power Syst. 2017, 41, 19–27. [Google Scholar]
- Tinney, W.F.; Wang, X.; Frame, J.G.; Waight, J.G.; Tong, J.; Ejebe, G.C. Available transfer capability calculations. IEEE Trans. Power Syst. 1998, 13, 1521–1527. [Google Scholar] [CrossRef]
- Ilic, M.; Galiana, F.; Fink, L.; Bose, A.; Mallet, P.; Othman, H. Transmission capacity in power networks. Int. J. Electr. Power Energy Syst. 1998, 20, 99–110. [Google Scholar] [CrossRef]
- Hou, Q.; Zhang, N.; Kirschen, D.S.; Du, E.; Cheng, Y.; Kang, C. Sparse oblique decision tree for power system security rules extraction and embedding. IEEE Trans. Power Syst. 2021, 36, 1605–1615. [Google Scholar] [CrossRef]
- Yu, L.; Wu, X.; Cheng, L.; Li, X. Transmission section limit power calculation based on improved-inspired bat algorithm. J. Phys. Conf. Ser. 2023, 2592, 012082. [Google Scholar] [CrossRef]
- Xu, T.; Bao, Y.; Su, Y.; Zhang, J.; Ren, X.; Yao, H. Calculation of power limit interval and correlation degree for transient stability section. Autom. Electr. Power Syst. 2016, 40, 154–160. [Google Scholar]
- Zhang, D.; Wang, B.; Guo, H.; Chu, Z.; Yang, H.; Ma, Y. A method of identifying a transmission section based on topology aggregation and the transmission limit of the section. Power Syst. Prot. Control 2022, 50, 33–42. [Google Scholar]
- Bai, S.; Zhang, J.; Bao, Y.; Meng, J.; Xu, W.; Tian, Z. On-line limit power calculation of correlative transmission section considering new energy consumption. Power Syst. Technol. 2020, 44, 3717–3724. [Google Scholar]
- Wang, Z.; Xiao, F. Calculation method of DC limit power considering influence of new-generation synchronous condensers. J. Phys. Conf. Ser. 2021, 2022, 012004. [Google Scholar]
- Soares, T.; Bessa, R.J.; Pinson, P.; Morais, H. Active distribution grid management based on robust AC optimal power flow. IEEE Trans. Smart Grid 2018, 9, 6229–6241. [Google Scholar] [CrossRef]
- Liu, Z.; Song, E.; Ma, C.; Yao, C.; Song, T. Multi-objective optimization of a dual-fuel engine at low and medium loads based on MOEA/D. In Proceedings of the 2022 34th Chinese Control and Decision Conference (CCDC), Hefei, China, 15–17 August 2022; pp. 1655–1661. [Google Scholar]
- Ge, X.; Xiao, C.; Jiang, D.; He, M.; Zhang, Y.; Piao, Z. An Enhanced MOEA/D Algorithm for Optimal Charging of Electric Vehicle Populations Considering Traffic and Power Grid Factors. In Proceedings of the 2025 9th International Conference on Green Energy and Applications (ICGEA), Singapore, 7–9 March 2025; pp. 77–81. [Google Scholar]
- Zhang, H.; Yue, D.; Yue, W.; Li, K.; Yin, M. MOEA/D-Based Probabilistic PBI Approach for Risk-Based Optimal Operation of Hybrid Energy System With Intermittent Power Uncertainty. IEEE Trans. Syst. Man Cybern. Syst. 2021, 51, 2080–2090. [Google Scholar] [CrossRef]
- Xia, S.; Luo, X.; Chan, K.W.; Zhou, M.; Li, G. Probabilistic Transient Stability Constrained Optimal Power Flow for Power Systems With Multiple Correlated Uncertain Wind Generations. IEEE Trans. Sustain. Energy 2016, 7, 1133–1144. [Google Scholar] [CrossRef]
- Li, K.; Qiu, G.; Liu, T. Transmission Limit Calculation of Corridors Based on Transferable Reinforcement Learning. Power Syst. Technol. 2023, 47, 5147–5157. [Google Scholar]
- China Southern Power Grid Power Dispatching and Communication Center. Southern Power Grid Safety and Stability Calculation and Analysis Guidelines: Q/CSG 11004—2009; China Southern Power Grid Power Dispatching and Communication Center: Guangzhou, China, 2009. (In Chinese) [Google Scholar]
- Chen, J.; Zhang, Z.; Cao, Z.; Wu, Y.; Ma, Y.; Ye, T.; Wang, J. Neural Multi-Objective Combinatorial Optimization with Diversity Enhancement. arXiv 2023, arXiv:2310.15195. [Google Scholar] [CrossRef]
- Li, K.; Fialho, Á.; Kwong, S.; Zhang, Q. Adaptive Operator Selection With Bandits for a Multiobjective Evolutionary Algorithm Based on Decomposition. IEEE Trans. Evol. Comput. 2014, 18, 114–130. [Google Scholar] [CrossRef]











| Category | Hyperparameter | Value |
|---|---|---|
| MOEA/D Framework | Population size | 200 |
| Neighborhood size | 20 | |
| Max replacement number | 2 | |
| Neighborhood selection probability | 0.9 | |
| Max function evaluations | 40,000 | |
| Genetic Operators | Crossover rate | 1.0 |
| Scaling factor | 0.5 | |
| Mutation probability | 1/11 | |
| Mutation distribution index | 20 | |
| FRRMAB Module | Scaling factor | 5.0 |
| Sliding window size | 100 | |
| Decaying factor | 1.0 |
| Metrics | MOEA/D-FRRMAB | NSGA-II |
|---|---|---|
| AED | 28.1884 | 97.5794 |
| RMSE | 33.0039 | 102.7758 |
| Time Cost | 15.5707 h | 10.4919 h |
Disclaimer/Publisher’s Note: The statements, opinions and data contained in all publications are solely those of the individual author(s) and contributor(s) and not of MDPI and/or the editor(s). MDPI and/or the editor(s) disclaim responsibility for any injury to people or property resulting from any ideas, methods, instructions or products referred to in the content. |
© 2025 by the authors. Licensee MDPI, Basel, Switzerland. This article is an open access article distributed under the terms and conditions of the Creative Commons Attribution (CC BY) license (https://creativecommons.org/licenses/by/4.0/).
Share and Cite
Sun, Z.; Song, W.; Wang, L.; Zhang, J. A Multi-Objective Metaheuristic and Multi-Armed Bandit Hybrid-Based Multi-Corridor Coupled TTC Calculation Method. Electronics 2025, 14, 4075. https://doi.org/10.3390/electronics14204075
Sun Z, Song W, Wang L, Zhang J. A Multi-Objective Metaheuristic and Multi-Armed Bandit Hybrid-Based Multi-Corridor Coupled TTC Calculation Method. Electronics. 2025; 14(20):4075. https://doi.org/10.3390/electronics14204075
Chicago/Turabian StyleSun, Zengjie, Wenle Song, Lei Wang, and Jiahao Zhang. 2025. "A Multi-Objective Metaheuristic and Multi-Armed Bandit Hybrid-Based Multi-Corridor Coupled TTC Calculation Method" Electronics 14, no. 20: 4075. https://doi.org/10.3390/electronics14204075
APA StyleSun, Z., Song, W., Wang, L., & Zhang, J. (2025). A Multi-Objective Metaheuristic and Multi-Armed Bandit Hybrid-Based Multi-Corridor Coupled TTC Calculation Method. Electronics, 14(20), 4075. https://doi.org/10.3390/electronics14204075
