Recent Developments in Bidirectional DC-DC Converter Topologies, Control Strategies, and Applications in Photovoltaic Power Generation Systems: A Comparative Review and Analysis
Abstract
1. Introduction
2. Bidirectional DC-DC Converter Topology Classification
3. Non-Isolated Bidirectional DC-DC Converter Topology
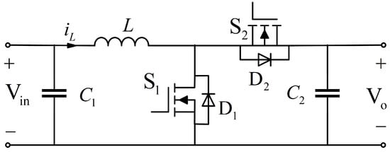
3.1. Bidirectional Buck/Boost Converter
3.2. Bidirectional Buck–Boost Converter
3.3. Bidirectional Cuk Converter
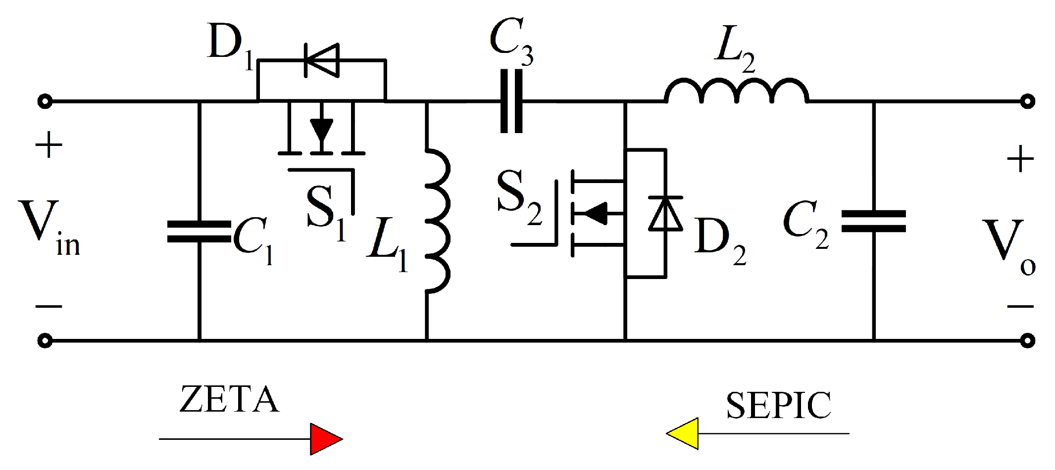
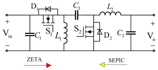
3.4. Bidirectional Zeta/Sepic Converter
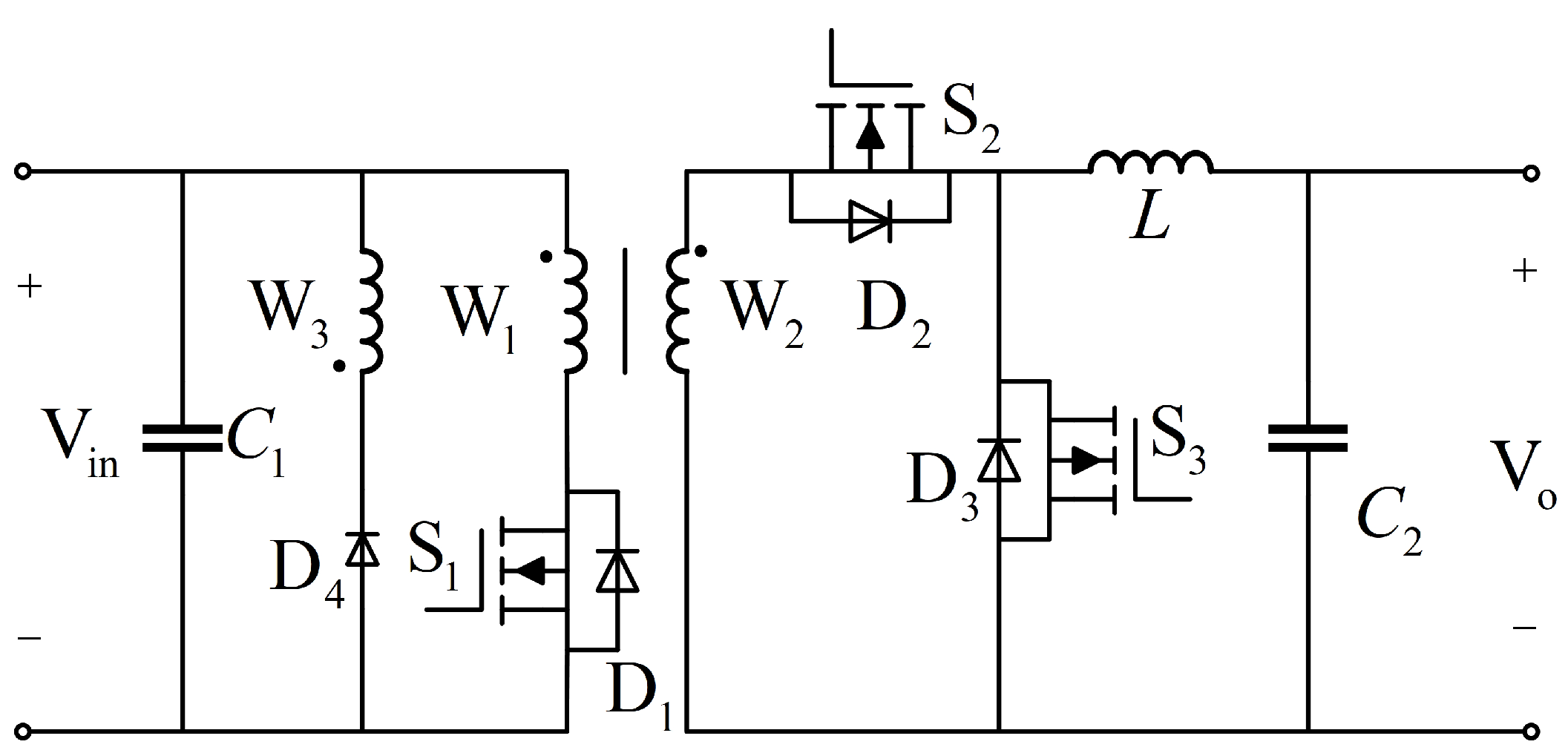
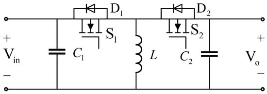
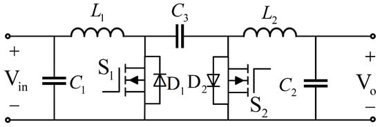
3.5. High Gain DC-DC Converter with Switched Capacitor/Inductor Boost Unit
3.5.1. Switched Capacitance Unit
3.5.2. Switching Inductance Unit
3.5.3. Switching Capacitor Inductance Unit
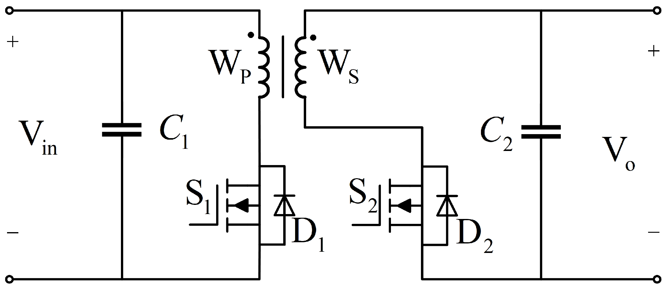
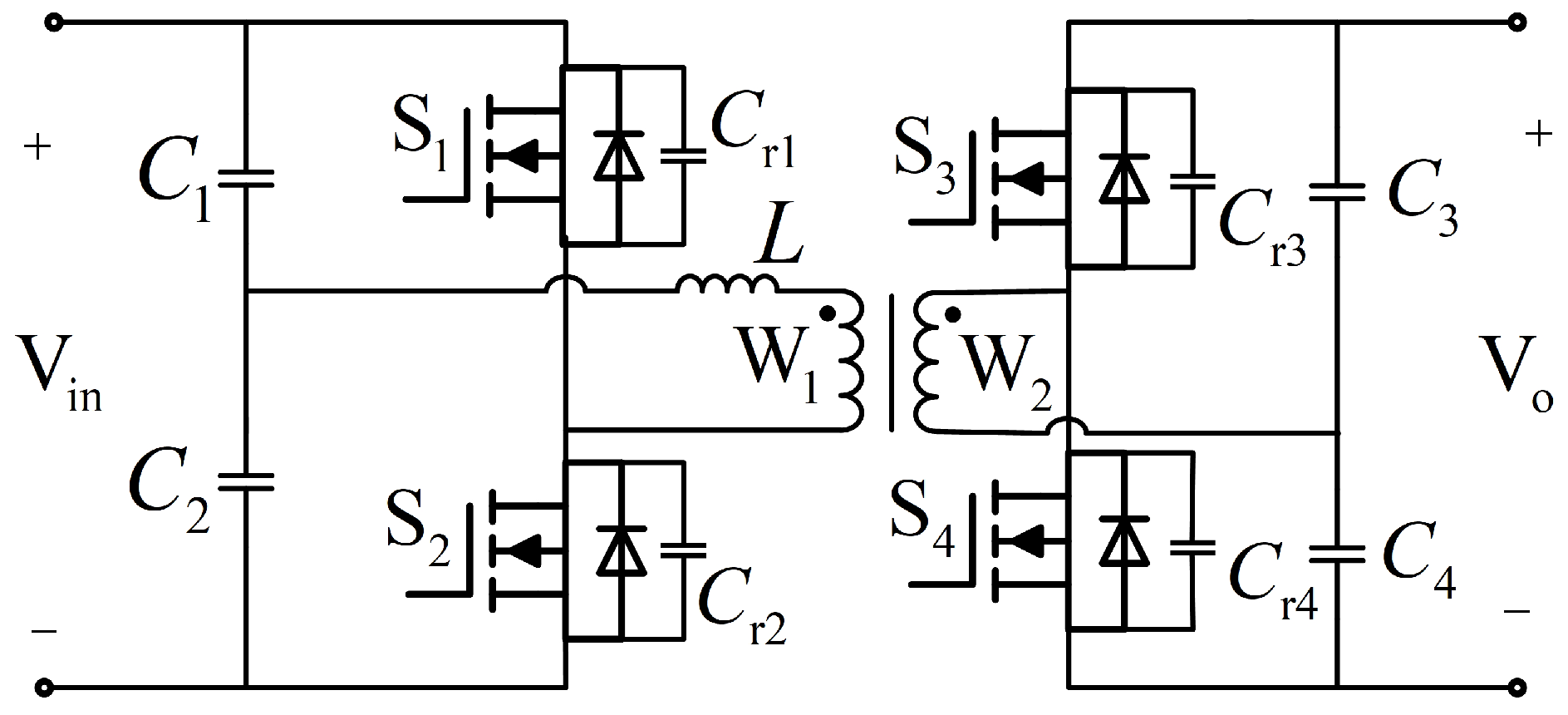
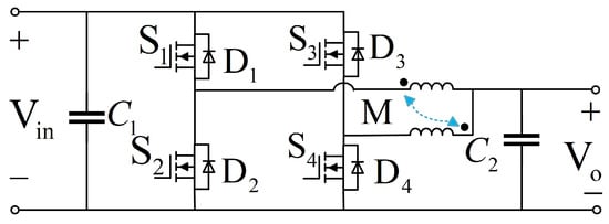
3.6. Coupled Inductance Converter
3.7. Cascade Converter
3.8. Interleaved Converter
3.9. Multilevel Converter
4. Isolated Bidirectional DC-DC Converter Topology
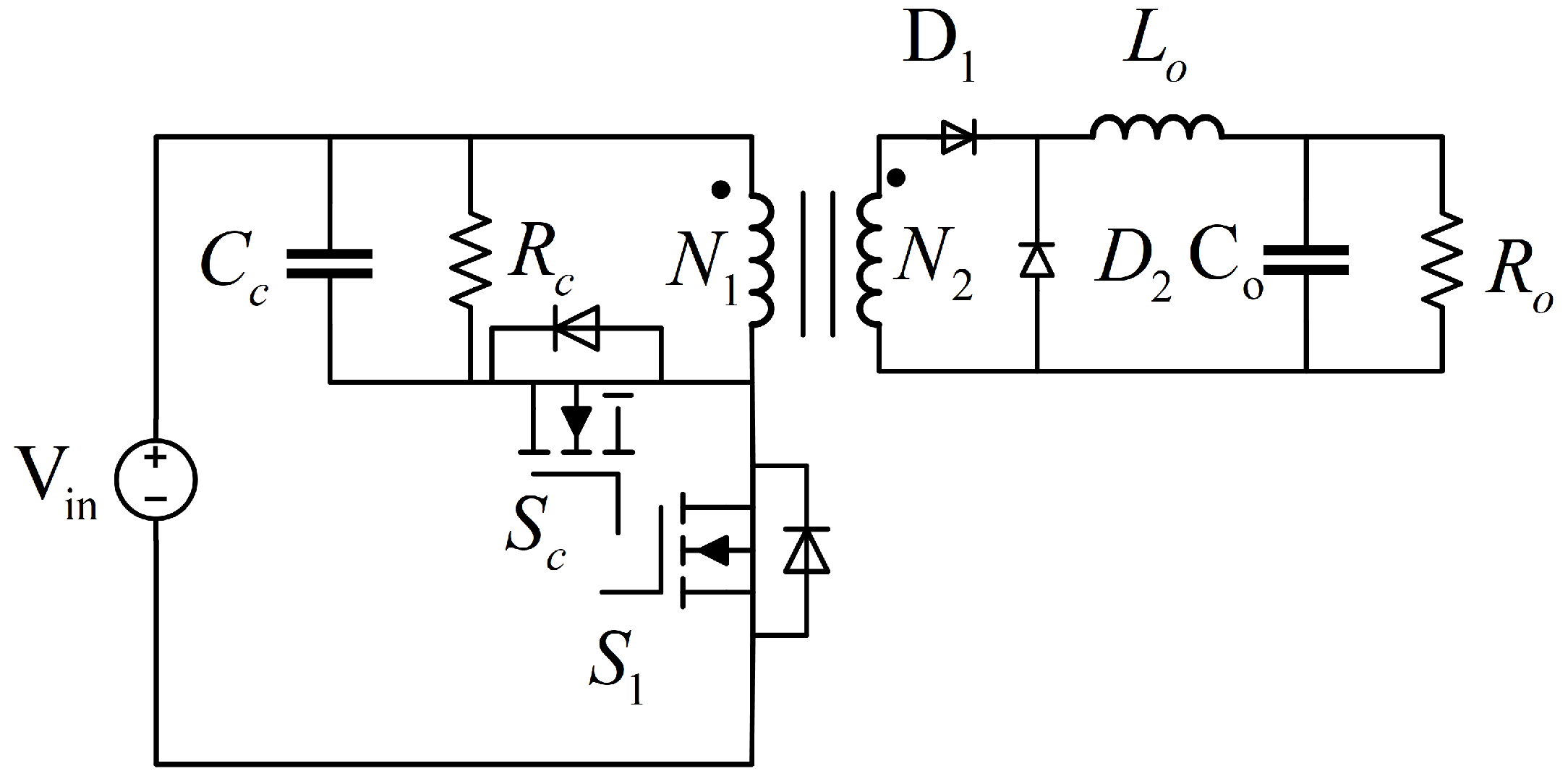
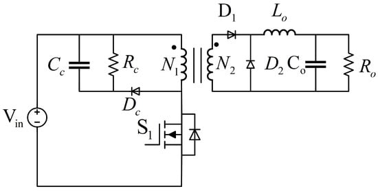
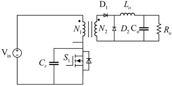
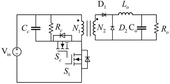
4.1. Flyback Converter
4.2. Forward Converter
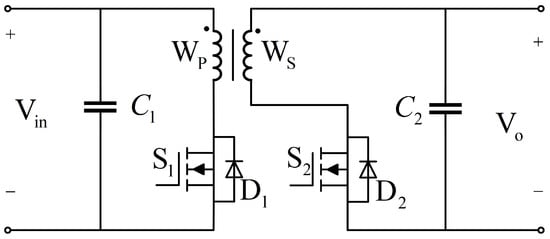
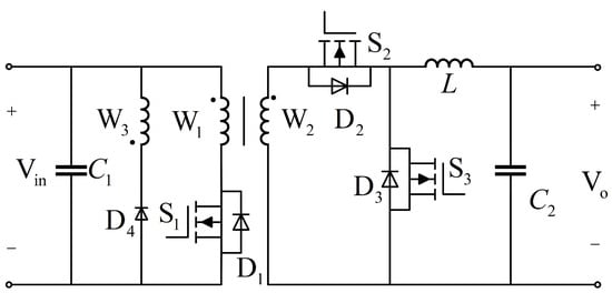
4.3. Push-Pull Converter
4.4. Half-Bridge Converter
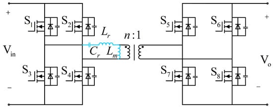
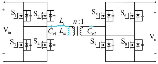
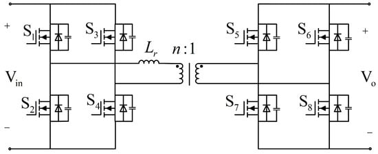
4.5. Full Bridge Converter
4.6. Resonant Converter
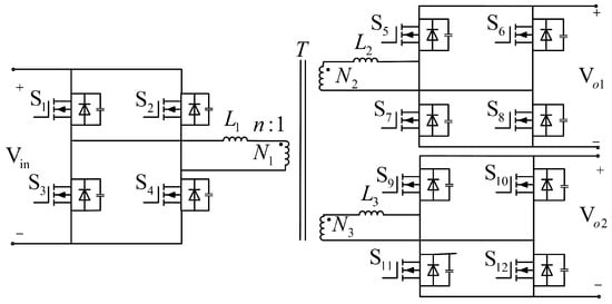
5. Three-Port Converter
6. Switch Conversion Strategy
6.1. Single-Phase Shift Modulation
6.2. Extended-Phase Shift Modulation
6.3. Double-Phase Shift Modulation
6.4. Triple-Phase Modulation
6.5. Modified Frequency Modulation
7. Control Strategies
7.1. Proportional Integral Derivative Control
7.2. Sliding Mode Control
7.3. Fuzzy Control
7.4. Boundary Control
7.5. Model Predictive Control
7.6. Optimization Based on a Meta-Heuristic Algorithm
7.6.1. Genetic Algorithm
7.6.2. PSO Algorithm
7.7. Artificial Intelligence Control
8. Conclusions
Author Contributions
Funding
Acknowledgments
Conflicts of Interest
References
- Paraschiv, L.S.; Paraschiv, S. Contribution of renewable energy (hydro, wind, solar and biomass) to decarbonization and transformation of the electricity generation sector for sustainable development. Energy Rep. 2023, 9, 535–544. [Google Scholar] [CrossRef]
- Poti, K.D.; Naidoo, R.M.; Mbungu, N.T.; Bansal, R.C. Intelligent solar photovoltaic power forecasting. Energy Rep. 2023, 9, 343–352. [Google Scholar] [CrossRef]
- Wai, R.-J.; Wang, W.-H. Grid-connected photovoltaic generation system. IEEE Trans. Circuits Syst. I Regul. Pap. 2008, 55, 953–964. [Google Scholar]
- Lal, V.N.; Singh, S.N. Control and performance analysis of a single-stage utility-scale grid-connected pv system. IEEE Syst. J. 2017, 11, 1601–1611. [Google Scholar] [CrossRef]
- Zhu, X.; Hu, H.; Tao, H.; He, Z. Stability analysis of pv plant-tied mvdc railway electrification system. IEEE Trans. Transp. 2019, 5, 311–323. [Google Scholar] [CrossRef]
- Alkhaldi, A.; Elkhateb, A.; Laverty, D. Voltage lifting techniques for non-isolated dc/dc converters. Electronics 2023, 12, 718. [Google Scholar] [CrossRef]
- Kanaparthi, R.K.; Singh, J.P.; Ballal, M.S. A review on multi-port bidirectional isolated and non-isolated dc-dc converters for renewable applications. In Proceedings of the 2022 IEEE International Conference on Power Electronics, Drives and Energy Systems (PEDES), Jaipur, India, 14–17 December 2022; pp. 1–6. [Google Scholar]
- Costa, L.F.; Buticchi, G.; Liserre, M. Optimum design of a multiple-active-bridge dc–dc converter for smart transformer. IEEE Trans. Power Electron. 2018, 33, 10112–10121. [Google Scholar] [CrossRef]
- Li, Y.; Wang, R.; Zhong, L.; Mao, L.; Sun, C.; Li, X.; Hu, S. Analysis and design of a high-frequency isolated dual-transformer dc-dc resonant converter. Electronics 2022, 12, 103. [Google Scholar] [CrossRef]
- Zhang, H.; Wang, S.; Li, Y.; Wang, Q.; Fu, D. Two-capacitor transformer winding capacitance models for common-mode emi noise analysis in isolated dc–dc converters. IEEE Trans. Power Electron. 2017, 32, 8458–8469. [Google Scholar] [CrossRef]
- Ortíz-Marín, J.; Gallo-Reyes, D.; Ruiz-Robles, D.; Venegas-Rebollar, V. Analyzing power losses and performance of an isolated dc-dc converter for renewable energies systems. Electronics 2023, 12, 1110. [Google Scholar] [CrossRef]
- Venkatramanan, D.; John, V. Dynamic modeling and analysis of buck converter based solar pv charge controller for improved mppt performance. IEEE Trans. Ind. Appl. 2019, 55, 6234–6246. [Google Scholar] [CrossRef]
- Forouzesh, M.; Siwakoti, Y.P.; Gorji, S.A.; Blaabjerg, F.; Lehman, B. Step-up dc–dc converters: A comprehensive review of voltage-boosting techniques, topologies, and applications. IEEE Trans. Power Electron. 2017, 32, 9143–9178. [Google Scholar] [CrossRef]
- Alavi, P.; Babaei, E.; Mohseni, P.; Marzang, V. Study and analysis of a dc–dc soft-switched buck converter. IET Power Electron. 2020, 13, 1456–1465. [Google Scholar] [CrossRef]
- Talebian, I.; Alavi, P.; Marzang, V.; Babaei, E.; Khoshkbar-Sadigh, A. Analysis, design, and investigation of a soft-switched buck converter with high efficiency. IEEE Trans. Power Electron. 2022, 37, 6899–6912. [Google Scholar] [CrossRef]
- Hu, X.; Gong, C. A high voltage gain dc–dc converter integrating coupled-inductor and diode–capacitor techniques. IEEE Trans. Power Electron. 2014, 29, 789–800. [Google Scholar]
- Rezvanyvardom, M.; Mirzaei, A. Zero-voltage transition nonisolated bidirectional buck–boost dc–dc converter with coupled inductors. IEEE J. Emerg. Sel. Top. Power Electron. 2021, 9, 3266–3275. [Google Scholar] [CrossRef]
- Gholizadeh, H.; Gorji, S.A.; Sera, D. A quadratic buck-boost converter with continuous input and output currents. IEEE Access 2023, 11, 22376–22393. [Google Scholar] [CrossRef]
- Zhou, Y.; Li, J.; Liu, X.; Zheng, Y.; Leung, K.N. Bidirectional buck–boost converter with reduced power loss and no right-half-plane zero. IEEE Trans. Power Electron. 2023, 38, 2127–2142. [Google Scholar] [CrossRef]
- Veerachary, M. Bi-polar buck-boost converter. IEEE Trans. Circuits Syst. II Express Briefs 2024, 71, 2429–2433. [Google Scholar] [CrossRef]
- Mo, L.; Wang, Y.; Jiang, C.; Wang, X.; Zhang, B. A novel topology derivation method revealed from classical cuk, sepic, and zeta converters. IEEE Trans. Power Electron. 2024, 39, 7828–7833. [Google Scholar] [CrossRef]
- Almalaq, Y.; Matin, M. Three topologies of a non-isolated high gain switched-inductor switched-capacitor step-up cuk converter for renewable energy applications. Electronics 2018, 7, 94. [Google Scholar] [CrossRef]
- Song, M.-S.; Son, Y.-D.; Lee, K.-H. Non-isolated bidirectional soft-switching sepic/zeta converter with reduced ripple currents. J. Power Electron. 2014, 14, 649–660. [Google Scholar] [CrossRef]
- Kim, I.-D.; Paeng, S.-H.; Ahn, J.-W.; Nho, E.-C.; Ko, J.-S. New bidirectional zvs pwm sepic/zeta dc-dc converter. In Proceedings of the 2007 IEEE International Symposium on Industrial Electronics, Vigo, Spain, 4–7 June 2007; pp. 555–560. [Google Scholar]
- Ardi, H.; Ajami, A. Study on a high voltage gain sepic-based dc–dc converter with continuous input current for sustainable energy applications. IEEE Trans. Power Electron. 2018, 33, 10403–10409. [Google Scholar] [CrossRef]
- Ghojavand, H.; Adib, E. A single-switch soft-switched high step-down zeta converter with low output current ripple. IEEE Trans. Power Electron. 2023, 38, 5024–5031. [Google Scholar] [CrossRef]
- Kamalinejad, K.; Iman-Eini, H.; Aleyasin, S.H.; Ghadi, M.A. A novel nonisolated buck–boost dc–dc converter with low voltage stress on components. IEEE J. Emerg. Sel. Top. Ind. Electron. 2023, 4, 492–501. [Google Scholar] [CrossRef]
- Sadeghpour, D.; Bauman, J. A generalized method for comprehension of switched-capacitor high step-up converters including coupled inductors and voltage multiplier cells. IEEE Trans. Power Electron. 2021, 37, 5801–5815. [Google Scholar] [CrossRef]
- Qian, W.; Cao, D.; Cintron-Rivera, J.G.; Gebben, M.; Wey, D.; Peng, F.Z. A switched-capacitor dc–dc converter with high voltage gain and reduced component rating and count. IEEE Trans. Ind. Appl. 2012, 48, 1397–1406. [Google Scholar] [CrossRef]
- Cockcroft, J.D.; Walton, E.T. Experiments with high velocity positive ions.—(i) further developments in the method of obtaining high velocity positive ions. Proc. R. Soc. Lond. Ser. A Contain. Pap. Math. Phys. Character 1932, 136, 619–630. [Google Scholar]
- Kumar, G.G.; Sundaramoorthy, K.; Karthikeyan, V.; Babaei, E. Switched capacitor–inductor network based ultra-gain dc–dc converter using single switch. IEEE Trans. Ind. Electron. 2020, 67, 10274–10283. [Google Scholar] [CrossRef]
- Xie, H.; Li, R. A novel switched-capacitor converter with high voltage gain. IEEE Access 2019, 7, 107831–107844. [Google Scholar] [CrossRef]
- Sadaf, S.; Bhaskar, M.S.; Meraj, M.; Iqbal, A.; Al-Emadi, N. A novel modified switched inductor boost converter with reduced switch voltage stress. IEEE Trans. Ind. Electron. 2020, 68, 1275–1289. [Google Scholar] [CrossRef]
- Bao, D.; Kumar, A.; Pan, X.; Xiong, X.; Beig, A.R.; Singh, S.K. Switched inductor double switch high gain dc-dc converter for renewable applications. IEEE Access 2021, 9, 14259–14270. [Google Scholar] [CrossRef]
- Pirpoor, S.; Rahimpour, S.; Andi, M.; Kanagaraj, N.; Pirouzi, S.; Mohammed, A.H. A novel and high-gain switched-capacitor and switched-inductor-based dc/dc boost converter with low input current ripple and mitigated voltage stresses. IEEE Access 2022, 10, 32782–32802. [Google Scholar] [CrossRef]
- Faridpak, B.; Bayat, M.; Nasiri, M.; Samanbakhsh, R.; Farrokhifar, M. Improved hybrid switched inductor/switched capacitor dc–dc converters. IEEE Trans. Power Electron. 2020, 36, 3053–3062. [Google Scholar] [CrossRef]
- Luo, P.; Liang, T.-J.; Chen, K.-H.; Chen, S.-M. Design and implementation of a high step-up dc-dc converter with active switched inductor and coupled inductor. IEEE Trans. Ind. Appl. 2023, 59, 3470–3480. [Google Scholar] [CrossRef]
- Mizani, A.; Ansari, S.A.; Shoulaie, A.; Davidson, J.N.; Foster, M.P. Single-active switch high-voltage gain dc–dc converter using a non-coupled inductor. IET Power Electron. 2021, 14, 492–502. [Google Scholar] [CrossRef]
- Chen, S.; Zhou, L.; Luo, Q.; Gao, W.; Wei, Y.; Sun, P.; Du, X. Research on topology of the high step-up boost converter with coupled inductor. IEEE Trans. Power Electron. 2019, 34, 10733–10745. [Google Scholar] [CrossRef]
- Harasimczuk, M.; Kopacz, R.; Tomaszuk, A. Lossless clamp circuit with turn-off voltage and current reduction in high step-up dc/dc converter with coupled inductor. IEEE Trans. Power Electron. 2023, 39, 1074–1086. [Google Scholar] [CrossRef]
- Rao, B.T.; De, D. Effective leakage energy recycling in high gain dc-dc converter with coupled inductor. IEEE Trans. Circuits Syst. II Express Briefs 2022, 69, 3284–3288. [Google Scholar]
- Kumar, M.; Gupta, J.K.; Verma, A.K.; Sandeep, N. Coupled inductor based soft-switched ultra high-gain converter with voltage quadrupler cell. In Proceedings of the 2022 IEEE Global Conference on Computing, Power and Communication Technologies (GlobConPT), New Delhi, India, 23–25 September 2022; IEEE: Piscataway, NJ, USA, 2022; pp. 1–7. [Google Scholar]
- Wu, T.-F.; Yu, T.-H. Unified approach to developing single-stage power converters. IEEE Trans. Aerosp. Electron. Syst. 1998, 34, 211–223. [Google Scholar]
- Nikbakht, M.; Abbasian, S.; Farsijani, M.; Abbaszadeh, K. An ultra high gain double switch quadratic boost coupled inductor based converter. In Proceedings of the 2022 13th Power Electronics, Drive Systems, and Technologies Conference (PEDSTC), Tehran, Iran, 1–3 February 2022; IEEE: Piscataway, NJ, USA, 2022; pp. 167–172. [Google Scholar]
- Zhang, H.; Park, S.-J. Efficiency optimization method for cascaded two-stage boost converter. IEEE Access 2022, 10, 53443–53453. [Google Scholar] [CrossRef]
- Vighetti, S.; Ferrieux, J.-P.; Lembeye, Y. Optimization and design of a cascaded dc/dc converter devoted to grid-connected photovoltaic systems. IEEE Trans. Power Electron. 2012, 27, 2018–2027. [Google Scholar] [CrossRef]
- Parizi, M.K.B.; Emamjomeh, S.S.; Khorasani, R.R.; Behzadnezhad, M.A.; Adib, E.; Kavehvash, Z. Design and implementation of an interleaved high efficiency and high voltage gain converter with minimum switch count for renewable energy integration. IEEE Trans. Ind. 2024, 71, 5863–5870. [Google Scholar] [CrossRef]
- Kothapalli, K.R.; Ramteke, M.R.; Suryawanshi, H.M.; Reddi, N.K.; Kalahasthi, R.B. Soft-switched ultrahigh gain dc–dc converter with voltage multiplier cell for dc microgrid. IEEE Trans. Ind. Electron. 2021, 68, 11063–11075. [Google Scholar] [CrossRef]
- Singh, K.A.; Prajapati, A.; Chaudhary, K. High-gain compact interleaved boost converter with reduced voltage stress for pv application. IEEE J. Emerg. Sel. Top. Power Electron. 2021, 10, 4763–4770. [Google Scholar] [CrossRef]
- Alghaythi, M.L.; O’Connell, R.M.; Islam, N.E.; Khan, M.M.S.; Guerrero, J.M. A high step-up interleaved dc-dc converter with voltage multiplier and coupled inductors for renewable energy systems. IEEE Access 2020, 8, 123165–123174. [Google Scholar] [CrossRef]
- Zhang, X.; Green, T.C. The modular multilevel converter for high step-up ratio dc–dc conversion. IEEE Trans. Ind. Electron. 2015, 62, 4925–4936. [Google Scholar] [CrossRef]
- Kung, S.H.; Kish, G.J. A modular multilevel hvdc buck–boost converter derived from its switched-mode counterpart. IEEE Trans. Power Deliv. 2017, 33, 82–92. [Google Scholar] [CrossRef]
- Gray, P.A.; Lehn, P.W.; Yakop, N. A modular multilevel dc–dc converter with flying capacitor converter like properties. IEEE Trans. Ind. Electron. 2021, 69, 6774–6783. [Google Scholar] [CrossRef]
- Samanbakhsh, R.; Ibanez, F.M.; Koohi, P.; Martin, F. A new asymmetric cascaded multilevel converter topology with reduced voltage stress and number of switches. IEEE Access 2021, 9, 92276–92287. [Google Scholar] [CrossRef]
- Li, M.; Ouyang, Z.; Andersen, M.A. Analysis and optimal design of high-frequency and high-efficiency asymmetrical half-bridge flyback converters. IEEE Trans. Ind. Electron. 2019, 67, 8312–8321. [Google Scholar] [CrossRef]
- Zhang, J.; Huang, X.; Wu, X.; Qian, Z. A high efficiency flyback converter with new active clamp technique. IEEE Trans. Power Electron. 2010, 25, 1775–1785. [Google Scholar] [CrossRef]
- Konar, S.; Saha, S.S. Efficient energy recovery and boosting the voltage gain of a soft-switched flyback converter. In Proceedings of the 2020 IEEE International Conference on Power Electronics, Drives and Energy Systems (PEDES), Jaipur, India, 16–19 December 2020; IEEE: Piscataway, NJ, USA, 2020; pp. 1–5. [Google Scholar]
- Lagap, T.; Dimopoulos, E.; Munk-Nielsen, S. An rcdd snubber for a bidirectional flyback converter. In Proceedings of the 2015 17th European Conference on Power Electronics and Applications (EPE’15 ECCE-Europe), Geneva, Switzerland, 8–10 September 2015; pp. 1–10. [Google Scholar]
- Park, H.-P.; Jung, J.-H. Design methodology of quasi-resonant flyback converter with a divided resonant capacitor. IEEE Trans. Ind. Electron. 2020, 68, 10796–10805. [Google Scholar] [CrossRef]
- Hsieh, Y.-C.; Chen, M.-R.; Cheng, H.-L. An interleaved flyback converter featured with zero-voltage transition. IEEE Trans. Power Electron. 2010, 26, 79–84. [Google Scholar] [CrossRef]
- Tonolo, É.A.; Soares, J.W.M.; Badin, A.A.; Alonso, J.M. Frequency-modulated high-gain boost–flyback dc–dc converter for renewable energy systems. IEEE Trans. Ind. Electron. 2023, 71, 10772–10782. [Google Scholar] [CrossRef]
- Allahyari, H.; Latifzadeh, M.A.; Bahrami, H.; Adib, E.; Faezi, H. An improved single switch wide range zvs forward converter controlled with variable magnetizing inductance. IEEE J. Emerg. Sel. Top. Ind. Electron. 2023, 5, 837–847. [Google Scholar] [CrossRef]
- Jang, P.; Cho, B.-H. Two-switch forward converter with reset winding and an auxiliary active-clamp circuit for a wide input voltage range. IEEE Trans. Power Electron. 2016, 32, 4491–4502. [Google Scholar] [CrossRef]
- Wuti, V.; Trakuldit, S.; Luangpol, A.; Tattiwong, K.; Taylim, A.; Bunlaksananusorn, C. A simplified analysis and design of an rcd clamp forward converter. In Proceedings of the 2022 8th International Conference on Engineering, Applied Sciences, and Technology (ICEAST), Chiang Mai, Thailand, 8–10 June 2022; IEEE: Piscataway, NJ, USA, 2022; pp. 97–100. [Google Scholar]
- Lakshmi, G. A dual-transformer active-clamp forward converter using a single switch. In Proceedings of the 2017 International Conference on Computation of Power, Energy Information and Commuincation (ICCPEIC), Melmaruvathur, India, 22–23 March 2017; IEEE: Piscataway, NJ, USA, 2017; pp. 660–663. [Google Scholar]
- Jeong, Y.; Park, J.-D.; Moon, G.-W. An interleaved active-clamp forward converter modified for reduced primary conduction loss without additional components. IEEE Trans. Power Electron. 2019, 35, 121–130. [Google Scholar] [CrossRef]
- Murakami, N.; Yamasaki, M. Analysis of a resonant reset condition for a single-ended forward converter. In Proceedings of the PESC’ 88 Record: 19th Annual IEEE Power Electronics Specialists Conference, Kyoto, Japan, 11–14 April 1988; pp. 1018–1023. [Google Scholar]
- Lim, J.-W.; Hassan, J.; Kim, M. Bidirectional soft switching push–pull resonant converter over wide range of battery voltages. IEEE Trans. Power Electron. 2021, 36, 12251–12267. [Google Scholar] [CrossRef]
- Wang, C.; Li, M.; Ouyang, Z.; Wang, G. Resonant push–pull converter with flyback regulator for mhz high step-up power conversion. IEEE Trans. Ind. Electron. 2021, 68, 1178–1187. [Google Scholar] [CrossRef]
- Jiang, L.; Wan, J.; Li, Y.; Huang, C.; Liu, F.; Wang, H.; Sun, Y.; Cao, Y. A new push-pull dc/dc converter topology with complementary active clamped. IEEE Trans. Ind. Electron. 2022, 69, 6445–6449. [Google Scholar] [CrossRef]
- Nayanasiri, D.R.; Foo, G.H.B.; Vilathgamuwa, D.M.; Maskell, D.L. A switching control strategy for single- and dual-inductor current-fed push–pull converters. IEEE Trans. Power Electron. 2015, 30, 3761–3771. [Google Scholar] [CrossRef]
- Shi, H.; Sun, K.; Wu, H.; Li, Y. A unified state-space modeling method for a phase-shift controlled bidirectional dual-active half-bridge converter. IEEE Trans. Power Electron. 2019, 35, 3254–3265. [Google Scholar] [CrossRef]
- Meghdad, T.; Jafar, M.; Bijan, A. High step-up current-fed zvs dual half-bridge dc–dc converter for high-voltage applications. IET Power Electron. 2015, 8, 309–318. [Google Scholar] [CrossRef]
- Yeon, C.-O.; Lee, J.-B.; Lee, I.-O.; Moon, G.-W. Wide zvs range asymmetric half-bridge converter with clamp switch and diode for high conversion efficiency. IEEE Trans. Ind. Electron. 2016, 63, 2862–2870. [Google Scholar] [CrossRef]
- Leu, C.-S.; Nha, Q.T. A half-bridge converter with input current ripple reduction for dc distribution systems. IEEE Trans. Power Electron. 2013, 28, 1756–1763. [Google Scholar] [CrossRef]
- Chakraborty, S.; Chattopadhyay, S. Minimum-rms-current operation of asymmetric dual active half-bridge converters with and without zvs. IEEE Trans. Power Electron. 2017, 32, 5132–5145. [Google Scholar] [CrossRef]
- Beibei, R.; Dan, W.; Chengxiong, M.; Jun, Q.; Jiangang, Z. Analysis of full bridge dc-dc converter in power system. In Proceedings of the 2011 4th International Conference on Electric Utility Deregulation and Restructuring and Power Technologies (DRPT), Weihai, China, 6–9 July 2011; pp. 1242–1245. [Google Scholar]
- Wang, H.; Sun, Q.; Chung, H.S.H.; Tapuchi, S.; Ioinovici, A. A zcs current-fed full-bridge pwm converter with self-adaptable soft-switching snubber energy. IEEE Trans. Power Electron. 2009, 24, 1977–1991. [Google Scholar] [CrossRef]
- Lo, Y.-K.; Lin, C.-Y.; Hsieh, M.-T.; Lin, C.-Y. Phase-shifted full-bridge series-resonant dc-dc converters for wide load variations. IEEE Trans. Ind. Electron. 2011, 58, 2572–2575. [Google Scholar] [CrossRef]
- Lee, J.-P.; Min, B.-D.; Kim, T.-J.; Yoo, D.-W.; Yoo, J.-Y. A novel topology for photovoltaic dc/dc full-bridge converter with flat efficiency under wide pv module voltage and load range. IEEE Trans. Ind. Electron. 2008, 55, 2655–2663. [Google Scholar] [CrossRef]
- Nguyen, T.-T.; Cha, H.; Kim, H.-G. Current-fed quasi-z-source full-bridge isolated dc–dc converter. IEEE Trans. Ind. Electron. 2021, 68, 12046–12057. [Google Scholar] [CrossRef]
- Wei, Y.; Luo, Q.; Mantooth, H.A. A resonant frequency tracking technique for llc converter-based dc transformers. IEEE J. Emerg. Selected Top. Ind. Electron. 2021, 2, 579–590. [Google Scholar] [CrossRef]
- Hou, N.; Gunawardena, P.; Wu, X.; Ding, L.; Zhang, Y.; Li, Y.W. An input-oriented power sharing control scheme with fast-dynamic response for isop dab dc–dc converter. IEEE Trans. Power Electron. 2021, 37, 6501–6510. [Google Scholar] [CrossRef]
- Min, J.; Ordonez, M. Bidirectional resonant cllc charger for wide battery voltage range: Asymmetric parameters methodology. IEEE Trans. Power Electron. 2020, 36, 6662–6673. [Google Scholar] [CrossRef]
- Zhou, J.; Ma, H. A new llc converter with wide output voltage range and improved efficiency at medium or low output voltage. In Proceedings of the 2019 IEEE 28th International Symposium on Industrial Electronics (ISIE), Vancouver, BC, Canada, 12–14 June 2019; pp. 734–739. [Google Scholar]
- Wang, H.; Cheng, C.; Xie, S. Study on a modified cllc converter paralleling a resonant branch with the transformer for wide voltage range applications. IEEE Access 2024, 12, 32788–32800. [Google Scholar] [CrossRef]
- Shen, Y.; Wang, H.; Al-Durra, A.; Qin, Z.; Blaabjerg, F. A structure-reconfigurable series resonant dc–dc converter with wide-input and configurable-output voltages. IEEE Trans. Ind. Appl. 2019, 55, 1752–1764. [Google Scholar] [CrossRef]
- Jia, P.; Su, Z.; Shao, T.; Mei, Y. An isolated high step-up converter based on the active secondary-side quasi-resonant loops. IEEE Trans. Power Electron. 2022, 37, 659–673. [Google Scholar] [CrossRef]
- Kanagaraj, N.; Ramasamy, M.; Vijayakumar, M.; Aldosari, O. Design of an extendable high boost multi-port z-network converter for small power grid-connected pv applications. IEEE Open J. Power Electron. 2024, 5, 534–553. [Google Scholar]
- Qian, T.; Yang, Y.; Zhao, W. A boost-type three-port resonant forward converter with flexible power flow path optimization for pv systems. IEEE Trans. Circuits Syst. II Express Briefs 2023, 70, 161–165. [Google Scholar] [CrossRef]
- Zeng, J.; Qiao, W.; Qu, L. An isolated three-port bidirectional dc–dc converter for photovoltaic systems with energy storage. IEEE Trans. Ind. Appl. 2015, 51, 3493–3503. [Google Scholar] [CrossRef]
- Sun, X.; Shen, Y.; Li, W.; Wu, H. A pwm and pfm hybrid modulated three-port converter for a standalone pv/battery power system. IEEE J. Emerg. Sel. Top. Power Electron. 2015, 3, 984–1000. [Google Scholar] [CrossRef]
- Chen, X.; Xu, G.; Han, H.; Liu, D.; Sun, Y.; Su, M. Light-load efficiency enhancement of high-frequency dual-active-bridge converter under sps control. IEEE Trans. Ind. Electron. 2021, 68, 12941–12946. [Google Scholar] [CrossRef]
- Chen, X.; Xu, J.; Xu, G. Hybrid sps control for isop dual-active-bridge converter based on modulated coupled inductor with full load range zvs and rms current optimization in dc transformer applications. IEEE Access 2022, 10, 131394–131405. [Google Scholar] [CrossRef]
- Zhao, B.; Yu, Q.; Sun, W. Extended-phase-shift control of isolated bidirectional dc–dc converter for power distribution in microgrid. IEEE Trans. Power Electron. 2012, 27, 4667–4680. [Google Scholar] [CrossRef]
- Bai, H.; Mi, C. Eliminate reactive power and increase system efficiency of isolated bidirectional dual-active-bridge dc–dc converters using novel dual-phase-shift control. IEEE Trans. Power Electron. 2008, 23, 2905–2914. [Google Scholar] [CrossRef]
- Zhao, B.; Song, Q.; Liu, W.; Sun, W. Current-stress-optimized switching strategy of isolated bidirectional dc–dc converter with dual-phase-shift control. IEEE Trans. Ind. Electron. 2013, 60, 4458–4467. [Google Scholar] [CrossRef]
- Krismer, F.; Kolar, J.W. Accurate small-signal model for the digital control of an automotive bidirectional dual active bridge. IEEE Trans. Power Electron. 2009, 24, 2756–2768. [Google Scholar] [CrossRef]
- Hiltunen, J.; Väisänen, V.; Juntunen, R.; Silventoinen, P. Variable-frequency phase shift modulation of a dual active bridge converter. IEEE Trans. Power Electron. 2015, 30, 7138–7148. [Google Scholar] [CrossRef]
- Lyu, D.; Straathof, C.; Soeiro, T.B.; Qin, Z.; Bauer, P. Zvs-optimized constant and variable switching frequency modulation schemes for dual active bridge converters. IEEE Open J. Power Electron. 2023, 4, 801–816. [Google Scholar] [CrossRef]
- Arya, S.R.; Maurya, R.; Naidu, T.A.; Babu, B.C. Adaptive observer for dynamic voltage restorer with optimized proportional integral gains. Chin. J. Electr. Eng. 2022, 8, 38–52. [Google Scholar] [CrossRef]
- Segaran, D.; Holmes, D.G.; McGrath, B.P. Enhanced load step response for a bidirectional dc–dc converter. IEEE Trans. Power Electron. 2013, 28, 371–379. [Google Scholar] [CrossRef]
- Tiwary, N.; Panda, V.N.N.A.K.; Narendra, A.; Lenka, R.K. A robust voltage control of dab converter with super-twisting sliding mode approach. IEEE J. Emerg. Sel. Top. Ind. Electron. 2023, 4, 288–298. [Google Scholar] [CrossRef]
- Liu, B.; Zha, Y.; Zhang, T.; Chen, S. Fuzzy logic control of dual active bridge in solid state transformer applications. In Proceedings of the 2016 Tsinghua University-IET Electrical Engineering Academic Forum, Beijing, China, 13–15 May 2016; pp. 1–4. [Google Scholar]
- Khan, M.M.S.; Faruque, M.O.; Newaz, A. Fuzzy logic based energy storage management system for mvdc power system of all electric ship. IEEE Trans. Energy Convers. 2017, 32, 798–809. [Google Scholar] [CrossRef]
- Oggier, G.G.; Ordonez, M. Boundary control of full-bridge zvs: Natural switching surface for transient and steady-state operation. IEEE Trans. Ind. Electron. 2014, 61, 969–979. [Google Scholar] [CrossRef]
- Cao, Z.; Wen, H.; Bu, Q.; Shi, H.; Xu, P.; Yang, Y.; Du, Y. Constant power load stabilization with fast transient boundary control for dab-converters-based electric drive systems. IEEE Trans. Ind. Electron. 2024, 71, 1863–1874. [Google Scholar] [CrossRef]
- Tarisciotti, L.; Chen, L.; Shao, S.; Dragičević, T.; Wheeler, P.; Zanchetta, P. Finite control set model predictive control for dual active bridge converter. IEEE Trans. Ind. Appl. 2021, 58, 2155–2165. [Google Scholar] [CrossRef]
- Ullah, B.; Ullah, H.; Khalid, S. Direct model predictive control of noninverting buck-boost dc-dc converter. CES Trans. Electr. Mach. Syst. 2022, 6, 332–339. [Google Scholar] [CrossRef]
- Wang, C.; Zsurzsan, T.-G.; Zhang, Z. Genetic algorithm assisted parametric design of splitting inductance in high frequency gan-based dual active bridge converter. IEEE Trans. Ind. Electron. 2023, 70, 522–531. [Google Scholar] [CrossRef]
- Zhou, L.; Gao, Y.; Ma, H.; Krein, P.T. Wide-load range multiobjective efficiency optimization produces closed-form control solutions for dual active bridge converter. IEEE Trans. Power Electron. 2021, 36, 8612–8616. [Google Scholar] [CrossRef]
- Shi, H.; Wen, H.; Hu, Y.; Jiang, L. Reactive power minimization in bidirectional dc–dc converters using a unified-phasor-based particle swarm optimization. IEEE Trans. Power Electron. 2018, 33, 10990–11006. [Google Scholar] [CrossRef]
- Wang, Y.; Wen, H.; Zhu, Y.; Shi, H.; Bu, Q.; Hu, Y.; Yang, Y. Minimum-current-stress scheme of three-level dual-active-bridge dc–dc converters with the particle swarm optimization. IEEE Trans. Transp. Electrif. 2021, 7, 2067–2084. [Google Scholar] [CrossRef]
- Khosravi, M.; Heshmatian, S.; Khaburi, D.A.; Garcia, C.; Rodriguez, J. A novel hybrid model-based mppt algorithm based on artificial neural networks for photovoltaic applications. In Proceedings of the 2017 IEEE Southern Power Electronics Conference (SPEC), Puerto Varas, Chile, 4–7 December 2017; IEEE: Piscataway, NJ, USA, 2017; pp. 1–6. [Google Scholar]
- Saha, U.; Shahria, S.; Rashid, A.H.-U. Intelligent control strategies for dc-dc boost converter: Performance analysis and optimization. In Proceedings of the 2023 International Conference on Smart Systems for Applications in Electrical Sciences (ICSSES), Tumakuru, India, 7–8 July 2023; IEEE: Piscataway, NJ, USA, 2023; pp. 1–6. [Google Scholar]
- Shi, X.; Chen, N.; Wei, T.; Wu, J.; Xiao, P. A reinforcement learning-based online-training ai controller for dc-dc switching converters. In Proceedings of the 2021 6th International Conference on Integrated Circuits and Microsystems (ICICM), Nanjing, China, 22–24 October 2021; IEEE: Piscataway, NJ, USA, 2021; pp. 435–438. [Google Scholar]






































| Reference | Features | Demerits | Efficiency | Power Density | Components and Complexity | Applications | Power |
|---|---|---|---|---|---|---|---|
| Buck/boost [14,15,16] | Simple structure, easy to design control and drive circuits, high conversion efficiency | Can only perform unidirectional boost or buck conversion, with inductance at the input or output terminals and large current ripple. | High | low | less | Low power, no need for electrical isolation, and only requiring unidirectional voltage regulation. | 10 W or less up to 300 W |
| Buck–boost [17,18,19] | Capable of unidirectional voltage rise and fall conversion, with a simple driving circuit | Produces negative output | low | low | Less | Smartphones, iPads and laptops | 10 W or less up to 300 W |
| Cuk [22] | The input side inductor acts as filter to prevent large harmonics | Polarity reversal in between input and output voltages | low | Moderate | more | Charging batteries, Electric vehicles | up to 500 Watts |
| Zeta-Sepic [23,24,26] | Compared to bidirectional Cuk, the input and output polarities are the same | Adding capacitors to the circuit path requires multiple energy conversions, resulting in low conversion efficiency and complex structure | low | Moderate | more | Application of high current output terminal batteries | up to 500 Watts |
| Reference | Maximum Efficiency | Voltage Gain | Switching Tube | Diode | Capacitance | Inductance | Coupling Inductance |
|---|---|---|---|---|---|---|---|
| [44] | - | 2 | 5 | 5 | 4 | 2 | |
| [45] | 95.23% | 2 | 2 | 3 | 2 | 0 | |
| [46] | 94.4% | 1 | 6 | 0 | 0 | 0 | |
| [39] | 96.9% | 1 | 4 | 5 | 0 | 1 | |
| [40] | 96% | 1 | 3 | 3 | 2 | 1 | |
| [41] | 95% | 1 | 5 | 4 | 1 | 1 | |
| [42] | 90% | 4 | 4 | 6 | 0 | 2 | |
| [33] | 97.17% | 2 | 3 | 1 | 2 | 0 | |
| [34] | 93% | 2 | 7 | 3 | 2 | 0 | |
| [35] | 96% | 1 | 7 | 4 | 2 | 0 | |
| [36] | 92.64% | 3 | 10 | 4 | 3 | 0 | |
| [31] | 91.2% | 1 | 4 | 3 | 2 | 0 |
| Topology | Features | Demerits | Efficiency | Power Density | Components and Complexity | Applications | Power |
|---|---|---|---|---|---|---|---|
| Flyback [56,57,58,61] | Current isolation and good dynamic performance | High voltage stress | low | low | less | UPS and low power applications | 10 W or less, up to 150 W |
| Forward [64,66,67] | Smaller transformer core | Snubber circuits are required to minimize the high voltage spikes | Moderate | Moderate | less | Low- and medium-power applications. | 100–500 W |
| Push Pull [68,69,71] | Smaller transformer core but it is excited in both directions | Current ripples in input side and high voltage stress across switching devices | High | High | more | Medium and high power applications | 500–1000 W |
| Half-bridge [73,74] | Less semiconductor devices | High voltage stress is limited to Vs | Moderate | Moderate | less | Medium power applications like fuel cells and batteries | 500 W |
| Full-bridge [80] | Suitable for integrating applications | High voltage stress is limited to Vs | Moderate | High | more | Suitable for high power applications like electric vehicles and hybrid electric vehicles | 2000 W |
| Resonant converters [82,83] | Suitable for multi-input multi-output integrating applications | High input current ripples and circulating currents | Moderate | High | more | Multi-port systems like PV, wind, batteries and energy storage systems | above 2000 W |
| References | Control Strategy | Advantages | Disadvantages |
|---|---|---|---|
| [101] | PID | The algorithm is simple, robust and reliable | Lack of adaptive ability |
| [102,103] | Sliding mode control | Better convergence and transient response | Modeling is relatively complex |
| [104,105] | Fuzzy control | Accurate mathematical models are not required, good handling of nonlinearity | High requirements for sampling frequency |
| [106,107] | Boundary control | Global stability of the system; good working characteristics of large signals; fast dynamic response | The complexity and instability of multi boundary condition combinations |
| [108,109] | Model predictive control | Effectively combating environmental uncertainty and time delay | Computational complexity depends on the accuracy of the model |
| [110,111,112,113] | Optimization based on a meta-heuristic algorithm | Self-learning function; Strong adaptability | Low response speed; susceptible to parameters |
| [114,115,116] | Artificial intelligence control | Improve efficiency strong stability optimize control strategy | Data dependence is strong model training is complex and time-consuming and professional and technical requirements are high |
Disclaimer/Publisher’s Note: The statements, opinions and data contained in all publications are solely those of the individual author(s) and contributor(s) and not of MDPI and/or the editor(s). MDPI and/or the editor(s) disclaim responsibility for any injury to people or property resulting from any ideas, methods, instructions or products referred to in the content. |
© 2025 by the authors. Licensee MDPI, Basel, Switzerland. This article is an open access article distributed under the terms and conditions of the Creative Commons Attribution (CC BY) license (https://creativecommons.org/licenses/by/4.0/).
Share and Cite
Tuluhong, A.; Xu, Z.; Chang, Q.; Song, T. Recent Developments in Bidirectional DC-DC Converter Topologies, Control Strategies, and Applications in Photovoltaic Power Generation Systems: A Comparative Review and Analysis. Electronics 2025, 14, 389. https://doi.org/10.3390/electronics14020389
Tuluhong A, Xu Z, Chang Q, Song T. Recent Developments in Bidirectional DC-DC Converter Topologies, Control Strategies, and Applications in Photovoltaic Power Generation Systems: A Comparative Review and Analysis. Electronics. 2025; 14(2):389. https://doi.org/10.3390/electronics14020389
Chicago/Turabian StyleTuluhong, Ayiguzhali, Zhisen Xu, Qingpu Chang, and Tengfei Song. 2025. "Recent Developments in Bidirectional DC-DC Converter Topologies, Control Strategies, and Applications in Photovoltaic Power Generation Systems: A Comparative Review and Analysis" Electronics 14, no. 2: 389. https://doi.org/10.3390/electronics14020389
APA StyleTuluhong, A., Xu, Z., Chang, Q., & Song, T. (2025). Recent Developments in Bidirectional DC-DC Converter Topologies, Control Strategies, and Applications in Photovoltaic Power Generation Systems: A Comparative Review and Analysis. Electronics, 14(2), 389. https://doi.org/10.3390/electronics14020389

