Low-Delay AES Key Expansion Units Based on DDBT Structure †
Abstract
1. Introduction
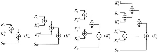
2. AES Key Expansion Unit Based on Chain Structure
2.1. AES Encryption Key Expansion Unit
2.2. AES Decryption Key Expansion Unit
2.3. AES Encryption/Decryption Unified Key Expansion Unit
3. The Proposed Low-Delay Structure Construction Method
3.1. The Construction Method of Low-Delay AES Encryption Key Expansion Unit
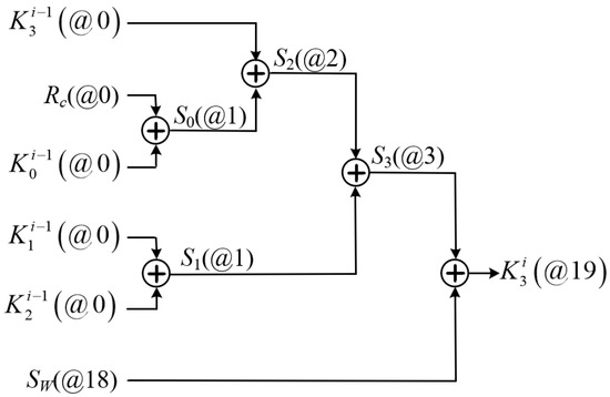
3.1.1. Deriving the Expressions
| Algorithm 1. The Construction Method of the DDBT Structure. |
| for j = 1 to Nout All input signals form a set S for i = 1 to Nin − 1 Choose the two signals s1 and s2 with the least delay from S Construct an addition circuit snew = s1 + s2 Remove s1 and s2 from S Compute the delay of snew with tnew = max(t1, t2) + 1 Add snew to the set S end end |
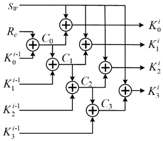
3.1.2. Extracting the CS
| Algorithm 2. The DACSE Algorithm. |
| Input the operation expressions E and delay constraint Tcon Create two empty sets SCS and SIV Count the occurrence frequency of each CS in E Find out the max occurrence frequency Omax while Omax > 1 Create new operation expressions ECS = E Select a CS (s1 + s2) with occurrence frequency Omax randomly Replace the CS (s1 + s2) in ECS with a new signal scom Compute the delay of scom with tcom = max(t1, t2) + 1 Compute the whole operation unit delay TKE with Equation (8) if TKE = Tcon Add the eliminated CS scom = s1 + s2 to set SCS Replace E with ECS, that is E = ECS else Add the CS s1 + s2 to set SIV end if Count the occurrence frequency of each CS in E other than the CS in set SIV Find out the max occurrence frequency Omax end while |
3.1.3. Constructing the Unit
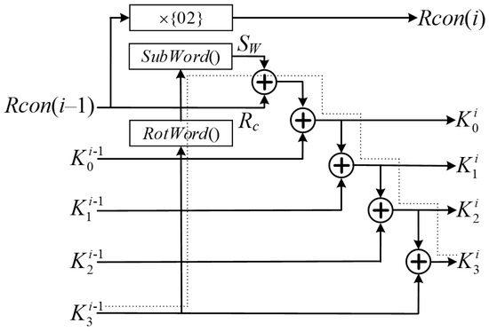
3.2. The Construction Method of Unified Key Expansion Unit
3.2.1. The Expressions of Unified Unit
3.2.2. Extracting the CS
3.2.3. Constructing the Unit
3.3. The Impact of Proposed Optimization Method on the Systems
4. Verification and Comparisons
4.1. Verification by Integrated Circuit Synthesis
4.2. Comparisons with Previous Works
5. Conclusions and Future Works
Author Contributions
Funding
Data Availability Statement
Conflicts of Interest
Appendix A
| Logic Gate | Gate Type | Area (μm2/Trs) | Delay (ns) |
|---|---|---|---|
| XOR | XOR2X1 | 26.6112/8 | 0.21 |
| AND | AND2X1 | 13.3056/4 | 0.16 |
| NAND | NAND2X1 | 9.9792/3 | 0.04 |
| two-to-one Multiplexer | MX2X1 | 26.6112/8 | 0.19 |
| NOT | INVX1 | 6.6528/2 | 0.03 |
References
- NIST. FIPS PUB 197, Announcing the Advanced Encryption Standard (AES). 2001. Available online: http://csrc.nist.gov/publications/fips/fips197/fips-197.pdf (accessed on 26 November 2001).
- Yi, L.; Zou, X.; Liu, Z.; Dan, Y.; Zou, W. A low-cost compact AES architecture for wireless sensor network. High Technol. Lett. 2010, 16, 184–188. [Google Scholar]
- Song, O.; Kim, J. Compact Design of the Advanced Encryption Standard Algorithm for IEEE 802.16.4 Devices. J. Electr. Eng. Technol. 2011, 6, 418–422. [Google Scholar] [CrossRef]
- Hämäläinen, P.; Hännikäinen, M.; Hämäläinen, T. Efficient hardware implementation of security processing for IEEE 802.16.4 wireless networks. In Proceedings of the Midwest Symposium on Circuits and Systems, Covington, KY, USA, 7–10 August 2006; pp. 484–487. [Google Scholar]
- Feldhofer, M.; Dominikus, S.; Wolkerstorfer, J. Strong Authentication for RFID Systems Using the AES Algorithm. In Proceedings of the Workshop on Cryptographic Hardware and Embedded Systems, Cambridge, MA, USA, 11–13 August 2004; pp. 357–370. [Google Scholar]
- Kim, M.; Ryou, J.; Choi, Y.; Jun, S. Low Power AES Hardware Architecture for Radio Frequency Identification. In Proceedings of the International Workshop on Security, Kyoto Terrsa, Kyoto, Japan, 23–24 October 2006; pp. 353–363. [Google Scholar]
- Ali, L.; Aris, I.; Hossain, F.S.; Roy, N. Design of an ultra high speed AES processor for next generation IT security. Comput. Electr. Eng. 2011, 37, 1160–1170. [Google Scholar] [CrossRef]
- Lin, S.Y.; Huang, C.T. A High-Throughput Low-Power AES Cipher for Network Applications. In Proceedings of the 2007 Asia and South Pacific Design Automation Conference, Yokohama, Japan, 23–26 January 2007; pp. 595–600. [Google Scholar]
- Wang, Y.; Kumar, A.; Ha, Y. FPGA-based High Throughput XTS-AES Encryption/Decryption for Storage Area Network. In Proceedings of the International Conference on Field-Programmable Technology (FPT), Shanghai, China, 10–12 December 2014. [Google Scholar]
- Zhang, X.; Parhi, K.K. High-Speed VLSI Architectures for the AES Algorithm. IEEE Trans. VLSI Syst. 2004, 12, 957–967. [Google Scholar] [CrossRef]
- Hammad, I.; El-Sankary, K.; El-Masry, E. High-Speed AES Encryptor With Efficient Merging Techniques. IEEE Embed. Syst. Lett. 2010, 2, 67–71. [Google Scholar] [CrossRef]
- Kundi, D.-S.; Aziz, A.; Ikram, N. A high performance ST-Box based unified AES encryption/decryption architecture on FPGA. Microprocess. Microsyst. 2016, 41, 37–46. [Google Scholar] [CrossRef]
- Petra, N.; Caro, D.D.; Strollo, A.G.M. A Novel Architecture for Galois Fields GF(2m) Multipliers Based on Mastrovito Scheme. IEEE Trans. Comput. 2007, 56, 1470–1483. [Google Scholar] [CrossRef]
- Zhang, X.; Wu, N.; Zhou, F.; Li, J. Low-delay parallel Chien search architecture for RS decoder. IEICE Electron. Express 2016, 13, 20160729. [Google Scholar] [CrossRef][Green Version]
- Zhang, X.; Wu, N.; Zhou, F.; Chen, X. An optimized delay-aware common subexpression elimination algorithm for hardware implementation of binary-field linear transform. IEICE Electron. Express 2014, 11, 20140934. [Google Scholar] [CrossRef][Green Version]
- Zhang, X.; Wu, N.; Zhou, F.; Ge, F. Optimization of Area and Delay for Implementation of the Composite Field Advanced Encryption Standard S-Box. J. Circuits Syst. Comput. 2016, 25, 1650037. [Google Scholar] [CrossRef]
- Zhang, X.; Peng, Z.; Yan, H.; Zheng, X.; Xu, M. A Low-Delay Circuit Structure Construction Method for AES Key Expansion Units. In Proceedings of the IEEE 19th Conference on Industrial Electronics and Applications, Kristiansand, Norway, 5–8 August 2024; pp. 1–4. [Google Scholar]
- Zhang, X.; Yang, F.; Zheng, X.; Zhang, X.; Wu, N. A Full Matrix Joint Optimization Method for Hardware Implementation of AES MixColumns/InvMixColumns. IEICE Electron. Express 2020, 24, 20200391. [Google Scholar] [CrossRef]
- Vinh, T.Q.; Park, J.-H.; Kim, Y.; Kim, K.-O. An FPGA implementation of 30Gbps security module for GPON systems. In Proceedings of the IEEE International Conference on Computer and Information Technology, Sydney, NSW, Australia, 8–11 July 2008; pp. 868–872. [Google Scholar]
- Satoh, A.; Morioka, S.; Takano, K.; Munetoh, S. A compact Rijndael hardware architecture with S-box optimization. In Proceedings of the International Conference on the Theory and Application of Cryptology and Information Security, Gold Coast, Australia, 9–13 December 2001; pp. 239–245. [Google Scholar]
- Lu, C.C.; Tseng, S.Y. Integrated design of AES (Advanced Encryption Standard) encrypter and decrypter. In Proceedings of the IEEE International Conference on Application—Specific Systems, Architectures, and Processors, San Jose, CA, USA, 17–19 July 2002; pp. 277–286. [Google Scholar]
- Mangard, S.; Aigner, M.; Dominikus, S. A highly regular and scalable AES hardware architecture. IEEE Trans. Comput. 2003, 52, 483–491. [Google Scholar] [CrossRef]
- Good, T.; Benaissa, M. AES on FPGA from the fastest to the smallest. In Proceedings of the International Workshop on Cryptographic Hardware and Embedded Systems, Edinburgh, UK, 29 August–1 September 2005; pp. 438–451. [Google Scholar]
- Pramstaller, N.; Mangard, S.; Dominikus, S.; Wolkerstorfer, J. Efficient AES Implementations on ASICs and FPGAs. In Proceedings of the 4th International Conference on AES, Bonn, Germany, 10–12 May 2004; pp. 98–112. [Google Scholar]
- Hämäläinen, P.; Alho, T.; Hännikäinen, M.; Hämäläinen, T.D. Design and Implementation of Low-area and Low-power AES Encryption Hardware Core. In Proceedings of the the 9th Euromicro Conference on Digital System Design, Cavtat, Croatia, 30 August—1 September 2006; pp. 577–583. [Google Scholar]
- Good, T.; Benaissa, M. 692-nW Advanced Encryption Standard (AES) on a 0.13-μm CMOS. IEEE Trans. VLSI Syst. 2010, 18, 1753–1757. [Google Scholar] [CrossRef]
- Chen, M.-C.; Li, W.-T. An 8-Bit ROM-Free AES Design for Low-Cost Applications. Math. Probl. Eng. 2013, 1, 55554477. [Google Scholar] [CrossRef]
- Kim, H.K.; Sunwoo, M.H. Low Power AES Using 8-Bit and 32-Bit Datapath Optimization for Small Internet-of-Things (IoT). J. Sig. Proc. Syst. 2019, 91, 1283–1289. [Google Scholar] [CrossRef]
- Chodowiec, P.; Gaj, K. Very Compact FPGA Implementation of the AES Algorithm. In Proceedings of the International Workshop on Cryptographic Hardware and Embedded Systems, Cologne, Germany, 8–10 September 2003; pp. 319–333. [Google Scholar]
- Rouvroy, G.; Standaert, F.X.; Quisquater, J.J.; Legat, D.J. Compact and Efficient Encryption/Decryption Module for FPGA Implementation of the AES Rijndael Very Well Suited for Small Embedded Applications. In Proceedings of the International Conference on Information Technology: Coding and Computing, Las Vegas, NV, USA, 5–7 April 2004; pp. 583–587. [Google Scholar]
- Yu, N.; Heys, H.M. Investigation of compact hardware implementation of the advanced encryption standard. In Proceedings of the Canadian Conference on Electrical and Computer Engineering, Saskatoon, SK, Canada, 1–4 May 2005; pp. 1069–1072. [Google Scholar]
- Jia, Z.; Zeng, X.; Han, J.; Chen, J. Very Low-cost VLSI Implementation of AES Algorithm. In Proceedings of the IEEE Asian Solid-State Circuits Conference, Hangzhou, China, 13–15 November 2006. [Google Scholar]
- Li, Z.-R.; Zhuang, Y.-Q.; Zhang, C.; Jin, G. Low-power and area-optimized VLSI implementation of AES coprocessor for Zigbee system. J. China Univ. Posts Technol. 2009, 16, 89–94. [Google Scholar] [CrossRef]
- Liu, P.-C.; Chang, H.-C.; Lee, C.-Y. A 1.69 Gb/s area-efficient AES crypto core with compact on-the-fly key expansion unit. In Proceedings of the European Solid-State Circuit Conference, Athens, Greece, 14–18 September 2000; pp. 404–407. [Google Scholar]
- Marzouqi, H.; Al-Qutayri, M.; Salah, K. Review of gate-level differential power analysis and fault analysis countermeasures. IET Inf. Secur. 2014, 8, 51–66. [Google Scholar] [CrossRef]
- Karaklajić, D.; Schmidt, J.-M.; Verbauwhede, I. Hardware Designer’s Guide to Fault Attacks. IEEE Trans. VLSI Syst. 2013, 12, 2295–2306. [Google Scholar] [CrossRef]
- Barenghi, A.; Breveglieri, L.; Koren, I.; Naccache, D. Fault Injection Attacks on Cryptographic Devices: Theory, Practice, and Countermeasures. Proc. IEEE 2012, 100, 3056–3076. [Google Scholar] [CrossRef]








| No. | Input Signal Set | Constructed Circuit |
|---|---|---|
| 1 | ||
| 2 | ||
| 3 | ||
| 4 | ||
| 5 |
| Unit | Structure | Area (Trs) | Delay (ns) | Frequency (MHz) |
|---|---|---|---|---|
| Encryption | Chain | 4520 | 5.31 | 188.32 |
| DDBT | 5288 | 4.47 | 223.71 | |
| Unified | Chain | 5632 | 6.07 | 164.74 |
| DDBT | 7168 | 5.06 | 197.63 |
| Unit | Structure | Area (gates/Trs) | Delay (ns) | Frequency (MHz) |
|---|---|---|---|---|
| Encryption | Chain | 2550/7650 | 6.37 | 156.99 |
| DDBT | 2807/8421 | 5.40 | 185.19 | |
| Unified | Chain | 3264/9792 | 23.12 | 43.25 |
| DDBT | 3664/10,992 | 7.51 | 133.16 |
| Unit | Structure | Area (Slices) | Delay (ns) | Frequency (MHz) |
|---|---|---|---|---|
| Encryption | Chain | 108 | 6.725 | 148.70 |
| DDBT | 110 | 5.952 | 168.01 | |
| Unified | Chain | 117 | 28.285 | 35.35 |
| DDBT | 125 | 6.607 | 151.35 |
| Unit | Works | Platform | Area (gates) | Frequency (MHz) | Cycles | Throughput (Gbps) |
|---|---|---|---|---|---|---|
| Encryption | [10] | AMD Virtex | — — | 93.50 168.40 | 30 70 | 3.99 3.08 |
| [19] | AMD Virtex-4 | — — | 208.49 247.19 | 30 50 | 8.89 6.33 | |
| Ours | 0.18 µm SMIC | 2807 | 185.19 | 10 | 23.70 | |
| AMD Virtex-7 | — | 168.01 | 10 | 21.51 | ||
| Unified | [2] | AMD Virtex II | — | 177.3 | 51 | 4.45 |
| [11] | AMD Virtex II | — — | 281.3 305.1 | 50 90 | 7.20 4.34 | |
| [20] | 0.11 µm standard | 3072 | 131.24 | 50 | 3.36 | |
| [21] | 0.25 µm TSMC | — | 100 | 21 | 6.10 | |
| [22] | 0.6 µm standard | 3071 | 64 | 10 | 8.19 | |
| [23] | AMD Virtex-E AMD Spartan-3 | — — | 26.40 28.01 | 10 10 | 3.38 3.58 | |
| [24] | 0.6 µm standard | 3201 | 50 | 10 | 6.40 | |
| [34] | 90 nm standard | — | 131.8 | 14 | 16.87 | |
| Ours | 0.18 µm SMIC | 3664 | 133.16 | 10 | 17.04 | |
| AMD Virtex-7 | — | 151.35 | 10 | 19.37 |
Disclaimer/Publisher’s Note: The statements, opinions and data contained in all publications are solely those of the individual author(s) and contributor(s) and not of MDPI and/or the editor(s). MDPI and/or the editor(s) disclaim responsibility for any injury to people or property resulting from any ideas, methods, instructions or products referred to in the content. |
© 2025 by the authors. Licensee MDPI, Basel, Switzerland. This article is an open access article distributed under the terms and conditions of the Creative Commons Attribution (CC BY) license (https://creativecommons.org/licenses/by/4.0/).
Share and Cite
Zheng, X.; Yan, H.; Peng, Z.; Zhang, X. Low-Delay AES Key Expansion Units Based on DDBT Structure. Electronics 2025, 14, 384. https://doi.org/10.3390/electronics14020384
Zheng X, Yan H, Peng Z, Zhang X. Low-Delay AES Key Expansion Units Based on DDBT Structure. Electronics. 2025; 14(2):384. https://doi.org/10.3390/electronics14020384
Chicago/Turabian StyleZheng, Xinxing, Han Yan, Zhiwei Peng, and Xiaoqiang Zhang. 2025. "Low-Delay AES Key Expansion Units Based on DDBT Structure" Electronics 14, no. 2: 384. https://doi.org/10.3390/electronics14020384
APA StyleZheng, X., Yan, H., Peng, Z., & Zhang, X. (2025). Low-Delay AES Key Expansion Units Based on DDBT Structure. Electronics, 14(2), 384. https://doi.org/10.3390/electronics14020384

