Next Article in Journal
AI-Enhanced MPPT Control for Grid-Connected Photovoltaic Systems Using ANFIS-PSO Optimization
Next Article in Special Issue
Hierarchical Distributed Optimization of Rural Integrated Energy Systems Considering Energy Storage Aggregation
Previous Article in Journal
Black-Box Modeling Approach with PGB Metric for PSRR Prediction in Op-Amps
Previous Article in Special Issue
Black-Start Strategy for Offshore Wind Power Delivery System Based on Series-Connected DRU-MMC Hybrid Converter
 
 
Font Type:
Arial Georgia Verdana
Font Size:
Aa Aa Aa
Line Spacing:
Column Width:
Background:
Article

A Novel Capacitor-Commutated Converter Based on Submodule-Cascaded STATCOM

New Energy Engineering Institute, POWERCHINA Huadong Engineering Corporation Limited, Hangzhou 311122, China
*
Author to whom correspondence should be addressed.
Electronics 2025, 14(13), 2646; https://doi.org/10.3390/electronics14132646
Submission received: 15 May 2025 / Revised: 21 June 2025 / Accepted: 27 June 2025 / Published: 30 June 2025

Abstract

To address the challenge of a conventional line-commutated converter (LCC), unable to operate properly in connection with a very weak AC system, the technology of the capacitor-commutated converter (CCC) was widely utilized in 1990s. The topology of the CCC is constructed as a conventional LCC modified with a series capacitor between the converter transformer and the thyristor valves in each phase. Additional phase voltage can be generated on the capacitor to assist the process of the commutation. However, the CCC technology may experience continuous commutation failure due to the uncontrolled charging of the series capacitor. Based on the submodule-cascaded static synchronous compensator (STATCOM), this paper proposes a novel topology called the submodule-cascaded STATCOM-based CCC (SCCC). The SCCC technology enables the function of reactive power compensation and active filtering. It can also improve the transient characteristics of the AC faults via dynamic reactive power injection during the transient process, which helps to reduce the risk of continuous commutation failure in the CCC.

1. Introduction

The line-commutated converter (LCC)-based high-voltage direct current (HVDC) transmission system employs semi-controlled power electronic devices as commutation valves. This technology has the advantages of rapid active power control, low losses and a low cost [1]. Thus, it is well-suited for long-distance and high-capacity power transmission applications. However, the thyristors in the LCC lack a self-turn-off capability, so the LCC needs to be connected to a strong AC system with a sufficient short-circuit capacity [2]. Also, the LCC-based HVDC (LCC-HVDC) system requires approximately 50–60% of the rated DC power during operation and has an inherent limitation of commutation failure (CF) [3].
Due to the above limitations of the LCC, researchers focused their efforts on developing next-generation HVDC transmission technologies. In the 1990s, the voltage source converter (VSC)-based HVDC (VSC-HVDC) technology [4] and the capacitor-commutated converter (CCC)-based HVDC (CCC-HVDC) technology [5,6] emerged and evolved concurrently. Both technologies aim to address the inability of the LCC to operate reliably when connecting to the extremely weak AC system.
The CCC technology was proposed by Buseman in 1954 [7]. The CCC topology is formed as a conventional LCC modified with a series capacitor between the converter transformer and the thyristor valves in each phase. The series-connected capacitor, which is called the commutation capacitor, can generate an additional commutation voltage to assist the commutation process. ABB started researching CCC technology in 1995 [8], recognizing that it could be extended to practical HVDC transmission engineering applications [9]. There are three CCC-HVDC projects in the world, including the Garabi Project in Brazil in 2000 [10], the Rapid City Project in the U.S. in 2003 [11] and the Rio Madeira Project in Brazil in 2013 [12].
The measures to mitigate the possibility of the CF in an LCC-HVDC system primarily involve three technical routes [13,14,15]: the employment of the additional auxiliary equipment, the optimization of the control systems and the modification of the converter topologies. The three technical routes for the CF mitigation are compared in Table 1.
In terms of employing the additional auxiliary equipment, the reactive power compensation devices can be installed to support the AC voltage and thereby suppress the CF [16]. These devices typically include AC filters, a static var compensator (SVC), a static synchronous compensator (STATCOM), a synchronous compensator, etc. Additionally, ref. [17] has demonstrated that the unified power flow controller (UPFC) and the dynamic voltage regulators (DVR) can reduce the risk of the CF through the DC power flow control. The UPFC requires a smaller capacity than the STATCOM to achieve the equivalent CF suppression effect under the same condition of the short-circuit ratio and the fault severity.
In terms of mitigating the CF based on the control system, optimization can be categorized into the advanced firing angle control and the voltage-dependent current order limiter (VDCOL) control. The advanced firing angle control [18] is implemented when the detection of an AC fault indicates a potential risk of the CF. In such cases, the firing angle of the inverter is advanced to ensure a larger commutation margin. The literature [19,20] has investigated techniques for detecting the AC faults and optimizing the control parameters for CF prevention. However, the advanced firing approach increases the reactive power consumption of the inverter, which is detrimental to the recovery of the AC voltage after the fault. The widely adopted VDCOL control [21] in industrial applications involves reducing the DC current reference value to reduce the commutation fault current after detecting a decrease in the AC voltage, thereby mitigating the risk of CF.
In terms of modifying the converter topologies [22], the most notable technical route is the use of the CCC. Compared to the conventional LCC, the CCC technology can reduce the reactive power compensation capacity. Also, it can reduce the probability of the initial CF due to the insertion of commutation capacitors. However, it may experience continuous CF because of the uncontrolled charging process of the commutation capacitors after the initial CF.
To enhance the controllability of the commutation capacitors in the CCC, ref. [23] introduced an approach utilizing the active capacitors by connecting a three-phase voltage source PWM converter in series to emulate the effect of the commutation capacitors. In [24], the authors proposed a hybrid active and passive CCC, where a low-power three-phase VSC is connected between the commutation capacitors and the thyristor valves. The series-connected VSC acts as an auxiliary commutation capacitor, actively increasing the equivalent capacitance value of the circuit to mitigate the continuous CF in the CCC. To effectively reduce the losses associated with frequently switching insulated gate bipolar transistors (IGBTs) in the HVDC system, ref. [25] proposed a method utilizing thyristor-based controlled capacitors combined with a system-coordinated control strategy to mitigate the probability of the CF. Based on this, ref. [26] demonstrated the feasibility of controlling the reactive power and the AC voltage of the inverter by employing series-connected controlled capacitors, thereby replacing the AC filter configuration [27,28]. In [29], the authors introduced a novel topology named the enhanced capacitor-commutated converter (ECCC) with anti-parallel thyristors-based full-bridge submodules. By embedding these submodules into the CCC and using reasonable switching control strategies, the risk of CF can be effectively reduced. In [30], the authors proposed an improved coordinated control strategy for the ECCC. It can ignore the effect of fault detection delays and accelerate the commutation process to reduce the possibility of CF. In [31], the IGBT-based full-bridge submodules are series-connected to the valve side of the converter transformer. By controlling the connection and disconnection of the commutation capacitors, this topology aims to eliminate CFs under severe conditions. In [32], the authors presented a hybrid HVDC system topology, where each converter station comprises a series-connected CCC and a two-level VSC, and a nonlinear state-space averaging model analysis was proposed to study the system characteristics. In [33], the authors introduced a novel controllable line-commutated converter (CLCC) topology with a controlled shut-off capability, which can effectively resolve the issue of CF and provide short-term power support to the AC system. This topology was experimentally validated in the Ge’nan Project. In [34], the authors proposed a multi-source adaptive LCC named SLCC, in which a three-phase VSC was connected to the valve side of the converter transformer. The SLCC is capable of supporting the commutation voltage during the transient process and reducing the risk of CFs. Since the commutation capacitor in the CCC is uncontrollable, the charging and discharging states depend on the current flowing through the commutation capacitor. After the first CF, the AC bus voltage drop at the inverter side may increase the probability of another CF during the recovery process. In severe cases, it may lead to the CCC losing its self-recovery capability. However, the solutions for the continuous CF in the CCC are not systematically described in the existing literature. Thus, it is necessary to propose a novel solution to improve the continuous CF in the CCC.
To address this issue, this paper proposes a novel topology named the submodule-cascaded STATCOM-based CCC (SCCC). The SCCC is formed by paralleling a submodule-cascaded STATCOM (SC-STATCOM) on the valve side of the converter transformer in the CCC. Compared to the CCC, the SCCC can replace the AC filters and the reactive power compensation devices. It can also improve the AC fault transient performance by enhancing the reactive power support during the transient process, thereby reducing the risk of CFs.
The CF study for the SCCC has two main aspects. Firstly, it investigates whether the SCCC has a better immunity to the initial CF and the better fault recovery characteristics compared to the CCC. Secondly, it explores whether the SCCC can mitigate the technical defect of the continuous CF in the CCC.
The organization of this paper is as follows. In Section 2, the topology structure, the mathematical model and the control strategy for the reactive power compensation and the active filtering of the SC-STATCOM are introduced. In Section 3, the mechanisms through which the continuous CFs can occur in the CCC are explained. By comparing the power transmission curves of the LCC, the CCC and the SCCC during the steady-state operation, the maximum power curves of the SCCC topology under the different SCR and the capacities are presented. By analyzing the reactive power at different apparent extinction angles, the feasibility of the SCCC fully replacing the reactive power compensation devices by connecting to SC-STATCOM is demonstrated. In Section 4, a two-terminal HVDC transmission model is built in PSCAD/EMTDC, where three converters are adopted at the inverter side, respectively. The transient characteristics of the three cases under the non-severe three-phase grounding faults and the severe single-phase grounding faults in the AC system are analyzed. The commutation failure immunity index (CFII) and the commutation failure probability index (CFPI) are compared among the three cases. Finally, conclusions are drawn in Section 5.

2. Mathematical Model and Control Strategy of the STATCOM

The STATCOM utilizes power electronic devices to generate capacitive or inductive reactive power to meet the reactive power demands of the power system. It connects a VSC, coupled with a reactor, to the AC grid. The voltage–current characteristics of the STATCOM are similar to that of a rotating synchronous compensator, which exhibits a rapid dynamic response, low-output waveform distortion and an absence of mechanical inertia [35].
In practical applications, the installation of the STATCOM enables the rapid injection of the reactive power into the AC grid after the faults to support the bus voltage of the weak AC system. Thus, it can mitigate the occurrence of the CFs and enhance the voltage stability of the AC grid to a certain extent. On the condition of the high-voltage and the large-capacity power transmission, two-level or three-level VSCs are insufficient for STATCOMs, thus the submodule-cascaded topologies are widely adopted. In 1997, the Alstom company developed the world’s first SC-STATCOM with a capacity of ±75 MVA, which was commissioned at the East Clayton substation in northern London in 1999 [36].
The SC-STATCOM employs full-bridge submodules (FBSMs) as the modular multilevel structure, also known as the cascaded H-bridge topology [37]. Its main circuit comprises three bridge arms. It has two possible structure configurations: the star-connected and the delta-connected. In the delta-connected configuration, the sum of the voltages across the submodules equals the line-to-line voltage, which is √3 times the voltage in the star-connected configuration. Consequently, the delta-connected configuration requires a larger number of the cascaded submodules at the same voltage rating. However, it has a lower current stress on the power electronic devices. This paper focuses on the star-connected SC-STATCOM.

2.1. Mathematical Model of the STATCOM

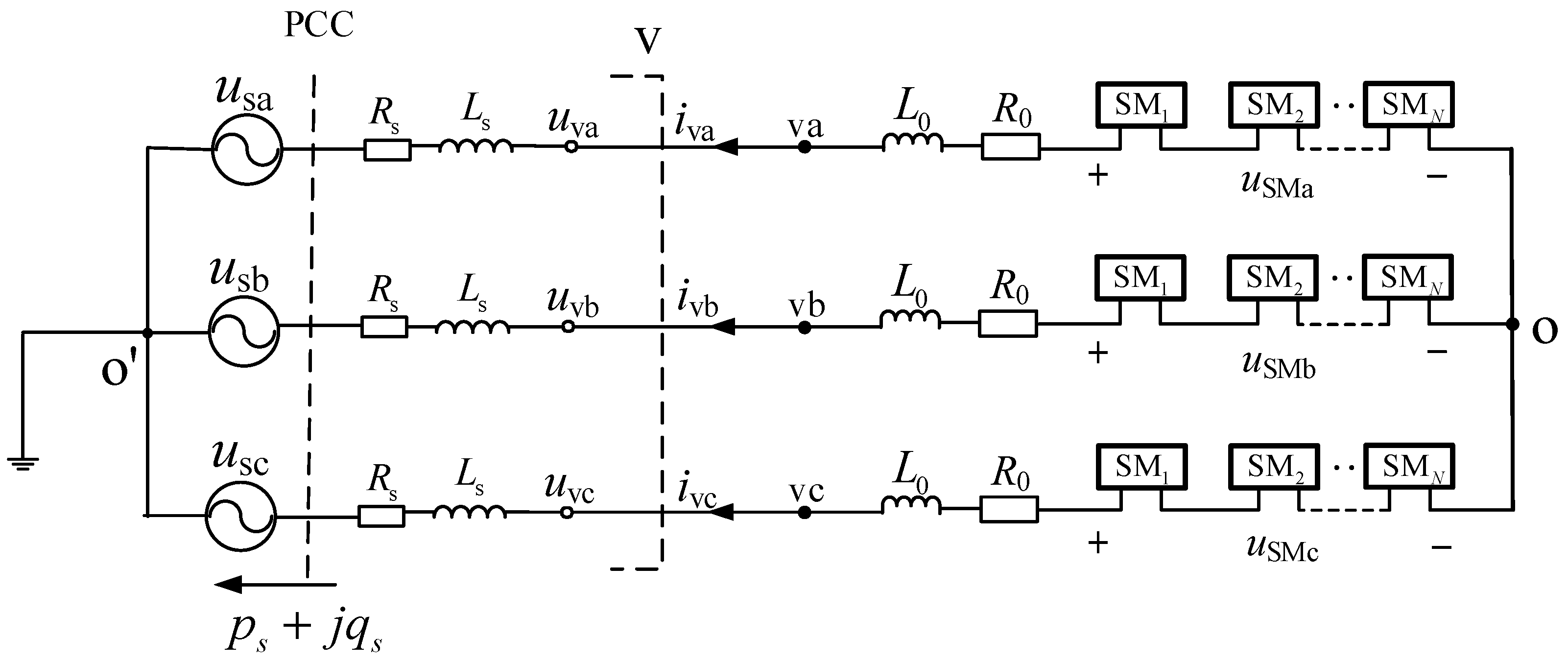
The standard circuit model of a star-connected SC-STATCOM is shown in Figure 1, which consists of three bridge arms. Each bridge arm comprises N FBSMs connected in a series with a bridge arm inductor L0. Additionally, a resistance R0 is included to represent the equivalent loss in the bridge arm. usj (j = a, b and c, representing the phase a, b and c, respectively) is the three-phase voltage of the AC grid. Rs and Ls represent the equivalent resistance and inductance between the converter transformer valve side and the AC grid, respectively. uvj and ivj are the three-phase voltages and currents at the AC valve side, respectively. uSMj represents the total voltage of the cascaded submodules in the j-phase bridge arm. ps + jqs represents the power flowing towards the AC grid. Furthermore, positional symbol v indicates the valve side of the converter transformer. Positional symbols va, vb and vc represent the positions of the phase a, phase b and phase c at the valve side. Symbol O′ represents the neutral point of the AC grid equivalent electric potential and is defined as the reference electric potential for the entire equivalent circuit. Symbol O represents the common connection point of the three bridge arms in the star-connected SC-STATCOM.
Each FBSM, shown in Figure 2, comprises IGBTs (T1~T4), four anti-parallel diodes (D1~D4) and one capacitor C0. uSM and uC represent the voltages across the FBSM and the capacitor, respectively. iSM represents the current flowing through the SM. By switching the conduction and blocking states of the four IGBTs, the FBSM can operate in three modes of conducting, bypassing and blocking. During the steady-state operation, it can output three voltage levels of −uC, 0 and +uC.
The differential equation for the SC-STATCOM is as follows:
u s j = R s i v j L s d i v j d t R 0 i v j L 0 d i v j d t + u SM j + u OO
where uoo′ is the voltage difference between the neutral-points O and O′. Due to the three-phase symmetry, the two neutral points O′ and O can be considered equipotential at the fundamental frequency. Therefore, the fundamental-frequency dynamic characteristics of the SC-STATCOM can be described as follows:
L d i v j d t + R i v j = u s j + u SM j
where
L = L s + L 0 R = R s + R 0
The fundamental-frequency dynamic equation of the SC-STATCOM in the abc reference frame can be described as follows:
L d d t i va ( t ) i vb ( t ) i vc ( t ) + R i va ( t ) i vb ( t ) i vc ( t ) = u sa ( t ) u sb ( t ) u sc ( t ) + u SMa ( t ) u SMb ( t ) u SMc ( t )
During the steady-state operation, the voltages and currents in Equation (4) are sinusoidal AC quantities, which are not conducive for the controller design. To enable the decoupled control, the Park transformation is applied to Equation (4), which transforms the three-phase sinusoidal AC quantities in the stationary reference frame into the DC quantities in the dq synchronous rotation reference frame. The transformation matrix is as follows:
T 3 s dq ( θ ) = 2 3 cos θ cos ( θ 2 π 3 ) cos ( θ + 2 π 3 ) sin θ sin ( θ 2 π 3 ) sin ( θ + 2 π 3 )
T dq 3 s ( θ ) = cos θ cos ( θ 2 π 3 ) cos ( θ + 2 π 3 ) sin θ sin ( θ 2 π 3 ) sin ( θ + 2 π 3 )
where θ is the phase angle of usa, which can be obtained through a phase-locked loop (PLL) installed at the point of common coupling (PCC). T3s-dq(θ) is the transformation matrix from the abc stationary reference frame to the dq synchronous rotation reference frame. Tdq-3s(θ) is the transformation matrix from the dq synchronous rotation reference frame to the abc stationary reference frame.
Multiply both sides of Equation (4) by T3s-dq(θ) to obtain the following:
L d d t i vd ( t ) i vq ( t ) + R i vd ( t ) i vq ( t ) = u sd ( t ) u sq ( t ) + u SMd ( t ) u SMq ( t ) + ω L ω L i vd ( t ) i vq ( t )
After the Laplace transform of Equation (7), the frequency-domain form of the fundamental-frequency dynamic equation for the SC-STATCOM in the dq reference frame can be described as follows:
R + L s i vd s = u sd s + u SMd s + ω L i vq s R + L s i vq s = u sq s + u SMq s ω L i vd s
Equation (8) represents the transfer function relationship between the synthesized bridge arm voltage and the valve side current. It describes the relationship between the control variables and the controlled variables of the SC-STATCOM. The control system can be designed based on this relationship.

2.2. Controller Design for Reactive Power Compensation and Active Filtering

The SC-STATCOM can not only perform dynamic reactive power compensation, but also achieve the AC filtering function simultaneously. To illustrate this feature, a nonlinear load is connected in parallel to the standard circuit model of the SC-STATCOM shown in Figure 1, as depicted in Figure 3. iLj represents the three-phase current flowing into the nonlinear load and iSMj represents the three-phase current flowing into the SC-STATCOM.
To realize the functions of the dynamic reactive power compensation and the active filtering, a phase-locked loop (PLL) needs to be installed on the valve side of the converter transformer, which is at the position of symbol v in Figure 3. The phase-locked angle θ is the cosine phase angle of uva. When the three-phase voltage uvj on the AC valve side and the three-phase current iLj of the nonlinear load contain positive and negative sequence fundamental components and harmonic components, the general expression after Park transformation in the dq synchronous rotation reference frame can be described as follows:
u vd u vq = u ¯ vd u ¯ vq + u ˜ vd u ˜ vq
i Ld i Lq = i ¯ Ld i ¯ Lq + i ˜ Ld i ˜ Lq
where the superscripts “−” and “~” represent the DC component and the harmonic components, respectively. In the dq synchronous rotation reference frame, u ¯ v d and i ¯ L d constitute the positive-sequence active power of the nonlinear load; therefore the d-axis DC current component i ¯ L d does not need to be compensated. Conversely, u ¯ v d and i ¯ L q constitute the positive-sequence reactive power of the nonlinear load, which is undesirable for injection into the AC system. Therefore, the q-axis DC current component i ¯ L q needs to be compensated. To achieve the function of the active filtering, the harmonic components i ~ L d and i ~ L q also need to be compensated.
By precisely generating the current through the SC-STATCOM that compensates both the reactive power and the harmonic components in the nonlinear load, the SC-STATCOM can simultaneously fulfill the dual functions of reactive power compensation and active power filtering. According to the current reference direction specified in Figure 3, the reference values for the bridge arm currents in the dq synchronous rotation reference frame can be expressed as follows:
i SMd * i SMq * = i C Σ d * 0 0 i ¯ Lq i ˜ Ld i ˜ Lq = i C Σ d * i ˜ Ld i ¯ Lq i ˜ Lq
where i C Σ d * represents the active current component introduced to maintain the constant submodule capacitor voltages, aiming to compensate the active power losses of the SC-STATCOM. The component i ~ L d and i ¯ L q + i ~ L q are extracted using a second-order Butterworth filter.
Similar to the design of the MMC controller, the SC-STATCOM controller employs current vector control with dq-axis decoupling. This control strategy primarily consists of two parts: the inner-loop current controller and the outer-loop controller. The control objective of the outer-loop controller in the d-axis is to maintain the total submodule capacitor voltage sum UCΣ of all SMs at a constant value, while the q-axis compensates for the current components of the nonlinear load. The outer-loop controller outputs the dq-axis current reference values for the inner-loop current controller. The inner-loop current controller regulates the bridge arm voltages of the SC-STATCOM to ensure that the dq-axis components of the STATCOM currents rapidly track their reference values.
Based on the above analysis, the controller diagram of the SC-STATCOM is shown in Figure 4. UCΣ and U C Σ * represent the measured and the reference values of the total submodule capacitor voltage sum, respectively. i SMd and i SMd * are the measured and the reference values of the d-axis SC-STATCOM current, respectively. i SMq and i SMq * are the measured and the reference values of the q-axis SC-STATCOM current, respectively. u SMd and u SMd * are the measured and the reference values of the d-axis bridge arm voltage, respectively. u SMq and u SMq * are the measured and the reference values of the q-axis bridge arm voltage, respectively.

3. The Novel SCCC Technology

This section proposes a novel converter technology that integrates a SC-STATCOM into the valve side of the converter transformer in the CCC, forming the SCCC topology. The structure is shown in Figure 5. us is the voltage of the AC grid. Zs is the equivalent impedance of the AC grid. is is the current of the AC grid. iv is the valve side current of the converter transformer.
The traditional LCC topology acts as a current source, relying on the AC system for commutation at the inverter side. Thus, its dynamic characteristics are poor and its disturbance rejection capability is weak. While the CCC topology reduces the reactive power compensation requirements and mitigates the probability of the initial CF, the subsequent CF may still occur due to the uncontrollable charging of the commutation capacitors after the initial CF. The proposed SCCC topology, formed by connecting the SC-STATCOM in parallel with the CCC at the valve side of the converter transformer, represents a novel hybrid topology combining the current-source and voltage-source characteristics.
The SCCC can not only replace the AC filters and the reactive power compensation devices, but also enhance the system immunity to commutation failures. There are two factors that influence the cost of the SCCC technology compared to the CCC. On the one hand, the equipment cost of the AC filters and the reactive power compensation devices can be saved. On the other hand, the insertion of the SC-STATCOM will increase the cost. In engineering application, the adoption of the SC-STATCOM will increase the complexity of the SCCC. However, due to the maturity of the recent modular multi-level technology, the modularization and the control strategy of the SC-STATCOM can be easily achieved in engineering.
The main features of the SCCC are as follows:
(1) Modular Multilevel Technology: The flexible scalability of submodule cascading enables adaptation to the capacity requirements of the HVDC transmission systems, offering high reliability and low losses.
(2) Active Filtering Function: It replaces conventional AC filters, significantly reducing the building area of the converter station.
(3) Dynamic Reactive Power Compensation: It provides flexible dynamic reactive power regulation.
(4) Enhanced Commutation Failure Immunity: It reduces the probability of the CFs during the AC faults, thus supporting the AC voltage and improving the waveform during the fault recovery process.

3.1. Technical Defect of CCC

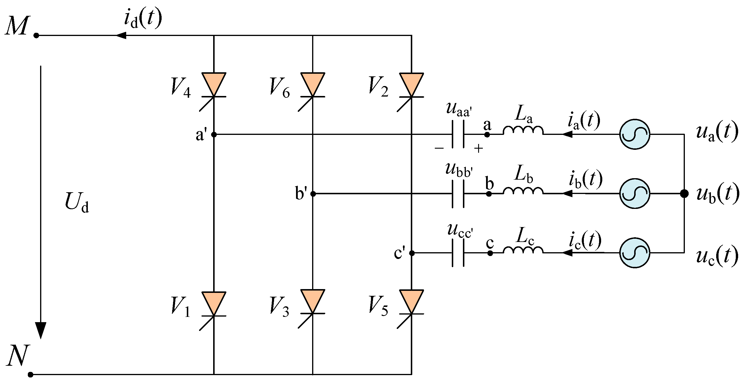
The schematic diagram of the CCC at the inverter side is shown in Figure 6. V1~V6 represent the thyristor valves. ua, ub and uc are the valve side voltages of the converter transformer. uaa′, ubb′ and ucc′ are the terminal voltages of the commutation capacitors connected in series between the converter transformer and the thyristor valves, with their positive polarity directions shown in Figure 6.
Figure 7 illustrates the waveforms of the AC voltages and commutation capacitor terminal voltages. The dashed lines represent the phase voltage waveforms on the valve side of the converter transformer, while the solid lines represent the actual commutation voltage waveforms across the thyristor valves. As observed from the AC phase voltage waveforms, the commutation capacitors introduce an additional voltage, causing the commutation voltage to lag behind the valve side voltage of the converter transformer by an angle. Consequently, the zero-crossing point of the actual commutation voltage across the thyristor valves lags behind that of the AC line voltage by the same angle. Even if the apparent extinction angle γapp is smaller than the critical extinction angle γmin, the actual extinction angle γreal is still sufficient to ensure the successful commutation process. The phase lag and amplitude increase of the actual commutation voltage due to the additional capacitor voltage enable a significant reduction for the apparent extinction angle γapp, thereby reducing the probability of the initial CF at the inverter side and reducing the reactive power absorption by the converter.
After a CF occurs in the CCC due to an AC fault at the inverter side, several thyristor valves are not turned off properly. The commutation capacitor connected to those thyristor valves continues to charge, leading to overvoltage and potentially triggering the subsequent CF during the fault recovery process. The process of the continuous CF is analyzed in detail below using the c-phase as an example, where dashed lines represent the waveform of the c-phase commutation capacitor voltage ucc′ after the initial CF.
Assume the initial CF occurs during the commutation process from valve V5 to V1, where V5 fails to turn off and remains conducting. Consequently, the c-phase commutation capacitor voltage ucc′ charges continuously to the overvoltage state. During the commutation process from V6 to V2, the c-phase commutation capacitor discharges, reducing ucc′. However, due to the limited discharge time, the polarity of the c-phase commutation capacitor remains positive without reversal. During the commutation process from V2 to V4, the positive voltage of the c-phase commutation capacitor lowers the potential at point c′, impeding the turn-off of V2. Subsequently, during the commutation process from V3 to V5, the c-phase commutation capacitor continues to charge, increasing ucc′ and impeding the turn-on of V5. From the above analysis, after the initial CF causes abnormal overvoltage charging in the commutation capacitor, the unipolar overvoltage will impede the turn-off and turn-on process of the upper and lower valves connected to the commutation capacitor during the next commutation process. Thus, the duration of the commutation process will be longer and the commutation margin will be reduced. The abnormal operating state of the thyristor valves may lead to the subsequent CF during the fault recovery process, even resulting in multiple CFs and ultimately damaging the self-recovery capability of the converter.
As the commutation capacitance decreases, its capacitive effect becomes more noteworthy. However, the disturbances during the fault recovery process and the asymmetric charging effect on the commutation capacitors become significant, leading to the greater possibility of continuous CF. It is the technical defect of the CCC technology.

3.2. Analysis of Power Transmission Characteristics

Firstly, several fundamental concepts are introduced. The maximum power curve (MPC) represents the curve describing the relationship between the active power transmitted by the converter and the DC current without employing special AC voltage control strategies. The maximum available power (MAP) represents the maximum transmissible power of the converter station, corresponding to the peak value of the MPC curve, which characterizes the static stability limit of the AC system. The short-circuit ratio (SCR) represents the strength of the AC system, defined as follows:
SCR = S ac P dN = U N 2 P dN 1 Z
where Sac is the short circuit capacity of the AC bus. PdN is the rated DC power. UN is the rated AC voltage. Z is the equivalent impedance of the AC system.
A ±500 kV/3000 MW HVDC transmission system with a SC-STATCOM is given. The SCR of the AC system is 2.5. The reactive power injected by the SC-STATCOM to the AC system Qstat is 400 MW. The steady-state operating characteristics of the three converter topologies (LCC, CCC and SCCC) are compared in Figure 8.
From Figure 8, under the identical SCR condition, the active power decline of the CCC with the increasing DC current is smaller than that of the LCC, indicating the improved MAP characteristics. The SCCC technology further enhances the MAP characteristics by increasing the DC current stability limit at the MAP point, thereby enhancing the static stability limit. At the rated DC current, the reactive power requirement of the LCC is approximately 50% of the rated power. Meanwhile, the reactive power requirement of the CCC and the SCCC is approximately 18% due to the higher power factors.
For the SCCC topology, two MPC curve investigations are conducted: (1) Fixed Qstat = 400 MW, the SCR increased from 1.5 p.u. to 5.0 p.u. with the step of 0.5 p.u. (2) Fixed SCR = 2.5, the Qstat increased from 100 MW to 800 MW with the step of 100 MW. The results are shown in Figure 9.
As can be seen from the figure, increasing the SCR or increasing the capacity of the SC-STATCOM can shift the MPC curve upward and to the right, and the corresponding MAP also increases. This implies an enhanced active power transmission capability and improved static stability limits at higher DC currents.
In summary, for the CCC and the SCCC operating at the same MAP value, the SCCC requires a smaller SCR. This indicates that the SC-STATCOM significantly strengthens the AC system by increasing the apparent SCR at the inverter side. Moreover, the apparent SCR increases with higher Qstat.

3.3. Reactive Power Compensation Capacity Analysis

Since the SC-STATCOM can replace the conventional reactive power compensation devices, its capacity selection needs to be investigated. The ±500 kV/3000 MW HVDC transmission system model is built in the simulation software, with an SCR of 2.5 and a commutation capacitance of 129.75 μF. Simulations are conducted under different apparent extinction angles γapp to determine the SC-STATCOM output reactive power Qstat, the reactive power absorbed by the converter QCCC, the reactive power provided by commutation capacitors QC and the reactive power provided by the AC system Qac. The results are summarized in Table 2.
It can be seen that QC remains constant due to the fixed capacitance and the terminal voltage magnitude. The CCC initially exports the reactive power and then absorbs it, with the absorbed reactive power increasing as γapp rises. Consequently, Qstat also increases as γapp rises.
The CCC requires 227 MVar of the reactive power at the rated operating condition (γapp = 1.57°). It consumes approximately 15% of the rated DC power (1500 MW for single pole), which is significantly lower than the 50–60% reactive demand of the LCC under equivalent conditions. Considering the additional reactive power requirement during the AC fault transient process, the practical SC-STATCOM capacity should be set to 1.5–2 times the steady-state reactive power demand, i.e., 23–30% of the rated DC power.
Notably, the LCC typically uses the extinction angle of 17° to ensure the thyristor turn-off margin. In the CCC or the SCCC systems, the commutation margin is related to the actual extinction angle γreal, whereas the reactive power is related to the apparent extinction angle γapp. A smaller γapp still satisfies the thyristor safety requirements. Thus, the SCCC-based HVDC system can operate with a reduced γapp and a smaller SC-STATCOM capacity.
In summary, the SCCC topology can fully replace conventional reactive compensation devices by the SC-STATCOM, with its capacity determined by the CCC’s reactive power demand.

4. Simulation Analysis

Three two-terminal HVDC transmission systems with different converter configurations are developed in PSCAD/EMTDC. Case 1 is a conventional ±500 kV/3000 MW HVDC transmission system with an LCC at the inverter side. Case 2 is a modified system based on case 1 with a CCC at the inverter side. Case 3 is modified system based on case 1 with a SC-STATCOM at the inverter side.
The monopolar topology schematics of the three cases are shown in Figure 10.

4.1. System Parameters

Based on the main circuit parameter calculation of the CCC in [1], the system parameters for case 1 and case 2 are listed in Table 3.
Case 3 shares the same rectifier and inverter parameter design as case 2 but integrates the SC-STATCOM at the valve side of the converter transformer, replacing the reactive compensation devices and AC filters. The parameters of the SC-STATCOM are listed in Table 4. To ensure the transient performance is comparable, the extinction angles for both the CCC and the SCCC are set to 17° and the SC-STATCOM rated capacity is set as 1000 MVA.

4.2. Transient Characteristic Analysis

The SCCC incorporates an additional parallel path by the SC-STATCOM, which provides auxiliary commutation voltage and reactive power support during the AC faults. This enhances the commutation margin and accelerates post-fault voltage recovery. To evaluate the CF immunity and the fault recovery capability of the SCCC, typical AC system grounding faults at the inverter side are simulated. The transient characteristics are compared among the LCC, the CCC and SCCC.

4.2.1. Non-Severe Three-Phase Grounding Fault

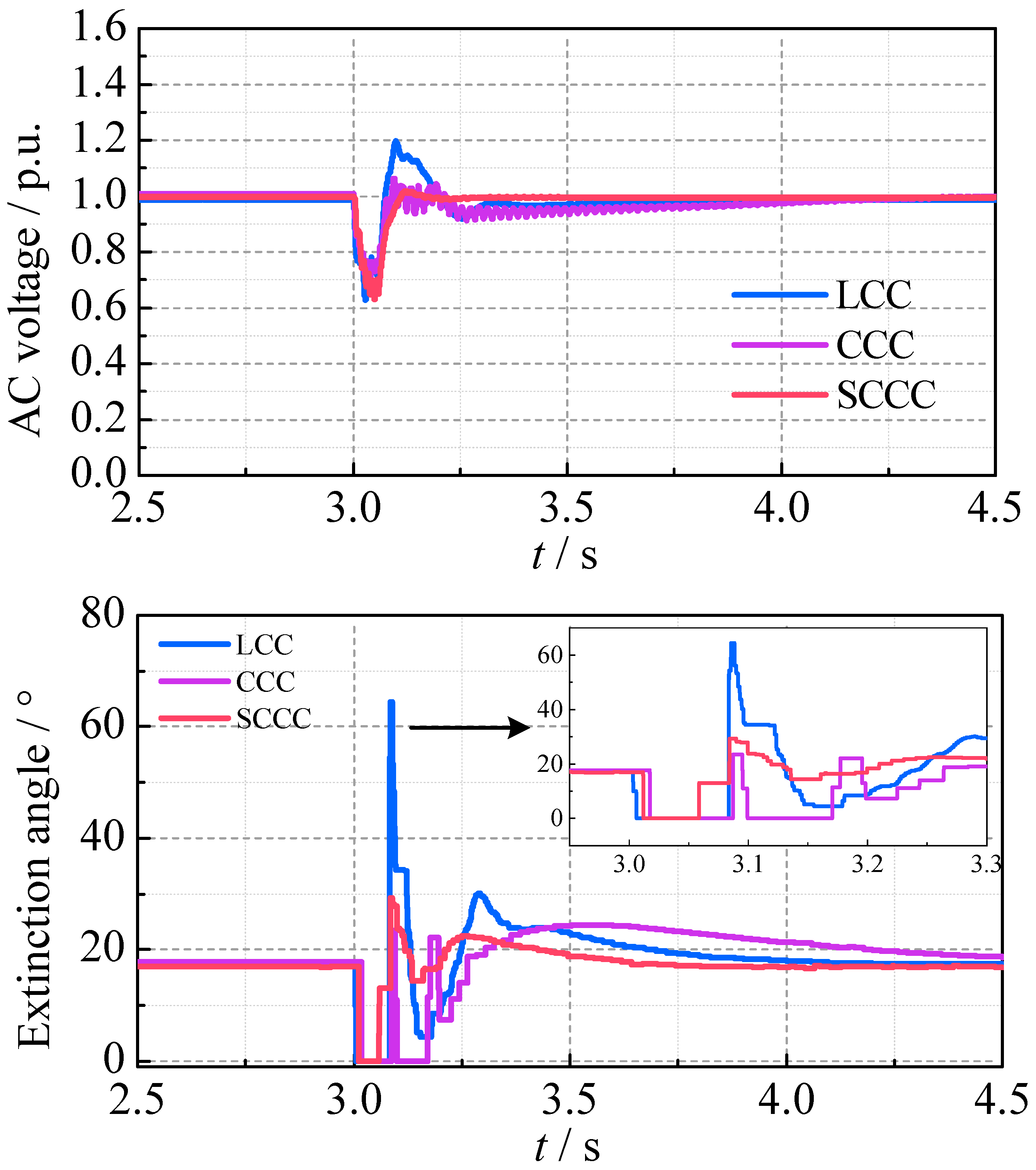
A three-phase grounding fault with a 100 Ω grounding resistance is applied to the inverter-side AC bus at 3.0 s, lasting 0.05 s. The transient waveforms of the three cases are compared in Figure 11, and the SC-STATCOM reactive power output is shown in Figure 12.
It can be seen that only the LCC experiences the CF, with its extinction angle rapidly dropping to zero, DC voltage reducing to zero, and DC current peaking at 1.32 p.u. The AC bus voltage at the inverter side drops to 0.55 p.u. In contrast, the CCC and SCCC can avoid the CF, with the maximum DC currents of 1.21 p.u. and 1.14 p.u., the minimum DC voltages of 0.43 p.u. and 0.71 p.u., and the minimum AC bus voltages of 0.77 p.u. and 0.89 p.u., respectively. During the AC fault, the SCCC shows the smallest DC overcurrent and provides enhanced reactive power support by the SC-STATCOM. The SCCC significantly improves the AC bus voltage stability compared to the LCC and CCC. After the AC fault is cleared, the LCC shows a large extinction angle impulse and minor oscillations in the DC voltage and the DC current. Meanwhile, the CCC and the SCCC achieve a smoother and faster recovery, with the SCCC demonstrating the fastest waveform recovery process. The SC-STATCOM provides 612 MVar of the reactive power during the steady-state operation process and 870 MVar during the transient process. The main transient parameters for the three converters are summarized in Table 5.

4.2.2. Severe Single-Phase Grounding Fault

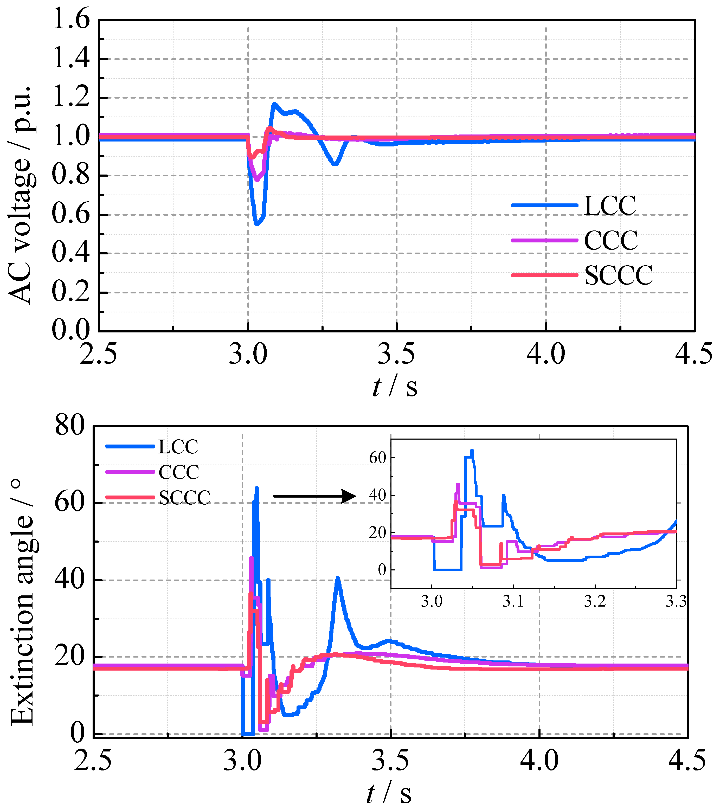
A c-phase grounding fault with a 0.01 Ω grounding resistance is applied to the inverter-side AC bus at 3.0 s, lasting 0.05 s. The transient waveforms of the three cases are compared in Figure 13, and the SC-STATCOM reactive power output is shown in Figure 14.
It can be seen that all three cases experience CF after the fault, with the extinction angles and DC voltages dropping to zero. The maximum DC currents reach 1.33 p.u. for the LCC, 1.27 p.u. for the CCC and 1.35 p.u. for the SCCC, while the minimum AC bus voltages at the inverter side drop to 0.61 p.u., 0.70 p.u. and 0.64 p.u., respectively. During the fault, both the CCC and the SCCC provide better AC voltage supporting capacity than the LCC. After the AC fault is cleared, the LCC and the SCCC recover smoothly, with the SCCC achieving the fastest voltage and current waveform recovery. However, the CCC shows a slow extinction angle recovery and continuous CF, resulting in a longer DC voltage recovery time of 1215 ms. The terminal voltage of the commutation capacitor during the AC fault is shown in Figure 15.
It can be seen that the c-phase commutation capacitor charges continuously to an overvoltage state after the initial CF. This results in the unipolar terminal voltage of the commutation capacitor in the following several power–frequency cycles after 3.1 s, causing the excessive or insufficient actual commutation voltage. Then the normal turn-off/turn-on process of the c-phase thyristor valves is disrupted and the trigger sequence is disordered, leading to the continuous CF. Additionally, the characteristic of the commutation capacitors charging to overvoltage during the fault also requires the commutation capacitors to have greater overvoltage tolerance than their steady-state values.
In contrast, the SCCC mitigates these issues through the SC-STATCOM. On the one hand, the SC-STATCOM can regulate the charging rate of the commutation capacitors connected to the abnormal turn-off valves. On the other hand, the SC-STATCOM can adjust the commutation voltage by the reactive power compensation, reducing the impact of the abnormal capacitor charging on the commutation voltage.
The SCCC cannot prevent the initial CF after the severe single-phase grounding fault. However, it improves the fault recovery characteristics by providing the reactive power to support the AC voltage, thereby avoiding the continuous CF. The main transient parameters for the three converters are summarized in Table 6.

4.3. Commutation Failure Immunity Index Analysis

The commutation failure immunity index (CFII) quantifies the ability of an inverter to resist CFs [38], defined as follows:
CFII = U ac 2 ω L min P d × 100 %
where Uac is the rated AC bus voltage at the inverter side. ω is the angular frequency. Pd is the rated DC power. Lmin is the minimum grounding inductance under which no CF occurs for any AC fault type.
To evaluate the CF immunity of the SCCC, critical fault conditions are simulated via electromagnetic transient analysis. The AC system strength and the converter control are considered to calculate the CFII.
Different moments of the AC fault within a power–frequency cycle can cause different AC line voltage phase angles, then causing different transient fault responses of the commutation capacitor terminal voltages especially for the CCC and the SCCC. Therefore, when analyzing the CFII of the three converters, the occurrence time of the AC fault needs to be considered. Taking the zero-crossing point of the AC line voltage uca from positive to negative half-wave as the reference (0°), a full cycle (0~360°) is divided into 10 intervals with a step of 36°. The electrical angle between the fault occurrence time and the reference (0°) is defined as the fault phase angle. For each fault phase angle, three-phase and single-phase faults with the fault duration of 0.05 s are simulated in PSCAD/EMTDC to determine Lmin and then calculate the CFII. The CFII curves for the three converters under three-phase and single-phase faults are shown in Figure 16.
The CFII curves demonstrate that the LCC exhibits the lowest CF immunity, followed by the CCC, while the SCCC achieves the highest CFII. It confirms that integrating commutation capacitors improves the CF resistance, and further adding the SC-STATCOM reduces Lmin, thus mitigating the CF probability. Additionally, single-phase faults result in higher CFII values than three-phase faults for the same converter, indicating that the converters show a better CF immunity under single-phase conditions.
Notably, the CCC and the SCCC exhibit a deeper CFII curve drop at specific single-phase fault angles. This is because the insertion of the commutation capacitor will increase the additional commutation voltage, and different fault phase angles can lead to different residual terminal voltages of the commutation capacitor at the moment of the fault occurrence, resulting in different initial voltages for the subsequent abnormal charge and discharge process of the commutation capacitor. Under the specific fault phase angle, it may be easier to cause the CF.
Simulations are conducted under the fault conditions corresponding to the lowest points of the CFII curves for the three converters. The minimum value of the AC bus voltage during the fault process can be obtained, defined as the critical AC voltage. The specific calculated values are shown in Table 7.
When the AC bus voltage at the inverter side is lower than the critical AC voltage, there is a high probability of CF in the system. This indicates that the smaller critical AC voltage represents a stronger ability to resist the CF. As shown in Table 7, the critical AC voltage of the SCCC is smaller than that of the CCC and the LCC. Therefore, the SCCC can avoid the CF under lower transient AC voltage conditions, demonstrating a better resistance against the CF.

4.4. Commutation Failure Probability Index Analysis

Since the CFII can only represent the minimum grounding inductance value at which the system exactly does not experience the CFs, it cannot reflect the system characteristics under other grounding inductance values. To comprehensively compare the immunity of the CF for the three converters, the commutation failure probability index (CFPI) is used for evaluation and analysis. This index is defined as the ratio of the number of the CFs occurring within a power–frequency cycle to the total number of the simulations [39]. The specific calculation process is as follows:
In one cycle of industrial frequency AC voltage, it is uniformly divided into 100 moments, forming 100 fault phase angles. A fixed three-phase or single-phase fault grounding inductance is set at the inverter side, with a fault duration of 0.05 s. All fault phase angles are considered, and the number of CFs is recorded and the proportion of this number in the 100 fault phase angles is calculated. This ratio is the CFPI value. By changing the fault grounding inductance, the CFPI value is recalculated. Finally, the CFPI curve is drawn. Figure 17 and Figure 18, respectively, show the CFPI curves for three converters under three-phase and single-phase grounding fault conditions.
It can be seen that when the fault grounding inductance is large, the CFPI value is 0%. When the fault grounding inductance is small, the CFPI value is 100%. There are some fault grounding inductances where not all cases of the fault phase angles experience the CFs. The minimum horizontal coordinate value where the CFPI curve intersects the horizontal axis corresponds precisely to the minimum grounding inductance value Lmin in the CFII. Additionally, the further the CFPI curve is to the right, the greater the probability of the CF under the same severity of the fault. From the comparison of the curves, the SCCC has a lower probability of CFs under the same fault conditions compared to the CCC and the LCC. Therefore, it can be concluded that the SCCC technology is capable of resisting CFs under the more severe grounding short circuit faults.
From the above analysis, the technical features for the three converters are compared and summarized in Table 8.

5. Conclusions

The uncontrollable charging of the commutation capacitors may lead to continuous CFs for the CCC technology. This paper presents a new topology named SCCC to effectively reduce the risk of continuous CFs in the CCC. The main conclusions of this paper are as follows:
(1) The CCC reduces the reactive power demand to 18% of the rated power vs. 50% for the LCC. After the SC-STATCOM capacity is set as approximately 23% of the rated power, the SCCC can omit the installation of the reactive power compensation devices and the AC filters.
(2) When the direct current increases, the active power decrease of the SCCC is the smallest among the three converters, and its MPC curve is positioned the furthest to the upper right. It indicates that the SCCC can enhance the maximum available power, increase the strength of the AC system and improve the apparent SCR of the AC system at the inverter side. Furthermore, increasing the SCR or the capacity of the SC-STATCOM can increase the MAP value of the SCCC and enhance the static stability limit of the system.
(3) The SCCC has the ability to mitigate the possibility of the initial CF during the non-severe three-phase grounding fault and avoid the continuous CF during the severe single-phase grounding fault to some extent. Thus, the SCCC has a great immunity of CFs during AC faults. Meanwhile, it has better fault recovery characteristics than the LCC and the CCC.
(4) The SCCC cannot thoroughly avoid the occurrence of the initial CF during the severe single-phase grounding fault. Future work will focus on the control strategy of the SC-STATCOM to improve the transient characteristics during severe asymmetric faults. Meanwhile, the economic assessment and the engineering application of the SCCC technology will be studied in the following research.

Author Contributions

Conceptualization, M.Y. and S.H.; methodology, C.T.; software, J.J.; validation, M.Y. and Y.H.; writing—original draft preparation, M.Y.; writing—review and editing, W.Y. All authors have read and agreed to the published version of the manuscript.

Funding

This research received no external funding.

Data Availability Statement

The data that support the findings of this study are available from the corresponding author upon reasonable request.

Conflicts of Interest

The authors declare they are employees of POWERCHINA Huadong Engineering Corporation Limited.

References

  1. Yan, M.; Zhang, Z.; Xu, Z. Calculation of main circuit steady-state parameters for capacitor commutated converter system. Appl. Sci. 2023, 13, 1171. [Google Scholar] [CrossRef]
  2. Zhang, H.; Hu, S.; Luo, L.; Lin, J.; Zhao, L.; Zhang, Z. A new shunt capacitor-commutated converter for reducing commutation failure probability of HVDC transmission and converter transformer noise. IEEE Access 2025, 13, 19650–19663. [Google Scholar] [CrossRef]
  3. Liu, J.; Lin, S.; Zhong, W.; Lei, L. Improved identification method and fault current limiting strategy for commutation failure in LCC-HVDC. J. Mod. Power Syst. Clean Energy 2022, 10, 1761–1772. [Google Scholar] [CrossRef]
  4. Asplund, G.; Eriksson, K.; Svensson, K. DC Transmission Based on Voltage Source Converter; CIGRE SC14 Colloquium: Pretoria, South Africa, 1997. [Google Scholar]
  5. Tsubota, S.; Funaki, T.; Matsuura, K. Analysis of interconnection between HVDC transmission with capacitor commutated converter and AC power transmission system. In Proceedings of the IEEE Power Engineering Society Winter Meeting, Singapore, 23–27 January 2000. [Google Scholar]
  6. Funaki, T.; Matsuura, K. Predictive firing angle calculation for constant effective margin angle control of CCC-HVDC. IEEE Trans. Power Deliv. 2000, 15, 1087–1093. [Google Scholar] [CrossRef]
  7. Reeve, J.; Baron, J.A.; Hanley, G.A. A technical assessment of artificial commutation of HVDC converters with series capacitors. IEEE Trans. Power App. Syst. 1968, PAS-87, 1830–1840. [Google Scholar] [CrossRef]
  8. Ärnlöv, B. A new generation of high-voltage DC converter stations. ABB Rev. 1996, 3, 10–17. [Google Scholar]
  9. Björklund, P.; Jonsson, T. Capacitor commutated converters for HVDC systems. ABB Rev. 1997, 2, 25–33. [Google Scholar]
  10. Ottosson, N.; Kjellin, L. Modular back-to-back HVDC with capacitor commutated converters (CCC). In Proceedings of the Seventh International Conference on AC-DC Power Transmission, London, UK, 28–30 November 2001. [Google Scholar]
  11. Stoltz, M.; Bahrman, M.; Dickinson, D.; Abrahamsson, B. The Rapid City DC Tie. In Proceedings of the IEEE PES Power Systems Conference and Exposition, Atlanta, CA, USA, 29 October–1 November 2006. [Google Scholar]
  12. Graham, J.; Holmgren, T.; Fischer, P.; Shore, N.L. The Rio Madeira HVDC System—Design Aspects of Bipole 1 and the Connector to Acre-Rondônia; CIGRE B4-111: Paris, Brazil, 2012. [Google Scholar]
  13. Xiao, H.; Zhang, Y.; Xue, Y.; Yao, W. Correcting the calculation method of commutation failure immunity index for LCC-HVDC inverters. IEEE Trans. Power Deliv. 2022, 37, 5469–5472. [Google Scholar] [CrossRef]
  14. Liu, L.; Lin, S.; Sun, P.; Liao, K.; Li, X.; Deng, Y.; He, Z. Calculation method of pseudo extinction angle for commutation failure mitigation in HVDC. IEEE Trans. Power Deliv. 2019, 34, 777–779. [Google Scholar] [CrossRef]
  15. Lin, S.; Xue, Y.; Li, Z.; Jiang, H.; Hu, R.; Ou, J. Estimating phase angle jump of commutation voltage and suppressing commutation failure during fault recovery. IEEE Trans. Power Deliv. 2025, 40, 126–138. [Google Scholar] [CrossRef]
  16. Zhang, Y.; Zhang, Y.; Jian, W.; Tang, F. Optimal configuration method of dynamic reactive power compensation device considering reducing commutation failure risk of multi-infeed DC system. In Proceedings of the IEEE 4th Conference on Energy Internet and Energy System Integration, Wuhan, China, 30 October–1 November 2020. [Google Scholar]
  17. Lei, Y.; Li, T.; Tang, Q.; Wang, Y.; Yuan, C.; Yang, X. Comparison of UPFC, SVC and STATCOM in improving commutation failure immunity of LCC-HVDC systems. IEEE Access 2020, 8, 135298–135307. [Google Scholar] [CrossRef]
  18. Sun, Y.; Peng, L.; Ma, F.; Li, G.J.; Lv, P.F. Design a fuzzy controller to minimize the effect of HVDC commutation failure on power system. IEEE Trans. Power Syst. 2008, 23, 100–107. [Google Scholar] [CrossRef]
  19. Yao, W.; Liu, C.; Fang, J.; Ai, X.; Wen, J.; Cheng, S. Probabilistic analysis of commutation failure in LCC-HVDC system considering the CFPREV and the initial fault voltage angle. IEEE Trans. Power Deliv. 2020, 35, 715–724. [Google Scholar] [CrossRef]
  20. Tamai, S.; Naitoh, H.; Ishiguro, F.; Sato, M.; Yamaji, K.; Honjo, N. Fast and predictive HVDC extinction angle control. IEEE Trans. Power Syst. 1997, 12, 1268–1275. [Google Scholar] [CrossRef]
  21. Guo, C.; Liu, Y.; Zhao, C.; Wei, X.; Xu, W. Power component fault detection method and improved current order limiter control for commutation failure mitigation in HVDC. IEEE Trans. Power Deliv. 2015, 30, 1585–1593. [Google Scholar] [CrossRef]
  22. Zhu, Y.; Zhang, S.; Liu, D.; Zhu, L.; Zou, S.; Yu, S.; Sun, Y. Prevention and mitigation of high-voltage direct current commutation failures a review and future directions. IET Gener. Transm. Distrib. 2019, 13, 5449–5456. [Google Scholar] [CrossRef]
  23. Zeineldin, H.; El-Saadany, E.; Kazerani, M. Capacitor commutated converter using an adaptive active capacitor for HVDC system. In Proceedings of the Canadian Conference on Electrical and Computer Engineering, Montreal, QC, Canada, 4–7 May 2003. [Google Scholar]
  24. Tanaka, T.; Nakazato, M.; Funabiki, S. A new approach to the capacitor-commutated converter for HVDC-a combined commutation capacitor of active and passive capacitors. In Proceedings of the 2001 IEEE Power Engineering Society Winter Meeting, Columbus, OH, USA, 28 January–1 February 2001. [Google Scholar]
  25. Xue, Y.; Zhang, X.; Yang, C. Elimination of commutation failures of LCC HVDC system with controllable capacitors. IEEE Trans. Power Syst. 2016, 31, 3289–3299. [Google Scholar] [CrossRef]
  26. Xue, Y.; Zhang, X. Reactive power and AC voltage control of LCC HVDC system with controllable capacitors. IEEE Trans. Power Syst. 2017, 32, 753–764. [Google Scholar] [CrossRef]
  27. Xue, Y.; Zhang, X.; Yang, C. Series capacitor compensated AC filterless flexible LCC HVDC with enhanced power transfer under unbalanced faults. IEEE Trans. Power Syst. 2019, 34, 3069–3080. [Google Scholar] [CrossRef]
  28. Xue, Y.; Zhang, X.; Yang, C. AC filterless flexible LCC HVDC with reduced voltage rating of controllable capacitors. IEEE Trans. Power Syst. 2018, 33, 5507–5518. [Google Scholar] [CrossRef]
  29. Guo, C.; Yang, Z.; Jiang, B.; Zhao, C. An evolved capacitor-commutated converter embedded with antiparallel thyristors based dual-directional full-bridge module. IEEE Trans. Power Deliv. 2018, 33, 928–937. [Google Scholar] [CrossRef]
  30. Guo, C.; Liu, B.; Zhao, C. Improved coordinated control approach for evolved CCC-HVDC system to enhance mitigation effect of commutation failure. J. Mod. Power Syst. Clean Energy 2021, 9, 338–346. [Google Scholar] [CrossRef]
  31. Xue, Y.; Zhang, X.; Yang, C. Commutation failure elimination of LCC HVDC systems using thyristor-based controllable capacitors. IEEE Trans. Power Deliv. 2018, 33, 1448–1458. [Google Scholar] [CrossRef]
  32. Kaur, J.; Chaudhuri, N.R. A coordinating control for hybrid HVdc systems in weak grid. IEEE Trans. Ind. Electron. 2019, 66, 8284–8295. [Google Scholar] [CrossRef]
  33. Gao, C.; Yang, J.; He, Z.; Tang, G.; Zhang, J.; Li, T. Novel controllable-line-commutated converter for eliminating commutation failures of LCC-HVDC system. IEEE Trans. Power Deliv. 2023, 38, 255–267. [Google Scholar] [CrossRef]
  34. Ma, W.; Shen, X.; Liang, C. A novel LCC HVDC transmission technology based on the static var generator and filter. In Proceedings of the International Conference on HVDC, Urumqi, China, 8–9 August 2024. [Google Scholar]
  35. Carbonara, A.; Sessa, S.D.; L’Abbate, A.; Sanniti, F.; Chiumeo, R. Comparison of advanced flexible alternating current transmission system (FACTS) devices with conventional technologies for power system stability enhancement: An updated review. Electronics 2024, 13, 4262. [Google Scholar] [CrossRef]
  36. Horwill, C.; Totterdell, A.; Hanson, D.; Monkhouse, D.R.; Price, J.J. Commissioning of a 225 Mvar SVC incorporating a ±75Mvar STATCOM at NGC’s 400kV East Claydon substation. In Proceedings of the Seventh International Conference on AC-DC Power Transmission, London, UK, 28–30 November 2001. [Google Scholar]
  37. Marchesoni, M.; Mazzucchelli, M.; Tenconi, S. A nonconventional power converter for plasma stabilization. IEEE Trans. Power Electron. 1990, 5, 212–219. [Google Scholar] [CrossRef]
  38. CIGRE Working Group B4.41. Systems with Multiple dc Infeed: TB-364; CIGRE: Paris, France, 2008. [Google Scholar]
  39. Rahimi, E.; Gole, A.; Davies, B.; Fernando, I.; Kent, K. Commutation failure analysis in multi-infeed HVDC systems. IEEE Trans. Power Deliv. 2011, 26, 378–384. [Google Scholar] [CrossRef]
Figure 1. Standard circuit model of a star-connected SC-STATCOM.
Figure 1. Standard circuit model of a star-connected SC-STATCOM.
Electronics 14 02646 g001
Figure 2. Topology structure of the FBSM.
Figure 2. Topology structure of the FBSM.
Electronics 14 02646 g002
Figure 3. Schematic diagram of the SC-STATCOM with a nonlinear load.
Figure 3. Schematic diagram of the SC-STATCOM with a nonlinear load.
Electronics 14 02646 g003
Figure 4. Controller diagram of the SC-STATCOM.
Figure 4. Controller diagram of the SC-STATCOM.
Electronics 14 02646 g004
Figure 5. Structure of the proposed SCCC topology.
Figure 5. Structure of the proposed SCCC topology.
Electronics 14 02646 g005
Figure 6. Schematic diagram of the CCC at the inverter side.
Figure 6. Schematic diagram of the CCC at the inverter side.
Electronics 14 02646 g006
Figure 7. Waveforms of the AC voltages and commutation capacitor terminal voltages.
Figure 7. Waveforms of the AC voltages and commutation capacitor terminal voltages.
Electronics 14 02646 g007
Figure 8. Steady-state characteristics comparison of three converter types (SCR = 2.5, Qstat = 400 MW). (a) Active power vs. DC current. (b) Reactive power vs. DC current.
Figure 8. Steady-state characteristics comparison of three converter types (SCR = 2.5, Qstat = 400 MW). (a) Active power vs. DC current. (b) Reactive power vs. DC current.
Electronics 14 02646 g008
Figure 9. MPC curves of the SCCC topology under different SCR and Qstat conditions. (a) MPC curves for varying SCR (Qstat = 400 MW). (b) MPC curves for varying Qstat (SCR = 2.5).
Figure 9. MPC curves of the SCCC topology under different SCR and Qstat conditions. (a) MPC curves for varying SCR (Qstat = 400 MW). (b) MPC curves for varying Qstat (SCR = 2.5).
Electronics 14 02646 g009
Figure 10. The monopolar topology schematics of the three converter configurations.
Figure 10. The monopolar topology schematics of the three converter configurations.
Electronics 14 02646 g010
Figure 11. Transient waveform comparison under the non-severe three-phase grounding fault.
Figure 11. Transient waveform comparison under the non-severe three-phase grounding fault.
Electronics 14 02646 g011aElectronics 14 02646 g011b
Figure 12. SC-STATCOM reactive power output during the non-severe three-phase grounding fault.
Figure 12. SC-STATCOM reactive power output during the non-severe three-phase grounding fault.
Electronics 14 02646 g012
Figure 13. Transient waveform comparison under the severe single-phase grounding fault.
Figure 13. Transient waveform comparison under the severe single-phase grounding fault.
Electronics 14 02646 g013aElectronics 14 02646 g013b
Figure 14. SC-STATCOM reactive power output during the severe single-phase grounding fault.
Figure 14. SC-STATCOM reactive power output during the severe single-phase grounding fault.
Electronics 14 02646 g014
Figure 15. Terminal voltage of the commutation capacitor during the severe single-phase grounding fault.
Figure 15. Terminal voltage of the commutation capacitor during the severe single-phase grounding fault.
Electronics 14 02646 g015
Figure 16. CFII curves of the three converters under the three-phase and single-phase faults. (a) CFII curves of LCC; (b) CFII curves of CCC and (c) CFII curves of SCCC.
Figure 16. CFII curves of the three converters under the three-phase and single-phase faults. (a) CFII curves of LCC; (b) CFII curves of CCC and (c) CFII curves of SCCC.
Electronics 14 02646 g016aElectronics 14 02646 g016b
Figure 17. CFPI curves of the three converters under three-phase faults.
Figure 17. CFPI curves of the three converters under three-phase faults.
Electronics 14 02646 g017
Figure 18. CFPI curves of the three converters under single-phase faults.
Figure 18. CFPI curves of the three converters under single-phase faults.
Electronics 14 02646 g018
Table 1. Comparison of different technical routes for CF mitigation.
Table 1. Comparison of different technical routes for CF mitigation.
Implementation MethodsControl PrinciplesDefectsEngineering Application
Employment of additional auxiliary equipmentReactive power compensation devicesProvide AC voltage supportIncrease additional investment costs★★★★★
Fault current limiterReduce AC and DC fault currentsTechnically immature
Optimization of control systemsAdvanced firing angle controlReduce firing angleIncrease inverter reactive power★★★
Voltage-dependent current order limiterReduce fault DC currentSlow dynamic response★★★★
Modification of converter topologiesCapacitor-commutated converterProvide auxiliary commutation voltageIncrease valve voltage stress★★
Full-controlled submodule commutated converterReduce equivalent commutation impedanceComplex controller design★★
The number of the ★ represents the application in engineering. The more ★ there are, the more widely the technical route is applied.
Table 2. Reactive power under different apparent extinction angles (single pole).
Table 2. Reactive power under different apparent extinction angles (single pole).
γapp1Qstat/MVarQCCC/MVarQC/MVarQac/MVar
1.57227−102397−92
3242−82397−92
5283−43397−92
734213397−92
940071397−92
13457132397−91
15575255397−89
17618319397−87
19686377397−86
21741440397−82
1 γapp = 1.57° is the rated operating condition of the CCC.
Table 3. System parameters of the ±500 kV/3000 MW HVDC transmission system (LCC and CCC at inverter side, respectively).
Table 3. System parameters of the ±500 kV/3000 MW HVDC transmission system (LCC and CCC at inverter side, respectively).
ParameterRectifier SideInverter Side (LCC)Inverter Side (CCC)
AC bus voltage/kV525525525
Short-circuit ratio2.52.52.5
Transformer ratio525/209.7525/196.5525/175.51
Transformer leakage reactance16%15.2%15.6%
Transformer rated capacity/MVA889.5833.4900
Control angle (firing/extinction angle)15°17°17°
Commutation capacitance/μF//129.75
Rated DC power/MW3000
Rated DC current/kA3
Rated DC voltage/kV±500
DC line resistance/Ω10.4
DC line length/km1150
Smoothing reactor/mH300
Table 4. Parameters of the SC-STATCOM in case 3.
Table 4. Parameters of the SC-STATCOM in case 3.
ParameterValue
Rated capacity/MVA1000
Number of submodules per arm N150
Submodule average operating voltage/kV2.3
Submodule capacitance C0/mF13.88
Arm inductance L0/mH27.37
Arm resistance R00.43
Table 5. Comparison of the transient parameters under the three-phase grounding fault.
Table 5. Comparison of the transient parameters under the three-phase grounding fault.
Converter TypeMaximum DC Current/p.u.Minimum DC Voltage/p.u.Minimum AC Voltage/p.u.DC Voltage Recovery Time/ms
LCC1.3200.55842
CCC1.210.430.77461
SCCC1.140.710.8958
Note: DC voltage recovery time is defined as the interval from the fault clearance to the moment when the DC voltage first reaches 0.95 p.u. and remains above this threshold.
Table 6. Comparison of the transient parameters under the single-phase grounding fault.
Table 6. Comparison of the transient parameters under the single-phase grounding fault.
Converter TypeMaximum DC Current/p.u.Minimum DC Voltage/p.u.Minimum AC Voltage/p.u.DC Voltage Recovery Time/ms
LCC1.3300.61491
CCC1.2700.701215
SCCC1.3500.6499
Table 7. Comparison of the critical AC voltage during the fault process for three converters (p.u.).
Table 7. Comparison of the critical AC voltage during the fault process for three converters (p.u.).
LCCCCCSCC
Three-phase fault0.8420.7560.354
Single-phase fault0.8770.8340.679
Table 8. Comparison of the technical features for the three converters.
Table 8. Comparison of the technical features for the three converters.
Converter TypeReactive Power Compensation CapabilityAC Filtering CapabilityInitial CF Immunity CapabilityContinuous CF Immunity CapabilityVoltage Support Capability During FaultFault Recovery Capability
LCC★★
CCC★★★★★★★★★★
SCCC★★★★★★★★★★★★★★★★★★
The more ★ there are, the better capability the converter has.
Disclaimer/Publisher’s Note: The statements, opinions and data contained in all publications are solely those of the individual author(s) and contributor(s) and not of MDPI and/or the editor(s). MDPI and/or the editor(s) disclaim responsibility for any injury to people or property resulting from any ideas, methods, instructions or products referred to in the content.

Share and Cite

MDPI and ACS Style

Yan, M.; Huang, S.; Yang, W.; Tang, C.; Jiang, J.; He, Y. A Novel Capacitor-Commutated Converter Based on Submodule-Cascaded STATCOM. Electronics 2025, 14, 2646. https://doi.org/10.3390/electronics14132646

AMA Style

Yan M, Huang S, Yang W, Tang C, Jiang J, He Y. A Novel Capacitor-Commutated Converter Based on Submodule-Cascaded STATCOM. Electronics. 2025; 14(13):2646. https://doi.org/10.3390/electronics14132646

Chicago/Turabian Style

Yan, Ming, Songge Huang, Wenbin Yang, Chenyi Tang, Jianan Jiang, and Yaolu He. 2025. "A Novel Capacitor-Commutated Converter Based on Submodule-Cascaded STATCOM" Electronics 14, no. 13: 2646. https://doi.org/10.3390/electronics14132646

APA Style

Yan, M., Huang, S., Yang, W., Tang, C., Jiang, J., & He, Y. (2025). A Novel Capacitor-Commutated Converter Based on Submodule-Cascaded STATCOM. Electronics, 14(13), 2646. https://doi.org/10.3390/electronics14132646

Note that from the first issue of 2016, this journal uses article numbers instead of page numbers. See further details here.

Article Metrics

Back to TopTop