Next Article in Journal
Design of a High-Gain X-Band Electromagnetic Band Gap Microstrip Patch Antenna for CubeSat Applications
Previous Article in Journal
Intelligent Resource Allocation for Task-Sensitive Autonomous Vehicular Systems
 
 
Font Type:
Arial Georgia Verdana
Font Size:
Aa Aa Aa
Line Spacing:
Column Width:
Background:
Article

Dual High-Voltage Switch Rectifier Bridge for Efficient Energy Transfer in Triboelectric Nanogenerators

Department of Electrical and Electronic Engineering, Tokyo University of Agriculture and Technology, 2-24-16 Nakacho, Koganei-shi 184-8588, Japan
*
Author to whom correspondence should be addressed.
Electronics 2025, 14(11), 2215; https://doi.org/10.3390/electronics14112215
Submission received: 11 April 2025 / Revised: 20 May 2025 / Accepted: 28 May 2025 / Published: 29 May 2025
(This article belongs to the Section Power Electronics)

Abstract

This study proposes a novel capacitor-based energy representation model for triboelectric nanogenerators (TENGs). Using this model, the energy conversion behavior of contact–separation-mode TENGs (CS-TENGs) is analyzed with particular attention to their inherent dual-capacitor structure. According to the relationship of high-voltage and high-energy output characteristics of CS-TENGs, a specialized energy harvesting circuit is designed, featuring a dual high-voltage switch that enables bidirectional charge transfer and efficient electromagnetic energy conversion. This switch forms the core of a new rectifier bridge and energy storage topology optimized for intermittent mechanical inputs. Experimental results confirm the validity of the proposed energy model and demonstrate that the developed topology significantly enhances energy harvesting and storage efficiency. The integration of theoretical modeling with circuit innovation offers a comprehensive and effective strategy for improving the electrical performance of CS-TENG systems. This work bridges the theoretical gap in dual-capacitor modeling with a practical rectifier design, offering an integrated solution for real-world TENG energy harvesting challenges.

1. Introduction

In recent years, triboelectric nanogenerators (TENGs) have garnered significant attention as a cutting-edge technology in energy harvesting. TENGs convert low-frequency mechanical energy into electrical energy by harnessing the triboelectrification and electrostatic induction effects [1,2,3]. The term “nanogenerator” [4] underscores the pivotal role of nanoscale phenomena in their operation, such as enhancing charge transfer via nanoscale surface structures and the use of nanomaterials to improve contact efficiency. TENGs stand out due to their unique advantages, including high energy conversion efficiency at low frequencies, lightweight design, material versatility, and cost-effectiveness [5,6]. TENGs are particularly suitable for powering micro- and nanoscale devices, including self-powered sensors, wearable electronics, and distributed systems in the Internet of Things (IoT) [7,8]. The growing demand for sustainable, self-sufficient energy solutions in micro/nanoscale applications has driven the rapid advancement of TENG research, positioning it as one of the most promising and rapidly evolving areas in energy harvesting [9,10,11,12].
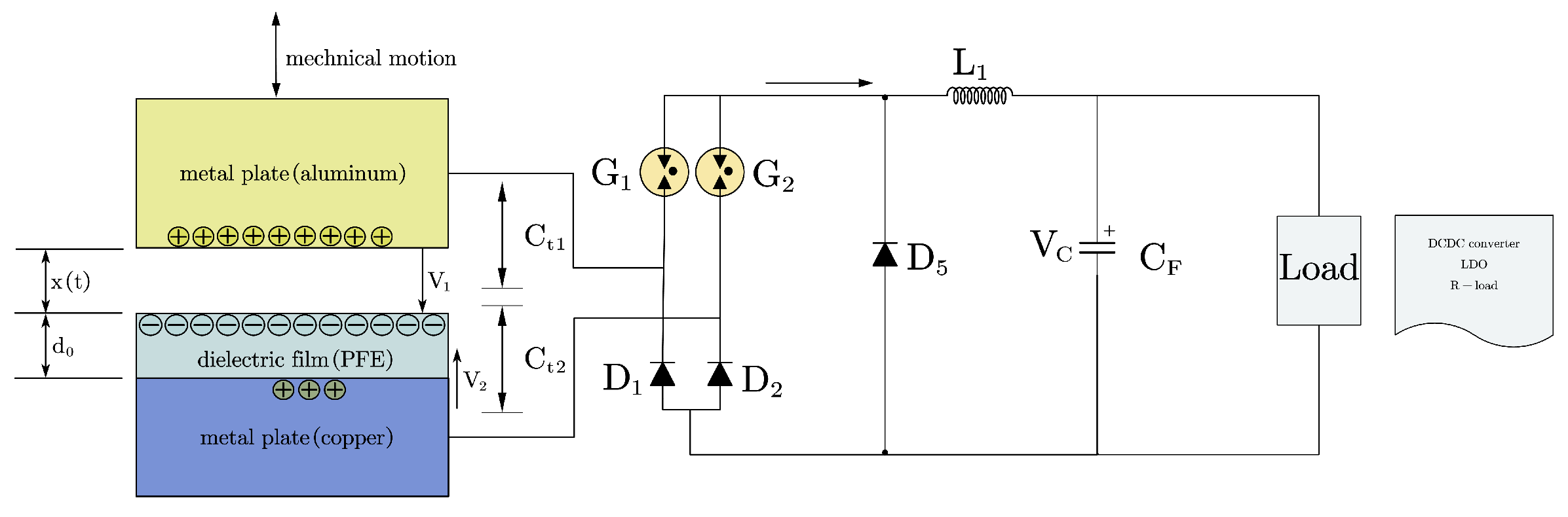
According to [13], TENGs are generally classified into four types: (1) vertical contact–separation mode; (2) lateral sliding mode; (3) single-electrode mode; and (4) freestanding triboelectric-layer mode. Among which, the vertical contact–separation mode (CS-TENG) is widely used as a representative example for analyzing the working mechanism in terms of both energy transfer and charge dynamics. A typical structural configuration is illustrated in Figure 1. From Figure 1, the CS-TENG consists of an aluminum plate (as an electrode), a copper plate (as the other electrode), and a fluorinated ethylene propylene (FEP) film adhered to the copper. Assuming the copper plate is fixed and external mechanical motion is coupled to the aluminum plate, enabling periodic contact and separation with the FEP surface, d 0 is the thickness of FEP, and x ( t ) is the distance of aluminum motion, which is the function of time. In the initial state (Figure 1a), the aluminum plate is not in contact with the FEP, and no free charge exists within the aluminum plate and the FEP film. Upon contact (Figure 1b), friction between the aluminum and FEP generates triboelectric charges, whic his positive on the aluminum and negative on the FEP, consuming mechanical energy. As the aluminum plate separates (Figure 1c), electrostatic potential energy is established due to the Coulomb attraction between the separated charges, representing the conversion of mechanical energy into electrostatic energy. When the TENG is connected to an external circuit (Figure 1d–f), charge redistribution occurs, and some positive of the charge flows through the circuit to the copper electrode, converting potential energy into available electrical output. As the aluminum plate returns toward the FEP (Figure 1e), the redistributed charges gradually return to their original configuration, and upon recontact (Figure 1f), the triboelectric process restarts. Throughout this cycle, the TENG operates by converting mechanical energy into electrostatic potential energy and subsequently into electrical energy, while maintaining overall charge conservation under ideal conditions. V 1 denotes the voltage between the aluminum plate and FEP; V 2 is the voltage between the copper plate and FEP; and V 3 is the terminal voltage of the external two-port circuit network. During the flow of charge from CS-TENG to the external circuit, V 1 = V 2 + V 3 , according to Kirchhoff’s voltage law.
It can also be observed that the TENGs are well-suited for harvesting “wasted” or ambient mechanical energy and converting it into electrical energy that can be stored.
Many researchers [3,14,15,16,17] have made significant contributions to the study of the working mechanisms of TENGs by establishing electrical models from an electrostatic perspective. These models typically represent the TENG as a series connection of an open-circuit voltage source ( V o c ) and a variable capacitor ( C s ), as shown in Figure 2, with the corresponding mathematical expressions provided in (1) and (2) from [14].
V o c = σ x ( t ) ε 0
C s = S ϵ 0 d 1 + x ( t )
d 1 = d 0 ε r
where σ is the surface triboelectric charge density of dielectric film [18]; ε 0 is the air dielectric constant; ε r is the FEP dielectric relative constant; S is the area of contact between the aluminum plate and FEP (in this paper); x ( t ) represents the separation distance which changes with time; V o c represents the open-circuit voltage; and C s represents the variable capacitor.
Taking the CS-TENG in Figure 2 as an example, according to the description in paper [14], the V o c C s model is also called the V-Q-C relationship (i.e., the voltage–charge–capacitor relationship), which is derived based on a group Equation (4) that describes the relationship between the generated voltage and capacitance variation.
Q = σ S E = Q ε S V = E d C = Q V = ε S d
where Q is the charges generated from TENG, E is the electric field strength from Gauss theorem, ε is the dielectric constant, and d is the distance of the charges. Classical electrical theory, such as Thevenin’s theorem, states that any two-terminal linear network can be represented as a voltage source in series with a resistor, which is commonly used to analyze load capacity, efficiency, and power consumption. However, in triboelectric nanogenerators (TENGs), the V o c C s model introduces additional complexity, as both the open-circuit voltage and internal capacitance vary dynamically with mechanical motion, as described in Equations (1) and (2). Despite this, the model provides a solid foundation for understanding the energy characteristics of TENGs. Building upon this framework, numerous studies [19,20,21,22,23,24,25,26,27] have investigated energy transfer and optimization strategies, establishing energy management as a key research focus.
Figure 3 summarizes representative energy management circuits. Figure 3a presents a basic test configuration using resistive and capacitive loads to evaluate output characteristics, with waveform data available in [14]. Figure 3b adds a diode rectifier bridge to enable unidirectional current output and continuous energy storage, forming a standard topology in TENG power management unit (PMU) research. Load matching techniques have been applied in this circuit [21,22,23,28,29,30,31], although dynamic changes in voltage and capacitance complicate analytical modeling, often requiring numerical methods [14] or simulation-based approaches [28,32,33].
To enhance energy extraction, Figure 3c,d introduce switch-controlled circuits that more effectively capture peak energy. These include MOSFET-based (Figure 3c), thyristor-based (Figure 3c), and air-gap breakdown-based (Figure 3d) implementations. Recent studies further explore mechanical-state-based triggering strategies, such as displacement peak detection, for timing energy release. As a result, self-powered control has become a growing trend, with methods such as autonomous MOSFET gate control [21] and current-injection thyristor triggering [22,30]. The air-gap discharge switch [31], which activates via high-voltage breakdown without gate control, offers a simplified alternative to semiconductor-based devices.
Thevenin’s theorem states that any two-terminal linear network can be represented as a voltage source in series with a resistor, which is commonly used to analyze load capacity, efficiency, and power consumption. However, in triboelectric nanogenerators (TENGs), the V o c C s model introduces additional complexity, as both V o c and C s vary dynamically with mechanical motion, as described in Equations (1) and (2). Despite this, the model provides a solid foundation for understanding the energy characteristics of TENGs. Building upon this framework, numerous studies [19,20,21,22,23,24,25,26,27] have investigated energy transfer and optimization strategies, establishing energy management as a key research focus.
In some studies [21,22,30], a small capacitor is connected at the output of the rectifier bridge, followed by a circuit containing a switch—typically configured with an inductor, diode, and capacitor—to form a step-down structure that regulates the voltage from the small capacitor. As illustrated in Figure 3c and Figure 4, this small capacitor ( C i n ) is responsible for temporarily storing the energy output from the TENG after rectification and subsequently delivering it through a buck-like circuit to achieve a stable voltage output. Many studies [31,32,34] have investigated strategies for obtaining a stable low-voltage output from TENGs, proposing PMUs that integrate voltage regulation and rectification into a unified architecture tailored for TENG applications. The circuit topology and its associated control strategies represent a critical research focus within the field of TENG energy management.
The rapid development of TENGs has sparked significant interest in energy management strategies, yet several fundamental challenges remain unresolved. First, while the V o c C s model is widely used to describe TENG output behavior, it fails to clearly reflect the nature of energy generation and transfer. A more representative model is needed, one that accurately captures the energy conversion process by incorporating the unique capacitive structure and operating mechanisms of CS-TENGs.
Second, analysis of the CS-TENG operation, as illustrated in Figure 5, reveals two distinct capacitive elements. However, the roles of these two capacitors in the energy conversion process have not been clearly defined. It remains unclear as to whether transferred charges ultimately return to the positively charged electrode or accumulate at the counter electrode, which has a direct impact on the system’s energy harvesting efficiency. This issue is particularly critical under switching configurations such as those shown in Figure 3c,d and necessitates further investigation from a charge dynamics perspective.
Third, the output characteristics of TENGs—high voltage, low capacitance, and strong intermittency—pose significant challenges for energy storage and utilization. The irregular and unstable nature of mechanical input often leads to wasted energy unless managed properly. Therefore, the design of PMUs must account for these properties to ensure effective energy transfer and recycling.
To address these challenges, this study proposes a novel energy conversion and storage strategy tailored for CS-TENGs. First, a dual-capacitor energy model is established to characterize the intrinsic electrical behavior of CS-TENGs, offering a more accurate representation of energy transfer than the conventional V o c C s framework. This model captures the interaction between two capacitive domains that arise from the structural configuration of the TENG and enables detailed analysis of charge dynamics during mechanical excitation.
Second, based on this refined model, a dual high-voltage switch rectifier bridge topology is designed. The circuit incorporates two air-gap discharge switches, an inductor, and a freewheeling diode to realize a quasi-rectifier bridge. This topology enables bidirectional high-voltage discharge and magnetic energy buffering, addressing the instability and inefficiency inherent in traditional rectifier-based harvesting circuits.
Third, a comprehensive experimental platform is developed to validate the proposed model and circuit. The results demonstrate that the dual-switch topology significantly improves energy harvesting efficiency under low-frequency mechanical inputs, enhances voltage stability, and facilitates more effective energy storage. These contributions provide a theoretical foundation and practical solution for advancing the performance of triboelectric energy harvesting systems.
In summary, the main contributions of this study are presented in Table 1, highlighting the core innovations in modeling, circuit design, and experimental validation.
This paper is organized as follows: Section 1 introduces the research background, highlights the limitations of existing models, and outlines the motivation for this study. Section 2 develops a theoretical framework for analyzing TENG electrical energy based on a dual-capacitor model, providing insight into the dynamic charge behavior of CS-TENGs. Section 3 investigates the intrinsic dual-capacitance characteristics of CS-TENGs and proposes a quasi-rectifier bridge topology incorporating dual high-voltage discharge switches and a magnetic energy transfer mechanism. Section 4 presents experimental results that validate both the proposed energy model and the performance of the designed circuit. Finally, Section 5 concludes this study by summarizing the main findings and suggesting potential directions for future research.

2. Energy Characteristics of TENG Based on the Capacitor Model

Building upon the previous analysis of the V o c C s model of TENGs, this section aims to elucidate the energy conversion mechanism of TENGs more intuitively by adopting a capacitor-based perspective. Taking the CS-TENG as an example, and by applying the principles of energy conservation and charge conservation, we investigate the operational characteristics of TENGs in greater depth.

2.1. Structural Modeling and Charge Distribution of Dual Capacitors

Unlike the traditional single-capacitor V o c C s model, the contact–separation-mode TENG (CS-TENG) inherently exhibits a dual-capacitor configuration due to its layered mechanical structure. In this system, the aluminum electrode periodically moves toward and away from the FEP layer, forming a variable capacitor C t 1 , whose value dynamically changes with the displacement. In contrast, the copper electrode remains stationary beneath the FEP, forming a fixed capacitor C t 2 . This asymmetric capacitor arrangement governs the internal charge redistribution and voltage evolution during mechanical excitation. To accurately capture the energy transfer behavior of the device, a detailed analysis is conducted based on the principles of charge conservation and electrostatic coupling.
As shown in Figure 6, the structure of the CS-TENG essentially contains two capacitors. Capacitor C t 1 serves as the initial charge storage unit where triboelectrification generates charges, while capacitor C t 2 receives the charges transferred from C t 1 . The expressions for these two capacitances are given by (5) and (6) from the definition of capacitance.
C t 1 = S ε 0 x ( t )
C t 2 = S ε 0 ε 1 d 0
According to (5) and (6), the value of C t 1 varies with the separation distance x ( t ) between the electrodes, while C t 2 remains constant. Based on the specific parameters in Section 5, it can be observed that when x ( t ) reaches its maximum, the value of C t 1 is significantly smaller than that of C t 2 .
Figure 6b illustrates the voltage distribution during the charge transfer process. In combination with the external circuit, it can be inferred that the charges initially stored in C t 1 flow through the external load and are ultimately stored in C t 2 . The voltage expressions across the two capacitors are given in (7)–(9).
V 1 ( 0 ) = Q C t 1 = σ x ( t ) ε 0
V 1 = Q Q t ε 0 S x ( t ) = σ S Q t ε 0 S x ( t )
V 2 = Q t ε 0 ε r S d 0
  • The initial voltage V 1 ( 0 ) across C t 1 (as shown in Figure 6a) is proportional to the amount of charge Q and the plate distance x ( t ) . Thus, when x ( t ) reaches its maximum value, V 1 ( 0 ) also reaches its peak.
  • V 1 represents the voltage formed by the remaining charge in C t 1 after partial charge transfer to C t 2 , as depicted in Figure 6b.
  • V 2 denotes the voltage across C t 2 formed by the transferred charge Q t .
According to the principle of charge conservation and the integral relationship between current and charge, the transferred charge Q t can be expressed as (10):
Q t = i d t < Q
Moreover, under the charge conservation law, the total charge stored in C t 1 and C t 2 within one mechanical cycle should be equal to the total amount of triboelectric charges generated in that cycle. Further analysis based on the voltages V 1 , V 2 , and V 3 in Figure 6b, and applying Kirchhoff’s voltage law (a basic law in circuit theory describing voltage balance in a closed loop) yields (11):
V 1 = V 2 + V 3
This relationship provides an intuitive understanding: As charge flows out of capacitor C t 1 and accumulates in C t 2 , the voltage across C t 2 ( V 2 ) rises accordingly. This reflects the dynamic migration of charge driven by the electric field and establishes a new voltage distribution in the system.
In summary, by comprehensively analyzing the expressions of capacitance, voltage relationships, charge conservation, and Kirchhoff’s law, the physical mechanism of charge transfer and energy output in the CS-TENG’s double-capacitor structure can be systematically revealed. Based on the above analysis, this paper further investigates the energy characteristics of the CS-TENG from the perspective of capacitive energy storage, aiming to uncover its intrinsic behavior and optimization direction in the energy harvesting process.

2.2. Capacitive Energy Characterization and Influencing Factors

Re-examining Figure 6a and the related derivations, the dielectric layer (FEP film) and the upper electrode (aluminum plate) form a parallel-plate capacitor ( C t 1 ). Based on the definitions of electrostatics, the expressions for electrostatic energy E are given as (12):
E C t 1 = 1 2 C t 1 V 1 2 = 1 2 S σ 2 ε 0 x ( t )
From (12), the stored energy is seen to depend on the dielectric constant ε 0 , plate separation x ( t ) , and charge Q. Specifically, energy increases with the square of σ , is directly proportional to the separation distance, and inversely proportional to the dielectric constant. Combined with (5) and (7), these equations collectively characterize the energy behavior of CS-TENG.
We may reinterpret Figure 1 with the following expressions:
  • Figure 1a: No charge is generated; hence, voltage ( V 1 ) and energy ( E C t 1 ) are zero.
  • Figure 1b: Charges are generated, but the plate distance is negligible; C t 1 is extremely large, resulting in near-zero voltage ( V 1 ) and energy ( E C t 1 ).
  • Figure 1c: As plate separation increases, capacitance ( C t 1 ) decreases, voltage ( V 1 ) rises, and stored energy ( E C t 1 ) increases.
According to Gauss’s law, under constant charge, the maximum electrostatic energy is reached when the separation distance x reaches its maximum value ( x = x max ). Therefore, the maximum potential energy of the CS-TENG system corresponds to the maximum mechanical displacement, assuming no charge loss. This conclusion aligns with that obtained via the V O C C S analysis method in [14]: high electrostatic energy is equivalent to high voltage, as in (13).
E C t 1 ( m a x ) = 1 2 · S σ 2 ε 0 · x max V 1 ( 0 ) ( m a x ) = Q C t 1 = σ x max ε 0
Analyzing Figure 1d,e, once the TENG is connected to an external load (see Figure 3a), the generated charges will flow through the two-terminal load and accumulate on the bottom electrode. If the external circuit is represented as a resistive or capacitive load, the increasing voltage (due to increasing plate separation) causes current to flow, transferring energy to the load.
Although the triboelectric charge generated during contact, as described by the theoretical expression Q = σ S , represents the upper limit of the energy potential, the actual amount of retained charge is often significantly lower in practice. Various physical and environmental conditions—such as contact force, surface roughness, relative humidity, and ambient air pressure—can diminish the effective charge through incomplete triboelectric contact or charge neutralization during the separation process. As a result, the stored electrostatic energy frequently falls short of its theoretical maximum, particularly in passive circuit configurations like Figure 3a, where uncontrolled energy loss occurs throughout the mechanical motion.
The capacitor-based energy model proposed in this work reveals two essential principles for maximizing energy output in CS-TENG systems. First, maintaining a constant level of charge Q during the plate separation phase is crucial, as energy E Q 2 / C increases with decreasing capacitance. Any premature charge leakage directly limits the achievable energy. Second, the optimal moment for releasing the stored energy corresponds to the point of maximum displacement, when the capacitor gap—and thus the voltage across C t 1 —reaches its peak. These insights emphasize that energy extraction should be both charge-preserving and displacement-synchronized, establishing a foundation for precision-timed energy management strategies.
These findings underscore the importance of circuit-level control mechanisms that enable energy transfer to occur only at the peak of electrostatic potential energy. As demonstrated in Figure 3d, air-gap breakdown switches provide a feasible implementation by activating only when the voltage across C t 1 exceeds a designated threshold, typically near the maximum displacement. Such timed switching ensures that energy is harvested at its most concentrated state, minimizing loss and enhancing conversion efficiency. The proposed model thus offers not only a theoretical understanding of CS-TENG dynamics but also a clear directive for designing high-efficiency energy harvesting circuits.

2.3. Timing Strategy for Maximum Energy Extraction

A closer examination of the dual-capacitor structure in CS-TENG reveals the mechanism of energy transfer and storage from the perspective of charge conservation. Theoretically, when the positive charges on the top electrode are displaced, they ultimately accumulate on the second capacitor ( C t 2 ). By regarding capacitors C t 1 and C t 2 as two interconnected energy storage elements as (14) and (15), as the charge on C t 2 increases, its voltage rises accordingly. Simultaneously, if the charge on C t 1 rapidly decreases while the electrode separation is reduced, energy stored in C t 2 can flow back to C t 1 through the rectifier bridge. Owing to charge conservation, this process results in the external load capacitor storing energy from both charging stages.
E C t 1 = 1 2 C t 1 V 1 2 = 1 2 ( σ S Q t ) 2 ε 0 S x ( t )
E C t 2 = 1 2 C t 2 V 2 2 = 1 2 Q t 2 ε 0 ε r S d 0
As illustrated in Figure 3b,c, the system utilizes a rectifier bridge to facilitate bidirectional charge transfer, thereby enabling the two-stage charging of the load.
As previously described, the circuit illustrated in Figure 3d achieves potential energy output by utilizing the high voltage across capacitor C t 1 in the CS-TENG to trigger an air breakdown discharge device ( S 1 ) when the electric potential reaches its maximum. In light of the double-capacitor structure, the circuit diagram is presented in Figure 7 for further analysis of optimal potential energy extraction.
A detailed examination reveals that to achieve maximum potential energy output, the discharge voltage threshold of the air breakdown device ( S 1 ) must be set slightly below the peak voltage of C t 1 ( V C t 1 ( m a x ) ). During the first stage of a mechanical cycle—characterized by the increasing separation between the aluminum plate and the FEP film due to mechanical motion (Figure 7a)—electrostatic charges are generated, and the voltage ( V 1 ) across C t 1 gradually increases. Once V 1 exceeds the breakdown threshold, switch S 1 conducts, enabling the release of stored potential energy. In this process, the majority of the charges are transferred from C t 1 to C t 2 , effectively storing part of the extracted energy in C t 2 .
In the second stage—where the aluminum plate moves closer to the FEP film until physical contact is re-established (Figure 7b)—the amount of charge on C t 1 rapidly decreases, leading to a significant drop in V 1 . Meanwhile, C t 2 retains a high charge level, and V 2 remains elevated, although it is still lower than the peak value previously reached by V 1 . As V 1 approaches zero (particularly when the separation distance becomes minimal), it is theoretically expected that the remaining potential energy in C t 2 could be released by triggering air breakdown through the voltage difference across V 2 V 1 V 3 , resulting in a reverse charge flow back to C t 1 .
However, upon closer inspection of this discharge mechanism, a logical contradiction emerges. For the air breakdown device ( S 1 ) to conduct during the second stage, its voltage threshold must be reduced to accommodate the lower value of V 2 . Yet, such a reduction would prematurely trigger the air discharge during the first stage, before V 1 reaches its peak, thereby reducing the amount of extractable potential energy and lowering the overall energy conversion efficiency of the CS-TENG.
This deduction leads to the conclusion that the air breakdown discharge mechanism cannot be reliably triggered during the second stage. This limitation introduces two major issues: (1) residual potential energy stored in C t 2 remains unutilized, resulting in energy waste and reduced overall energy harvesting efficiency; and (2) as charge accumulates on C t 2 across multiple cycles, V 2 continues to increase, causing the voltage difference across V 1 V 2 V 3 to shrink. This further inhibits the conduction of the air breakdown device, ultimately impairing the stability and performance of energy output in subsequent mechanical cycles.
In summary, to achieve optimal potential energy extraction from the CS-TENG with a dual-capacitor configuration, it is necessary to address the physical and circuit-level limitations associated with the second-stage air discharge mechanism. This motivates the need for further circuit design improvements or advanced energy management strategies.
Furthermore, the effect of environmental conditions on charge retention must be considered. At low mechanical frequencies (e.g., below 1 Hz), the charges stored in C 2 may dissipate due to neutralization caused by high voltage, air humidity, or ionization. In contrast, at higher frequencies (e.g., above 10 Hz), charges may accumulate more rapidly, resulting in high voltages that interfere with the normal operation of switching devices (e.g., insufficient voltage difference across the switch), thereby affecting the effective release of electrostatic potential energy from the TENG.
Therefore, when designing energy management systems for high-frequency TENGs, special attention must be paid to ensuring a closed charge transfer path, precise control of energy release timing, and a dynamic balance between charge retention and neutralization. These considerations are crucial for maintaining stable output and achieving efficient energy conversion in TENG-based systems.

2.4. Analysis of Energy Conversion and Storage Based on High-Voltage Potential Energy Output

As illustrated in Figure 8, the CS-TENG can be connected to a purely capacitive load through an air-discharge switch, which is triggered at the moment of maximum displacement. In this configuration, the high-voltage potential energy accumulated during the separation phase is rapidly released and transferred to the load capacitor. According to the principle of charge conservation, the maximum charge that can be delivered to the external capacitor is 2 Q , where Q is the triboelectrically generated charge during one contact–separation cycle. This establishes a theoretical upper limit on the charge transfer in an ideal capacitive load scenario.
However, this charge-centric analysis does not fully capture the energy dynamics of the system. In practice, due to the significant voltage difference between the CS-TENG and the external capacitor (the CS-TENG being at high voltage and the capacitor initially at low voltage), a transient surge current is generated. This large current pulse leads to considerable energy dissipation across the circuit resistance and the internal resistance of the capacitor. As a result, only a small portion of the original electrostatic potential energy is effectively stored in the load capacitor. This behavior is quantitatively described by (16)–(18).
E C t 1 ( m a x ) = 1 2 Q 2 C t 1 ( m i n )
E C l o a d = 1 2 ( 2 Q ) 2 C l o a d
C t 1 ( m i n ) C l o a d
(16) and (17) are compared based on the principle of charge conservation. It can be observed that although charge conservation is satisfied (i.e., C load can receive 2 Q of charge due to the action of the rectifier bridge), only a small portion of the potential energy generated by the CS-TENG is actually stored in the load capacitor. This is primarily because the value of C load is much larger than the minimum value of C t 1 as (18). Typically, C t 1 ( min ) is in the picofarad ( p F ) range, whereas C load is in the microfarad ( n F ) range for energy storage purposes.
To address this issue, refs. [31,32] and other researchers propose a strategy inspired by buck converter topologies. The key idea is to introduce an intermediate energy conversion stage: converting the transient high-current pulse into magnetic energy via an inductor, and subsequently transforming this energy back into electrical form for delivery to the load. This electromagnetic energy buffering approach significantly reduces instantaneous current surges and improves the overall energy transfer efficiency, thereby effectively mitigating energy loss caused by high-voltage discharge events.
This insight suggests that careful circuit design—particularly incorporating magnetic energy storage elements—is crucial for maximizing energy harvesting efficiency in high-voltage TENG applications.

3. Topology Design of Energy Transfer and Storage Based on CS-TENG Dual High-Voltage Switch Rectifier Bridge

3.1. Proposed Circuit Topology Design for Energy Transfer and Storage

To realize the peak energy extraction strategy proposed in Section 2, this paper designed an energy transfer and storage topology tailored to the high-voltage, low-capacitance, and pulsed-output characteristics of the CS-TENG. The proposed circuit consists of two high-voltage gas-discharge switches ( G 1 and G 2 ), a freewheeling diode ( D 5 ), an inductor ( L 1 ), and a storage capacitor ( C F ), forming a quasi-rectifier bridge, as shown in Figure 9. The high-voltage gas-discharge switch is a bidirectional conduction device. When the voltage difference across its terminals exceeds the rated breakdown voltage, the internal gas is ionized and the device conducts, effectively behaving as a near short circuit. These devices typically have a conduction threshold in the range of several hundred volts, and the specific breakdown voltage can be selected according to the design requirements. This configuration enables bidirectional energy extraction, while the inductor serves as a magnetic energy buffer to convert rapid voltage surges into a gradual energy transfer to a large storage capacitor.
The rectifier bridge is composed of two high-voltage switches and two diodes, forming a structure that allows bidirectional conduction and energy transfer. These high-voltage switches are implemented using a gas-discharge tube such as Littelfuse GDT series, which exhibit fast response time, stable breakdown voltages, and low on-state voltage drops (typically 10–20 V), and importantly, they do not require external triggering circuits, thereby simplifying the overall topology.
The inductor serves as an energy buffer by storing transient current energy and converting it into magnetic energy, which is later recovered and converted back into electrical energy through freewheeling diodes. Due to the low operating frequency of mechanical motion (typically from a few Hz to several tens of Hz), the switching frequency is also low (twice the mechanical frequency), resulting in large instantaneous current pulses. Therefore, the inductor should not only have a sufficiently large inductance value, but its ESR characteristics must also be considered under k Hz-level frequency conditions.
A load capacitor is employed for final energy storage, effectively transforming the small-capacitance high-voltage output of the CS-TENG into a large-capacitance low-voltage form suitable for practical applications. Figure 9 shows the application for this topology with big capacitance in C F .

3.2. Working Principle of the Proposed Dual-Switch Rectifier Topology

During the first stage of mechanical motion, after triboelectric charges are generated via contact between the aluminum plate and the FEP film, the aluminum plate begins to separate. As analyzed ahead, the increasing separation distance x ( t ) leads to a reduction in capacitance C t 1 and a corresponding increase in the electrostatic potential energy stored on C t 1 . Consequently, the voltage V 1 across C t 1 also rises.
Once the voltage V 1 exceeds the breakdown voltage of the gas-discharge switch G1, a closed circuit is formed, as shown in Figure 10a, including C t 1 , G 1 , L 1 , the fixed capacitor C t 2 , and the storage capacitor C F . Assuming ideal charge transfer (i.e., all charges on C t 1 are transferred to the external circuit with minimal residuals), the redistributed charges flow through the loop and accumulate on the copper electrode of C t 2 , while an equal amount of charge accumulates on C F due to charge conservation.
According to the theoretical derivation in (16)–(18), the energy stored in C t 2 is significantly lower than the initial energy in C t 1 , and the energy stored in C F is even smaller than that in C t 2 . This implies that direct charge redistribution alone cannot achieve high energy transfer efficiency. During this phase, however, the inductor L 1 acts as a magnetic energy buffer. While charges exit C t 1 , L 1 accumulates electromagnetic energy. Once charge flow ceases, L 1 gradually releases this stored energy through the freewheeling diode D 5 , injecting additional current into C F .
E C t 1 = E C t 2 + E C F + Δ E Δ E = E L 1 + E R w i r e E L 1 = 1 2 L i 2 d t E R w i r e = R w i r e i 2 d t
where R w i r e denotes the equivalent circuit impedance, accounting for the combined resistance of all conductive paths in the discharge loop; E C t 1 represents the energy generated in C t 1 ; E C t 2 and E C F denote the energy in C t 2 and C F , respectively; and Δ E represents the remaining energy immediately after the first discharge of C t 1 , excluding the portions stored in E C t 2 and E C F . This includes the energy stored in the inductor and the energy lost due to line resistance.
Interestingly, from the perspective of charge conservation, this additional magnetic energy transfer results in a net charge in C F that may exceed the original triboelectric charge Q generated on C t 1 . In other words, although the total charge transferred through the circuit initially equals Q, the energy stored in L 1 is reinjected as additional current, increasing the final charge stored on C F . From the viewpoint of energy conservation, the initial energy in C t 1 is partially transferred to C t 2 and C F during direct discharge then further supplemented by the release of magnetic energy from L 1 . This two-stage transfer path enhances energy utilization.
Nevertheless, practical energy delivery is limited by parasitic resistance in the discharge loop. As shown in (19), the efficiency of magnetic energy release is governed by the time constant L 1 / R w i r e . A lower resistance R w i r e ensures that more energy stored in L 1 can be delivered to C F before being dissipated, whereas a high R w i r e leads to rapid decay and energy loss. Thus, the design must balance the inductance and resistance to maximize the effectiveness of the electromagnetic transfer phase.
As illustrated in Figure 10b, when the separation distance of C t 1 decreases and most of its positive charge has been transferred to C t 2 , the voltage V 2 across C t 2 may exceed the voltage V 1 across C t 1 . This triggers the second stage of energy redistribution: once the voltage difference V 2 V 1 V 3 exceeds the breakdown threshold of the second gas-discharge switch ( G 2 ), a new closed circuit is formed, consisting of C t 2 , C t 1 , G 2 , inductor L 1 , and storage capacitor C F . This configuration allows C t 2 to discharge and transfer its stored charge back to C t 1 through the same magnetic energy buffering pathway. In this stage, C t 2 effectively acts as a secondary energy source.
Experimental data (see Section 4) reveal that the voltage across C t 2 can remain relatively high after the first discharge stage. If this residual energy is not collected, it may interfere with energy harvesting in the subsequent mechanical cycle. Specifically, if V 2 remains high and V 1 rapidly decreases (as C t 1 expands during compression while holding few charges), the voltage difference V 1 V 2 may no longer reach the breakdown threshold of G 1 . This would inhibit switch conduction and energy release in the next cycle. Therefore, recovering the residual energy in C t 2 is critical for maintaining cycle-to-cycle energy transfer consistency.
Ideally, during the second discharge stage, all charges on C t 2 return to C t 1 . The system thus briefly forms a reversed energy transfer path, where C t 2 supplies energy, C F is recharged with an additional amount of charge Q, and L 1 stores a portion of the energy in magnetic form. As the electrode gap of C t 1 narrows and x ( t ) 0 , the capacitance of C t 1 increases rapidly, and its voltage V 1 approaches zero, returning the system to its initial state before the next triboelectric cycle begins. This bidirectional charge transfer not only ensures efficient use of residual energy in C t 2 but also enhances the net energy captured per mechanical cycle.The magnetic energy conversion behavior of inductor L 1 in this second discharge stage is analogous to that in the first stage and is therefore not discussed in detail here.
The proposed topology thereby resolves the key problem of energy release from C t 2 in CS-TENG’s dual-capacitor structure. By integrating magnetic energy buffering and controlled discharge via dual high-voltage switching, this design significantly enhances the efficiency of electrostatic potential energy extraction within each TENG operating cycle. The experimental verification and performance evaluation of this topology are detailed in the next section.

3.3. Design Considerations and Implementation Guidelines

Compared with previous study [31], this work adopts dedicated air-gap switches designed to reduce the impact of environmental factors and enhance operational stability. Based on the circuit topology shown in Figure 9, the selection of gas-discharge tube device parameters must ensure that the turn-on voltage threshold of switch G 2 is lower than that of G 1 . The specific threshold values should be determined according to the measured maximum voltages V 1 and V 2 of the CS-TENG.
Since the instant conduction of the air-gap switch can generate high reverse voltages (typically over several hundred volts) across diode D 5 and the associated electrostatic energy is relatively small, the conduction time of the switch is extremely short (in the millisecond range). To handle this condition, a high-voltage, fast-recovery Schottky diode based on silicon carbide (SiC) is recommended.
Unlike previous studies [14,16], where the matching characteristics of the load capacitor significantly affected energy harvesting efficiency, this work shows that the value of the load capacitor does not affect the energy extraction efficiency of the CS-TENG. Therefore, in selecting the load capacitor, priority should be given to minimizing the equivalent series resistance (ESR) to reduce internal energy losses.

4. Experimental Verification

4.1. Experimental Platform and Parameter Configuration

To verify the proposed model and topology, an experimental testbed was constructed, as shown in Figure 11. The CS-TENG prototype was mounted on a controllable mechanical vibration platform operating at frequencies between 5–7.5 Hz. The output was connected to the proposed dual-switch energy transfer circuit. High-voltage signals were captured using a Tektronix DPO2014 oscilloscope.
The key structural parameters of the CS-TENG are listed in Table 2, while Table 3 summarizes the circuit components, including the gas-discharge switches, inductor, freewheeling diode, and storage capacitors. The gas-discharge switches used in the test were bidirectional conduction types, with breakdown voltages of 250 V, 350 V, 470 V, and 600 V. The conduction threshold of each switch was selected according to the expected peak voltage at maximum mechanical displacement. Table 2 lists key specifications of the CS-TENG. Based on these values, the theoretical charge generation per friction cycle, maximum output voltage, and the theoretical capacitances C t 1 and C t 2 can be derived.
Initially, the relationship between C t 1 and C t 2 was verified based on (5) and (6). Theoretical calculations suggest that the minimum value of C t 1 is much smaller than C t 2 , as in (20) and (21), implying that under the same amount of charge, the potential energy and voltage V 1 across C t 1 should be higher than V 2 across C t 2 .
C t 1 ( m i n ) = S ε 0 x ( t ) ( m a x ) = 0.0144 × 8.85 × 10 12 0.002 = 63.72 pF
C t 2 = S ε 0 ε 1 d 0 = S ε 0 d e q = 0.0144 × 8.85 × 10 12 36.76 × 10 6 = 3.47 nF

4.2. Performance of Single-Switch Discharge Topology

Using the platform in Figure 11a and the single-switch circuit shown in Figure 11d, mechanical motion (pressing and spring-driven release of the CS-TENG) was used to observe the amount of energy transferred during one cycle under different switch conduction voltages. Figure 12 presents the voltage accumulated on a 100 μ F capacitor when four different gas-discharge switches were triggered. Results indicate that higher conduction voltages result in higher stored voltage, confirming the feasibility of utilizing high-voltage triggering to maximize energy transfer from the CS-TENG.
Further analysis was conducted on the limitations of single-switch circuits employing gas-discharge tubes, as commonly proposed in [31]. Using the setup in Figure 11d, single-switch circuits were built with gas-discharge tubes rated at 250 V, 350 V, 470 V, and 600 V (refer to Figure 11c for the actual object) and driven at 5 Hz and 7.5 Hz. Figure 13 shows the energy accumulation profiles under 5 Hz vibration for various switch types. The results indicate that lower conduction voltages correspond to lower stored energy, reinforcing the previous conclusion. Interestingly, Figure 13a shows that the 600 V switch fails to trigger at 5 Hz, suggesting that the voltage difference V 1 V 2 V 3 (with V 3 negligible) is insufficient to activate the switch. This is likely due to charge neutralization with ambient particles during the slow separation phase, especially at low frequencies. Figure 13b compares energy storage at 5 Hz and 7.5 Hz using a 470 V switch, where higher frequencies paradoxically result in lower storage voltage. This counterintuitive phenomenon is attributed to reduced charge neutralization at higher frequencies, which increases V 2 and thereby decreases the potential difference V 1 V 2 , reducing energy output.
These results demonstrate that single-switch circuits are frequency-sensitive: at low frequencies, charge neutralization dominates and facilitates switch conduction at lower voltages; at high frequencies, neutralization is suppressed, yielding higher V 2 and hindering high-voltage switch conduction, thus introducing a tradeoff between energy potential and triggering reliability. These findings underscore the frequency-dependent nature of single-switch discharge schemes and highlight the limitation of relying solely on peak voltage thresholds for energy extraction.

4.3. Validation of the Proposed Dual High-Voltage Switch Energy Transfer Topology

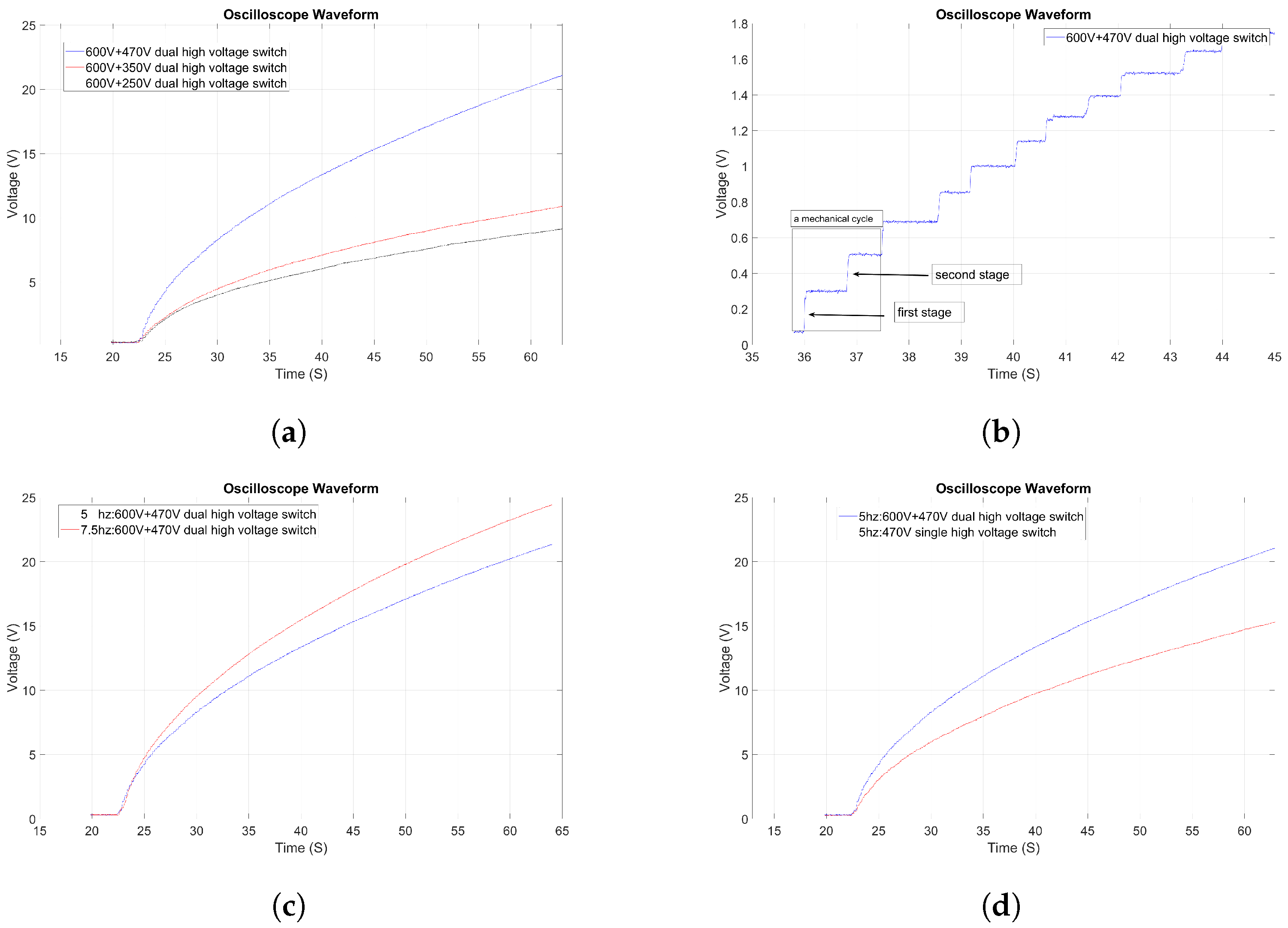
To address this contradiction, a dual high-voltage switch topology was proposed and experimentally validated. Figure 11e shows the physical setup using two gas-discharge switches ( G 1 and G 2 ) under a 100 μ F load. Based on the theoretical model, G 2 (triggered during the separation phase) requires a higher conduction voltage than G 2 (triggered during the compression phase), since the potential energy is higher in the former.
Figure 14a presents performance comparisons of various G 1 and G 2 switch combinations. The configuration with G 1 at 600 V and G 2 at 470 V yielded the highest capacitor voltage. Figure 14b clearly illustrates the sequential conduction behavior of the dual high-voltage switches at a relatively low mechanical excitation frequency. It can be observed that the voltage across the storage capacitor C F increases following the conduction of both switches G 1 and G 2 . Notably, the voltage increment after G 2 conduction is comparable to that following G 1 , suggesting effective bidirectional energy transfer. Combined with the previous theoretical analysis, this result indicates that the use of an inductor and diode for electromagnetic energy buffering can facilitate partial energy recovery. However, the similarity in voltage rise between the two stages also implies that there remains significant potential for further optimization in the energy extraction and transfer process. Figure 14c shows that higher excitation frequencies result in higher stored voltage, which is consistent with the previous analysis on charge neutralization effects. Furthermore, as evidenced in Figure 13a, the adoption of the dual-switch topology effectively prevents the residual energy accumulation—typically manifested as a high voltage—from interfering with the subsequent discharge of C t 1 in the next mechanical cycle. As a result, higher mechanical frequencies promote more rapid energy accumulation in the storage capacitor, thereby enhancing overall energy harvesting performance. Figure 14d compares the dual-switch and single-switch configurations at 5 Hz, revealing that the dual-switch topology achieves significantly faster voltage accumulation, thus validating its effectiveness in improving energy harvesting efficiency. Combined with the observations from Figure 14b, it is further confirmed that the dual-switch configuration enables a greater amount of energy to be extracted, highlighting its superior performance in bidirectional energy transfer and storage.
Overall, the experimental results confirm the validity of the proposed dual-capacitor CS-TENG model. High-voltage switch triggering is crucial for effective energy transfer, and the dual-switch rectifier topology significantly enhances energy extraction performance.
Although the proposed dual-switch rectifier topology has demonstrated robust performance under low-frequency mechanical excitation (5 Hz and 7.5 Hz), further analysis is required to assess its scalability. Preliminary results indicate that the topology can accommodate different breakdown voltages of gas-discharge switches and varying storage capacitor values. However, environmental factors such as humidity, temperature, and mechanical wear may impact long-term stability. Future work will focus on systematic robustness evaluation under extended operating conditions.

4.4. Load Storage and Application Demonstration

As previously noted, the CS-TENG is well-suited for harvesting “waste” mechanical energy. While the dual-switch structure improves energy conversion efficiency, the irregular and intermittent nature of the mechanical input leads to fluctuating and unstable output power. Therefore, this work emphasizes the importance of energy storage optimization.
Figure 11f illustrates a practical implementation where energy is stored in a 1 F supercapacitor via an inductor–diode combination and used to drive a 10 k Ω resistive load via a boost converter generating a 3.3 V output. At 7.5 Hz, the supercapacitor was charged to 210 mV in 10 min, corresponding to an average power of 0.33 mW. In comparison, the 100 μ F capacitor yielded 0.78 mW under the same conditions.
This demonstration proves the feasibility of employing CS-TENGs for powering microelectronics in autonomous IoT scenarios through simple yet effective energy routing. Future work will focus on optimizing high-voltage energy storage strategies to mitigate the negative impact of capacitance size on overall storage efficiency.

5. Conclusions

This study proposed a new capacitive energy representation model for CS-TENGs, highlighting that energy output is governed by material charge density, contact area, and separation distance. A dual-capacitor structural model was introduced to characterize charge transfer and energy conversion, offering improved insight beyond the classical V o c C s framework.
To address the limitations of conventional rectifier-based circuits, a dual high-voltage switch rectifier topology was designed and implemented. This architecture utilizes bidirectional gas-discharge switches and an inductive energy buffer to enable high-efficiency energy transfer and reduce losses from premature discharge. Experimental results validated the model and circuit performance, demonstrating that the proposed topology achieved significantly faster energy accumulation compared to the single-switch configuration.
Notably, the integration of an air-gap discharge mechanism eliminated the need for complex gate control, thus simplifying the power management circuitry for self-powered systems. However, capturing the precise peak voltage point within each mechanical cycle remains a technical challenge. Accurately detecting the peak voltage point in real time typically requires high-speed circuitry such as comparators, ADCs, or external sensing modules. However, these components require external power, which contradicts the self-powered nature of TENGs, as their output is extremely weak. Therefore, one of the main goals in TENG energy management is to minimize auxiliary energy consumption. In this study, gas-discharge tubes are used as passive, self-triggered switching devices that do not require external drive circuits. Under such self-driven constraints, detecting and utilizing the peak voltage point becomes a major technical challenge. This limitation represents a key focus in current TENG research aimed at enabling fully autonomous energy harvesting. Future research will focus on developing real-time peak tracking strategies and adaptive switching methods, as well as extending this topology to scalable distributed TENG arrays for Internet-of-Things (IoT) applications.
In summary, the key contributions of this work include the following: (1) establishing a dual-capacitor energy model for CS-TENGs; (2) designing a novel bidirectional high-voltage switch rectifier energy transfer topology; and (3) validating the proposed model and circuit through experimental demonstration under low-frequency mechanical excitation.
These results provide both theoretical and practical foundations for next-generation high-efficiency triboelectric energy harvesting systems.

Author Contributions

Methodology, C.L.; formal analysis, C.L.; investigation, C.L.; data curation, C.L.; writing—original draft, C.L.; writing—review and editing, M.D.; visualization, C.L.; supervision, M.D. All authors have read and agreed to the published version of the manuscript.

Funding

This research received no external funding.

Data Availability Statement

The original contributions presented in the study are included in the article. Further inquiries can be directed to the corresponding author.

Conflicts of Interest

The authors declare no conflicts of interest.

References

  1. Pan, S.; Zhang, Z. Fundamental theories and basic principles of triboelectric effect: A review. Friction 2018, 7, 2–17. [Google Scholar] [CrossRef]
  2. Dharmasena, I.; Jayawardena, I.; Mills, C.; Deane, J.; Anguita, J.; Dorey, R.; Silva, S.R. Triboelectric nanogenerators: Providing a fundamental framework. Energy Environ. Sci. 2017, 10, 1801–1811. [Google Scholar] [CrossRef]
  3. Niu, S.; Wang, Z.L. Theoretical systems of triboelectric nanogenerators. Nano Energy 2015, 14, 161–192. [Google Scholar] [CrossRef]
  4. Wang, Z.L.; Song, J. Piezoelectric nanogenerators based on zinc oxide nanowire arrays. Science 2006, 312, 242–246. [Google Scholar] [CrossRef]
  5. Fan, F.R.; Tian, Z.Q.; Wang, Z.L. Flexible triboelectric generator. Nano Energy 2012, 1, 328–334. [Google Scholar] [CrossRef]
  6. Wang, Z.L. Triboelectric nanogenerators as new energy technology for self-powered systems and as active mechanical and chemical sensors. ACS Nano 2013, 7, 9533–9557. [Google Scholar] [CrossRef]
  7. Cao, X.; Xiong, Y.; Sun, J.; Xie, X.; Sun, Q.; Wang, Z.L. Multidiscipline applications of triboelectric nanogenerators for the intelligent era of internet of things. Nano-Micro Lett. 2023, 15, 14. [Google Scholar] [CrossRef] [PubMed]
  8. Jiang, Y.; Liang, X.; Jiang, T.; Wang, Z.L. Advances in triboelectric nanogenerators for blue energy harvesting and marine environmental monitoring. Engineering 2024, 33, 204–224. [Google Scholar] [CrossRef]
  9. Rana, S.M.S.; Faruk, O.; Islam, M.R.; Yasmin, T.; Zaman, K.; Wang, Z.L. Recent advances in metal-organic framework-based self-powered sensors: A promising energy harvesting technology. Coord. Chem. Rev. 2024, 507, 215741. [Google Scholar] [CrossRef]
  10. Akram, W.; Chen, Q.; Xia, G.; Fang, J. A review of single electrode triboelectric nanogenerators. Nano Energy 2023, 106, 108043. [Google Scholar] [CrossRef]
  11. Zou, Y.; Xu, J.; Chen, K.; Chen, J. Advances in nanostructures for high-performance triboelectric nanogenerators. Adv. Mater. Technol. 2021, 6, 2000916. [Google Scholar] [CrossRef]
  12. Luo, J.; Wang, Z.L. Recent progress of triboelectric nanogenerators: From fundamental theory to practical applications. EcoMat 2020, 2, e12059. [Google Scholar] [CrossRef]
  13. Wang, Z. Triboelectric nanogenerators as new energy technology and self-powered sensors—Principles, problems and perspectives. Faraday Discuss. 2014, 176, 447–458. [Google Scholar] [CrossRef]
  14. Niu, S.; Wang, S.; Lin, L.; Liu, Y.; Zhou, Y.S.; Hu, Y.; Wang, Z.L. Theoretical study of contact-mode triboelectric nanogenerators as an effective power source. Energy Environ. Sci. 2013, 6, 3576–3583. [Google Scholar] [CrossRef]
  15. Niu, S.; Liu, Y.; Wang, S.; Lin, L.; Zhou, Y.S.; Hu, Y.; Wang, Z.L. Theory of sliding-Mode triboelectric nanogenerators. Adv. Mater. 2013, 25, 6184–6193. [Google Scholar] [CrossRef] [PubMed]
  16. Niu, S.; Liu, Y.; Zhou, Y.S.; Wang, S.; Lin, L.; Wang, Z.L. Optimization of triboelectric nanogenerator charging systems for efficient energy harvesting and storage. IEEE Trans. Electron Devices 2014, 62, 641–647. [Google Scholar]
  17. Zhang, C.; Tang, W.; Han, C.; Fan, F.; Wang, Z.L. Theoretical comparison, equivalent transformation, and conjunction operations of electromagnetic induction generator and triboelectric nanogenerator for harvesting mechanical energy. Adv. Mater. 2014, 26, 3580–3591. [Google Scholar] [CrossRef] [PubMed]
  18. Zou, H.; Zhang, Y.; Guo, L.; Wang, P.; He, X.; Dai, G.; Zheng, H.; Chen, C.; Wang, A.C.; Xu, C.; et al. Quantifying the triboelectric series. Nat. Commun. 2019, 10, 1427. [Google Scholar] [CrossRef]
  19. Choi, D.; Lee, Y.; Lin, Z.H.; Cho, S.; Kim, M.; Ao, C.K.; Soh, S.; Sohn, C.; Jeong, C.K.; Lee, J.; et al. Recent advances in triboelectric nanogenerators: From technological progress to commercial applications. ACS Nano 2023, 17, 11087–11219. [Google Scholar] [CrossRef]
  20. Li, C.; Bai, Y.; Shao, J.; Meng, H.; Li, Z. Strategies to improve the output performance of triboelectric nanogenerators. Small Methods 2024, 8, 2301682. [Google Scholar] [CrossRef]
  21. Xi, F.; Pang, Y.; Li, W.; Jiang, T.; Zhang, L.; Guo, T.; Liu, G.; Zhang, C.; Wang, Z.L. Universal power management strategy for triboelectric nanogenerator. Nano Energy 2017, 37, 168–176. [Google Scholar] [CrossRef]
  22. Harmon, W.; Bamgboje, D.; Guo, H.; Hu, T.; Wang, Z.L. Self-driven power management system for triboelectric nanogenerators. Nano Energy 2020, 71, 104642. [Google Scholar] [CrossRef]
  23. Hu, T.; Wang, H.; Harmon, W.; Bamgboje, D.; Wang, Z.L. Current progress on power management systems for triboelectric nanogenerators. IEEE Trans. Power Electron. 2022, 37, 9850–9864. [Google Scholar] [CrossRef]
  24. Hu, C.; Yang, Y.; Wang, Z.L. Quantitative comparison between the effective energy utilization efficiency of triboelectric nanogenerator and electromagnetic generator post power management. Nano Energy 2022, 103, 107760. [Google Scholar] [CrossRef]
  25. Kim, W.G.; Kim, D.W.; Tcho, I.W.; Kim, J.K.; Kim, M.S.; Choi, Y.K. Triboelectric nanogenerator: Structure, mechanism, and applications. ACS Nano 2021, 15, 258–287. [Google Scholar] [CrossRef]
  26. Wu, C.; Wang, A.C.; Ding, W.; Guo, H.; Wang, Z.L. Triboelectric nanogenerator: A foundation of the energy for the new era. Adv. Energy Mater. 2019, 9, 1802906. [Google Scholar] [CrossRef]
  27. Wu, L.; Xue, P.; Fang, S.; Gao, M.; Yan, X.; Jiang, H.; Liu, Y.; Wang, H.; Liu, H.; Cheng, B. Boosting the output performance of triboelectric nanogenerators via surface engineering and structure designing. Mater. Horizons 2024, 11, 341–362. [Google Scholar] [CrossRef]
  28. Wang, K.; Liao, Y.; Li, W.; Zhang, Y.; Zhou, X.; Wu, C.; Chen, R.; Kim, T.W. Triboelectric nanogenerator module for circuit design and simulation. Nano Energy 2023, 107, 108139. [Google Scholar] [CrossRef]
  29. Tu, Y.; Xu, Z.; Xiao, Z.; Zheng, D.; Ding, C.; Dai, G.; Chen, S.; Ding, W.; Wang, X.; Xu, S. IC-Compatible high-efficiency power management for triboelectric nanogenerators based on the concept of limit. IEEE Trans. Power Electron. 2023, 39, 6–13. [Google Scholar] [CrossRef]
  30. Harmon, W.; Guo, H.; Bamgboje, D.; Hu, T.; Wang, Z.L. Timing strategy for boosting energy extraction from triboelectric nanogenerators. Nano Energy 2021, 85, 105956. [Google Scholar] [CrossRef]
  31. Wu, H.; Shan, C.; Fu, S.; Li, K.; Wang, J.; Xu, S.; Li, G.; Zhao, Q.; Guo, H.; Hu, C. Efficient energy conversion mechanism and energy storage strategy for triboelectric nanogenerators. Nat. Commun. 2024, 15, 6558. [Google Scholar] [CrossRef] [PubMed]
  32. Liu, C.; Shimane, R.; Deng, M. Operator-based triboelectric nanogenerator power management and output voltage control. Micromachines 2024, 15, 1114. [Google Scholar] [CrossRef] [PubMed]
  33. Niu, S.; Zhou, Y.S.; Wang, S.; Liu, Y.; Lin, L.; Bando, Y.; Wang, Z.L. Simulation method for optimizing the performance of an integrated triboelectric nanogenerator energy harvesting system. Nano Energy 2014, 8, 150–156. [Google Scholar] [CrossRef]
  34. Macário, D.; Domingos, I.; Carvalho, N.; Pinho, P.; Alves, H. Harvesting circuits for triboelectric nanogenerators for wearable applications. iScience 2022, 25, 103977. [Google Scholar] [CrossRef] [PubMed]
Figure 1. CS-TENG model (constructed using an aluminum plate, copper plate, and FEP film). (a) Initial state without frictional contact or charge separation. (b) The aluminum plate contacts the FEP film via mechanical excitation, resulting in triboelectric charge generation. (c) As the aluminum plate separates from the FEP film, it becomes positively charged, and a potential difference V 1 is established. (d) With an external two-terminal circuit connected, charges flow through the circuit as the separation distance x ( t ) increases. (e) As x ( t ) decreases, the charge flow direction reverses. (f) The aluminum plate returns to contact with the FEP film, initiating a new triboelectric cycle.
Figure 1. CS-TENG model (constructed using an aluminum plate, copper plate, and FEP film). (a) Initial state without frictional contact or charge separation. (b) The aluminum plate contacts the FEP film via mechanical excitation, resulting in triboelectric charge generation. (c) As the aluminum plate separates from the FEP film, it becomes positively charged, and a potential difference V 1 is established. (d) With an external two-terminal circuit connected, charges flow through the circuit as the separation distance x ( t ) increases. (e) As x ( t ) decreases, the charge flow direction reverses. (f) The aluminum plate returns to contact with the FEP film, initiating a new triboelectric cycle.
Electronics 14 02215 g001aElectronics 14 02215 g001b
Figure 2. An equivalent capacitor-based model of CS-TENG derived from V o c and C s .
Figure 2. An equivalent capacitor-based model of CS-TENG derived from V o c and C s .
Electronics 14 02215 g002
Figure 3. External circuit topologies of the CS-TENG system. (a) Direct connection between the CS-TENG and the external load. (b) Rectifier-based unidirectional connection to the load. (c) Addition of a controlled switch between the CS-TENG and the load. (d) Implementation of a high-voltage air-gap discharge switch for autonomous energy transfer.
Figure 3. External circuit topologies of the CS-TENG system. (a) Direct connection between the CS-TENG and the external load. (b) Rectifier-based unidirectional connection to the load. (c) Addition of a controlled switch between the CS-TENG and the load. (d) Implementation of a high-voltage air-gap discharge switch for autonomous energy transfer.
Electronics 14 02215 g003
Figure 4. A small capacitor ( C i n ) is used in CS-TENG’s PMU application.
Figure 4. A small capacitor ( C i n ) is used in CS-TENG’s PMU application.
Electronics 14 02215 g004
Figure 5. Two inherent capacitors ( C t 1 and C t 2 ) in CS-TENG.
Figure 5. Two inherent capacitors ( C t 1 and C t 2 ) in CS-TENG.
Electronics 14 02215 g005
Figure 6. CS-TENG double-capacitors structure with C t 1 and C t 2 and the charge states in these two capacitors: (a) all Q charges in C t 1 ; (b) part of Q in C t 1 and Q t in C t 2 .
Figure 6. CS-TENG double-capacitors structure with C t 1 and C t 2 and the charge states in these two capacitors: (a) all Q charges in C t 1 ; (b) part of Q in C t 1 and Q t in C t 2 .
Electronics 14 02215 g006
Figure 7. High voltage switch work state in CS-TENG topology considering dual capacitor energy: (a) in the first discharge stage of C t 1 ; (b) in the second discharge stage of C t 2 .
Figure 7. High voltage switch work state in CS-TENG topology considering dual capacitor energy: (a) in the first discharge stage of C t 1 ; (b) in the second discharge stage of C t 2 .
Electronics 14 02215 g007
Figure 8. An example of the capacitor ( C l o a d ) as the load in CS-TENG with high voltage switch ( S 1 ).
Figure 8. An example of the capacitor ( C l o a d ) as the load in CS-TENG with high voltage switch ( S 1 ).
Electronics 14 02215 g008
Figure 9. The circuit topology of energy transfer and storage based on dual high-voltage with a rectifier bridge.
Figure 9. The circuit topology of energy transfer and storage based on dual high-voltage with a rectifier bridge.
Electronics 14 02215 g009
Figure 10. Operation analysis of the dual high-voltage switch rectifier bridge for CS-TENGs: (a) the first stage of mechanical motion with G 1 open; (b) the second stage of mechanical motion with G 2 open.
Figure 10. Operation analysis of the dual high-voltage switch rectifier bridge for CS-TENGs: (a) the first stage of mechanical motion with G 1 open; (b) the second stage of mechanical motion with G 2 open.
Electronics 14 02215 g010
Figure 11. Experimental setup and key components used for validating the CS-TENG energy transfer and storage topology. (a) The overall experimental platform integrates the mechanical excitation and electrical measurement systems. (b) The fabricated CS-TENG device is coupled with a linear mechanical motion control unit. (c) Close-up view of the gas-discharge tube switches used for high-voltage triggering. (d) Single-switch discharge circuit connected to a 100 μ F capacitor for evaluating energy transfer characteristics. (e) Dual-switch rectifier bridge configuration under a 100 μ F capacitor load for bidirectional energy extraction validation. (f) Output stage demonstrating energy storage in a 1 F supercapacitor and subsequent power delivery to a 10 k Ω resistive load via a 3.3 V boost converter.
Figure 11. Experimental setup and key components used for validating the CS-TENG energy transfer and storage topology. (a) The overall experimental platform integrates the mechanical excitation and electrical measurement systems. (b) The fabricated CS-TENG device is coupled with a linear mechanical motion control unit. (c) Close-up view of the gas-discharge tube switches used for high-voltage triggering. (d) Single-switch discharge circuit connected to a 100 μ F capacitor for evaluating energy transfer characteristics. (e) Dual-switch rectifier bridge configuration under a 100 μ F capacitor load for bidirectional energy extraction validation. (f) Output stage demonstrating energy storage in a 1 F supercapacitor and subsequent power delivery to a 10 k Ω resistive load via a 3.3 V boost converter.
Electronics 14 02215 g011
Figure 12. Different gas-discharge tube switch effect test on the energy conversion of CS-TENG.
Figure 12. Different gas-discharge tube switch effect test on the energy conversion of CS-TENG.
Electronics 14 02215 g012
Figure 13. Experimental validation of the single high-voltage switch configuration in the CS-TENG circuit, corresponding to the setup in Figure 8 and Figure 11d. (a) Comparison of energy storage performance using gas-discharge tubes with different DC breakdown voltages under a mechanical excitation frequency of 5 Hz . (b) Effect of mechanical frequency ( 5 Hz vs. 7.5   Hz ) on the energy output when using a 470 V gas-discharge tube.
Figure 13. Experimental validation of the single high-voltage switch configuration in the CS-TENG circuit, corresponding to the setup in Figure 8 and Figure 11d. (a) Comparison of energy storage performance using gas-discharge tubes with different DC breakdown voltages under a mechanical excitation frequency of 5 Hz . (b) Effect of mechanical frequency ( 5 Hz vs. 7.5   Hz ) on the energy output when using a 470 V gas-discharge tube.
Electronics 14 02215 g013
Figure 14. Performance evaluation of the dual high-voltage switch topology in the CS-TENG circuit, corresponding to the configuration shown in Figure 9 and the experimental setup in Figure 11e. (a) Output voltage comparison for different combinations of gas-discharge tubes under mechanical excitation at 5 Hz . (b) Observed voltage rise on the 100 μ F storage capacitor C F under low-frequency mechanical motion (< 1 Hz ), following sequential conduction of G 1 and G 2 . (c) Effect of mechanical frequency ( 5 Hz vs. 7.5   Hz ) on energy harvesting performance using a 600 V and 470 V gas-discharge tube pair. (d) Comparison of energy storage performance between the dual-switch topology and the single-switch configuration under 5 Hz mechanical motion.
Figure 14. Performance evaluation of the dual high-voltage switch topology in the CS-TENG circuit, corresponding to the configuration shown in Figure 9 and the experimental setup in Figure 11e. (a) Output voltage comparison for different combinations of gas-discharge tubes under mechanical excitation at 5 Hz . (b) Observed voltage rise on the 100 μ F storage capacitor C F under low-frequency mechanical motion (< 1 Hz ), following sequential conduction of G 1 and G 2 . (c) Effect of mechanical frequency ( 5 Hz vs. 7.5   Hz ) on energy harvesting performance using a 600 V and 470 V gas-discharge tube pair. (d) Comparison of energy storage performance between the dual-switch topology and the single-switch configuration under 5 Hz mechanical motion.
Electronics 14 02215 g014
Table 1. Main contributions of this work.
Table 1. Main contributions of this work.
ContributionSummary
Dual-capacitor modelCaptures internal charge redistribution and voltage variation in CS-TENGs, improving upon the traditional V o c C s model.
Dual-switch topologyDesigns a quasi-rectifier bridge using two air-gap discharge switches and an inductor for bidirectional energy transfer.
Experimental verificationDemonstrates improved energy transfer efficiency and voltage stability under low-frequency mechanical excitation.
Table 2. Parameters of the CS-TENG utilized in this paper.
Table 2. Parameters of the CS-TENG utilized in this paper.
ParameterSymbolValueUnit
Dielectric thickness d 1 125 μ m
Air dielectric constant ε 0 8.85 × 10 12 F / m
Relative dielectric constant ε r 3.4
Effective dielectric thickness d eq d 0 / ε r = 36.76 μ m
Width of dielectricW0.12 m
Length of dielectricL0.12 m
Area of dielectricS W × L = 0.0144 m 2
Surface triboelectric charge density σ 110 μ C / m 2
Maximum separation distance x max 0.002 m
Frequency of mechanical motionf5 or 7.5 Hz
Table 3. Components used in the CS-TENG’s energy conversion circuit topology.
Table 3. Components used in the CS-TENG’s energy conversion circuit topology.
ComponentSymbol in CircuitKey ParametersRemarks
Inductor L b 1.566  m H Low ESR
Load Capacitor C load 100  μ F and 1 F Low ESR
Schottky Diode D 5 V rm = 1000 V
Gas-Discharge Tube G 1 , G 2 DC breakdown voltage (V)Littelfuse GDT
MinTypeMax
213250288
297350403
400470540
510600690
Disclaimer/Publisher’s Note: The statements, opinions and data contained in all publications are solely those of the individual author(s) and contributor(s) and not of MDPI and/or the editor(s). MDPI and/or the editor(s) disclaim responsibility for any injury to people or property resulting from any ideas, methods, instructions or products referred to in the content.

Share and Cite

MDPI and ACS Style

Liu, C.; Deng, M. Dual High-Voltage Switch Rectifier Bridge for Efficient Energy Transfer in Triboelectric Nanogenerators. Electronics 2025, 14, 2215. https://doi.org/10.3390/electronics14112215

AMA Style

Liu C, Deng M. Dual High-Voltage Switch Rectifier Bridge for Efficient Energy Transfer in Triboelectric Nanogenerators. Electronics. 2025; 14(11):2215. https://doi.org/10.3390/electronics14112215

Chicago/Turabian Style

Liu, Chengyao, and Mingcong Deng. 2025. "Dual High-Voltage Switch Rectifier Bridge for Efficient Energy Transfer in Triboelectric Nanogenerators" Electronics 14, no. 11: 2215. https://doi.org/10.3390/electronics14112215

APA Style

Liu, C., & Deng, M. (2025). Dual High-Voltage Switch Rectifier Bridge for Efficient Energy Transfer in Triboelectric Nanogenerators. Electronics, 14(11), 2215. https://doi.org/10.3390/electronics14112215

Note that from the first issue of 2016, this journal uses article numbers instead of page numbers. See further details here.

Article Metrics

Back to TopTop