Method for Classification and Optimization of Modes in Triple-Active-Bridge Converter Based on Waveform Structural Characteristics Analysis
Abstract
1. Introduction
2. Analysis of TAB Waveform Structure Characteristics
3. Classification of TAB Working Modes
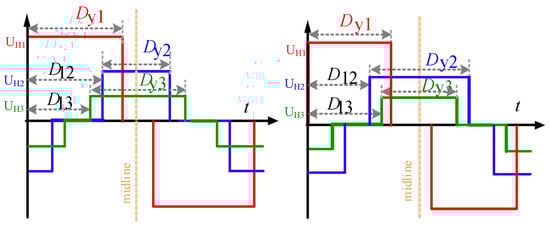
3.1. Time-Domain Modeling of Square Waves Based on Internal and External Phase Shift
3.2. Classification Methods for Working Modes
4. Principles and Methods for Optimizing Working Modes
4.1. Evaluation Criteria for Local Optimal Working Modes
4.2. Optimal Selection of Working Modes
5. Experimental Verification and Analysis
5.1. Comparison of Working Modes With and Without Sub-Modes +/−7 Under Two Optimization Objectives
5.2. Efficiency Comparison of Different Modes Under Two Optimization Methods
6. Conclusions
Author Contributions
Funding
Data Availability Statement
Conflicts of Interest
Appendix A
| Mode 1.1 | Mode 1.4 | Mode 2.1 | Mode 2.3 | |
| Wave- form | ![]() | ![]() | ![]() | ![]() |
| Mode 1.2 | Mode 1.3 | Mode 1.5 | Mode 1.6 | |
| Wave-form | ![]() | ![]() | ![]() | ![]() |
| Mode 2.2 | Mode 2.4 | Mode 2.5 | Mode 2.6 | |
| Wave-form | ![]() | ![]() | ![]() | ![]() |
| ForwardTransmission | Mode 16-1.1/1.1/1.2 | Mode 8-1.1/1.1/2.4 | Mode A-1.5/1.5/1.5 | Mode B-1.1/1.5/1.2 |
|---|---|---|---|---|
| High-medium -low 1–2–3 | ![]() | ![]() | ![]() | ![]() |
| High-medium 1–2 | ||||
| High-low1–3 | ||||
| Medium- low 2–3 | ||||
| switching time | ||||
| Working mode range | ||||
| transmission power | ||||
| Equivalent DAB mode | 1→ 2: Mode 1.1 1→ 3: Mode 1.1 2→ 3: Mode 1.2 | 1→ 2: Mode 1.1 1→ 3: Mode 1.1 2→ 3: Mode 2.4 | 1→ 2: Mode 1.5 1→ 3: Mode 1.5 2→ 3: Mode 1.5 | 1→ 2: Mode 1.1 1→ 3: Mode 1.5 2→ 3: Mode 1.2 |
| Mode Number | 1→2 Equivalent DAB Mode | 1→3 Equivalent DAB Mode | 2→3 Equivalent DAB Mode | Waveform Port 1: Black/High Port 2: Blue/Mid Port 3: Yellow/Low | Mode Number | 1→2 Equivalent DAB Mode | 1→3 Equivalent DAB Mode | 2→3 Equivalent DAB Mode | Waveform Port 1: Black/High Port 2: Blue/Mid Port 3: Yellow/Low |
|---|---|---|---|---|---|---|---|---|---|
| 6 | 1.2 | 1.2 | 2.4 | ![]() | 21 | 2.4 | 2.4 | 1.2 | ![]() |
| 7 | 1.2 | 1.4 | 2.4 | ![]() | 22 | 1.4 | 1.1 | 1.2 | ![]() |
| 8 | 1.1 | 1.1 | 2.4 | ![]() | 23 | 1.2 | 2.3 | 2.4 | ![]() |
| 9 | 2.3 | 1.2 | 1.2 | ![]() | 24 | 2.4 | 2.4 | 2.4 | ![]() |
| 10 | 2.4 | 2.1 | 1.2 | ![]() | 25 | 1.4 | 1.2 | 1.2 | ![]() |
| 11 | 1.2 | 2.4 | 2.4 | ![]() | 26 | 1.2 | 1.1 | 2.4 | ![]() |
| 12 | 2.1 | 2.4 | 2.4 | ![]() | 27 | 2.3 | 2.1 | 1.2 | ![]() |
| 13 | 2.1 | 1.2 | 1.2 | ![]() | 28 | 1.4 | 1.4 | 2.4 | ![]() |
| 14 | 2.4 | 1.2 | 1.2 | ![]() | 29 | 2.3 | 2.3 | 2.4 | ![]() |
| 15 | 1.1 | 2.4 | 2.4 | ![]() | 30 | 1.2 | 1.2 | 1.2 | ![]() |
References
- Zeng, R.; Zhao, Y.; Zhao, B. A prospective look on research and application of DC power distribution technology. Proc. CSEE 2018, 38, 6791–6801+7114. (In Chinese) [Google Scholar]
- Song, Q.; Zhao, B.; Liu, W. An overview of research on smart DC distribution power network. Proc. CSEE 2013, 33, 9–19. (In Chinese) [Google Scholar]
- Li, Z.; Gao, F.; Zhao, C. Research review of power electronic transformer technologies. Proc. CSEE 2018, 38, 1274–1289. (In Chinese) [Google Scholar]
- Li, J.; Luo, Q.; Luo, T. Efficiency optimization scheme for isolated triple active bridge DC–DC converter with full soft-switching and minimized RMS current. IEEE Trans. Power Electron. 2022, 37, 9114–9128. [Google Scholar] [CrossRef]
- Zhao, C.; Round, S.D.; Kolar, J.W. An isolated three-port bidirectional DC-DC converter with decoupled Power Flow Management. IEEE Trans. Power Electron. 2008, 23, 2443–2453. [Google Scholar] [CrossRef]
- Liu, B.; Shuai, Z.; Xiao, F. Simplified analysis model and optimal control strategy of tripe active bridge converter. Trans. China Electrotech. Soc. 2021, 36, 2394–2407. [Google Scholar]
- Tu, C.; Yu, X.; Xiao, F. A Novel Solution for High-frequency-link AC Current of TAB Converter. Proc. CSEE 2021, 41, 7740–7750. [Google Scholar]
- Huang, J.; Fu, Y.; Lü, X. Control strategy of three-port bidirectional DC-DC converter based on reactive power optimization. Trans. China Electrotech. Soc. 2022, 37, 2086–2096. [Google Scholar]
- Zeng, Y.; Xiao, Z.; Liu, Q. Physics-Informed Deep Transfer Reinforcement Learning Method for the Input-Series Output-Parallel Dual Active Bridge-Based Auxiliary Power Modules in Electrical Aircraft. IEEE Trans. Transp. Electrif. 2024. [Google Scholar] [CrossRef]
- Xiao, Z.; Zeng, Y.; Tang, Y. Swift and Seamless Start-Up of DAB Converters in Constant and Variable Frequency Modes. IEEE Trans. Ind. Electron. 2024. [Google Scholar] [CrossRef]
- Mou, D.; Luo, Q.; Li, J. Five-Degree-of-Freedom Modulation Scheme for Dual Active Bridge DC–DC Converter. IEEE Trans. Power Electron. 2021, 36, 10584–10601. [Google Scholar] [CrossRef]
- Shao, S.; Jiang, M.; Ye, W.; Li, Y. Optimal Phase-Shift Control to Minimize Reactive Power for a Dual Active Bridge DC–DC Converter. IEEE Trans. Power Electron. 2019, 34, 10193–10205. [Google Scholar] [CrossRef]
- Gu, Q.; Yuan, L.; Nie, J. Current stress minimization of dual-active-bridge DC–DC converter within the whole operating range. IEEE Emerg. Sel. Top. Power Electron. 2019, 7, 129–142. [Google Scholar] [CrossRef]
- Zhao, B.; Song, Q.; Liu, W. Current stress-optimized switching strategy of isolated bidirectional DC-DC converter with dual-phase-shift control. IEEE Trans. Ind. Electron. 2013, 60, 4458–4467. [Google Scholar] [CrossRef]
- Guo, H.; Zhang, X.; Zhao, W. Optimal control strategy of dual active bridge DC-DC converters with extended-phase-shift control. Proc. CSEE 2019, 39, 3889–3898. (In Chinese) [Google Scholar]
- Zhang, L.; Tu, C.; Xiao, F. Intrinsic Law Analysis and Optimization Control of Current Stress in Dual Active Bridge Converter. Trans. China Electrotech. Soc. 2024. [Google Scholar] [CrossRef]
- Tong, A.; Hang, L.; Li, G.; Jiang, X. Modeling and analysis of a dual-active-bridge-isolated bidirectional DC/DC converter to minimize rms current with whole operating range. IEEE Trans. Power Electron. 2018, 33, 5302–5316. [Google Scholar] [CrossRef]
- Zhang, X.; Pei, W.; Kong, L. Loss model and analysis of high-frequency-link DC solid state converter for medium voltage AC/DC distribution grid. Adv. Technol. Electr. Eng. Energy 2019, 38, 43–52. [Google Scholar]
- Li, J.; Yuan, L.; Gu, Q. An Efficiency Optimization method in dual active bridge DC-DC converter based on loss model. Trans. China Electrotech. Soc. 2017, 32, 66–76. [Google Scholar]
- Hebala, O.M.; Aboushady, A.A.; Ahmed, K.H. Generic Closed-Loop Controller for Power Regulation in Dual Active Bridge DC-DC Converter With Current Stress Minimization. IEEE Trans. Ind. Electron. 2019, 66, 4468–4478. [Google Scholar] [CrossRef]
























| Sub-Mode Number | 0 | 1 | 2 | 3 | 4 | 5 | 6 | 7 | 8 | 9 | 10 | 11 | 12 | 13 |
|---|---|---|---|---|---|---|---|---|---|---|---|---|---|---|
| UH1 | 0 | 0 | 0 | 0 | 1 | 1 | 1 | 1 | 0 | 1 | 1 | 1 | −1 | −1 |
| UH2 | 0 | 0 | 1 | 1 | 0 | 0 | 1 | 1 | 1 | 0 | −1 | −1 | 1 | −1 |
| UH3 | 0 | 1 | 0 | 1 | 0 | 1 | 0 | 1 | −1 | −1 | 0 | −1 | −1 | 1 |
| Sub-Mode Number | −1 | −2 | −3 | −4 | −5 | −6 | −7 | −8 | −9 | −10 | −11 | −12 | −13 | |
| UH1 | 0 | 0 | 0 | −1 | −1 | −1 | −1 | 0 | −1 | −1 | −1 | 1 | 1 | |
| UH2 | 0 | −1 | −1 | 0 | 0 | −1 | −1 | −1 | 0 | 1 | 1 | −1 | 1 | |
| UH3 | −1 | 0 | −1 | 0 | −1 | 0 | −1 | 1 | 1 | 0 | 1 | 1 | −1 | |
| Type | 1 | 2 | 3 | 4 |
|---|---|---|---|---|
| range | 0 < D12 < 1, D12 + Dy2 < 1 | 0 < D12 < 1, D12 + Dy2 > 1 | −1 < D12 < 0, D12 + Dy2 > 0 | −1 < D12 < 0, D12 + Dy2 < 0 |
| graph | ![]() | ![]() | ![]() | ![]() |
| function expressions |
| Mode Number |
1→2 Equivalent DAB Mode |
1→3 Equivalent DAB Mode |
2→3 Equivalent DAB Mode |
Waveform Port 1: Black/High Port 2: Blue/Mid Port 3: Yellow/Low | Mode Number |
1→2 Equivalent DAB Mode |
1→3 Equivalent DAB Mode |
2→3 Equivalent DAB Mode |
Waveform Port 1 : Black/High Port 2: Blue/Mid Port 3: Yellow/Low |
|---|---|---|---|---|---|---|---|---|---|
| 1 | 2.1 | 2.3 | 2.4 | ![]() | 16 | 1.1 | 1.1 | 1.2 | ![]() |
| 2 | 2.3 | 2.3 | 1.2 | ![]() | 17 | 2.1 | 2.1 | 2.4 | ![]() |
| 3 | 1.2 | 2.1 | 2.4 | ![]() | 18 | 2.4 | 1.2 | 1.2 | ![]() |
| 4 | 2.1 | 2.1 | 1.2 | ![]() | 19 | 1.1 | 1.2 | 1.2 | ![]() |
| 5 | 1.1 | 1.4 | 2.4 | ![]() | 20 | 1.4 | 1.4 | 1.2 | ![]() |
| . | …. | …. | … | …… | …. | ….. | ….. | …. | ….. |
| Parameter | Value |
|---|---|
| Voltage of port 1 | 200 V |
| Voltage of port 2 | 100–200 V |
| Voltage of port 3 | 40–200 V |
| Switching Frequency | 5000 Hz |
| Transformer Turns Ratio | 1:1:1 |
| Additional Inductance of port 1, 2, 3 | 0.333 mH |
| Switching devices/MOSFET | MSC015SMA070B |
| Controller | TMS320F28335 |
| P2/P3 (pu) | Mode A | Mode 16 | Mode 8 |
|---|---|---|---|
| (A) | |||
| 0.0425/0.0375 | 8/7 | 3.58/2.1 | |
| 0.10625/0.09375 | 13.1/9.34 | 5.66/3.96 | |
| P2/P3 (pu) | Mode B | Mode 16 |
|---|---|---|
| (A) | ||
| 0.085/0.05625 | 8.06/9.14 | 4.76/3.14 |
| 0.255/0.1125 | 13.86/11.02 | 8.1/6.56 |
| P2/P3 (pu) | Mode A | Mode 16 | Mode 8 |
|---|---|---|---|
| (A) | |||
| 0.0425/0.0375 | 8.32/6.38 | 3.6/2.1 | |
| 0.10625/0.09375 | 13.32/11.38 | 6.26/3.9 | |
| P2/P3 (pu) | Mode B | Mode 16 |
|---|---|---|
| (A) | ||
| 0.085/0.05625 | 8.34/8.98 | 4.76/3.14 |
| 0.255/0.1125 | 12.14/11.78 | 8.1/6.56 |
Disclaimer/Publisher’s Note: The statements, opinions and data contained in all publications are solely those of the individual author(s) and contributor(s) and not of MDPI and/or the editor(s). MDPI and/or the editor(s) disclaim responsibility for any injury to people or property resulting from any ideas, methods, instructions or products referred to in the content. |
© 2025 by the authors. Licensee MDPI, Basel, Switzerland. This article is an open access article distributed under the terms and conditions of the Creative Commons Attribution (CC BY) license (https://creativecommons.org/licenses/by/4.0/).
Share and Cite
Zhang, L.; Tu, C.; Xiao, F.; Liu, B.; Li, P. Method for Classification and Optimization of Modes in Triple-Active-Bridge Converter Based on Waveform Structural Characteristics Analysis. Electronics 2025, 14, 187. https://doi.org/10.3390/electronics14010187
Zhang L, Tu C, Xiao F, Liu B, Li P. Method for Classification and Optimization of Modes in Triple-Active-Bridge Converter Based on Waveform Structural Characteristics Analysis. Electronics. 2025; 14(1):187. https://doi.org/10.3390/electronics14010187
Chicago/Turabian StyleZhang, Laiyong, Chunming Tu, Fan Xiao, Bei Liu, and Peiqiang Li. 2025. "Method for Classification and Optimization of Modes in Triple-Active-Bridge Converter Based on Waveform Structural Characteristics Analysis" Electronics 14, no. 1: 187. https://doi.org/10.3390/electronics14010187
APA StyleZhang, L., Tu, C., Xiao, F., Liu, B., & Li, P. (2025). Method for Classification and Optimization of Modes in Triple-Active-Bridge Converter Based on Waveform Structural Characteristics Analysis. Electronics, 14(1), 187. https://doi.org/10.3390/electronics14010187


















































