Analysis of Influence of Abnormal Fiber-Optical Current Transformer on Double Closed-Loop Control of Converter Valve in Flexible DC Converter Station
Abstract
1. Introduction
2. The Principle and Common Defects/Faults of the FOCT
3. Coupled Model of FOCT and Flexible DC Converter Valve with Double Closed-Loop Control
3.1. Dynamic Modeling of the FOCT
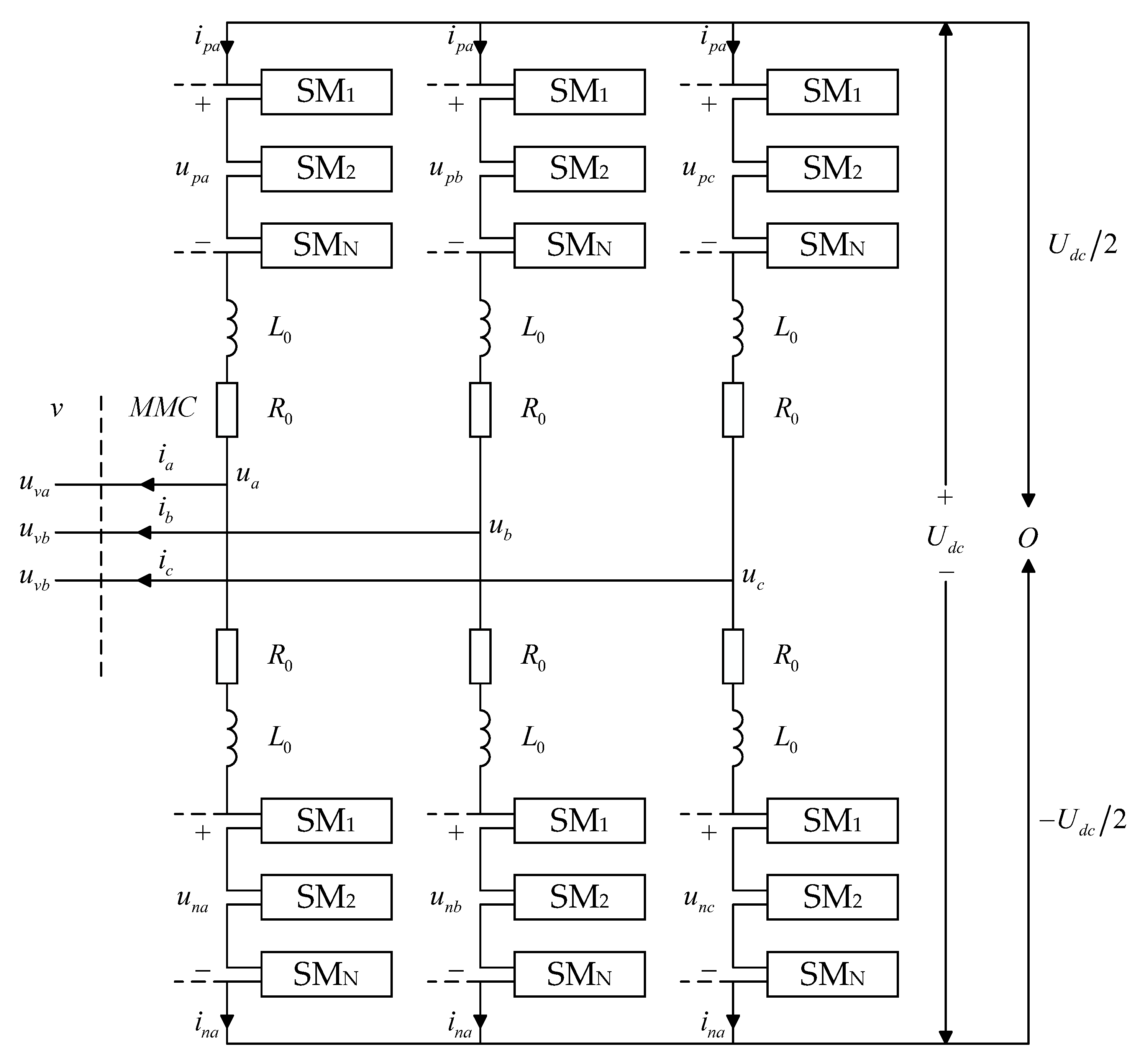
3.2. Double Closed-Loop Control Model of Flexible DC Converter Valve
3.3. Coupled Model of the FOCT and Flexible DC Converter Valve
4. Simulation Analysis
4.1. Model Validation of the FOCT
4.2. Temperature Anomaly
4.3. The Optical Path Parameters Anomaly
4.3.1. Decreases of SLD Light Intensity
4.3.2. Fiber Breakage
5. Conclusions
- (1)
- The double closed-loop control model of the converter valve and the FOCT dynamic model considering multiple factors are established. Based on these two models, a coupled model which can be used to analyze the influence on the double closed-loop control of the converter valve when the FOCT ‘s temperature or optical path anomalies occur is proposed.
- (2)
- The simulation results show that when the operating temperature of the FOCT rises, the AC current on the rectification side increases, and both the active and reactive power transmitted by the converter valve increase. However, from the absolute value of the change, when the temperature changes in a small range, the transmission power increases a small proportion, and the system can still run stably.
- (3)
- When the optical path parameters of the FOCT are abnormal, the influence on the double closed-loop control of the converter valve is serious. When the light intensity of the SLD decreases, the output current amplitude of the rectification side decreases, the active power transmitted by the system decreases, but the reactive power increases. In particular, when the optical fiber is broken, the output AC current amplitude of the rectification side increases, and the active and reactive power transmitted by the converter valve increases greatly, which seriously deviates from the preset transmission power value.
- (4)
- In our subsequent research, we will combine the existing model with a neural network to model the FOCT more accurately (considering complex problems such as partial fiber degradation or wavelength drift), so as to further improve the accuracy of the model. What is more, we will build a true type of hardware in the loop in the laboratory experiment platform through the experimental platform to further verify the FOCT and the accuracy of the converter valve interaction effects.
Author Contributions
Funding
Data Availability Statement
Conflicts of Interest
Appendix A




References
- Wang, W.; Zhang, X.; Yang, S. The Fiber Optical Current Transformer (FOCT) Technology and It’s Engineering Application. Distrib. Util. 2009, 26, 45–48. [Google Scholar]
- Chen, J.; Xu, Q.; Wang, K. Research and Application of Generator Protection Based on Fiber Optical Current Transformer. IEEE Access 2020, 8, 172405–172411. [Google Scholar] [CrossRef]
- Ahamed, M.R.; Vimalraj, M.; Rao, S.A. Saturation analysis of current transformer. Int. J. Res. Rev. 2015, 2, 337–342. [Google Scholar]
- Stano, E.; Kaczmarek, M. Wideband Self-Calibration Method of Inductive CTs and Verification of Determined Values of Current and Phase Errors at Harmonics for Transformation of Distorted Current. Sensors 2020, 20, 2167. [Google Scholar] [CrossRef] [PubMed]
- Zhang, C.; Zhang, C.; Wang, X.; Liu, Q.; Gao, S. Calculation and test of phase difference of fiber optic current transducer. Chin. J. Sci. Instrum. 2009, 30, 152–156. [Google Scholar]
- Wang, L.; Yang, Z.; Yin, M.; Lu, Y. Simulation and test of dynamic performances of digital closed-loop fiber optic current transducer. Chin. J. Sci. Instrum. 2010, 31, 1890–1895. [Google Scholar]
- Pang, F.; Li, P.; Wei, X.; Deng, J.; Liu, Y. Analysis on Fault Mechanism of Fiber-optical Current Transformers with Sine Wave Modulation. Autom. Electr. Power Syst. 2020, 44, 153–160. [Google Scholar]
- Pang, F.; Huang, Q.; Liu, Y.; Li, P.; Kong, X.; Song, L. Fault Mechanism of Fiber Optical Current Transformer Based on Signal Processing Method. Math. Probl. Eng. 2020, 2020, 1282014.1–1282014.10. [Google Scholar] [CrossRef]
- Gu, X.; Pang, F.; Shi, J.; Xu, J.; Lyu, L.; Li, T. Influence of sine wave modulation FOCT modulation loop fault on detector output characteristics. Electr. Power Eng. Technol. 2023, 42, 232–239. [Google Scholar]
- Guo, J.; Si, L.; Yuan, Z.; Lin, H.; Shi, H.; Ao, M. Self-diagnosing Alarm Algorithm for Optical Path Fault of Fiber Optical Current Transformer. Autom. Electr. Power Syst. 2018, 42, 172–178. [Google Scholar]
- Xiao, Z.; Pang, F.; Yuan, Y.; Yu, W. Analysis on the Influence of SLD’s Optical Power on the Performance of Fiber Optic Current Transformer. In Proceedings of the 2023 IEEE International Conference on Power Science and Technology (ICPST), Kunming, China, 5–7 May 2023. [Google Scholar]
- Chen, A.; Yue, Q.; Feng, Y.; Yan, C.; Li, G. Temperature performance optimization of FOCT. Electr. Power Autom. Equip. 2011, 31, 142–145. [Google Scholar]
- Xiao, H.; Liu, B.; Wan, S.; Zhao, Y. Temperature Error Compensation Technology of All-fiber Optical Current Transformers. Autom. Electr. Power Syst. 2011, 35, 91–95. [Google Scholar]
- Li, Y.; Wang, B.; Liu, J. Modeling Analysis and Experiment Study on Temperature Characteristic of All-fiber Optical Current Transformer. Proc. CSEE 2018, 38, 2772–2782. [Google Scholar]
- Zhang, C.; Zhang, C.; Wang, X.; Liu, Q.; Luo, G. Temperature Compensation Methods of λ/4 Wave Plate for Fiber Optic Current Sensor. Trans. China Electrotech. Soc. 2008, 23, 55–59. [Google Scholar] [CrossRef]
- Wang, Y.; Wang, Z.; Sun, S. Effect of Temperature Characteristic of Faraday Rotator on Passively Demodulated All-Optical Fiber Current Transformers. Power Syst. Technol. 2013, 37, 206–210. [Google Scholar]
- Liu, Q.; Fu, D.; Ma, P. Real-Time Dynamic Simulation Model of Fiber Optical Current Transformer Considering Temperature Characteristics. Power Syst. Technol. 2015, 39, 1759–1765. [Google Scholar]
- Sasaki, K.; Takahashi, M.; Hirata, Y. Temperature-insensitive Sagnac-type optical current transformer. J. Light. Technol. 2015, 33, 2463–2467. [Google Scholar] [CrossRef]
- Wang, H.; Guan, Y.; Hu, C.; Hu, S. Temperature error of fiber optic current transformer. Electr. Power Autom. Equip. 2017, 37, 200–204. [Google Scholar]
- Cheng, S.; Guo, Z.; Zhang, G.; Shen, Y.; Song, P.; Huang, H. Temperature Characteristic of Fiber Optic Current Sensor. High Volt. Eng. 2015, 41, 3843–3848. [Google Scholar]
- Fu, C.; Huang, Y.; Lv, X.; Shi, W. Application and Maintenance of All-fiber Current Transformer in UHV Flexible DC Transmission. Electr. Eng. 2022, 6, 99–101. [Google Scholar]
- Luo, S.; Wang, Y.; Ding, Y.; Yan, C.; Li, Q. Development and Test of ±500 kV DC Fiber Optical Current Transducer for Flexible HVDC System. High Volt. Appar. 2017, 53, 48–55. [Google Scholar]
- Li, T.; Gao, J.; Lu, C. Study and review of optical current transformer. Guizhou Electr. Power Technol. 2015, 18, 73–75.68. [Google Scholar]
- Pang, F.; Yuan, Y.; Dai, F.; Yu, A.; Zhao, Y.; Xia, L. Analysis of Interference Factors of All-fiber-current-transformer Performance and Summary of Solutions. High Volt. Appar. 2022, 58, 64–72. [Google Scholar]
- Li, H.; Fan, X. Control Strategy for Converter Station in DC Grid Based on MMC. Distrib. Energy 2020, 5, 22–28. [Google Scholar]













| Parameter | Numerical Value | Unit |
|---|---|---|
| AC voltage | 10 | kV |
| DC voltage | 21 | kV |
| Number of SMs (single bridge arms) | 10 | - |
| Resistance of bridge arm | 0.01 | Ω |
| Inductance of bridge arm | 0.004 | H |
| Capacitance of SM | 0.003 | F |
| Equivalent resistance of IGBT | 0.001 | Ω |
| Reference value of active power | 8 | MW |
| Reference value of reactive power | 1 | Mvar |
Disclaimer/Publisher’s Note: The statements, opinions and data contained in all publications are solely those of the individual author(s) and contributor(s) and not of MDPI and/or the editor(s). MDPI and/or the editor(s) disclaim responsibility for any injury to people or property resulting from any ideas, methods, instructions or products referred to in the content. |
© 2025 by the authors. Licensee MDPI, Basel, Switzerland. This article is an open access article distributed under the terms and conditions of the Creative Commons Attribution (CC BY) license (https://creativecommons.org/licenses/by/4.0/).
Share and Cite
Ji, Y.; Huai, Q.; Huang, X.; Ma, L.; Yuan, Q.; Zhou, C.; Zhao, C. Analysis of Influence of Abnormal Fiber-Optical Current Transformer on Double Closed-Loop Control of Converter Valve in Flexible DC Converter Station. Electronics 2025, 14, 141. https://doi.org/10.3390/electronics14010141
Ji Y, Huai Q, Huang X, Ma L, Yuan Q, Zhou C, Zhao C. Analysis of Influence of Abnormal Fiber-Optical Current Transformer on Double Closed-Loop Control of Converter Valve in Flexible DC Converter Station. Electronics. 2025; 14(1):141. https://doi.org/10.3390/electronics14010141
Chicago/Turabian StyleJi, Yirun, Qing Huai, Xuanfei Huang, Libo Ma, Qian Yuan, Chengjie Zhou, and Chen Zhao. 2025. "Analysis of Influence of Abnormal Fiber-Optical Current Transformer on Double Closed-Loop Control of Converter Valve in Flexible DC Converter Station" Electronics 14, no. 1: 141. https://doi.org/10.3390/electronics14010141
APA StyleJi, Y., Huai, Q., Huang, X., Ma, L., Yuan, Q., Zhou, C., & Zhao, C. (2025). Analysis of Influence of Abnormal Fiber-Optical Current Transformer on Double Closed-Loop Control of Converter Valve in Flexible DC Converter Station. Electronics, 14(1), 141. https://doi.org/10.3390/electronics14010141
