Performance Evaluation of the B4 Topology for Implementing Grid-Connected Inverters in Microgrids
Abstract
1. Introduction
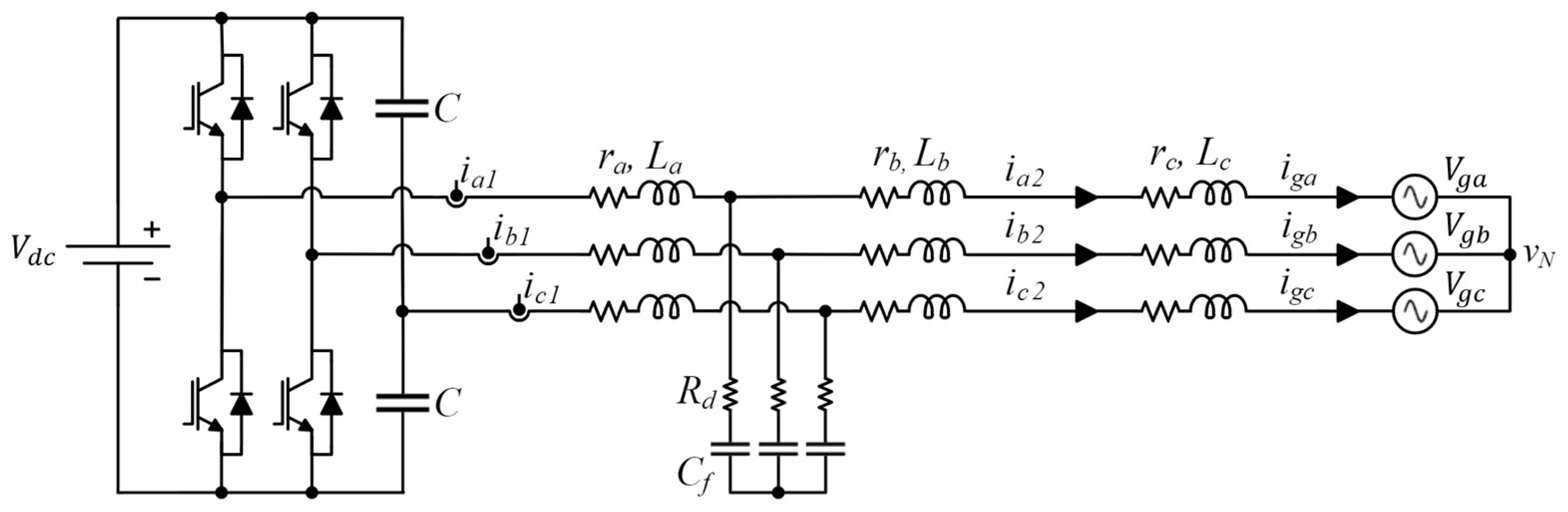
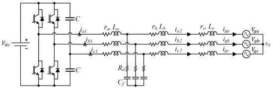
2. Fundamentals of the B4 Topology
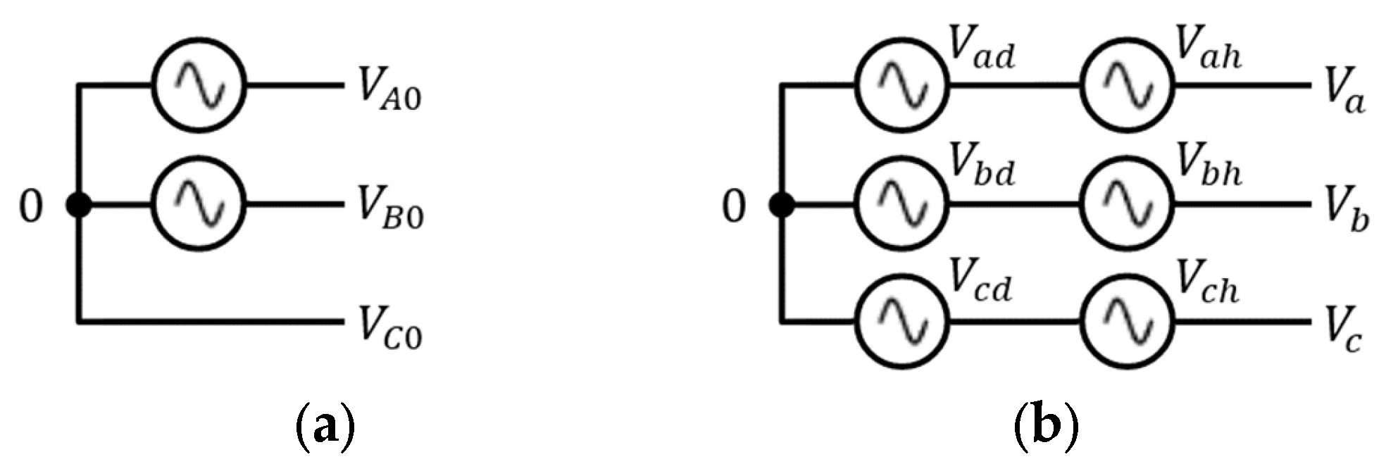
2.1. Analysis of the Equivalent Circuit at Fundamental Frequency
2.2. Power Transfer Capability
2.3. Capacitor Current and Voltage Ripples
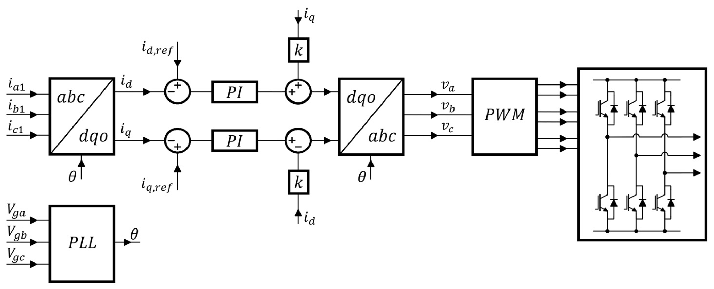
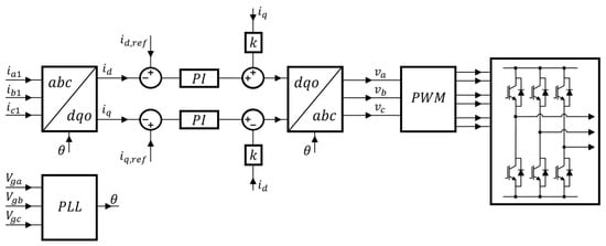
3. Description of the Control Algorithms
3.1. B6 Inverter
3.2. B4 Inverter
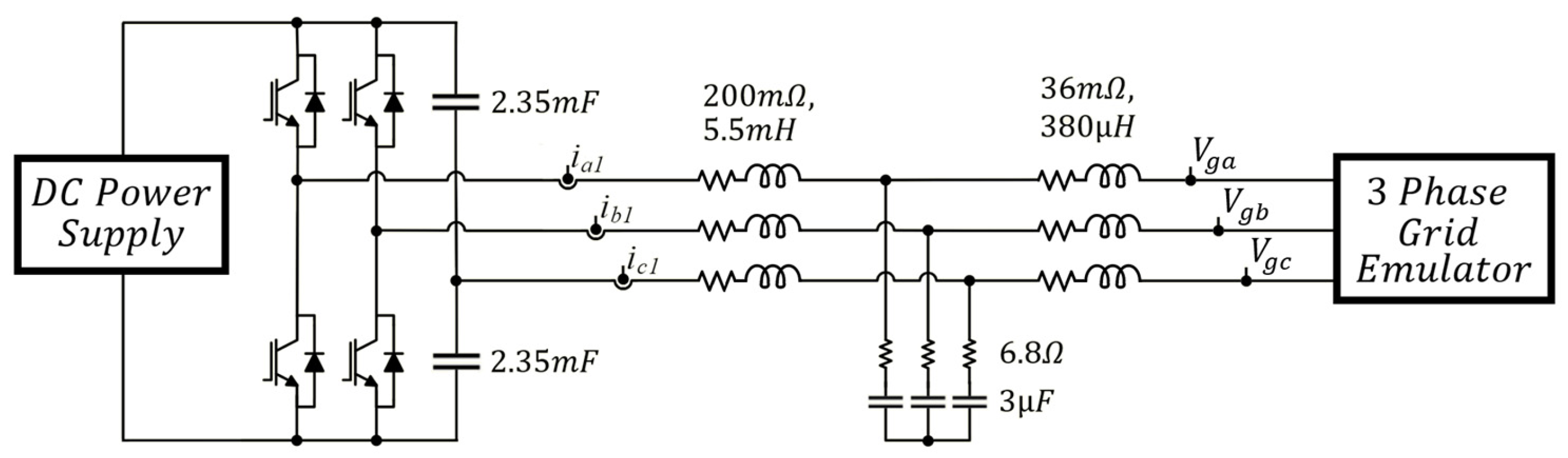
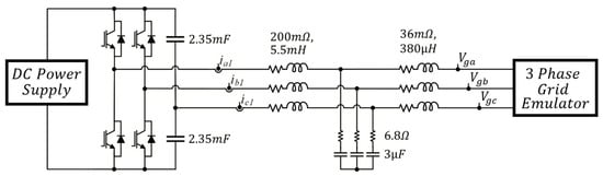
4. Experimental Setup
5. Experimental Results
5.1. B4 Waveforms
5.2. Comparative Analysis of the Experimental Results
5.3. Cost Comparison of the B4 and the B6 Topology
5.4. Reliability Analysis of the B4 and the B6 Topology
6. Conclusions
Author Contributions
Funding
Data Availability Statement
Conflicts of Interest
References
- Alam, M.N.; Chakrabarti, S.; Ghosh, A. Networked Microgrids: State-of-the-Art and Future Perspectives. IEEE Trans. Ind. Inform. 2019, 15, 1238–1250. [Google Scholar] [CrossRef]
- Ahmad, S.; Shafiullah, M.; Ahmed, C.B.; Alowaifeer, M. A Review of Microgrid Energy Management and Control Strategies. IEEE Access 2023, 11, 21729–21757. [Google Scholar] [CrossRef]
- Saeed, M.H.; Fangzong, W.; Kalwar, B.A.; Iqbal, S. A Review on Microgrids’ Challenges & Perspectives. IEEE Access 2021, 9, 166502–166517. [Google Scholar] [CrossRef]
- Cheng, Z.; Duan, J.; Chow, M.-Y. To Centralize or to Distribute: That Is the Question: A Comparison of Advanced Microgrid Management Systems. IEEE Ind. Electron. Mag. 2018, 12, 6–24. [Google Scholar] [CrossRef]
- Bellizio, F.; Xu, W.; Qiu, D.; Ye, Y. Transition to Digitalized Paradigms for Security Control and Decentralized Electricity Market. Proc. IEEE 2023, 111, 744–761. [Google Scholar] [CrossRef]
- Krechel, T.; Sanchez, F.; Gonzalez-Longatt, F.; Chamorro, H.R.; Rueda, J.L. A Transmission System Friendly Micro-grid: Optimising Active Power Losses. In Proceedings of the 2019 IEEE Milan PowerTech, Milan, Italy, 23–27 June 2019; pp. 1–6. [Google Scholar] [CrossRef]
- Shehadeh, S.H.; Aly, H.H.; El-Hawary, M.E. Photovoltaic inverters technology. In Proceedings of the 2015 IEEE 28th Canadian Conference on Electrical and Computer Engineering, Halifax, NS, Canada, 3–6 May 2015; pp. 436–443. [Google Scholar] [CrossRef]
- Patrao, I.; Figueres, E.; González-Espín, F.; Garcerá, G. Transformerless topologies for grid-connected single-phase photovoltaic inverters. Renew. Sustain. Energy Rev. 2011, 15, 3423–3431. [Google Scholar] [CrossRef]
- Kolantla, D.; Mikkili, S.; Pendem, S.R.; Desai, A.A. Critical review on various inverter topologies for PV system architectures. IET Renew. Power Gener. 2020, 14, 3418–3438. [Google Scholar] [CrossRef]
- Saxena, A.; Suryawanshi, H.M.; Shitole, A.B.; Talapur, G.G.; Chanekar, A.A. Energy management of photovoltaic and battery energy storage based grid tied three level inverter system. In Proceedings of the 2017 7th International Conference on Power Systems (ICPS), Pune, India, 21–23 December 2017; pp. 139–144. [Google Scholar] [CrossRef]
- Venkatramanan, D.; John, V. A Reconfigurable Solar Photovoltaic Grid-Tied Inverter Architecture for Enhanced Energy Access in Backup Power Applications. IEEE Trans. Ind. Elec. 2020, 67, 10531–10541. [Google Scholar] [CrossRef]
- El Kadi, Y.A.; Lakhal, Y.; Baghli, F.Z. Compensation of the harmonic pollution by photovoltaic systems under variable solar radiation. In Proceedings of the 2019 International Conference of Computer Science and Renewable Energies (ICCSRE), Agadir, Morocco, 22–24 July 2019; pp. 1–4. [Google Scholar] [CrossRef]
- Shi, L.; Xu, H.; Li, D.; Zhang, Z.; Han, Y. The photovoltaic charging station for electric vehicle to grid application in Smart Grids. In Proceedings of the IEEE 6th International Conference on Information and Automation for Sustainability, Beijing, China, 27–29 September 2012; pp. 279–284. [Google Scholar] [CrossRef]
- Traube, J.; Lu, F.; Maksimovic, D. Photovoltaic power system with integrated electric vehicle DC charger and enhanced grid support. In Proceedings of the 15th International Power Electronics and Motion Control Conference (EPE/PEMC), Novi Sad, Serbia, 4–6 September 2012; pp. LS1d.5-1–LS1d.5-5. [Google Scholar] [CrossRef]
- Jang, Y.; Sun, Z.; Ji, S.; Lee, C.; Jeong, D.; Choung, S.; Bae, S. Grid-Connected Inverter for a PV-Powered Electric Vehicle Charging Station to Enhance the Stability of a Microgrid. Sustainability 2021, 13, 14022. [Google Scholar] [CrossRef]
- Muthunagai, R.; Muruganandhan, D.; UmaMaheswari, R. Cost Effective B4 Inverter Fed Induction Motor Drive. Int. J. Novel Res. Electr. Mech. Eng. 2016, 3, 1–11, ISSN 2394-9678. [Google Scholar]
- O’Rourke, C.J.; Qasim, M.M.; Overlin, M.R.; Kirtley, J.L. A Geometric Interpretation of Reference Frames and Transformations: dq0, Clarke, and Park. IEEE Trans. Energy Convers. 2019, 34, 2070–2083. [Google Scholar] [CrossRef]
- Van Der Broeck, H.W.; Van Wyk, J.D. A Comparative Investigation of a Three-Phase Induction Machine Drive with a Component Minimized Voltage-Fed Inverter under Different Control Options. IEEE Trans. Ind. Appl. 1984, IA-20, 309–320. [Google Scholar] [CrossRef]
- Rosas, E.; Cárdenas, V.; Alcalá, J.; Núñez, C. Active and reactive current decoupled control strategy applied to a single-phase BTB converter. In Proceedings of the 6th International Conference on Electrical Engineering, Computing Science and Automatic Control (CCE), Toluca, Mexico, 10–13 November 2009; pp. 1–6. [Google Scholar] [CrossRef]
- Teodorescu, R.; Liserre, M.; Rodríguez, P. Grid Converters for Photovoltaic and Wind Power Systems; John Wiley & Sons, Ltd.: Hoboken, NJ, USA, 2011. [Google Scholar]
- Salas-Puente, R.; Marzal, S.; González-Medina, R.; Figueres, E.; Garcerá, G. An Algorithm for the Efficient Management of the Power Converters Connected to the DC Bus of a Hybrid Microgrid Operating in Grid-connection Mode. Electr. Power Compon. Syst. 2018, 46, 1029–1043. [Google Scholar] [CrossRef]
- Technical Guidelines for Low-Voltage Electrical Installations in Spain. Available online: https://www.f2i2.net/legislacionseguridadindustrial/rebt_guia.aspx (accessed on 6 November 2023).
- IEEE Std 112-2017 (Revision of IEEE Std 112-2004); IEEE Standard Test Procedure for Polyphase Induction Motors and Generators. IEEE: Piscataway, NJ, USA, 2018; pp. 1–115. [CrossRef]
- Torán, E.; Liberos, M.; Patrao, I.; González-Medina, R.; Figueres, E.; Garcerá, G. Comparative analysis of B4 and B6 inverter topologies for grid-connected operation. In Proceedings of the IEEE 1st Industrial Electronics Society Annual On-Line Conference (ONCON), Kharagpur, India, 9–11 December 2022. [Google Scholar]
- HCPL-316J—Reliability Datasheet. Available online: https://docs.broadcom.com/doc/AV02-3503EN (accessed on 14 January 2024).
- Traco Power—AC/DC Power Modules. Available online: https://www.tracopower.com/sites/default/files/products/datasheets/tmt_datasheet.pdf (accessed on 14 January 2024).
- Mean Well—Ultra Slim Power Supply. Available online: https://www.meanwell-web.com/content/files/pdfs/productPdfs/MW/HDR-15/HDR-15-spec.pdf (accessed on 14 January 2024).
- US Department of Defense. Reliability Prediction of Electronic Equipment; US Department of Defense: Washington, DC, USA, 1991.
- Gouvea, C.; Santos, E. Reliability of Components in Power Amplifiers Based in MIL-HDBK-217F Standard. In Proceedings of the 2018 33rd South Symposium on Microelectronics (SIM), Curitiba, PR, Brazil, 2–5 May 2018. ISSN 2177-5176. [Google Scholar]
- Heo, D.-H.; Kang, F.-S.; Song, S.-G. Failure-rate Analysis Considering Operational Condition of Half-bridge Submodule in HVDC System. In Proceedings of the 2019 International Symposium on Electrical and Electronics Engineering (ISEE), Ho Chi Minh City, Vietnam, 10–12 October 2019; pp. 252–256. [Google Scholar] [CrossRef]
- Valentine, N.; Das, D.; Pecht, M. Failure Mechanisms of Insulated Gate Bipolar Transistors (IGBTs). In Proceedings of the 2015 NREL Photovoltaic Reliability Workshop, Golden, CO, USA, 24–27 February 2015. [Google Scholar]
- Renesas—Calculation of Semiconductor Failure Rates. Available online: https://www.renesas.com/us/en/document/qsg/calculation-semiconductor-failure-rates (accessed on 16 January 2024).

























| Description | Model |
|---|---|
| AC Grid Emulator | Cinergia GE&EL-50 |
| DC Voltage Source | AMREL HPS-800 |
| Power Analyser | Voltech PM6000 |
| Oscilloscope | Agilent DSO-X 2004 |
| Differential voltage probes | Tektronix P5200 |
| Current probes | Fluke i400s |
| Parameter | Nominal Value | Parameter | Nominal Value |
|---|---|---|---|
| Vdc | 700 V | ra | 200 mΩ |
| Vac | 230 Vrms | rb | 36 mΩ |
| fac | 50 Hz | rd | 6.8 Ω |
| C | 2.35 mF | La | 5.5 mH |
| fsw | 10 kHz | Lb | 380 µH |
| Pn | 7 kW | Cf | 3 µF |
| Topology | Cost |
|---|---|
| B6 | 35.43 EUR/kW |
| B4 | 33.95 EUR/kW |
| Topology | FIT (per 109 h) | MTBF (Hours) |
|---|---|---|
| B6 | 7385 | 135,410 |
| B4 | 7115 | 140,557 |
| Topology | ECY (EUR per 10,000 h) |
|---|---|
| B6 | 18.3 |
| B4 | 16.9 |
Disclaimer/Publisher’s Note: The statements, opinions and data contained in all publications are solely those of the individual author(s) and contributor(s) and not of MDPI and/or the editor(s). MDPI and/or the editor(s) disclaim responsibility for any injury to people or property resulting from any ideas, methods, instructions or products referred to in the content. |
© 2024 by the authors. Licensee MDPI, Basel, Switzerland. This article is an open access article distributed under the terms and conditions of the Creative Commons Attribution (CC BY) license (https://creativecommons.org/licenses/by/4.0/).
Share and Cite
Torán, E.; Liberos, M.; Patrao, I.; González-Medina, R.; Garcerá, G.; Figueres, E. Performance Evaluation of the B4 Topology for Implementing Grid-Connected Inverters in Microgrids. Electronics 2024, 13, 1755. https://doi.org/10.3390/electronics13091755
Torán E, Liberos M, Patrao I, González-Medina R, Garcerá G, Figueres E. Performance Evaluation of the B4 Topology for Implementing Grid-Connected Inverters in Microgrids. Electronics. 2024; 13(9):1755. https://doi.org/10.3390/electronics13091755
Chicago/Turabian StyleTorán, Enric, Marian Liberos, Iván Patrao, Raúl González-Medina, Gabriel Garcerá, and Emilio Figueres. 2024. "Performance Evaluation of the B4 Topology for Implementing Grid-Connected Inverters in Microgrids" Electronics 13, no. 9: 1755. https://doi.org/10.3390/electronics13091755
APA StyleTorán, E., Liberos, M., Patrao, I., González-Medina, R., Garcerá, G., & Figueres, E. (2024). Performance Evaluation of the B4 Topology for Implementing Grid-Connected Inverters in Microgrids. Electronics, 13(9), 1755. https://doi.org/10.3390/electronics13091755

